A Case Study on the Possibility of Extending the Service Life of the Demining Machine Belt
Abstract
1. Introduction
2. Materials and Methods
- Original material, steel S500MC (1.0984), used for the production of the demining machine belt, i.e., carbon, microalloyed steel with properties suitable for cold forming. The products are mainly used in the production of beams, roller wheels, drive shaft tubes, car axle covers and other structures;
- To increase the life of the belt material, it was proposed to replace the original material with S960QL. It is a high-strength structural steel hot-rolled in a refined state (hardened and tempered) (Q) which preserves properties at low temperatures (L) and guarantees compliance with the requirements of the EN 10025-6/S960QL standard. A detailed material description and microstructure were given in papers [7,10].
- Cyclic bending stress (results presented in paper [7] for the base material S960QL and its laser and electron welds). The current work extends the given research by measuring the fatigue life for S960QL and S500MC materials MAG-welded and loaded by cyclic bending;
- Cyclic stress (results presented in work [7] for the base material S960QL and its laser and electron welds). The current work extends the given research by measuring the fatigue life for S960QL and S500MC materials welded by MAG and loaded with cyclic torsion;
- Static tensile tests (results for base material, laser, electron and MAG weld presented in work [10]);
- Metallographic analyzes of the base material and all tested welding technologies (electron, laser, MAG) [10];
- Measurement of material hardness and all welding technologies [10];
- Measurements of residual stresses (results for laser and electron welding presented in work [6]).
2.1. Tested Material
2.2. Experimental Device for Measuring Fatigue of Materials
2.3. Preparation of Test Samples for Numerical Simulations and Experimental Fatigue Measurement
2.4. Fatigue Life Measurement
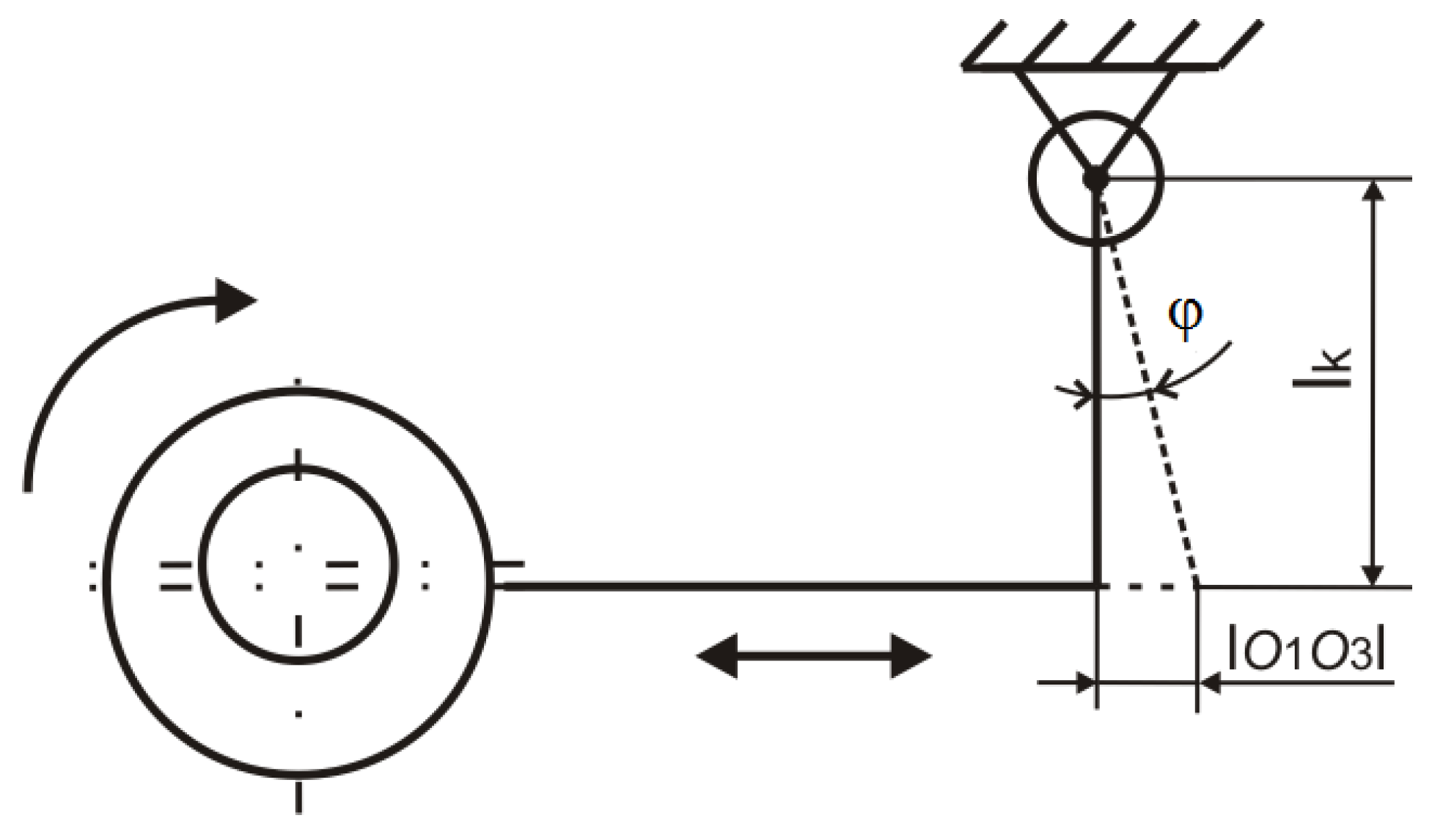
2.5. Functional Calculations Accompanying the Design Proposal for Changing the Belt Tension of the Božena 5 Machine
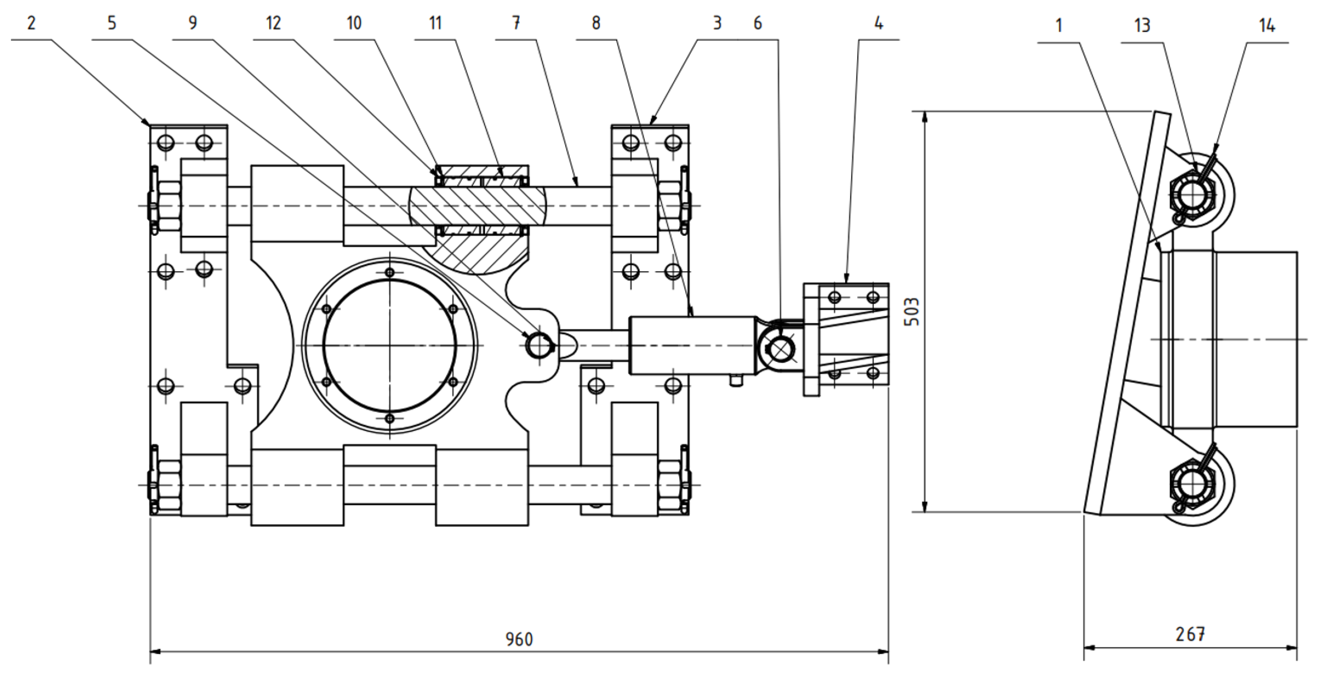
2.6. Patented Design Solution for Tensioning the Belt
- The design itself is necessary due to the continuous creation of the necessary pressure force between the rosette and the belt;
- It must enable the torque to be transferred from the rosette to the belt;
- It must allow easy handling when changing the belt;
- Tensioning must ensure the necessary pressure force between the belt and rosette in normal operation mode;
- In the event of a foreign object entering between the wheel and the belt, it must allow movement negating the increase in force leading to the belt tearing.
- Driving force, divided into two components. The first of them acts perpendicular to the tooth of the rosette (normal force) and the second acts perpendicular to the normal force (tangential force). This force tends to push the belt pin out of its seat in the rosette (Figure 18). We assume a uniform distribution of the driving force in the six engaging teeth (due to the angle of the rosette belt given by the vehicle geometry);
- Centrifugal;
- Tension;
- Friction.
3. Results
- Test samples for fatigue life assessment;
- Calibration curves of the tested materials S960QL and S500MC;
- Test methodologies and experiment results (fatigue);
- Computational model of the tensioning mechanism;
- Patented design solution for tensioning the demining machine belt.
3.1. Creation of Test Samples for Numerical Simulations and Experimental Fatigue Measurement
3.2. Results of Fatigue Life Measurement of Tested Materials S960QL and S500MC Welded by MAG Technology
- m = 3 [-] structures (steel) stressed by normal stress up to 107 cycles;
- m = 5 [-] structures (steel) stressed by shear stress up to 108 cycles.
3.3. Analysis of the Structural Design of the Belt Tensioning Change for the Machine Božena 5
3.4. Numerical Simulation of a Tensioning Mechanism Made by Using Guide Rods
4. Assessments
5. Conclusions
- Finalizing the knowledge base of a unique test condition used to measure the fatigue life of materials;
- Methodology of sample testing and numerical models corresponding to real loading conditions;
- Calibration curves of the base materials S960QL (and its electron, laser and MAG welds) and S500MC (and its MAG weld) for bending and torsion loading. The curves presented are used to ensure consistency of results when moving from the laboratory environment to the context of IIW regulations;
- Patented structural design of a new type of clamping mechanism, and its mathematical and numerical model with static FEM analysis;
- The maximum stress in the belt link is approximately 240 MPa (in bending) under the considered boundary conditions. This stress corresponds to the continuous fatigue life (more than 107 cycles) for both base materials tested (S960QL, S500MC);
- The electron-welded specimens showed only a minimal and therefore negligible reduction in fatigue life compared to the S960QL base material over the entire range of stress levels;
- Compared to the base material S960QL, the laser-welded specimens showed an approximately 40% reduction in life in the low-cycle fatigue range. The curves became closer as the deformation amplitude decreased. This trend continued up to a strain amplitude of 2.85 × 10−3 (corresponding to a stress of 610 MPa), when the curves flattened;
- The MAG-welded specimens showed an approximately 75% reduction in life in the low-cycle fatigue range compared to the base material S960QL. As the deformation amplitude decreased, the curves moved closer together. This trend continued down to the lowest deformation amplitudes measured (S960QL MAG: 4 teeth, 2.88 × 10−3, 577 MPa, S960QL base material: 4 teeth, 2.85 × 10−3, 610 MPa), when the curves moved most closely together, with a 30% difference;
- More significant differences were also observed when comparing the life of the base material S500MC and its MAG welds. The life curves converged over the full spectrum of load cycles from the maximum deformation amplitudes with a difference of 70% to the minimum measured amplitudes when the difference was approximately 33%. MAG welds of S500MC were found to be close to the recommended FAT curve for low-cycle fatigue (but still considered satisfactory). As the number of cycles to failure increased, this difference became more pronounced and all specimens were well above this curve.
Author Contributions
Funding
Institutional Review Board Statement
Informed Consent Statement
Data Availability Statement
Conflicts of Interest
References
- Berhe, A.A. The Contribution of Landmines to Land Degradation. Land Degrad. Develop. 2007, 18, 1–15. [Google Scholar] [CrossRef]
- Barnawi, A.; Budhiraja, I.; Kumar, K.; Kumar, N.; Alzahrani, B.; Almansour, A.; Noor, A. A comprehensive review on landmine detection using deep learning techniques in 5G environment: Open issues and challenges. Neural Comput. Appl. 2022, 34, 21657–21676. [Google Scholar] [CrossRef]
- Bier, G.L. The economic impact of landmines on developing countries. Int. J. Soc. Econ. 2003, 30, 651–662. [Google Scholar] [CrossRef]
- Shafapourtehrany, M.; Yariyan, P.; Özener, H.; Pradhan, B.; Shabani, F. Evaluating the application of K-mean clustering in earthquake vulnerability mapping of Istanbul, Turkey. Int. J. Disaster Risk Reduct. 2022, 79, 103154. [Google Scholar] [CrossRef]
- Mikulic, D.; Koroman, V. Development of a heavy demining machine. J. Terramechanics 2007, 44, 365–369. [Google Scholar] [CrossRef]
- Sága, M.; Blatnická, M.; Blatnický, M.; Dižo, J.; Gerlici, J. Research of the fatigue life of welded joints of high strength steel S960 QL created using laser and electron beams. Materials 2020, 13, 2539. [Google Scholar] [CrossRef]
- Blatnický, M.; Dižo, J.; Sága, M.; Kopas, P. Applied Research of Applicability of High-Strength Steel for a Track of a Demining Machine in Term of Its Tribological Properties. Metals 2021, 11, 505. [Google Scholar] [CrossRef]
- Bozena. Available online: http://www.bozena.eu/ (accessed on 21 July 2023).
- Demining System BOZENA 5. Available online: https://www.army.cz/scripts/detail.php?id=15496 (accessed on 23 July 2023).
- Blatnický, M.; Dižo, J.; Bruna, M.; Sága, M. Sága. Applied research of high-strength steel utilization for a track of demining machine in terms of mechanical properties. J. Adv. Manuf. Technol. 2023, 127, 5879–5896. [Google Scholar] [CrossRef]
- Nakamura, S.; Ogata, T.; Takano, M.; Kobayashi, Y. New Technologies in Retrofitting and Strengthening of Ageing Steel and Composite Bridges in Japan. Struct. Eng. Int. 2019, 29, 519–526. [Google Scholar] [CrossRef]
- Zhang, B.; Liu, W.; Sun, Z.; Yang, W.; Chen, L.; Xie, J.; Li, W. Corrosion behavior of the 3 wt.% Ni weathering steel with replacing 1 wt.% Cr in the simulated tropical marine atmospheric environment. J. Phys. Chem. Sol. 2023, 175, 111221. [Google Scholar] [CrossRef]
- Mansouri, D.; Sendur, P.; Yapici, G.G. Fatigue characteristics of continuous welded rails and the eect of residual stress on fatigue-ratchetting interaction. Mech. Adv. Mater. Struct. 2020, 27, 473–480. [Google Scholar] [CrossRef]
- International Institute of Welding. Available online: https://iiwelding.org (accessed on 15 May 2022).
- Stephens, R.I.; Fatemi, A.; Stephens, R.R.; Fuchs, H. Metal Fatigue in Engineering; Wiley-Interscience: London, UK, 2001; p. 472. [Google Scholar]
- Fricke, W. Fatigue analysis of welded joints: State of development. Mar. Struct. 2003, 16, 185–200. [Google Scholar] [CrossRef]
- Hobbacher, A. Recommendations for Fatigue Design of Welded Joints and Components; International Institute of Welding: Paris, France, 2008; p. 149. [Google Scholar]
- Fricke, W. IIW Guideline for the Assessment of Weld Root Fatigue. Weld World 2013, 57, 753–791. [Google Scholar] [CrossRef]
- Riski, J. Low-Cycle Fatigue of S960. Master’s Thesis, Lappeeranta University of Technology, Lappeenranta, Finland, 2017. [Google Scholar]
- EFatigue: Fatigue Analysis on the Web. Available online: www.efatigue.com (accessed on 4 April 2023).
- Sága, M.; Blatnický, M.; Vaško, M.; Dižo, J.; Kopas, P.; Gerlici, J. Experimental Determination of the Manson−Coffin Curves for an Original Unconventional Vehicle Frame. Materials 2020, 13, 4675. [Google Scholar] [CrossRef]
- Blatnický, M.; Dižo, J.; Sága, M.; Brůna, M.; Vaško, M. Experimental Research on Manson–Coffin Curves for the Frame Material of an Unconventional Vehicle. Materials 2022, 15, 1768. [Google Scholar] [CrossRef]
- EN 1993-1-12:2007; Eurocode 3—Design of Steel Structures. The European Union: Luxembourg, Luxembourg, 2007.
- Blatnický, M.; Dižo, J.; Molnár, D.; Suchánek, A. Comprehensive Analysis of a Tricycle Structure with a Steering System for Improvement of Driving Properties While Cornering. Materials 2022, 15, 8974. [Google Scholar] [CrossRef] [PubMed]
- Blatnický, M.; Dižo, J.; Sága, M.; Molnár, D.; Slíva, A. Utilizing Dynamic Analysis in the Complex Design of an Unconventional Three-Wheeled Vehicle with Enhancing Cornering Safety. Machines 2023, 11, 842. [Google Scholar] [CrossRef]
- Rexroth A Bosh Company. Available online: https://www.boschrexroth.com/en/cz/ (accessed on 20 October 2024).
- ISO 6892-1:2019; Metallic Materials—Tensile Testing. Part 1: Method of Test at Room Temperature. ISO: Geneva, Switzerland, 2019.
- Axial Piston Variable Pumps A. Available online: https://store.boschrexroth.com/Hydraulika/Motory/Axi%C3%A1ln%C3%AD-p%C3%ADstov%C3%A9-motory/Konstantn%C3%AD-motory/AXIAL-PISTON-MOTOR_R902230009?cclcl=en_CZ (accessed on 20 October 2024).
- Axial Piston Variable Pumps B. Available online: https://store.boschrexroth.com/Hydraulika/Motory/Axi%C3%A1ln%C3%AD-p%C3%ADstov%C3%A9-motory/Konstantn%C3%AD-motory/AXIAL-PISTON-MOTOR_R902230037?cclcl=en_CZ (accessed on 20 October 2024).
- Kornokar, K.; Nematzadeh, F.; Mostaan, H.; Sadeghian, A.; Moradi, M.; Waugh, D.G.; Bodaghi, M. Influence of Heat Input on Microstructure and Mechanical Properties of Gas Tungsten Arc Welded HSLA S500MC Steel Joints. Metals 2022, 12, 565. [Google Scholar] [CrossRef]
- Neumann, M.; Hälsig, A.; Hensel, J. Infuence of welding thermal cycles on properties of TMCP and Q&T steels evaluated by thermo-physical simulation. Weld World 2024, 68, 183–197. [Google Scholar] [CrossRef]
- Rutao, Z.; Wengguang, M.; Liang, W. Laser-Hybrid Welding of S500MC. In Proceedings of the 2nd International Conference on Applied Robotics for the Power Industry, Zurich, Switzerland, 11–13 September 2012. [Google Scholar] [CrossRef]
- Meiabadi, S.; Nematzadeh, F.; Kornokar, K.; Mostaan, H.; Borhan, M.S.; Khandan, R.; Demers, V.; Lawrence, J.; Moradi, M. Contrasting the mechanical and metallurgical properties of laser welded and gas tungsten arc welded S500MC steel. Weld World 2023, 67, 2215–2224. [Google Scholar] [CrossRef]
- Błacha, S.; Węglowski, M.S.; Dymek, S.; Kopyściański., M. Microstructural and Mechanical Characterization of Electron Beam Welded Joints of High Strength S960Ql and Weldox 1300 Steel Grades. Arch. Metall. Mater. 2017, 62, 627–634. [Google Scholar] [CrossRef]
- Sisodia, R.P.S.; Gáspár, M. An Approach to Assessing S960QL Steel Welded Joints Using EBW and GMAW. Metals 2022, 12, 678. [Google Scholar] [CrossRef]
- Mert, T.; Gurol, U.; Tumer., M. The effect of heat input in multi-pass GMAW of S960QL UHSS based on weaving and stringer bead procedure on microstructure and mechanical properties of HAZ. Mater. Res. Express 2023, 10, 086507. [Google Scholar] [CrossRef]
- Frih, I.; Montay, G.; Adragna, P.A. Microstructure, Hardness, and Residual Stress Distributions in T-Joint Weld of HSLA S500MC Steel. Met. Mater. Trans. A 2017, 48, 1103–1110. [Google Scholar] [CrossRef]
- Coelho, R.S.; Corpas, M.; Moreto, J.M.; Jahn, A.; Standfuß, J.; Kaysser-Pyzalla, A.; Pinto, H. Induction-assisted laser beam welding of a thermomechanically rolled HSLA S500MC steel: A microstructure and residual stress assessment. Mater. Sci. Eng. A 2013, 578, 125–133. [Google Scholar] [CrossRef]
- Frih, I.; Adragna, P.; Montay, G. Influence of A Welding Defect on a Hsla S 500 MC Steel Plate: Microstructure and Residual Stress Evaluation. In Proceedings of the 6th International Conference on Mechanics and Materials in Design (M2D), Ponta Delgada, Portugal, 26–30 July 2015; pp. 169–180. [Google Scholar]
- Slezak, T. Prediction of Fatigue Life of Welded Joints Made of Fine-Grained Martensite-Bainitic S960QL Steel and Determination of Crack Origins. Adv. Mater. Sci. Eng. 2019, 2019, 9520801. [Google Scholar] [CrossRef]
- Ślęzaka, T.; Śnieżeka, L. A Comparative LCF Study of S960QL High Strength Steel and S355J2 Mild Steel. Procedia Eng. 2015, 114, 78–85. [Google Scholar] [CrossRef]































| Steel | Chemical Composition—Max. wt. [%] | |||||||
|---|---|---|---|---|---|---|---|---|
| S960QL | C | Si | Mn | B | Nb | Cr | V | Cu |
| 0.16 | 0.21 | 1.24 | 0.001 | 0.015 | 0.2 | - | 0.01 | |
| Ti | Al | Mo | Ni | N | P | S | ||
| 0.004 | 0.06 | 0.602 | 0.06 | 0.003 | 0.01 | 0.001 | ||
| S500MC | C | Si | Mn | B | Nb | Cr | V | Cu |
| 0.17 | 0.28 | 1.24 | - | 0.018 | - | 0.004 | - | |
| Ti | Al | Mo | Ni | N | P | S | ||
| 0.02 | 0.026 | - | - | - | 0.019 | 0.017 | ||
| Eccentric Tooth (exc.4 mm) [-] | Deviation [mm] | Twist Angle [rad] | Eccentric Tooth (exc.4 mm) [-] | Deviation [mm] | Twist Angle [rad] |
|---|---|---|---|---|---|
| 1 | 0.6784 | 0.0048 | 10 | 6.0054 | 0.0429 |
| 2 | 1.3520 | 0.0097 | 11 | 6.4320 | 0.0459 |
| 3 | 2.0158 | 0.0144 | 12 | 6.8122 | 0.0486 |
| 4 | 2.6651 | 0.0190 | 13 | 7.1434 | 0.0510 |
| 5 | 3.2952 | 0.0235 | 14 | 7.4231 | 0.0530 |
| 6 | 3.9016 | 0.0279 | 15 | 7.6493 | 0.0546 |
| 7 | 4.4798 | 0.0320 | 16 | 7.8204 | 0.0558 |
| 8 | 5.0258 | 0.0359 | 17 | 7.9352 | 0.0566 |
| 9 | 5.5355 | 0.0395 | 18 | 7.9928 | 0.0570 |
| Eccentric Tooth (exc.2 mm) [-] | Deviation [mm] | Twist Angle [rad] | Eccentric Tooth (exc.2 mm) [-] | Deviation [mm] | Twist Angle [rad] |
|---|---|---|---|---|---|
| 1 | 0.3392 | 0.0022 | 10 | 3.0027 | 0.0200 |
| 2 | 0.6760 | 0.0045 | 11 | 3.2160 | 0.0214 |
| 3 | 1.0079 | 0.0067 | 12 | 3.4061 | 0.0227 |
| 4 | 1.3326 | 0.0089 | 13 | 3.5717 | 0.0238 |
| 5 | 1.6476 | 0.0110 | 14 | 3.7116 | 0.0247 |
| 6 | 1.9508 | 0.0130 | 15 | 3.8247 | 0.0255 |
| 7 | 2.2399 | 0.0149 | 16 | 3.9102 | 0.0261 |
| 8 | 2.5129 | 0.0168 | 17 | 3.9676 | 0.0264 |
| 9 | 2.7678 | 0.0184 | 18 | 3.9964 | 0.0266 |
| E [GPa] | μ [-] | Re [MPa] | ET [MPa] |
|---|---|---|---|
| 210 | 0.3 | 1049 for S960QL 521 for S500MC | 5000 |
| Tooth [-] | γxy [10−3] | τxy [MPa] | Tooth [-] | γxy [10−3] | τxy [MPa] |
|---|---|---|---|---|---|
| 1 | 0.83 | 67.27 | 10 | 7.37 | 594.00 |
| 2 | 1.66 | 134.07 | 11 | 7.91 | 606.84 |
| 3 | 2.47 | 199.90 | 12 | 8.56 | 610.12 |
| 4 | 3.27 | 264.31 | 13 | 9.24 | 613.44 |
| 5 | 4.05 | 326.81 | 14 | 9.91 | 616.72 |
| 6 | 4.79 | 386.99 | 15 | 10.54 | 619.74 |
| 7 | 5.50 | 444.34 | 16 | 11.06 | 622.23 |
| 8 | 6.17 | 498.52 | 17 | 11.43 | 623.99 |
| 9 | 6.80 | 549.12 | 18 | 11.63 | 624.92 |
| Tooth [-] | εxx [10−3] | σxx [MPa] | Tooth [-] | εxx [-] | σxx [MPa] |
|---|---|---|---|---|---|
| 1 | 0.72 | 153.69 | 10 | 6.86 | 1130.16 |
| 2 | 1.44 | 307.45 | 11 | 7.55 | 1144.64 |
| 3 | 2.15 | 459.96 | 12 | 8.19 | 1157.47 |
| 4 | 2.85 | 610.24 | 13 | 8.78 | 1168.84 |
| 5 | 3.53 | 756.97 | 14 | 9.29 | 1178.43 |
| 6 | 4.19 | 899.14 | 15 | 9.71 | 1186.35 |
| 7 | 4.82 | 1035.43 | 16 | 10.04 | 1192.18 |
| 8 | 5.45 | 1096.69 | 17 | 10.25 | 1196.17 |
| 9 | 6.17 | 1114.70 | 18 | 10.36 | 1198.07 |
| Tooth [-] | γxy [10−3] | τxy [MPa] | Tooth [-] | γxy [10−3] | τxy [MPa] |
|---|---|---|---|---|---|
| 1 | 0.88 | 48.30 | 10 | 7.39 | 573.44 |
| 2 | 1.76 | 102.52 | 11 | 7.93 | 584.75 |
| 3 | 2.57 | 160.26 | 12 | 8.57 | 586.14 |
| 4 | 3.37 | 231.74 | 13 | 9.26 | 589.80 |
| 5 | 4.12 | 292.06 | 14 | 9.92 | 592.83 |
| 6 | 4.90 | 359.43 | 15 | 10.56 | 596.81 |
| 7 | 5.59 | 420.59 | 16 | 11.07 | 599.18 |
| 8 | 6.21 | 482.78 | 17 | 11.41 | 601.97 |
| 9 | 6.82 | 532.66 | 18 | 11.65 | 602.88 |
| Tooth [-] | εxx [10−3] | σxx [MPa] | Tooth [-] | εxx [-] | σxx [MPa] |
|---|---|---|---|---|---|
| 1 | 0.77 | 126.85 | 10 | 6.90 | 1114.44 |
| 2 | 1.48 | 272.08 | 11 | 7.59 | 1121.96 |
| 3 | 2.19 | 423.14 | 12 | 8.23 | 1132.14 |
| 4 | 2.88 | 577.87 | 13 | 8.80 | 1147.38 |
| 5 | 3.57 | 713.19 | 14 | 9.31 | 1156.08 |
| 6 | 4.22 | 855.76 | 15 | 9.73 | 1165.27 |
| 7 | 4.85 | 978.55 | 16 | 10.05 | 1182.30 |
| 8 | 5.48 | 1050.62 | 17 | 10.27 | 1185.17 |
| 9 | 6.20 | 1082.27 | 18 | 10.37 | 1187.39 |
| Tooth [-] | γxy [10−3] | τxy [MPa] | Tooth [-] | γxy [10−3] | τxy [MPa] |
|---|---|---|---|---|---|
| 1 | 0.86 | 32.74 | 10 | 7.39 | 307.54 |
| 2 | 1.73 | 63.86 | 11 | 7.91 | 327.48 |
| 3 | 2.55 | 97.14 | 12 | 8.57 | 350.17 |
| 4 | 3.31 | 128.47 | 13 | 9.25 | 364.23 |
| 5 | 4.09 | 166.13 | 14 | 9.92 | 368.87 |
| 6 | 4.84 | 197.48 | 15 | 10.55 | 369.16 |
| 7 | 5.55 | 233.79 | 16 | 11.07 | 369.92 |
| 8 | 6.20 | 258.93 | 17 | 11.42 | 370.28 |
| 9 | 6.82 | 282.36 | 18 | 11.64 | 370.98 |
| Tooth [-] | εxx [10−3] | σxx [MPa] | Tooth [-] | εxx [-] | σxx [MPa] |
|---|---|---|---|---|---|
| 1 | 0.79 | 73.32 | 10 | 6.95 | 580.13 |
| 2 | 1.50 | 152.76 | 11 | 7.63 | 587.62 |
| 3 | 2.21 | 232.19 | 12 | 8.27 | 591.31 |
| 4 | 2.94 | 308.96 | 13 | 8.83 | 602.11 |
| 5 | 3.60 | 381.14 | 14 | 9.33 | 609.03 |
| 6 | 4.26 | 467.43 | 15 | 9.76 | 614.75 |
| 7 | 4.88 | 526.20 | 16 | 10.08 | 620.44 |
| 8 | 5.53 | 561.22 | 17 | 10.29 | 626.09 |
| 9 | 6.24 | 576.82 | 18 | 10.39 | 628.40 |
| Tooth [-] | γxy [10−3] | τxy [MPa] | Tooth [-] | γxy [10−3] | τxy [MPa] |
|---|---|---|---|---|---|
| 1 | 0.88 | 30.58 | 10 | 7.40 | 256.40 |
| 2 | 1.76 | 56.14 | 11 | 7.93 | 268.15 |
| 3 | 2.59 | 84.59 | 12 | 8.59 | 288.61 |
| 4 | 3.35 | 114.22 | 13 | 9.26 | 300.53 |
| 5 | 4.14 | 153.93 | 14 | 9.94 | 310.09 |
| 6 | 4.88 | 176.84 | 15 | 10.57 | 318.52 |
| 7 | 5.58 | 190.04 | 16 | 11.08 | 323.18 |
| 8 | 6.23 | 211.52 | 17 | 11.43 | 323.99 |
| 9 | 6.86 | 229.96 | 18 | 11.64 | 324.41 |
| Tooth [-] | εxx [10−3] | σxx [MPa] | Tooth [-] | εxx [-] | σxx [MPa] |
|---|---|---|---|---|---|
| 1 | 0.84 | 55.83 | 10 | 6.00 | 498.47 |
| 2 | 1.53 | 117.44 | 11 | 7.69 | 512.81 |
| 3 | 2.24 | 172.54 | 12 | 8.32 | 519.42 |
| 4 | 2.99 | 235.05 | 13 | 8.88 | 524.07 |
| 5 | 3.63 | 284.63 | 14 | 9.39 | 529.40 |
| 6 | 4.29 | 341.88 | 15 | 9.80 | 533.22 |
| 7 | 4.92 | 390.14 | 16 | 10.11 | 535.05 |
| 8 | 5.58 | 442.62 | 17 | 10.32 | 536.70 |
| 9 | 6.27 | 473.29 | 18 | 10.44 | 537.00 |
| Symbol | Value | Unit | |
|---|---|---|---|
| Maximum pump volume | VGmax | 125 | cm3 |
| Maximum flow rate | qvmax | 356 | l/min |
| Work pressure | p | 400 | bar |
| Efficiency | ηp | 0.93 | - |
| Symbol | Value | Unit | |
|---|---|---|---|
| Maximum pump volume | VGMmax | 63 | cm3 |
| Maximum flow rate | qvm max | 315 | L/min |
| Work pressure | p | 400 | bar |
| Efficiency | ηm | 0.925 | - |
| E [GPa] | μ [-] | Re [MPa] | ρ [kg·m−3] |
|---|---|---|---|
| 210 | 0.33 | 500 | 7850 |
| Parameter | Parameter Unit | Parameter Value | Parameter Meaning |
|---|---|---|---|
| ηp | [-] | 0.8 | mechanical efficiency of the wheel gearbox |
| ip | [-] | 38.6 | gear ratio of the wheel gearbox |
| r | [m] | 0.465 | pitch radius of the chain wheel (rosettes) |
| m | [kg] | 10,240 | the weight of the Bozen 5 |
| mf | [kg] | 2850 | the weight of the periphery of the ground cutter |
| α | [°] | 25 | maximum climb of the vehicle |
| α1 | [°] | 32 | the angle of deviation of the normal force from the driving force |
| mb | [kg] | 12.2 | weight of one belt link |
| n | [ot·s−1] | 0.66 | revolutions of the rosette at the maximum speed of the vehicle |
| f | [-] | 0.1 | friction coefficient of the kinematic pair belt–rosette |
| Sample Material | YS [MPa] | UTS [MPa] | A [%] |
|---|---|---|---|
| Base material S960QL | 1035.45 | 1077.75 | 11.625 |
| Base material S500MC | 521 | 630.7 | 20.5 |
| S960QL laser-welded | 1053.5 | 1093.3 | 11.15 |
| S960QL electron-welded | 1057.8 | 1097.3 | 11.16 |
| S960QL arc-welded | 823.5 | 930.8 | 4.3 |
| S500MC arc-welded | 374.5 | 523.4 | 6.9 |
| MAG—S960QL | |||||
| Welding Current I [A] | Welding Voltage U [V] | Welding Speed v [mm/s] 2.5 | Heat Input Q [kJ/mm] | ||
| Root pass | 164 | 23.3 | 2.5 | 1.67 | |
| Cap pass | 230 | 28.2 | 3.1 | ||
| MAG—S500MC | |||||
| Welding current I [A] | Welding voltage U [V] | Welding speed v [mm/s] 2.5 | Heat input Q [kJ/mm] | ||
| Root pass | 150 | 25 | 2.9 | 1.3 | |
| Cap pass | 168 | 26 | 2.7 | ||
| Laser welding | |||||
| Power P [W] | Speed v [mm/s] | Focus location [mm] | Thread diameter [mm] | Heat input Q [kJ/mm] | |
| 5000 | 7.5 | −4 | 0.1 | 0.63 | |
| Electron welding | |||||
| Welding current I [mA] | Acceleration voltage U [kV] | Speed v [mm/s] | Focus location [mm] | Vacuum ratio [Pa] | Heat input Q [kJ/mm] |
| 115 | 55 | 11 | 0 | 0.09 | 0.55 |
| The Tooth of the Eccentric Pair [-] | Number of Measurements at the Given Level [-] | Average Number of Cycles Nf [-] to Fracture | The Tooth of the Eccentric Pair [-] | Number of Measurements at the Given Level [-] | Average Number of Cycles Nf [-] to Fracture |
|---|---|---|---|---|---|
| 11 | 3 | 18,820 | 7 | 6 | 383,958 |
| 10 | 3 | 26,125 | 6 | 5 | 2,709,740 |
| 9 | 4 | 39,129 | 5 | 4 | 13,949,911 |
| 8 | 3 | 147,690 | - | - | - |
| The Tooth of the Eccentric Pair [-] | Number of Measurements at the Given Level [-] | Average Number of Cycles Nf [-] to Fracture | The Tooth of the Eccentric Pair [-] | Number of Measurements at the Given Level [-] | Average Number of Cycles Nf [-] to Fracture |
|---|---|---|---|---|---|
| 10 | 3 | 2163 | 5 | 4 | 167,364 |
| 8 | 3 | 4955 | 4 | 4 | 2,311,323 |
| 6 | 3 | 6223 | 3 | 3 | 7,058,667 |
| The Tooth of the Eccentric Pair [-] | Number of Measurements at the Given Level [-] | Average Number of Cycles Nf [-] to Fracture | The Tooth of the Eccentric Pair [-] | Number of Measurements at the Given Level [-] | Average Number of Cycles Nf [-] to Fracture |
|---|---|---|---|---|---|
| 8 | 4 | 19,796 | 5 | 4 | 374,498 |
| 7 | 6 | 28,353 | 4 | 4 | 12,775,224 |
| 6 | 5 | 129,650 | - | - | - |
| The Tooth of the Eccentric Pair [-] | Number of Measurements at the Given Level [-] | Average Number of Cycles Nf [-] to Fracture | The Tooth of the Eccentric Pair [-] | Number of Measurements at the Given Level [-] | Average Number of Cycles Nf [-] to Fracture |
|---|---|---|---|---|---|
| 9 | 5 | 19,853 | 6 | 5 | 1,065,550 |
| 8 | 4 | 48,588 | 5 | 3 | 11,198,761 |
| 7 | 6 | 460,378 | - | - | - |
| The Tooth of the Eccentric Pair [-] | Number of Measurements at the Given Level [-] | Average Number of Cycles Nf [-] to Fracture | The Tooth of the Eccentric Pair [-] | Number of Measurements at the Given Level [-] | Average Number of Cycles Nf [-] to Fracture |
|---|---|---|---|---|---|
| 8 | 3 | 13,121 | 5 | 4 | 350,113 |
| 7 | 5 | 22,221 | 4 | 3 | 10,552,429 |
| 6 | 5 | 108,654 | - | - | - |
| The Tooth of the Eccentric Pair [-] | Number of Measurements at the Given Level [-] | Average Number of Cycles Nf [-] to Fracture | The Tooth of the Eccentric Pair [-] | Number of Measurements at the Given Level [-] | Average Number of Cycles Nf [-] to Fracture |
|---|---|---|---|---|---|
| 10 | 3 | 1406 | 5 | 4 | 127,197 |
| 8 | 4 | 3419 | 4 | 5 | 1,849,058 |
| 6 | 3 | 4543 | 3 | 4 | 5,435,174 |
| The Tooth of the Eccentric Pair [-] | Number of Measurements at the Given Level [-] | Average Number of Cycles Nf [-] to Fracture | The Tooth of the Eccentric Pair [-] | Number of Measurements at the Given Level [-] | Average Number of Cycles Nf [-] to Fracture |
|---|---|---|---|---|---|
| 11 | 3 | 2844 | 6 | 5 | 151,892 |
| 9 | 3 | 4912 | 5 | 5 | 3,613,909 |
| 8 | 3 | 6138 | 4 | 3 | 8,858,825 |
| 7 | 4 | 15,401 | - | - | - |
| The Tooth of the Eccentric Pair [-] | Number of Measurements at the Given Level [-] | Average Number of Cycles Nf [-] to Fracture | The Tooth of the Eccentric Pair [-] | Number of Measurements at the Given Level [-] | Average Number of Cycles Nf [-] to Fracture |
|---|---|---|---|---|---|
| 11 | 3 | 13,941 | 6 | 6 | 288,086 |
| 9 | 3 | 19,902 | 5 | 4 | 6,943,261 |
| 8 | 4 | 24,517 | 4 | 3 | 13,017,934 |
| 7 | 3 | 40,881 | - | - | - |
| The Tooth of the Eccentric Pair [-] | Number of Measurements at the Given Level [-] | Average Number of Cycles Nf [-] to Fracture | The Tooth of the Eccentric Pair [-] | Number of Measurements at the Given Level [-] | Average Number of Cycles Nf [-] to Fracture |
|---|---|---|---|---|---|
| 10 | 3 | 1321 | 5 | 4 | 2,113,422 |
| 8 | 3 | 2242 | 4 | 3 | 7,328,114 |
| 7 | 3 | 13,150 | 3 | 3 | 14,874,662 |
| 6 | 4 | 62,478 | - | - | - |
| The Tooth of the Eccentric Pair [-] | Number of Measurements at the Given Level [-] | Average Number of Cycles Nf [-] to Fracture | The Tooth of the Eccentric Pair [-] | Number of Measurements at the Given Level [-] | Average Number of Cycles Nf [-] to Fracture |
|---|---|---|---|---|---|
| 11 | 3 | 9667 | 6 | 5 | 523,216 |
| 9 | 3 | 11,653 | 5 | 3 | 1,928,540 |
| 8 | 3 | 12,952 | 4 | 3 | 13,458,760 |
| 7 | 4 | 40,181 | - | - | - |
| The Tooth of the Eccentric Pair [-] | Number of Measurements at the Given Level [-] | Average Number of Cycles Nf [-] to Fracture | The Tooth of the Eccentric Pair [-] | Number of Measurements at the Given Level [-] | Average Number of Cycles Nf [-] to Fracture |
|---|---|---|---|---|---|
| 11 | 4 | 12,413 | 6 | 6 | 326,631 |
| 9 | 3 | 17,023 | 5 | 4 | 6,524,119 |
| 8 | 4 | 18,477 | 4 | 3 | 12,143,814 |
| 7 | 5 | 29,710 | - | - | - |
| The Tooth of the Eccentric Pair [-] | Number of Measurements at the Given Level [-] | Average Number of Cycles Nf [-] to Fracture | The Tooth of the Eccentric Pair [-] | Number of Measurements at the Given Level [-] | Average Number of Cycles Nf [-] to Fracture |
|---|---|---|---|---|---|
| 11 | 3 | 2844 | 6 | 5 | 151,892 |
| 9 | 3 | 4912 | 5 | 5 | 3,613,909 |
| 8 | 3 | 6138 | 4 | 3 | 8,858,825 |
| 7 | 4 | 15,401 | - | - | - |
| The Tooth of the Eccentric Pair [-] | Number of Measurements at the Given Level [-] | Average Number of Cycles Nf [-] to Fracture | The Tooth of the Eccentric Pair [-] | Number of Measurements at the Given Level [-] | Average Number of Cycles Nf [-] to Fracture |
|---|---|---|---|---|---|
| 8 | 3 | 695 | 5 | 4 | 888,979 |
| 7 | 5 | 4734 | 4 | 3 | 4,396,868 |
| 6 | 5 | 32,622 | 3 | 3 | 10,114,768 |
| S960QL—Cyclic Bending | |||
| R2 | |||
| Base material | 0.8502 | ||
| Electron weld | 0.8356 | ||
| Laser weld | 0.8736 | ||
| Arc weld | 0.8401 | ||
| S500MC—Cyclic Bending | |||
| R2 | |||
| Base material | 0.8973 | ||
| Arc weld | 0.8929 | ||
| S960QL—Cyclic Torsion | |||
| R2 | |||
| Base material | 0.8913 | ||
| Electron weld | 0.9470 | ||
| Laser weld | 0.8883 | ||
| Arc weld | 0.8825 | ||
| S500MC—Cyclic Torsion | |||
| R2 | |||
| Base material | 0.9203 | ||
| Arc weld | 0.9017 | ||
| Equation No. | Designation of the Calculated Quantity | The Meaning of the Calculated Quantity | Unit | Value |
|---|---|---|---|---|
| (4) | qv | volume flow of hydraulic fluid through the hydraulic pump | [L·min−1] | 209.25 |
| (5) | qvm | volumetric flow rate of hydraulic fluid per hydraulic motor | [L·min−1] | 104.625 |
| (6) | n | revolutions of the hydraulic motor | [ot·min−1] | 1536.16 |
| (7) | Pk | power corresponding to one hydraulic motor | [kW] | 54.61 |
| (8) | Mk | hydraulic motor torque | [N·m] | 339.5 |
| (9) | Mkv | torque at the output of the wheel gearbox | [N·m] | 10,483.76 |
| (10) | Fp | the resulting force acting on the belt is transmitted by a rosette located on the output shaft of the gearbox | [N] | 22,545.72 |
| (11) | Fxp | reduction in force Fp to the hub of the wheel in the direction of travel of the machine | [N] | 11,272.86 |
| (12) | Fx max | the weight of vehicles tilted in the direction of travel of the vehicle (driving mode reversing on a slope) | [N] | 54,269.64 |
| (13) | Fx | the resultant longitudinal force acting on the wheel in its hub | [N] | 38,407.68 |
| (14) | Fv | tangential force in the contact of the rosette with the belt | [N] | 1991.24 |
| (15) | Fo | centrifugal force acting on the belt pin when engaged with a rotating rosette | [N] | 97.56 |
| (16) | Ft | frictional force between belt and rosette | [N] | 318.66 |
| (17) | Fn | normal force of belt–rosette contact | [N] | 3186.6 |
| (18) | FN | belt tensioning force | [N] | 1770.14 |
| (19) | Fvn | resulting belt tension force | [N] | 49,028.52 |
Disclaimer/Publisher’s Note: The statements, opinions and data contained in all publications are solely those of the individual author(s) and contributor(s) and not of MDPI and/or the editor(s). MDPI and/or the editor(s) disclaim responsibility for any injury to people or property resulting from any ideas, methods, instructions or products referred to in the content. |
© 2024 by the authors. Licensee MDPI, Basel, Switzerland. This article is an open access article distributed under the terms and conditions of the Creative Commons Attribution (CC BY) license (https://creativecommons.org/licenses/by/4.0/).
Share and Cite
Blatnický, M.; Dižo, J.; Brůna, M.; Matejka, M. A Case Study on the Possibility of Extending the Service Life of the Demining Machine Belt. Materials 2024, 17, 5206. https://doi.org/10.3390/ma17215206
Blatnický M, Dižo J, Brůna M, Matejka M. A Case Study on the Possibility of Extending the Service Life of the Demining Machine Belt. Materials. 2024; 17(21):5206. https://doi.org/10.3390/ma17215206
Chicago/Turabian StyleBlatnický, Miroslav, Ján Dižo, Marek Brůna, and Marek Matejka. 2024. "A Case Study on the Possibility of Extending the Service Life of the Demining Machine Belt" Materials 17, no. 21: 5206. https://doi.org/10.3390/ma17215206
APA StyleBlatnický, M., Dižo, J., Brůna, M., & Matejka, M. (2024). A Case Study on the Possibility of Extending the Service Life of the Demining Machine Belt. Materials, 17(21), 5206. https://doi.org/10.3390/ma17215206

