Next Article in Journal
The Microbiologically Influenced Corrosion and Protection of Pipelines: A Detailed Review
Next Article in Special Issue
A Comparative Study of Two WAAM Patterns for Structures with Grid Fin Characteristics
Previous Article in Journal
Study on the Consolidation Characteristics of Slurry-like Mud Treated by Flocculation–Solidification–High-Pressure Filtration Combined Method
 
 
Font Type:
Arial Georgia Verdana
Font Size:
Aa Aa Aa
Line Spacing:
Column Width:
Background:
Article

Laser Powder Bed Fusion Parameters Optimization for Enhanced Mechanical Properties of EOS Co-Cr Dental Alloy

1
Faculty of Mechanical Engineering and Naval Architecture, University of Zagreb, Ivana Lučića 5, 10000 Zagreb, Croatia
2
Department of Mechanical Engineering, University North, Jurja Križanića 31b, 42000 Varaždin, Croatia
3
School of Dental Medicine, University of Zagreb, Gundulićeva 5, 10000 Zagreb, Croatia
4
Institute of Metals and Technology, Lepi pot 11, 1000 Ljubljana, Slovenia
*
Author to whom correspondence should be addressed.
Materials 2024, 17(20), 4993; https://doi.org/10.3390/ma17204993
Submission received: 18 September 2024 / Revised: 8 October 2024 / Accepted: 11 October 2024 / Published: 12 October 2024
(This article belongs to the Special Issue Recent Trends in Solid-State Additive Manufacturing of Alloys)

Abstract

This research explores how variations in laser powder bed fusion (LPBF) parameters—laser power (P), scanning speed (v), and base plate preheating temperature (ϑp)—affect the mechanical properties of the EOS Co-Cr SP2 dental alloy. A central composite design (CCD) was used to optimize the process parameters. Mechanical testing focused on crucial properties for dental applications, including yield strength (Rp0.2), elongation (ε), toughness (KVa), and flexural strength (Rms). Microstructural analysis was conducted using light and electron microscopy, while XRD identified microstructural phases. Statistical analysis (ANOVA, Scheffé post hoc test, α = 0.05) revealed significant effects of P, v, and ϑp on the mechanical properties. Response surface models (RSMs) were developed, and optimal parameters were determined to achieve maximum toughness and flexural strength. Maximum values were obtained with laser power above 205 W and base plate preheating at 310 °C. The mathematical model predicted toughness values with less than 5% deviation from experimental results, indicating high accuracy.

1. Introduction

Over the past years, Co-Cr-based alloys have been widely used in biomedicine, particularly for creating orthopedic implants like hip and knee replacements [1]. In dentistry, these alloys are commonly used for fabricating fixed prosthetic restorations, for example, crowns and bridges [2,3]. The demand for Co-Cr-based alloys is rising, with market projections estimating it will reach $2.6 billion by 2030 [1]. This growth is stimulated by increased investment from different branches of industry, not only due to their importance in medical and dental fields but also because of their applications in advanced industries, turbines, and components of aircraft engines [1,4].
Co-Cr-based alloys offer optimal mechanical properties essential for dental use: yield strength, elongation, flexural strength, and toughness, with high hardness providing excellent wear resistance [1,5,6]. They are also corrosion-resistant and biocompatible due to forming a protective Cr2O3 oxide layer [7,8]. The mechanical properties of these alloys depend on their microstructure, which is influenced by their chemical composition and manufacturing processes [8]. Microstructure consists of a ductile γ phase (FCC) and an ε phase (HCP), which influences wear resistance [1,9]. The ratio of these phases, along with carbides, intermetallic compounds, and nitrides, determines overall properties [5,10]. Besides chromium (up to 30 wt%), Co-Cr alloys contain molybdenum and tungsten (around 5 wt% each), with smaller amounts of elements like manganese, silicon, iron, and carbon (<1 wt%) [4,9]. Carbon plays a key role in stabilizing the γFCC phase, increasing mechanical strength while reducing elongation as its content rises [7,10]. Through the formation of carbides (Cr23C6, Cr17Co4Mo2C6, M6C, M7C3), Cr improves resistance to wear, corrosion, and oxidation and contributes to an increase in hardness [11]. Intermetallic phase Co3Mo affects the strengthening at high temperatures [12,13]. Cr and Mo form substitutional crystals mixed with Co [14,15]. W or Mo (or a combination) is added to Co-Cr alloys to achieve a fine-grained structure and improve mechanical properties [11]. This effect is reduced when W or Mo forms intermetallic compounds rather than being uniformly distributed within the Co matrix [16].
To fabricate Co-Cr-based alloys, machines for additive manufacturing using the LPBF process, where metal powders already proven in dental applications, are used [17,18]. In addition to the Co-Cr-based alloys, the exploitation properties and dimensional accuracy of dental structures fabricated in this way significantly depend on the fabrication parameters of the LPBF process and their interaction [19,20,21].
The LPBF process for dental Co-Cr alloys is influenced by key parameters: laser power P (W), scanning speed v (mm/s), layer thickness t (μm), and hatch distance h (μm) [22]. These parameters have a significant impact on the microstructure, mechanical properties, and surface quality of the alloys [23]. Higher laser power results in better fusion of powder particles, creating denser structures with fewer pores [24]. However, excessive laser power can cause overheating, leading to undesirable grain growth and reduced mechanical properties [25]. Optimal laser power ensures fine-grain microstructures and enhances properties, hardness, and wear resistance [26]. High values of scanning speeds reduce the interaction between the laser beam and material, which can lead to lower energy input and incomplete melting, resulting in increased porosity and lower density [27]. On the other hand, lower values of scanning speeds can improve fusion but may cause thermal distortion [28]. Balancing scanning speed is essential for achieving dense alloys with good mechanical properties [29]. Thicker layers reduce build time but can lead to lower resolution and less uniform mechanical properties [20]. Thinner layers improve detail and surface finish, contributing to better mechanical properties, but they increase processing time [20,30]. Optimizing layer thickness ensures a balance between build efficiency and mechanical properties [31]. The hatch spacing affects the overall density and microstructure [28,32]. A lower hatch distance results in overlapping tracks, leading to highly dense parts. With the higher hatch distance, unmolten powder may remain, increasing porosity and lower mechanical properties [28]. Base plate preheating minimizes the temperature gradient between the build layer and the substrate (a more controlled solidification process), which reduces the thermal stresses that occur during rapid cooling and solidification [1,33]. Preheating influences finer grain, phase distribution (control the formation of undesirable phases), and uniform microstructure [34]. Preheating reduces the formation of pores and voids by providing higher powder fusion during the laser melting [35]. This leads to denser, higher-quality parts with improved mechanical properties [34]. In summary, base plate preheating in the LPBF process results in improved mechanical properties, reduced residual stresses, higher ductility, and fine grain microstructure with minimized porosity, which improves mechanical properties [34,36]. The main LPBF process parameters are connected to laser energy density LED = P/v × h × t (J/mm3) [1,25].
In conclusion, optimizing LPBF parameters is crucial for controlling the microstructure and ensuring desirable properties in dental Co-Cr alloys, such as high density, wear resistance, biocompatibility, and mechanical properties. LPBF parameters, laser power, distance between laser beam paths, layer thickness, and scanning speed, are most often studied, while there are no detailed analyses of the influence of base plate preheating on the structure and properties. Therefore, this work is a follow-up to the article [1], in which the samples (5/17 runs (parameters combination) in total) were selected based on the maximum and minimum values of KVa, Rms, and one central point of the CCD design and were analyzed in detail, while this paper analyzes the results of all 17/17 runs (combinations of parameters) and their influence on properties.

2. Materials and Methods

Test samples were fabricated using EOS CoCr SP2 (EOS GmbH, Krailling, Germany) metal powder on an LPBF machine AconityMINI (Aconity 3D GmbH, Herzogenrath, Germany) utilizing open-access process parameters through the AconitySTUDIO user interface. Seventeen combinations of parameters for fabrication were determined based on previous research as part of the doctoral thesis [37] and follow-up to the article [1]. In Table 1, the coded and actual levels of numeric variables are shown, which were used for the determination of 17 combinations of parameters used for fabrication specimens and they are shown in Table 2. Other LPBF fabrication parameters, layer thickness (t = 30 μm), hatch spacing (h = 60 μm), and laser beam diameter (D = 60 μm), were constant. A total of 17 batches were LPBF fabricated for static tensile testing (n = 5), three-point bending testing (n = 5), and toughness testing (n = 5), resulting in a total of 255 samples.
Dimensions and form of test samples for static tensile testing and toughness are shown in Figure 1. The form and dimensions are non-standard due to the limited base plate radius Φ = 100 mm of the AconityMINI LPBF machine. The static tensile test (EN ISO 6892-1:2016 [38]) and impact fracture (EN ISO 148-1:2016 [39]) have been used as the requirements by the norms. Samples for three-point bending are defined by EN ISO 22674:2016 [40].
On a Shimadzu AGS-X device, a static tensile test was performed using an Fmax 10 kN (Kyoto, Japan) with contact extensometer (L0 = 10 mm) (Figure 1a) to determine the elongation (ε) and yield strength Rp0.2 and three-point bending test to determine flexural strength (Rms). The toughness (KVa) test was performed (V notch samples, Figure 1b) on a Charpy impact machine (Karl Frank GmbH, Weinheim-Birkenau, Germany) with L = 21 mm. Hardness (HV1) was measured on a ZwickRoell ZHVμ-ST device (Indentec Ltd., West Midlands, UK) in cross- and longitudinal sections following EN ISO 6507-1:2018 [41].
Samples after LPBF fabricating are shown in Figure 2.
For the microstructure analysis, specimens were prepared with the standard metallographic procedure (electrochemical etching, 10 vol % oxalic acid, 12 V for 3 min). The microstructure was analyzed on an OLYMPUS GX51F-5 light microscope with a DP-25 CCD camera (Olympus Corporation, Shinjuku City, Tokyo, Japan), while the SEM TESCAN VEGA TS5136LS device with EDS (TESCAN, Brno, Czech Republic) was used for analysis.
The phase composition (detection of the γFCC and εHCP phases) was carried out using XRD (X-ray diffraction) analysis with BRUKER D8 DISCOVER (Bruker GmbH, Karlsruhe, Germany) device (Cu Kα copper anode (λ = 0.15406 nm)).
The conducted mechanical properties were analyzed using Design Expert® ver. 11 (Stat-Ease, Inc.; Minneapolis, MN, USA), and the same mechanical properties between different groups (samples) were evaluated with one-way ANOVA and Scheffé post hoc test (α = 0.05).

3. Results

Toughness (KVa) and flexural strength (Rms) are crucial mechanical properties for dental application because the lower jaw undergoes various forces: compression, tension, and shear during both functional and non-functional movements, including contact with opposing teeth [1,42]. The Co-Cr material used in dental prostheses must withstand these forces, especially in bridge constructions that replace one or more missing teeth [43]. In metal–ceramic restorations, the Co-Cr alloy forms the structural core, providing the necessary flexural strength and toughness to support the fragile ceramic overlay [1,44,45]. Because of those features, a detailed analysis of KVa and Rms was carried out, response surfaces were designed, and mathematical models were defined that describe them and serve to predict individual properties. Rp0.2 and ε were tested to prove that all manufactured samples meet the EN ISO 22674 standard for dental applications [40].
Table 3 shows all the results (mean values with standard deviations, n = 5 per group) of mechanical tests for a total of 255 samples.
Table 4 shows all the results of hardness HV1 (mean values with standard deviations, n = 10 per group) in the cross-section and longitudinal section.
Mechanical properties (important for dental application, Rms, and KVa) obtained by mechanical tests from Table 3 are shown graphically in Figure 3, while Figure 4 shows hardness HV1 in cross- and longitudinal sections in dependence of LED.

3.1. Microstructure and XRD Analysis

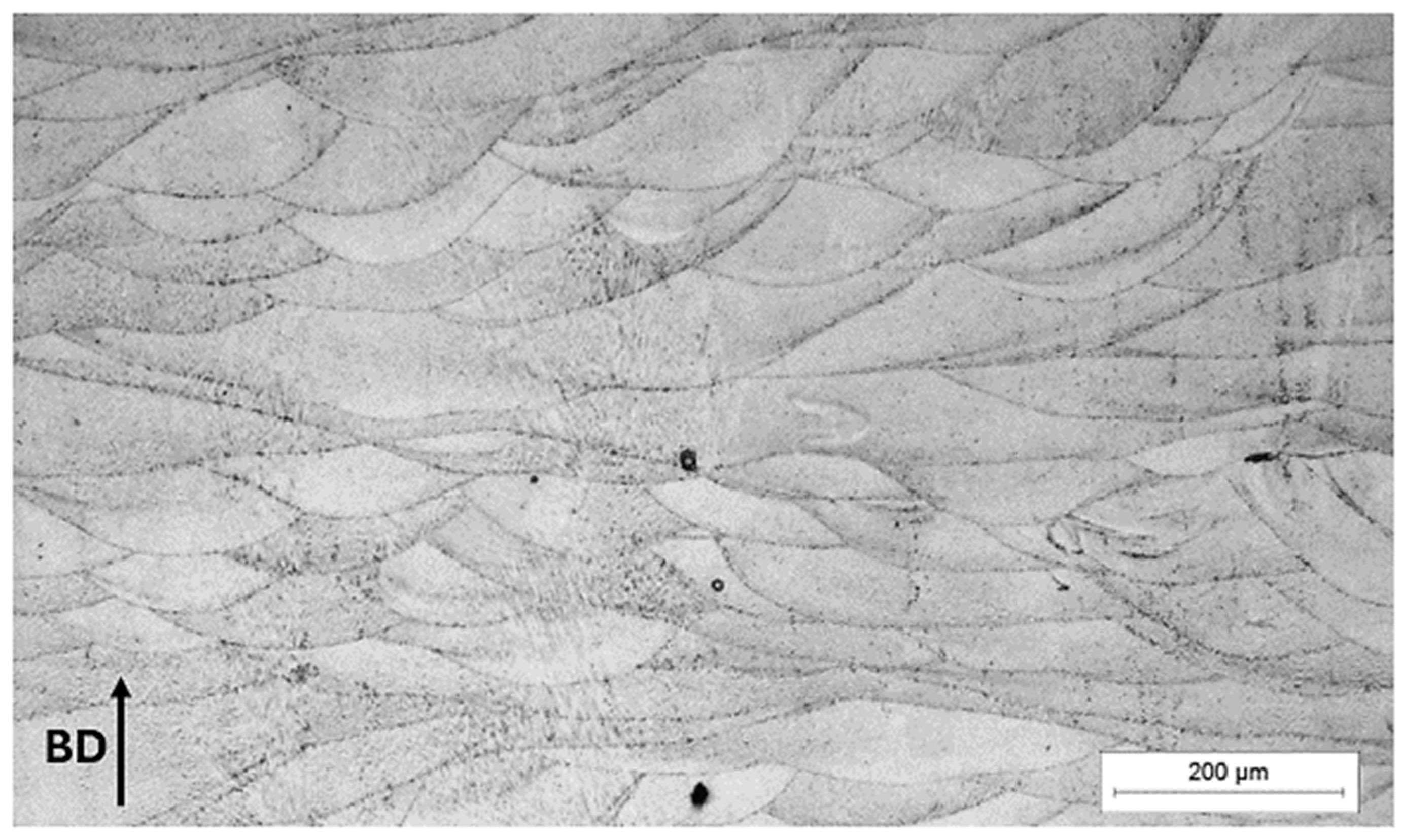
All samples (n = 17 batches) of the experiment in the cross-section have a dendritic microstructure with recognizable solidified arched shapes melt pools (Figure 5). The analysis of the microstructure in the cross-section concluded that the microstructure of all test samples does not differ.
Figure 6 shows the microstructure analyzed by SEM, and it is evident that it is a recognizable cross-section microstructure of arched shape melt pools with boundary (Figure 6a), while Figure 6b shows the fine-grained cellular–dendritic microstructure consisting of cellular and columnar cells.
Two microstructural phases γFCC and εHCP were detected by XRD analysis of all samples of 17 parameters combination shown in Figure 7. The spectra were indexed [25,46] and prove the existence of two phases, γFCC (Co-fcc, ICDD:15-806) and εHCP (Co-hcp, ICDD:5-727), in all Co-Cr samples tested (17 runs), regardless of the used LPBF parameters. The diffractograms in Figure 7 show the presence of γFCC and εHCP phases at the same angles but with varying intensities.

3.2. Model Result and Statistical Analysis

The mechanical properties obtained from experimental tests (Table 3) were statistically analyzed, and models were developed to quantify the impact of LPBF production parameters on the measured size (mechanical properties) using the Design Expert® ver. 11 (Stat-Ease, Inc.; USA). To define the optimal production parameters, the response surface methodology (RSM) was applied, which mathematically connects the experimental system with the theoretical design via the objective function [24,47,48]. ANOVA was used to determine the significant parameters of LPBF processing (Table 5 and Table 6) [49]. The reliability of the model was determined using the F-test (p-value) and using the coefficients that describe the model [47,49].
Using the CCD model, the proposed experiments were conducted, and the results for the evaluated responses are shown in Table 3. From the ANOVA table generated by RSM, a cubic polynomial regression model was developed to assess the impact of the independent parameters on both responses (Rms and KVa). The final equations for both responses, expressed in terms of actual factors, are as follows:
R m s = 78458.271 472.00883   A 149.10379   B 2.63918   C + 0.834559   A B          + 0.023191   A C + 0.517561   A 2 + 0.066833   B 2 0.003449   C 2          0.000649   A 2 B 0.000311   A B 2
K V a = 4791.58299 39.95391   A 8.77176   B + 8.31107   C + 0.073386   A B          0.079177   A C + 0.094105 A 2 + 0.000612   B 2 0.000262   C 2          0.000173   A 2 B + 0.000190   A 2 C
ANOVA analysis of experimental data is shown in Table 5 (Rms) and Table 6 (KVa). The significant F-values (13.55, 11.22) and p-values < 0.05 (for both responses; 0.0023, 0.0039) have confirmed the acceptance of the developed polynomial cubic model equation. The values of R2 (0.9576, 0.9492), R2adj (0.8869, 0.8646), and R2pred (0.8496, 0.5776) confirmed that the cubic polynomial model indicates the interconnection for responses. The adequate precisions are 12.1237 and 12.6324 (>4), which also proves the developed cubic polynomial models.
For optimization, the condition of the maximum value of Rms and KVa was defined while limiting the input parameters in the tested range of values. The suggested optimal LPBF input parameters to achieve the maximum values are as follows:
  • KVa: P = 234 W, v = 1078 mm/s and ϑp = 380 °C
  • Rms: P = 246 W, v = 828 mm/s and ϑp = 331 °C.

3.3. Response Surface Analysis

Figure 8 and Figure 9 show interaction (laser power and base plate preheating for Rms and laser power and scanning speed for KVa) at three different levels (scanning speed and base plate preheating) while other variables (t = 30 μm, h = 60 μm, and D = 60 μm) were constant.
According to the response surfaces in Figure 8 and Figure 9 and the results from Table 3 and Figure 3, it can be concluded that increasing the laser power above 200 W generally leads to higher toughness values, particularly when combined with high scanning speeds (v > 1000 mm/s) or when base plate preheating temperatures are lower (ϑp = 140 °C). This suggests that higher energy input promotes better fusion, leading to enhanced toughness. Toughness values are sensitive to the interaction between scanning speed and laser power. At higher scanning speeds, toughness improves with increasing laser power, while at lower speeds, optimal toughness is achieved with moderate laser power. When the base plate is preheated to 310 °C, the optimal toughness is achieved at higher laser powers (P > 230 W) and scanning speeds around 900 mm/s. At higher preheating temperatures (ϑp = 480 °C), toughness improves at lower laser powers, indicating a balance between energy input and controlled solidification.
Flexural strength increases with laser power above P > 205 W, reaching maximum values when the base plate is preheated to 310 °C. This is because higher laser power ensures better melting and reduces porosity, enhancing strength. Base plate preheating to 310–480 °C improves Rms, particularly when combined with moderate to high laser powers. Preheating reduces thermal gradients and promotes a finer grain structure, resulting in better mechanical properties.
Toughness (KVa) and flexural strength (Rms) are influenced by the interaction of laser power, scanning speed, and base plate preheating temperature. Higher laser power and optimal preheating temperature (ϑp = 310 °C) are critical for achieving the optimal mechanical properties.

3.4. Validation of the Optimal LPBF Parameters to Obtain the Maximum KVa Value

The optimal LPBF parameters for achieving the maximum KVa value were additionally confirmed by conducting mechanical tests on samples produced with LPBF-selected optimal parameters. The mean values of the mechanical tests (n = 5) were compared with the results obtained by predicting the model (Equation (2)). The values of KVa predicted by the model and obtained by mechanical tests (Table 7) do not differ significantly, and the calculated difference between them is less than 5 %, which successfully validates the optimal parameters.

4. Discussion

An extensive analysis was conducted utilizing light and electron microscopy to determine the microstructural characteristics of test samples produced with the LPBF process. Results indicated a consistent cellular–dendritic microstructure across all 17 experimental runs, with clearly defined boundaries between the solidified regions caused by the laser beam passage, irrespective of the LPBF process parameters. Additionally, microstructure analysis revealed consistent findings, with no discernible variations associated with the input parameters.
XRD analysis further revealed the presence of the crystallographic phases γFCC and εHCP across all test samples, indicating minimal influence of the production parameters on the formation of microstructural phases. Notably, a detailed analysis of the intensity of individual phases demonstrated a correlation between intensity and the proportion of the respective microstructural phase.
Mechanical testing confirmed compliance with dental standard HRN EN ISO 22674:2016 for all test samples in terms of Rp0.2 (>500 N/mm2) and ε (>2%) values, meeting the minimum criteria for use in the production of dental prosthetics of type 5 [40]. Moreover, hardness measurements indicated negligible impact of the input LPBF parameters on HV1 values across both sections and test samples (Figure 4 and Table 4).
Using a CCD design and statistical processing, mathematical models and response surfaces were defined for mechanical properties, such as toughness (KVa) and flexural strength (Rms). The analysis revealed a significant influence of specific input LPBF parameters on individual mechanical properties, parameters P, ϑp, and v significantly impacting KVa values (p < 0.05), and laser power P significantly affecting Rms values (p < 0.05).
The results indicated that higher laser power (P > 205 W) and intermediate scanning speeds (v > 1000 mm/s) led to improved toughness values KVa, especially when the base plate preheating temperature was set at ϑp = 310 °C. This indicates that high energy input results in better material fusion, reducing defects and enhancing toughness.
Flexural strength Rms improved with increased laser power and moderate scanning speeds. The optimal mechanical properties were achieved with higher laser power (P > 230 W) and base plate preheating temperatures ϑp = 310 °C. Preheating reduces thermal gradients, promoting a uniform microstructure and minimizing residual stress.
By comparing the mechanical properties of LPBF-produced dental Co-Cr alloys from the literature with the mechanical tests obtained in this research, they are comparable, but it should be noted that the alloys from the literature were subsequently heat-treated after the LPBF procedure, while the test samples used in the work were not subjected to subsequent heat treatments [5,25,50,51,52,53].
It should also be noted that dental Co-Cr alloys produced by different production methods do not have the same chemical composition because no alloy with the same characteristics is available for three different production techniques [17]. The properties of dental Co-Cr alloys can be influenced not only by the main elements but also by alloying elements (Mo, W, C, N) [54,55]. For this reason, direct comparison methods cannot be connected only with different production technologies, but all subsequent types of processing should also be considered, which also represents a limitation of the conducted comparison.

5. Conclusions

  • The highest values of toughness (KVa), flexural strength (Rms), yield strength (Rp0.2), and elongation (ε) were obtained with LED > 125 J/mm2 using a base plate preheating temperature range ϑp = 310 °C–480 °C and laser power P > 205 W, regardless of scanning speed values (v).
    Base plate preheating temperature (ϑp) and laser power (P) significantly affect the mechanical properties of the fabricated samples. Increasing the laser power at higher preheating temperatures ensured an LED value sufficient to fully melt layer on layer, producing a uniform microstructure with reduced porosity and finer grain size.
  • Using the input parameters of SLM from test conditions 3, 7, 9, and 10, samples were produced that possess combinations of mechanical properties similar to or higher in comparison with those obtained through conventional manufacturing methods.
  • Optimal LPBF parameters for achieving maximum values of individual mechanical properties were determined using defined models. The optimal parameters for toughness (KVa) are P = 234 W, v = 1078 mm/s, ϑp = 380 °C. The optimal parameters for flexural strength (Rms) are P = 246 W, v = 828 mm/s, and ϑp = 331 °C.
  • Validation of the optimal LPBF parameters for achieving maximum toughness (KVa) was conducted. It was found that the obtained mathematical model predicts toughness (KVa) values with a difference of less than 5% compared to values obtained from mechanical testing.
  • Mechanical testing and material characterization have demonstrated that all 17 test conditions meet the standard HRN EN ISO 22674:2016 for the use of materials in dental restorations, regardless of the input parameters of the LPBF used in this study.
Possible directions of future research are suggested, which would include heat treatment of samples after the LPBF process to carry out a more accurate comparison with other production technologies.

Author Contributions

Conceptualization, D.V. and Z.S.; methodology, D.V., M.G., B.R. and A.Ć.; software, I.P. and Č.D.; validation, S.Š., I.P. and Č.D.; formal analysis, D.V., B.R., S.Š. and Č.D.; investigation, D.V., Z.S., B.R. and A.Ć.; writing—original draft preparation, D.V., S.Š. and Č.D.; writing—review and editing, S.Š., A.Ć. and Č.D.; supervision, B.R. and M.G.; funding acquisition, A.Ć. and M.G. All authors have read and agreed to the published version of the manuscript.

Funding

This research was funded by the project KK.01.1.1.07.0013—Innovative Ti-Mg dental implants for the world market.

Institutional Review Board Statement

Not applicable.

Informed Consent Statement

Not applicable.

Data Availability Statement

The data presented in this study are openly available in [Repository of Faculty of Mechanical Engineering and Naval Architecture University of Zagreb] at https://repozitorij.fsb.unizg.hr/islandora/object/fsb:9493 (accessed on 10 September 2024).

Acknowledgments

This work has been supported by Metal Centre Čakovec under the project KK.01.1.1.02.0023 and by the project KK.01.1.1.07.0013—Innovative Ti-Mg dental implants for the world market.

Conflicts of Interest

The authors declare no conflicts of interest.

References

  1. Viderščak, D.; Schauperl, Z.; Godec, M.; Donik, Č.; Paulin, I.; Šercer, M.; Ćatić, A.; Alar, Ž.; Pustički, D. Influence of laser powder bed fusion parameters on microstructure and mechanical properties of Co-Cr dental alloy. J. Mater. Res. Technol. 2024, 30, 6218–6226. [Google Scholar] [CrossRef]
  2. DebRoy, T.; Wei, H.L.; Zuback, J.S.; Mukherjee, T.; Elmer, J.W.; Milewski, J.O.; Beese, A.M.; Wilson-Heid, A.; De, A.; Zhang, W. Additive manufacturing of metallic components—Process, structure and properties. Prog. Mater. Sci. 2018, 92, 112–224. [Google Scholar] [CrossRef]
  3. Arka, A.M.; Ikram, M.M.; Dey, K.; Tausif, M.; Zafar, S.; Shahriar, S.; Rahman, M.Z. A review on additively manufactured materials in biomedical applications. In Comprehensive Materials Processing, 2nd ed.; Reference Module in Materials Science and Materials Engineering; Elsevier Ltd.: Amsterdam, The Netherlands, 2023; pp. 1–26. [Google Scholar] [CrossRef]
  4. Chowdhury, S.; Yadaiah, N.; Prakash, C.; Ramakrishna, S.; Dixit, S.; Gupta, L.R.; Buddhi, D. Laser powder bed fusion: A state-of-the-art review of the technology, materials, properties & defects, and numerical modelling. J. Mater. Res. Technol. 2022, 20, 2109–2172. [Google Scholar] [CrossRef]
  5. Viderščak, D.; Schauperl, Z.; Šolić, S.; Ćatić, A.; Godec, M.; Kocijan, A.; Paulin, I.; Donik, Č. Additively manufactured commercial Co-Cr dental alloys: Comparison of microstructure and mechanical properties. Materials 2021, 14, 7350. [Google Scholar] [CrossRef]
  6. Jiang, W.; An, X.; Ni, S.; Wang, L.; He, J.; Chen, Z.; Huang, Y.; Song, M. Achieving excellent strength-ductility combination through the control of intricate substructures in an additively manufactured Co-Cr-Mo alloy. Mater. Sci. Eng. A 2023, 886, 145687. [Google Scholar] [CrossRef]
  7. Guo, C.; Li, Y.; Li, Y.; Li, G.; Lu, X.; Li, Z.; Chen, X.; Li, X.; Zhou, L.; Zhu, Q.; et al. High-temperature oxidation behaviour of a Co-based superalloy fabricated through laser powder bed fusion. Corros. Sci. 2024, 227, 111703. [Google Scholar] [CrossRef]
  8. Efremenko, V.; Lekatou, A.; Chabak, Y.; Efremenko, B.; Petryshynets, I.; Zurnadzhy, V.; Emmanouilidou, S.; Vojtko, M. Micromechanical, corrosion and wet sliding wear behaviours of Co-28Cr-6Mo alloy: Wrought vs. LPBF. Mater. Today Commun. 2023, 35, 105936. [Google Scholar] [CrossRef]
  9. Varol, T.; Aksa, H.C.; Yıldız, F.; Akçay, S.B.; Kaya, G.; Beder, M. Influence of post processing on the mechanical properties and wear behavior of selective laser melted Co-Cr-Mo-W alloys. Tribol. Int. 2024, 192, 109336. [Google Scholar] [CrossRef]
  10. Li, K.; Wang, Z.; Song, K.; Khanlari, K.; Yang, X.-S.; Shi, Q.; Liu, X.; Mao, X. Additive manufacturing of a Co-Cr-W alloy by selective laser melting: In-situ oxidation, precipitation and the corresponding strengthening effects. J. Mater. Sci. Technol. 2022, 125, 171–181. [Google Scholar] [CrossRef]
  11. Kumar, P.; Sawant, M.S.; Jain, N.K.; Gupta, S. Microstructure characterization of Co-Cr-Mo-xTi alloys developed by micro-plasma based additive manufacturing for knee implants. J. Mater. Res. Technol. 2022, 21, 252–266. [Google Scholar] [CrossRef]
  12. Dong, X.; Sun, Q.; Zhou, Y.; Qu, Y.; Shi, H.; Zhang, B.; Xu, S.; Liu, W.; Li, N.; Yan, J. Influence of microstructure on corrosion behavior of biomedical Co-Cr-Mo-W alloy fabricated by selective laser melting. Corros. Sci. 2020, 170, 108688. [Google Scholar] [CrossRef]
  13. Gupta, K.P. The Co-Cr-Mo (cobalt-chromium-molybdenum) system. J. Phase Equilibria Diffus. 2005, 26, 87–92. [Google Scholar] [CrossRef]
  14. Zhao, Y.; Koizumi, Y.; Aoyagi, K.; Yamanaka, K.; Chiba, A. Isothermal γ → ε phase transformation behavior in a Co-Cr-Mo alloy depending on thermal history during electron beam powder-bed additive manufacturing. J. Mater. Sci. Technol. 2020, 50, 162–170. [Google Scholar] [CrossRef]
  15. Chen, Z.W.; Phan, M.A.L.; Darvish, K. Grain growth during selective laser melting of a Co-Cr-Mo alloy. J. Mater. Sci. 2017, 52, 7415–7427. [Google Scholar] [CrossRef]
  16. Dong, X.; Li, N.; Yu, J.; Qu, Y.; Wu, M.; Zhou, Y.; Shi, H.; Peng, H.; Zhang, Y.; Yan, J. Effect of grain boundary character on isothermal phase transformation and mechanical properties of Co-Cr-Mo alloy fabricated by selective laser melting. J. Alloys Compd. 2022, 903, 163904. [Google Scholar] [CrossRef]
  17. Kim, H.R.; Jang, S.-H.; Kim, Y.K.; Son, J.S.; Min, B.K.; Kim, K.-H.; Kwon, T.-Y. Microstructures and mechanical properties of Co-Cr dental alloys fabricated by three CAD/CAM-based processing techniques. Materials 2016, 9, 596. [Google Scholar] [CrossRef]
  18. Hong, J.K.; Kim, S.K.; Heo, S.J.; Koak, J.Y. Mechanical properties and metal-ceramic bond strength of Co-Cr alloy manufactured by selective laser melting. Materials 2020, 13, 5745. [Google Scholar] [CrossRef]
  19. Li, J.; Liu, Z.; Zhou, H.; Ye, S.; Zhang, Y.; Liu, T.; Jiang, D.; Chen, L.; Zhou, R. Effect of Process Parameters on the Microstructure and Properties of Cu-Cr-Nb-Ti Alloy Manufactured by Selective Laser Melting. Materials 2023, 16, 2912. [Google Scholar] [CrossRef]
  20. Nandhakumar, R.; Venkatesan, K. A process parameters review on selective laser melting-based additive manufacturing of single and multi-material: Microstructure, physical properties, tribological, and surface roughness. Mater. Today Commun. 2023, 35, 105538. [Google Scholar] [CrossRef]
  21. Kurzynowski, T.; Gruber, K.; Stopyra, W.; Kuźnicka, B.; Chlebus, E. Correlation between process parameters, microstructure and properties of 316L stainless steel processed by selective laser melting. Mater. Sci. Eng. A 2018, 718, 64–73. [Google Scholar] [CrossRef]
  22. Siao, Y.H.; Wen, C.D. Influence of process parameters on heat transfer of molten pool for selective laser melting. Comput. Mater. Sci. 2021, 193, 110388. [Google Scholar] [CrossRef]
  23. Wang, J.H.; Ren, J.; Liu, W.; Wu, X.Y.; Gao, M.X.; Bai, P.K. Effect of selective laser melting process parameters on microstructure and properties of Co-Cr alloy. Materials 2018, 11, 1546. [Google Scholar] [CrossRef] [PubMed]
  24. Darvish, K.; Chen, Z.W.; Phan, M.A.L.; Pasang, T. Selective laser melting of Co-29Cr-6Mo alloy with laser power 180–360 W: Cellular growth, intercellular spacing and the related thermal condition. Mater. Charact. 2018, 135, 183–191. [Google Scholar] [CrossRef]
  25. Tonelli, L.; Fortunato, A.; Ceschini, L. CoCr alloy processed by Selective Laser Melting (SLM): Effect of Laser Energy Density on microstructure, surface morphology, and hardness. J. Manuf. Process 2020, 52, 106–119. [Google Scholar] [CrossRef]
  26. Ciurana, J.; Hernandez, L.; Delgado, J. Energy density analysis on single tracks formed by selective laser melting with CoCrMo powder material. Int. J. Adv. Manuf. Technol. 2013, 68, 1103–1110. [Google Scholar] [CrossRef]
  27. Hwang, S.; An, S.; Robles, U.; Rumpf, R.C. Process parameter optimization for removable partial denture frameworks manufactured by selective laser melting. J. Prosthet. Dent. 2023, 129, 191–198. [Google Scholar] [CrossRef]
  28. Acharya, S.; Gopal, V.; Gupta, S.K.; Nilawar, S.; Manivasagam, G.; Suwas, S.; Chatterjee, K. Anisotropy of Additively Manufactured Co-28Cr-6Mo Influences Mechanical Properties and Biomedical Performance. ACS Appl. Mater. Interfaces 2022, 14, 21906–21915. [Google Scholar] [CrossRef]
  29. Donik, Č.; Kraner, J.; Paulin, I.; Godec, M. Influence of the energy density for selective laser melting on the microstructure and mechanical properties of stainless steel. Metals 2020, 10, 919. [Google Scholar] [CrossRef]
  30. Liverani, E.; Toschi, S.; Ceschini, L.; Fortunato, A. Effect of selective laser melting (SLM) process parameters on microstructure and mechanical properties of 316L austenitic stainless steel. J. Mater. Process. Technol. 2017, 249, 255–263. [Google Scholar] [CrossRef]
  31. Review, K.S.; Konieczny, B.; Szczesio-wlodarczyk, A.; Sokolowski, J. Challenges of Co-Cr Alloy Additive Manufacturing Methods in Dentistry—The Current State of knowledge (systematic review). Materials 2020, 13, 3524. [Google Scholar] [CrossRef]
  32. Murugan, P.D.; Vijayananth, S.; Natarajan, M.; Jayabalakrishnan, D.; Arul, K.; Jayaseelan, V.; Elanchezhian, J. A current state of metal additive manufacturing methods: A review. Mater. Today Proc. 2022, 59, 1277–1283. [Google Scholar] [CrossRef]
  33. Mertens, R.; Dadbakhsh, S.; Van Humbeeck, J.; Kruth, J.P. Application of base plate preheating during selective laser melting. Procedia CIRP 2018, 74, 5–11. [Google Scholar] [CrossRef]
  34. Bang, G.B.; Park, J.H.; Kim, W.R.; Hyun, S.-K.; Park, H.-K.; Lee, T.W.; Kim, H.G. Study on the effect of preheating temperature of SLM process on characteristics of CoCrMo alloy. Mater. Sci. Eng. A 2022, 841, 143020. [Google Scholar] [CrossRef]
  35. Lee, H.; Ahn, D. Investigation of elimination of powder spreading in manufacture of thin and wide preheating beads from Co e Cr alloy powders using a P-ebeam. J. Mater. Res. Technol. 2021, 14, 1873–1883. [Google Scholar] [CrossRef]
  36. Mertens, R.; Vrancken, B.; Holmstock, N.; Kinds, Y.; Kruth, J.P.; Van Humbeeck, J. Influence of powder bed preheating on microstructure and mechanical properties of H13 tool steel SLM parts. Phys. Procedia 2016, 83, 882–890. [Google Scholar] [CrossRef]
  37. Viderščak, D. Utjecaj Parametara Selektivnoga Laserskoga Taljenja na Strukturu i Svojstva Dentalne Co-Cr Legure. Ph.D. Thesis, University of Zagreb, Zagreb, Croatia, 2023. Available online: https://urn.nsk.hr/urn:nbn:hr:235:976681 (accessed on 10 September 2024).
  38. EN ISO 6892-1:2016; Metallic materials—Tensile testing—Part 1: Method of test at room temperature. International Organization for Standardization: Geneva, Switzerland, 2016.
  39. EN ISO 148-1:2016; Metallic materials—Charpy pendulum impact test—Part 1: Test method. International Organization for Standardization: Geneva, Switzerland, 2016.
  40. EN ISO 22674:2016; Dentistry—Metallic materials for fixed and removable restorations and appliances. International Organization for Standardization: Geneva, Switzerland, 2016.
  41. EN ISO 6507-1:2018; Metallic materials—Vickers hardness test—Part 1: Test method. International Organization for Standardization: Geneva, Switzerland, 2018.
  42. Markarian, R.A.; Galles, D.P.; França, F.M.G. Dental implant-abutment fracture resistance and wear induced by single-unit screw-retained CAD components fabricated by four CAM methods after mechanical cycling. J. Prosthet. Dent. 2022, 128, 450–457. [Google Scholar] [CrossRef]
  43. Mergulhão, M.V.; Podestá, C.E.; das Neves, M.D.M. Perspective of Additive Manufacturing Selective Laser Melting in Co-Cr-Mo Alloy in the Consolidation of Dental Prosthesis. In Biomaterials in Regenerative Medicine; IntechOpen: London, UK, 2018. [Google Scholar] [CrossRef]
  44. Han, X.; Sawada, T.; Schille, C.; Schweizer, E.; Scheideler, L.; Geis-Gerstorfer, J.; Rupp, F.; Spintzyk, S. Comparative analysis of mechanical properties and metal-ceramic bond strength of Co-Cr dental alloy fabricated by different manufacturing processes. Materials 2018, 11, 1801. [Google Scholar] [CrossRef]
  45. Revilla-León, M.; Al-Haj Husain, N.; Methani, M.M.; Özcan, M. Chemical composition, surface roughness, and ceramic bond strength of additively manufactured cobalt-chromium dental alloys. J. Prosthet. Dent. 2021, 125, 825–831. [Google Scholar] [CrossRef] [PubMed]
  46. Dimitriadis, K.; Lekatou, A.G.; Sfikas, A.K.; Roumpi, M.; Tsouli, S.; Galiatsatos, A.; Agathopoulos, S. Influence of Heat-Treatment Cycles on the Microstructure, Mechanical Properties, and Corrosion Resistance of Co-Cr Dental Alloys Fabricated by Selective Laser Melting. J. Mater. Eng. Perform. 2021, 30, 5252–5265. [Google Scholar] [CrossRef]
  47. Imanian, M.E.; Biglari, F.R. Modeling and prediction of surface roughness and dimensional accuracy in SLS 3D printing of PVA/CB composite using the central composite design. J. Manuf. Process. 2022, 75, 154–169. [Google Scholar] [CrossRef]
  48. Kaur, G.; Singh, N.; Rajor, A. RSM-CCD optimized Prosopis juliflora activated carbon for the Adsorptive uptake of Ofloxacin and disposal studies. Environ. Technol. Innov. 2022, 25, 102176. [Google Scholar] [CrossRef]
  49. Jalilvand, P.; Rahbar-Kelishami, A.; Mohammadi, T.; Shayesteh, H. Optimizing of malachite green extraction from aqueous solutions using hydrophilic and hydrophobic nanoparticles. J. Mol. Liq. 2020, 308, 113014. [Google Scholar] [CrossRef]
  50. Okazaki, Y.; Ishino, A.; Higuchi, S. Chemical, Physical, and Mechanical Properties and Microstructures of Laser-Sintered Co-25Cr-5Mo-5W (SP2) and W-Free Co-28Cr-6Mo Alloys for Dental Applications. Materials 2019, 12, 4039. [Google Scholar] [CrossRef]
  51. Zhou, Y.; Sun, Q.; Dong, X.; Li, N.; Shen, Z.J.; Zhong, Y.; Eriksson, M.; Yan, J.; Xu, S.; Xin, C. Microstructure evolution and mechanical properties improvement of selective laser melted Co-Cr biomedical alloys during subsequent heat treatments. J. Alloys Compd. 2020, 840, 155664. [Google Scholar] [CrossRef]
  52. Ko, K.H.; Kang, H.G.; Huh, Y.H.; Park, C.J.; Cho, L.R. Effects of heat treatment on the microstructure, residual stress, and mechanical properties of Co-Cr alloy fabricated by selective laser melting. J. Mech. Behav. Biomed. Mater. 2022, 126, 105051. [Google Scholar] [CrossRef] [PubMed]
  53. Huang, Z.; Wang, B.; Liu, F.; Song, M.; Ni, S.; Liu, S. Microstructure evolution, martensite transformation and mechanical properties of heat treated Co-Cr-Mo-W alloys by selective laser melting. Int. J. Refract. Met. Hard Mater. 2023, 113, 106170. [Google Scholar] [CrossRef]
  54. Yamanaka, K.; Mori, M.; Torita, Y.; Chiba, A. Impact of minor alloying with C and Si on the precipitation behavior and mechanical properties of N-doped Co–Cr alloy dental castings. Mater. Sci. Eng. C 2018, 92, 112–120. [Google Scholar] [CrossRef]
  55. Al Jabbari, Y.S.; Karavoltsos, S.; Kokkinos, C.; Polychronis, G.; Economou, A.; Zinelis, S. Electrochemical characterization of three types of Co-Cr based alloys manufactured by casting and selective laser melting according to ISO 10271. Dent. Mater. 2022, 38, 1162–1172. [Google Scholar] [CrossRef]
Figure 1. 3D CAD model with dimensions of samples: (a) static tensile test and (b) toughness (V-notch).
Figure 1. 3D CAD model with dimensions of samples: (a) static tensile test and (b) toughness (V-notch).
Materials 17 04993 g001
Figure 2. LPBF fabricated samples on the base plate.
Figure 2. LPBF fabricated samples on the base plate.
Materials 17 04993 g002
Figure 3. Influence of LPBF fabrication parameters and laser energy density on toughness and flexural strength.
Figure 3. Influence of LPBF fabrication parameters and laser energy density on toughness and flexural strength.
Materials 17 04993 g003
Figure 4. Influence of laser energy density on hardness HV1.
Figure 4. Influence of laser energy density on hardness HV1.
Materials 17 04993 g004
Figure 5. Sample 9, LM: microstructure, etched.
Figure 5. Sample 9, LM: microstructure, etched.
Materials 17 04993 g005
Figure 6. Sample 5, SEM: (a) melt pool with boundary and (b) cellular–dendritic microstructure.
Figure 6. Sample 5, SEM: (a) melt pool with boundary and (b) cellular–dendritic microstructure.
Materials 17 04993 g006
Figure 7. XRD analysis of runs. Each color represents an XRD graph, a total of 17 graphs (colors) for 17 runs.
Figure 7. XRD analysis of runs. Each color represents an XRD graph, a total of 17 graphs (colors) for 17 runs.
Materials 17 04993 g007
Figure 8. RSM: combined interaction of laser power and base plate preheating on Rms at different scanning speeds v: (a) 780 mm/s, (b) 900 mm/s, and (c) 1020 mm/s.
Figure 8. RSM: combined interaction of laser power and base plate preheating on Rms at different scanning speeds v: (a) 780 mm/s, (b) 900 mm/s, and (c) 1020 mm/s.
Materials 17 04993 g008
Figure 9. RSM: combined interaction of laser power and scanning speed on KVa at different base plate preheating ϑp: (a) 140 °C, (b) 310 °C, and (c) 480 °C.
Figure 9. RSM: combined interaction of laser power and scanning speed on KVa at different base plate preheating ϑp: (a) 140 °C, (b) 310 °C, and (c) 480 °C.
Materials 17 04993 g009
Table 1. Coded and actual levels of numeric variables for CCD.
Table 1. Coded and actual levels of numeric variables for CCD.
Level of VariablesSymbol: Variables, Units
A: P, WB: v, mm/sC: ϑp, °C
−1.68216070020
−1178781137
0205900310
12311018482
1.6822501100600
Table 2. Design experiments for LPBF fabrication.
Table 2. Design experiments for LPBF fabrication.
RunA: Laser Power, WB: Scanning Speed, mm/sC: Base Plate Preheating, °C
12311018137
2231781137
32051100310
4178781482
5205900600
6178781137
71781018137
820590020
92311018482
10205900310
111781018482
12205700310
13231781482
14205900310
15160900310
16205900310
17250900310
Table 3. Conducted mechanical properties: mean values with standard deviations.
Table 3. Conducted mechanical properties: mean values with standard deviations.
RunLEDKVaεRp0.2Rms
J/mm2kJ/m2%N/mm2N/mm2
1198157 ± 12 b6.5 ± 1 a783 ± 41 b1122 ± 78 b
798128 ± 8 a11.2 ± 0.9 b773 ± 37 b1292 ± 66 c
1599136 ± 23 a,b7.6 ± 1.3 a653 ± 30 a994 ± 43 a
3104215 ± 8 d15.9 ± 0.2 c884 ± 13 c1578 ± 67 e
1125198 ± 9 c9.2 ± 1.9 a,b742 ± 54 a,b1281 ± 22 c
9125194 ± 7 c9 ± 0.3 b981 ± 38 d1488 ± 29 d
5127119 ± 7 a9.1 ± 0.8 b745 ± 92 a,b1126 ± 24 b
8127169 ± 2 b10.8 ± 1.8 b919 ± 92 b,c,d1161 ± 37 b
16127183 ± 4 c7.3 ± 0.9 a748 ± 64 a,b1327 ± 23 c
14127165 ± 20 b,c6.8 ± 1.4 a719 ± 33 a,b1472 ± 33 d
10127158 ± 12 b12.2 ± 0.6 b822 ± 70 b,c1523 ± 46 d,e
4128173 ± 13 b6.5 ± 0.3 a873 ± 19 c1212 ± 41 c
6128146 ± 10 a,b10.4 ± 1 b857 ± 45 b,c1468 ± 11 d
17154187 ± 6 c8.3 ± 2 a,b694 ± 76 a,b1603 ± 23 e
12163166 ± 18 b,c6.2 ± 0.8 a962 ± 28 d1530 ± 70 d,e
2164171 ± 13 b,c7.7 ± 0.5 a845 ± 36 b,c1304 ± 12 c
13164188 ± 7 c6.7 ± 0.7 a924 ± 8 d1527 ± 40 d,e
Different superscript letters in a column indicate statistically significant differences (p < 0.05).
Table 4. Mean values and standard deviations of hardness.
Table 4. Mean values and standard deviations of hardness.
RunLEDHardnes, HV1
J/mm2Cross-SectionLongitudinal Section
1198371 ± 8 a,b379 ± 12 b
798369 ± 13 a,b394 ± 20 b,c
1599358 ± 6 a361 ± 7 a,b
3104366 ± 10 a,b361 ± 12 a,b
1125370 ± 10 a,b418 ± 12 c
9125376 ± 16 a,b382 ± 12 b
5127406 ± 8 c413 ± 7 c
8127443 ± 15 d396 ± 6 c
16127397 ± 11 b,c381 ± 16 b,c
14127369 ± 18 a,b420 ± 12 c
10127360 ± 6 a360 ± 7 a,b
4128408 ± 6 c357 ± 3 a
6128354 ± 6 a379 ± 11 b
17154385 ± 10 b353 ± 3 a
12163380 ± 3 b348 ± 9 a
2164373 ± 22 a,b358 ± 3 a
13164381 ± 8 b389 ± 8 b, c
Different superscript letters in a column indicate statistically significant differences (p < 0.05).
Table 5. ANOVA and statistical values for Rms model.
Table 5. ANOVA and statistical values for Rms model.
SourceSum of SquaresdfMean SquareF-Valuep-Value
Model5283 × 1051052,833.8313.550.0023Significant
A1.854 × 10511.854 × 10547.550.0005
B1152.0011152.000.29540.6064
C220.401220.400.05650.8200
AB5202.0015202.001.330.2920
AC91,592.00191,592.0023.490.0029
A225,699.34125,699.346.590.0425
B220,446.35120,446.355.240.0620
C21.185 × 10511.185 × 10530.400.0015
A2B10,122.80110,122.802.600.1583
AB245,989.10145,989.1011.790.0139
Residual23,397.7963899.63
Lack of fit2717.134679.280.06570.9865Not significant
Pure error20,680.67210,340.33
Cor total5.51 × 10516
R2 = 0.9576, R2adj = 0.8869, R2pred = 0.8496, Adequate Precision = 12.1237. p < 0.05 is significant.
Table 6. ANOVA and statistical values for the KVa model.
Table 6. ANOVA and statistical values for the KVa model.
SourceSum of SquaresdfMean SquareF-Valuep-Value
Model10,012.95101001.2911.220.0039Significant
A3967.4213967.4244.450.0006
B1200.5011200.5013.450.0105
C1250.0011250.0014.000.0096
AB561.131561.136.290.0461
AC231.131231.132.590.1587
A228.56128.560.320.5921
B2845.731845.739.480.0217
C2682.161682.167.640.0327
A2B715.361715.368.010.0299
A2C1828.4511828.4520.490.0040
Residual535.52689.25
Lack of fit202.86450.710.30490.8565Not significant
Pure error332.672166.33
Cor total10,548.4716
R2 = 0.9492, R2adj = 0.8646, R2pred = 0.5776, Adequate Precision = 12.6324. p < 0.05 is significant.
Table 7. Validation of optimal LPBF parameters for KVa.
Table 7. Validation of optimal LPBF parameters for KVa.
Optimal LPBF ParametersKVa, kJ/m2
P, Wv, mm/sϑp, °CPredictedExperimental
2341078380215206 ± 5
Disclaimer/Publisher’s Note: The statements, opinions and data contained in all publications are solely those of the individual author(s) and contributor(s) and not of MDPI and/or the editor(s). MDPI and/or the editor(s) disclaim responsibility for any injury to people or property resulting from any ideas, methods, instructions or products referred to in the content.

Share and Cite

MDPI and ACS Style

Viderščak, D.; Schauperl, Z.; Runje, B.; Šolić, S.; Ćatić, A.; Godec, M.; Paulin, I.; Donik, Č. Laser Powder Bed Fusion Parameters Optimization for Enhanced Mechanical Properties of EOS Co-Cr Dental Alloy. Materials 2024, 17, 4993. https://doi.org/10.3390/ma17204993

AMA Style

Viderščak D, Schauperl Z, Runje B, Šolić S, Ćatić A, Godec M, Paulin I, Donik Č. Laser Powder Bed Fusion Parameters Optimization for Enhanced Mechanical Properties of EOS Co-Cr Dental Alloy. Materials. 2024; 17(20):4993. https://doi.org/10.3390/ma17204993

Chicago/Turabian Style

Viderščak, Dalibor, Zdravko Schauperl, Biserka Runje, Sanja Šolić, Amir Ćatić, Matjaž Godec, Irena Paulin, and Črtomir Donik. 2024. "Laser Powder Bed Fusion Parameters Optimization for Enhanced Mechanical Properties of EOS Co-Cr Dental Alloy" Materials 17, no. 20: 4993. https://doi.org/10.3390/ma17204993

APA Style

Viderščak, D., Schauperl, Z., Runje, B., Šolić, S., Ćatić, A., Godec, M., Paulin, I., & Donik, Č. (2024). Laser Powder Bed Fusion Parameters Optimization for Enhanced Mechanical Properties of EOS Co-Cr Dental Alloy. Materials, 17(20), 4993. https://doi.org/10.3390/ma17204993

Note that from the first issue of 2016, this journal uses article numbers instead of page numbers. See further details here.

Article Metrics

Back to TopTop