Strength and Fracture Toughness of TIG- and Laser-Welded Joints of Low Carbon Ferritic Steels
Abstract
1. Introduction
2. Base Material—Specification of Welding Technology
3. Results
3.1. Hardness Distributions and Bending Test
3.2. Microstructure of the Material in Welded Joint Zones
3.3. Strength and Fracture Toughness of the Material in Different Zones of Welded Joints
3.3.1. Strength Properties
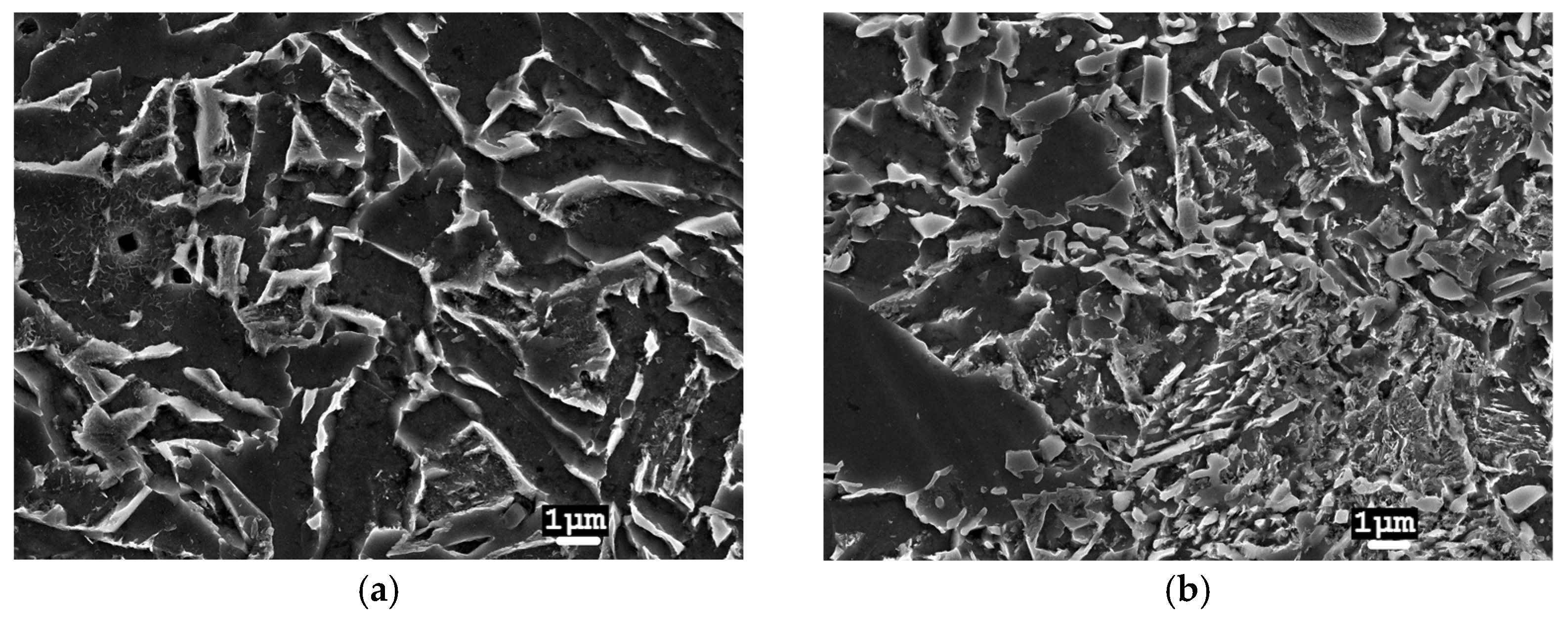
3.3.2. Fracture Toughness
3.4. Strain and Stress Analysis of Welded Joints
4. Discussion and Conclusions
- A model of a welded joint that includes the WM, two areas in the HAZ and the BM. Material stress–strain relationships were developed for each material in the respective areas. These relationships were developed using correlation relationships between hardness and the relevant material strength characteristics.
- Joint loading was carried out by uniaxial tension and by numerical simulation. During the experiment, deformations on the specimen surface were recorded using an Aramis video system. Good agreement was observed between the strain fields obtained using the DIC (Digital Image Correlation) method and those calculated numerically, demonstrating the correctness of the numerical model used.
- The highest absolute values of numerically calculated tensile stresses were obtained in the HAZ zone immediately adjacent to the WM. Significantly, in the centre of the specimen the stress level is much higher than at the surface. However, in the WM and HAZ zones, the material has high yield stress values that exceed the tensile stresses, so plasticisation of the material does not occur here. In contrast, in the BM at the HAZ, the level of tensile stress exceeds the yield stress value, and it is here that plasticisation and formation of a neck was observed.
Author Contributions
Funding
Institutional Review Board Statement
Informed Consent Statement
Data Availability Statement
Conflicts of Interest
Nomenclature
| Symbols | ||
| a | [mm] | crack length |
| A5 | [%] | elongation |
| B | [mm] | specimen thickness |
| E | [GPa] | Young’s modulus |
| J | [kN/m] | J integral |
| JIC | [kN/m] | critical value of the J integral |
| KJC | [MPa·m1/2] | critical value of the stress intensity factor |
| LWE | [kJ/m] | linear welding energy |
| LWEśr | [kJ/m] | average linear welding energy |
| Re | [MPa] | yield strength |
| Rm | [MPa] | ultimate tensile strength |
| ν | [-] | Poisson’s ratio |
| W | [mm] | specimen height |
| Abbreviations | ||
| ASTM | American Society for Testing and Materials | |
| AHSS | Advanced high-strength steel | |
| BM | Base material | |
| FL | Fusion line | |
| FEM | Finite element method | |
| HAZ | Heat-affected zone | |
| HAZ_1 | Heat-affected zone at fusion line | |
| HAZ_2 | Heat-affected zone of the base material | |
| MMA | Manual metal arc welding | |
| SAW | Submerged arc welding | |
| SENB | Single edge notch in bending | |
| TIG | Tungsten inert gas | |
| WM | Weld material | |
References
- Brózda, J. New generation austenitic steels used for manufacture of power equipment operating under supercritical conditions and their welding. Bull. Inst. Weld. Gliw. 2006, 50, 40. [Google Scholar]
- Gawrysiuk, W. Hybrid laser welding (laser + MAG) of membrane walls panels of power boilers from 7CrMoVTiB10-10. Weld. Technol. Rev. 2014, 86, 43–48. [Google Scholar] [CrossRef][Green Version]
- El-Mahallawi, I.; Khalifa, W.; El-Saady, M.; El-Koussy, M.R. Welding-Associated Failures in Power Boilers. In Handbook of Materials Failure Analysis with Case Studies from the Chemicals, Concrete and Power Industries; Makhlouf, A.S.H., Aliofkhazraei, M., Eds.; Butterworth-Heinemann: Oxford, UK, 2016; Chapter 15; pp. 387–410. [Google Scholar]
- DuPont, J.N. Microstructural Evolution and High Temperature Failure of Ferritic to Austenitic Dissimilar Welds. Int. Mater. Rev. 2012, 57, 208–234. [Google Scholar] [CrossRef]
- Wang, W.; Wang, X.; Zhong, W.; Hu, L.; Hu, P. Failure Analysis of Dissimilar Steel Welded Joints in a 3033t/h USC Boiler. Procedia Mater. Sci. 2014, 3, 1706–1710. [Google Scholar] [CrossRef]
- Fudali, S.; Pasternak, J.; Hernas, A.; Dobrzański, J. Characteristics of the New Generation of Materials for the Energy Industry; Silesian University of Technology Publishing House: Gliwice, Poland, 2015. [Google Scholar]
- Dobrzański, J.; Zieliński, A.; Pasternak, J.; Hernas, A. Experiments with application of new steels in manufacturing of the components of boilers with supercritical parameters. Proc. Inst. Ferr. Metall. 2010, 62, 51–60. [Google Scholar]
- Zieliński, A.; Dobrzański, J.; Paszkowska, H. Creep strength of new steels for components of power boilers with supercriticial parameters. Proc. Inst. Ferr. Metall. 2010, 62, 75–78. [Google Scholar]
- Nowack, R.; Götte, C.; Heckmann, S. Quality Management at RWE Using T24 Boiler Material as an Example. VGB Power Tech 2011, 91, 40–44. [Google Scholar]
- Brozda, J. Weldability, Characteristics and Benefits of New Generation Creep-Resistant Steels and the Properties of Welded Joints. Weld. Int. 2004, 18, 599–608. [Google Scholar] [CrossRef]
- Urzynicok, M.; Szubryt, M. A New Approach to Welding Collector Pipes Performed with 16Mo3 Grade Steel. Weld. Int. 2011, 25, 614–621. [Google Scholar] [CrossRef]
- Mitelea, I.; Uţu, I.D.; Karancsi, O.; Urlan, S.D.; Crăciunescu, C.M. Investigation of the Microstructure of Dissimilar Welds in Duplex Stainless Steel and Low Alloyed Steel. Mater. Test. 2019, 61, 120–124. [Google Scholar] [CrossRef]
- Ahmed, S.R.; Agarwal, L.A.; Daniel, B.S.S. Effect of Different Post Weld Heat Treatments on the Mechanical Properties of Cr-Mo Boiler Steel Welded with SMAW Process. Mater. Today Proc. 2015, 2, 1059–1066. [Google Scholar] [CrossRef]
- Sirohi, S.; Pandey, S.M.; Tiwari, V.; Bhatt, D.; Fydrych, D.; Pandey, C. Impact of Laser Beam Welding on Mechanical Behaviour of 2.25Cr–1Mo (P22) Steel. Int. J. Press. Vessel. Pip. 2023, 201, 104867. [Google Scholar] [CrossRef]
- Oyyaravelu, R.; Kuppan, P.; Arivazhagan, N. Metallurgical and Mechanical Properties of Laser Welded High Strength Low Alloy Steel. J. Adv. Res. 2016, 7, 463–472. [Google Scholar] [CrossRef] [PubMed]
- Koçak, M.; Webster, S.; Janosch, J.; Ainsworth, R.; Koers, R. FITNET Fitness-for-Service Procedure—Final Draft MK7; Prepared by European Fitness-for-Service Thematic Network—FITNET; GKSS Research Centre Geesthacht: Geesthacht, Germany, 2006. [Google Scholar]
- Dzioba, I.; Pala, T. Influence of LWE on Strength of Welded Joints of HSS S960—Experimental and Numerical Analysis. Materials 2020, 13, 747. [Google Scholar] [CrossRef] [PubMed]
- Guo, W.; Crowther, D.; Francis, J.A.; Thompson, A.; Liu, Z.; Li, L. Microstructure and Mechanical Properties of Laser Welded S960 High Strength Steel. Mater. Des. 2015, 85, 534–548. [Google Scholar] [CrossRef]
- Hernas, A. Heat Resistance of Steel and Alloys, Part 1; Silesian University of Technology Publishing House: Gliwice, Poland, 1999. [Google Scholar]
- Koclęga, D.; Radziszewska, A.; Dymek, S.; Morgiel, J.; Maj, Ł.; Kranzmann, A. Improvement of Corrosion Resistance of 13CrMo4-5 Steel by Ni-Based Laser Cladding Coatings. J. Mater. Eng Perform 2020, 29, 3702–3713. [Google Scholar] [CrossRef]
- DIN EN 10028-2:2009; Flat Products Made of Steels for Pressure Purpose—Part 2: Non-Alloy and Alloy Steels with Specified Elevated Temperature Properties. Deutsches Institut für Normung: Berlin, Germany, 2009.
- PN-EN ISO 6507-1:2018-05; Metals—Vickers Hardness Measurement—Part 1: Test Method. ISO: Geneva, Switzerland, 2018.
- PN-EN ISO 5173: 2010; Destructive Testing of Welds in Metal Materials—Bending Tests. ISO: Geneva, Switzerland, 2010.
- PN-EN ISO 6892-1:2016-09; Metals Tensile Test Part 1: Room Temperature Test Method. Polish Committee for Standardisation: Warszawa, Poland, 2016.
- E 1820-15; Standard Test Method for Measurement of Fracture Toughness. American Society for Testing and Materials: Philadelphia, PA, USA, 2015.
- Kocak, M.; Hadley, I.; Szavai, S.; Tkach, Y.; Taylor, N. FITNET Fitness-for-Service (FFS) Procedure—Volume 1, Revision MK8; GKSS Research Centre Geesthacht: Geesthacht, Germany, 2008. [Google Scholar]
- GOM Aramis Video System—User Manual 2022.
- Kocak, M.; Szavai, S.; Tkach, Y.; Taylor, N.; Hadley, I. FITNET Fitness-for-Service (FFS) Annex—Volume 2, Revision MK8; Geesthacht (Germany): GKSS Research Centre Geesthacht, 2008. [Google Scholar]
- Dzioba, I.; Pała, T.; Valkonen, I. Strength and fracture toughness of the welded joints made of high-strength ferritic steel. Acta Mech. Autom. 2013, 7, 226–229. [Google Scholar] [CrossRef][Green Version]
- Pała, T.; Dzioba, I.; Skrzypczyk, A. Strength Analysis of Welded Joint of High-Strength Ferritic Steel Using the GMAW Method. AIP Conf. Proc. 2018, 2029, 20053. [Google Scholar]
- Pała, T.; Dzioba, I. Determination of Strain and Stress Fields in Welded Joints of S960-QC Steel. Arch. Metall. Mater. 2017, 62, 2081–2087. [Google Scholar] [CrossRef][Green Version]
- Koçak, M.; Webster, S.; Janosch, J.J.; Ainsworth, R.A.; Koerc, R. FITNET: Fitness-for-Service Fracture Assessment of Structures Containing Cracks; GKSS Research Centre Geesthacht GmbH: Stuttgart, Germany, 2008. [Google Scholar]






















| Steel | Re [MPa] | Rm [MPa] | A5min [%] | Hardness HV10 |
|---|---|---|---|---|
| 13CrMo4-5 | 290 | 440–590 | 22 | 145–165 |
| 16Mo3 | 280 | 450–600 | 22 | 140–160 |
| Steel | C | Si | Mn | P | S | Cr | Mo | Ni | N/V | Cu |
|---|---|---|---|---|---|---|---|---|---|---|
| 13CrMo4-5 | 0.10–0.18 | 0.35 | 0.40–0.70 | 0.025 | 0.02 | 0.70–1.15 | 0.40–0.60 | 0.30 | 0.22–0.35 | 0.30 |
| 16Mo3 | 0.12–0.20 | 0.35 | 0.40–0.90 | 0.025 | 0.01 | 0.30 | 0.25–0.35 | 0.30 | 0.012 | 0.30 |
| Base Material | Joint | Bead No. | Rod Diameter [mm] | Interpass Temperature [°C] | Shielding Gas Flow [L/min] | Speed [mm/min] | LWE [kJ/m] | LWEśr [kJ/m] |
|---|---|---|---|---|---|---|---|---|
| 13CrMo4-5 | 1T | 1 | ϕ = 2.4 | - | 12 | 34 | 1790 | 1563 |
| 2 | ϕ = 2.4 | 238 | 58 | 1760 | ||||
| 3 | ϕ = 2.4 | 213 | 79 | 1530 | ||||
| 4 | ϕ = 2.4 | 273 | 102 | 1170 | ||||
| 16Mo3 | 2T | 1 | ϕ = 2.0 | 24 | 42 | 12 | 1630 | 1645 |
| 2 | ϕ = 2.4 | 72 | 59 | 12 | 1850 | |||
| 3 | ϕ = 2.4 | 54 | 63 | 12 | 1740 | |||
| 4 | ϕ = 2.4 | 110 | 88 | 12 | 1360 |
| Base Material | Joint | Beam Power [kW] | Speed [mm/min] | LWE [kJ/m] | Shielding Gas |
|---|---|---|---|---|---|
| 13CrMo4-5 | 1 L | 6 | 600 | 540 | He + 3%O2 |
| 2 L | 6 | 700 | 463 | He | |
| 16Mo3 | 3 L | 6 | 600 | 540 | He + 3%O2 |
| 4 L | 6 | 800 | 405 |
| Joint Zone | WM | HAZ_1 | HAZ_2 | BM |
|---|---|---|---|---|
| Re [MPa] | 780 | 890 | 720 | 370 |
Disclaimer/Publisher’s Note: The statements, opinions and data contained in all publications are solely those of the individual author(s) and contributor(s) and not of MDPI and/or the editor(s). MDPI and/or the editor(s) disclaim responsibility for any injury to people or property resulting from any ideas, methods, instructions or products referred to in the content. |
© 2024 by the authors. Licensee MDPI, Basel, Switzerland. This article is an open access article distributed under the terms and conditions of the Creative Commons Attribution (CC BY) license (https://creativecommons.org/licenses/by/4.0/).
Share and Cite
Pała, T.; Wciślik, W. Strength and Fracture Toughness of TIG- and Laser-Welded Joints of Low Carbon Ferritic Steels. Materials 2024, 17, 3956. https://doi.org/10.3390/ma17163956
Pała T, Wciślik W. Strength and Fracture Toughness of TIG- and Laser-Welded Joints of Low Carbon Ferritic Steels. Materials. 2024; 17(16):3956. https://doi.org/10.3390/ma17163956
Chicago/Turabian StylePała, Tadeusz, and Wiktor Wciślik. 2024. "Strength and Fracture Toughness of TIG- and Laser-Welded Joints of Low Carbon Ferritic Steels" Materials 17, no. 16: 3956. https://doi.org/10.3390/ma17163956
APA StylePała, T., & Wciślik, W. (2024). Strength and Fracture Toughness of TIG- and Laser-Welded Joints of Low Carbon Ferritic Steels. Materials, 17(16), 3956. https://doi.org/10.3390/ma17163956

