Effect of Basalt/Steel Individual and Hybrid Fiber on Mechanical Properties and Microstructure of UHPC
Abstract
1. Introduction
2. Materials and Methods
2.1. Raw Materials
2.2. Design Mixes
2.3. Testing Methods
2.3.1. Fluidity Test
2.3.2. Compressive Strength
2.3.3. Flexural Strength
2.3.4. Splitting Tensile Strength
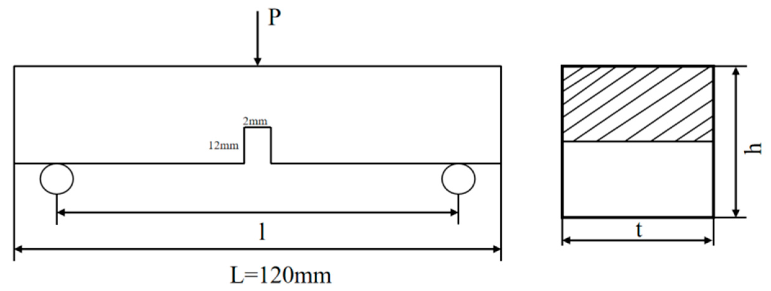
2.3.5. Fracture Toughness
3. Results
3.1. Effect of Basalt/Steel Individual Fiber on Properties of UHPC
3.1.1. Fluidity
3.1.2. Compressive Strength
3.1.3. Flexural Strength
3.1.4. Splitting Tensile Strength
3.2. Effect of Hybrid Fiber on Properties of UHPC
3.2.1. Fluidity
3.2.2. Compressive Strength
3.2.3. Flexural Strength
3.2.4. Splitting Tensile Strength
3.3. Effect of Fracture Toughness on UHPC
Effect of Single-Doped/Multi-Doped Fiber on Fracture Toughness
3.4. Microstructure Analysis of UHPC
3.4.1. Basalt/Steel Fiber Individual of UHPC
3.4.2. Hybrid Fiber of UHPC
4. Conclusions
- (1)
- The fluidity of UHPC with BF decreased more than that of UHPC with SF. And when the BF content reaches 1.5%, it does not meet the requirements of the fluidity degree. The fluidity of UHPC gradually decreases as the replacement rate of BF rises. The minimum UHPC flow value of 1.5% BF + 0.5% SF is 175 mm, which does not meet the requirements of the flow state UHPC. When the BF replacement rate is below 50%, the fluidity is greater than 200 mm.
- (2)
- BF at a dosage of 0–1% improves the flexural strength of UHPC more effectively compared to the SF, and the improvement in early compressive strength is significant. The splitting tensile strength of UHPC first rises and then falls as the fiber content increases. The ideal amounts of BF and SF are 1% and 1.5%, respectively.
- (3)
- BF improves the resilience of UHPC, causing a significant rise in the specimen’s initiation load and peak load. Because UHPC-BF has a denser microstructure, the BF and matrix bonding performance is enhanced.
- (4)
- As the BF replacement rate rises, the compressive strength of hybrid fiber UHPC progressively falls, while the splitting tensile strength and flexural strength first rise before falling. UHPC made with composite fibers is more durable than that of single fiber. Analysis of the microstructure morphology indicated that the two types of fibers may exert their respective roles at various loading stages, complementing each other in a synergistic manner to execute the effects of progressive fracture resistance and toughening enhancement.
- (5)
- The impact resistance of composite fiber UHPC first rises and then falls as the rate of BF substitution rises, and the ductility gradually declines. The initial crack and final failure hammer blows reach their peak values at a dosage of 0.5% BF + 1.5% SF, which is 16.1% and 3.9% higher than that of 2% SF, respectively. The shrinkage rate of UHPC tends to drop initially and then increases with the rise of the BF substitution rate.
Author Contributions
Funding
Institutional Review Board Statement
Informed Consent Statement
Data Availability Statement
Conflicts of Interest
References
- Blais, P.Y.; Couture, M. Precast, prestressed pedestrian bridge—World’s first reactive powder concrete structure. Pci J. 1999, 44, 60–71. [Google Scholar] [CrossRef]
- Fan, D.; Yu, R.; Fu, S.; Yue, L.; Wu, C.; Shui, Z.; Liu, K.; Song, Q.; Sun, M.; Jiang, C. Precise design and characteristics prediction of Ultra-High Performance Concrete (UHPC) based on artificial intelligence techniques. Cem. Concr. Compos. 2021, 122, 104171. [Google Scholar] [CrossRef]
- Bae, Y.; Pyo, S. Ultra high performance concrete (UHPC) sleeper: Structural design and performance. Eng. Struct. 2020, 210, 110374. [Google Scholar] [CrossRef]
- Li, L.; Wang, B.; Hubler, M.H. Carbon nanofibers (CNFs) dispersed in ultra-high performance concrete (UHPC): Mechanical property, workability and permeability investigation. Cem. Concr. Compos. 2022, 131, 104592. [Google Scholar] [CrossRef]
- Teng, L.; Valipour, M.; Khayat, K.H. Design and performance of low shrinkage UHPC for thin bonded bridge deck overlay. Cem. Concr. Compos. 2021, 118, 103593. [Google Scholar] [CrossRef]
- Soliman, N.A.; Tagnit-Hamou, A. Using glass sand as an alternative for quartz sand in UHPC. Constr. Build. Mater. 2017, 145, 243–252. [Google Scholar] [CrossRef]
- Sharma, R.; Jang, J.G.; Bansal, P.P. A comprehensive review on effects of mineral admixtures and fibers on engineering properties of ultra-high-performance concrete. J. Build. Eng. 2022, 45, 103314. [Google Scholar] [CrossRef]
- Wu, L.; Farzadnia, N.; Shi, C.; Zhang, Z.; Wang, H. Autogenous shrinkage of high performance concrete: A review. Constr. Build. Mater. 2017, 149, 62–75. [Google Scholar] [CrossRef]
- Ahmad, J.; Zaid, O.; Siddique, M.S.; Aslam, F.; Alabduljabbar, H.; Khedher, K.M. Mechanical and durability characteristics of sustainable coconut fibers reinforced concrete with incorporation of marble powder. Mater. Res. Express 2021, 8, 075505. [Google Scholar] [CrossRef]
- Zhou, M.; Lu, W.; Song, J.; Lee, G.C. Application of Ultra-High Performance Concrete in bridge engineering. Constr. Build. Mater. 2018, 186, 1256–1267. [Google Scholar] [CrossRef]
- Wang, D.; Shi, C.; Wu, Z.; Xiao, J.; Huang, Z.; Fang, Z. A review on ultra high performance concrete: Part II. Hydration, microstructure and properties. Constr. Build. Mater. 2015, 96, 368–377. [Google Scholar] [CrossRef]
- Abbas, Y.M.; Khan, M.I. Influence of Fiber Properties on Shear Failure of Steel Fiber Reinforced Beams Without Web Reinforcement: ANN Modeling. Lat. Am. J. Solids Struct. 2016, 13, 1483–1498. [Google Scholar] [CrossRef]
- Song, Q.; Yu, R.; Shui, Z.; Chen, L.; Liu, Z.; Gao, X.; Zhang, J.; He, Y. Intrinsic effect of hybrid fibres 3D network on the electrochemical characteristics of Ultra-High Performance Fibre Reinforced Composites (UHPFRC). Cem. Concr. Compos. 2020, 114, 103818. [Google Scholar] [CrossRef]
- Abbas, S.; Soliman, A.M.; Nehdi, M.L. Exploring mechanical and durability properties of ultra-high performance concrete incorporating various steel fiber lengths and dosages. Constr. Build. Mater. 2015, 75, 429–441. [Google Scholar] [CrossRef]
- Jin, L.; Zhang, R.; Tian, Y.; Dou, G.; Du, X. Experimental investigation on static and dynamic mechanical properties of steel fiber reinforced ultra-high-strength concretes. Constr. Build. Mater. 2018, 178, 102–111. [Google Scholar] [CrossRef]
- Burchart-Korol, D. Life cycle assessment of steel production in Poland: A case study. J. Clean. Prod. 2013, 54, 235–243. [Google Scholar] [CrossRef]
- Khandelwal, S.; Rhee, K.Y. Recent advances in basalt-fiber-reinforced composites: Tailoring the fiber-matrix interface. Compos. Part B Eng. 2020, 192, 108011. [Google Scholar] [CrossRef]
- Ayub, T.; Shafiq, N.; Nuruddin, M.F. Effect of Chopped Basalt Fibers on the Mechanical Properties and Microstructure of High Performance Fiber Reinforced Concrete. Adv. Mater. Sci. Eng. 2014, 2014, 587686. [Google Scholar] [CrossRef]
- Dhand, V.; Mittal, G.; Rhee, K.Y.; Park, S.-J.; Hui, D. A short review on basalt fiber reinforced polymer composites. Compos. Part B Eng. 2015, 73, 166–180. [Google Scholar] [CrossRef]
- Chen, Z.; Wang, X.; Ding, L.; Jiang, K.; Su, C.; Liu, J.; Wu, Z. Mechanical properties of a novel UHPC reinforced with macro basalt fibers. Constr. Build. Mater. 2023, 377, 131107. [Google Scholar] [CrossRef]
- Wu, Z.; Khayat, K.H.; Shi, C. How do fiber shape and matrix composition affect fiber pullout behavior and flexural properties of UHPC? Cem. Concr. Compos. 2018, 90, 193–201. [Google Scholar] [CrossRef]
- Jiang, K.; Wang, X.; Ding, L.; Chen, Z.; Liu, J.; Wu, Z. Experimental study on pullout behaviour of basalt fiber-reinforced polymers minibar embedded in ultra-high performance seawater sea-sand concrete. J. Build. Eng. 2023, 68, 106160. [Google Scholar] [CrossRef]
- Nuaklong, P.; Chittanurak, J.; Jongvivatsakul, P.; Pansuk, V.; Lenwari, A.; Likitlersuang, S. Effect of hybrid polypropylene-steel fibres on strength characteristics of UHPFRC. Adv. Concr. Constr. 2020, 10, 1–11. [Google Scholar]
- Lou, K.; Kang, A.; Xiao, P.; Wu, Z.; Li, B.; Wang, X. Effects of basalt fiber coated with different sizing agents on performance and microstructures of asphalt mixture. Constr. Build. Mater. 2021, 266, 121155. [Google Scholar] [CrossRef]
- Fiore, V.; Scalici, T.; Di Bella, G.; Valenza, A. A review on basalt fibre and its composites. Compos. Part B Eng. 2015, 74, 74–94. [Google Scholar] [CrossRef]
- Yan, L.; Chu, F.; Tuo, W.; Zhao, X.; Wang, Y.; Zhang, P.; Gao, Y. Review of research on basalt fibers and basalt fiber-reinforced composites in China (I): Physicochemical and mechanical properties. Polym. Polym. Compos. 2021, 29, 1612–1624. [Google Scholar] [CrossRef]
- Banthia, N.; Majdzadeh, F.; Wu, J.; Bindiganavile, V. Fiber synergy in Hybrid Fiber Reinforced Concrete (HyFRC) in flexure and direct shear. Cem. Concr. Compos. 2014, 48, 91–97. [Google Scholar] [CrossRef]
- Meng, W.; Khayat, K.H. Effect of Hybrid Fibers on Fresh Properties, Mechanical Properties, and Autogenous Shrinkage of Cost-Effective UHPC. J. Mater. Civ. Eng. 2018, 30, 04018030. [Google Scholar] [CrossRef]
- Lai, J.; Guo, X.; Zhu, Y. Repeated penetration and different depth explosion of ultra-high performance concrete. Int. J. Impact Eng. 2015, 84, 1–12. [Google Scholar] [CrossRef]
- Niu, Y.; Wei, J.; Jiao, C. Crack propagation behavior of ultra-high-performance concrete (UHPC) reinforced with hybrid steel fibers under flexural loading. Constr. Build. Mater. 2021, 294, 123510. [Google Scholar] [CrossRef]
- Li, J.; Deng, Z. Tensile Behavior of Hybrid Fiber-Reinforced Ultra-High-Performance Concrete. Front. Mater. 2021, 8, 769579. [Google Scholar] [CrossRef]
- Lin, J.X.; Su, J.Y.; Pan, H.S.; Peng, Y.Q.; Guo, Y.C.; Chen, W.S.; Lan, X.W. Dynamic compression behavior of ultra-high performance concrete with hybrid polyoxymethylene fiber and steel fiber. J. Mater. Res. Technol. JmrT 2022, 20, 4473–4486. [Google Scholar] [CrossRef]
- Li, S.; Jensen, O.M.; Wang, Z.; Yu, Q. Influence of micromechanical property on the rate-dependent flexural strength of ultra-high performance concrete containing coarse aggregates (UHPC-CA). Compos. Part B-Eng. 2021, 227, 109394. [Google Scholar] [CrossRef]
- Larsen, I.L.; Thorstensen, R.T. The influence of steel fibres on compressive and tensile strength of ultra high performance concrete: A review. Constr. Build. Mater. 2020, 256, 119459. [Google Scholar] [CrossRef]
- Li, Y.; Zhang, Y.; Yang, E.-H.; Tan, K.H. Effects of geometry and fraction of polypropylene fibers on permeability of ultra-high performance concrete after heat exposure. Cem. Concr. Res. 2019, 116, 168–178. [Google Scholar] [CrossRef]
- Khayat, K.H.; Meng, W.; Vallurupalli, K.; Teng, L. Rheological properties of ultra-high-performance concrete—An overview. Cem. Concr. Res. 2019, 124, 105828. [Google Scholar] [CrossRef]
- Xu, L.; Wu, F.; Chi, Y.; Cheng, P.; Zeng, Y.; Chen, Q. Effects of coarse aggregate and steel fibre contents on mechanical properties of high performance concrete. Constr. Build. Mater. 2019, 206, 97–110. [Google Scholar] [CrossRef]
- Wang, Y.; Kang, A.-H.; Wu, Z.-G.; Xiao, P.; Gong, Y.-F.; Sun, H.-F. Investigation of the basalt fiber type and content on performances of cement mortar and concrete. Constr. Build. Mater. 2023, 408, 133720. [Google Scholar] [CrossRef]
- GB/T 8077-2023; Methods for Testing Uniformity of Concrete Admixtures. Standards Press of China: Beijing, China, 2023.
- GB/T17671-2021; Test Method of Cement Mortar Strength (ISO Method). Standards Press of China: Beijing, China, 2021.
- GB/T50081-2019; Standard for Testing Methods for Physical and Mechanical Properties of Concrete. China Architecture & Building Press: Beijing, China, 2019.
- DL/T5332-2005; Norm for Fracture Test of Hydraulic Concrete. China Electric Power Press: Beijing, China, 2009.
- Mizani, J.; Sadeghi, A.M.; Afshin, H. Experimental study on the effect of macro and microfibers on the mechanical properties of reactive powder concrete. Struct. Concr. 2022, 23, 240–254. [Google Scholar] [CrossRef]
- Wang, D.; Ju, Y.; Shen, H.; Xu, L. Mechanical properties of high performance concrete reinforced with basalt fiber and polypropylene fiber. Constr. Build. Mater. 2019, 197, 464–473. [Google Scholar] [CrossRef]















| Fiber Type | Diameter/μm | Length/mm | Tensile Strength/MPa | Elastic Modulus | Elongation at Break/% |
|---|---|---|---|---|---|
| /GPa | |||||
| BF | 450 | 12 | 1245 | 52.3 | 2.2 |
| SF | 300 | 12 | 1200 | 210 | 3.5 |
| Specimen | BF/kg | SF/kg | Cement/kg | Silica Fume/kg | Slag/kg | Sand/kg | Water Reducer/kg | Water/kg |
|---|---|---|---|---|---|---|---|---|
| BLANK | 0 | 0 | 1120 | 145 | 105 | 1120 | 21 | 228 |
| 0.25% BF | 6.3 | 0 | 1120 | 145 | 105 | 1120 | 21 | 228 |
| 0.5% BF | 12.7 | 0 | 1120 | 145 | 105 | 1120 | 21 | 228 |
| 0.75% BF | 19.0 | 0 | 1120 | 145 | 105 | 1120 | 21 | 228 |
| 1% BF | 25.4 | 0 | 1120 | 145 | 105 | 1120 | 21 | 228 |
| 1.5% BF | 38.1 | 0 | 1120 | 145 | 105 | 1120 | 21 | 228 |
| 0.25% SF | 0 | 20.8 | 1120 | 145 | 105 | 1120 | 21 | 228 |
| 0.5% SF | 0 | 41.6 | 1120 | 145 | 105 | 1120 | 21 | 228 |
| 0.75% SF | 0 | 62.4 | 1120 | 145 | 105 | 1120 | 21 | 228 |
| 1% SF | 0 | 83.3 | 1120 | 145 | 105 | 1120 | 21 | 228 |
| 1.5% SF | 0 | 124.9 | 1120 | 145 | 105 | 1120 | 21 | 228 |
| 2% SF | 0 | 166.6 | 1120 | 145 | 105 | 1120 | 21 | 228 |
| 05BF15SF | 12.7 | 124.9 | 1120 | 145 | 105 | 1120 | 21 | 228 |
| 10BF10SF | 25.4 | 83.3 | 1120 | 145 | 105 | 1120 | 21 | 228 |
| 15BF05SF | 38.1 | 41.6 | 1120 | 145 | 105 | 1120 | 21 | 228 |
| Fibre Type | Cracking Load | Peak Load | Fracture Energy |
|---|---|---|---|
| (KN) | (KN) | KJ/m3 | |
| BLANK | 2.12 | 3.88 | 0.26 |
| 1% BF | 4.28 | 6.45 | 2.36 |
| 1% SF | 3.22 | 5.01 | 13.51 |
| 2% SF | 4.378 | 9.2503 | 25.8 |
| 05BF15SF | 6.783 | 9.81893 | 27.9 |
| 10BF10SF | 5.965 | 8.37683 | 24.3 |
| 15BF05SF | 3.886 | 5.94573 | 17.5 |
Disclaimer/Publisher’s Note: The statements, opinions and data contained in all publications are solely those of the individual author(s) and contributor(s) and not of MDPI and/or the editor(s). MDPI and/or the editor(s) disclaim responsibility for any injury to people or property resulting from any ideas, methods, instructions or products referred to in the content. |
© 2024 by the authors. Licensee MDPI, Basel, Switzerland. This article is an open access article distributed under the terms and conditions of the Creative Commons Attribution (CC BY) license (https://creativecommons.org/licenses/by/4.0/).
Share and Cite
Gong, Y.; Hua, Q.; Wu, Z.; Yu, Y.; Kang, A.; Chen, X.; Dong, H. Effect of Basalt/Steel Individual and Hybrid Fiber on Mechanical Properties and Microstructure of UHPC. Materials 2024, 17, 3299. https://doi.org/10.3390/ma17133299
Gong Y, Hua Q, Wu Z, Yu Y, Kang A, Chen X, Dong H. Effect of Basalt/Steel Individual and Hybrid Fiber on Mechanical Properties and Microstructure of UHPC. Materials. 2024; 17(13):3299. https://doi.org/10.3390/ma17133299
Chicago/Turabian StyleGong, Yongfan, Qian Hua, Zhengguang Wu, Yahui Yu, Aihong Kang, Xiao Chen, and Hu Dong. 2024. "Effect of Basalt/Steel Individual and Hybrid Fiber on Mechanical Properties and Microstructure of UHPC" Materials 17, no. 13: 3299. https://doi.org/10.3390/ma17133299
APA StyleGong, Y., Hua, Q., Wu, Z., Yu, Y., Kang, A., Chen, X., & Dong, H. (2024). Effect of Basalt/Steel Individual and Hybrid Fiber on Mechanical Properties and Microstructure of UHPC. Materials, 17(13), 3299. https://doi.org/10.3390/ma17133299

