Magnetic Biochar Obtained by Chemical Coprecipitation and Pyrolysis of Corn Cob Residues: Characterization and Methylene Blue Adsorption
Abstract
1. Introduction
2. Materials and Methods
2.1. Reagents
2.2. Experimental Procedures
2.2.1. Pretreatment of Samples
2.2.2. Chemical Coprecipitation of Magnetite in Corn Cob Waste
2.2.3. Obtaining Biochar from Corn Cob by Pyrolysis
2.2.4. Characterization of Biochar
2.2.5. Methylene Blue Adsorption Efficiency and Kinetic Models
3. Results and Discussions
3.1. Biochar Yield and Ash Percentage
3.2. Inorganic Composition
3.3. Morphological Analysis
3.4. Structure of Modified Biochar
3.5. Surface Functional Groups
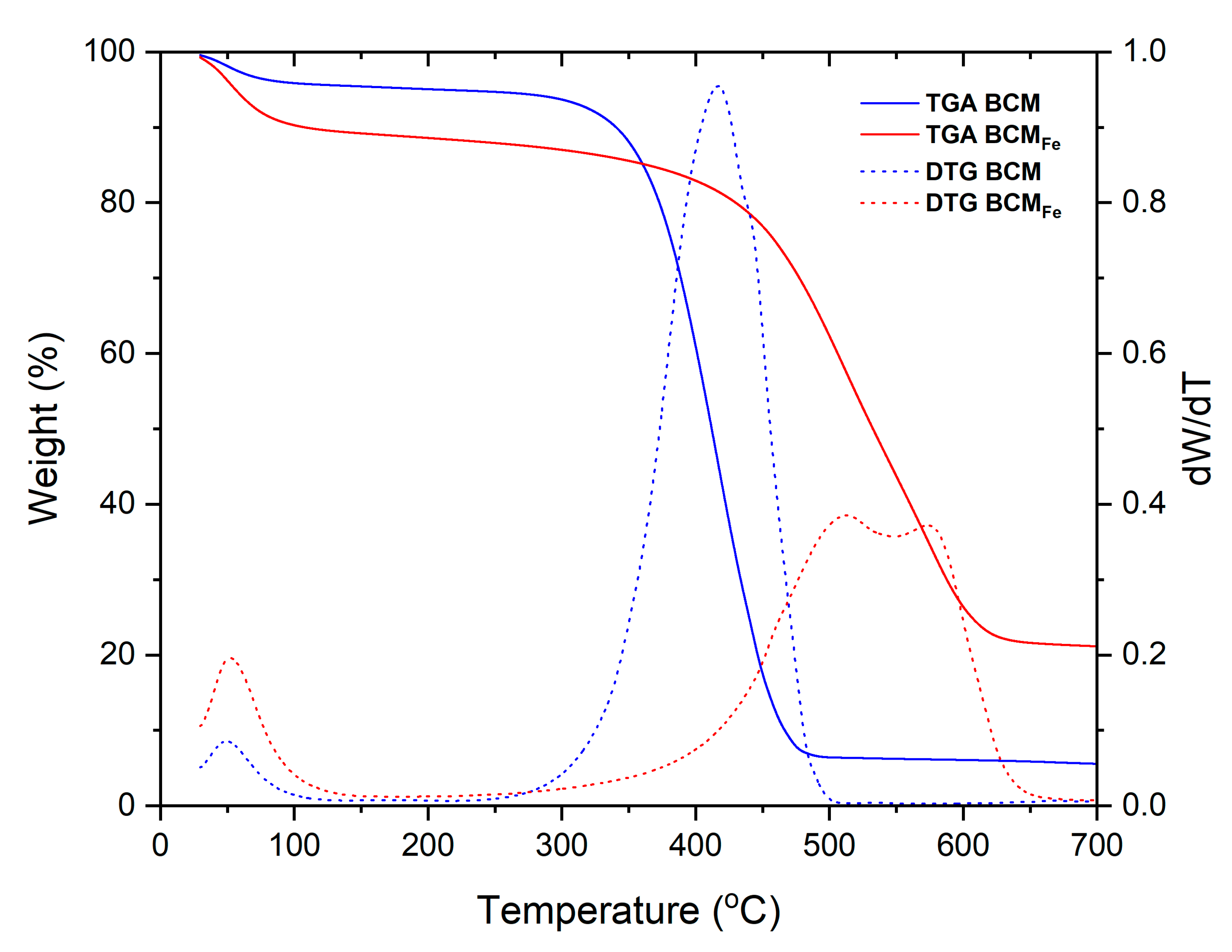
3.6. Thermal Behavior
3.7. Methylene Blue Adsorption Capacity
4. Conclusions
Author Contributions
Funding
Institutional Review Board Statement
Informed Consent Statement
Data Availability Statement
Acknowledgments
Conflicts of Interest
References
- Awogbemi, O.; Von Kallon, D.V. Pretreatment techniques for agricultural waste. Case Stud. Chem. Environ. Eng. 2022, 6, 100229. [Google Scholar] [CrossRef]
- Karić, N.; Maia, A.S.; Teodorović, A.; Atanasova, N.; Langergraber, G.; Crini, G.; Ribeiro, A.R.L.; Đolić, M. Bio-waste valorisation: Agricultural wastes as biosorbents for removal of (in)organic pollutants in wastewater treatment. Chem. Eng. J. Adv. 2022, 9, 100239. [Google Scholar] [CrossRef]
- International Biochar Initiative. Standardized Product Definition and Product Testing Guidelines for Biochar That Is Used in Soil. International Biochar Initiative, November, 1–61. 2015. Available online: https://www.biochar-international.org/wp-content/uploads/2018/04/IBI_Biochar_Standards_V2.1_Final.pdf (accessed on 13 January 2023).
- Mehdi, R.; Khoja, A.H.; Naqvi, S.R.; Gao, N.; Amin, N.A.S. A Review on Production and Surface Modifications of Biochar Materials via Biomass Pyrolysis Process for Supercapacitor Applications. Catalysts 2022, 12, 798. [Google Scholar] [CrossRef]
- Saravanan, A.; Senthil Kumar, P. Biochar derived carbonaceous material for various environmental applications: Systematic review. Environ. Res. 2022, 214, 113857. [Google Scholar] [CrossRef] [PubMed]
- Tehreem, S.; Yousra, M.; Alamer, K.H.; Alsudays, I.M.; Sarwar, S.; Kamal, A.; Naeem, S. Analysis of the role of various biochar in the remediation of heavy metals in contaminated water and its kinetics study. J. Saudi Chem. Soc. 2022, 26, 101518. [Google Scholar] [CrossRef]
- Wang, L.; Olsen, M.N.P.; Moni, C.; Dieguez-Alonso, A.; de la Rosa, J.M.; Stenrød, M.; Liu, X.; Mao, L. Comparison of properties of biochar produced from different types of lignocellulosic biomass by slow pyrolysis at 600 °C. Appl. Energy Combust. Sci. 2022, 12, 100090. [Google Scholar] [CrossRef]
- Amalina, F.; Syukor Abd Razak, A.; Krishnan, S.; Sulaiman, H.; Zularisam, A.W.; Nasrullah, M. Advanced techniques in the production of biochar from lignocellulosic biomass and environmental applications. Clean. Mater. 2022, 6, 100137. [Google Scholar] [CrossRef]
- Li, R.; Wu, Y.; Lou, X.; Li, H.; Cheng, J.; Shen, B.; Qin, L. Porous Biochar Materials for Sustainable Water Treatment: Synthesis, Modification, and Application. Water 2023, 15, 395. [Google Scholar] [CrossRef]
- Huang, W.H.; Lee, D.J.; Huang, C. Modification on biochars for applications: A research update. Bioresour. Technol. 2021, 319, 124100. [Google Scholar] [CrossRef]
- Roy, H.; Islam, M.S.; Arifin, M.T.; Firoz, S.H. Synthesis, Characterization and Sorption Properties of Biochar, Chitosan and ZnO-Based Binary Composites towards a Cationic Dye. Sustainability 2022, 14, 14571. [Google Scholar] [CrossRef]
- Isaac, R.; Siddiqui, S. Sequestration of Ni(II) and Cu(II) using FeSO4 modified Zea mays husk magnetic biochar: Isotherm, kinetics, thermodynamic studies and RSM. J. Hazard. Mater. Adv. 2022, 8, 100162. [Google Scholar] [CrossRef]
- Pipíška, M.; Krajcíková, E.K.; Hvostik, M.; Frišták, V.; Duriška, L.; Cernicková, I.; Kanuchová, M.; Conte, P.; Soja, G. Biochar from Wood Chips and Corn Cobs for Adsorption of Thioflavin T and Erythrosine B. Materials 2022, 15, 1492. [Google Scholar] [CrossRef] [PubMed]
- Xu, Z.; Hu, Y.; Guo, Z.; Xiao, X.; Peng, C.; Zeng, P. Optimizing pyrolysis temperature of contaminated rice straw biochar: Heavy metal(loid) deportment, properties evolution, and Pb adsorption/immobilization. J. Saudi Chem. Soc. 2022, 26, 101439. [Google Scholar] [CrossRef]
- Santhosh, C.; Daneshvar, E.; Tripathi, K.M.; Baltrėnas, P.; Kim, T.; Baltrėnaitė, E.; Bhatnagar, A. Synthesis and characterization of magnetic biochar adsorbents for the removal of Cr(VI) and Acid orange 7 dye from aqueous solution. Environ. Sci. Pollut. Res. 2020, 27, 32874–32887. [Google Scholar] [CrossRef] [PubMed]
- Chen, X.; Lin, J.; Su, Y.; Tang, S. One-Step Carbonization Synthesis of Magnetic Biochar with 3D Network Structure and Its Application in Organic Pollutant Control. Int. J. Mol. Sci. 2022, 23, 12579. [Google Scholar] [CrossRef] [PubMed]
- Ghanbari, N.; Ghafuri, H. Design and preparation the novel polymeric layered double hydroxide nanocomposite (LDH/Polymer) as an efficient and recyclable adsorbent for the removal of methylene blue dye from water. Environ. Technol. Innov. 2022, 26, 102377. [Google Scholar] [CrossRef]
- Oladoye, P.O.; Ajiboye, T.O.; Omotola, E.O.; Oyewola, O.J. Methylene blue dye: Toxicity and potential technologies for elimination from (waste)water. Results Eng. 2022, 16, 100678. [Google Scholar] [CrossRef]
- Ramutshatsha-Makhwedzha, D.; Mavhungu, A.; Moropeng, M.L.; Mbaya, R. Activated carbon derived from waste orange and lemon peels for the adsorption of methyl orange and methylene blue dyes from wastewater. Heliyon 2022, 8, e09930. [Google Scholar] [CrossRef]
- Mu, Y.; Du, H.; He, W.; Ma, H. Functionalized mesoporous magnetic biochar for methylene blue removal: Performance assessment and mechanism exploration. Diamond Rel. Mat. 2022, 121, 108795. [Google Scholar] [CrossRef]
- Güleç, F.; Williams, O.; Kostas, E.T.; Samson, A.; Stevens, L.A.; Lester, E. A comprehensive comparative study on methylene blue removal from aqueous solution using biochars produced from rapeseed, whitewood, and seaweed via different thermal conversion technologies. Fuel 2022, 330, 125428. [Google Scholar] [CrossRef]
- Zeng, H.; Qi, W.; Zhai, L.; Wang, F.; Zhang, J.; Li, D. Preparation and characterization of sludge-based magnetic biochar by pyrolysis for methylene blue removal. Nanomaterials 2021, 11, 2473. [Google Scholar] [CrossRef] [PubMed]
- Li, M.; Dong, C.; Guo, C.; Yu, L. Magnetic Activated Biochar Fe3O4-MOS Made from Moringa Seed Shells for the Adsorption of Methylene Blue. Processes 2022, 10, 2720. [Google Scholar] [CrossRef]
- Rodríguez, J.A.; Ríos, J.C.; Flores, S.F.; Treviño, G.G.; Muzquiz, E.M. Síntesis y caracterización de compositos carbón/óxidos de hierro a partir de caña de azúcar. Theorema 2019, 10, 124–129. [Google Scholar]
- Lee, X.J.; Lee, L.Y.; Gan, S.; Thangalazhy-Gopakumar, S.; Ng, H.K. Biochar potential evaluation of palm oil wastes through slow pyrolysis: Thermochemical characterization and pyrolytic kinetic studies. Bioresour. Technol. 2017, 236, 155–163. [Google Scholar] [CrossRef]
- Xie, R.; Zhu, Y.; Zhang, H.; Zhang, P.; Han, L. Effects and mechanism of pyrolysis temperature on physicochemical properties of corn stalk pellet biochar based on combined characterization approach of microcomputed tomography and chemical analysis. Bioresour. Technol. 2021, 329, 124907. [Google Scholar] [CrossRef]
- Qin, L.; Wu, Y.; Hou, Z.; Jiang, E. Influence of biomass components, temperature and pressure on the pyrolysis behavior and biochar properties of pine nut shells. Bioresour. Technol. 2020, 313, 123682. [Google Scholar] [CrossRef] [PubMed]
- ASTM. Método de Prueba Estándar Para Contenido Total de Cenizas de Carbón Activado. Available online: https://www.astm.org/d2866-94r04.html (accessed on 8 November 2022).
- Al-Rumaihi, A.; Shahbaz, M.; Mckay, G.; Mackey, H.; Al-Ansari, T. A review of pyrolysis technologies and feedstock: A blending approach for plastic and biomass towards optimum biochar yield. Renew. Sustain. Energy Rev. 2022, 167, 112715. [Google Scholar] [CrossRef]
- Zhao, N.; Yin, Z.; Liu, F.; Zhang, M.; Lv, Y.; Hao, Z.; Pan, G.; Zhang, J. Environmentally persistent free radicals mediated removal of Cr(VI) from highly saline water by corn straw biochars. Bioresour. Technol. 2018, 260, 294–301. [Google Scholar] [CrossRef]
- Mohan, D.; Kumar, S.; Srivastava, A. Fluoride removal from ground water using magnetic and nonmagnetic corn stover biochars. Ecol. Eng. 2014, 73, 798–808. [Google Scholar] [CrossRef]
- Amalina, F.; Razak, A.S.A.; Krishnan, S.; Zularisam, A.W.; Nasrullah, M. A comprehensive assessment of the method for producing biochar, its characterization, stability, and potential applications in regenerative economic sustainability—A review. Clean. Mater. 2022, 3, 100045. [Google Scholar] [CrossRef]
- Suo, F.; You, X.; Yin, S.; Wu, H.; Zhang, C.; Yu, X.; Sun, R.; Li, Y. Preparation and characterization of biochar derived from co-pyrolysis of Enteromorpha prolifera and corn straw and its potential as a soil amendment. Sci. Total Environ. 2021, 798, 149167. [Google Scholar] [CrossRef] [PubMed]
- Muigai, H.H.; Bordoloi, U.; Hussain, R.; Ravi, K.; Moholkar, V.S.; Kalita, P. A comparative study on synthesis and characterization of biochars derived from lignocellulosic biomass for their candidacy in agronomy and energy applications. Int. J. Energy Res. 2021, 45, 4765–4781. [Google Scholar] [CrossRef]
- Sahoo, S.S.; Vijay, V.K.; Chandra, R.; Kumar, H. Production and characterization of biochar produced from slow pyrolysis of pigeon pea stalk and bamboo. Clean. Eng. Technol. 2021, 3, 100101. [Google Scholar] [CrossRef]
- Gómez-Vásquez, R.; Fernández-Ballesteros, E.; Camargo-Trillos, D. Biogenic nanoporous oxides recovery from by-products of bioenergy production: Rice husks and corncob biochars. Biomass Bioenergy 2022, 161, 106455. [Google Scholar] [CrossRef]
- Land and Water Division-FAO. Fertilizantes, su presentación, calidad y etiquetado. In Los Fertilizantes y Su Uso; IFA: Paris, France, 2002; pp. 33–44. [Google Scholar]
- Quillope, J.C.C.; Carpio, R.B.; Gatdula, K.M.; Detras, M.C.M.; Doliente, S.S. Optimization of process parameters of self-purging microwave pyrolysis of corn cob for biochar production. Heliyon 2021, 7, e08417. [Google Scholar] [CrossRef] [PubMed]
- Leichtweis, J.; Silvestri, S.; Carissimi, E. New composite of pecan nutshells biochar-ZnO for sequential removal of acid red 97 by adsorption and photocatalysis. Biomass Bioenergy 2020, 140, 105648. [Google Scholar] [CrossRef]
- Ouyang, D.; Yan, J.; Qian, L.; Chen, Y.; Han, L.; Su, A.; Zhang, W.; Ni, H.; Chen, M. Degradation of 1,4-dioxane by biochar supported nano magnetite particles activating persulfate. Chemosphere 2017, 184, 609–617. [Google Scholar] [CrossRef]
- Yan, J.; Yang, L.; Qian, L.; Han, L.; Chen, M. Nano-magnetite supported by biochar pyrolyzed at different temperatures as hydrogen peroxide activator: Synthesis mechanism and the effects on ethylbenzene removal. Environ. Pollut. 2020, 261, 114020. [Google Scholar] [CrossRef]
- Navarathna, C.M.; Karunanayake, A.G.; Gunatilake, S.R.; Pittman, C.U.; Perez, F.; Mohan, D.; Mlsna, T. Removal of Arsenic(III) from water using magnetite precipitated onto Douglas fir biochar. J. Environ. Manag. 2019, 250, 109429. [Google Scholar] [CrossRef]
- Compeán-Jasso, M.E.; Ruiz, F.; Martínez, J.R.; Herrera-Gómez, A. Magnetic properties of magnetite nanoparticles synthesized by forced hydrolysis. Mater. Lett. 2008, 62, 4248–4250. [Google Scholar] [CrossRef]
- Peña-Rodríguez, G.; Rivera-Suárez, P.A.; González-Gómez, C.H.; Parra-Vargas, C.A.; Garzón-Posada, A.O.; Landínez-Téllez, D.A.; Roa-Rojas, J. Efecto de la concentración de magnetita en la estructura, propiedades eléctricas y magnéticas de un material compuesto a base de resina de poliéster. TecnoLógicas 2018, 21, 13–27. [Google Scholar] [CrossRef]
- Manoharan, T.; Ganeshalingam, S.; Nadarajah, K. Mechanisms of emerging contaminants removal by novel neem chip biochar. Environ. Adv. 2022, 7, 100158. [Google Scholar] [CrossRef]
- Binh, Q.A.; Nguyen, H.H. Investigation the isotherm and kinetics of adsorption mechanism of herbicide 2,4-dichlorophenoxyacetic acid (2,4-D) on corn cob biochar. Bioresour. Technol. Rep. 2020, 11, 100520. [Google Scholar] [CrossRef]
- Bekiaris, G.; Peltre, C.; Jensen, L.S.; Bruun, S. Using FTIR-photoacoustic spectroscopy for phosphorus speciation analysis of biochars. Spectrochim. Acta Part A Mol. Biomol. Spectrosc. 2016, 168, 29–36. [Google Scholar] [CrossRef] [PubMed]
- Ríos Hurtado, J.C.; Martínez-Valdés, A.C.; Rangel Méndez, J.R.; Ballesteros Pacheco, J.C.; Múzquiz Ramos, E.M. Facile synthesis and characterization of MnxZn1-xFe2O4/activated carbon composites for biomedical applications. J. Ceram. Sci. Technol. 2016, 7, 289–294. [Google Scholar] [CrossRef]
- Parthasarathy, P.; Fernandez, A.; Singh, D.K.; Al-Ansari, T.; Mackey, H.R.; Rodriguez, R.; Mazza, G.; Tirkey, J.V.; McKay, G. Thermogravimetric analysis of camel dung, date stone, and their blend for pyrolytic, kinetic, and thermodynamic studies. Clean. Chem. Eng. 2022, 4, 100072. [Google Scholar] [CrossRef]
- Lu, J.; Yang, Y.; Liu, P.; Li, Y.; Huang, F.; Zeng, L.; Liang, Y.; Li, S.; Hou, B. Iron-montmorillonite treated corn straw biochar: Interfacial chemical behavior and stability. Sci. Total Environ. 2020, 708, 134773. [Google Scholar] [CrossRef]
- Neeli, S.T.; Ramsurn, H. Synthesis and formation mechanism of iron nanoparticles in graphitized carbon matrices using biochar from biomass model compounds as a support. Carbon 2018, 134, 480–490. [Google Scholar] [CrossRef]
- Mubarak, N.M.; Fo, Y.T.; Al-Salim, H.S.; Sahu, J.N.; Abdullah, E.C.; Nizamuddin, S.; Jayakumar, N.S.; Ganesan, P. Removal of Methylene Blue and Orange-G from Waste Water Using Magnetic Biochar. Int. J. Nanosci. 2015, 14, 1550009. [Google Scholar] [CrossRef]
- Ruthiraan, M.; Abdullah, E.C.; Mubarak, N.M.; Noraini, M.N. A promising route of magnetic based materials for removal of cadmium and methylene blue from waste water. J. Environ. Chem. Eng. 2017, 5, 1447–1455. [Google Scholar] [CrossRef]
- Baytar, O.; Abdullah Ceyhan, A.; Şahin, O. Production of activated carbon from Elaeagnus angustifolia seeds using H3PO4 activator and methylene blue and malachite green adsorption. Int. J. Phytoremed. 2021, 23, 693–703. [Google Scholar] [CrossRef] [PubMed]
- Hanaor, D.A.H.; Ghadiri, M.; Chrzanowski, W.; Gan, Y. Scalable surface area characterization by electrokinetic analysis of complex anion adsorption. Langmuir 2014, 30, 15143–15152. [Google Scholar] [CrossRef] [PubMed]
- Van Hoa, N.; Minh, N.C.; Cuong, H.N.; Dat, P.A.; Nam, P.V.; Viet, P.H.T.; Phuong, P.T.D.; Trung, T.S. Highly Porous Hydroxyapatite/Graphene Oxide/Chitosan Beads as an Efficient Adsorbent for Dyes and Heavy Metal Ions Removal. Molecules 2021, 26, 6127. [Google Scholar] [CrossRef]
- Lee, X.J.; Lee, L.Y.; Hiew, B.Y.Z.; Gan, S.; Thangalazhy-Gopakumar, S.; Ng, H.K. Valorisation of oil palm wastes into high yield and energy content biochars via slow pyrolysis: Multivariate process optimisation and combustion kinetic studies. Mater. Sci. Energy Technol. 2020, 3, 601–610. [Google Scholar] [CrossRef]
- Li, Y.; Zhang, Y.; Zhang, Y.; Wang, G.; Li, S.; Han, R.; Wei, W. Reed biochar supported hydroxyapatite nanocomposite: Characterization and reactivity for methylene blue removal from aqueous media. J. Mol. Liq. 2018, 263, 53–63. [Google Scholar] [CrossRef]
- Sun, L.; Wan, S.; Luo, W. Biochars prepared from anaerobic digestion residue, palm bark, and eucalyptus for adsorption of cationic methylene blue dye: Characterization, equilibrium, and kinetic studies. Bioresour. Technol. 2013, 140, 406–413. [Google Scholar] [CrossRef]
- Wang, J.; Wang, S. Preparation, modification and environmental application of biochar: A review. J. Clean. Prod. 2019, 227, 1002–1022. [Google Scholar] [CrossRef]
- Patawat, C.; Silakate, K.; Chuan-Udom, S.; Supanchaiyamat, N.; Hunt, A.J.; Ngernyen, Y. Preparation of activated carbon from Dipterocarpus alatus fruit and its application for methylene blue adsorption. RSC Adv. 2020, 10, 21082–21091. [Google Scholar] [CrossRef]









| Sample Condition | N2 Flow Rate (mL/min) | Heating Rate (°C/min) | Yield (%) | Average Yield (%) | Error (%) |
|---|---|---|---|---|---|
| Raw | 50 | 10 | 4.90 | 5.60 | 0.117 |
| Raw | 50 | 10 | 6.20 | ||
| Raw | 50 | 10 | 5.70 | ||
| Raw | 35 | 10 | 25.30 | 28.48 | 0.098 |
| Raw | 35 | 10 | 29.61 | ||
| Raw | 35 | 10 | 30.54 | ||
| Cooked | 35 | 5 | 29.24 | 26.91 | 0.081 |
| Cooked | 35 | 5 | 26.59 | ||
| Cooked | 35 | 5 | 24.91 | ||
| Cooked | 35 | 10 | 22.27 | 22.45 | 0.218 |
| Cooked | 35 | 10 | 27.43 | ||
| Cooked | 35 | 10 | 17.64 |
| Material | Ash Content (%) |
|---|---|
| Corn cob | 0.4 (±0.04) |
| BCM | 4.0 (±0.01) |
| BCMFe | 8.0 (±0.02) |
| Biomass | Temperature (°C) | Yield (%) | Ash (%) | Reference |
|---|---|---|---|---|
| Water hyacinth | 350 | 34.25 | 10.42 | [34] |
| Corn straw | 400 | 31.60 | NR | [33] |
| Pigeon pea stalk | 400 | 29.80 | 3.08 | [35] |
| Corn stalk pellet | 500 | 33.41 | 20.86 | [26] |
| Corn stover | 500 | 28.21 | 6.60 | [31] |
| Sugarcane bagasse | 550 | 21.15 | 1.16 | [34] |
| Bamboo | 600 | 27.00 | 4.65 | [35] |
| Element | Corn Cob | BCM | BCMFe | |||
|---|---|---|---|---|---|---|
| Concentration (%) | Error (%) | Concentration (%) | Error (%) | Concentration (%) | Error (%) | |
| K | 1.548 | 0.003 | 11.269 | 0.140 | 9.718 | 0.098 |
| P | 0.138 | 0.011 | 0.662 | 0.075 | 0.912 | 0.005 |
| Si | 0.786 | 0.033 | 0.604 | 0.309 | 0.478 | 0.361 |
| Cl | 0.174 | 0.003 | 0.555 | 0.414 | 1.236 | 0.047 |
| Fe | 0.529 | 0.002 | 0.208 | 0.027 | 8.761 | 0.152 |
| Element | % by Mass | |||
|---|---|---|---|---|
| Point 1 | Point 2 | Point 3 | Point 4 | |
| C | 28.84 | 44.33 | 55.91 | 55.78 |
| O | 8.08 | 27.75 | 22.67 | 31.85 |
| Fe | 46.06 | 7.50 | 3.76 | 4.78 |
| Si | 14.58 | 15.53 | 12.17 | 6.78 |
| K | 2.44 | 4.89 | 5.49 | 1.80 |
| Total | 100 | 100 | 100 | 100 |
| Material | qm (mg/g) | kL (L/mg) | RL | R2 (%) |
|---|---|---|---|---|
| BCM | 23.17 | 0.14 | 0.22–0.88 | 99.44% |
| BCMFe | 39.66 | 0.08 | 0.33–0.92 | 99.61% |
Disclaimer/Publisher’s Note: The statements, opinions and data contained in all publications are solely those of the individual author(s) and contributor(s) and not of MDPI and/or the editor(s). MDPI and/or the editor(s) disclaim responsibility for any injury to people or property resulting from any ideas, methods, instructions or products referred to in the content. |
© 2023 by the authors. Licensee MDPI, Basel, Switzerland. This article is an open access article distributed under the terms and conditions of the Creative Commons Attribution (CC BY) license (https://creativecommons.org/licenses/by/4.0/).
Share and Cite
Guel-Nájar, N.A.; Rios-Hurtado, J.C.; Muzquiz-Ramos, E.M.; Dávila-Pulido, G.I.; González-Ibarra, A.A.; Pat-Espadas, A.M. Magnetic Biochar Obtained by Chemical Coprecipitation and Pyrolysis of Corn Cob Residues: Characterization and Methylene Blue Adsorption. Materials 2023, 16, 3127. https://doi.org/10.3390/ma16083127
Guel-Nájar NA, Rios-Hurtado JC, Muzquiz-Ramos EM, Dávila-Pulido GI, González-Ibarra AA, Pat-Espadas AM. Magnetic Biochar Obtained by Chemical Coprecipitation and Pyrolysis of Corn Cob Residues: Characterization and Methylene Blue Adsorption. Materials. 2023; 16(8):3127. https://doi.org/10.3390/ma16083127
Chicago/Turabian StyleGuel-Nájar, Norma Araceli, Jorge Carlos Rios-Hurtado, Elia Martha Muzquiz-Ramos, Gloria I. Dávila-Pulido, Adrián A. González-Ibarra, and Aurora M. Pat-Espadas. 2023. "Magnetic Biochar Obtained by Chemical Coprecipitation and Pyrolysis of Corn Cob Residues: Characterization and Methylene Blue Adsorption" Materials 16, no. 8: 3127. https://doi.org/10.3390/ma16083127
APA StyleGuel-Nájar, N. A., Rios-Hurtado, J. C., Muzquiz-Ramos, E. M., Dávila-Pulido, G. I., González-Ibarra, A. A., & Pat-Espadas, A. M. (2023). Magnetic Biochar Obtained by Chemical Coprecipitation and Pyrolysis of Corn Cob Residues: Characterization and Methylene Blue Adsorption. Materials, 16(8), 3127. https://doi.org/10.3390/ma16083127

