General Reference and Design S–N Curves Obtained for 1.2709 Tool Steel
Abstract
1. Introduction
- Different heat treatments;
- Defect size and location;
- Powder contamination;
- Specimen shape and build orientation;
- Loading type;
- Non-zero mean stress loading conditions.
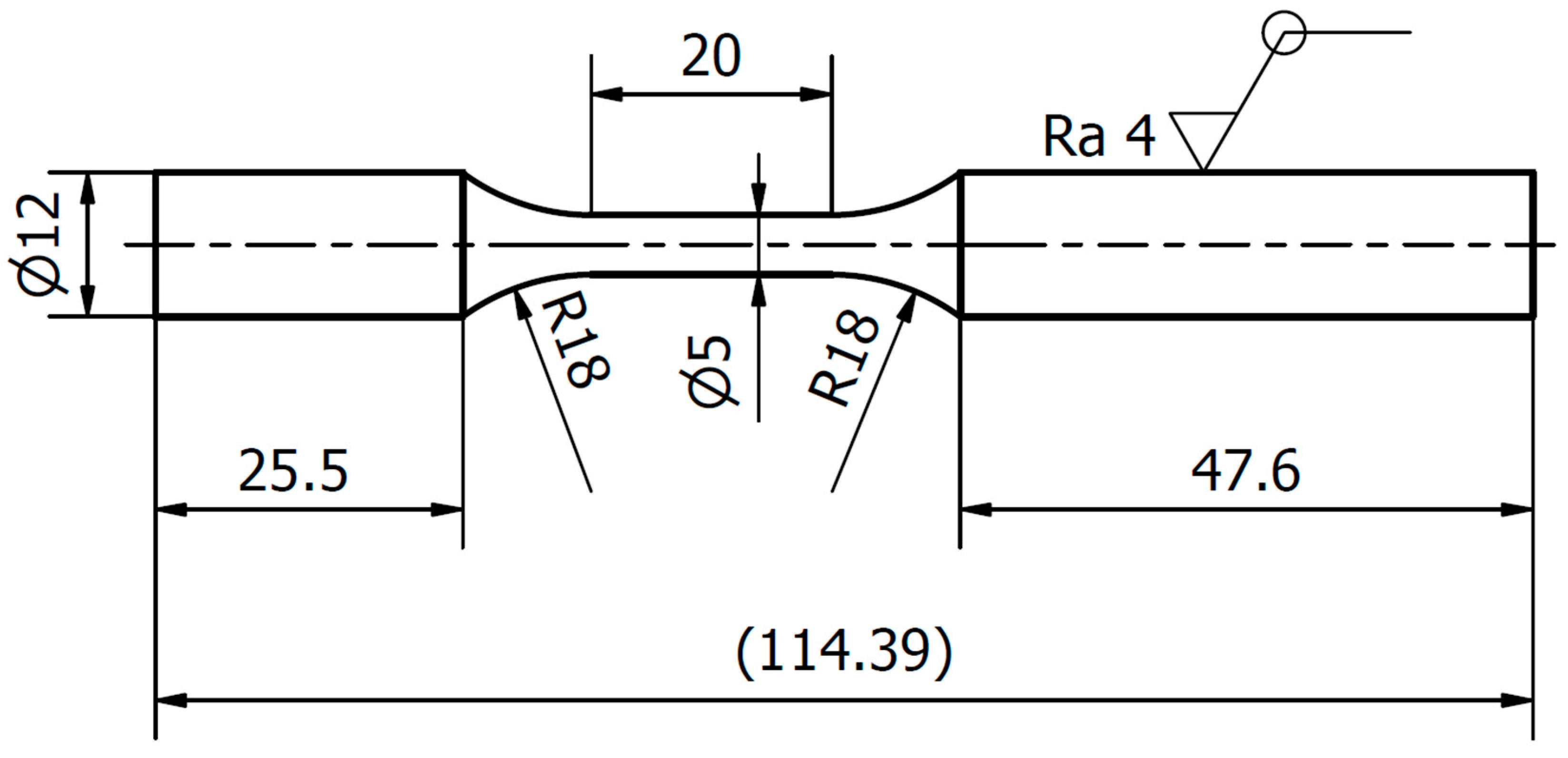
2. Materials and Methods
3. Results
4. Discussion
5. Conclusions and Observations
- The literature review has shown that there is a deficit in terms of design S–N curves for 1.2709 steel in 3D-printed form for both the tension–compression and bending loading states.
- On the basis of 55 experimental data points taken from the literature as well as our own experiments, general mean and design S–N curves for the state of tension–compression are presented.
- The presented reference mean and reference design fatigue curves, which were calculated according to the BS 7608:1993 standard for the tension–compression loading state under R = −1, may be used by engineers in their fatigue estimation of 1.2709 steel printed elements.
- The design curve has a certainty of survival equal to 97.7%.
- On the basis of the literature results, it can be noticed that the fatigue curves for the bending loading conditions are lower in comparison to the tension–compression loading state in terms of the stress amplitude values, which may be an effect of the build orientation.
- It can be noticed that the printing orientation together with the surface quality and heat treatment may influence the fatigue life of maraging steels.
- This paper serves as a reference to analyze the current state of fatigue conditions that would affect the fatigue life of 1.2709 steel used in the process of 3D printing with the use of the SLM technology.
- The next stage of this project is to present the experimental results of 3D-printed specimens with and without special surface layers that influence the durability of the material, and the authors will focus on the bending loading state in order to extend the fatigue knowledge of this material.
Author Contributions
Funding
Institutional Review Board Statement
Informed Consent Statement
Data Availability Statement
Conflicts of Interest
References
- Bouzakis, E.; Arvanitidis, A.; Kazelis, F.; Maliaris, G.; Michailidis, N. Comparison of Additively Manufactured vs. Conventional Maraging Steel in Corrosion-Fatigue Performance after Various Surface Treatments. Procedia CIRP 2020, 87, 469–473. [Google Scholar] [CrossRef]
- Ćirić-Kostić, S.; Croccolo, D.; De Agostinis, M.; Fini, S.; Olmi, G.; Paiardini, L.; Robusto, F.; Šoškić, Z.; Bogojević, N. Fatigue Response of Additively Manufactured Maraging Stainless Steel CX and Effects of Heat Treatment and Surface Finishing. Fatigue Fract. Eng. Mater. Struct. 2022, 45, 482–499. [Google Scholar] [CrossRef]
- Elangeswaran, C.; Gurung, K.; Koch, R.; Cutolo, A.; Van Hooreweder, B. Post-Treatment Selection for Tailored Fatigue Performance of 18Ni300 Maraging Steel Manufactured by Laser Powder Bed Fusion. Fatigue Fract. Eng. Mater. Struct. 2020, 43, 2359–2375. [Google Scholar] [CrossRef]
- Bai, Y.; Zhao, C.; Wang, D.; Wang, H. Evolution Mechanism of Surface Morphology and Internal Hole Defect of 18Ni300 Maraging Steel Fabricated by Selective Laser Melting. J. Mater. Process. Technol. 2022, 299, 117328. [Google Scholar] [CrossRef]
- Gatto, A.; Bassoli, E.; Denti, L. Repercussions of Powder Contamination on the Fatigue Life of Additive Manufactured Maraging Steel. Addit. Manuf. 2018, 24, 13–19. [Google Scholar] [CrossRef]
- Branco, R.; Costa, J.D.; Jesus, J.; Berto, F.; Ferreira, J.A.M.; Capela, C. Prediction of Multiaxial Fatigue Life of Notched Maraging Steel Components Manufactured by Selective Laser Melting. Procedia Struct. Integr. 2022, 39, 273–280. [Google Scholar] [CrossRef]
- Cruces, A.S.; Exposito, A.; Branco, R.; Borrego, L.P.; Antunes, F.V.; Lopez-Crespo, P. Study of the Notch Fatigue Behaviour under Biaxial Conditions of Maraging Steel Produced by Selective Laser Melting. Theor. Appl. Fract. Mech. 2022, 121, 103469. [Google Scholar] [CrossRef]
- Dörfert, R.; Zhang, J.; Clausen, B.; Freiße, H.; Schumacher, J.; Vollertsen, F. Comparison of the Fatigue Strength between Additively and Conventionally Fabricated Tool Steel 1.2344. Addit. Manuf. 2019, 27, 217–223. [Google Scholar] [CrossRef]
- Fitzka, M.; Pennings, B.; Karr, U.; Schönbauer, B.; Schuller, R.; Tran, M.-D.; Mayer, H. Influence of Cycling Frequency and Testing Volume on the VHCF Properties of 18Ni Maraging Steel. Eng. Fract. Mech. 2019, 216, 106525. [Google Scholar] [CrossRef]
- Guo, L.; Zhang, L.; Andersson, J.; Ojo, O. Additive Manufacturing of 18% Nickel Maraging Steels: Defect, Structure and Mechanical Properties: A Review. J. Mater. Sci. Technol. 2022, 120, 227–252. [Google Scholar] [CrossRef]
- Meneghetti, G.; Rigon, D.; Cozzi, D.; Waldhauser, W.; Dabalà, M. Influence of Build Orientation on Static and Axial Fatigue Properties of Maraging Steel Specimens Produced by Additive Manufacturing. Procedia Struct. Integr. 2017, 7, 149–157. [Google Scholar] [CrossRef]
- Solberg, K.; Hovig, E.W.; Sørby, K.; Berto, F. Directional Fatigue Behaviour of Maraging Steel Grade 300 Produced by Laser Powder Bed Fusion. Int. J. Fatigue 2021, 149, 106229. [Google Scholar] [CrossRef]
- Tshabalala, L.; Sono, O.; Makoana, W.; Masindi, J.; Maluleke, O.; Johnston, C.; Masete, S. Axial Fatigue Behaviour of Additively Manufactured Tool Steels. Mater. Today: Proc. 2021, 38, 789–792. [Google Scholar] [CrossRef]
- Branco, R.; Silva, J.; Ferreira, J.M.; Costa, J.D.; Capela, C.; Berto, F.; Santos, L.; Antunes, F.V. Fatigue Behaviour of Maraging Steel Samples Produced by SLM under Constant and Variable Amplitude Loading. Procedia Struct. Integr. 2019, 22, 10–16. [Google Scholar] [CrossRef]
- Branco, R.; Costa, J.D.; Martins Ferreira, J.A.; Capela, C.; Antunes, F.V.; Macek, W. Multiaxial Fatigue Behaviour of Maraging Steel Produced by Selective Laser Melting. Mater. Des. 2021, 201, 109469. [Google Scholar] [CrossRef]
- Croccolo, D.; De Agostinis, M.; Fini, S.; Olmi, G.; Robusto, F.; Ćirić-Kostić, S.; Morača, S.; Bogojević, N. Sensitivity of Direct Metal Laser Sintering Maraging Steel Fatigue Strength to Build Orientation and Allowance for Machining. Fatigue Fract. Eng. Mater. Struct. 2019, 42, 374–386. [Google Scholar] [CrossRef]
- Damon, J.; Hanemann, T.; Dietrich, S.; Graf, G.; Lang, K.-H.; Schulze, V. Orientation Dependent Fatigue Performance and Mechanisms of Selective Laser Melted Maraging Steel X3NiCoMoTi18-9-5. Int. J. Fatigue 2019, 127, 395–402. [Google Scholar] [CrossRef]
- Ruiz Vilchez, J.A.; Domínguez Almaraz, G.M.; Sánchez Miranda, M.A. Ultrasonic Fatigue Endurance of the Maraging 300 Steel. Procedia Struct. Integr. 2021, 33, 658–664. [Google Scholar] [CrossRef]
- Chang, D.-K.; Wang, Q.-Q.; Chen, H.; Zhang, X.-C.; Wen, J.-F.; Tu, S.-T. Effects of Defect Size and Location on High Cycle Fatigue Life of a Maraging Stainless Steel at Ambient and Cryogenic Temperatures. Int. J. Fatigue 2022, 161, 106906. [Google Scholar] [CrossRef]
- Schuller, R.; Fitzka, M.; Irrasch, D.; Tran, D.; Pennings, B.; Mayer, H. VHCF Properties of Nitrided 18Ni Maraging Steel Thin Sheets with Different Co and Ti Content. Fatigue Fract. Eng. Mater. Struct. 2015, 38, 518–527. [Google Scholar] [CrossRef]
- Van Vinh, P.; Van Chinh, N.; Tounsi, A. Static Bending and Buckling Analysis of Bi-Directional Functionally Graded Porous Plates Using an Improved First-Order Shear Deformation Theory and FEM. Eur. J. Mech.-A/Solids 2022, 96, 104743. [Google Scholar] [CrossRef]
- BS 7608:1993; BSI Knowledge-Fatigue Design and Assessment of Steel Structures. British Standards Institute: London, UK, 1993.





















| Rm MPa | R0.2 MPa | E GPa | υ | |
|---|---|---|---|---|
| 1000–1200 | 900–1100 | 160–200 | 0.3 | As-built |
| 1670–2230 | 1800–2000 | 160–200 | 0.3 | After age hardening |
| 1000–1200 | 800–920 | 160–200 | After solution annealing |
| Specimen | σa, MPa | Nf, Cycles |
|---|---|---|
| MS1_AN_PLATF_5_Pr001 | 407 | 93,149 |
| MS1_AN_PLATF_5_Pr002 | 407 | 832,264 |
| MS1_AN_PLATF_5_Pr003 | 433 | 2,000,000 |
| MS1_AN_PLATF_5_Pr004 | 459 | 153,479 |
| MS1_AN_PLATF_5_Pr005 | 510 | 111,884 |
| MS1_AN_PLATF_5_Pr006 | 535 | 50,761 |
| MS1_AN_PLATF_5_Pr007 | 535 | 35,282 |
| MS1_AN_PLATF_5_Pr008 | 446 | 192,177 |
| MS1_AN_PLATF_5_Pr009 | 560 | 59,186 |
| MS1_AN_PLATF_5_Pr010 | 700 | 10,921 |
| MS1_AN_PLATF_5_Pr011 | 800 | 2269 |
| MS1_AN_PLATF_5_Pr012 | 800 | 1939 |
| MS1_AN_PLATF_5_Pr013 | 650 | 19,705 |
| MS1_AN_PLATF_5_Pr014 | 750 | 6555 |
| MS1_AN_PLATF_5_Pr015 | 600 | 22,496 |
| Reference | B | m |
|---|---|---|
| Experimental results | 4.0531 × 1025 | 7.6277 |
| Branco et al. [14] | 1.6762 × 1019 | 5.3522 |
| Crocollo et al. [16] | 9.0667 × 1023 | 6.1542 |
| Cruces et al. [7] | 1.8687 × 1015 | 5.9366 |
| Kostic et al. [2], no heat treatment and no machining | 2.7356 × 109 | 1.7701 |
| Kostic et al. [2], heat treatment and no machining | 7.9276 × 1018 | 5.3371 |
| Kostic et al. [2], no heat treatment and machining | 2.0597 × 1051 | 16.7676 |
| Kostic et al. [2], heat treatment and machining | 2.8920 × 1020 | 5.0046 |
| Damon et al. [17], room temperature and horizontal direction of the printing orientation | 1.0819 × 1023 | 6.6992 |
| Damon et al. [17], room temperature and vertical direction of the printing orientation | 1.3550 × 1034 | 10.3383 |
| Damon et al. [17], high temperature of 400 °C and horizontal direction of the printing orientation | 4.5591 × 1025 | 7.5174 |
| Damon et al. [17], high temperature of 400 °C and vertical direction of the printing orientation | 2.9195 × 1030 | 8.8621 |
| Gatto et al. [5] | 1.6320 × 1010 | 2.0002 |
| Tshabalala [13] | 3.7732 × 1012 | 3.6185 |
| Reference mean curve for tension–compression | 3.2076 × 1020 | 5.6825 |
| Reference design curve with 97.7% certainty of survival | 1.7861 × 1019 | 5.6825 |
Disclaimer/Publisher’s Note: The statements, opinions and data contained in all publications are solely those of the individual author(s) and contributor(s) and not of MDPI and/or the editor(s). MDPI and/or the editor(s) disclaim responsibility for any injury to people or property resulting from any ideas, methods, instructions or products referred to in the content. |
© 2023 by the authors. Licensee MDPI, Basel, Switzerland. This article is an open access article distributed under the terms and conditions of the Creative Commons Attribution (CC BY) license (https://creativecommons.org/licenses/by/4.0/).
Share and Cite
Böhm, M.; Niesłony, A.; Derda, S.; Owsiński, R.; Kepka, M., Jr.; Zetkova, I.; Zetek, M.; Houdková, Š.; Prażmowski, M. General Reference and Design S–N Curves Obtained for 1.2709 Tool Steel. Materials 2023, 16, 1823. https://doi.org/10.3390/ma16051823
Böhm M, Niesłony A, Derda S, Owsiński R, Kepka M Jr., Zetkova I, Zetek M, Houdková Š, Prażmowski M. General Reference and Design S–N Curves Obtained for 1.2709 Tool Steel. Materials. 2023; 16(5):1823. https://doi.org/10.3390/ma16051823
Chicago/Turabian StyleBöhm, Michał, Adam Niesłony, Szymon Derda, Robert Owsiński, Miloslav Kepka, Jr., Ivana Zetkova, Miroslav Zetek, Šárka Houdková, and Mariusz Prażmowski. 2023. "General Reference and Design S–N Curves Obtained for 1.2709 Tool Steel" Materials 16, no. 5: 1823. https://doi.org/10.3390/ma16051823
APA StyleBöhm, M., Niesłony, A., Derda, S., Owsiński, R., Kepka, M., Jr., Zetkova, I., Zetek, M., Houdková, Š., & Prażmowski, M. (2023). General Reference and Design S–N Curves Obtained for 1.2709 Tool Steel. Materials, 16(5), 1823. https://doi.org/10.3390/ma16051823

