Increasing the Hardness and Corrosion Resistance of the Surface of CP-Ti by Plasma Electrolytic Nitrocarburising and Polishing
Abstract
1. Introduction
2. Materials and Methods
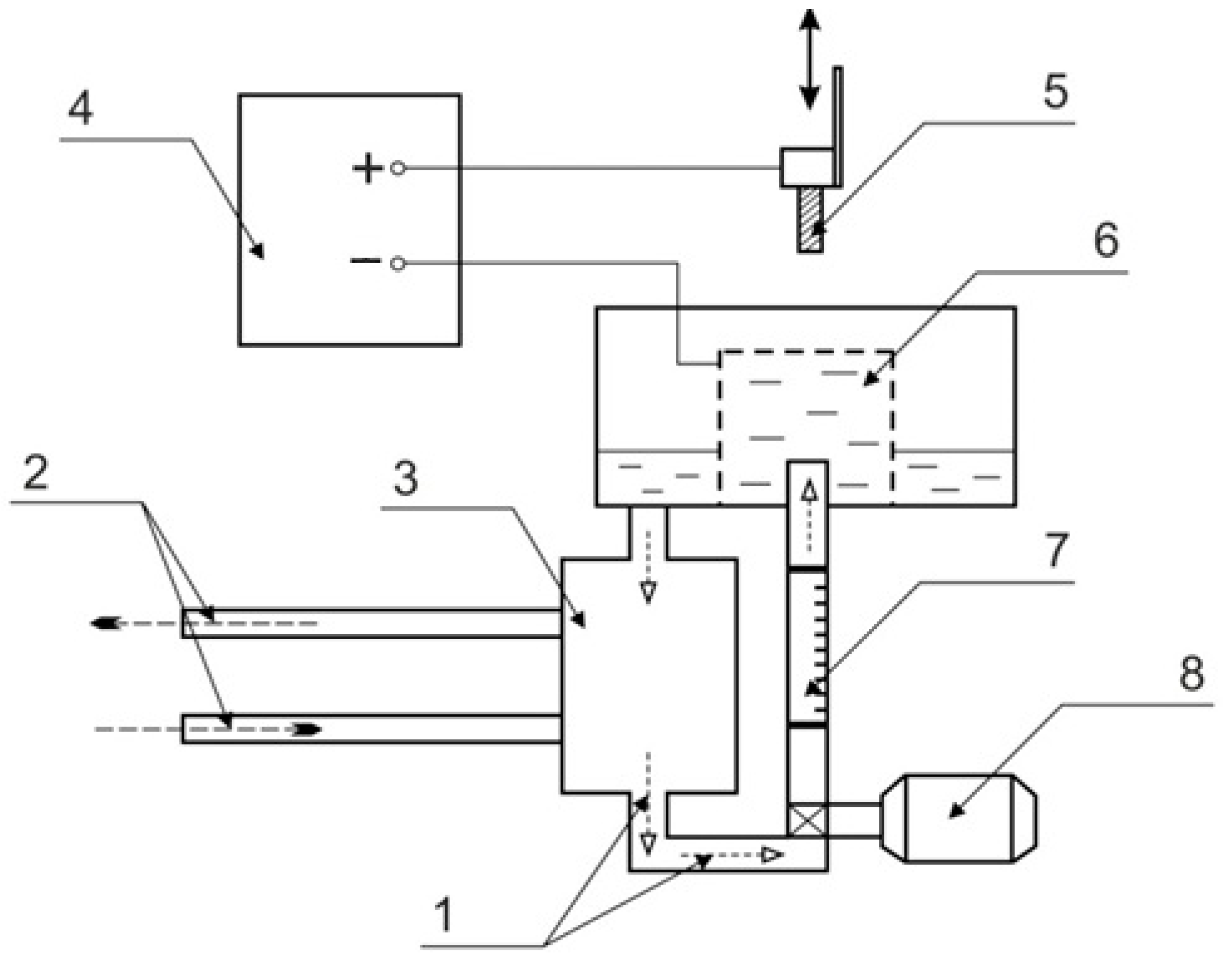
2.1. Samples Processing
2.2. Study of the Surface Morphology and Microstructure
2.3. The Microhardness Measurement
2.4. The Surface Roughness and Weight of Samples Measurement
2.5. Study of the Phase Composition
2.6. Study of the Corrosion Resistance
3. Results
3.1. Morphology and Roughness of the Surface after PENC
3.2. Phase Composition, Structure and Microhardness of the Surface Layer after PENC
3.3. Morphology and Roughness of the Surface after PEP
3.4. Corrosion Properties of the Surface after PENC and PEP
4. Discussion
5. Conclusions
- It is difficult to increase the corrosion resistance of titanium alloys by chemical-thermal hardening because the accompanying occurrence of defects in the surface structure and the development of surface morphology often worsen the corrosion resistance. This paper shows the possibility of simultaneously increasing the hardness and corrosion resistance of the CP-Ti surface using a combined plasma electrolytic treatment consisting in anodic PENC and subsequent PEP. This duplex technology is proposed for the first time for processing titanium alloys, which determines the novelty of this study.
- It has been found that the increase in the hardness is achieved through the diffusion saturation of the surface with nitrogen and carbon, which increases with the increasing temperature and reaches up to 1420 HV at PENC in a solution of ammonia (5%), acetone (5%) and ammonium chloride (10%) at 900 °C for 5 min.
- It is revealed that the competing influence of high-temperature oxidation with the formation of an oxide layer and anodic dissolution determines the morphology and roughness of the surface. At the same time, the negative effect of a developed surface with a high roughness on the corrosion resistance is shown.
- The paper proposes a solution to the problem of reducing the surface roughness through subsequent polishing in an ammonium fluoride solution, which is accompanied by the removal of the outer porous oxide layer.
- The electrochemical impedance spectroscopy method shows the positive effect of the diffusion layer and the negative effect of the porous oxide layer on the corrosion resistance. The highest reduction in the corrosion current density, by 13 times compared to CP-Ti and by 2 orders compared to a PENC sample, is achieved after PEP in an ammonium fluoride solution (4%) at 300 V for 3 min. Under these conditions, only the outer porous oxide layer is removed and corrosion resistance is provided by the action of the diffusion layer.
Author Contributions
Funding
Institutional Review Board Statement
Informed Consent Statement
Data Availability Statement
Conflicts of Interest
References
- Lisiecki, A. Study of Optical Properties of Surface Layers Produced by Laser Surface Melting and Laser Surface Nitriding of Titanium Alloy. Materials 2019, 12, 312. [Google Scholar] [CrossRef]
- Li, W.; Zhang, L.; Wu, C.; Cui, Z.; Niu, C. Influence of Tool and Workpiece Properties on the Wear of the Counterparts in Contact Sliding. J. Tribol. 2022, 144, 021702. [Google Scholar] [CrossRef]
- Belkin, P.N.; Yerokhin, A.L.; Kusmanov, S.A. Plasma electrolytic saturation of steels with nitrogen and carbon. Surf. Coat. Technol. 2016, 307, 1194–1218. [Google Scholar] [CrossRef]
- Belkin, P.N.; Borisov, A.M.; Kusmanov, S.A. Plasma Electrolytic Saturation of Titanium and Its Alloys with Light Elements. J. Surf. Investig. X-ray Synchrotron Neutron Tech. 2016, 10, 516–535. [Google Scholar] [CrossRef]
- Tambovskiy, I.V.; Kusmanov, S.A.; Korableva, S.S.; Tambovskaya, M.I.; Komissarova, M.R.; Belkin, P.N. Increasing wear resistance of Ti6Al4V alloy by anodic saturation with carbon and nitrogen. In Proceedings of the 10th International Conference BALTTRIB’2019, Kaunas, Lithuania, 14–16 November 2019; pp. 122–127. [Google Scholar] [CrossRef]
- Kusmanov, S.; Kusmanova, I.; Tambovskiy, I.; Belkin, P.; Parfenyuk, V. Anodic Plasma Electrolytic Nitrocarburising of Ti6Al4V Alloy. Surf. Eng. 2019, 35, 199–204. [Google Scholar] [CrossRef]
- Belkin, P.N.; Tambovskiy, I.V.; Korableva, S.S.; Silkin, S.A.; Kusmanov, S.A. Anodic Plasma Electrolytic Nitrocarburizing of VT22 Titanium Alloy in Carbamide Electrolyte. J. Surf. Investig. X-ray Synchrotron Neutron Tech. 2018, 12, 507–512. [Google Scholar] [CrossRef]
- Aliofkhazraei, M.; Taheri, P.; Sabour Rouhaghdam, A.; Dehghanian, C. Study of nanocrystalline plasma electrolytic carbonitriding for CP-Ti. Mater. Sci. 2007, 43, 791–799. [Google Scholar] [CrossRef]
- Qin, Y.; Xiong, D.; Li, J.; Tyagi, R. Corrosion and bio-tribological properties of Ti(CN)x hard coating on titanium alloy by the pulsed plasma electrolytic carbonitriding process. Trib. Int. 2015, 82, 543–550. [Google Scholar] [CrossRef]
- Tambovskiy, I.V.; Kusmanov, S.A.; Korableva, S.S.; Silkin, S.A.; Sevostyanov, N.V.; Komissarova, M.R.; Belkin, P.N. Anodic plasma electrolytic nitrocarburising of VT22 titanium alloy in carbamide and ammonium chloride electrolyte. Surf. Eng. Appl. Electrochem. 2017, 53, 407–412. [Google Scholar] [CrossRef]
- Aliev, M.; Sabour, A.; Taheri, P. Corrosion Protection Study of Nanocrystalline Plasma-Electrolytic Carbonitriding Process for CP-Ti. Prot. Met. 2008, 44, 618–623. [Google Scholar] [CrossRef]
- Aliofkhazraei, M.; Sabour Rouhaghdam, A.; Sabouri, M. Effect of frequency and duty cycle on corrosion behavior of pulsed nanocrystalline plasma electrolytic carbonitrided CP-Ti. J. Mater. Sci. 2008, 43, 1624–1629. [Google Scholar] [CrossRef]
- Dong, Y.-X.; Chen, Y.-S.; Chen, Q.; Liu, B.; Song, Z.-X. Characterization and blood compatibility of TiCxN1−x hard coating prepared by plasma electrolytic carbonitriding. Surf. Coat. Technol. 2007, 201, 8789–8795. [Google Scholar] [CrossRef]
- Zheng, C.L.; Cui, F.Z.; Meng, B.; Ge, J.; Liu, D.P. Hemocompatibility of C–N films fabricated by ion beam assisted deposition. Surf. Coat. Technol. 2005, 193, 361–365. [Google Scholar] [CrossRef]
- Belkin, P.N.; Kusmanov, S.A.; Parfenov, E.V. Mechanism and technological opportunity of plasma electrolytic polishing of metals and alloys. Appl. Surf. Sci. Adv. 2020, 1, 100016. [Google Scholar] [CrossRef]
- Shelekhov, E.V.; Sviridova, T.A. Programs for X-ray analysis of polycrystals. Metal Sci. Heat. Treat. 2000, 42, 309–313. [Google Scholar] [CrossRef]
- Grazulis, S.; Chateigner, D.; Downs, R.T.; Yokochi, A.T.; Le Bail, A. Crystallography open database—An open-access collection of crystal structures. J. Appl. Cryst. 2009, 42, 726–729. [Google Scholar] [CrossRef]
- Hariprasad, S.; Ashfaq, M.; Arunnellaiappan, T.; Harilal, M.; Rameshbabu, N. Role of electrolyte additives on in-vitro corrosion behavior of DC plasma electrolytic oxidization coatings formed on Cp-Ti. Surf. Coat. Technol. 2016, 292, 20–29. [Google Scholar] [CrossRef]
- Venkateswarlu, K.; Rameshbabu, N.; Sreekanth, D.; Bose, A.C.; Muthupandi, V.; Subramanian, S. Fabrication and characterization of micro-arc oxidized fluoride containing titania films on Cp-Ti. Ceram. Int. 2013, 39, 801–812. [Google Scholar] [CrossRef]
- Kusmanov, S.A.; Kusmanova, Y.V.; Smirnov, A.A.; Belkin, P.N. Modification of steel surface by plasma electrolytic saturation with nitrogen and carbon. Mater. Chem. Phys. 2016, 175, 164–171. [Google Scholar] [CrossRef]
- Belkin, P.N.; Kusmanov, S.A.; Zhirov, A.V.; Belkin, V.S.; Parfenyuk, V.I. Anode Plasma Electrolytic Saturation of Titanium Alloys with Nitrogen and Oxygen. J. Mater. Sci. Technol. 2016, 32, 1027–1032. [Google Scholar] [CrossRef]
- Kusmanov, S.A.; Kusmanova, Y.V.; Naumov, A.R.; Belkin, P.N. Formation of Diffusion Layers by Anode Plasma Electrolytic Nitrocarburizing of Low-Carbon Steel. J. Mater. Eng. Perform. 2015, 24, 3187–3193. [Google Scholar] [CrossRef]
- Kusmanov, S.A.; Dyakov, I.G.; Belkin, P.N.; Gracheva, I.A.; Belkin, V.S. Plasma electrolytic modification of the VT1-0 titanium alloy surface. J. Surf. Investig. X-ray Synchrotron Neutron Tech. 2015, 9, 98–104. [Google Scholar] [CrossRef]
- Belkin, P.N.; Kusmanov, S.A. Plasma electrolytic nitriding of steels. J. Surf. Investig. X-ray Synchrotron Neutron Tech. 2017, 11, 767–789. [Google Scholar] [CrossRef]











| PENC Temperature (°C) | Surface Roughness Ra (μm) | Corrosion Current Density (μA/cm2) | Corrosion Potential (V) | 
|---|---|---|---|
| Untreated | 1.00 ± 0.10 | 0.27 | –0.147 | 
| 750 | 0.61 ± 0.15 | 0.83 | –0.225 | 
| 800 | 0.57 ± 0.14 | 0.68 | –0.200 | 
| 850 | 0.55 ± 0.14 | 2.08 | –0.145 | 
| 900 | 0.80 ± 0.12 | 2.03 | –0.225 | 
| Voltage (V) | PEP Time (min) | Weight Loss of the Sample (mg) | Surface Roughness Ra (μm) | Corrosion Current Density (μA/cm2) | Corrosion Potential (V) | 
|---|---|---|---|---|---|
| Untreated | 1.00 ± 0.10 | 0.27 | −0.147 | ||
| PENC at 900 °C | 0.80 ± 0.12 | 2.03 | −0.225 | ||
| 275 | 1 | 1.4 | 0.86 ± 0.10 | 1.66 | −0.246 | 
| 3 | 4.0 | 0.89 ± 0.07 | 0.22 | −0.234 | |
| 5 | 4.7 | 0.89 ± 0.08 | 0.22 | −0.148 | |
| 10 | 6.4 | 1.09 ± 0.12 | 0.18 | −0.069 | |
| 300 | 1 | 2.8 | 0.87 ± 0.07 | 1.53 | −0.154 | 
| 3 | 4.7 | 0.90 ± 0.08 | 0.23 | −0.198 | |
| 5 | 6.5 | 0.89 ± 0.13 | 0.48 | −0.199 | |
| 10 | 9.6 | 0.85 ± 0.06 | 0.31 | −0.201 | |
| 325 | 1 | 3.9 | 0.94 ± 0.04 | 1.84 | −0.229 | 
| 3 | 4.3 | 0.92 ± 0.10 | 2.83 | −0.195 | |
| 5 | 7.1 | 0.87 ± 0.09 | 0.61 | −0.202 | |
| 10 | 9.9 | 0.85 ± 0.06 | 0.64 | −0.195 | |
| Voltage (V) | PEP Time (min) | Weight Loss of the Sample (mg) | Surface Roughness Ra (μm) | Corrosion Current Density (μA/cm2) | Corrosion Potential (V) | 
|---|---|---|---|---|---|
| Untreated | 1.00 ± 0.10 | 0.27 | −0.147 | ||
| PENC at 900 °C | 0.80 ± 0.12 | 2.03 | −0.225 | ||
| 275 | 1 | 12.7 | 1.69 ± 0.50 | 0.29 | −0.214 | 
| 3 | 25.2 | 3.02 ± 0.56 | 0.17 | −0.051 | |
| 5 | 35.2 | 5.52 ± 1.08 | 4.82 | −0.131 | |
| 10 | 64.9 | 7.22 ± 1.05 | 14.05 | −0.236 | |
| 300 | 1 | 13.0 | 1.51 ± 0.18 | 0.05 | 0.011 | 
| 3 | 20.9 | 3.11 ± 0.47 | 0.64 | −0.190 | |
| 5 | 28.3 | 4.21 ± 0.34 | 0.64 | −0.224 | |
| 10 | 68.1 | 6.39 ± 0.68 | 2.17 | −0.081 | |
| 325 | 1 | 12.0 | 1.50 ± 0.14 | 0.31 | −0.204 | 
| 3 | 26.7 | 3.20 ± 0.41 | 0.47 | −0.239 | |
| 5 | 34.0 | 4.25 ± 0.47 | 0.64 | −0.115 | |
| 10 | 70.8 | 5.20 ± 0.76 | 4.45 | −0.039 | |
| Voltage (V) | PEP Time (min) | Weight Loss of the Sample (mg) | Surface Roughness Ra (μm) | Corrosion Current Density (μA/cm2) | Corrosion Potential (V) | 
|---|---|---|---|---|---|
| Untreated | 1.00 ± 0.10 | 0.27 | −0.147 | ||
| PENC at 900 °C | 0.80 ± 0.12 | 2.03 | −0.225 | ||
| 275 | 1 | 17.4 | 0.95 ± 0.07 | 0.58 | −0.077 | 
| 3 | 42.9 | 0.61 ± 0.05 | 0.52 | −0.151 | |
| 5 | 67.1 | 0.52 ± 0.08 | 0.02 | −0.258 | |
| 300 | 1 | 27.4 | 1.01 ± 0.05 | 0.05 | −0.225 | 
| 3 | 52.5 | 0.75 ± 0.02 | 0.02 | −0.223 | |
| 5 | 88.2 | 0.76 ± 0.02 | 0.06 | −0.144 | |
| 325 | 1 | 20.3 | 1.02 ± 0.02 | 0.23 | −0.166 | 
| 3 | 29.6 | 0.99 ± 0.04 | 0.24 | −0.170 | |
| 5 | 37.1 | 0.81 ± 0.01 | 0.08 | −0.191 | |
| Sample | R1 (Ω) | CPE1 (μmF/cm2) | n | R2 (M Ω/cm2) | CPE2 (μmF/cm2) | n | R3 (M Ω/cm2) | 
|---|---|---|---|---|---|---|---|
| Untreated | 65.3 | 29.7 | 0.93 | 133 | - | - | - | 
| PENC | 67.0 | 1.37 | 0.70 | 1.89 | 39.5 | 0.71 | 0.31 | 
| PEP 1 min | 60.6 | 70.7 | 0.94 | 13.7 | 53.2 | 0.83 | 1.41 | 
| PEP 3 min | 64.5 | 28.5 | 0.84 | 1120 | - | - | - | 
| PEP 5 min | 60.4 | 23.7 | 0.93 | 66.5 | - | -- | - | 
| Disclaimer/Publisher’s Note: The statements, opinions and data contained in all publications are solely those of the individual author(s) and contributor(s) and not of MDPI and/or the editor(s). MDPI and/or the editor(s) disclaim responsibility for any injury to people or property resulting from any ideas, methods, instructions or products referred to in the content. | 
© 2023 by the authors. Licensee MDPI, Basel, Switzerland. This article is an open access article distributed under the terms and conditions of the Creative Commons Attribution (CC BY) license (https://creativecommons.org/licenses/by/4.0/).
Share and Cite
Kusmanov, S.; Tambovskiy, I.; Silkin, S.; Nikiforov, R.; Belov, R. Increasing the Hardness and Corrosion Resistance of the Surface of CP-Ti by Plasma Electrolytic Nitrocarburising and Polishing. Materials 2023, 16, 1102. https://doi.org/10.3390/ma16031102
Kusmanov S, Tambovskiy I, Silkin S, Nikiforov R, Belov R. Increasing the Hardness and Corrosion Resistance of the Surface of CP-Ti by Plasma Electrolytic Nitrocarburising and Polishing. Materials. 2023; 16(3):1102. https://doi.org/10.3390/ma16031102
Chicago/Turabian StyleKusmanov, Sergei, Ivan Tambovskiy, Sergey Silkin, Roman Nikiforov, and Roman Belov. 2023. "Increasing the Hardness and Corrosion Resistance of the Surface of CP-Ti by Plasma Electrolytic Nitrocarburising and Polishing" Materials 16, no. 3: 1102. https://doi.org/10.3390/ma16031102
APA StyleKusmanov, S., Tambovskiy, I., Silkin, S., Nikiforov, R., & Belov, R. (2023). Increasing the Hardness and Corrosion Resistance of the Surface of CP-Ti by Plasma Electrolytic Nitrocarburising and Polishing. Materials, 16(3), 1102. https://doi.org/10.3390/ma16031102
 
        


 
       