Tensile Fatigue Properties of Ordinary Plain Concrete and Reinforced Concrete under Flexural Loading
Abstract
:1. Introduction
2. Materials and Methods
2.1. Materials and Mix Design
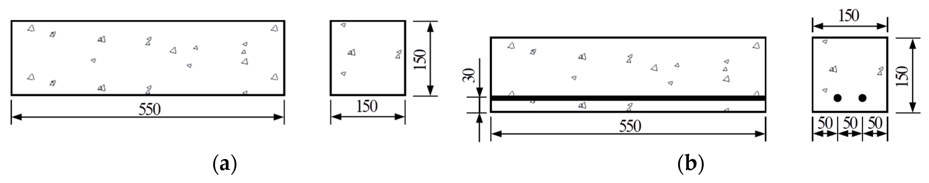
2.2. Specimen Preparation
2.3. Testing Set-Up and Loading Matrix
2.4. Measurement and Instrumentation
2.5. Fatigue Life Distribution
2.6. S-N Curves
3. Results and Discussion
3.1. Test Results
3.1.1. Material Characterization
3.1.2. Failure Mode
3.1.3. Fatigue Life
3.1.4. Strain Evolution
3.1.5. Cyclic Stress–Strain Curves
3.2. Probabilistic Analysis of Fatigue S-N Curves
3.2.1. Probabilistic Distribution of Fatigue Life
3.2.2. Mean Fatigue S-N Curves
3.2.3. Probabilistic Fatigue S-N Curves
3.2.4. Comparison between Fatigue Equations
3.3. Future Research
4. Conclusions
- (1)
- Two-parameter Weibull distribution could describe the fatigue life of specimens tested under the same maximum stress level Smax. The semi-logarithmic and logarithmic equations were nearly identical at the tested stress levels, with the latter predicting longer fatigue life for Smax < 0.70.
- (2)
- The stress ratio R is an essential factor affecting the fatigue life of concrete, the effect of which shall not be ignored and can be conveniently considered through the equivalent fatigue life .
- (3)
- Although the PC specimens failed in brittle fracture and the RC series exhibited ductile behavior after macroscopic concrete cracking appeared, the fatigue cracking life of these series are relatively close, with the latter slightly longer. The restraining effect from steel reinforcement influences the fatigue crack initiation of concrete.
- (4)
- Fatigue equations of normal-grade C50 ordinary concrete lie slightly below those of high-strength concrete. Although not as important as the maximum stress level and the stress ratio, the material strength grade affects ordinary concrete’s flexural fatigue properties.
- (5)
- During the stress-controlled bending fatigue tests, the measured concrete strain developed in a three-stage manner with a continuously increasing value. The maximum longitudinal strain in the concrete just before fatigue failure was in reverse proportion to the maximum stress level applied.
Author Contributions
Funding
Institutional Review Board Statement
Informed Consent Statement
Data Availability Statement
Conflicts of Interest
References
- Chen, H.T.; Zhan, X.W.; Zhu, X.F.; Zhang, W.X. Fatigue evaluation of steel-concrete composite deck in steel truss bridge—A case study. Front. Struct. Civ. Eng. 2022, 16, 1336–1350. [Google Scholar] [CrossRef]
- Chen, X.D.; Xu, L.Y.; Shi, D.D.; Chen, Y.Z.; Zhou, W.; Wang, Q. Experimental study on cyclic tensile behaviour of concrete under various strain rates. Mag. Concr. Res. 2018, 70, 55–70. [Google Scholar] [CrossRef]
- Tepfers, R.; Kutti, T. Fatigue strength of plain, ordinary and lightweight concrete. J. Proc. 1979, 76, 635–652. [Google Scholar]
- Oh, B.H. Fatigue analysis of plain concrete in flexure. J. Struct. Eng. 1986, 112, 273–288. [Google Scholar] [CrossRef]
- Oh, B.H. Fatigue life distributions of concrete for various stress levels. Mater. J. 1991, 88, 122–128. [Google Scholar]
- Kachkouch, F.Z.; Noberto, C.C.; Babadopulos, L.F.D.L.; Melo, A.R.S.; Machado, A.M.L.; Sebaibi, N.; Boukhelf, F.; El Mendili, Y. Fatigue behavior of concrete: A literature review on the main relevant parameters. Constr. Build. Mater. 2022, 338, 127510. [Google Scholar] [CrossRef]
- Zhao, G.Y.; Wu, P.G.; Zhan, W.W. The fatigue behaviour of high-strength concrete under tension cyclic loading. China Civ. Eng. J. 1993, 26, 13–19. [Google Scholar]
- Li, Y.Q.; Che, H.M. Study on fatigue of plain concrete under constant amplitude flexural cyclic loading. J. China Railw. Soc. 1999, 2, 76–79. [Google Scholar]
- Shi, X.P.; Yao, Z.K.; Li, H.; Lin, T. Study on flexural fatigue behavior of cement concrete. China Civ. Eng. J. 1990, 3, 11–22. [Google Scholar]
- Wu, Y.Q.; Gu, H.J.; Li, H.C. The S-P-N equation of concrete flexural tensile fatigue. Concrete 2005, 36, 46–48. [Google Scholar]
- Mohammadi, Y.; Kaushik, S.K. Flexural fatigue-life distributions of plain and fibrous concrete at various stress levels. J. Mater. Civ. Eng. 2005, 17, 650–658. [Google Scholar] [CrossRef]
- Stefanidou, M.; Kamperidou, V.; Konstandinidis, A.; Koltsou, P.; Papadopoulos, S. Rheological properties of biofibers in cementitious composite matrix. In Advances in Bio-Based Fiber; Rangappa, S.M., Puttegowda, M., Parameswaranpillai, J., Siengchin, S., Gorbatyuk, S., Eds.; Woodhead Publishing: Cambridge, UK, 2022; pp. 553–573. [Google Scholar]
- Zheng, K.R.; Sun, W.; Miao, C.W.; Guo, L.P.; Zhou, W.L.; Chen, H.J. Effects of mineral admixtures on fatigue behavior of concrete. J. Build. Mater. 2007, 4, 379–385. [Google Scholar]
- Sohel, K.M.A.; Al-Jabri, K.; Zhang, M.H.; Liew, J.Y.R. Flexural fatigue behavior of ultra-lightweight cement composite and high strength lightweight aggregate concrete. Constr. Build. Mater. 2018, 173, 90–100. [Google Scholar] [CrossRef]
- Zhang, Y.Y.; Sun, Q.; Xin, H.H.; Liu, Y.Q.; Correia, J.A.F.O.; Berto, F. Probabilistic flexural fatigue strength of ultra-lightweight cement concrete and high strength lightweight aggregate concrete. Int. J. Fatigue 2022, 158, 106743. [Google Scholar] [CrossRef]
- Saini, B.S.; Singh, S.P. Flexural fatigue strength prediction of self compacting concrete made with recycled concrete aggregates and blended cements. Constr. Build. Mater. 2020, 264, 120233. [Google Scholar] [CrossRef]
- Saini, B.S.; Singh, S.P. Fatigue life prediction of self compacting concrete made with recycled concrete aggregates under flexural loading. J. Sustain. Cen.-Based Mater. 2020, 11, 1–20. [Google Scholar] [CrossRef]
- Zhou, J.Z.; Fu, T.T.; Zhong, C.H.; Peng, K.; Shuang, Z.Y. Flexural fatigue behaviors of silicon carbide recycled concrete in corrosive environments. Adv. Civ. Eng. 2021, 2021, 7459777. [Google Scholar] [CrossRef]
- Dong, S.F.; Wang, X.Y.; Ashour, A.; Han, B.G.; Ou, J.P. Enhancement and underlying mechanisms of stainless steel wires to fatigue properties of concrete under flexure. Cem. Concr. Compos. 2022, 126, 104372. [Google Scholar] [CrossRef]
- Liu, F.P.; Zhou, J.T. Concrete bending strength degradation analysis based on fatigue strain evolution. China J. Highw. Transp. 2017, 30, 97–105. [Google Scholar]
- Zhao, D.F.; Gao, H.J.; Yang, J.H. Variable-amplitude fatigue properties of plain concrete under biaxial tension-compression and triaxial tension-compression-compression cyclic loading. Eng. Mech. 2017, 34, 154–160. [Google Scholar]
- Wei, J.; Li, S.L.; Dong, R.Z.; Liu, X.C.; Wu, Z.Q. Fatigue damage constitutive model of concrete considering the effect of residual deformation. J. Hunan Univ. 2016, 43, 57–61. [Google Scholar]
- Oneschkow, N. Fatigue behaviour of high-strength concrete with respect to strain and stiffness. Int. J. Fatigue 2016, 87, 38–49. [Google Scholar] [CrossRef]
- Chen, B.; Wang, J. Flexural fatigue life reliability of alkali-activated slag concrete freeze-thaw damage in cold areas. Adv. Mater. Sci. Eng. 2021, 2021, 1257163. [Google Scholar] [CrossRef]
- GB/T 50081; Standard for Test Methods of Concrete Physical and Mechanical Properties. China Architecture & Building Press: Beijing, China, 2019; pp. 28–30.
- Ou, J.P.; Lin, Y.Q. Experimental study on performance degradation of plain concrete due to high-cycle fatigue damage. China Civ. Eng. J. 1999, 5, 15–22. [Google Scholar]
- Saini, B.S.; Singh, S.P. Flexure fatigue strength and failure probability of self compacting concrete made with RCA and blended cements. Structures 2022, 45, 299–314. [Google Scholar] [CrossRef]
- Chen, H.T.; Sun, Z.Y.; Zhong, Z.F.; Huang, Y. Fatigue factor assessment and life prediction of concrete based on Bayesian regularized BP neural network. Materials 2022, 15, 4491. [Google Scholar] [CrossRef]
- CEB-FIP. fib Model Code for Concrete Structures 2010; Wilhelm Ernst & Sohn: Berlin, Germany, 2013. [Google Scholar]
- Shi, J.H.; Wei, L.W.; Faidy, C.; Wasylyk, A.; Prinja, N. A Comparison of Different Design Codes on Fatigue Life Assessment Methods. In Proceedings of the ASME Pressure Vessels & Piping Division Conference, Vancouver, BC, Canada, 17–21 July 2016. [Google Scholar]


















| Materials | Cement | Fine Aggregate | Coarse Aggregate | Water | Admixture | Mineral Powder | Fly Ash |
|---|---|---|---|---|---|---|---|
| Properties | P.O 42.5 | Medium sand | Crushed, 5~25 mm | – | STD-PCS | S95 | IIF |
| Amount (kg/m3) | 347 | 670 | 1048 | 160 | 9.2 | 69 | 46 |
| Mix proportion | 1 | 1.93 | 3.02 | 0.46 | 0.03 | 0.20 | 0.13 |
| Series | Set No. | Maximum Stress Level Smax | Minimum Stress Level Smin | Stress Ratio R | Number of Specimens | Test Frequency (Hz) |
|---|---|---|---|---|---|---|
| PC | 1 | 0.90 | 0.10 | 0.110 | 5 | 0.1 |
| 2 | 0.90 | 0.25 | 0.280 | 5 | 0.1 | |
| 3 | 0.90 | 0.40 | 0.440 | 5 | 0.1 | |
| 4 | 0.80 | 0.10 | 0.125 | 12 | 5 | |
| 5 | 0.75 | 0.10 | 0.133 | 13 | 5 | |
| 6 | 0.75 | 0.25 | 0.333 | 12 | 5 | |
| 7 | 0.65 | 0.10 | 0.154 | 3 | 5 | |
| RC | 1 | 0.85 | 0.10 | 0.117 | 7 | 5 |
| 2 | 0.85 | 0.25 | 0.294 | 7 | 5 | |
| 3 | 0.80 | 0.10 | 0.125 | 7 | 5 | |
| 4 | 0.80 | 0.25 | 0.313 | 7 | 5 | |
| 5 | 0.75 | 0.10 | 0.133 | 7 | 5 | |
| 6 | 0.75 | 0.25 | 0.333 | 7 | 5 |
| Series | Measured Compressive Strength (MPa) | Statistical Characteristics | |||||||
|---|---|---|---|---|---|---|---|---|---|
| Cube 1 | Cube 2 | Cube 3 | Cube 4 | Cube 5 | Cube 6 | Mean Value (MPa) | Standard Deviation (MPa) | Coefficient of Variation | |
| PC | 51.0 | 47.4 | 61.2 | 41.6 | 61.6 | 60.8 | 53.9 | 7.77 | 0.14 |
| RC | 51.2 | 52.1 | 51.4 | 50.2 | 51.5 | 50.2 | 51.1 | 0.76 | 0.015 |
| Series | Measured Flexural Strength (MPa) | Statistical Characteristics | |||||||||
|---|---|---|---|---|---|---|---|---|---|---|---|
| Set 1 | Set 2 | Set 3 | Set 4 | Set 5 | Set 6 | Set 7 | Set 8 | Mean Value (MPa) | Standard Deviation (MPa) | Coefficient of Variation | |
| PC | 6.6 | 5.3 | 6.0 | – | – | – | – | – | 5.6 | 0.55 | 0.10 |
| 5.9 | 4.8 | 5.4 | – | – | – | – | – | ||||
| 6.1 | 5.2 | 5.4 | – | – | – | – | – | ||||
| RC | 5.1 | 5.3 | 5.1 | 4.3 | 4.6 | 4.7 | 5.6 | 4.7 | 5.1 | 0.44 | 0.09 |
| 5.2 | 3.8 | 4.5 | 4.8 | 4.2 | 4.5 | 5.6 | 5.3 | ||||
| 4.5 | 4.7 | 4.9 | 4.7 | 3.8 | 4.8 | 5.5 | 5.4 | ||||
| Set No. | Set Designation | Smax | Smin | Specimen Designation | Fatigue Life N (Cycle) | Specimen Failure Order | Fatigue Life N (Cycle) | Failure Probability p |
|---|---|---|---|---|---|---|---|---|
| 1 | S-90-1 | 0.90 | 0.10 | S-90-1-1 | 12 | 1 | 3 | 0.17 |
| S-90-1-2 | 9 | 2 | 8 | 0.33 | ||||
| S-90-1-3 | 9 | 3 | 9 | 0.50 | ||||
| S-90-1-4 | 3 | 4 | 9 | 0.67 | ||||
| S-90-1-5 | 8 | 5 | 12 | 0.83 | ||||
| 2 | S-90-25 | 0.90 | 0.25 | S-90-25-1 | 415 | 1 | 110 | 0.17 |
| S-90-25-2 | 216 | 2 | 196 | 0.33 | ||||
| S-90-25-3 | 110 | 3 | 216 | 0.50 | ||||
| S-90-25-4 | 196 | 4 | 234 | 0.67 | ||||
| S-90-25-5 | 234 | 5 | 415 | 0.83 | ||||
| 3 | S-90-4 | 0.90 | 0.40 | S-90-4-1 | 1347 | 1 | 136 | 0.17 |
| S-90-4-2 | 136 | 2 | 370 | 0.33 | ||||
| S-90-4-3 | 934 | 3 | 620 | 0.50 | ||||
| S-90-4-4 | 620 | 4 | 934 | 0.67 | ||||
| S-90-4-5 | 370 | 5 | 1347 | 0.83 | ||||
| 4 | S-80-1 | 0.80 | 0.10 | S-80-1-1 | 3872 | 1 | 96 | 0.08 |
| S-80-1-2 | 96 | 2 | 261 | 0.17 | ||||
| S-80-1-3 | 496 | 3 | 496 | 0.25 | ||||
| S-80-1-4 | 6115 | 4 | 618 | 0.33 | ||||
| S-80-1-5 | 1391 | 5 | 1036 | 0.42 | ||||
| S-80-1-6 | 261 | 6 | 1391 | 0.50 | ||||
| S-80-1-7 | 6358 | 7 | 3872 | 0.58 | ||||
| S-80-1-8 | 61,960 a | 8 | 6115 | 0.67 | ||||
| S-80-1-9 | 1036 | 9 | 6358 | 0.75 | ||||
| S-80-1-10 | 618 | 10 | 6383 | 0.83 | ||||
| S-80-1-11 | 8930 | 11 | 8930 | 0.92 | ||||
| S-80-1-12 | 6383 | 12 | 61,960 a | – | ||||
| 5 | S-75-1 | 0.75 | 0.10 | S-75-1-1 | 1658 | 1 | 63 | 0.08 |
| S-75-1-2 | 32,835 | 2 | 304 | 0.15 | ||||
| S-75-1-3 | 14,444 | 3 | 380 | 0.23 | ||||
| S-75-1-4 | 7574 | 4 | 528 | 0.31 | ||||
| S-75-1-5 | 304 | 5 | 1658 | 0.38 | ||||
| S-75-1-6 | 380 | 6 | 7574 | 0.46 | ||||
| S-75-1-7 | 528 | 7 | 11,328 | 0.54 | ||||
| S-75-1-8 | 63 | 8 | 14,048 | 0.62 | ||||
| S-75-1-9 | 14,048 | 9 | 14,444 | 0.69 | ||||
| S-75-1-10 | 224,931 a | 10 | 19,585 | 0.77 | ||||
| S-75-1-11 | 11,328 | 11 | 32,835 | 0.85 | ||||
| S-75-1-12 | 49,629 | 12 | 49,629 | 0.92 | ||||
| S-75-1-13 | 19,585 | 13 | 224,931 a | – | ||||
| 6 | S-75-25 | 0.75 | 0.25 | S-75-25-1 | 54,815 | 1 | 2518 | 0.08 |
| S-75-25-2 | 2518 | 2 | 5321 | 0.17 | ||||
| S-75-25-3 | 365,759 a | 3 | 7308 | 0.25 | ||||
| S-75-25-4 | 34,187 | 4 | 14,209 | 0.33 | ||||
| S-75-25-5 | 5321 | 5 | 21,097 | 0.42 | ||||
| S-75-25-6 | 7308 | 6 | 26,049 | 0.50 | ||||
| S-75-25-7 | 68,135 | 7 | 32,646 | 0.58 | ||||
| S-75-25-8 | 32,646 | 8 | 34,187 | 0.67 | ||||
| S-75-25-9 | 26,049 | 9 | 39,379 | 0.75 | ||||
| S-75-25-10 | 39,379 | 10 | 54,815 | 0.83 | ||||
| S-75-25-11 | 14,209 | 11 | 68,135 | 0.92 | ||||
| S-75-25-12 | 21,097 | 12 | 365,759 a | – | ||||
| 7 | S-65-1 | 0.65 | 0.10 | S-65-1-1 | 1,000,000 * | 1 | 1,000,000 * | – |
| S-65-1-2 | 1,000,000 * | 2 | 1,000,000 * | – | ||||
| S-65-1-3 | 1,000,000 * | 3 | 1,000,000 * | – |
| Set Designation | J-S-85-1 | J-S-85-25 | J-S-80-1 | J-S-80-25 | J-S-75-1 | J-S-75-25 |
|---|---|---|---|---|---|---|
| Smax | 0.85 | 0.85 | 0.80 | 0.80 | 0.75 | 0.75 |
| Smin | 0.10 | 0.25 | 0.10 | 0.25 | 0.10 | 0.25 |
| Specimen designation Fatigue cracking life N (cycle) | J-S-85-1-2 | J-S-85-25-2 | J-S-80-1-1 | J-S-80-25-4 | J-S-75-1-1 | J-S-75-25-1 |
| 228 | 1765 | 3782 | 4870 | 13,213 | 598 a | |
| J-S-85-1-3 | J-S-85-25-5 | J-S-80-1-6 | J-S-80-25-7 | J-S-75-1-3 | J-S-75-25-2 | |
| 516 | 1976 | 4028 | 6780 | 14,274 | 32,730 | |
| J-S-85-1-5 | J-S-85-25-4 | J-S-80-1-3 | J-S-80-25-6 | J-S-75-1-4 | J-S-75-25-3 | |
| 586 | 2249 | 4517 | 8976 | 14,680 | 35,214 | |
| J-S-85-1-6 | J-S-85-25-1 | J-S-80-1-2 | J-S-80-25-5 | J-S-75-1-2 | J-S-75-25-5 | |
| 611 | 2331 | 5087 | 9307 | 16,030 | 38,683 | |
| J-S-85-1-4 | J-S-85-25-3 | J-S-80-1-4 | J-S-80-25-1 | J-S-75-1-7 | J-S-75-25-6 | |
| 634 | 2544 | 5226 | 9696 | 23,793 | 41,878 | |
| J-S-85-1-7 | J-S-85-25-6 | J-S-80-1-7 | J-S-80-25-2 | J-S-75-1-5 | J-S-75-25-4 | |
| 691 | 4221 | 5459 | 9900 | 38,588 | 41,908 | |
| J-S-85-1-1 | J-S-85-25-7 | J-S-80-1-5 | J-S-80-25-3 | J-S-75-1-6 | J-S-75-25-7 | |
| 1800 | 6185 | 5857 | 10,954 | 72,320 | 48,434 |
| Specimen Designation | Maximum Strain (με) | Minimum Strain (με) | Residual Strain (με) | Deformation Modulus (MPa) |
|---|---|---|---|---|
| S-90-1-1 | 789 | 278 | 219 | 9783 |
| S-90-1-5 | 367 | 111 | 84 | 19,531 |
| Mean value | 578 | 194 | 152 | 14,657 |
| C.V. | 0.52 | 0.61 | 0.63 | 0.47 |
| S-90-25-1 | 456 | 222 | 125 | 16,439 |
| S-90-25-2 | 1000 | 522 | 314 | 7788 |
| S-90-25-3 | 1167 | 622 | 395 | 7028 |
| S-90-25-5 | 411 | 289 | 218 | 23,271 |
| Mean value | 758 | 478 | 309 | 12,696 |
| C.V. | 0.50 | 0.36 | 0.29 | 0.72 |
| S-90-4-1 | 656 | 467 | 312 | 11,456 |
| S-90-4-2 | 967 | 511 | 212 | 5968 |
| S-90-4-3 | 989 | 678 | 418 | 8114 |
| S-90-4-4 | 556 | 333 | 141 | 11,912 |
| S-90-4-5 | 389 | 233 | 104 | 19,263 |
| Mean value | 711 | 444 | 237 | 11,343 |
| C.V. | 0.37 | 0.38 | 0.54 | 0.45 |
| S-80-1-1 | 1278 | 767 | 678 | 8002 |
| S-80-1-3 | 733 | 422 | 363 | 12,723 |
| S-80-1-4 | 1344 | 533 | 383 | 3617 |
| S-80-1-5 | 856 | 311 | 210 | 7010 |
| S-80-1-7 | 256 | 122 | 97 | 29,873 |
| S-80-1-9 | 1033 | 578 | 484 | 8176 |
| S-80-1-10 | 1011 | 433 | 312 | 6361 |
| S-80-1-11 | 367 | 200 | 168 | 25,696 |
| S-80-1-12 | 444 | 267 | 232 | 21,218 |
| Mean value | 814 | 404 | 325 | 13,631 |
| C.V. | 0.48 | 0.50 | 0.55 | 0.70 |
| S-75-1-2 | 267 | 156 | 133 | 33,763 |
| S-75-1-7 | 1156 | 500 | 377 | 5786 |
| S-75-1-8 | 733 | 267 | 179 | 8125 |
| S-75-1-9 | 989 | 533 | 444 | 8255 |
| S-75-1-11 | 1878 | 722 | 534 | 3101 |
| S-75-1-12 | 1511 | 944 | 834 | 6676 |
| S-75-1-13 | 1144 | 656 | 559 | 6656 |
| Mean value | 1097 | 423 | 344 | 12,082 |
| C.V. | 0.47 | 0.66 | 0.69 | 0.87 |
| S-75-25-2 | 1222 | 744 | 467 | 5957 |
| S-75-25-4 | 1456 | 922 | 627 | 4876 |
| S-75-25-5 | 1200 | 811 | 588 | 7330 |
| S-75-25-6 | 622 | 422 | 306 | 14,117 |
| S-75-25-7 | 411 | 244 | 143 | 18,599 |
| S-75-25-8 | 1444 | 933 | 676 | 4975 |
| S-75-25-9 | 1741 | 1022 | 528 | 2737 |
| S-75-25-10 | 1100 | 778 | 581 | 9238 |
| S-75-25-11 | 1367 | 856 | 559 | 5118 |
| S-75-25-12 | 1078 | 667 | 437 | 6135 |
| Mean value | 1164 | 740 | 491 | 7908 |
| C.V. | 0.34 | 0.33 | 0.33 | 0.62 |
| Specimen Designation | Maximum Strain (με) | Minimum Strain (με) | Residual Strain (με) | Deformation Modulus (MPa) |
|---|---|---|---|---|
| J-S-85-1-1 | 562 | 281 | 226 | 12,867 |
| J-S-85-1-2 | 610 | 274 | 219 | 11,362 |
| J-S-85-1-3 | 575 | 212 | 145 | 10,321 |
| J-S-85-1-4 | 486 | 185 | 125 | 12,299 |
| J-S-85-1-5 | 767 | 397 | 331 | 10,202 |
| J-S-85-1-6 | 788 | 274 | 177 | 7268 |
| J-S-85-1-7 | 664 | 295 | 226 | 10,166 |
| Mean value | 636 | 274 | 207 | 10,641 |
| C.V. | 0.17 | 0.25 | 0.33 | 0.17 |
| J-S-85-25-1 | 726 | 432 | 295 | 10,322 |
| J-S-85-25-2 | 685 | 432 | 314 | 11,996 |
| J-S-85-25-3 | 801 | 493 | 350 | 9863 |
| J-S-85-25-4 | 685 | 418 | 293 | 11,430 |
| J-S-85-25-5 | 658 | 418 | 309 | 12,848 |
| J-S-85-25-6 | 466 | 260 | 168 | 15,030 |
| J-S-85-25-7 | 644 | 445 | 309 | 13,484 |
| Mean value | 666 | 414 | 291 | 12,139 |
| C.V. | 0.15 | 0.18 | 0.20 | 0.15 |
| J-S-80-1-1 | 432 | 130 | 78 | 11,875 |
| J-S-80-1-2 | 541 | 233 | 175 | 11,467 |
| J-S-80-1-3 | 925 | 493 | 410 | 8153 |
| J-S-80-1-4 | 870 | 479 | 404 | 9013 |
| J-S-80-1-5 | 589 | 295 | 244 | 12,201 |
| J-S-80-1-6 | 897 | 575 | 388 | 8638 |
| J-S-80-1-7 | 568 | 336 | 294 | 15,204 |
| Mean value | 689 | 363 | 285 | 10,936 |
| C.V. | 0.29 | 0.44 | 0.45 | 0.23 |
| J-S-80-25-1 | 555 | 329 | 219 | 12,601 |
| J-S-80-25-2 | 1055 | 753 | 598 | 9142 |
| J-S-80-25-3 | 692 | 452 | 332 | 11,689 |
| J-S-80-25-5 | 658 | 452 | 337 | 12,873 |
| J-S-80-25-6 | 740 | 514 | 386 | 11,718 |
| J-S-80-25-7 | 411 | 281 | 206 | 20,139 |
| Mean value | 685 | 463 | 346 | 13,027 |
| C.V. | 0.31 | 0.36 | 0.41 | 0.29 |
| J-S-75-1-1 | 808 | 507 | 448 | 10,942 |
| J-S-75-1-2 | 740 | 418 | 368 | 10,775 |
| J-S-75-1-3 | 973 | 651 | 601 | 10,780 |
| J-S-75-1-4 | 712 | 384 | 334 | 10,582 |
| J-S-75-1-5 | 315 | 116 | 78 | 16,540 |
| J-S-75-1-6 | 733 | 452 | 409 | 12,364 |
| J-S-75-1-7 | 630 | 438 | 409 | 18,078 |
| Mean value | 702 | 424 | 378 | 12,866 |
| C.V. | 0.29 | 0.38 | 0.42 | 0.24 |
| J-S-75-25-3 | 486 | 322 | 240 | 16,237 |
| J-S-75-25-4 | 603 | 418 | 325 | 14,428 |
| J-S-75-25-5 | 747 | 500 | 377 | 10,826 |
| J-S-75-25-6 | 849 | 610 | 493 | 11,286 |
| J-S-75-25-7 | 452 | 281 | 195 | 15,588 |
| Mean value | 627 | 426 | 326 | 13,673 |
| C.V. | 0.27 | 0.31 | 0.36 | 0.18 |
| Minimum Stress Level | Series | Maximum Stress Level | Number of Specimens | Regression Coefficient m | Regression Coefficient lnt0 | Coefficient of Determination R2 |
|---|---|---|---|---|---|---|
| Fixed at 0.10 | PC | 0.90 | 5 | 1.5188 | 3.5137 | 0.83 |
| 0.80 | 11 | 0.6571 | 5.3104 | 0.96 | ||
| 0.75 | 12 | 0.4607 | 4.2646 | 0.95 | ||
| RC | 0.85 | 7 | 1.2703 | 8.6111 | 0.77 | |
| 0.80 | 7 | 5.3293 | 45.6245 | 0.98 | ||
| 0.75 | 7 | 1.2339 | 12.8204 | 0.81 | ||
| Varying (stress ratio considered) | PC | 0.90 | 15 | 1.0060 | 3.5847 | 0.95 |
| 0.80 | 11 | 0.7509 | 5.3104 | 0.96 | ||
| 0.75 | 23 | 0.7577 | 5.7302 | 0.98 | ||
| RC | 0.85 | 14 | 2.2903 | 13.4023 | 0.86 | |
| 0.80 | 14 | 1.5054 | 10.7672 | 0.86 | ||
| 0.75 | 13 | 1.0038 | 8.4708 | 0.82 |
| Series | Analyzed Specimens | Semi-Logarithmic Equations | Logarithmic Equations |
|---|---|---|---|
| PC | Constant Smin = 0.10 | ||
| Varying Smin, R considered | |||
| RC | Constant Smin = 0.10 | ||
| Varying Smin, R considered |
| Analyzed Specimens | Failure Probability p | PC Series Maximum Stress Level | RC Series Maximum Stress Level | ||||
|---|---|---|---|---|---|---|---|
| 0.90 | 0.80 | 0.75 | 0.85 | 0.80 | 0.75 | ||
| Constant Smin = 0.10 | 0.1 | 2 | 105 | 79 | 149 | 3425 | 5252 |
| 0.2 | 4 | 330 | 404 | 270 | 3943 | 9648 | |
| 0.3 | 5 | 674 | 1118 | 390 | 4305 | 14,110 | |
| 0.4 | 6 | 1164 | 2437 | 518 | 4606 | 18,878 | |
| 0.5 | 8 | 1852 | 4728 | 659 | 4877 | 24,176 | |
| Varying Smin, R considered | 0.1 | 4 | 59 | 99 | 130 | 286 | 491 |
| 0.2 | 8 | 160 | 266 | 181 | 472 | 1037 | |
| 0.3 | 13 | 299 | 494 | 222 | 644 | 1655 | |
| 0.4 | 18 | 482 | 793 | 259 | 817 | 2367 | |
| 0.5 | 25 | 723 | 1187 | 296 | 1001 | 3209 | |
| Analyzed Specimens | Series | Failure Probability p | Semi-Logarithmic Equations | Logarithmic Equations | ||||
|---|---|---|---|---|---|---|---|---|
| Intercept Coefficient a | Slope Coefficient b | Coefficient of Determination R2 | Intercept Coefficient A | Slope Coefficient B | Coefficient of Determination R2 | |||
| Constant Smin = 0.10 | PC | 0.1 | 0.9446 | 0.0896 | 0.85 | −0.0213 | 0.0476 | 0.83 |
| 0.2 | 0.9488 | 0.0696 | 0.92 | −0.0192 | 0.0368 | 0.90 | ||
| 0.3 | 0.9506 | 0.0610 | 0.94 | −0.0183 | 0.0323 | 0.93 | ||
| 0.4 | 0.9517 | 0.0558 | 0.95 | −0.0178 | 0.0295 | 0.94 | ||
| 0.5 | 0.9525 | 0.0520 | 0.96 | −0.0174 | 0.0275 | 0.95 | ||
| RC | 0.1 | 1.0034 | 0.0647 | 0.84 | 0.0140 | 0.0355 | 0.83 | |
| 0.2 | 1.0148 | 0.0644 | 0.92 | 0.0200 | 0.0352 | 0.91 | ||
| 0.3 | 1.0220 | 0.0642 | 0.96 | 0.0237 | 0.0350 | 0.96 | ||
| 0.4 | 1.0274 | 0.0640 | 0.98 | 0.0265 | 0.0349 | 0.98 | ||
| 0.5 | 1.0320 | 0.0639 | 1.00 | 0.0288 | 0.0348 | 0.99 | ||
| Varying Smin, R considered | PC | 0.1 | 0.9641 | 0.1019 | 0.97 | −0.0113 | 0.0538 | 0.96 |
| 0.2 | 0.9909 | 0.0946 | 0.96 | 0.0029 | 0.0500 | 0.95 | ||
| 0.3 | 1.0058 | 0.0905 | 0.96 | 0.0107 | 0.0478 | 0.95 | ||
| 0.4 | 1.0163 | 0.0876 | 0.96 | 0.0163 | 0.0463 | 0.95 | ||
| 0.5 | 1.0248 | 0.0853 | 0.95 | 0.0208 | 0.0451 | 0.94 | ||
| RC | 0.1 | 1.2199 | 0.1734 | 0.99 | 0.1313 | 0.0945 | 0.98 | |
| 0.2 | 1.1490 | 0.1318 | 1.00 | 0.0925 | 0.0717 | 0.99 | ||
| 0.3 | 1.1197 | 0.1146 | 1.00 | 0.0765 | 0.0623 | 1.00 | ||
| 0.4 | 1.1020 | 0.1041 | 1.00 | 0.0668 | 0.0566 | 1.00 | ||
| 0.5 | 1.0893 | 0.0967 | 1.00 | 0.0599 | 0.0526 | 1.00 | ||
| Reference | f (MPa) | Specimen Dimension (cm) | Number of Datapoints | Smin | Smax | Test Condition | Test Frequency (Hz) | Fatigue Equations |
|---|---|---|---|---|---|---|---|---|
| Zhao G.Y. (1993) [7] | 7.43 | 10 × 10 × 40 | 16 | 0.10 | 0.70~0.90 | Four-point bending | 5~10 | |
| Li Y.Q. (1999) [8] | 7.68 | 10 × 10 × 51.5 | 60 | 0.10 | 0.60~0.90 | Three-point bending | 10 | |
| Zheng K.R. (2007) [13] | 7.6 | 10 × 10 × 40 | 57 | 0.10 | 0.65~0.90 | Four-point bending | 2~10 | |
| Current study | 5.6 | 15 × 15 × 55 | 28 | 0.10 | 0.75~0.90 | Four-point bending | 0.1~5 |
| Reference | f (MPa) | Specimen Dimension (cm) | Number of Datapoints | R | Smax | Test Condition | Test Frequency (Hz) | Fatigue Equations |
|---|---|---|---|---|---|---|---|---|
| Shi X.P. (1990) [9] | 6.08 | 10 × 10 × 50 | 73 | 0.08~0.5 | 0.55~0.90 | Four-point bending | 1~20 | |
| Wu Y.Q. (2005) [10] | 5.1 | 10 × 10 × 40 | 84 | 0.1~0.5 | 0.625~0.9 | Four-point bending | 1~20 | |
| Current study | 5.6 | 15 × 15 × 55 | 49 | 0.11~0.44 | 0.75~0.90 | Four-point bending | 0.1~5 |
Disclaimer/Publisher’s Note: The statements, opinions and data contained in all publications are solely those of the individual author(s) and contributor(s) and not of MDPI and/or the editor(s). MDPI and/or the editor(s) disclaim responsibility for any injury to people or property resulting from any ideas, methods, instructions or products referred to in the content. |
© 2023 by the authors. Licensee MDPI, Basel, Switzerland. This article is an open access article distributed under the terms and conditions of the Creative Commons Attribution (CC BY) license (https://creativecommons.org/licenses/by/4.0/).
Share and Cite
Chen, H.; Sun, Z.; Zhang, X.; Fan, J. Tensile Fatigue Properties of Ordinary Plain Concrete and Reinforced Concrete under Flexural Loading. Materials 2023, 16, 6447. https://doi.org/10.3390/ma16196447
Chen H, Sun Z, Zhang X, Fan J. Tensile Fatigue Properties of Ordinary Plain Concrete and Reinforced Concrete under Flexural Loading. Materials. 2023; 16(19):6447. https://doi.org/10.3390/ma16196447
Chicago/Turabian StyleChen, Huating, Zhenyu Sun, Xianwei Zhang, and Jinhong Fan. 2023. "Tensile Fatigue Properties of Ordinary Plain Concrete and Reinforced Concrete under Flexural Loading" Materials 16, no. 19: 6447. https://doi.org/10.3390/ma16196447
APA StyleChen, H., Sun, Z., Zhang, X., & Fan, J. (2023). Tensile Fatigue Properties of Ordinary Plain Concrete and Reinforced Concrete under Flexural Loading. Materials, 16(19), 6447. https://doi.org/10.3390/ma16196447

