Adsorption Study of Novel Gemini Cationic Surfactant in Carbonate Reservoir Cores—Influence of Critical Parameters
Abstract
:1. Introduction
2. Materials and Methods
2.1. Surfactant
2.2. Rock Samples
2.3. Brine Preparation
2.4. Preparation of the Cationic Gemini Surfactant
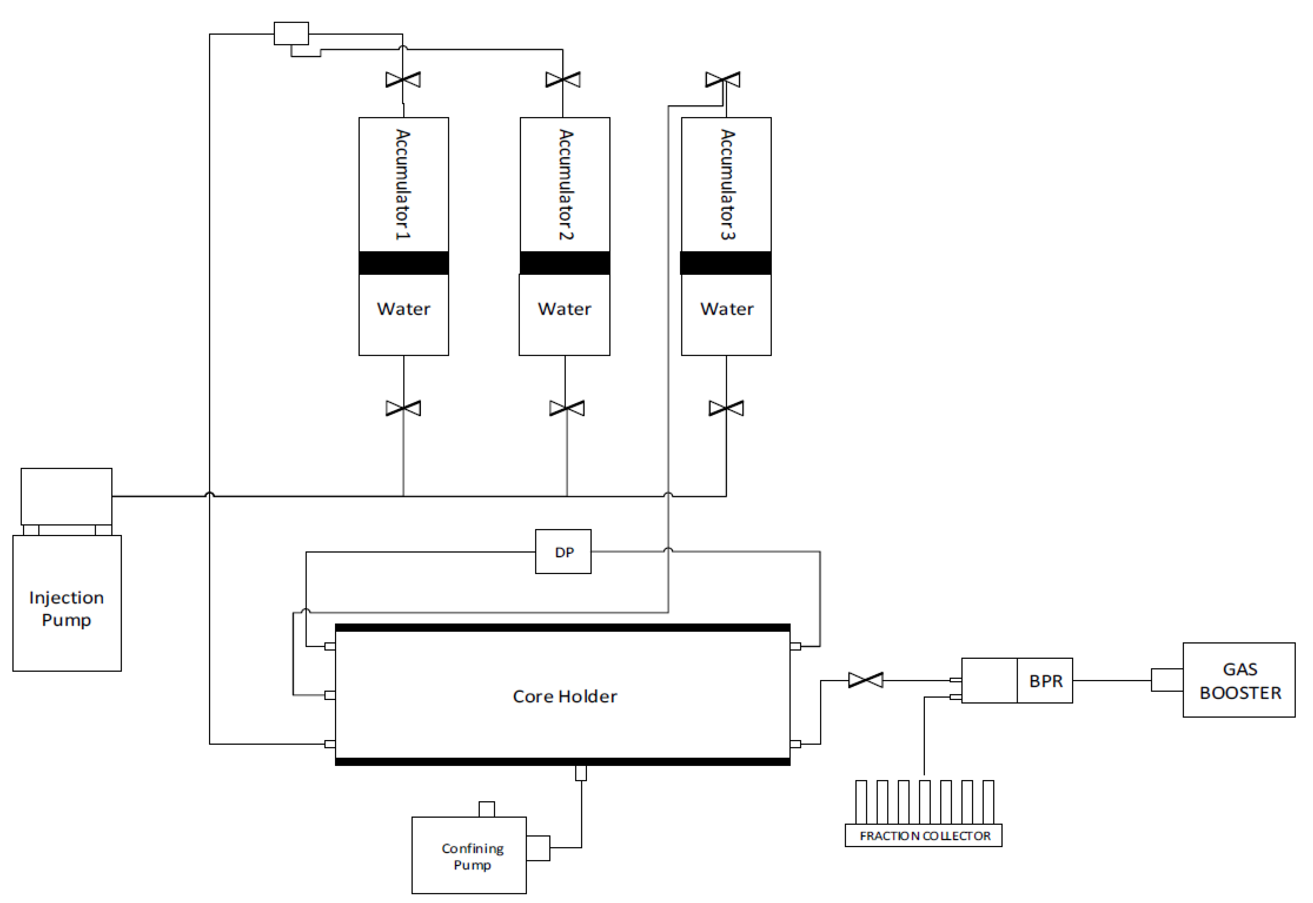
2.5. Adsorption Study
2.6. Determination of the Magnitude of Dynamic Adsorption and Desorption
3. Results and Discussion
3.1. XRD Characterization of the Rock
3.2. Adsorption Equilibrium Studies
3.2.1. Effect of Surfactant Concentration on Dynamic Adsorption
3.2.2. Effect of High Temperature and High Salinity on Surfactant Behavior
3.2.3. Effect of Flow Rate
4. Conclusions
Author Contributions
Funding
Institutional Review Board Statement
Informed Consent Statement
Data Availability Statement
Conflicts of Interest
References
- Bashir, A.; Sharifi Haddad, A.; Rafati, R. A review of fluid displacement mechanisms in surfactant-based chemical enhanced oil recovery processes: Analyses of key influencing factors. Pet. Sci. 2022, in press. [CrossRef]
- Tavakkoli, O.; Kamyab, H.; Shariati, M.; Mustafa Mohamed, A.; Junin, R. Effect of nanoparticles on the performance of polymer/surfactant flooding for enhanced oil recovery: A review. Fuel 2022, 312, 122867. [Google Scholar] [CrossRef]
- Massarweh, O.; Abushaikha, A.S. The use of surfactants in enhanced oil recovery: A review of recent advances. Energy Rep. 2020, 6, 3150–3178. [Google Scholar] [CrossRef]
- Gbadamosi, A.; Junin, R.; Manan, M.; Agi, A.; Oseh, J. Nanotechnology Application in Chemical Enhanced Oil Recovery: Current Opinion and Recent Advances. In Enhanced Oil Recovery Processes—New Technologies; Samsuri, A., Ed.; IntechOpen: London, UK, 2019; pp. 26–50. [Google Scholar]
- Abbas, A.H.; Sulaiman, W.R.W.; Jaafar, M.Z.; Gbadamosi, A.O.; Ebrahimi, S.S.; Elrufai, A. Numerical study for continuous surfactant flooding considering adsorption in heterogeneous reservoir. J. King Saud Univ. Eng. Sci. 2020, 32, 91–99. [Google Scholar] [CrossRef]
- Chen, W.; Schechter, D.S. Surfactant selection for enhanced oil recovery based on surfactant molecular structure in unconventional liquid reservoirs. J. Pet. Sci. Eng. 2021, 196, 107702. [Google Scholar] [CrossRef]
- Pal, N.; Hoteit, H.; Mandal, A. Structural aspects, mechanisms and emerging prospects of Gemini surfactant-based alternative Enhanced Oil Recovery technology: A review. J. Mol. Liq. 2021, 339, 116811. [Google Scholar] [CrossRef]
- Tumba, J.; Agi, A.; Gbadamosi, A.; Junin, R.; Abbas, A.; Rajaei, K.; Gbonhinbor, J. Lignin as a Potential Additive for Minimizing Surfactant Adsorption On Clay Minerals In Different Electrolyte Concentration. In Proceedings of the SPE Nigeria Annual International Conference and Exhibition, Lagos, Nigeria, 5–7 August 2019; Volume 2019, pp. 1–23. [Google Scholar]
- Liu, Z.; Zhao, G.; Brewer, M.; Lv, Q.; Sudhölter, E.J.R. Comprehensive review on surfactant adsorption on mineral surfaces in chemical enhanced oil recovery. Adv. Colloid Interface Sci. 2021, 294, 102467. [Google Scholar] [CrossRef]
- Standnes, D.C.; Austad, T. Wettability alteration in carbonates: Interaction between cationic surfactant and carboxylates as a key factor in wettability alteration from oil-wet to water-wet conditions. Colloids Surf. A Physicochem. Eng. Asp. 2003, 216, 243–259. [Google Scholar] [CrossRef]
- Gbadamosi, A.O.; Junin, R.; Manan, M.A.; Agi, A.; Yusuff, A.S. An overview of chemical enhanced oil recovery: Recent advances and prospects. Int. Nano Lett. 2019, 9, 171–202. [Google Scholar] [CrossRef] [Green Version]
- Lv, W.; Bazin, B.; Ma, D.; Liu, Q.; Han, D.; Wu, K. Undefined Static and Dynamic Adsorption of Anionic and Amphoteric Surfactants with and without the Presence of Alkali; Elsevier: Amsterdam, The Netherlands, 2011. [Google Scholar]
- Kalam, S.; Abu-Khamsin, S.A.; Kamal, M.S.; Patil, S. A review on surfactant retention on rocks: Mechanisms, measurements, and influencing factors. Fuel 2021, 293, 120459. [Google Scholar] [CrossRef]
- Kamal, M.S.; Hussein, I.A.; Sultan, A.S. Review on Surfactant Flooding: Phase Behavior, Retention, IFT, and Field Applications. Energy Fuels 2017, 31, 7701–7720. [Google Scholar] [CrossRef]
- Kamal, M.S.; Sultan, A.S.; Al-Mubaiyedh, U.A.; Hussein, I.A. Review on polymer flooding: Rheology, adsorption, stability, and field applications of various polymer systems. Polym. Rev. 2015, 55, 491–530. [Google Scholar] [CrossRef]
- Shehzad, F.; Hussain, S.M.S.; Adewunmi, A.A.; Mahboob, A.; Murtaza, M.; Kamal, M.S. Magnetic surfactants: A review of recent progress in synthesis and applications. Adv. Colloid Interface Sci. 2021, 293, 102441. [Google Scholar] [CrossRef] [PubMed]
- Hussain, S.M.S.; Adewunmi, A.A.; Mahboob, A.; Murtaza, M.; Zhou, X.; Kamal, M.S. Fluorinated surfactants: A review on recent progress on synthesis and oilfield applications. Adv. Colloid Interface Sci. 2022, 303, 102634. [Google Scholar] [CrossRef]
- Hussain, S.M.S.; Mahboob, A.; Kamal, M.S. Synthesis and Evaluation of Zwitterionic Surfactants Bearing Benzene Ring in the Hydrophobic Tail. Materials 2020, 13, 1858. [Google Scholar] [CrossRef] [Green Version]
- Hussain, S.M.S.; Mahboob, A.; Kamal, M.S. Poly (oxyethylene)-amidoamine based gemini cationic surfactants for oilfield applications: Effect of hydrophilicity of spacer group. Materials 2020, 13, 1046. [Google Scholar] [CrossRef] [Green Version]
- Villa, C.; Baldassari, S.; Chillura Martino, D.F.; Spinella, A.; Caponetti, E. Green Synthesis, Molecular Characterization and Associative Behavior of Some Gemini Surfactants without a Spacer Group. Materials 2013, 6, 1506–1519. [Google Scholar] [CrossRef] [Green Version]
- Bin-Hudayb, N.S.; Badr, E.E.; Hegazy, M.A. Adsorption and corrosion performance of new cationic gemini surfactants derivatives of fatty amido ethyl aminium chloride with ester spacer for mild steel in acidic solutions. Materials 2020, 13, 2790. [Google Scholar] [CrossRef]
- Shekhovtsova, S.; Korolev, E. Interfacial Phenomena at the Interface in the System «Carbon Primary Materials-Water Solutions of Surfactants» for Cement Materials. Materials 2022, 15, 556. [Google Scholar] [CrossRef]
- Deng, X.; Shahzad Kamal, M.; Patil, S.; Muhammad Shakil Hussain, S.; Zhou, X.; Mahmoud, M. Wettability alteration of locally synthesized cationic gemini surfactants on carbonate rock. J. Mol. Liq. 2021, 344, 117817. [Google Scholar] [CrossRef]
- Kamal, M.S. A Review of Gemini Surfactants: Potential Application in Enhanced Oil Recovery. J. Surfactants Deterg. 2016, 19, 223–236. [Google Scholar] [CrossRef]
- Páhi, A.B.; Király, Z.; Mastalir, Á.; Dudás, J.; Puskás, S.; Vágó, Á. Thermodynamics of micelle formation of the counterion coupled gemini surfactant bis(4-(2-dodecyl)benzenesuifonate)-jeffamine salt and its dynamic adsorption on sandstone. J. Phys. Chem. B 2008, 112, 15320–15326. [Google Scholar] [CrossRef] [PubMed]
- Chen, Z.; Mi, H.; Liu, X.; Xia, K.; Ge, F.; Li, X.; Zhang, X. Preparation and Characterization of an Anionic Gemini Surfactant for Enhanced Oil Recovery in a Hypersaline Reservoir. J. Surfactants Deterg. 2019, 22, 1309–1317. [Google Scholar] [CrossRef]
- Zhao, F.; Wang, S.; Shen, X.; Guo, J.; Liu, Y. Study on mechanism of Gemini surfactant inhibiting acid rock reaction rate. Colloids Surf. A Physicochem. Eng. Asp. 2019, 578, 123629. [Google Scholar] [CrossRef]
- Yang, W.; Cao, Y.; Wang, Y.; Ju, H.; Jiang, Y.; Geng, T. Effects of unsaturated double bonds on adsorption and aggregation behaviors of amide-based cationic Gemini surfactants. Colloids Surf. A Physicochem. Eng. Asp. 2021, 611, 125778. [Google Scholar] [CrossRef]
- Taleb, K.; Mohamed-Benkada, M.; Benhamed, N.; Saidi-Besbes, S.; Grohens, Y.; Derdour, A. Benzene ring containing cationic gemini surfactants: Synthesis, surface properties and antibacterial activity. J. Mol. Liq. 2017, 241, 81–90. [Google Scholar] [CrossRef]
- Tehrani-Bagha, A.R.; Holmberg, K.; van Ginkel, C.G.; Kean, M. Cationic gemini surfactants with cleavable spacer: Chemical hydrolysis, biodegradation, and toxicity. J. Colloid Interface Sci. 2015, 449, 72–79. [Google Scholar] [CrossRef]
- Mukhametdinova, A.; Kazak, A.; Karamov, T.; Bogdanovich, N.; Serkin, M.; Melekhin, S.; Cheremisin, A. Reservoir Properties of Low-Permeable Carbonate Rocks: Experimental Features. Energies 2020, 13, 2233. [Google Scholar] [CrossRef]
- Xu, X.; Zhao, Y.; Lai, Q.; Hao, Y. Effect of polyethylene glycol on phase and morphology of calcium carbonate. J. Appl. Polym. Sci. 2011, 119, 319–324. [Google Scholar] [CrossRef]
- Rosen, M.J.; Li, F. The adsorption of gemini and conventional surfactants onto some soil solids and the removal of 2-naphthol by the soil surfaces. J. Colloid Interface Sci. 2001, 234, 418–424. [Google Scholar] [CrossRef]
- Isaac, O.T.; Pu, H.; Oni, B.A.; Samson, F.A. Surfactants employed in conventional and unconventional reservoirs for enhanced oil recovery—A review. Energy Rep. 2022, 8, 2806–2830. [Google Scholar] [CrossRef]
- Belhaj, A.F.; Elraies, K.A.; Mahmood, S.M.; Zulkifli, N.N.; Akbari, S.; Hussien, O.S.E. The effect of surfactant concentration, salinity, temperature, and pH on surfactant adsorption for chemical enhanced oil recovery: A review. J. Pet. Explor. Prod. Technol. 2020, 10, 125–137. [Google Scholar] [CrossRef] [Green Version]
- Hussain, S.M.S.; Kamal, M.S.; Solling, T.; Murtaza, M.; Fogang, L.T. Surface and thermal properties of synthesized cationic poly(ethylene oxide) gemini surfactants: The role of the spacer. RSC Adv. 2019, 9, 30154–30163. [Google Scholar] [CrossRef] [Green Version]
- Al-Bayati, A.; Karunarathne, C.I.; Al Jehani, A.S.; Al-Yaseri, A.Z.; Keshavarz, A.; Iglauer, S. Wettability Alteration during Low-Salinity Water Flooding. Energy Fuels 2022, 36, 871–879. [Google Scholar] [CrossRef]
- Ahmadi, M.A.; Shadizadeh, S.R. Spotlight on the New Natural Surfactant Flooding in Carbonate Rock Samples in Low Salinity Condition. Sci. Rep. 2018, 8, 10985. [Google Scholar] [CrossRef] [PubMed] [Green Version]
- Rodriguez, A. Surface Charge Behavior and Adsorption of Surfactants on Carbonate Rocks, King Fahd; University of Petroleum and Minerals (Saudi Arabia): Dhahran, Saudi Arabia, 1992. [Google Scholar]
- Bae, J.H.; Petrick, C.B. Adsorption/Retention of Petroleum Sulfonates in Berea Cores. Soc. Pet. Eng. J. 1977, 17, 353–357. [Google Scholar] [CrossRef]










| Fluids | Concentration | Temperature, 25 °C | Temperature, 100 °C | ||
|---|---|---|---|---|---|
| ppm | Density (g/mL) | Viscosity (cP) | Density (g/mL) | Viscosity (cP) | |
| Formation Water | - | 1.1462 | 1.4500 | 1.1083 | 0.4760 |
| Seawater | - | 1.0385 | 1.3800 | 1.0152 | 0.3270 |
| DI Water | - | 0.9968 | 0.89 | 0.9565 | 0.308 |
| Surfactant | 500 | 0.9959 | 0.8729 | 0.8724 | 0.2199 |
| 1000 | 0.9961 | 0.8868 | 0.8949 | 0.2337 | |
| 2000 | 0.9964 | 0.8979 | 0.9545 | 0.2625 | |
| Mineral | % |
|---|---|
| Calcite | 98.5 |
| Quartz | 0.2 |
| Dolomite | 0.3 |
| Illite | 0.3 |
| Kaolinite | 0.1 |
| Alunite | 0.5 |
| Anorthite | 0 |
| Halite | 0.1 |
| Sample ID (ft) | Dry Weight (gm) | Average Length (cm) | Average Diameter (cm) | Porosity (%) | Permeability (mD) |
|---|---|---|---|---|---|
| ILLZ-1 | 183.97 | 7.586 | 3.77 | 19.37 | 20.38 |
| ILLZ-4 | 192.92 | 7.608 | 3.78 | 15.19 | 17.7 |
| ILLZ-5 | 192.95 | 7.617 | 3.78 | 15.05 | 13.4 |
| ILLZ-7 | 192.95 | 7.614 | 3.78 | 15.24 | 18.12 |
| ILLZ-8 | 193.42 | 7.613 | 3.78 | 15.02 | 22.47 |
| IL-19-1 | 190.67 | 7.692 | 3.78 | 17.04 | 35 |
Publisher’s Note: MDPI stays neutral with regard to jurisdictional claims in published maps and institutional affiliations. |
© 2022 by the authors. Licensee MDPI, Basel, Switzerland. This article is an open access article distributed under the terms and conditions of the Creative Commons Attribution (CC BY) license (https://creativecommons.org/licenses/by/4.0/).
Share and Cite
Khan, S.; Gbadamosi, A.; Norrman, K.; Zhou, X.; Hussain, S.M.S.; Patil, S.; Kamal, M.S. Adsorption Study of Novel Gemini Cationic Surfactant in Carbonate Reservoir Cores—Influence of Critical Parameters. Materials 2022, 15, 2527. https://doi.org/10.3390/ma15072527
Khan S, Gbadamosi A, Norrman K, Zhou X, Hussain SMS, Patil S, Kamal MS. Adsorption Study of Novel Gemini Cationic Surfactant in Carbonate Reservoir Cores—Influence of Critical Parameters. Materials. 2022; 15(7):2527. https://doi.org/10.3390/ma15072527
Chicago/Turabian StyleKhan, Sarmad, Afeez Gbadamosi, Kion Norrman, Xianmin Zhou, Syed Muhammad Shakil Hussain, Shirish Patil, and Muhammad Shahzad Kamal. 2022. "Adsorption Study of Novel Gemini Cationic Surfactant in Carbonate Reservoir Cores—Influence of Critical Parameters" Materials 15, no. 7: 2527. https://doi.org/10.3390/ma15072527
APA StyleKhan, S., Gbadamosi, A., Norrman, K., Zhou, X., Hussain, S. M. S., Patil, S., & Kamal, M. S. (2022). Adsorption Study of Novel Gemini Cationic Surfactant in Carbonate Reservoir Cores—Influence of Critical Parameters. Materials, 15(7), 2527. https://doi.org/10.3390/ma15072527

