Changes in the Properties in Bimodal Mg Alloy Bars Obtained for Various Deformation Patterns in the RSR Rolling Process
Abstract
1. Introduction
2. Materials and Methods
3. Results and Discussion
3.1. Theoretical Analysis of the RSR Process for AZ31 Magnesium Alloy Bars
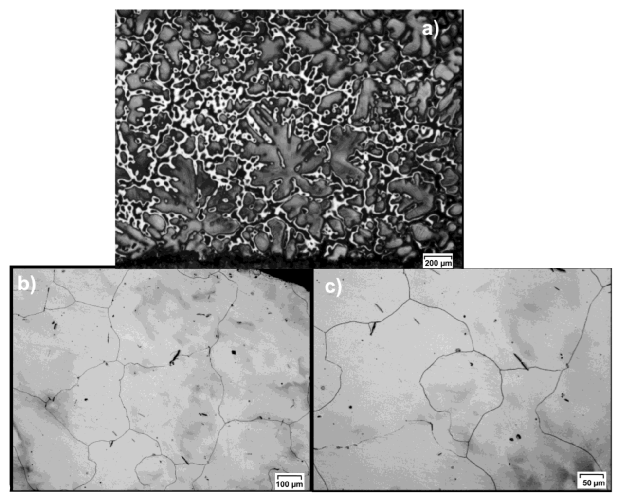
3.2. Experimental Analysis of the RSR Process for AZ31 Magnesium Alloy Bars
4. Conclusions
Author Contributions
Funding
Institutional Review Board Statement
Informed Consent Statement
Data Availability Statement
Conflicts of Interest
References
- Harsha, R.N.; Mithun Kulkarni, V.; Satish Babu, B. Severe Plastic Deformation—A Review. Mater. Today Proc. 2018, 5, 22340–22349. [Google Scholar] [CrossRef]
- Langdon, T.G. The characteristics of grain refinement in materials processed by severe plastic deformation. Rev. Adv. Mater. Sci. 2006, 13, 6–14. [Google Scholar]
- Straumal, B.B.; Kulagin, R.; Baretzky, B.; Anisimova, N.Y.; Kiselevskiy, M.V.; Klinger, L.; Straumal, P.B.; Kogtenkova, O.A.; Valiev, R.Z. Severe Plastic Deformation and Phase Transformations in High Entropy Alloys: A Review. Crystals 2022, 12, 54. [Google Scholar] [CrossRef]
- Yamada, R.; Yoshihara, S.; Ito, Y. Fatigue Properties of AZ31B Magnesium Alloy Processed by Equal-Channel Angular Pressing. Metals 2021, 11, 1191. [Google Scholar] [CrossRef]
- Ciemiorek, M.; Lewandowska, M.; Olejnik, L. Microstructure, tensile properties and formability of ultrafine-grained Al–Mn square plates processed by Incremental ECAP. Mater. Des. 2020, 196, 109125. [Google Scholar] [CrossRef]
- Awang Sh’ri, D.N.; Zahari, Z.S.; Yamamoto, A. Effect of ECAP Die Angle on Mechanical Properties and Biocompatibility of SS316L. Metals 2021, 11, 1513. [Google Scholar] [CrossRef]
- Raab, G.I.; Simonova, L.A.; Aleshin, G.N. Tailoring the gradient ultrafine-grained structure in low-carbon steel during drawing with shear. Metalurgija 2016, 55, 177–180. [Google Scholar]
- Gong, Y.; Gu, J.; Ni, S.; Wu, H.; Song, M. A good combination of strength and ductility of ultra-coarse-grained Cu–Al alloy with coarse-grained surface layer via pre-torsional treatment. Micron 2020, 129, 102783. [Google Scholar] [CrossRef]
- Tsuji, N.; Saito, Y.; Lee, S.H.; Minamino, Y. ARB (Accumulative Roll-Bonding) and other new techniques to produce bulk ultrafine grained materials. Adv. Eng. Mater. 2003, 5, 338–344. [Google Scholar] [CrossRef]
- Ghalehbandi, S.M.; Malaki, M.; Gupta, M. Accumulative Roll Bonding—A Review. Appl. Sci. 2019, 9, 3627. [Google Scholar] [CrossRef]
- Ivanisenko, Y.; Kulagin, R.; Fedorov, V.; Mazilkin, A.; Scherer, T.; Baretzky, B.; Hahn, H. High Pressure Torsion Extrusion as a new severe plastic deformation process. Mater. Sci. Eng. A 2016, 664, 247–256. [Google Scholar] [CrossRef]
- Omranpour, B.; Ivanisenko, Y.; Kulagin, R.; Kommel, L.; Garcia Sanchez, E.; Nugmanov, D.; Scherer, T.; Heczel, A.; Gubicza, J. Evolution of microstructure and hardness in aluminum processed by High Pressure Torsion Extrusion. Mater. Sci. Eng. A 2019, 762, 138074. [Google Scholar] [CrossRef]
- Bochniak, W.; Marszowski, K.; Korbel, A. Theoretical and practical aspects of the production of thin-walled tubes by the KOBO method. J. Mater. Process. Technol. 2005, 169, 44–53. [Google Scholar] [CrossRef]
- Bednarczyk, I. Microstructure and properties of magnesium alloy AZ61 after extrusion with KoBo method. Arch. Metall. Mater. 2019, 64, 1125–1130. [Google Scholar] [CrossRef]
- Skripalenko, M.M.; Galkin, S.P.; Karpov, B.V.; Romantsev, B.A.; Kaputkina, L.M.; Danilin, A.V.; Skripalenko, M.N.; Patrin, P.V. Forming Features and Properties of Titanium Alloy Billets After Radial-Shear Rolling. Materials 2019, 12, 3179. [Google Scholar] [CrossRef]
- Gamin, Y.V.; Galkin, S.P.; Romantsev, B.A.; Koshmin, A.N.; Goncharuk, A.V.; Kadach, M.V. Influence of Radial-Shear Rolling Conditions on the Metal Consumption Rate and Properties of D16 Aluminum Alloy Rods. Metallurgist 2021, 65, 650–659. [Google Scholar] [CrossRef]
- Naizabekov, A.B.; Lezhnev, S.N.; Panin, E.A.; Arbuz, A.S. Impact of radial-shear rolling on the microstructure and mechanical properties of 08X18H10T stainless austenitic steel. Ferrous Metall. Bull. Sci. Tech. Inst. Bull. Scien. Tech. Econ. Inf. 2020, 76, 162–168. [Google Scholar] [CrossRef]
- Surikova, N.; Panin, V.; Narkevich, N.; Gordienko, A.; Surikov, N. Hardening of austenitic stainless steel by intensive cross and screw rolling. AIP Conf. Proc. 2018, 2051, 020296. [Google Scholar] [CrossRef]
- Karpov, B.V.; Patrin, P.V.; Galkin, S.P.; Kharitonov, E.A.; Karpov, I.B. Radial-shear rolling of titanium alloy VT-8 bars with controlled structure for small diameter ingots (≤200 mm). Metallurgist 2018, 61, 884–890. [Google Scholar] [CrossRef]
- Ding, X.; Sun, L.; Huang, X.; Zhao, Z. Research on three-roll screw rolling process for Ti6Al4V titanium alloy bar, High Temp. Mater. Process. 2019, 38, 178–182. [Google Scholar] [CrossRef]
- Stefanik, A.; Szota, P.; Mroz, S.; Bajor, T.; Dyja, H. Properties of the AZ31 magnesium alloy round bars obtained in different rolling processes Arch. Metall. Mater. 2015, 60, 3001–3005. [Google Scholar] [CrossRef]
- Diez, M.; Kim, H.; Serebryany, V.; Dobatkin, S.; Estrin, Y. Improving the mechanical properties of pure magnesium by three-roll planetary milling. Mater. Sci. Eng. A 2014, 612, 287–292. [Google Scholar] [CrossRef]
- Stefanik, A.; Morel, A.; Mroz, S.; Szota, P. Theoretical and experimental analysis of aluminum bars rolling process in three-high skew rolling mill. Arch. Metall. Mater. 2015, 60, 809–813. [Google Scholar] [CrossRef]
- Akopyan, T.K.; Gamin, Y.V.; Galkin, S.P.; Prosviryakov, A.S.; Aleshchenko, A.S.; Noshin, M.A.; Koshmin, A.N.; Fomin, A.V. Radial-shear rolling of high-strength aluminum alloys: Finite element simulation and analysis of microstructure and mechanical properties. Mater. Sci. Eng. A 2020, 786, 139424. [Google Scholar] [CrossRef]
- Arbuz, A.; Kawalek, A.; Ozhmegov, K.; Dyja, H.; Panin, E.; Lepsibayev, A.; Sultanbekov, S.; Shamenova, R. Using of Radial-Shear Rolling to Improve the Structure and Radiation Resistance of Zirconium-Based Alloys. Materials 2020, 13, 4306. [Google Scholar] [CrossRef]
- Potapov, I.N.; Polukhin, P.I. Technology of Screw Rolling; Metallurgy: Moscow, Russia, 1990. [Google Scholar]
- Galkin, S.P. Radial shear rolling as an optimal technology for lean production. Steel Transl. 2014, 44, 61–64. [Google Scholar] [CrossRef]
- Romantsev, B.A.; Skripalenko, M.M.; Skripalenko, M.N.; Hui, C.B. Modeling the Piercing of Semifinished Products in a Three-Roll Rotary Rolling Mill on a Hollow Mandrel. Metallurgist 2015, 59, 557–561. [Google Scholar] [CrossRef]
- Naizabekov, A.; Lezhnev, S.; Arbuz, A.; Panin, E. The effect of radial-shear rolling on microstructure and mechanical properties of stainless austenitic steel AISI-321. MATEC Web Conf. 2018, 190, 11003. [Google Scholar] [CrossRef][Green Version]
- Akopyan, T.K.; Belov, N.A.; Aleshchenko, A.S.; Galkin, S.P.; Gamin, Y.V.; Gorshenkov, M.V.; Cheverikin, V.V.; Shurkin, P.K. Formation of the gradient microstructure of a new Al alloy based on the Al-Zn-Mg-Fe-Ni system processed by radial-shear rolling. Mater. Sci. Eng. A 2019, 746, 134–144. [Google Scholar] [CrossRef]
- Dobatkin, S.; Galkin, S.; Estrin, Y.; Serebryany, V.; Diez, M.; Martynenko, N.; Lukyanova, E.; Perezhogin, V. Grain refinement, texture, and mechanical properties of a magnesium alloy after radial-shear rolling. J. Alloys Compd. 2019, 774, 969–979. [Google Scholar] [CrossRef]
- Stefanik, A.; Szota, P.; Mróz, S.; Bajor, T.; Boczkal, S. Influence of the Deformation Method on the Microstructure Changes in AZ31 Magnesium Alloy Round Rods Obtained by the Rolling Process. Key Eng. Mater. 2016, 716, 864–870. [Google Scholar] [CrossRef]
- Stefanik, A.; Szota, P.; Mroz, S. Analysis of the Effect of Rolling Speed on the Capability to Produce Bimodal-Structure AZ31 Alloy Bars in the Three-High Skew Rolling Mill. Arch. Metall. Mater. 2020, 65, 329–335. [Google Scholar] [CrossRef]
- Hensel, A.; Spittel, T. Kraft und Arbeitsbedarf Bildsamer Formgebungsverfahren; Deutscher Verlag fur Grundstoffindustrie: Leipzig, Germany, 1978. [Google Scholar]
- Lee, B.H.; Shin, K.S.; Lee, C.S. High temperature deformation behavior of AZ31 Mg alloy. Mater. Sci. Forum 2005, 475–479, 2927–2930. [Google Scholar] [CrossRef]
- Fatemi-Varzaneh, S.M.; Zarei-Hanzaki, A.; Beladi, H. Dynamic recrystallization in AZ31 magnesium alloy. Mater. Sci. Eng. A 2007, 456, 52–57. [Google Scholar] [CrossRef]
- Rakshith, M.; Seenuvasaperumal, P. Review on the effect of different processing techniques on the microstructure and mechanical behaviour of AZ31 Magnesium alloy. J. Magn. Alloy. 2021, 15, 1692–1714. [Google Scholar] [CrossRef]
- Prasad, Y.V.R.K.; Rao, K.P. Effect of homogenization on the hot deformation behavior of cast AZ31 magnesium alloy. Mater. Des. 2009, 30, 3723–3730. [Google Scholar] [CrossRef]
- Galkin, S.P. Regulating radial-shear and screw rolling on the basis of the metal trajectory. Steel Transl. 2004, 34, 57–60. [Google Scholar]
- Szota, P.; Mróz, S.; Stefanik, A.; Mola, R. Analysis of the AZ31 magnesium alloy bars rolling process in modified stretching passes. Mater. Test. 2015, 46, 285–293. [Google Scholar] [CrossRef]












| Chemical Composition, % Mass | ||||||
|---|---|---|---|---|---|---|
| Mg | Mn | Cu | Zn | Al | Si | Fe |
| balance | 0.47 | 0.05 | 0.99 | 3.5 | 0.1 | 0.01 |
| A | m1 | m2 | m3 | m4 | m5 | m7 | m8 | m9 |
|---|---|---|---|---|---|---|---|---|
| 0.684788 | −0.00721633 | 0.342418 | 0.02864 | 0.000230534 | −0.00439388 | −0.08198 | 0.0002181 | 1.41094 |
| Rolling Variants | Initial Diameter 30 mm | Diameter after Pass | |||||
|---|---|---|---|---|---|---|---|
| Rolls Diameter 90 mm | Rolls Diameter 73 mm | ||||||
| Pass 1 | Pass 2 | Pass 3 | Pass 4 | Pass 5 | Pass 6 | ||
| I | diameter (mm) | 27.00 | 24.00 | 21.00 | 19.00 | 17.00 | 15.00 |
| elongation | 1.23 | 1.26 | 1.30 | 1.22 | 1.24 | 1.28 | |
| deformation | 0.100 | 0.111 | 0.125 | 0.095 | 0.105 | 0.118 | |
| cross-section reduction (%) | 19.0 | 21.0 | 23.4 | 18.1 | 19.9 | 22.1 | |
| II | diameter (mm) | 27.00 | 24.00 | 20.00 | 15.00 | ||
| elongation | 1.23 | 1.27 | 1.44 | 1.78 | |||
| deformation | 0.100 | 0.111 | 0.167 | 0.250 | |||
| cross-section reduction (%) | 19.0 | 21.0 | 30.6 | 43.8 | |||
| III | diameter (mm) | 25.00 | 20.00 | 15.00 | |||
| Elongation | 1.44 | 1.56 | 1.78 | ||||
| Deformation | 0.167 | 0.200 | 0.250 | ||||
| cross-section reduction (%) | 30.6 | 36.0 | 43.8 | ||||
| Minimum, μm | Maximum, μm | Average, μm | ||
|---|---|---|---|---|
| Initial | 150 | 800 | 500 | |
| Variant I | surface zone | 2 | 12 | 4 |
| middle zone | 2 | 35 | 18 | |
| central zone | 4 | 63 | 37 | |
| Variant II | surface zone | 2 | 38 | 5 |
| middle zone | 2 | 43 | 26 | |
| central zone | 4 | 52 | 41 | |
| Variant III | surface zone | 2 | 41 | 5 |
| middle zone | 3 | 49 | 27 | |
| central zone | 4 | 63 | 48 | |
Publisher’s Note: MDPI stays neutral with regard to jurisdictional claims in published maps and institutional affiliations. |
© 2022 by the authors. Licensee MDPI, Basel, Switzerland. This article is an open access article distributed under the terms and conditions of the Creative Commons Attribution (CC BY) license (https://creativecommons.org/licenses/by/4.0/).
Share and Cite
Stefanik, A.; Szota, P.; Mróz, S.; Wachowski, M. Changes in the Properties in Bimodal Mg Alloy Bars Obtained for Various Deformation Patterns in the RSR Rolling Process. Materials 2022, 15, 954. https://doi.org/10.3390/ma15030954
Stefanik A, Szota P, Mróz S, Wachowski M. Changes in the Properties in Bimodal Mg Alloy Bars Obtained for Various Deformation Patterns in the RSR Rolling Process. Materials. 2022; 15(3):954. https://doi.org/10.3390/ma15030954
Chicago/Turabian StyleStefanik, Andrzej, Piotr Szota, Sebastian Mróz, and Marcin Wachowski. 2022. "Changes in the Properties in Bimodal Mg Alloy Bars Obtained for Various Deformation Patterns in the RSR Rolling Process" Materials 15, no. 3: 954. https://doi.org/10.3390/ma15030954
APA StyleStefanik, A., Szota, P., Mróz, S., & Wachowski, M. (2022). Changes in the Properties in Bimodal Mg Alloy Bars Obtained for Various Deformation Patterns in the RSR Rolling Process. Materials, 15(3), 954. https://doi.org/10.3390/ma15030954

