Influence of Build Orientation, Chamber Temperature and Infill Pattern on Mechanical Properties of 316L Parts Manufactured by Bound Metal Deposition
Abstract
1. Introduction
2. Materials and Methods
2.1. Build Orientation
2.2. Chamber Temperature
2.3. Infill Pattern
2.4. Characterization
3. Results and Discussion
3.1. As-Built Parts
3.2. Microstructural Analysis
3.3. Porosity
3.4. Vickers Microindentation Hardness
| Experiment/Condition | Mean Hardness (HV) | Standard Deviation | Reference |
|---|---|---|---|
| 1 (X-room-concentric) | 122 | 10 | This study |
| 2 (Z-room-concentric) | 124 | 7 | This study |
| 3 ((X-50-concentric) | 124 | 8 | This study |
| 4 (Z-50-concentric) | 125 | 3 | This study |
| 5 (X-50-lines) | 121 | 3 | This study |
| 316L-PBF | ~230–280 | [32,33,34,35] | |
| 316L-casting | ~165 | [33] |
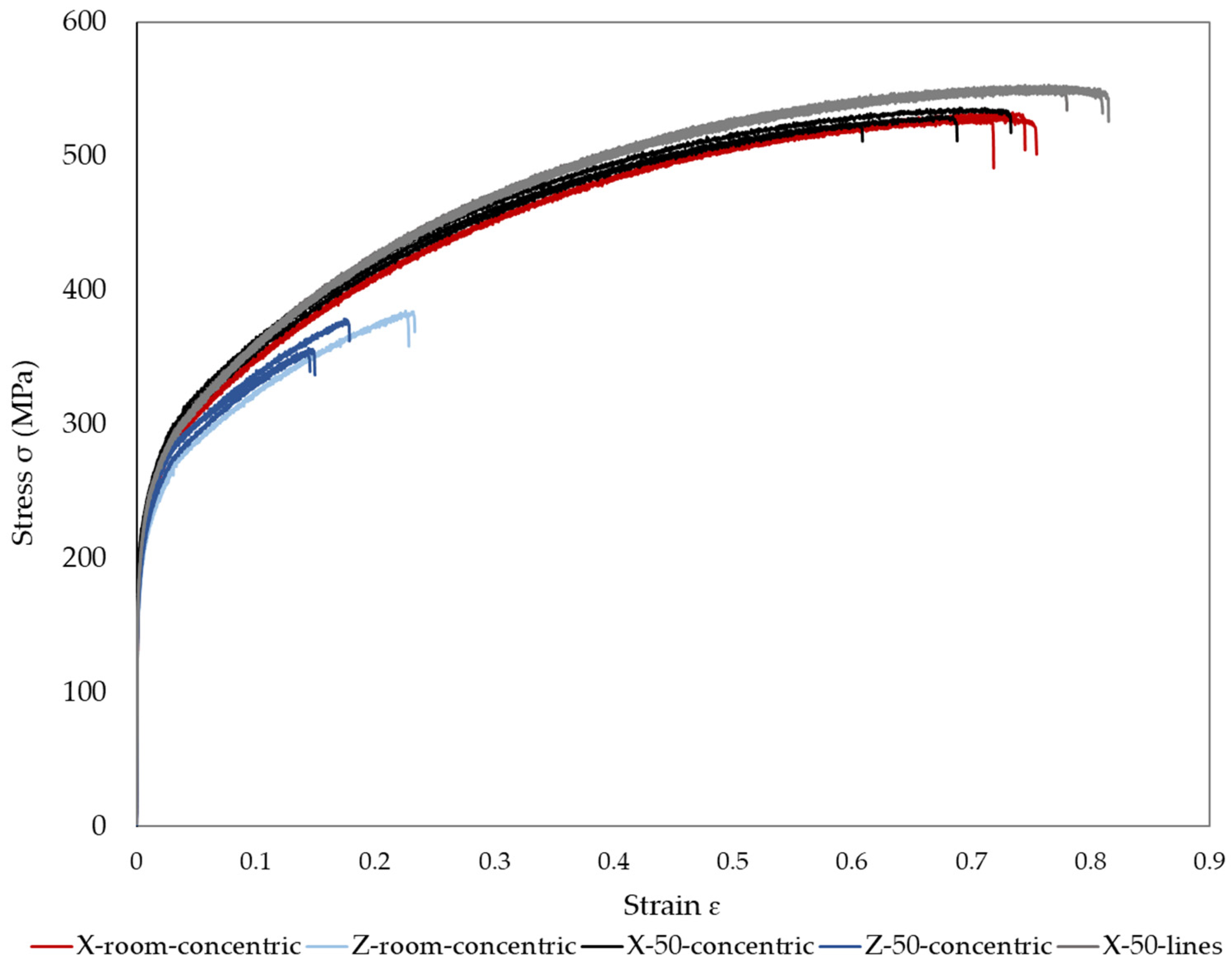
3.5. Tensile Test
| Experiment/Condition | UTS (Mpa) | Elongation at Break (%) | Area Reduction (%) | Reference | |
|---|---|---|---|---|---|
| 1 (X-room-concentric) | 189 | 530 | 74 | 41 | This study |
| 2 (Z-room-concentric) | 182 | 384 | 23 | 12 | This study |
| 3 (X-50-concentric) | 199 | 530 | 67 | 39 | This study |
| 4 (Z-50-concentric) | 182 | 363 | 15 | 12 | This study |
| 5 (X-50-lines) | 197 | 552 | 80 | 43 | This study |
| 316L-PBF | ~640–750 | [32,33,35] | |||
| 316L-casting | ~450–485 | [33,38] |
4. Conclusions
Author Contributions
Funding
Institutional Review Board Statement
Informed Consent Statement
Data Availability Statement
Acknowledgments
Conflicts of Interest
References
- Ma, M.; Hu, Z.; Zhang, K.; Wang, Z.; Zhang, H. A metal additive manufacturing methodology: Pneumatic extruding direct-writing deposition. Addit. Manuf. 2021, 46, 102217. [Google Scholar] [CrossRef]
- Herzog, D.; Seyda, V.; Wycisk, E.; Emmelmann, C. Additive manufacturing of metals. Acta Mater. 2016, 117, 371–392. [Google Scholar] [CrossRef]
- Dutta, B.; Babu, S.; Jared, B. Science, Technology and Applications of Metals in Additive Manufacturing; Elsevier: Amsterdam, The Netherlands, 2019; ISBN 9780128166345. [Google Scholar]
- Frazier, W.E. Metal additive manufacturing: A review. J. Mater. Eng. Perform. 2014, 23, 1917–1928. [Google Scholar] [CrossRef]
- Gonzalez-Gutierrez, J.; Cano, S.; Schuschnigg, S.; Kukla, C.; Sapkota, J.; Holzer, C. Additive manufacturing of metallic and ceramic components by the material extrusion of highly-filled polymers: A review and future perspectives. Materials 2018, 11, 840. [Google Scholar] [CrossRef] [PubMed]
- Nurhudan, A.I.; Supriadi, S.; Whulanza, Y.; Saragih, A.S. Additive manufacturing of metallic based on extrusion process: A review. J. Manuf. Process. 2021, 66, 228–237. [Google Scholar] [CrossRef]
- Annoni, M.; Giberti, H.; Strano, M. Feasibility Study of an Extrusion-based Direct Metal Additive Manufacturing Technique. Procedia Manuf. 2016, 5, 916–927. [Google Scholar] [CrossRef]
- Munir, K.; Biesiekierski, A.; Wen, C.; Li, Y. Selective laser melting in biomedical manufacturing. Met. Biomater. Process. Med. Device Manuf. 2020, 235–269. [Google Scholar] [CrossRef]
- Tang, X.; Zhang, S.; Zhang, C.; Chen, J.; Zhang, J.; Liu, Y. Optimization of laser energy density and scanning strategy on the forming quality of 24CrNiMo low alloy steel manufactured by SLM. Mater. Charact. 2020, 170, 110718. [Google Scholar] [CrossRef]
- Fette, M.; Sander, P.; Wulfsberg, J.; Zierk, H.; Herrmann, A.; Stoess, N. Optimized and Cost-Efficient Compression Molds Manufactured by Selective Laser Melting for the Production of Thermoset Fiber Reinforced Plastic Aircraft Components. Procedia CIRP 2015, 35, 25–30. [Google Scholar] [CrossRef]
- Vaezi, M.; Drescher, P.; Seitz, H. Beamless Metal Additive Manufacturing. Materials 2020, 13, 922. [Google Scholar] [CrossRef]
- Rane, K.; Strano, M. A comprehensive review of extrusion-based additive manufacturing processes for rapid production of metallic and ceramic parts. Adv. Manuf. 2019, 7, 155–173. [Google Scholar] [CrossRef]
- Syrlybayev, D.; Zharylkassyn, B.; Seisekulova, A.; Akhmetov, M.; Perveen, A.; Talamona, D. Optimisation of strength properties of FDM printed parts—A critical review. Polymers 2021, 13, 1587. [Google Scholar] [CrossRef] [PubMed]
- Desktop Metal Deep Dive: Bound Metal Deposition (BMD). Available online: https://www.desktopmetal.com/resources/deep-dive-bmd (accessed on 16 September 2021).
- Bose, A.; Schuh, C.A.; Tobia, J.C.; Tuncer, N.; Mykulowycz, N.M.; Preston, A.; Barbati, A.C.; Kernan, B.; Gibson, M.A.; Krause, D.; et al. Traditional and additive manufacturing of a new Tungsten heavy alloy alternative. Int. J. Refract. Met. Hard Mater. 2018, 73, 22–28. [Google Scholar] [CrossRef]
- Al-Maharma, A.Y.; Patil, S.P.; Markert, B. Effects of porosity on the mechanical properties of additively manufactured components: A critical review. Mater. Res. Express 2020, 7, 122001. [Google Scholar] [CrossRef]
- Lepoivre, A.; Boyard, N.; Levy, A.; Sobotka, V. Heat transfer and adhesion study for the FFF additive manufacturing process. Procedia Manuf. 2020, 47, 948–955. [Google Scholar] [CrossRef]
- Wahab Hashmi, A.; Singh Mali, H.; Meena, A. Improving the surface characteristics of additively manufactured parts: A review. Mater. Today Proc. 2021. [Google Scholar] [CrossRef]
- Ligon, S.C.; Liska, R.; Stampfl, J.; Gurr, M.; Mülhaupt, R. Polymers for 3D Printing and Customized Additive Manufacturing. Chem. Rev. 2017, 117, 10212–10290. [Google Scholar] [CrossRef]
- Watson, A.; Belding, J.; Ellis, B.D. Characterization of 17-4 PH Processed via Bound Metal Deposition (BMD). In Proceedings of the TMS 2020 149th Annual Meeting & Exhibition Supplemental Proceedings, San Diego, CA, USA, 23–27 February 2020; Springer: Cham, Switzerland, 2020; pp. 205–216. [Google Scholar]
- ASTM E8/E8M-21; Standard Test Methods for Tension Testing of Metallic Materials. ASTM International: West Conshohocken, PA, USA, 2021. [CrossRef]
- Spierings, A.B.; Schneider, M.; Eggenberger, R. Comparison of density measurement techniques for additive manufactured metallic parts. Rapid Prototyp. J. 2011, 17, 380–386. [Google Scholar] [CrossRef]
- Gregorutti, R.W.; Elsner, C.I.; Garrido, L.; Ozols, A. Corrosion in 316L Porous Prostheses Obtained by Gelcasting. Procedia Mater. Sci. 2015, 9, 279–284. [Google Scholar] [CrossRef][Green Version]
- Vahabli, E.; Rahmati, S. Application of an RBF neural network for FDM parts’ surface roughness prediction for enhancing surface quality. Int. J. Precis. Eng. Manuf. 2016, 17, 1589–1603. [Google Scholar] [CrossRef]
- Ibrahim, D.; Ding, S.; Sun, S. Roughness Prediction For FDM Produced Surfaces. In Proceedings of the International Conference Recent treads in Engineering & Technology (ICRET 2014), Istanbul, Turkey, 2–3 September 2014; RMIT University: Batam, Indonesia, 2014; pp. 70–74. [Google Scholar]
- Aitchison, A.; Wang, Q. Localised Pre-Heating to Improve Inter-Layer Delamination Strength in Fused Deposition Modelling. In Proceedings of the International Design Engineering Technical Conferences and Computers and Information in Engineering Conference, Anaheim, CA, USA, 18–21 August 2019; American Society of Mechanical Engineers: Anaheim, CA, USA, 2019; p. 59223. [Google Scholar]
- Polyzosa, E.; Hemelrijck, D.V.; Pyl, L. Numerical modelling of the elastic properties of 3D-printed specimens of thermoplastic matrix reinforced with continuous fibres. Compos. Part. B Eng. 2021, 211, 108671. [Google Scholar] [CrossRef]
- Papon, E.A.; Haque, A.; Mulani, S.B. Process optimization and stochastic modeling of void contents and mechanical properties in additively manufactured composites. Compos. Part. B Eng. 2019, 177, 107325. [Google Scholar] [CrossRef]
- Desktop Metal. 316L Stainless Steel: Studio SystemTM Office-Friendly Metal 3D Printing Material Data Sheet; Desktop Metal: Burlington, MA, USA, 2019. [Google Scholar]
- Cherry, J.A.; Davies, H.M.; Mehmood, S.; Lavery, N.P.; Brown, S.G.R.; Sienz, J. Investigation into the effect of process parameters on microstructural and physical properties of 316L stainless steel parts by selective laser melting. Int. J. Adv. Manuf. Technol. 2015, 76, 869–879. [Google Scholar] [CrossRef]
- Kurgan, N. Effect of porosity and density on the mechanical and microstructural properties of sintered 316L stainless steel implant materials. Mater. Des. 2014, 55, 235–241. [Google Scholar] [CrossRef]
- Liverani, E.; Toschi, S.; Ceschini, L.; Fortunato, A. Effect of selective laser melting (SLM) process parameters on microstructure and mechanical properties of 316L austenitic stainless steel. J. Mater. Process. Technol. 2017, 249, 255–263. [Google Scholar] [CrossRef]
- Bartolomeu, F.; Buciumeanu, M.; Pinto, E.; Alves, N.; Carvalho, O.; Silva, F.S.; Miranda, G. 316L stainless steel mechanical and tribological behavior—A comparison between selective laser melting, hot pressing and conventional casting. Addit. Manuf. 2017, 16, 81–89. [Google Scholar] [CrossRef]
- Lin, K.; Gu, D.; Xi, L.; Yuan, L.; Niu, S.; Lv, P.; Ge, Q. Selective laser melting processing of 316L stainless steel: Effect of microstructural differences along building direction on corrosion behavior. Int. J. Adv. Manuf. Technol. 2019, 104, 2669–2679. [Google Scholar] [CrossRef]
- Kong, D.; Dong, C.; Ni, X.; Zhang, L.; Yao, J.; Man, C.; Cheng, X.; Xiao, K.; Li, X. Mechanical properties and corrosion behavior of selective laser melted 316L stainless steel after different heat treatment processes. J. Mater. Sci. Technol. 2019, 35, 1499–1507. [Google Scholar] [CrossRef]
- Garg, A.; Bhattacharya, A. An insight to the failure of FDM parts under tensile loading: Finite element analysis and experimental study. Int. J. Mech. Sci. 2017, 120, 225–236. [Google Scholar] [CrossRef]
- Dey, A.; Yodo, N. A systematic survey of FDM process parameter optimization and their influence on part characteristics. J. Manuf. Mater. Process. 2019, 3, 64. [Google Scholar] [CrossRef]
- Azo Materials. Stainless Steel—Grade 316L—Properties, Fabrication and Applications (UNS S31603); Manchester, UK, 2004; Available online: https://www.azom.com/article.aspx?ArticleID=2382 (accessed on 16 September 2021).













| Experiment | Build Orientation | Chamber Temperature | Infill Pattern |
|---|---|---|---|
| 1 | x axis | Room temperature | Concentric |
| 2 | z axis | Room temperature | Concentric |
| 3 | x axis | 50 °C | Concentric |
| 4 | z axis | 50 °C | Concentric |
| 5 | x axis | 50 °C | Lines |
| Experiment | Mean Porosity (%) | Standard Deviation |
|---|---|---|
| 1 (X-room-concentric) | 5.58 | 0.48 |
| 2 (Z-room-concentric) | 6.66 | 0.48 |
| 3 (X-50-concentric) | 5.76 | 0.47 |
| 4 (Z-50-concentric) | 6.47 | 0.28 |
| 5 (X-50-lines) | 4.37 | 0.53 |
Publisher’s Note: MDPI stays neutral with regard to jurisdictional claims in published maps and institutional affiliations. |
© 2022 by the authors. Licensee MDPI, Basel, Switzerland. This article is an open access article distributed under the terms and conditions of the Creative Commons Attribution (CC BY) license (https://creativecommons.org/licenses/by/4.0/).
Share and Cite
Gabilondo, M.; Cearsolo, X.; Arrue, M.; Castro, F. Influence of Build Orientation, Chamber Temperature and Infill Pattern on Mechanical Properties of 316L Parts Manufactured by Bound Metal Deposition. Materials 2022, 15, 1183. https://doi.org/10.3390/ma15031183
Gabilondo M, Cearsolo X, Arrue M, Castro F. Influence of Build Orientation, Chamber Temperature and Infill Pattern on Mechanical Properties of 316L Parts Manufactured by Bound Metal Deposition. Materials. 2022; 15(3):1183. https://doi.org/10.3390/ma15031183
Chicago/Turabian StyleGabilondo, Maitane, Xabier Cearsolo, Mario Arrue, and Francisco Castro. 2022. "Influence of Build Orientation, Chamber Temperature and Infill Pattern on Mechanical Properties of 316L Parts Manufactured by Bound Metal Deposition" Materials 15, no. 3: 1183. https://doi.org/10.3390/ma15031183
APA StyleGabilondo, M., Cearsolo, X., Arrue, M., & Castro, F. (2022). Influence of Build Orientation, Chamber Temperature and Infill Pattern on Mechanical Properties of 316L Parts Manufactured by Bound Metal Deposition. Materials, 15(3), 1183. https://doi.org/10.3390/ma15031183

