Effects of Heat Treatment and Severe Surface Plastic Deformation on Mechanical Characteristics, Fatigue, and Wear of Cu-10Al-5Fe Bronze
Abstract
1. Introduction
2. Materials and Methods
2.1. Material
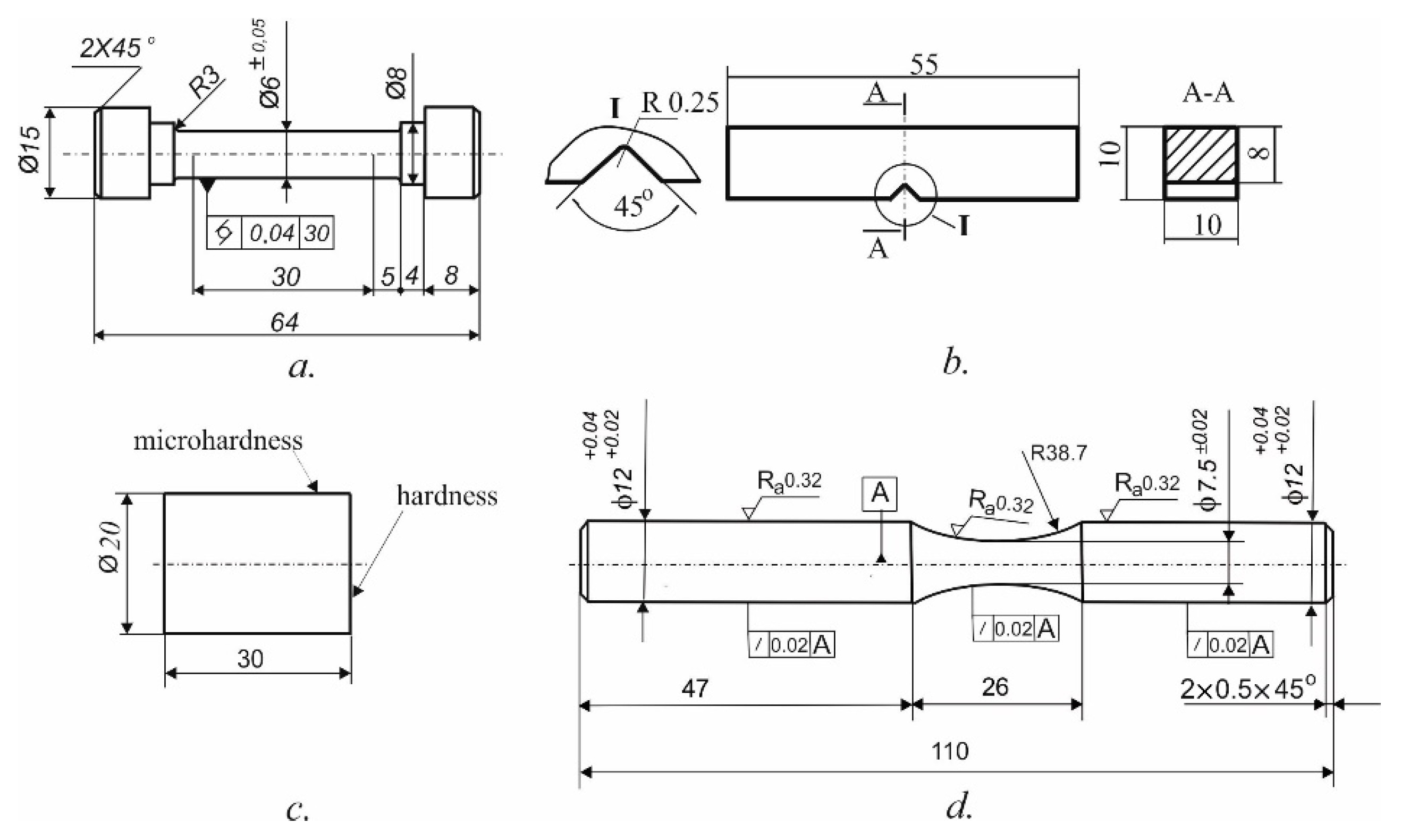
2.2. Specimen Treatment
2.3. Microstrucutre
2.4. Mechanical Characteristic
2.4.1. Tensile Test
2.4.2. Impact Toughness
2.4.3. Hardness
2.5. Surface Integrity
2.6. Operating Behaviour
2.6.1. Fatigue Tests
2.6.2. Sliding Wear Tests
3. Results and Discussion
3.1. Effect of the HT and DB on the Microstructure
3.2. Effect of HT on the Mechanical Characteristics
3.3. Effects of HT and DB on the SI
3.4. Effects of HT and DB on the Fatigue Behaviour
3.5. Effects of HT on the Sliding Wear Resistance
4. Integral Efficiency of Heat Treatment Types of Cu-10Al-5Fe Bronze
5. Conclusions
- All HT groups outperform the first group (as-received). The absence of first-position ranking for as-received group confirms the necessity and usefulness of the proper HT. When the bronze component operates under rotational bending conditions, the combination of quenching at 920 °C in water, subsequent tempering at 300 °C for three hours, and DB provides maximum fatigue strength for both low-cycle and mega-cycle fatigue. Opposite trends were found for friction and mass wear in the heat-treated bronze-hardened steel tribo-system under dry sliding wear behaviour. (1) When the requirement is for minimal friction to minimise the generated heat, quenching at 920 °C in water and subsequent tempering at 300 °C for three hours is most suitable. (2) When the goal is to minimise the mass wear of the bronze specimen, the most suitable HT is annealing at 720 °C.
- Maximum static strength is provided after quenching at 920 °C in water, and maximum plasticity after annealing at 720 °C. For bronze components operating under impact load conditions, the most suitable HT is quenching at 920 °C in water and subsequent tempering at 600 °C for three hours.
- Quenching at 920 °C in water and subsequent tempering at 300 °C for three hours provides the maximum integral efficiency for the HT of Cu-10Al-5Fe IAB and therefore it is appropriate for wider industrial applications.
Author Contributions
Funding
Institutional Review Board Statement
Informed Consent Statement
Data Availability Statement
Conflicts of Interest
Abbreviations
| DB | Diamond burnishing |
| HT | Heat treatment |
| IAB | Iron-aluminium bronze |
| SI | Surface integrity |
| SPD | Surface plastic deformation |
| XRD | X-ray diffraction |
References
- Brezina, P. Heat treatment of complex aluminium bronzes. Int. Met. Rev. 1982, 27, 77–120. [Google Scholar] [CrossRef]
- Alam, S.; Marshallt, R.I.; Sasaki, S. Metallurgical and tribological investigations of aluminium bronze bushes made by a novel centrifugal casting technique. Tribol. Int. 1996, 29, 487–492. [Google Scholar] [CrossRef]
- Vu, A.T.; Nguyen, D.N.; Pham, X.D.; Tran, D.H.; Vuong, V.H.; Pham, M.K. Influence of strengthening phases on the microstructure and mechanical properties of CuAl9Fe4 alloy. Int. J. Sci. Eng. Res. 2018, 9, 346–351. [Google Scholar]
- Nguyen, D.N.; Vu, A.T.; Nguyen, H.Y.; Dao, V.L.; Pham, M.K. A study of phase transformation in shape memory alloy CuAl9Fe4. J. Mech. Eng. Res. Dev. 2019, 42, 72–75. [Google Scholar]
- Chau, M.Q.; Vu, A.T.; Le, T.S.; Mai, V.T.; Nguyen, D.N.; Doan, X.T.; Do, H.C.; Nguyen, D.T. Influence of tempering time on microstructure and mechanical properties of CuAl9Fe4 alloy. J. Mech. Eng. Res. Dev. 2021, 44, 75–85. [Google Scholar]
- Pham, M.K.; Vu, A.T.; Le, T.N.; Nguyen, D.N. The influence of thermo-mechanical treatment on phase transformation and shape memory effect of CuAl9Fe4Ni2 alloy. Mater. Res. Express 2021, 8, 106527. [Google Scholar]
- Dogan, Z.E.; Kahriman, F.; Atapek, S.H. Microstructural and thermal characterization of aluminium bronzes. Kocaeli J. Sci. Eng. 2018, 1, 6–10. [Google Scholar] [CrossRef]
- Hasan, F.; Lorimer, G.; Ridley, N. Crystallography of martensite in a Cu-10Al-5Ni-5Fe alloy. J. Phys. Colloq. 1982, 43, C4–C653. [Google Scholar] [CrossRef]
- Slama, P.; Dlouhy, J.; Kövér, M. Influence of heat treatment on the microstructure and Mechanical properties of aluminium bronze. Mater. Technol. 2014, 48, 599–604. [Google Scholar]
- Jain, P.; Nigam, P.K. Influence of heat treatment on microstructure and hardness of nickel aluminium bronze (Cu-10Al-5Ni-5Fe). J. Mech. Civ. Eng. 2013, 4, 16–21. [Google Scholar] [CrossRef]
- Aaltonen, P.; Klemetti, K.; Hannien, H. Effect of tempering on corrosion and mechanical properties of cast aluminium bronzes. Scand. J. Metall. 1985, 14, 233–242. [Google Scholar]
- Mi, G.; Zhang, J.; Wang, H. The effect of ageing heat treatment on the mechanical properties of Cu-Al-Fe-(x) alloys. Key Eng. Mater. 2011, 467–469, 257–262. [Google Scholar] [CrossRef]
- Matijevic, B.; Sushma, T.S.K.; Prathvi, B.K. Effect of heat treatment parameters on the mechanical properties and microstructure of aluminium bronze. Tech. J. 2017, 11, 107–110. [Google Scholar]
- Sadawy, M.M. The influence of heat treatment on tribological properties of Cu-Al-Fe-Ni shape memory alloy. Egypt. Int. J. Eng. Sci. Technol. 2020, 29, 43–50. [Google Scholar] [CrossRef]
- Hajek, J.; Kriz, A.; Chocholaty, O.; Pakula, D. Effect of heat treatment on microstructural changes in aluminium bronze. Arch. Metall. Mater. 2016, 61, 1271–1276. [Google Scholar] [CrossRef]
- Ciurdas, M.; Gherghesku, I.A.; Ciuca, S.; Necsulescu, A.D.; Cotrut, C.; Dumitrescu, R.E. Heat treatment influence on the corrosion resistance of a Cu-Al-Fe-Mn bronze. Rev. Chim. 2018, 69, 1055–1059. [Google Scholar] [CrossRef]
- Gupta, R.D.; Chakravarty, D.P.; Chakravarty, R.; Gupte, P.K. Study of microstructure of chill cast aluminium bronzes (Cu-Al-Fe-Mn). In Symposium on Non-Ferrous Metals Technology: Papers for Presentation, 4th–7th December 1968; National Metallurgical Laboratory (CSIR): Jamshedrup, India, 1968. [Google Scholar]
- Ocejo, I.C.; Moraleda, M.V.B.; Linhard, P. Corrosion behaviour of heat-treated nickel-aluminium bronze and manganese-aluminium bronze in natural waters. Metals 2022, 12, 380. [Google Scholar] [CrossRef]
- Yasar, M.; Altunpac, Y. The effect of ageing heat treatment on sliding wear behaviour of Cu-Al-Fe alloys. Mater. Des. 2009, 30, 878–884. [Google Scholar] [CrossRef]
- Mi, G.; Zhang, J.; Lv, S.; Wang, P. The effect of ageing heat treatment on the sliding wear behaviour of Cu-Al-Fe-(x) alloys. Adv. Mater. Res. 2011, 219–220, 195–201. [Google Scholar] [CrossRef]
- Muhammad, K.Y.; Muhammad, M.; Haider, A.A.; Sajawal, H.; Saheed, K. Effect of heat treatment on tribological characteristics of CuAl10Ni5Fe4 nickel aluminium bronze. Key Eng. Mater. 2018, 778, 61–67. [Google Scholar]
- Duncheva, G.V.; Maximov, J.T.; Dunchev, V.P.; Anchev, A.P.; Atanasov, T.P. Improvement in fatigue performance of 2024-T3 Al alloy via single toroidal roller burnishing. J. Mater. Eng. Perform. 2021, 30, 2256–2266. [Google Scholar] [CrossRef]
- Maximov, J.T.; Duncheva, G.V.; Anhev, A.P.; Dunchev, V.P.; Capec, J. A cost-effective optimization approach for improving the fatigue strength of diamond-burnished steel components. J. Braz. Soc. Mech. Sci. Eng. 2021, 43, 33. [Google Scholar] [CrossRef]
- Maximov, J.T.; Duncheva, G.V.; Anchev, A.P.; Dunchev, V.P.; Ichkova, M.D. Improvement in fatigue strength of 41Cr4 steel through slide diamond burnishing. J. Braz. Soc. Mech. Sci. Eng. 2020, 42, 197. [Google Scholar] [CrossRef]
- Maximov, J.T.; Anchev, A.P.; Duncheva, G.V.; Ganev, N.; Selimov, K.F.; Dunchev, V.P. Impact of slide diamond burnishing additional parameters on fatigue behaviour of 2024-T3 Al alloy. Fatigue Fract. Eng. Mater. Struct. 2019, 42, 363–373. [Google Scholar] [CrossRef]
- Maximov, J.T.; Anchev, A.P.; Dunchev, V.P.; Ganev, N.; Duncheva, G.V.; Selimov, K.F. Effect of slide burnishing basic parameters on fatigue performance of 2024-T3 high-strength aluminium alloy. Fatigue Fract. Eng. Mater. Struct. 2017, 40, 1893–1904. [Google Scholar] [CrossRef]
- Swirad, S. The effect of burnishing parameters on steel fatigue strength. Nonconv. Technol. Rev. 2007, 1, 113–118. [Google Scholar]
- Korzynski, M.; Lubas, J.; Swirad, S.; Dudek, K. Surface layer characteristics due to slide diamond burnishing with a cylindrical ended tool. J. Mater. Process. Technol. 2011, 211, 84–94. [Google Scholar] [CrossRef]
- Korzynski, M.; Pacana, A.; Cwanek, J. Fatigue strength of chromium coated elements and possibility of its improvement with slide diamond burnishing. Surf. Coat. Technol. 2009, 203, 1670–1676. [Google Scholar] [CrossRef]
- Luo, H.; Liu, J.; Wang, L.; Zhong, Q. The effect of burnishing parameters on burnishing force and surface microhardness. Int. J. Adv. Manuf. Technol. 2006, 28, 707–713. [Google Scholar] [CrossRef]
- Luo, H.; Liu, J.; Zhong, Q. Investigation of the burnishing process with PCD tool on non-ferrous metals. Int. J. Adv. Manuf. Technol. 2005, 25, 454–459. [Google Scholar] [CrossRef]
- Shiou, F.J.; Banh, Q.N. Development of an innovative small ball-burnishing tool embedded with a load cell. Int. J. Adv. Manuf. Technol. 2016, 87, 31–41. [Google Scholar] [CrossRef]
- Eranno, A.; Doudard, C.; Moyne, S.; Calloch, S.; Millot, T.; Bellevre, D. Validation of a high cycle fatigue model via calculation/test comparisons at structural scale: Application to copper alloy sand-cast ship propellers. Int. J. Fatigue 2015, 74, 38–45. [Google Scholar]
- Wang, S.; Shen, W.; Guo, J.; Yuan, T.; Qiu, Y.; Tao, Q. Engineering prediction of fatigue strength for copper alloy netting structure by experimental method. Aquac. Eng. 2020, 90, 102087. [Google Scholar] [CrossRef]
- Altenberger, I.; Kuhn, H.A.; Müller, H.R. Material properties of high-strength beryllium-free copper alloys. Int. J. Mater. Product Technol. 2015, 50, 124–146. [Google Scholar] [CrossRef]
- Liu, R.; Tian, Y.; Zhang, Z.; An, X.; Zhang, P.; Zhang, Z. Exceptional high fatigue strength in Cu-15at.%Al alloy with moderate grain size. Sci. Rep. 2016, 6, 27433. [Google Scholar] [CrossRef] [PubMed]
- Gao, Y.; Yang, W.; Huang, Z.; Lu, Z. Effects of residual stress and surface roughness on the fatigue life of nickel-aluminium bronze alloy under laser shock peening. Eng. Fract. Mech. 2021, 244, 107524. [Google Scholar] [CrossRef]
- Mahoney, M.; Fuller, C.; Bingel, W.; Calabrese, M. Friction Stir Processing of Cast NiAl Bronze. Mater. Sci. Forum. 2007, 539–543, 3721–3726. [Google Scholar] [CrossRef]
- Duncheva, G.V.; Maximov, J.T.; Anchev, A.P.; Dunchev, V.P.; Argirov, Y.B.; Ganev, N.; Capek, J. Fatigue strength improvement in CuAl8Fe3 bronze via diamond burnishing. J. Braz. Soc. Mech. Sci. Eng. 2021, 43, 569. [Google Scholar] [CrossRef]
- Filinov, S.A.; Figer, I.V. Thermist’s Handbook; Mashinostroyeniye: Moscow, Russian, 1964. (In Russian) [Google Scholar]
- Duncheva, G.V.; Maximov, J.T.; Anchev, A.P.; Dunchev, V.P.; Argirov, Y.B.; Ganev, N.; Drumeva, D.K. Improvement of surface integrity of CuAl8Fe3 bronze via diamond burnishing. Int. J. Adv. Manuf. Technol. 2022, 119, 5885–5902. [Google Scholar] [CrossRef]
- Duncheva, G.V.; Maximov, J.T.; Anchev, A.P.; Dunchev, V.P.; Argirov, Y.B. Improvement in wear resistance performance of CuAl8Fe3 single-phase aluminium bronze via slide diamond burnishing. J. Mater. Eng. Perform. 2022, 31, 2466–2478. [Google Scholar] [CrossRef]
- ISO 6892-1:2019; Metallic Materials-Tensile Testing-Part 1: Method of Test at Room Temperature. ISO: Geneva, Switzerland, 2019.
- ISO 148-1:2016; Metallic Materials-Charpy Pendulum Impact Test-Part1: Test Method. ISO: Geneva, Switzerland, 2016.
- ISO 6506-1:2014; Brinell Hardness Test-Part 1: Test Method. ISO: Geneva, Switzerland, 2014.
- ISO 6507-1:2018; Metallic Materials-Vickers Hardness Test-Part 1: Test Method. ISO: Geneva, Switzerland, 2018.
- Duncheva, G.V.; Maximov, J.T.; Anchev, A.P.; Dunchev, V.D.; Argirov, Y.B.; Kandeva-Ivanova, M. Enhancement of the wear resistance of CuAl9Fe4 sliding bearing bushings via diamond burnishing. Wear 2022, 510–511, 204491. [Google Scholar] [CrossRef]
- Lv, Y.; Wang, L.; Han, Y.; Xu, X.; Lu, W. Investigation of microstructure and mechanical properties of hot worked NiAl bronze alloy with different deformation degree. Mater. Sci. Eng. A 2015, 643, 17–24. [Google Scholar] [CrossRef]
- Ma, S.; Fu, L.; Shan, A. Enhancing strength-ductility of the aluminium bronze alloy by generating high-density ultrafine annealing twins. Mater. Charact. 2021, 177, 111057. [Google Scholar] [CrossRef]
- Su, J.; Swaminathan, S.; Menon, S.K.; McNelley, T.R. The effect of concurrent straining on phase transformations in NiAl bronze during the friction stir processing thermomechanical cycle. Metall. Mater. Transform. A 2011, 42, 2420–2430. [Google Scholar] [CrossRef]
- Balevski, A. Metal Science; Technika: Sofia, Bulgaria, 1988. (In Bulgarian) [Google Scholar]
- Maximov, J.T.; Duncheva, G.V.; Anchev, A.P.; Ganev, N.; Dunchev, V.P. Effect of cyclic hardening on fatigue performance of slide burnishing components made of low-alloy medium carbon steel. Fatigue Fract. Eng. Mater. Struct. 2019, 42, 1414–1425. [Google Scholar] [CrossRef]


















| Ref. | Heat treatment Parameters | Mechanical Characteristics | Bronze |
|---|---|---|---|
| [3] | Optimal HT mode | Hardness | Cu-9Al-4Fe |
| [5] | Tempering time | Hardness | Cu-9Al-4Fe |
| [9] | Annealing temperature | Hardness | Cu-Al-Ni-Fe Cu-Al-Fe |
| [10] | Quenching and tempering at different temperatures | Hardness | Cu-Al-NI-Fe |
| [11] | Tempering at different temperatures | Hardness; impact toughness | Cu-Al-Fe-Ni Cu-Al-Fe-Mn |
| [12] | Aging time and temperature | Hardness; tensile strength; elongation | Cu-Al-Fe-Be Cu-Al-Fe-Ni |
| [13] | Tempering time and temperature | Hardness | Cu-Al-Fe-Ni |
| Cu | Al | Fe | Mn | Ni | Pb | Zn | Si | Other |
|---|---|---|---|---|---|---|---|---|
| 81.68 | 10.6 | 5.70 | 0.59 | 0.42 | 0.117 | 0.061 | 0.022 | Balance |
| № | Criteria (Requirements) | Ranking of Heat Treatment Types (Sample Groups) | ||||
|---|---|---|---|---|---|---|
| I Group | II Group | III Group | IV Group | V Group | ||
| 1 | Static tensile strength | 4 | 5 | 1 | 3 | 2 |
| 2 | Yield limit | 2 | 4 | 1 | 3 | 5 |
| 3 | Plasticity (elongation; cold work) | 5 | 1 | 4 | 3 | 2 |
| 4 | Hardness | 2 | 5 | 4 | 3 | 1 |
| 5 | Surface micro-hardness | 5 | 3 | 2 | 4 | 1 |
| 6 | Impact toughness | 5 | 3 | 2 | 1 | 4 |
| 7 | Fatigue strength | 2 | 5 | 4 | 3 | 1 |
| 8 | Friction | 3 | 5 | 2 | 4 | 1 |
| 9 | Dry sliding wear resistance | 3 | 1 | 4 | 2 | 5 |
| Integral efficiency | 31 | 32 | 24 | 26 | 22 | |
Publisher’s Note: MDPI stays neutral with regard to jurisdictional claims in published maps and institutional affiliations. |
© 2022 by the authors. Licensee MDPI, Basel, Switzerland. This article is an open access article distributed under the terms and conditions of the Creative Commons Attribution (CC BY) license (https://creativecommons.org/licenses/by/4.0/).
Share and Cite
Maximov, J.; Duncheva, G.; Anchev, A.; Dunchev, V.; Argirov, Y.; Todorov, V.; Mechkarova, T. Effects of Heat Treatment and Severe Surface Plastic Deformation on Mechanical Characteristics, Fatigue, and Wear of Cu-10Al-5Fe Bronze. Materials 2022, 15, 8905. https://doi.org/10.3390/ma15248905
Maximov J, Duncheva G, Anchev A, Dunchev V, Argirov Y, Todorov V, Mechkarova T. Effects of Heat Treatment and Severe Surface Plastic Deformation on Mechanical Characteristics, Fatigue, and Wear of Cu-10Al-5Fe Bronze. Materials. 2022; 15(24):8905. https://doi.org/10.3390/ma15248905
Chicago/Turabian StyleMaximov, Jordan, Galya Duncheva, Angel Anchev, Vladimir Dunchev, Yaroslav Argirov, Vladimir Todorov, and Tatyana Mechkarova. 2022. "Effects of Heat Treatment and Severe Surface Plastic Deformation on Mechanical Characteristics, Fatigue, and Wear of Cu-10Al-5Fe Bronze" Materials 15, no. 24: 8905. https://doi.org/10.3390/ma15248905
APA StyleMaximov, J., Duncheva, G., Anchev, A., Dunchev, V., Argirov, Y., Todorov, V., & Mechkarova, T. (2022). Effects of Heat Treatment and Severe Surface Plastic Deformation on Mechanical Characteristics, Fatigue, and Wear of Cu-10Al-5Fe Bronze. Materials, 15(24), 8905. https://doi.org/10.3390/ma15248905

