Study on the Physical and Chemical Properties of Cement-Based Grout Containing Coal–Fly Ash
Abstract
1. Introduction
2. Materials and Methods
2.1. Raw Materials
2.1.1. Cement
2.1.2. Fly Ash
2.1.3. Water
2.2. Test Ratio
2.3. Test Methods
2.3.1. Rheological Test
2.3.2. Strength Test
2.3.3. Micro-Mechanism Study
3. Results
3.1. Rheological Performance Study
3.1.1. Thixotropic Ring
3.1.2. Rheological Parameters
3.2. Strength Characteristics Study
3.2.1. Compressive Strength
3.2.2. Flexural Strength
3.3. Study of Hydration Properties and Micromechanisms
3.3.1. Heat of Hydration
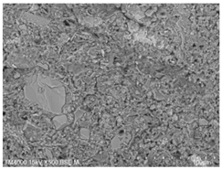
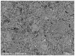
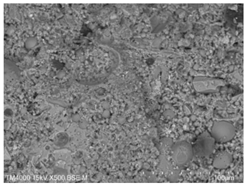
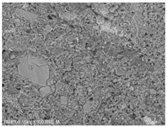
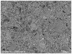
3.3.2. Microscopic Morphology
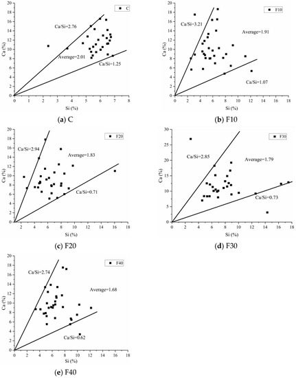
3.3.3. Hole Structure
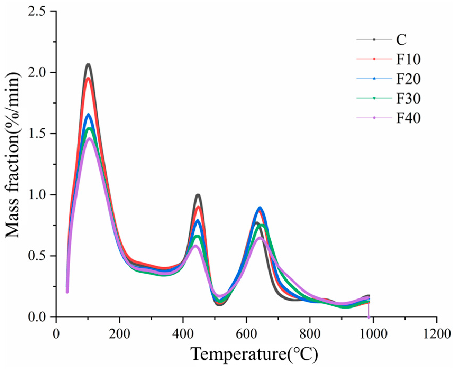
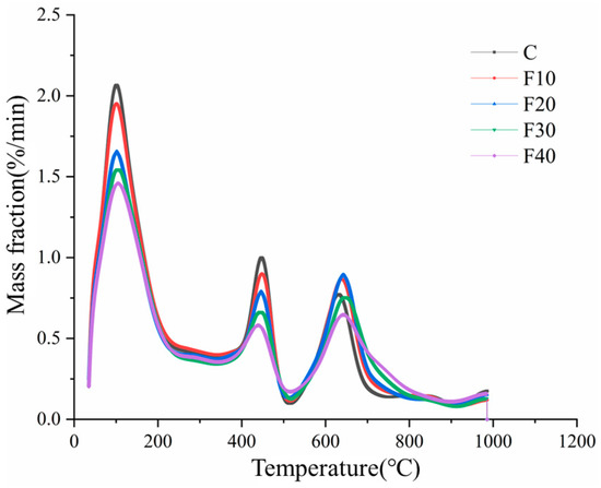
3.3.4. Thermogravimetric Analysis
4. Conclusions
- The inclusion of fly ash reduces the thixotropic area of the composite cement slurry, which is beneficial to the pumping in the pipeline conveying process. The inclusion of fly ash reduces the yield stress and plastic viscosity of the cement slurry, but the rheological index increases and then decreases with the increase in fly ash, and the composite slurry has the lowest degree of shear thinning with 30% fly ash admixture.
- The incorporation of fly ash reduced the hydration exothermic rate and total hydration exothermic amount of the composite slurry and prolonged the hydration induction period, but the promotion effect of fly ash on the hydration rate of cement was obvious with 10% fly ash admixture. The admixture of fly ash increased the empty volume of the composite slurry, but it had little effect on the most probable aperture, and the porosity of the system increased, which led to a decrease in compressive strength.
- The effect of adding fly ash on hydration products is mainly reflected by the C-S-H gel produced by cement hydration and the change in calcium alumina and Ca(OH)2. Fly ash is not directly involved in the hydration reaction of cement, but it can promote cement hydration and increase the reaction rate of cement.
- By analyzing the rheological properties, mechanical properties, and hydration properties of fly ash composite cement slurry, a comprehensive analysis was performed that found that the rheological properties are better when fly ash is mixed with 20–30%, and the water to glue ratio can be reduced to improve the strength without affecting the pumping demand.
Author Contributions
Funding
Data Availability Statement
Conflicts of Interest
References
- Ahmaruzzaman, M. A Review on the Utilization of Fly Ash. Prog. Energ. Combust. 2010, 36, 327–363. [Google Scholar] [CrossRef]
- Feng, H.; Nie, S.; Guo, A.; Lv, L.; Chu, L.; Yu, J. Fresh Properties and Compressive Strength of MPC-based Materials with Blended Mineral Admixtures. Case Stud. Constr. Mater. 2022, 17, e01201. [Google Scholar] [CrossRef]
- Giergiczny, Z. Fly Ash and Slag. Cem. Concr. Res. 2019, 124, 105826. [Google Scholar] [CrossRef]
- Marruzzo, G.; Medici, F.; Panei, L.; Piga, L.; Rinaldi, G. Characteristics and Properties of a Mixture Containing Fly Ash, Hydrated Lime, and an Organic Additive. Environ. Eng. Sci. 2001, 18, 159–165. [Google Scholar] [CrossRef]
- Hallal, A.; Kadri, E.H.; Ezziane, K.; Kadri, A.; Khelafi, H. Combined Effect of Mineral Admixtures with Superplasticizers on the Fluidity of the Blended Cement Slurry. Constr. Build. Mater. 2010, 24, 1418–1423. [Google Scholar] [CrossRef]
- Herath, C.; Gunasekara, C.; Law, D.W.; Setunge, S. Performance of High Volume Fly Ash Concrete Incorporating Additives: A Systematic Literature Review. Constr. Build. Mater. 2020, 258, 120606. [Google Scholar] [CrossRef]
- Jiang, H.; Fall, M.; Yilmaz, E.; Li, Y.; Yang, L. Effect of Mineral Admixtures on Flow Properties of Fresh Cemented Slurry Backfill: Assessment of Time Dependency and Thixotropy. Powder Technol. 2020, 372, 258–266. [Google Scholar] [CrossRef]
- Li, J.; Liu, Y.; Li, S.; Song, Y. Experimental Investigation of Synchronous Grouting Material Prepared with Different Mineral Admixtures. Materials 2022, 15, 1260. [Google Scholar] [CrossRef]
- Ling, X.; Guo, X.; Zhong, J.; Ma, J.; Tang, L.; Xing, D.; Su, J.; Cong, S. Investigation of the Effect of Graphene Oxide on the Properties and Microstructure of Clay-Cement Composite Grouting Materials. Materials 2022, 15, 1623. [Google Scholar] [CrossRef]
- Ma, C.; Tan, Y.; Li, E.; Dai, Y.; Yang, M. High-Performance Grouting Mortar Based on Mineral Admixtures. Adv. Mater. Sci. Eng. 2015, 2015, 425456. [Google Scholar] [CrossRef]
- Ma, K.; Feng, J.; Long, G.; Xie, Y. Effects of Mineral Admixtures on Shear Thickening of Cement Slurry. Constr. Build. Mater. 2016, 126, 609–616. [Google Scholar] [CrossRef]
- Pekrioglu, A.; Doven, A.G.; Tumay, M.T. Fly Ash Utilization in Grouting Applications. In Proceedings of the 3rd International Conference on Grouting and Ground Treatment, New Orleans, LA, USA, 10–12 February 2003; pp. 1169–1179. [Google Scholar]
- Sideris, K.; Justnes, H.; Soutsos, M.; Sui, T. Fly Ash. In Properties of Fresh and Hardened Concrete Containing Supplementary Cementitious Materials; Springer: Cham, Switzerland, 2018; pp. 55–98. [Google Scholar]
- Vasumithran, M.; Anand, K.B.; Sathyan, D. Effects of Fillers on the Rheology of Cement Grouts. Mater. Today Proc. 2021, 46, 5153–5159. [Google Scholar] [CrossRef]
- Wu, M.; Zhang, Y.; Ji, Y.; Liu, G.; Liu, C.; She, W.; Sun, W. Reducing Environmental Impacts and Carbon Emissions: Study of Effects of Superfine Cement Particles on Blended Cement Containing High Volume Mineral Admixtures. J. Clean. Prod. 2018, 196, 358–369. [Google Scholar] [CrossRef]
- Wu, Z. High Performance Concrete and Its Fine Mineral Admixtures. Archit. Technol. 1999, 30, 160–163. [Google Scholar]
- Xiang, J.; Liu, L.; Cui, X.; He, Y.; Zheng, G.; Shi, C. Effect of Fuller-Fine Sand on Rheological, Drying Shrinkage, and Microstructural Properties of Metakaolin-Based Geopolymer Grouting Materials. Cem. Concr. Compos. 2019, 104, 103381. [Google Scholar] [CrossRef]
- Xu, O.; Han, S.; Liu, Y.; Li, C. Experimental Investigation Surface Abrasion Resistance and Surface Frost Resistance of Concrete Pavement Incorporating Fly Ash and Slag. Int. J. Pavement Eng. 2021, 22, 1858–1866. [Google Scholar] [CrossRef]
- Liang, X.; Li, Y.; Yan, W.; Wang, Q.; Tan, F.; He, Z.; Sang, S. Preparation of SiC Reticulated Porous Ceramics with High Strength and Increased Efficient Filtration Via Fly Ash Addition. J. Eur. Ceram. Soc. 2021, 41, 2290–2296. [Google Scholar] [CrossRef]
- Khayat, K.H. Viscosity-Enhancing Admixtures for Cement-Based Materials—An Overview. Cem. Concr. Compos. 1998, 20, 171–188. [Google Scholar] [CrossRef]
- Li, L.G.; Kwan, A.K. Concrete Mix Design Based on Water Film Thickness and Paste Film Thickness. Cem. Concr. Compos. 2013, 39, 33–42. [Google Scholar] [CrossRef]
- Marjanović, N.; Komljenović, M.; Baščarević, Z.; Nikolić, V. Improving Reactivity of Fly Ash and Properties of Ensuing Geopolymers through Mechanical Activation. Constr. Build. Mater. 2014, 57, 151–162. [Google Scholar] [CrossRef]
- Cyr, M.; Legrand, C.; Mouret, M. Study of the Shear Thickening Effect of Superplasticizers on the Rheological Behaviour of Cement Pastes Containing or Not Mineral Additives. Cem. Concr. Res. 2000, 30, 1477–1483. [Google Scholar] [CrossRef]
- Feys, D.; Verhoeven, R.; De Schutter, G. Why is Fresh Self-Compacting Concrete Shear Thickening? Cem. Concr. Res. 2009, 39, 510–523. [Google Scholar] [CrossRef]
- Brunauer, S.; Yudenfreund, M.; Odler, I.; Skalny, J. Hardened Portland Cement Pastes of Low Porosity VI. Mechanism of the Hydration Process. Cem. Concr. Res. 1973, 3, 129–147. [Google Scholar] [CrossRef]
- Liu, L.; Xie, M.; He, Y.; Li, Y.; Huang, X.; Cui, X.; Shi, C. Expansion Behavior and Microstructure Change of Alkali-Activated Slag Grouting Material in Sulfate Environment. Constr. Build. Mater. 2020, 260, 119909. [Google Scholar] [CrossRef]
- Xu, S.; Wang, J.; Jiang, Q.; Zhang, S. Study of Natural Hydraulic Lime-Based Mortars Prepared with Masonry Waste Powder as Aggregate and Diatomite/Fly Ash as Mineral Admixtures. J. Clean. Prod. 2016, 119, 118–127. [Google Scholar] [CrossRef]
- Coats, A.W.; Redfern, J.P. Thermogravimetric Analysis. A Review. Analyst 1963, 88, 906–924. [Google Scholar] [CrossRef]















| Standard Consistency of Water/% | Initial Setting Time/min | Final Setting Time/min | Density/(g/cm2) | Flexural Strength/MPa | Compressive Strength/MPa | Specific Surface Area/(m2/kg) | ||
|---|---|---|---|---|---|---|---|---|
| 3 | 28 | 3 | 28 | |||||
| 28.4 | 185 | 240 | 3.03 | 6.5 | 9.0 | 29.5 | 58 | 365 |
| Grouping | CaO | SiO2 | Al2O3 | Fe2O3 | MgO | SO3 |
|---|---|---|---|---|---|---|
| Percentage/wt% | 51.42 | 24.99 | 8.26 | 4.03 | 3.71 | 2.51 |
| Grouping | SiO2 | Al2O3 | Fe2O3 | CaO | K2O | TiO2 | MgO | Na2O | SO3 | P2O5 | Cl | NiO |
|---|---|---|---|---|---|---|---|---|---|---|---|---|
| Percentage/wt% | 53.97 | 31.15 | 4.16 | 4.01 | 2.03 | 1.13 | 1.01 | 0.88 | 0.73 | 0.67 | 0.13 | 0.11 |
| Specimen | Composition of Cementitious Materials (Quality Percentage/wt%) | Water to Glue Ratio | |
|---|---|---|---|
| Pure Cement | Fly Ash | ||
| C | 100 | 0 | 0.45 |
| F10 | 90 | 10 | |
| F20 | 80 | 20 | |
| F30 | 70 | 30 | |
| F40 | 60 | 40 | |
| Specimen | Hydration Time/min | |||||
|---|---|---|---|---|---|---|
| 5 | 60 | 120 | ||||
| τ0/Pa | μ/(pa·s) | τ0/Pa | μ/(pa·s) | τ0/Pa | μ/(pa·s) | |
| C | 23.50388 | 0.59145396 | 27.12297 | 0.690014053 | 28.19716 | 0.696636506 |
| F10 | 22.8594 | 0.576337484 | 20.60124 | 0.67780415 | 25.37972 | 0.680796783 |
| F20 | 17.38168 | 0.497821347 | 20.43129 | 0.522118643 | 24.24793 | 0.570086491 |
| F30 | 15.40472 | 0.443064981 | 18.86049 | 0.479128569 | 19.29076 | 0.516306447 |
| F40 | 13.22972 | 0.401255591 | 16.20314 | 0.450013833 | 16.73296 | 0.486514278 |
| Name | Relative Density | Degree of Crystallization | Morphology | Size |
|---|---|---|---|---|
| C-S-H | 2.3–2.6 | Poor | Fibrous, network-like, etc., not easy to distinguish in late hydration | 1 μm × 0.1 μm, thickness less than 0.01 μm |
| Ca(OH)2 | 2.24 | Fine | Striped | 0.01–0.1 mm |
| Calcareous alumina | 1.75 | Good | Needle stick | 10 μm × 0.5 μm |
| Monosulfur-type hydrated calcium sulfur aluminate | 1.95 | General | Hexagonal lamellar, irregular petal shape | 1 μm × 1 μm × 0.1 μm |
| C-S-H | 2.3–2.6 | Poor | Fibrous, network-like, etc., not easy to distinguish in late hydration | 1 μm × 0.1 μm, thickness less than 0.01 μm |
| Specimen | Microscopic Morphology of Hardened Slurry at the Age of 3 d under Different Magnifications | |
|---|---|---|
| 500× | 1500× | |
| C | ![]() | ![]() |
| F10 | ![]() | ![]() |
| F20 | ![]() | ![]() |
| F30 | ![]() | ![]() |
| F40 | ![]() | ![]() |
| Specimen | Microscopic Morphology of Hardened Slurry at the Age of 7 d under Different Magnifications | |
|---|---|---|
| 500× | 1500× | |
| C | ![]() | ![]() |
| F10 | ![]() | ![]() |
| F20 | ![]() | ![]() |
| F30 | ![]() | ![]() |
| F40 | ![]() | ![]() |
Publisher’s Note: MDPI stays neutral with regard to jurisdictional claims in published maps and institutional affiliations. |
© 2022 by the authors. Licensee MDPI, Basel, Switzerland. This article is an open access article distributed under the terms and conditions of the Creative Commons Attribution (CC BY) license (https://creativecommons.org/licenses/by/4.0/).
Share and Cite
Guo, W.; Zou, S.; Pu, S.; Zhou, Y. Study on the Physical and Chemical Properties of Cement-Based Grout Containing Coal–Fly Ash. Materials 2022, 15, 8804. https://doi.org/10.3390/ma15248804
Guo W, Zou S, Pu S, Zhou Y. Study on the Physical and Chemical Properties of Cement-Based Grout Containing Coal–Fly Ash. Materials. 2022; 15(24):8804. https://doi.org/10.3390/ma15248804
Chicago/Turabian StyleGuo, Wanhong, Shizhuo Zou, Shaochang Pu, and Yu Zhou. 2022. "Study on the Physical and Chemical Properties of Cement-Based Grout Containing Coal–Fly Ash" Materials 15, no. 24: 8804. https://doi.org/10.3390/ma15248804
APA StyleGuo, W., Zou, S., Pu, S., & Zhou, Y. (2022). Study on the Physical and Chemical Properties of Cement-Based Grout Containing Coal–Fly Ash. Materials, 15(24), 8804. https://doi.org/10.3390/ma15248804





















