Investigation of the Surface Roughness and Surface Uniformity of a Hybrid Sandwich Structure after Machining
Abstract
1. Introduction
2. Materials and Methods

3. Results
3.1. 2D Surface Roughness Parameters
3.2. Statistical Analysis of 2D Surface Roughness Parameters
3.3. Surface Topography
3.4. Surface Uniformity
- IR is the surface uniformity coefficient;
- RAl is the aluminum alloy surface roughness parameter;
- RCFRP is the CFRP composite surface roughness parameter.
4. Discussion
5. Conclusions
- The composite layer had poorer surface quality than the aluminum layer.
- The Ra surface roughness parameter is the least suitable of all analyzed surface roughness parameters for assessing the surface quality of sandwich structures after machining.
- The CFRP/Al configuration increased the values of Ra, Rz and Rmax surface roughness parameters on the surfaces of both materials.
- The tool coating did not affect the values of Ra parameter obtained on the surface of the aluminum alloy. For the CFRP composite, the presence of the TiAlN coating led to higher values of this parameter.
- In most cases, a coated tool increased the Rz and Rmax surface roughness parameters.
- The CFRP/Al configuration and a coated tool increased the values of Sa, Sz, Sp, and Sv 3D surface roughness parameters in the majority of cases.
- Using the Al/CFRP configuration and a non-coated tool are recommended to receive the most uniform surface of the sandwich structure.
- Milling with the Al/CFRP configuration and a TiAlN-coated tool resulted in the lowest surface uniformity.
Author Contributions
Funding
Institutional Review Board Statement
Informed Consent Statement
Data Availability Statement
Acknowledgments
Conflicts of Interest
References
- Alkhoder, M.; Iyer, S.; Shi, W.; Venkalesh, T.A. Low frequency acoustic characteristics of periodic honeycomb cellular cores: The effect of relative density and strain fields. Compos. Struct. 2015, 133, 77–84. [Google Scholar] [CrossRef]
- Arbaoui, J.; Schmitt, Y.; Pierrot, J.-L.; Royer, F.-X. Numerical simulation and experimental bending behaviour of multi–layer sandwich structures. J. Theor. Appl. Mech. 2014, 52, 431–442. [Google Scholar]
- Królczyk, G.; Legutko, S.; Niesłony, P.; Gajek, M. Study of the surface integrity microhardness of austenitic stainless steel after turning. Teh. Vjesn. 2014, 21, 1307–1311. [Google Scholar]
- Sandcore: Best Practice Guide for Sandwich Structures in Marine Applications; New Rail, University of Newcastle upon Tyne: Tyne, UK, 2005.
- Hintze, W.; Hartmann, D.; Schütte, C. Occurrence and propagation of delamination during the machining of carbon fibre reinforced plastics (CFRPs)-An experimental study. Compos. Sci. Technol. 2011, 71, 1719–1726. [Google Scholar] [CrossRef]
- Ciecieląg, K. Effect of Composite Material Fixing on Hole Accuracy and Defects During Drilling. Adv. Sci. Technol. Res. J. 2021, 15, 54–65. [Google Scholar] [CrossRef]
- Miller, J.; Eneyew, E.D.; Ramulu, M. Machining and Drilling of Carbon Fiber Reinforced Plastic (CFRP) Composites. SAMPE J. 2013, 49, 36–47. [Google Scholar]
- Ciecieląg, K. Study on the Machinability of Glass, Carbon and Aramid Fiber Reinforced Plastics in Drilling and Secondary Drilling Operations. Adv. Sci. Technol. Res. J. 2022, 16, 57–66. [Google Scholar] [CrossRef]
- Muc, A.; Nogowczyk, R. Failure modes of sandwich structures with composite faces. Composites 2005, 5, 31–35. [Google Scholar]
- Mousa, M.A.; Uddin, N. Debonding of composites structural insulated sandwich panels. J. Reinf. Plast. Compos. 2010, 28, 3380–3391. [Google Scholar] [CrossRef]
- Yalkin, H.E.; Icten, B.M.; Alpyildiz, T. Enhanced mechanical performance of foam core sandwich composites with through the thickness reinforced core. Compos. Part B Eng. 2015, 79, 383–391. [Google Scholar] [CrossRef]
- Maruda, R.W.; Królczyk, G.M.; Niesłony, P.; Królczyk, J.B.; Legutko, S. Chip formation zone analysis during the turning of austenitic stainless steel 316 L under MQCL cooling condition. Procedia Eng. 2016, 149, 297–304. [Google Scholar] [CrossRef]
- Čep, R.; Janásek, A.; Petrů, J.; Sadílek, M.; Mohyla, P.; Valíček, J.; Harničarová, M.; Czán, A. Surface roughness after machining and influence of feed rate on process. Key Eng. Mater. 2014, 581, 341–347. [Google Scholar] [CrossRef]
- Berardo, A.; Pugno, N.M. A model for hierarchical anisotropic friction, adhesion and wear. Tribol. Int. 2020, 152, 106549. [Google Scholar] [CrossRef]
- Maruda, R.W.; Wojciechowski, S.; Szczotkarz, N.; Legutko, S.; Mia, M.; Gupta, M.K.; Niesłony, P.; Królczyk, G.M. Metrological analysis of surface quality aspects in minimum quantity cooling lubrication. Measurement 2021, 171, 108847. [Google Scholar] [CrossRef]
- Wang, X.L.; Qu, Z.G.; Lai, T.; .Ren, G.F.; Wang, K.W. Enhancing water transport performance of gas diffusion layers through coupling manipulation of pore structure and hydrophobicity. J. Power Sources 2022, 525, 231121. [Google Scholar] [CrossRef]
- Zhang, L.; Han, E.; Wu, Y.; Wang, X.; Wu, D. Surface decoration of short-cut polyimide fibers with multi-walled carbon nanotubes and their application for reinforcement of lightweight PC/ABS composites. Appl. Surf. Sci. 2018, 442, 124–137. [Google Scholar] [CrossRef]
- Davim, J.P.; Reis, P. Damage and dimensional precision on milling carbon fiber-reinforced plastics using design experiments. J. Mater. Process. Technol. 2005, 160, 160–167. [Google Scholar] [CrossRef]
- Sorrentino, L.; Turchetta, S. Cutting forces in milling of carbon fibre reinforced plastics. Int. J. Manuf. Eng. 2014, 2014, 1–8. [Google Scholar] [CrossRef]
- Suresh, P.V.S.; Venkateswara, R.P.; Deshmukh, S.G. A genetic algorithmic approach for optimization of surface roughness prediction model. Int. J. Mach. Tools Manuf. 2002, 42, 675–680. [Google Scholar] [CrossRef]
- Ramulu, M.; Arola, D.; Colligan, K. Preliminary investigation of effects on the surface integrity of fibre reinforced plastics. ESDA 1994, 64, 93–101. [Google Scholar]
- Çolak, O.; Sunar, T. Cutting forces and 3D surface analysis of CFRP milling with PCD cutting tools. Procedia CIRP 2016, 45, 75–78. [Google Scholar] [CrossRef]
- Chandrasekaran, M.D.; Devarasiddappa, D. Development of Predictive Model for Surface Roughness in End Milling of Al-sicp Metal Matrix Composites using Fuzzy Logic. World Acad. Sci. Eng. Technol. 2012, 6, 7–25. [Google Scholar]
- Bayraktar, S.; Turgut, Y. Investigation of the Cutting Forces and Surface Roughness in Milling Carbon Fiber Reinforced Polymer Composite Material. Mater. Technol. 2016, 50, 591–600. [Google Scholar] [CrossRef]
- Ramirez, C.; Poulachon, G.; Rossi, F.; M’Saoubi, R. Tool Wear Monitoring and Hole Surface Quality During CFRP Drilling. Procedia CIRP 2014, 13, 163–168. [Google Scholar] [CrossRef]
- Zarrouk, T.; Salhi, J.E.; Atlati, S.; Salhi, M.; Nouari, M.; Salhi, M. The Influence of Machining Conditions on the Milling Operations of Nomex Honeycomb Structure. PalArch’s J. Archaeol. Egypt/Egyptol. 2021, 17, 11008. [Google Scholar]
- Eskandari, H.; Danaee, I.; Noori, S. Investigation the effective parameters on damages induced in composite sandwich structures through drilling. Iran. J. Manuf. Eng. 2018, 4, 51–60. [Google Scholar]
- Grilo, T.J.; Paulo, R.M.F.; Silva, C.R.M.; Davim, J.P. Experimental delamination analyses of CFRPs using different drill geometries. Compos. Part B Eng. 2013, 45, 1344–1350. [Google Scholar] [CrossRef]
- Shunmugesh, K.; Kavan, P. Investigation and optimization of machining parameters in drilling of carbon fiber reinforced polymer (CFRP) composites. Pigment Resin Technol. 2017, 46, 21–30. [Google Scholar]
- Khoran, M.; Ghabezi, P.; Farhani, M.; Besharati, M.K. Investigation of drilling composite sandwich structures. Int. J. Adv. Manuf. Technol. 2015, 76, 1927–1936. [Google Scholar] [CrossRef]
- Xu, Z.; Wang, Y. Study on Milling Force and Surface Quality during Slot Milling of Plain-Woven CFRP with PCD Tools. Materials 2022, 15, 3862. [Google Scholar] [CrossRef]
- Oláh, F.; Andrásfalvy, K.; Lukács, J.; Horváth, R. Manufacturing problems of sandwich composite structures. In Proceedings of the 2021 IEEE 21st International Symposium on Computational Intelligence and Informatics (CINTI), Budapest, Hungary, 18–20 November 2021; pp. 167–172. [Google Scholar]
- Szabelski, J.; Karpiński, R.; Machrowska, A. Application of an Artificial Neural Network in the Modelling of Heat Curing Effects on the Strength of Adhesive Joints at Elevated Temperature with Imprecise Adhesive Mix Ratios. Materials 2022, 15, 721. [Google Scholar] [CrossRef]
- Jonak, J.; Karpiński, R.; Wójcik, A.; Siegmund, M. The Influence of the Physical-Mechanical Parameters of Rock on the Extent of the Initial Failure Zone under the Action of an Undercut Anchor. Materials 2021, 14, 1841. [Google Scholar] [CrossRef] [PubMed]
- Onyibo, E.C.; Safaei, B. Application of finite element analysis to honeycomb sandwich structures: A review. Rep. Mech. Eng. 2022, 3, 283–300. [Google Scholar] [CrossRef]
- Lavaggi, T.; Samizadeh, M.; Niknafs Kermani, N.; Khalili, M.M.; Advani, S.G. Theory-guided machine learning for optimal autoclave co-curing of sandwich composite structures. Polym. Compos. 2022, 43, 5319. [Google Scholar] [CrossRef]
- Wang, X.; Kwon, P.Y.; Sturtevant, C.; Kim, D.; Lantrip, J. Comparative tool wear study based on drilling experiments on CFRP/Ti stack and its individual layers. Wear 2014, 317, 265–276. [Google Scholar] [CrossRef]
- Hosokawa, A.; Hirose, N.; Ueda, T.; Furumoto, T. High–quality machining of CFRP with high helix end mill. CIRP Ann. 2014, 63, 89–92. [Google Scholar] [CrossRef]
- EN 515:2017; Standard: Aluminium and Aluminium Alloys—Wrought Products—Temper Designations. European Committee for Standardization: Brussels, Belgium, 2017.
- DIN EN ISO 14125:2011-05 1.5.2011; Standard—Fibre-Reinforced Plastic Composites—Determination of Flexural Properties. DIN ISO: Berlin, Germany, 2011.
- Hoffmann Group. Catalogue 1 Machining/Clamping Technology; Hoffmann Group: Munich, Germany, 2019. [Google Scholar]
- ISO 4287:2021; Standard—Geometrical Product Specifications (GPS)—Surface Texture: Profile Method—Terms, Definitions and Surface Tex-ture Parameters. ISO: Geneva, Switzerland, 2021.
- ISO 25178-2:2021; Standard—Geometrical Product Specifications (GPS)—Surface Texture: Areal—Part 2: Terms, Definitions and Surface Texture Parameters. ISO: Geneva, Switzerland, 2021.
- Che-Haron, C.H.; Jawaid, A. The effect of machining on surface integrity of titanium alloy Ti-6% Al-4% V. J. Mater. Process. Technol. 2005, 166, 188–192. [Google Scholar] [CrossRef]
- Ramesh, S.; Karunamoorthy, L.; Palanikumar, K. Measurement and analysis of surface roughness in turning of aerospace titanium alloy (gr5). Measurement 2012, 45, 1266–1276. [Google Scholar] [CrossRef]
- Teicher, U.; Müller, S.; Münzner, J.; Nestler, A. Micro-EDM of Carbon Fibre-Reinforced Plastics. Procedia CIRP 2013, 6, 320–325. [Google Scholar] [CrossRef]
- M’Saoubi, R.; Axinte, D.; Soo, S.L.; Nobel, C.; Attia, H.; Kappmeyer, G.; Engin, S.; Sim, W.-M. High performance cutting of advanced aerospace alloys and composite materials. CIRP Annals 2015, 64, 557–580. [Google Scholar] [CrossRef]
- Doluk, E.; Rudawska, A.; Kuczmaszewski, J.; Miturska-Barańska, I. Surface Roughness after Milling of the Al/CFRP Stacks with a Diamond Tool. Materials 2021, 14, 6835. [Google Scholar] [CrossRef] [PubMed]
- Teti, R. Machining of Composite Materials. CIRP Ann. 2002, 51, 611–634. [Google Scholar] [CrossRef]
- Janardhan, P.; Sheikh-Ahmad, J.; Cheraghi, H. Edge Trimming of CFRP with Diamond Interlocking Tools. SAE Int. 2006, 2, 3173. [Google Scholar]












| Tensile strength Rm | 1900 |
| Bending strength Reg [MPa] | 2050 |
| Young’s modulus (E) [GPa] | 135 |
| Apparent interlaminar shear strength (ILSF) [MPa] | 85 |
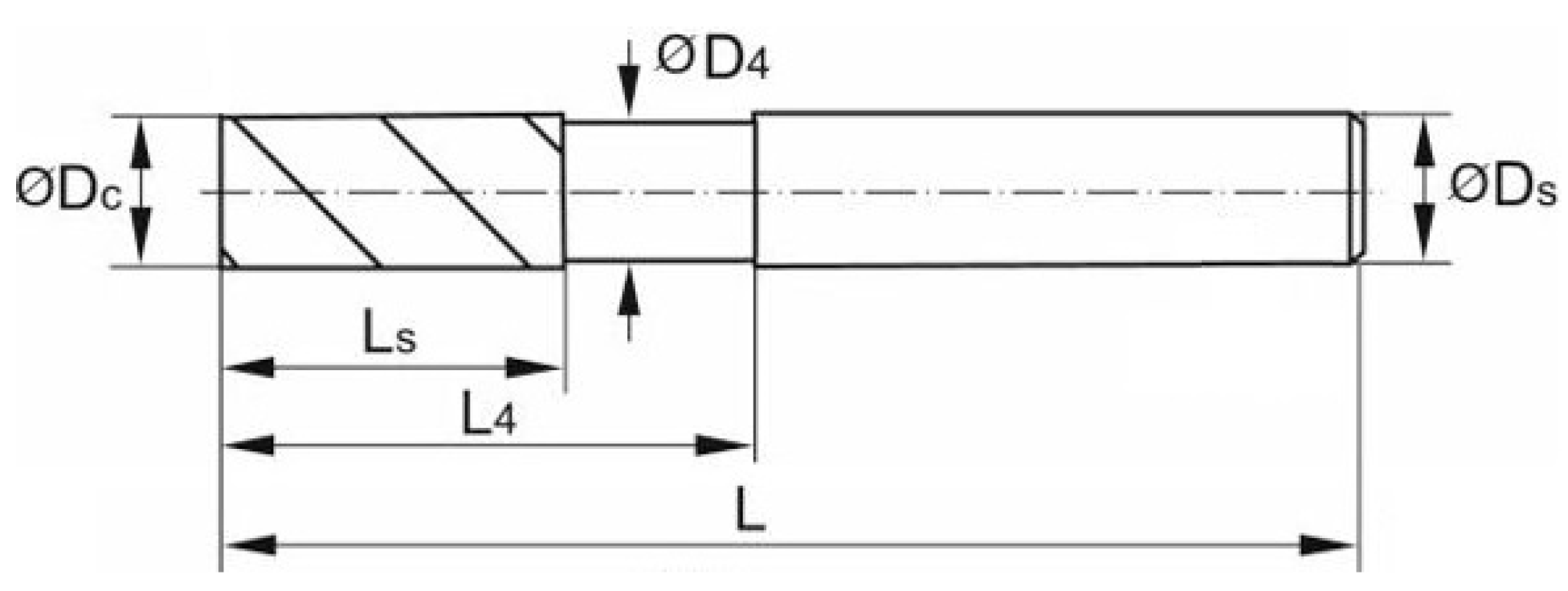
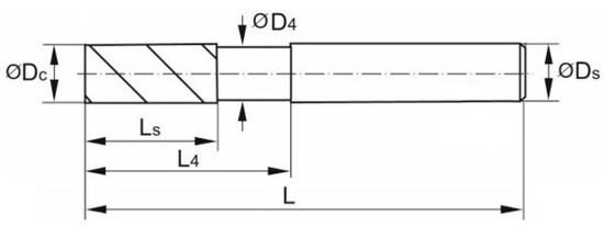
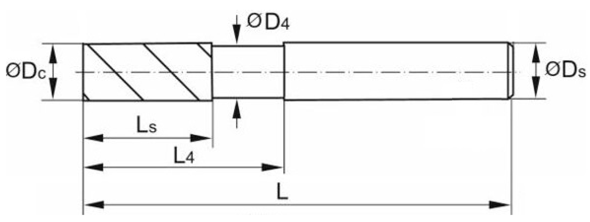
| No. of teeth | 2 |
| Through-coolant | No |
| Tool material | Solid carbon (90% WC, 10% Co) |
| Cutting edge ØDc | 12 mm |
| Shank Ø Ds. | 12 mm |
| Recess Ø D4 | 11.8 mm |
| Flute length Ls | 26 mm |
| Overhang length L4 incl. recess | 38 mm |
| Overall length L | 83 mm |
| Helix angle λs | 45° |
| Rake angle γ | 16° |
| Corner chamfer angle | 45° |
| Corner chamfer width at 45° | 0.10 mm |
| Impact | Aluminum Alloy | ||||
|---|---|---|---|---|---|
| SS | Df | MS | F | p-Value | |
| A: Machining configuration | 2.18 | 1 | 2.18 | 83.37 | <0.01 |
| B: Tool type | <0.01 | 1 | <0.01 | 0.13 | 0.72 |
| A × B interaction | <0.01 | 1 | <0.01 | 0.12 | 0.73 |
| Error | 33.42 | 1276 | 0.03 | ||
| Total | 35.61 | 1279 | |||
| Impact | CFRP | ||||
| SS | Df | MS | F | p-Value | |
| A: Machining configuration | 5.51 | 1 | 5.51 | 190.52 | <0.01 |
| B: Tool type | 1.72 | 1 | 1.72 | 59.51 | <0.01 |
| A × B interaction | 0.02 | 1 | 0.02 | 0.70 | 0.4 |
| Error | 36.89 | 1276 | 0.03 | ||
| Total | 44.14 | 1279 | |||
| Impact | Aluminum Alloy | ||||
|---|---|---|---|---|---|
| SS | Df | MS | F | p-Value | |
| A: Machining configuration | 65.12 | 1 | 65.12 | 66.42 | <0.01 |
| B: Tool type | 14.04 | 1 | 14.04 | 14.32 | <0.01 |
| A × B interaction | 23.05 | 1 | 23.05 | 23.51 | <0.01 |
| Error | 1250.55 | 1276 | 0.98 | ||
| Total | 1352.76 | 1279 | |||
| Impact | CFRP | ||||
| SS | Df | MS | F | p-Value | |
| A: Machining configuration | 61.03 | 1 | 61.03 | 64.28 | <0.01 |
| B: Tool type | 404.22 | 1 | 404.22 | 425.74 | <0.01 |
| A × B interaction | 17.20 | 1 | 17.20 | 18.12 | <0.01 |
| Error | 1211.51 | 1276 | 0.95 | ||
| Total | 1693.96 | 1279 | |||
| Impact | Aluminum Alloy | ||||
|---|---|---|---|---|---|
| SS | Df | MS | F | p-Value | |
| A: Machining configuration | 132.08 | 1 | 132.08 | 47.22 | <0.01 |
| B: Tool type | 34.01 | 1 | 34.01 | 12.16 | <0.01 |
| A × B interaction | 101.44 | 1 | 101.44 | 36.27 | <0.01 |
| Error | 3569.08 | 1276 | 2.80 | ||
| Total | 3836.61 | 1279 | |||
| Impact | CFRP | ||||
| SS | Df | MS | F | p-Value | |
| A: Machining configuration | 172.20 | 1 | 172.20 | 50.08 | <0.01 |
| B: Tool type | 836.96 | 1 | 836.96 | 243.40 | <0.01 |
| A × B interaction | 29.24 | 1 | 29.24 | 8.50 | <0.01 |
| Error | 4387.60 | 1276 | 3.44 | ||
| Total | 5426 | 1279 | |||
| Cutting Conditions | Surface Roughness Parameter | ||
|---|---|---|---|
| Ra | Rz | Rmax | |
| Al/CFRP with a non-coated tool | 0.50 | 0.61 | 0.58 |
| CFRP/Al with a non-coated tool | 0.46 | 0.53 | 0.59 |
| Al/CFRP with a coated tool | 0.53 | 0.68 | 0.69 |
| CFRP/Al with a coated tool | 0.48 | 0.58 | 0.54 |
Publisher’s Note: MDPI stays neutral with regard to jurisdictional claims in published maps and institutional affiliations. |
© 2022 by the authors. Licensee MDPI, Basel, Switzerland. This article is an open access article distributed under the terms and conditions of the Creative Commons Attribution (CC BY) license (https://creativecommons.org/licenses/by/4.0/).
Share and Cite
Doluk, E.; Rudawska, A.; Miturska-Barańska, I. Investigation of the Surface Roughness and Surface Uniformity of a Hybrid Sandwich Structure after Machining. Materials 2022, 15, 7299. https://doi.org/10.3390/ma15207299
Doluk E, Rudawska A, Miturska-Barańska I. Investigation of the Surface Roughness and Surface Uniformity of a Hybrid Sandwich Structure after Machining. Materials. 2022; 15(20):7299. https://doi.org/10.3390/ma15207299
Chicago/Turabian StyleDoluk, Elżbieta, Anna Rudawska, and Izabela Miturska-Barańska. 2022. "Investigation of the Surface Roughness and Surface Uniformity of a Hybrid Sandwich Structure after Machining" Materials 15, no. 20: 7299. https://doi.org/10.3390/ma15207299
APA StyleDoluk, E., Rudawska, A., & Miturska-Barańska, I. (2022). Investigation of the Surface Roughness and Surface Uniformity of a Hybrid Sandwich Structure after Machining. Materials, 15(20), 7299. https://doi.org/10.3390/ma15207299

