Experimental Investigation on the Structural Performance of Single Span Hollow Core Slab under Successive Impact Loading
Abstract
:1. Introduction
2. Methodology
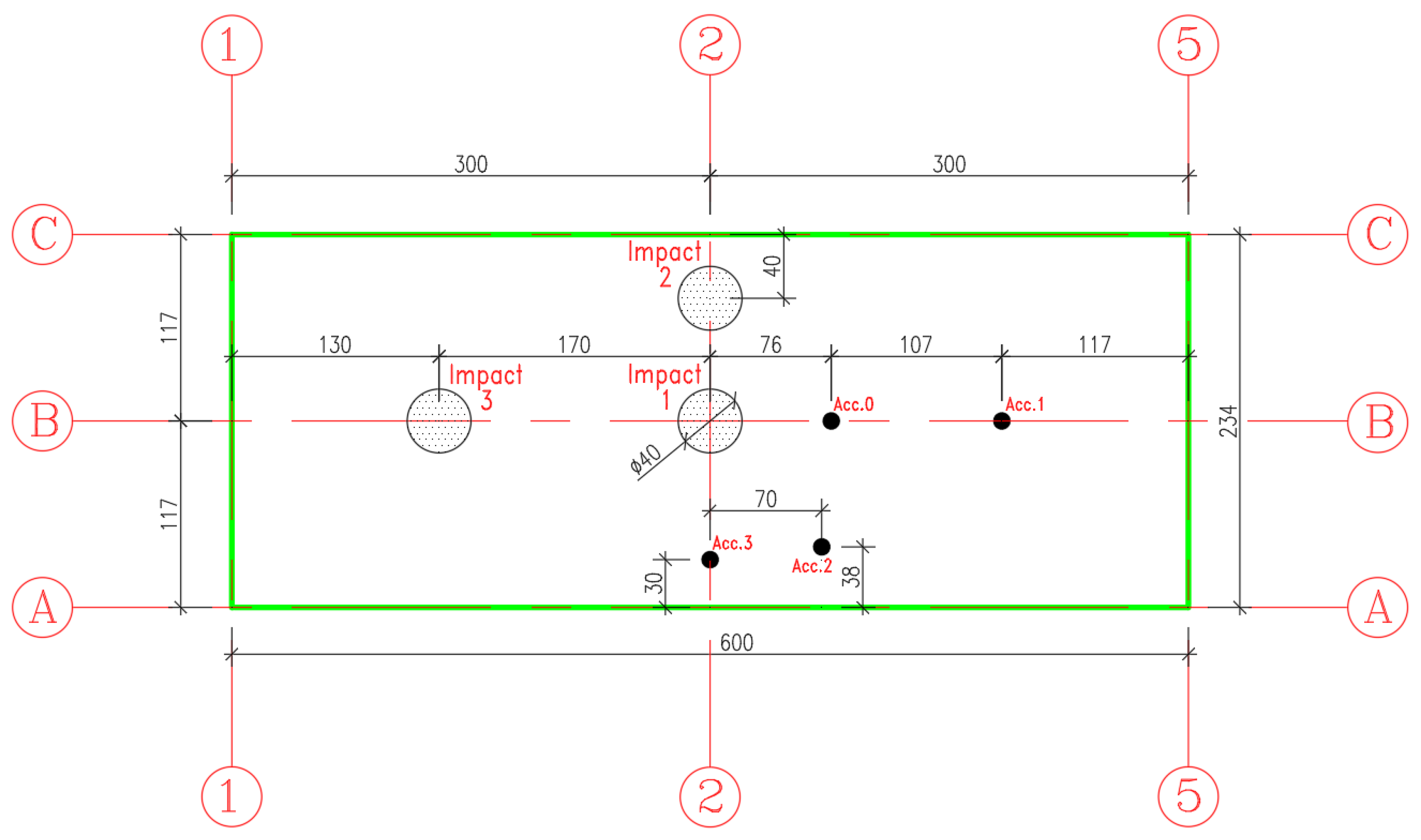
2.1. Geometry and Detailing
2.2. Slabs Preparation
- -
- Tested Specimen
- -
- Drop Weight
2.3. Test Setup
2.4. Testing Procedure
3. Results
3.1. Damage Analysis
- -
- Concrete topping slab damage assessment:
- -
- Impact crater diameter 28 cm;
- -
- No cracks in the topping slab;
- -
- No punching with a 2 cm impact penetration through the slab thickness.
- Hollow core slab damage assessment:
- -
- No global failure in the hollow core units;
- -
- Local damage directly beneath the impact represented by the spalling of the 25 mm concrete cover from the bottom side as illustrated in the figure below;
- -
- Overall damages were concentrated in the lower unreinforced flange of the hollow core unit;
- -
- No damage in the upper flange of the hollow core unit was assessed (Topping slab and hollow core unit worked compositely);
- -
- There is no separation between the concrete topping and the hollow core unit;
- -
- No de-bonding between the embedded strands and the concrete host.
- -
- Second Impact Experimental Observations (Figure 9):
- Concrete topping slab damage assessment:
- -
- Concrete fracture at the impact location with damaged zone;
- -
- Transversal crack passing through the depth was initiated in the topping slab and the hollow core unit;
- Hollow core slab damage assessment:
- -
- Severe shear damage normal to the slab caused a cut off for the first three cores of the hollow core unit;
- -
- Total concrete facture of the web, top, and bottom flanges of the hollow core unit;
- -
- Normal and transversal contact separation between the concrete topping and the hollow core units;
- -
- The first three tendons were de-bonded from the hollow core unit because of the concrete facture of the web, top, and bottom flanges of the hollow core;
- -
- The total stiffness of the hollow core unit was highly reduced by the loss of three of its cores with their strands;
- -
- The composite behavior between the concrete topping and the hollow core unit in terms of flexural rigidity was highly reduced because of the surface contact separation;
- -
- As expected, the edge impact caused a much higher damage in both the concrete topping and hollow core unit as compared to the one done by the first impact at the center.
- -
- Third Impact Experimental Observations (Figure 10):
- Concrete topping slab damage assessment:
- -
- Impact crater diameter 35 cm;
- -
- No cracks in the topping slab;
- -
- Concrete topping was punched through its depth (high shear force near the support);
- Hollow core slab damage assessment:
- -
- Large damage distributed along the whole parts of the hollow core units;
- -
- Major concrete facture of the web, top and bottom flanges of the hollow core unit;
- -
- The brittle damage in the top and bottom thin flanges connecting the webs leads to a total loss of hollow core slab stiffness;
- -
- The brittle damage in the web connecting the two flanges leads to a total loss of hollow core slab stiffness mainly when the lower part where the pre-stressing strands are embedded separates from the gross the section of the slab;
- -
- The brittle failure of the top and bottom thin flanges governs the global behavior of the slab.
3.2. Dynamic Behavior
4. Conclusions
- -
- Structural damages in hollow core units cannot be repaired or strengthened.
- -
- Voids, thin web, and thin flanges are considered the weak points of the hollow core slab.
- -
- The presence of strands has no participation in the section load resistance if the continuity of the webs is lost by the facture of one or both flanges.
- -
- The slab system (HC + Topping) showed a lower capacity in terms of damage and acceleration response for impact at the edge compared to the impact at the slab center.
- -
- The decaying function of the acceleration response represented by the accelerometers readings indicate an unconventional damped vibration. This response can be explained by the following reasons:
- -
- The severe damage in the slab body led to a vibration with a low acceleration amplitude directly after the impact;
- -
- The concrete topping as solid section and the hollow core units as voided section vibrate in a different manner under impact loading;
- -
- The concrete topping and the hollow core units vibrate independently from each other under vertical excitation because of the absence of any type of connectors enforcing the total thickness to work as one unit;
- -
- The reduction in slab capacity to resist impact can be demonstrated by the ratio of the maximum acceleration response between the first and the third impact .
- -
- The reinforced concrete topping with high compressive strength (45 Mpa) helped the hollow core slab section to carry more impacts.
- -
- Concrete solid section behaves in a much better way than the hollow section in terms of structural damage and cracks generation.
- -
- Adding shear connectors can enhance the structural response of the slab system (Topping + HC unit) to avoid the contact separation specially in the case of impact at the slab edge.
- -
- Code limitations must be provided to select the minimum flange and web thicknesses in addition to the maximum void diameter in hollow core units.
- -
- Filling material such as foam can be used to absorb a part of the energy induced in the body of the hollow core unit to mitigate the brittle fracture of the thin flanges, therefore enhancing the structural performance of the slab system.
- -
- The presented damping ratio showed the vulnerability of the impact load location in the hollow core slab.
- -
- The reduction in slab impact capacity after successive impacts can be measured by the ratio of impact resistance factor = F1/(F2) = 13,868/1600 = 8.67.
Author Contributions
Funding
Institutional Review Board Statement
Informed Consent Statement
Data Availability Statement
Conflicts of Interest
References
- Al Rawi, Y.; Temsah, Y.; Baalbaki, O.; Jahami, A.; Darwiche, M. Experimental investigation on the effect of impact loading on behavior of post- tensioned concrete slabs. J. Build. Eng. 2020, 31, 101207. [Google Scholar] [CrossRef]
- Jahami, A.; Temsah, Y.; Khatib, J.; Baalbaki, O.; Darwiche, M.; Chaaban, S. Impact behavior of rehabilitated post ten-sioned slabs previously damaged by impact loading. Mag. Civ. Eng. 2020, 93, 134–146. [Google Scholar] [CrossRef]
- Berthet-Rambaud, Y.; Temsah, P.; Mazars, J.; Daudeville, L. Finite Element Modelling of Concrete Protection Structures Submitted to Rock Impacts. In Proceedings of the 16th ASCE Engineering Mechanics Conference, University of Washington, Seattle, WA, USA, 16–18 July 2003. [Google Scholar]
- Orbovic, N.; Lee, N.; Elgohary, M.; Blahoianu, A. Tests on Reinforced Concrete Slabs with Prestressing and with Transverse Reinforcement under Impact Loading. In Proceedings of the 20th International Conference on Structural Mechanics in Reactor Technol, Espoo, Finland, 9–14 August 2009. [Google Scholar]
- Temsah, Y.; Jahami, A.; Khatib, J.; Firat, S. Numerical study for RC beams subjected to blast waves. In Proceedings of the 1st International Turkish World Engineering and Science Congress, Antalya, Turkey, 7–10 December 2017. [Google Scholar]
- Temsah, Y.; Jahami, A.; Khatib, J.; Firat, S. Single Degree of Freedom Approach of a Reinforced Concrete Beam Subjected to Blast Loading. In Proceedings of the 1st International Turkish World Engineering and Science Congress, Antalya, Turkey, 7–10 December 2017. [Google Scholar]
- Temsah, Y.; Jahami, A.; Khatib, J.; Sonebi, M. Numerical analysis of a reinforced concrete beam under blast loading. In Proceedings of the 2nd International Congress on Materials & Structural Stability, Rabat, Morocco, 22–25 November 2017; Volume 149, p. 02063. [Google Scholar] [CrossRef]
- Elani, M.; Temsah, Y.; Ghanem, H.; Jahami, A.; Al Rawi, Y. The Effect of Shear Reinforcement Ratio On Prestressed Concrete Beams Subjected to Impact Load. In Proceedings of the ISEC Second European and Mediterranean Structural Engineering and Construction Conference (Euro-Med-2), Beirut, Lebanon, 23–28 July 2018; p. STR33-1-6. Available online: https://www.isec-society.org/ISEC_PRESS/EURO_MED_SEC_02/html/STR-33.xml (accessed on 6 August 2018).














| Item | HC Slab | Toping Slab |
|---|---|---|
| Compressive Strength (MPa) | 48 | 48 |
| Reinforcement | 6 ϕ 9.53 1 ϕ 12.5 | 6 ϕ 12/m |
| Reinforcement Tensile Strength (MPa) | 1860 | 420 |
| Impact | Peak Acceleration | Damping Ratio (%) | Impact Force (KN) | DMF |
|---|---|---|---|---|
| First Impact | −182 g | 16.1 | 1498.25 | 12.35 |
| Second Impact | −31 g | 5 | 1008.61 | 8.317 |
| Third Impact | −21 g | 8.5 | 1275.6 | 10.52 |
Publisher’s Note: MDPI stays neutral with regard to jurisdictional claims in published maps and institutional affiliations. |
© 2022 by the authors. Licensee MDPI, Basel, Switzerland. This article is an open access article distributed under the terms and conditions of the Creative Commons Attribution (CC BY) license (https://creativecommons.org/licenses/by/4.0/).
Share and Cite
Chebo, K.A.; Temsah, Y.; Abou Saleh, Z.; Darwich, M.; Hamdan, Z. Experimental Investigation on the Structural Performance of Single Span Hollow Core Slab under Successive Impact Loading. Materials 2022, 15, 599. https://doi.org/10.3390/ma15020599
Chebo KA, Temsah Y, Abou Saleh Z, Darwich M, Hamdan Z. Experimental Investigation on the Structural Performance of Single Span Hollow Core Slab under Successive Impact Loading. Materials. 2022; 15(2):599. https://doi.org/10.3390/ma15020599
Chicago/Turabian StyleChebo, Kamal Amin, Yehya Temsah, Zaher Abou Saleh, Mohamad Darwich, and Ziad Hamdan. 2022. "Experimental Investigation on the Structural Performance of Single Span Hollow Core Slab under Successive Impact Loading" Materials 15, no. 2: 599. https://doi.org/10.3390/ma15020599
APA StyleChebo, K. A., Temsah, Y., Abou Saleh, Z., Darwich, M., & Hamdan, Z. (2022). Experimental Investigation on the Structural Performance of Single Span Hollow Core Slab under Successive Impact Loading. Materials, 15(2), 599. https://doi.org/10.3390/ma15020599

