Calibration of Arrhenius Constitutive Equation for B4Cp/6063Al Composites in High Temperatures
Abstract
:1. Introduction
2. Experiments: A Theoretical Basis Is Provided for the Plastic Deformation Characteristics of B4Cp/6063 Al Composites
2.1. Materials
2.2. Methods
3. Results and Discussion
3.1. Friction Correction
3.2. Flow Stress Behavior
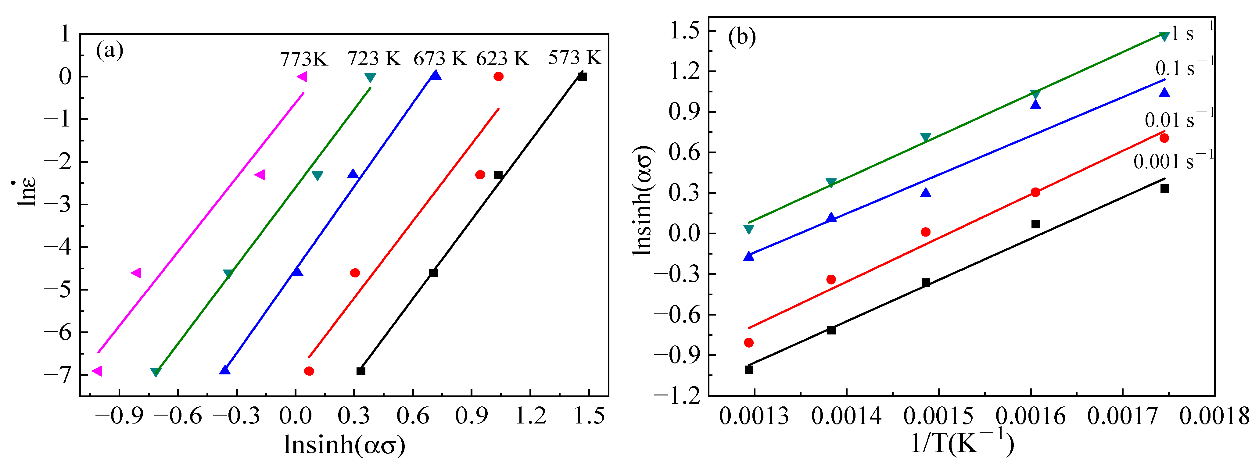
3.3. Constitutive Equation of B4Cp/6063Al Composite
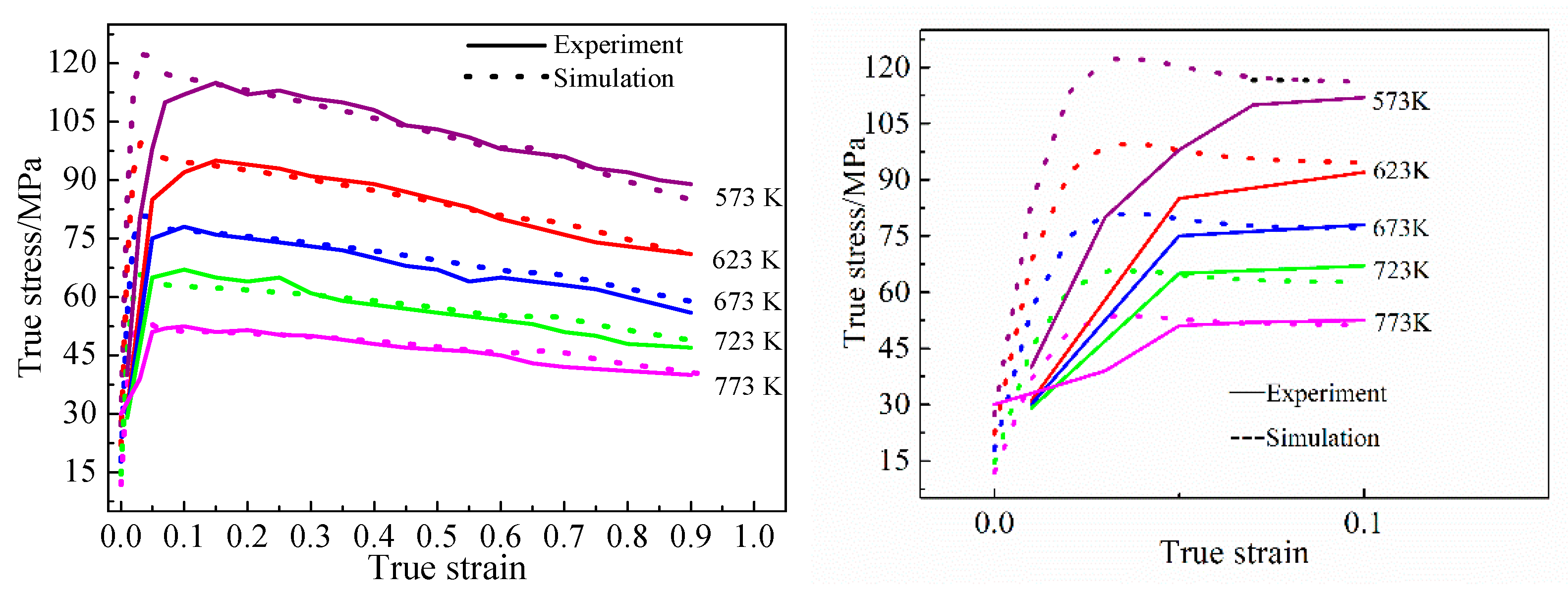
3.4. Verification of the Constitutive Equation
4. Conclusions
- (1)
- For the thermal deformation of 20 vol.% B4Cp6061al composite at a range of temperatures and a strain rate of 0.6 s−1, the flow stress decreases with the increase in temperature or strain rate, and it is proposed that this can be expressed by the Arrhenius constitutive equation.
- (2)
- As the influence of friction on flow stress becomes increasingly obvious with the increase in compression during the experiment, the influence of friction on flow stress should be corrected according to the experimental results. The Arrhenius constitutive constant of the 20 vol.% B4Cp/6061Al composite was obtained according to the experimental data and the corrected data.
- (3)
- The reliability of the constitutive equation is verified by comparing the experimental values and predicted values of the peak flow stress of the B4Cp/6063Al composite and the finite element simulation. Moreover, the constitutive equation can be used for finite element simulation, which is helpful for studying the plastic-forming performance of materials further.
Author Contributions
Funding
Institutional Review Board Statement
Informed Consent Statement
Data Availability Statement
Conflicts of Interest
References
- Gupta, R.; Nanda, T.; Pandey, O.P. Comparison of wear behaviour of LM13 Al-Si alloy based composites reinforced with synthetic (B4C) and natural(ilmenite) ceramic particles. Trans. Nonferrous Met. Soc. China 2021, 31, 3613–3625. [Google Scholar] [CrossRef]
- Meignanamoorthy, M.; Ravichandran, M.; Mohanavel, V.; Afzal, A.; Sathish, T.; Alamri, S.; Khan, S.A.; Saleel, C.A. Microstructure, Mechanical Properties, and Corrosion Behavior of Boron Carbide Reinforced Aluminum Alloy (Al-Fe-Si-Zn-Cu) Matrix Composites Produced via Powder Metallurgy Route. Materials 2021, 14, 4315. [Google Scholar] [CrossRef]
- Alizadeh, A.; Abdollahi, A.; Radfar, M.J. Processing, characterization, room temperature mechanical properties and fracture behavior of hot extruded multi-scale B4C reinforced 5083 aluminum alloy based composites. Trans. Nonferrous Met. Soc. China 2017, 27, 1233–1247. [Google Scholar] [CrossRef]
- Zheng, R.; Hao, X.; Yuan, Y.; Wang, Z.; Ameyama, K.; Ma, C. Effect of high volume fraction of {B4C} particles on the microstructure and mechanical properties of aluminum alloy based composites. J. Alloys Compd. 2013, 576, 291–298. [Google Scholar] [CrossRef]
- Gode, C. Mechanical properties of hot pressed SiCp and B4Cp/Alumix 123 composites alloyed with minor Zr. Compos. Part B 2013, 54, 34–40. [Google Scholar] [CrossRef]
- Liu, S.; Li, D.; He, J.; Guo, S. Constitutive Analysis to Predict High-Temperature Flow Stress of 25 vol.% B4Cp/2009Al Composite. Rare Met. Mater. Eng. 2017, 46, 2831–2836. [Google Scholar]
- Abdollahi, A.; Alizadeh, A.; Baharvandi, H.R. Comparative studies on the microstructure and mechanical properties of bimodal and trimodal Al2024 based composites. Mater. Sci. Amp Eng. A 2014, 608, 139–148. [Google Scholar] [CrossRef]
- Liu, Y.; Xu, X.; Xiao, Y.; Wang, S.; Ju, S. Effect of B4Cp content on microstructure and the high-temperature oxidation behavior of Ti-5.4Al-4.03Mo-3.93V-2.37Cr-0.01Zr composites. Mater. Res. Express 2020, 7, 116523. [Google Scholar] [CrossRef]
- Guo, H.; Li, J.; Liu, N.; Wei, X.; Fan, M.; Shang, Y.; Jiang, W.; Zhang, Y.; Cui, Y.; Sun, L.; et al. Strengthening and toughening B4C/Al composites via optimizing the Al2O3 distribution during hot rolling. J. Alloys Compd. 2022, 902, 163773. [Google Scholar] [CrossRef]
- Li, H.; Zhao, G.; He, L.; Zhang, L. Research on the Constitutive Relationship of Hot Stamping Boron Steel B1500HS at High Temperature. J. Mech. Eng. 2012, 48, 21–27. [Google Scholar] [CrossRef]
- Gao, M.; Chen, Z.; Kang, H.; Guo, E.; Li, R.; Fu, Y.; Xie, H.; Wang, T. Microstructural characteristics and mechanical behavior of B4Cp/6061Al composites synthesized at different hot-pressing temperatures. J. Mater. Sci. Technol. 2019, 35, 1523–1531. [Google Scholar] [CrossRef]
- Shuang, P.W.; ShangY, F.; Jia, W.; Lin, L.Q. Effects of extrusion temperatures on mechanical properties of B4C/Al composites. IOP Conf. Ser. Mater. Sci. Eng. 2020, 715, 012103. [Google Scholar]
- Pathak, A.; Mukherjee, B.; Pandey, K.K.; Islam, A.; Bijalwan, P.; Dutta, M.; Banerjee, A.; Keshri, A.K. Process–structure–property relationship for plasma-sprayed iron-based amorphous/crystalline composite coatings. Int. J. Miner. Metall. Mater. 2022, 29, 144–152. [Google Scholar] [CrossRef]
- Liang, P.; Zhai, Y.; Liu, G.; Zhong, Z. Hot deformation behavior and constitutive equation of Ti3Al-based alloy. J. Plast. Eng. 2017, 24, 174–178. [Google Scholar]
- Sun, C.; Liu, K.; Wang, Z.; Li, S.; Du, X.; Du, W. Hot deformation behaviors and processing maps of Mg–Zn–Er alloys based on Gleeble–1500 hot compression simulation. Trans. Nonferrous Met. Soc. China 2016, 26, 3123–3134. [Google Scholar] [CrossRef]
- Ding, H.; Xu, C.; Zhang, X.; Pan, X.; Wang, T. Constitutive analysis and FEM simulation ofhot compression of ZX115 magnesium alloy. Chin. J. Nonferrous Met. 2015, 25, 2075–2082. [Google Scholar]
- Ludwig, O.; Drezet, J.-M.; Martin, C.L.; Suéry, M. Rheological Behavior of Al-Cu Alloys during Solidification: Constitutive Modeling, Experimental Identification, and Numerical Study. Metall. Mater. Trans. A 2005, 36, 1525–1535. [Google Scholar] [CrossRef]
- Cai, X.; Zheng, X.; Bai, R.; Wang, F.; Liu, H.; Xia, M.; Wang, H. Hot Deformation Behavior for a New Type of Nb-based Alloy. Rare Mater. Eng. 2016, 45, 1051–1054. [Google Scholar]
- Zhang, B.; Zhu, L.; Wang, K.; Wang, W.; Hao, Y. High Temperature Plastic Deformation Behavior and Constitutive Equation of Pure Nickel. Chin. J. Rare Met. 2015, 39, 406–413. [Google Scholar]
- Rokni, M.R.; Zarei-Hanzaki, A.; Widener, C.A.; Changizian, P. The Strain-Compensated Constitutive Equation for High Temperature Flow Behavior of an Al-Zn-Mg-Cu Alloy. J. Mater. Eng. Perform. 2014, 23, 4002–4009. [Google Scholar] [CrossRef]
- Gangolu, S.; Rao, A.; Prabhu, N.; Deshmukh, V.; Kashyap, B. Hot Workability and Flow Characteristics of Aluminum-5 wt.% B4C Composite. J. Mater. Eng. Perform. 2014, 23, 1366–1373. [Google Scholar] [CrossRef]
- Gangolu, S.; Rao, A.G.; Sabirov, I.; Kashyap, B.P.; Prabhu, N.; Deshmukh, V.P. Development of constitutive relationship and processing map for Al-6.65Si-0.44Mg alloy and its composite with B4C particulates. Mater. Sci. Eng. A 2016, 655, 256–264. [Google Scholar] [CrossRef]
- Zhou, L.; Cui, C.; Wang, Q.Z.; Li, C.; Xiao, B.L.; Ma, Z.Y. Constitutive equation and model validation for a 31 vol.% B4Cp/6061Al composite during hot compression. J. Mater. Sci. Technol. 2018, 34, 1730–1738. [Google Scholar] [CrossRef]
- Ebrahimi, R.; Najafizadeh, A. A new method for evaluation of friction in bulk metal forming. J. Mater. Process. Technol. 2004, 152, 136–143. [Google Scholar] [CrossRef]
- Li, P.; Li, F.; Cao, J.; Ma, X.; Li, J. Constitutive equations of 1060 pure aluminum based on modified double multiple nonlinear regression model. Trans. Nonferrous Met. Soc. China 2016, 26, 1079–1095. [Google Scholar] [CrossRef]
- Gan, C.; Zheng, K.; Qi, W.; Wang, M. Constitutive equations for high temperature flow stress prediction of 6063 Al alloy considering compensation of strain. Trans. Nonferrous Met. Soc. China 2014, 24, 3486–3491. [Google Scholar] [CrossRef]
- Yang, Q.; Yang, D.; Zhang, Z.; Cao, L.; Wu, X.; Huang, G.; Liu, Q. Flow behavior and microstructure evolution of 6A82 aluminium alloy with high copper content during hot compression deformation at elevated temperatures. Trans. Nonferrous Met. Soc. China 2016, 26, 649–657. [Google Scholar] [CrossRef]
- Qi, M.; Zhang, X.; Song, K.; Yu, Y.; Lu, C.; Chen, X. Deformation behavior and constitutive equation of 35MnB steel at high temperature. J. Plast. Eng. 2017, 24, 168–173. [Google Scholar]
- Andrzejewski, J.; Gapiński, B.; Islam, A.; Szostak, M. The Influence of the Hybridization Process on the Mechanical and Thermal Properties of Polyoxymethylene (POM) Composites with the Use of a Novel Sustainable Reinforcing System Based on Biocarbon and Basalt Fiber (BC/BF). Materials 2020, 13, 3496. [Google Scholar] [CrossRef]
- Chen, G.; Chen, L.; Zhao, G.; Zhang, C.; Cui, W. Microstructure analysis of an Al-Zn-Mg alloy during porthole die extrusion based on modeling of constitutive equation and dynamic recrystallization. J. Alloys Compd. 2017, 710, 80–91. [Google Scholar] [CrossRef]
- Shi, L.; Yang, H.; Guo, L.G.; Zhang, J. Constitutive modeling of deformation in high temperature of a forging 6005A aluminum alloy. Mater. Des. 1980–2015 2014, 54, 576–581. [Google Scholar] [CrossRef]










| Si | Mg | Fe | Cu | Mn | Zr | Cr | Al |
|---|---|---|---|---|---|---|---|
| 0.2–0.6 | 0.45–0.9 | <0.35 | <0.1 | <0.1 | <0.1 | <0.1 | Bal. |
Publisher’s Note: MDPI stays neutral with regard to jurisdictional claims in published maps and institutional affiliations. |
© 2022 by the authors. Licensee MDPI, Basel, Switzerland. This article is an open access article distributed under the terms and conditions of the Creative Commons Attribution (CC BY) license (https://creativecommons.org/licenses/by/4.0/).
Share and Cite
Sun, J.; Chen, Y.; Liu, F.; Yang, E.; Wang, S.; Fu, H.; Qi, Z.; Huang, S.; Yang, J.; Liu, H.; et al. Calibration of Arrhenius Constitutive Equation for B4Cp/6063Al Composites in High Temperatures. Materials 2022, 15, 6438. https://doi.org/10.3390/ma15186438
Sun J, Chen Y, Liu F, Yang E, Wang S, Fu H, Qi Z, Huang S, Yang J, Liu H, et al. Calibration of Arrhenius Constitutive Equation for B4Cp/6063Al Composites in High Temperatures. Materials. 2022; 15(18):6438. https://doi.org/10.3390/ma15186438
Chicago/Turabian StyleSun, Jian, Yunhui Chen, Fuguang Liu, Erjuan Yang, Sijia Wang, Hanguang Fu, Zhixu Qi, Sheng Huang, Jian Yang, Hui Liu, and et al. 2022. "Calibration of Arrhenius Constitutive Equation for B4Cp/6063Al Composites in High Temperatures" Materials 15, no. 18: 6438. https://doi.org/10.3390/ma15186438
APA StyleSun, J., Chen, Y., Liu, F., Yang, E., Wang, S., Fu, H., Qi, Z., Huang, S., Yang, J., Liu, H., & Cheng, X. (2022). Calibration of Arrhenius Constitutive Equation for B4Cp/6063Al Composites in High Temperatures. Materials, 15(18), 6438. https://doi.org/10.3390/ma15186438

