Surface Roughness and Streptococcus mutans Adhesion on Metallic and Ceramic Fixed Prosthodontic Materials after Scaling
Abstract
1. Introduction
2. Materials and Methods
2.1. Specimen Preparation
2.2. Surface Roughness Measurement
2.3. Contact Angle and Surface Energy Measurements
2.4. Energy-Dispersive Analysis
2.5. Saliva Contamination
2.6. Cell Cultivation and Adhesion
2.7. Biofilm Formation
2.8. Statistical Analysis
3. Results
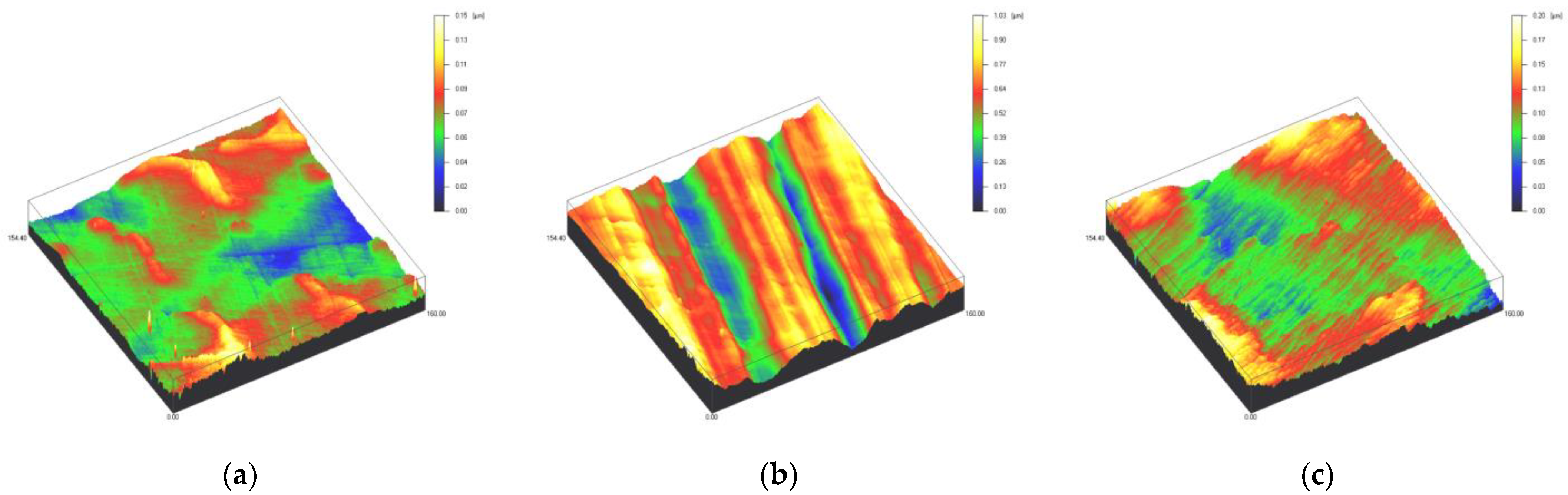
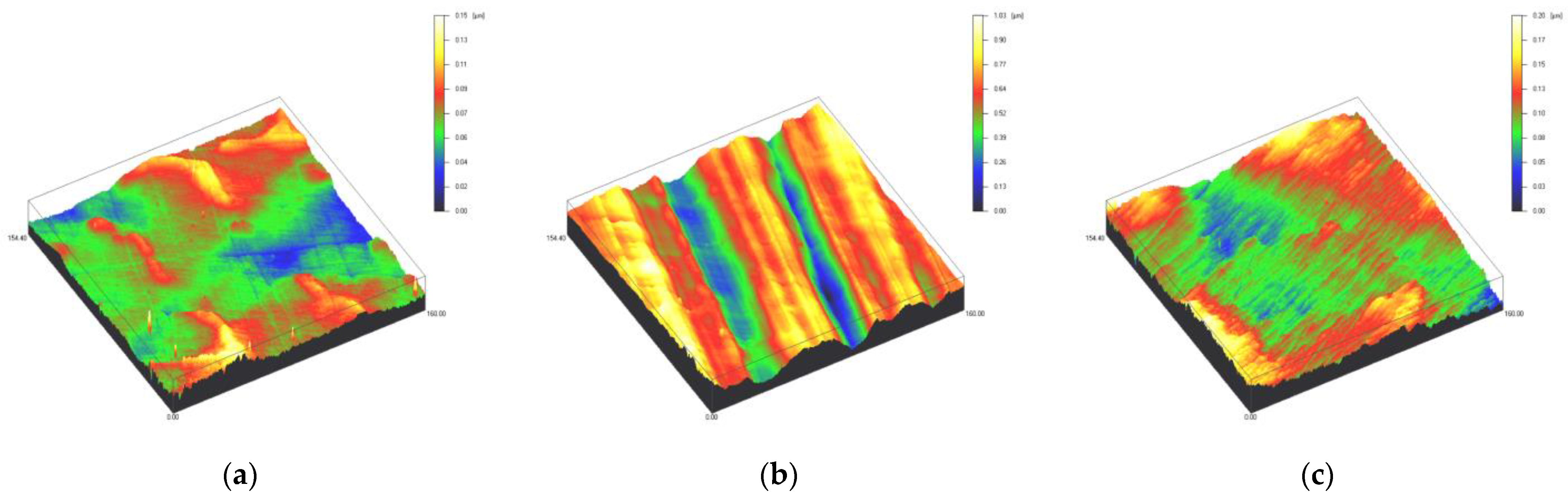
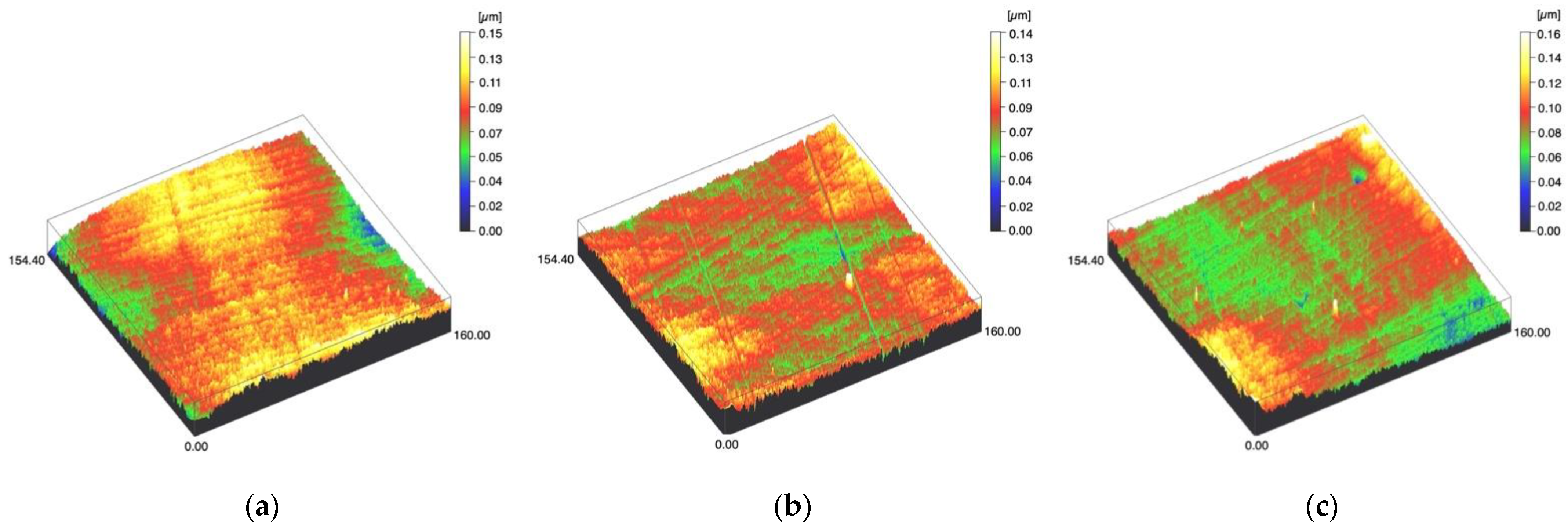
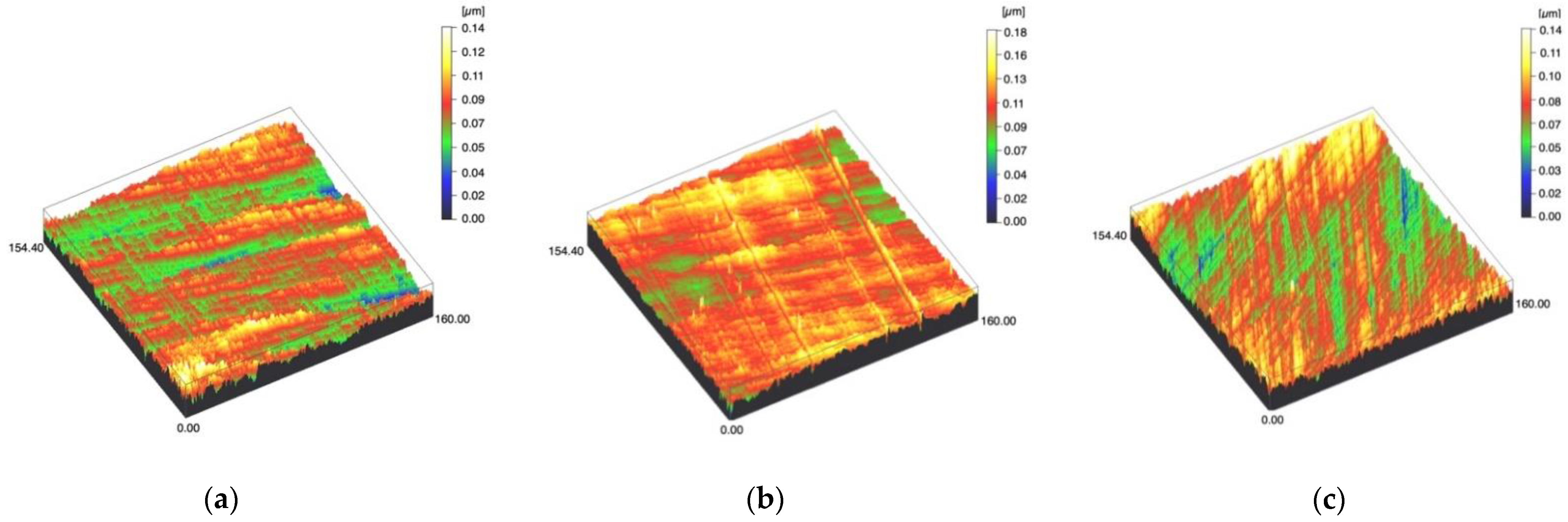
3.1. Surface Roughness Measurements
3.2. Energy-Dispersive Analysis
3.3. Contact Angle and Surface Free Energy Measurements
3.4. Bacterial Adhesion and Biofilm Formation
4. Discussion
5. Conclusions
Author Contributions
Funding
Institutional Review Board Statement
Informed Consent Statement
Data Availability Statement
Acknowledgments
Conflicts of Interest
References
- Harianawala, H.H.; Kheur, M.G.; Apte, S.K.; Kale, B.B.; Sethi, T.S.; Kheur, S.M. Comparative analysis of transmittance for different types of commercially available zirconia and lithium disilicate materials. J. Adv. Prosthodont. 2014, 6, 456–461. [Google Scholar] [CrossRef] [PubMed]
- Stawarczyk, B.; Frevert, K.; Ender, A.; Roos, M.; Sener, B.; Wimmer, T. Comparison of four monolithic zirconia materials with conventional ones: Contrast ratio, grain size, four-point flexural strength and two-body wear. J. Mech. Behav. Biomed. Mater. 2016, 59, 128–138. [Google Scholar] [CrossRef] [PubMed]
- Guess, P.C.; Schultheis, S.; Bonfante, E.A.; Coelho, P.G.; Ferencz, J.L.; Silva, N.R. All-ceramic systems: Laboratory and clinical performance. Dent. Clin. 2011, 55, 333–352. [Google Scholar] [CrossRef]
- Loe, H.; Theilade, E.; Jensen, S.B. Experimental Gingivitis in Man. J. Periodontol. 1965, 36, 177–187. [Google Scholar] [CrossRef] [PubMed]
- Lang, N.P.; Schatzle, M.A.; Loe, H. Gingivitis as a risk factor in periodontal disease. J. Clin. Periodontol. 2009, 36 (Suppl. S10), 3–8. [Google Scholar] [CrossRef]
- Loesche, W.J. Role of Streptococcus mutans in human dental decay. Microbiol. Rev. 1986, 50, 353–380. [Google Scholar] [CrossRef]
- Nyvad, B.; Kilian, M. Comparison of the initial streptococcal microflora on dental enamel in caries-active and in caries-inactive individuals. Caries Res. 1990, 24, 267–272. [Google Scholar] [CrossRef] [PubMed]
- Kolenbrander, P.E.; Andersen, R.N.; Blehert, D.S.; Egland, P.G.; Foster, J.S.; Palmer, R.J., Jr. Communication among oral bacteria. Microbiol. Mol. Biol. Rev. 2002, 66, 486–505, table of contents. [Google Scholar] [CrossRef]
- Raffaini, F.C.; Freitas, A.R.; Silva, T.S.O.; Cavagioni, T.; Oliveira, J.F.; Albuquerque Junior, R.F.; Pedrazzi, V.; Ribeiro, R.F.; do Nascimento, C. Genome analysis and clinical implications of the bacterial communities in early biofilm formation on dental implants restored with titanium or zirconia abutments. Biofouling 2018, 34, 173–182. [Google Scholar] [CrossRef] [PubMed]
- Renner, L.D.; Weibel, D.B. Physicochemical regulation of biofilm formation. MRS Bull. 2011, 36, 347–355. [Google Scholar] [CrossRef]
- Subramani, K.; Jung, R.E.; Molenberg, A.; Hammerle, C.H. Biofilm on dental implants: A review of the literature. Int. J. Oral Maxillofac. Implant. 2009, 24, 616–626. [Google Scholar]
- Cazzaniga, G.; Ottobelli, M.; Ionescu, A.C.; Paolone, G.; Gherlone, E.; Ferracane, J.L.; Brambilla, E. In vitro biofilm formation on resin-based composites after different finishing and polishing procedures. J. Dent. 2017, 67, 43–52. [Google Scholar] [CrossRef] [PubMed]
- Cazzaniga, G.; Ottobelli, M.; Ionescu, A.; Garcia-Godoy, F.; Brambilla, E. Surface properties of resin-based composite materials and biofilm formation: A review of the current literature. Am. J. Dent. 2015, 28, 311–320. [Google Scholar]
- Rimondini, L.; Cerroni, L.; Carrassi, A.; Torricelli, P. Bacterial colonization of zirconia ceramic surfaces: An in vitro and in vivo study. Int. J. Oral Maxillofac. Implants 2002, 17, 793–798. [Google Scholar]
- Nascimento, C.D.; Pita, M.S.; Fernandes, F.; Pedrazzi, V.; de Albuquerque Junior, R.F.; Ribeiro, R.F. Bacterial adhesion on the titanium and zirconia abutment surfaces. Clin. Oral Implants Res. 2014, 25, 337–343. [Google Scholar] [CrossRef]
- Vo, D.T.; Arola, D.; Romberg, E.; Driscoll, C.F.; Jabra-Rizk, M.A.; Masri, R. Adherence of Streptococcus mutans on lithium disilicate porcelain specimens. J. Prosthet. Dent. 2015, 114, 696–701. [Google Scholar] [CrossRef]
- Checketts, M.R.; Turkyilmaz, I.; Asar, N.V. An investigation of the effect of scaling-induced surface roughness on bacterial adhesion in common fixed dental restorative materials. J. Prosthet. Dent. 2014, 112, 1265–1270. [Google Scholar] [CrossRef]
- Dal Piva, A.; Contreras, L.; Ribeiro, F.C.; Anami, L.C.; Camargo, S.; Jorge, A.; Bottino, M.A. Monolithic Ceramics: Effect of Finishing Techniques on Surface Properties, Bacterial Adhesion and Cell Viability. Oper. Dent. 2018, 43, 315–325. [Google Scholar] [CrossRef] [PubMed]
- Slots, J. Periodontitis: Facts, fallacies and the future. Periodontol. 2000 2017, 75, 7–23. [Google Scholar] [CrossRef]
- Eke, P.I.; Borgnakke, W.S.; Genco, R.J. Recent epidemiologic trends in periodontitis in the USA. Periodontol. 2000 2020, 82, 257–267. [Google Scholar] [CrossRef] [PubMed]
- Suominen, A.L.; Varsio, S.; Helminen, S.; Nordblad, A.; Lahti, S.; Knuuttila, M. Dental and periodontal health in Finnish adults in 2000 and 2011. Acta Odontol. Scand. 2018, 76, 305–313. [Google Scholar] [CrossRef]
- Heitz-Mayfield, L.J.; Lang, N.P. Surgical and nonsurgical periodontal therapy. Learned and unlearned concepts. Periodontol. 2000 2013, 62, 218–231. [Google Scholar] [CrossRef]
- de Jong, H.P.; van Pelt, A.W.; Arends, J. Contact angle measurements on human enamel—An in vitro study of influence of pellicle and storage period. J. Dent. Res. 1982, 61, 11–13. [Google Scholar] [CrossRef]
- Owens, D.K.; Wendt, R.C. Estimation of the surface free energy polymers. J. Appl. Polym. Sci. 1969, 13, 1741–1747. [Google Scholar] [CrossRef]
- Suansuwan, N.; Swain, M.V. Determination of elastic properties of metal alloys and dental porcelains. J. Oral Rehabil. 2001, 28, 133–139. [Google Scholar] [CrossRef]
- Wu, D.; Tian, Y.; Zhang, L.; Wang, Z.; Sheng, J.; Wang, W.; Zhou, K.; Liu, L. Optimal Design of High-Strength TiAlVZr Alloys through a Combinatorial Approach. Materials 2018, 11, 1603. [Google Scholar] [CrossRef]
- Li, K.C.; Tran, L.; Prior, D.J.; Waddell, J.N.; Swain, M.V. Porcelain bonding to novel Co-Cr alloys: Influence of interfacial reactions on phase stability, plasticity and adhesion. Dent. Mater. 2016, 32, 1504–1512. [Google Scholar] [CrossRef] [PubMed]
- Quirynen, M.; Bollen, C.M.; Papaioannou, W.; Van Eldere, J.; van Steenberghe, D. The influence of titanium abutment surface roughness on plaque accumulation and gingivitis: Short-term observations. Int. J. Oral Maxillofac. Implants 1996, 11, 169–178. [Google Scholar] [PubMed]
- Bollen, C.M.; Lambrechts, P.; Quirynen, M. Comparison of surface roughness of oral hard materials to the threshold surface roughness for bacterial plaque retention: A review of the literature. Dent. Mater. 1997, 13, 258–269. [Google Scholar] [CrossRef]
- Satou, J.; Fukunaga, A.; Satou, N.; Shintani, H.; Okuda, K. Streptococcal adherence on various restorative materials. J. Dent. Res. 1988, 67, 588–591. [Google Scholar] [CrossRef] [PubMed]
- Viitaniemi, L.; Abdulmajeed, A.; Sulaiman, T.; Soderling, E.; Narhi, T. Adhesion and Early Colonization of S. Mutans on Lithium Disilicate Reinforced Glass-Ceramics, Monolithic Zirconia and Dual Cure Resin Cement. Eur. J. Prosthodont. Restor. Dent. 2017, 25, 228–234. [Google Scholar] [CrossRef]
- Hahnel, S.; Rosentritt, M.; Handel, G.; Burgers, R. Surface characterization of dental ceramics and initial streptococcal adhesion in vitro. Dent. Mater. 2009, 25, 969–975. [Google Scholar] [CrossRef]
- Satou, J.; Fukunaga, A.; Morikawa, A.; Matsumae, I.; Satou, N.; Shintani, H. Streptococcal adherence to uncoated and saliva-coated restoratives. J. Oral Rehabil. 1991, 18, 421–429. [Google Scholar] [CrossRef]
- Jendresen, M.D.; Glantz, P.O. Clinical adhesiveness of selected dental materials. An in-vivo study. Acta Odontol. Scand. 1981, 39, 39–45. [Google Scholar] [CrossRef] [PubMed]
- Sterzenbach, T.; Helbig, R.; Hannig, C.; Hannig, M. Bioadhesion in the oral cavity and approaches for biofilm management by surface modifications. Clin. Oral Investig. 2020, 10.1007/s00784-020-03646-1. [Google Scholar] [CrossRef]
- Mai, H.N.; Hong, S.H.; Kim, S.H.; Lee, D.H. Effects of different finishing/polishing protocols and systems for monolithic zirconia on surface topography, phase transformation, and biofilm formation. J. Adv. Prosthodont. 2019, 11, 81–87. [Google Scholar] [CrossRef] [PubMed]
- Meier, R.; Hauser-Gerspach, I.; Luthy, H.; Meyer, J. Adhesion of oral streptococci to all-ceramics dental restorative materials in vitro. J. Mater. Sci. Mater. Med. 2008, 19, 3249–3253. [Google Scholar] [CrossRef] [PubMed]
- Glauser, S.; Astasov-Frauenhoffer, M.; Müller, J.A.; Fischer, J.; Waltimo, T.; Rohr, N. Bacterial colonization of resin composite cements: Influence of material composition and the surface roughness. Eur. J. Oral Sci. 2017, 125, 294–302. [Google Scholar] [CrossRef] [PubMed]
- Duarte, P.M.; Reis, A.F.; de Freitas, P.M.; Ota-Tsuzuki, C. Bacterial adhesion on smooth and rough titanium surfaces after treatment with different instruments. J. Periodontol. 2009, 80, 1824–1832. [Google Scholar] [CrossRef] [PubMed]










| Material | Zirconia | Pressed Lithium Disilicate | Milled Lithium Disilicate, Glazed | Titanium Grade V | Cobalt Chromium |
|---|---|---|---|---|---|
| Group | Zr | LDS-Press | LDS-Glaze | Ti | CoCr |
| Details | Kyocera StarCeram Z-Al-Med (Selb, Germany) | e.max Press (Ivoclar Vivadent, Schaan, Lichtestein) | e.max CAD (Ivoclar Vivadent, Schaan, Lichtestein) | Ti6Al4V ELI–ASTM F136 (PSM Medical solutions, Gunningen, Germany) | Zenotec NP (Wieland Dental + Technik GmbH & Co. KG, Pforzheim, Germany) |
| Manufacturing method | Milled (Röders RXD5, Röders, Germany) Sintered (AmannGirrbach Ceramill Therm, Carbolite, England) | Pressed (EP5010, Ivoclar Vivadent, Schaan, Lichtenstein) | Milled (Struers Secotom-50, Copenhagen, Denmark) Glazing IPS e.max (CAD Crystall Glaze spray, Ivoclar Vivadent) Crystallized (Programat 300, Ivoclar Vivadent Schaan, Lichtestein) | Milled (DMG Ultrasonic 20, DMG Mori, Geretsried, Germany) | Milled (DMG Ultrasonic 20, DMG Mori, Geretsried, Germany) |
| Material | Zirconia | Pressed Lithium Disilicate | Milled Lithium Disilicate, Glazed | Titanium Grade V | Cobalt Chromium |
|---|---|---|---|---|---|
| Group | Zr | LDS-Press | LDS-Glaze | Ti | CoCr |
| Polishing before sintering/crystallization/glazing | Polished dry with P800 and 1200 grit silicon carbide paper (Wurth, Wuppertal, Germany) | - | Polished dry with P800 and 1200 grit silicon carbide paper (Struers, Copenhagen, Denmark), Polished with rubber tips, diamond paste (Brinell L, Renfert GmbH, Hilzingen, Germany) | - | - |
| Polishing after milling/pressing/sintering/crystallization | Diamond paste, Renfert Polish all-in-one (Renfert, Hilzingen, Germany) | Polished dry with 180 grit silicon carbide paper (Mirka GmnH, Hesse, Germany) | - | Polished wet with P800 and 1200 grit silicon carbide paper (Wurth, Wuppertal, Germany) | Polished wet with P800 and 1200 grit silicon carbide paper (Wurth, Wuppertal, Germany) |
| CeraWhite polishing disc, (NTI, Kahla, Germany) | |||||
| EVE Diacomp ultra (EVE, Ernst Vetter GmbH, Keltern, Germany) | Titapol polishing paste (Bredent medical GmbH, Senden, Germany), with soft rubber brush (Hatho GmbH, Eschbach, Germany) | Tiger brilliant polishing paste with rubber brush (Dentaurum GmbH, Ispringen, Germany) | |||
| Dialog Vario Polish diamond paste (Schütz Dental GmbH, Rosbach vor der Höhe, Germany) |
| Material | Element | wt.% |
|---|---|---|
| Zr | Zr | 70.60 |
| O | 24.17 | |
| Y | 5.23 | |
| Total | 100 | |
| LDS-Press * | O | 48.5 |
| Si | 31.4 | |
| C | 8.6 | |
| K | 3.1 | |
| W | 2.6 | |
| Ce | 1.7 | |
| P | 1.4 | |
| Al | 1.2 | |
| Zn | 0.9 | |
| Mg | 0.4 | |
| Na | 0.2 | |
| Total | 100 | |
| LDS-Glaze * | O | 42.3 |
| Si | 28.1 | |
| K | 10.6 | |
| Al | 5.0 | |
| W | 1.7 | |
| Zr | 1.3 | |
| Ca | 1.3 | |
| Ce | 0.5 | |
| Mg | 0.5 | |
| Na | 0.2 | |
| Total | 100 | |
| Ti | Ti | 89.80 |
| Al | 5.74 | |
| V | 4.47 | |
| Total | 100 | |
| CoCr | Co | 63.14 |
| Cr | 30.33 | |
| Mo | 5.80 | |
| Si | 0.74 | |
| Total | 100 |
| Group | Water | Diiodomethane | |
|---|---|---|---|
| Zr | C | 50.9 (7.4) | 38.4 (2.2) |
| SC | 54.9 (3.5) | 38.1 (1.8) | |
| US | 54.9 (2.9) | 37.6 (1.4) | |
| LDS-Press | C | 22.2 (2.7) | 40.1 (1.6) |
| SC | 37.3 (6.2) | 42.2 (2.8) | |
| US | 32.4 (9.3) | 42.3 (3.3) | |
| LDS-Glaze | C | 43.4 (3.7) | 44.8 (2.7) |
| SC | 39.4 (5.7) | 43.1 (3.5) | |
| US | 38.0 (6.7) | 40.7 (1.9) | |
| Ti | C | 56.8 (3.1) | 36.9 (1.9) |
| SC | 57.2 (3.6) | 35.5 (1.8) | |
| US | 51.5 (2.3) | 35.3 (1.2) | |
| CoCr | C | 56.5 (3.5) | 39.7 (2.6) |
| SC | 60.2 (6.0) | 39.2 (3.0) | |
| US | 59.7 (3.4) | 39.2 (1.5) | |
| Group | Dispersive SFE mJ/m2 (SD) | p-Value a | Polar SFE mJ/m2 (SD) | p-Value a | Total SFE mJ/m2 (SD) | p-Value a | |
|---|---|---|---|---|---|---|---|
| Zr | C | 40.4 (0.81) | 0.362 | 17.25 (1.2) | <0.001 | 57.64 (2.01) | 0.002 |
| SC | 40.58 (0.64) | 14.94 (0.57) | 55.52 (1.21) | ||||
| US | 40.81 (0.51) | 14.84 (0.47) | 55.65 (0.98) | ||||
| LDS-Press | C | 39.57 (0.58) | 0.014 | 32.53 (0.67) | <0.001 | 72.1 (1.25) | <0.001 |
| SC | 38.52 (0.99) | 26.01 (1.31) | 64.52 (2.3) | ||||
| US | 38.43 (1.16) | 28.58 (1.98) | 67.01 (3.14) | ||||
| LDS-Glaze | C | 37.1 (0.92) | 0.001 | 23.22 (0.83) | 0.002 | 60.32 (1.75) | <0.001 |
| SC | 38.0 (1.23) | 25.05 (1.26) | 63.32 (2.49) | ||||
| US | 39.25 (0.69) | 24.8 (1.32) | 64.06 (2.01) | ||||
| Ti | C | 41.12 (0.69) | 0.013 | 13.69 (0.51) | <0.001 | 54.81 (1.2) | <0.001 |
| SC | 41.79 (0.67) | 13.0 (0.53) | 54.79 (1.2) | ||||
| US | 41.89 (0.46) | 16.35 (0.41) | 58.24 (0.87) | ||||
| CoCr | C | 39.77 (0.94) | 0.738 | 14.36 (0.62) | <0.001 | 54.13 (1.57) | 0.011 |
| SC | 40.0 (1.1) | 12.2 (0.88) | 52.2 (1.99) | ||||
| US | 40.05 (0.55) | 12.46 (0.51) | 52.51 (1.05) | ||||
| p-value b | C | <0.001 | |||||
| SC | <0.001 | ||||||
| US | <0.001 | ||||||
Publisher’s Note: MDPI stays neutral with regard to jurisdictional claims in published maps and institutional affiliations. |
© 2021 by the authors. Licensee MDPI, Basel, Switzerland. This article is an open access article distributed under the terms and conditions of the Creative Commons Attribution (CC BY) license (http://creativecommons.org/licenses/by/4.0/).
Share and Cite
Hjerppe, J.; Rodas, S.; Korvala, J.; Pesonen, P.; Kaisanlahti, A.; Özcan, M.; Suojanen, J.; Reunanen, J. Surface Roughness and Streptococcus mutans Adhesion on Metallic and Ceramic Fixed Prosthodontic Materials after Scaling. Materials 2021, 14, 1027. https://doi.org/10.3390/ma14041027
Hjerppe J, Rodas S, Korvala J, Pesonen P, Kaisanlahti A, Özcan M, Suojanen J, Reunanen J. Surface Roughness and Streptococcus mutans Adhesion on Metallic and Ceramic Fixed Prosthodontic Materials after Scaling. Materials. 2021; 14(4):1027. https://doi.org/10.3390/ma14041027
Chicago/Turabian StyleHjerppe, Jenni, Sampo Rodas, Johanna Korvala, Paula Pesonen, Anna Kaisanlahti, Mutlu Özcan, Juho Suojanen, and Justus Reunanen. 2021. "Surface Roughness and Streptococcus mutans Adhesion on Metallic and Ceramic Fixed Prosthodontic Materials after Scaling" Materials 14, no. 4: 1027. https://doi.org/10.3390/ma14041027
APA StyleHjerppe, J., Rodas, S., Korvala, J., Pesonen, P., Kaisanlahti, A., Özcan, M., Suojanen, J., & Reunanen, J. (2021). Surface Roughness and Streptococcus mutans Adhesion on Metallic and Ceramic Fixed Prosthodontic Materials after Scaling. Materials, 14(4), 1027. https://doi.org/10.3390/ma14041027

