Mechanical Behaviors of Microalloyed TRIP-Assisted Annealed Martensitic Steels under Hydrogen Charging
Abstract
:1. Introduction
2. Materials and Methods
2.1. Materials Preparation
2.2. Slow Strain Rate Tensile (SSRT) Tests
2.3. Hydrogen Analysis
2.4. Analysis of Microstructure and Fracture
3. Results
3.1. Microstructure Observations
3.2. Stress-Strain Curves during SSRT Test
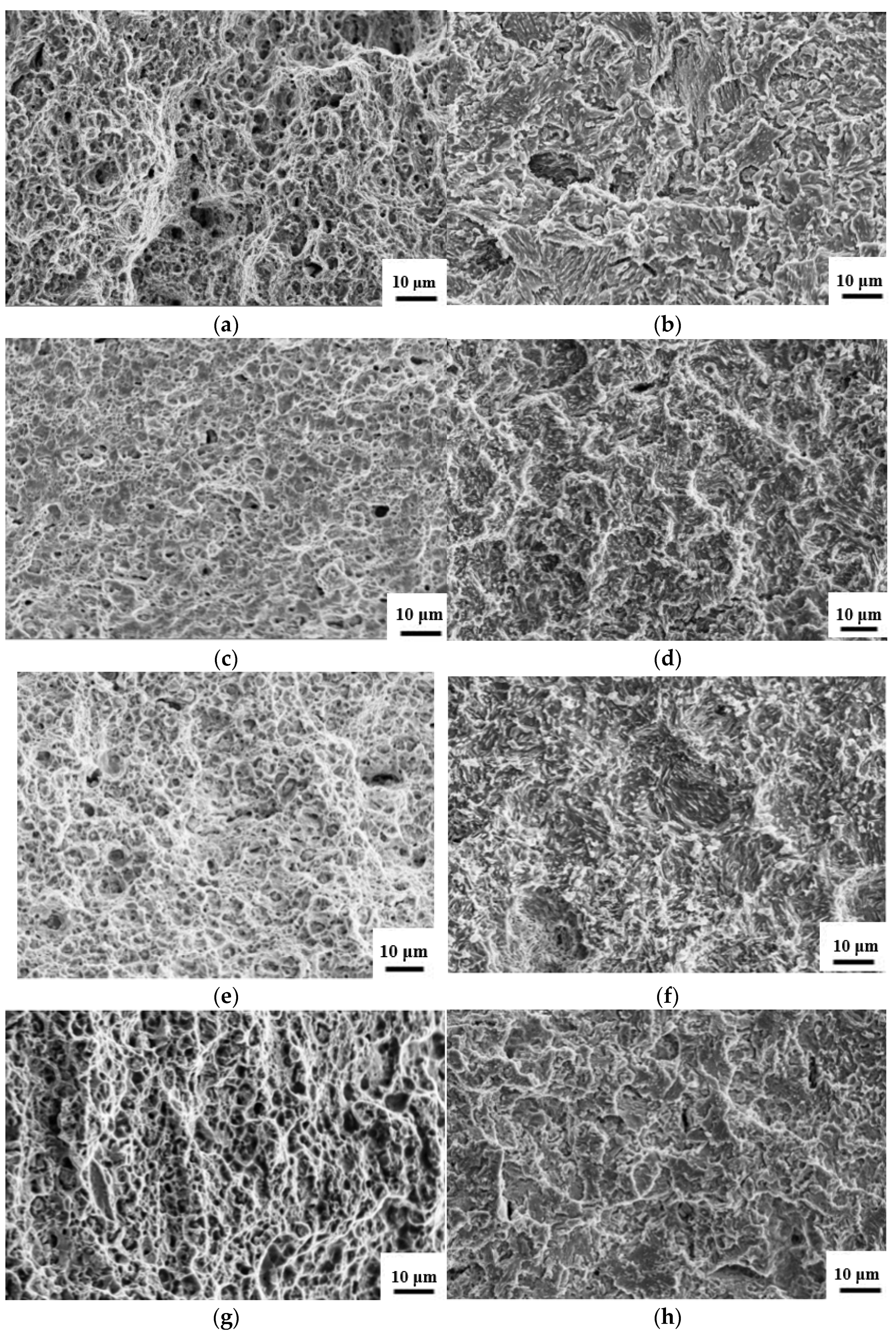
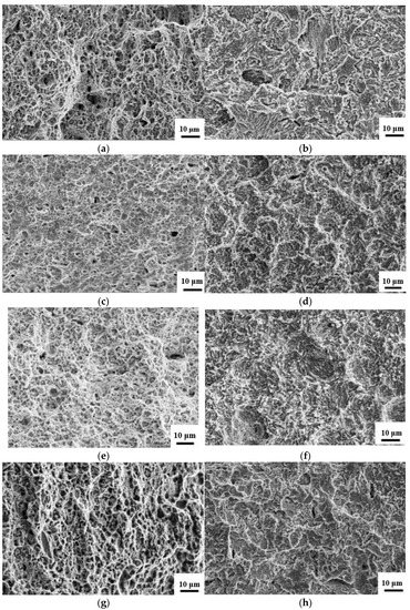
3.3. Fractural Appearance
3.4. TDA Results
4. Discussion
5. Conclusions
- TAM steels under no hydrogen charging conditions show an excellent combination of high tensile strength (>1000 MPa) with good ductility (~25%). Under hydrogen charging condition, both tensile strength and ductility decline, where tensile strength decreases from 1000–1100 MPa under no hydrogen charging condition to 680–760 MPa, and the observed significant ductility loss ratios are between 78.8% and 91.1%, with total elongation even less than 5%.
- The tensile behaviors of TAM steels under no hydrogen charging conditions are determined by the volume fraction of retained austenite and microalloying precipitates, showing a typical ductile fracture pattern. Hydrogen charged into the steel matrix leads to a cleavage fracture pattern, implying the occurrence of a hydrogen induced embrittlement effect.
- Thermal hydrogen desorption results show that there are double-peak hydrogen desorption temperature ranges for the studied microalloyed steels, where the first peak is assumed to relate to the high-density dislocation trapping effect, and the second peak corresponds to the hydrogen trapping effect exerted by microalloying element precipitates. There is no apparent second peak in the case of reference TAM steel since no microalloying precipitates are expected to form in the microstructure.
- Sites such as microalloying precipitates in steel are assumed to act as effective traps to fix hydrogen atoms and, thus, retard hydrogen motion towards grain boundaries and especially dislocations, lowering the possibility of causing stress concentration among the so-called defect sites, and eventually reducing hydrogen induced embrittlement tendency in TAM steels.
Author Contributions
Funding
Institutional Review Board Statement
Informed Consent Statement
Data Availability Statement
Acknowledgments
Conflicts of Interest
References
- Ye, P.; Shen, J.P.; Wang, G.Y.; Wu, J. Current status and development of light-weighting high strength steel used in automobiles. J. Mater. Mech. Eng. 2006, 30, 4–7. [Google Scholar]
- Dong, H.; Cao, W.Q.; Shi, J.; Wang, C.Y.; Wang, M.Q.; Weng, Y.Q. Microstructure and performance control technology of the 3rd generation auto sheet steels. J. Iron Steel Res. 2011, 46, 1–11. [Google Scholar]
- Zhang, Y.J. Research on Hydrogen Induced Delayed Fracture Behavior in Ultra-High Strength Sheet Steels. Ph.D. Thesis, Central Iron & Steel Research Institute, Beijing, China, 2013. [Google Scholar]
- Lee, H.G.; Lee, J.Y. Hydrogen trapping by TiC particles in iron. Acta Metall. 1984, 32, 131–136. [Google Scholar] [CrossRef]
- Wei, F.G.; Tsuzaki, K. Quantitative analysis on hydrogen trapping of TiC particles in steel. Metall. Mater. Trans. A 2006, 37, 331–353. [Google Scholar] [CrossRef]
- Zhang, C.L.; Liu, Y.Z.; Jiang, C.; Xiao, J.F. Effects of niobium and vanadium on hydrogen-induced delayed fracture in high strength spring steel. J. Iron Steel Res. 2011, 18, 49–53. [Google Scholar] [CrossRef]
- Szost, B.A.; Vegter, R.H.; Castillo, P.E.J.R. Developing bearing steels combining hydrogen resistance and improved hardness. Mater. Des. 2013, 43, 499–506. [Google Scholar] [CrossRef]
- Szost, B.A.; Vegter, R.H.; Castillo, P.E.J.R. Hydrogen-trapping mechanisms in nano-structured steels. Metall. Mater. Trans. A Phys. Metall. Mater. Sci. 2013, 44, 4542–4550. [Google Scholar] [CrossRef]
- Hui, W.J.; Dong, H.; Wang, M.Q.; Chen, S.L.; Weng, Y.Q. Effect of vanadium on delayed fracture resistance of high strength steel. Heat Treat. Met. 2002, 27, 10–12. [Google Scholar]
- Asahi, H.; Hirakami, D.; Yamasaki, S. Hydrogen trapping behavior in vanadium-added Steel. ISIJ Int. 2003, 43, 527–533. [Google Scholar] [CrossRef] [Green Version]
- Sugimoto, K.; Yu, B.; Mukai, Y.; Ikeda, S. Microstructure and formability of aluminum bearing TRIP-Aided steel with annealed martensite matrix. ISIJ Int. 2005, 45, 1194–1200. [Google Scholar] [CrossRef] [Green Version]
- Li, A.P.; Zhang, C.X. Hydrogen embrittlement of ultra-high strength low alloyed TRIP steel. Heat Treat. Met. Abroad. 2005, 26, 20–25. [Google Scholar]
- Seong, B.S.; Shin, E.J.; Han, Y.S.; Lee, C.H.; Kim, Y.J.; Kim, S.J. Effect of retained austenite and solute carbon on the mechanical properties in TRIP steels. Phys. B Condens. Matter. 2004, 350, e467–e469. [Google Scholar] [CrossRef]
- Scott, C.; Cugy, P. Vanadium additions in new ultra high strength and ductility steels. In Proceedings of the International Symposium on Automobile Steel (ISAS’09), Dalian, China, 6–8 September 2009. [Google Scholar]
- Enomoto, M.; Hirakami, D. Thermal desorption analysis of hydrogen in high strength martensitic steels. Metall. Mater. Trans. A 2011, 43, 572–581. [Google Scholar] [CrossRef]
- Hagihara, Y.; Takai, K.; Hirai, K. Delayed fracture using CSRT and hydrogen trapping characteristic of V-bearing high-strength steel. ISIJ Int. 2012, 52, 298–306. [Google Scholar] [CrossRef] [Green Version]
- Yamasaki, S.; Bhadeshia, H.K.D.H. M4C3 precipitation in Fe-C-Mo-V steels and relationship to hydrogen trapping. Proc. R. Soc. A 2006, 462, 2315–2330. [Google Scholar] [CrossRef]
- Chen, Y.S.; Lu, H.Z.; Liang, J.T.; Rosenthal, A.; Liu, H.W.; Sneddon, G.; McCarroll, I.; Zhao, Z.Z.; Li, W.; Guo, A.M.; et al. Observation of hydrogen trapping at dislocations, grain boundaries, and precipitates. Science 2020, 367, 171–175. [Google Scholar] [CrossRef] [PubMed]
- Yang, X.F.; Yu, H.; Song, C.H.; Li, L.L. Hydrogen trapping behavior in vanadium microalloyed TRIP-Assisted annealed martensitic steel. Metals 2019, 9, 741. [Google Scholar] [CrossRef] [Green Version]
- Hong, Q.; Chen, Y.X. Effects of static and dynamic hydrogen charging on tensile properties of SM490B clean steel. Shanghai Met. 2012, 34, 25–28. [Google Scholar]
- Ma, F.R.; Liu, J.X.; Chu, W.Y.; Zhang, W.L.; Yang, D.K. Study of hydro diffusion in enamelled steel sheet. J. Chin. Soc. Corros. Prot. 2010, 30, 269–272. [Google Scholar]
- Lin, H.T. Study on Microstructure, Properties and Hydrogen Embrittlement Sensitivity of Welded Joints of High Strength Steel QP980. Ph.D. Thesis, University of Science and Technology Beijing, Beijing, China, 2020. [Google Scholar]
- Park, Y.D.; Maroef, I.S.; Landau, A.; Olson, D.L. Retained austenite as a hydrogen trap in steel welds. Weld. J. 2002, 81, 27–35. [Google Scholar]







| Elements | C | Si | Mn | V | Ti | Nb |
|---|---|---|---|---|---|---|
| TAM-V | 0.20 | 1.53 | 2.13 | 0.052 | - | - |
| TAM-Ti | 0.19 | 1.47 | 2.15 | - | 0.048 | - |
| TAM-Nb | 0.20 | 1.47 | 2.09 | - | - | 0.049 |
| TAM-R | 0.19 | 1.42 | 2.02 | - | - | - |
| Steels | Applied Conditions | Rm/MPa | A/% | IT/% | ID/% |
|---|---|---|---|---|---|
| TAM-V | No charged | 1106 | 25.70 | 29.8 | 83.4 |
| Charged | 776 | 4.26 | |||
| TAM-Nb | No charged | 1095 | 24.90 | 37.4 | 87.3 |
| Charged | 686 | 3.17 | |||
| TAM-Ti | No charged | 1107 | 25.76 | 30.5 | 78.8 |
| Charged | 769 | 5.45 | |||
| TAM-R | No charged | 1002 | 28.93 | 24.2 | 91.1 |
| Charged | 760 | 2.57 |
| Samples | TAM-V | TAM-Ti | TAM-Nb | TAM-R |
|---|---|---|---|---|
| De-H during first peak section | 8.66 | 9.43 | 9.34 | 10.02 |
| De-H during second peak section | 0.42 | 0.22 | 0.10 | 0.02 |
Publisher’s Note: MDPI stays neutral with regard to jurisdictional claims in published maps and institutional affiliations. |
© 2021 by the authors. Licensee MDPI, Basel, Switzerland. This article is an open access article distributed under the terms and conditions of the Creative Commons Attribution (CC BY) license (https://creativecommons.org/licenses/by/4.0/).
Share and Cite
Yang, X.; Yu, H.; Song, C.; Li, L. Mechanical Behaviors of Microalloyed TRIP-Assisted Annealed Martensitic Steels under Hydrogen Charging. Materials 2021, 14, 7752. https://doi.org/10.3390/ma14247752
Yang X, Yu H, Song C, Li L. Mechanical Behaviors of Microalloyed TRIP-Assisted Annealed Martensitic Steels under Hydrogen Charging. Materials. 2021; 14(24):7752. https://doi.org/10.3390/ma14247752
Chicago/Turabian StyleYang, Xiongfei, Hao Yu, Chenghao Song, and Lili Li. 2021. "Mechanical Behaviors of Microalloyed TRIP-Assisted Annealed Martensitic Steels under Hydrogen Charging" Materials 14, no. 24: 7752. https://doi.org/10.3390/ma14247752
APA StyleYang, X., Yu, H., Song, C., & Li, L. (2021). Mechanical Behaviors of Microalloyed TRIP-Assisted Annealed Martensitic Steels under Hydrogen Charging. Materials, 14(24), 7752. https://doi.org/10.3390/ma14247752

