Distinct Advantages of Circumferential Notch Tensile (CNT) Testing in the Determination of a Threshold for Stress Corrosion Cracking (KISCC)
Abstract
:1. Introduction
- (a)
- It can occur at stresses even below the yield strength of the material;
- (b)
- Cracks can grow undetected into leaks or, sometimes, sudden and catastrophic failures when the required synergy of stress and environment is present;
- (c)
- A few localized and fine cracks may grow undetected to fracture, while the alloy surface may virtually appear free from corrosion;
- (d)
- It is intriguing that sometimes a relatively less corrosive environment may be more deleterious for SCC.
2. Circumferential Notch Tensile (CNT) Testing for KISCC: Distinct Advantages
- (a)
- It enables achieving high stress intensities (KI) by employing small loads;
- (b)
- It is much easier to machine the simple cylindrical specimen geometry than the CT or DCB geometry;
- (c)
- It is much cheaper to fabricate the specimens (cf. 20–25% of CT or DCB specimens);
- (d)
- Enables testing when only thin sections are available (such as HAZ of weldments or a failed thin-walled component);
- (e)
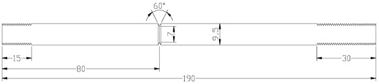
- It vastly reduces the amount of the required test material. In fact, the required test material can be further reduced considerably by using extenders. The extenders constructed out of another material can be used because the actual area of interest is only the notched portion and the adjacent area (shown in Figure 1). This enables just machining the small cylindrical sample with circumferential notch and then extending it to the full length by drilling threads on both ends (and then using extenders of a harder material to extend the length at each end);
- (f)
- The ability to test small cylindrical samples (as described at (e) above) enables testing where only small lengths of test material may be available or where the test material is expensive (for example, when a large number of tests are required for assessing a pressure vessel constructed out of an expensive duplex stainless steel).
2.1. CNT Specimens for the Determination of KISCC: Challenges and Circumvention
2.2. Accounting for Eccentricity (ε) in Pre-Cracked CNT Specimens
2.3. Valid KI Data
3. Procedure for the Determination of KISCC by the CNT Technique
4. First KISCC Data Using the CNT Technique
4.1. CNT Testing under Imposed Electrochemical Condition
5. Validation of the CNT Testing Technique for KISCC Data Generation
6. KISCC of Narrow Structures: Determination by the CNT Technique
7. CNT Testing to Generate Data for Other Commercial Applications
7.1. SCC Resistance of Biodegradable Implant Materials
7.2. Improved Caustic Cracking Susceptibility Diagrams
- (a)
- The diagram was developed using plain NaOH solutions, whereas the actual Bayer liquors or Kraft solutions have several impurities. Some of the impurities have strong influence on the chemical and physical characteristics of the passive films. Given that the susceptibility to SCC is profoundly dictated by the nature of the corrosion/passive film at the tip of a crack (as elaborated at Section 4.1), the susceptibility to caustic cracking is likely to be influenced by the chemical variations of caustic solutions (such as those due to impurities). For example, a minor increase in sulphur content enhances susceptibility to caustic cracking, as does the addition of aluminates ions (AlO2−) [17]. Hence, it is essential to develop separate CS diagrams for Bayer liquors or Kraft solutions with different chemistries. However, this will require a large number of tests, necessitating the employment of a cost-effective testing technique.
- (b)
- Smooth samples of steel were used for developing the diagram [35,36,37], whereas the fabricated components often have sharp notches such as machining burs and other stress raisers such as surface defects. Therefore, it is prudent to investigate the validity of the caustic susceptibility diagram by testing notched and pre-cracked specimens [34,38].
7.3. SCC of SG Cast Iron Equipment for Alumina Processing
7.4. Chloride SCC of Sensitized Stainless Steel
8. Conclusions
- Distinct advantages of circumferential notch tensile (CNT) specimen geometry in generating critical stress corrosion cracking (SCC) data because of their small cross-sections are:
- (a)
- It is much cheaper to fabricate CNT specimens than specimens with most of the traditional geometries (e.g., CT or DCB), which enables conducting a large number of fracture mechanics-based tests on pre-cracked specimens that are necessary for the generation of quality KISCC data. It also is easier to machine specimens with a simple cylindrical geometry.
- (b)
- The considerably smaller cross-sectional area enables achieving high stress intensities (KI) by using moderate loads.
- (c)
- The amount of the required test material is vastly smaller, and it is possible to perform tests when only thin sections are available (such as HAZ of weldments or a failed thin-walled component). This is also advantageous when the test material is expensive.
- Because of the advantages described above, CNT testing is a relatively simple and inexpensive technique for the generation of data for the design, maintenance and life assessment of equipment susceptible to SCC, such as SCC of notched specimens or KISCC data.
- The CNT technique has been successfully validated and employed for characterising the SCC susceptibility of notched specimens and/or for generating KISCC data for various commercial scenarios, such as caustic cracking of steels and cast iron, and can be used to develop more relevant cracking susceptibility diagrams. CNT techniques has also been employed for generating crucial SCC data for bioimplant materials, narrow regions of steel welds and heat-affected zone and sensitized stainless steel.
Author Contributions
Funding
Institutional Review Board Statement
Informed Consent Statement
Data Availability Statement
Acknowledgments
Conflicts of Interest
References
- Raman, R.K.S.; Rihan, R.; Ibrahim, R.N. A novel approach to the determination of the threshold for stress corrosion cracking (K ISCC) using round tensile specimens. Metall. Mater. Trans A 2006, 37A, 2963–2973. [Google Scholar] [CrossRef]
- Sedriks, A.J. Stress Corrosion Cracking Test Methods; Publications of National Association of Corrosion Engineers: Houston, TX, USA, 1990. [Google Scholar]
- Dean, S.W.; Pugh, E.N.; Ugiansky, G.M. Environment-Sensitive Fracture: Evaluation, and Comparison of Test Methods, ASTM STP 821, Symposium Sponsored by ASTM Committee G-1; ASTM: Philadelphia, PA, USA, 1982. [Google Scholar]
- Turnbull, A. Test methods for environment assisted cracking. Br. Corros. J. 1992, 27, 271–289. [Google Scholar] [CrossRef]
- Raman, R.K.S.; Rihan, R.; Ibrahim, R.N. Role of imposed potentials in threshold for caustic cracking susceptibility (KISCC): Investigations using circumferential notch tensile (CNT) testing. Corros. Sci. 2007, 49, 4386–4439. [Google Scholar] [CrossRef]
- Rihan, R.; Raman, R.K.S.; Ibrahim, R.N. Determination of crack growth rate and threshold for caustic cracking (KIscc) of a cast iron using small circumferential notched tensile (CNT) specimens. Mater. Sci. Eng. A 2006, 425, 272–277. [Google Scholar] [CrossRef]
- Raman, R.K.S.; Rihan, R.; Ibrahim, R.N. Validation of a novel approach to determination of threshold for stress corrosion cracking (KISCC). Mate. Sci. Eng. A 2007, 452–453, 652–656. [Google Scholar] [CrossRef]
- Ibrahim, R.N.; Stark, H.L. Establishing K 1c from eccentrically fatigue cracked small circumferentially grooved cylindrical specimens. Int. J. Fracture 1990, 44, 179–188. [Google Scholar]
- Ibrahim, R.N.; Kotousov, A.G. Analytical approach for calculating KIC from eccentrically cracked cylindrical specimens. ASME Press. Vessel. Pip. Conf. 1999, 388, 155–161. [Google Scholar]
- Ibrahim, R.N.; Stark, H.L. Estimating fracture toughness from small specimens. Eng. Fract. Mech. 1986, 25, 395–401. [Google Scholar]
- ASTM. ASTM Special Committee on Fracture Testing of High-Strength Metallic Materials: Fracture Testing of High-Strength Sheet Materials; ASTM Bulletin 243; ASTM: Philadelphia, PA, USA, 1960; pp. 29–40. [Google Scholar]
- Irwin, G.R. Fracture Testing of High-Strength Sheet Materials under Conditions Appropriate for Stress Analysis; Report 5486; Naval Research Laboratory: Washington DC, USA, 1960. [Google Scholar]
- Irwin, G.R. Plastic zone near a crack and fracture toughness. In Sugamore Ordinance Materials Conference; Syracuse University Research Institute: Syracuse, NY, USA, 1961. [Google Scholar]
- McClintock, F.A.; Irwin, G.R. Plasticity aspects of fracture mechanics. ASTM STP 1965, 381, 84. [Google Scholar]
- Ibrahim, R.N. Eccentricity Correction for the Evaluation of Fracture Toughness from Cylindrical Notched Test Small Specimens. Eng. Fract. Mech. 1999, 64, 49–58. [Google Scholar] [CrossRef]
- Ibrahim, R.N.; Stark, H.L. Validity requirements for fracture toughness measurements obtained from small circumferentially notched cylindrical specimens. Eng. Fract. Mech. 1987, 28, 455–460. [Google Scholar] [CrossRef]
- Le, H.H.; Ghali, E. Slow Strain Rate and Constant Load Tests of A285 and A516 Steels in Bayer Solutions. J. Appl. Electrochem. 1992, 22, 396. [Google Scholar] [CrossRef]
- Singbeil, D.; Tromans, D. Caustic stress corrosion cracking of mild steel. Metall. Trans. A 1982, 13A, 1091–1098. [Google Scholar] [CrossRef]
- Sriram, R.; Tromans, D. Stress corrosion cracking of carbon steel in caustic aluminate solutions—Crack propagation studies. Metall. Trans. A 1985, 16A, 979–986. [Google Scholar] [CrossRef]
- Bandyopadhyay, N.; Briant, C.L.; Hall, E.L. The effect of microstructural changes on the caustic stress corrosion cracking resistance of a NiCrMoV rotor steel. Metall. Trans. A 1985, 16A, 1333–1344. [Google Scholar] [CrossRef]
- Le, H.H.; Ghali, E. The electrochemical behaviour of pressure vessel steel in hot Bayer solutions as related to the SCC phenomenon. Corros. Sci. 1990, 30, 117–134. [Google Scholar] [CrossRef]
- Liu, S.E.; Zhu, Z.; Guan, H.; Ke, W. Stress corrosion cracking of pressure vessel steels in high-temperature caustic aluminate solution. Metall. Mater. Trans. A 1996, 27A, 1327–1331. [Google Scholar] [CrossRef]
- Rihan, R.; Raman, R.K.S.; Ibrahim, R.N. Circumferential notched tensile (CNT) testing of cast iron for determination of threshold (KISCC) for caustic crack propagation. Mater. Sci. Eng. A 2005, 407, 207–212. [Google Scholar] [CrossRef]
- Brown, B.F.; Beachem, C.D. A study of the stress factor in corrosion cracking by use of the pre-cracked cantilever beam specimen. Corros. Sci. 1965, 5, 745–750. [Google Scholar] [CrossRef]
- Smith, H.R.; Piper, D.E.; Downey, F.K. A study of stress-corrosion cracking by wedge-force loading. Eng. Fract. Mech. 1968, 1, 123–128. [Google Scholar] [CrossRef]
- Pal, S.; Raman, R.K.S.; Rihan, R. Circumventing practical difficulties in determination of threshold stress intensity for stress corrosion cracking of narrow regions of welded structures. Metall. Mater. Trans. A 2012, 43A, 3202–3214. [Google Scholar] [CrossRef]
- Pal, S.; Raman, R.K.S. Determination of threshold stress intensity factor for stress corrosion cracking (KISCC) of steel heat affected zone. Corros. Sci. 2009, 51, 2443–2449. [Google Scholar] [CrossRef]
- Zberg, B.; Uggowitzer, P.J.; Loffler, J.F. MgZnCa glasses without clinically observable hydrogen evolution for biodegradable implants. Nat. Mater. 2009, 8, 887–891. [Google Scholar] [CrossRef] [PubMed]
- Ma, E.; Xu, J. The glass window of opportunities. Nat. Mater. 2009, 8, 855–857. [Google Scholar] [CrossRef]
- Cihova, M.; Martinelli, E.; Schmutz, P.; Myrissa, A.; Schäublin, R.; Weinberg, A.M.; Uggowitzer, P.J.; Löffler, J.F. The role of zinc in the biocorrosion behavior of resorbable Mg‒Zn‒Ca alloys. Acta Biomater. 2019, 100, 398–414. [Google Scholar] [CrossRef]
- Cihova, M.; Schmutz, P.; Schäublin, R.; Löffler, J.F. Biocorrosion zoomed in: Evidence for dealloying of nanometric intermetallic particles in magnesium alloys. Adv. Mater. 2019, 31, 1903080. [Google Scholar] [CrossRef]
- Grün, N.G.; Holweg, P.; Tangl, S.; Eichler, J.; Berger, L.; van den Beucken, J.J.J.P.; Löffler, J.F.; Klestil, T.; Weinberg, A.M. Comparison of a resorbable magnesium implant in small and large growing-animal models. Acta Biomater. 2018, 78, 378–386. [Google Scholar] [CrossRef]
- Choudhary, L.; Raman, R.K.S. Magnesium alloys as body implants: Fracture mechanism under dynamic and static loadings in a physiological environment. Acta Biomater. 2012, 8, 916–923. [Google Scholar] [CrossRef]
- Pal, S.; Raman, R.K.S.; Ibrahim, R.N. Revisiting stress corrosion cracking of steel in caustic solutions for developing cracking susceptibility diagrams for improved applicability. Metall. Mater. Trans. A 2012, 43A, 1944–1955. [Google Scholar] [CrossRef]
- Schmidt, H.; Gegner, P.; Heinemann, G.; Pogacar, C.; Wyche, E. Stress Corrosion Cracking in Alkaline Solutions—TP—5C—Sub-Surface Corrosion by Alkaline Solutions A Technical Practices Committee Report. Pub. 51-3. Corrosion 1951, 7, 295–302. [Google Scholar] [CrossRef]
- Singbeil, D.; Tromans, D. A Fracture Mechanics Study of Caustic Cracking of Mild Steel in Hot NaOH/Na2 S Solutions. J. Electrochem. Soc. 1982, 129, 2669–2673. [Google Scholar] [CrossRef]
- Bhattacharya, A.; Singh, P.M. Effect of heat treatment on corrosion and stress corrosion cracking of S32205 duplex stainless steel in caustic solution. Metall. Mater. Trans. A 2009, 40A, 1388–1399. [Google Scholar] [CrossRef]
- Pal, S.; Raman, R.K.S. Investigations using smooth and notched specimens into validity of caustic cracking susceptibility diagram. Metall. Mater. Trans. A 2010, 41A, 2328–2336. [Google Scholar]
- Raman, R.K.S.; Muddle, B.C. Caustic stress corrosion cracking of a graphite cast iron component. Eng. Fail. Anal. 2004, 11, 199–206. [Google Scholar] [CrossRef]
- Pal, S.; Raman, R.K.S. Determination of threshold stress intensity for chloride stress corrosion cracking of solution-annealed and sensitized austenitic stainless steel by circumferential notch tensile technique. Corros. Sci. 2010, 52, 1985–1991. [Google Scholar] [CrossRef]
- Pal, S.; Ibrahim, R.N.; Raman, R.K.S. Studying the effect of sensitization on the threshold stress intensity and crack growth for chloride stress corrosion cracking of austenitic stainless steel using circumferential notch tensile technique. Eng. Fract. Mech. 2012, 82, 158–171. [Google Scholar] [CrossRef]
















| KI (MPa·m1/2) | Tf (hours) | 2ry (mm) | ||
|---|---|---|---|---|
| 74 * | 0.5 | 1.32 | 1.20 | 2.39 |
| 72.2 | 53 | 1.56 | 1.16 | 1.91 |
| 61.6 | 337 | 1.29 | 0.89 | 2.03 |
| 46.5 | 1009 | 0.90 | 0.53 | 1.44 |
| 53.1 | 1810 | 0.93 | 0.67 | 1.51 |
| 42.9 | 3113 | 0.66 | 0.46 | 1.41 |
| 31.6 $ | 4006 @ | 1.25 | 0.27 | 1.06 |
| 68.1 # | 2301 @ | 1.26 | 1.06 | 2.15 |
| Free Caustic Concentration, wt% | Caustic Solution Temperature, °C | Applied Stress Intensity, MPa·m1/2 | Time to Failure, h | Evidence of Intergranular Fractographic Features | Caustic Cracking Susceptibility Feature |
|---|---|---|---|---|---|
| 10 | 100 | 37.3 | 2088 h | Yes | Yes |
| 70 | 33.1 | Did not Fail in 2323 h | No (Forced to Fracture) | No | |
| 20 | 100 | 31.7 | 241 h | Yes | Yes |
| 80 | 27.3 | 2280 h | Yes | Yes | |
| 80 | 32.3 | 950 h | Yes | Yes | |
| 65 | 62.9 | Did not Fail in 4000 h | No (Forced to Fracture) | No | |
| 30 | 100 | 27.3 | 1801 h | Yes | Yes |
| 70 | 42.2 | 87 h | Yes | Yes | |
| 55 | 53.2 | 210.3 h | Yes | Yes | |
| 40 | 100 | 75.1 | 192 h | Yes | Yes |
| 70 | 41.2 | Did not Fail in 2112 h | No (Forced to Fracture) | No | |
| 45 | 30 | Did not Fail in 1632 h | No (Forced to Fracture) | No |
Publisher’s Note: MDPI stays neutral with regard to jurisdictional claims in published maps and institutional affiliations. |
© 2021 by the authors. Licensee MDPI, Basel, Switzerland. This article is an open access article distributed under the terms and conditions of the Creative Commons Attribution (CC BY) license (https://creativecommons.org/licenses/by/4.0/).
Share and Cite
Singh Raman, R.K.; Jones, R. Distinct Advantages of Circumferential Notch Tensile (CNT) Testing in the Determination of a Threshold for Stress Corrosion Cracking (KISCC). Materials 2021, 14, 5620. https://doi.org/10.3390/ma14195620
Singh Raman RK, Jones R. Distinct Advantages of Circumferential Notch Tensile (CNT) Testing in the Determination of a Threshold for Stress Corrosion Cracking (KISCC). Materials. 2021; 14(19):5620. https://doi.org/10.3390/ma14195620
Chicago/Turabian StyleSingh Raman, R. K., and Rhys Jones. 2021. "Distinct Advantages of Circumferential Notch Tensile (CNT) Testing in the Determination of a Threshold for Stress Corrosion Cracking (KISCC)" Materials 14, no. 19: 5620. https://doi.org/10.3390/ma14195620
APA StyleSingh Raman, R. K., & Jones, R. (2021). Distinct Advantages of Circumferential Notch Tensile (CNT) Testing in the Determination of a Threshold for Stress Corrosion Cracking (KISCC). Materials, 14(19), 5620. https://doi.org/10.3390/ma14195620
