Study of Corrosion, Structural, and Mechanical Properties of EN AW-6082 and EN AW-7075 Welded Joints
Abstract
:1. Introduction
2. Materials and Test Methodology
3. Results and Discussion
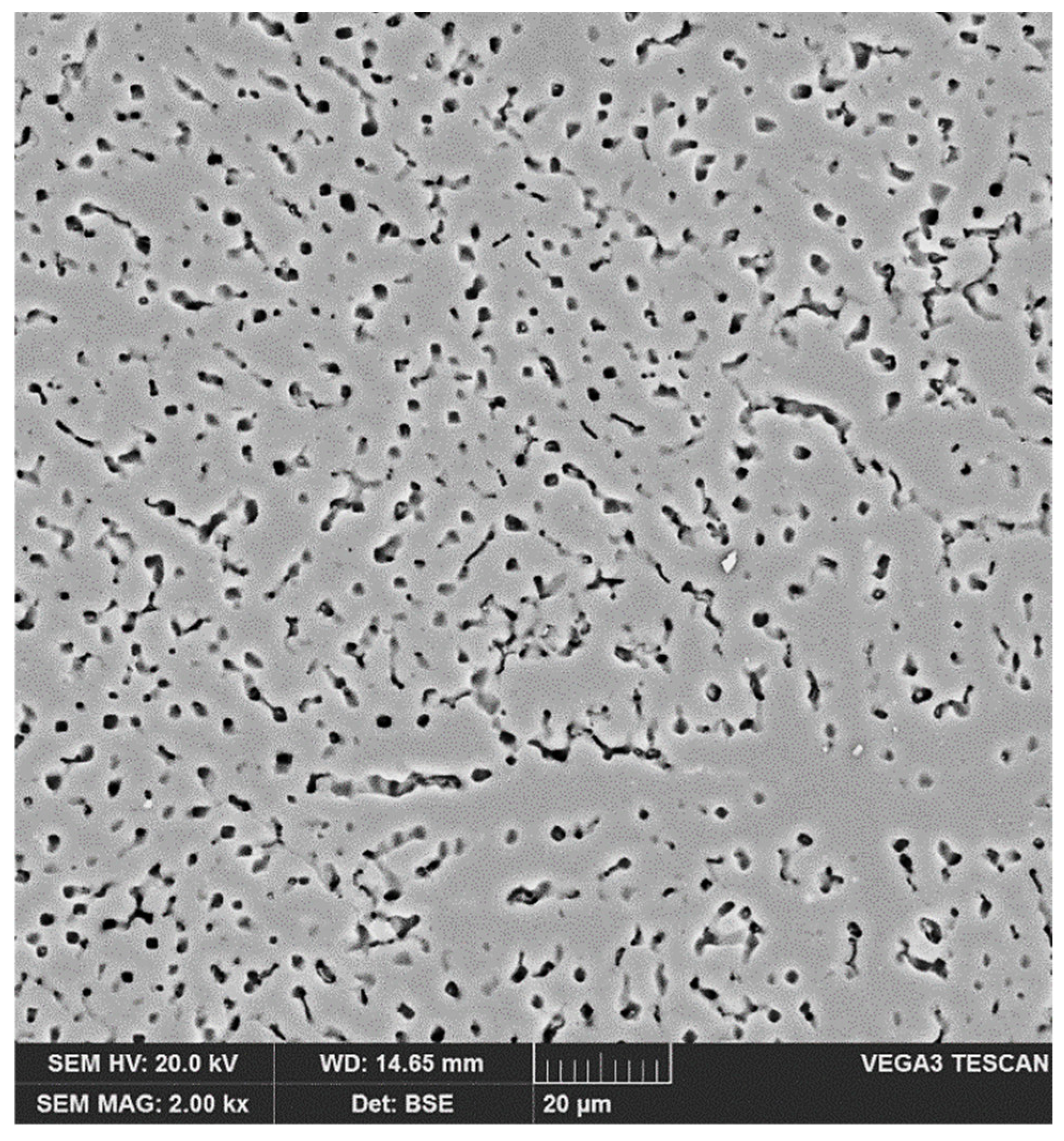
3.1. Metallographic Tests
3.2. Tests of Mechanical Properties
3.3. Corrosion Tests
4. Conclusions
Author Contributions
Funding
Institutional Review Board Statement
Informed Consent Statement
Data Availability Statement
Conflicts of Interest
References
- Hirsch, J. Recent development in aluminium for automotive applications. Trans. Nonferrous Metals Soc. China 2014, 24, 1995–2002. [Google Scholar] [CrossRef]
- Idzior, M. Directions of changes of materials in motorization in view of ecological requirements. Motrol. Metals Power Ind. Agric. 2007, 9, 72–87. [Google Scholar]
- Applications—Car Body—Body Structure, the Aluminium Automotive Manual. 2013. Available online: https://www.european-aluminium.eu/media/1543/1_aam_body-structures.pdf (accessed on 16 February 2020).
- Davis, J.R. Aluminum and Aluminum Alloys; ASM International: Cleveland, OH, USA, 1993. [Google Scholar]
- Joining—Arc Welding, the Aluminium Automotive Manual. 2015. Available online: https://www.european-aluminium.eu/media/1518/3-arc-welding_2015_new.pdf (accessed on 18 February 2020).
- Tasak, E.; Ziewiec, A. Characteristics of cracks in welded joints and methods of prevention. Bond. Metals Plast. Pract. 2017, 2, 10–15. [Google Scholar]
- Bolewski, Ł.; Szkodo, M.; Pękala, P. Investigation of the impact in current intensity on AW-7075 aluminum alloy welding. Proj. I Konstr. Inżynierskie 2016, 9, 22–26. [Google Scholar]
- Peter, I.; Rosso, M. Study of 7075 aluminium alloy joints. Sci. Bull. Valahia Univ. Mater. Mech. 2017, 13, 7–11. [Google Scholar] [CrossRef] [Green Version]
- Kang, M.; Kim, C. A Review of Joining Processes for High Strength 7xxx Series Aluminum Alloys. J. Weld. Join. 2017, 6, 79–88. [Google Scholar] [CrossRef] [Green Version]
- Liu, L.; Yang, K.; Yan, D. Refill Friction Stir Spot Welding of Dissimilar 6061/7075 Aluminum Alloy. High Temp. Mater. Process. 2019, 39, 69–75. [Google Scholar] [CrossRef]
- Kalemba, I.; Miara, D.; Kopyściański, M.; Krasnowski, K. Characterization of friction stir welded 5xxx and 7xxx aluminum alloys. Weld. Technol. Review. 2015, 2, 30–36. [Google Scholar]
- Cavaliere, P.; Cerri, E.; Squillace, A. Mechanical response of 2024-7075 aluminiumalloys joined by Friction Stir Welding. J. Mater. Sci. 2005, 40, 3669–3676. [Google Scholar] [CrossRef]
- Umar, M.J.; Palaniappan, P.K.; Maran, P.; Pandiyarajan, R. Investigation and optimization of friction stir welding process parameters of stir cast AA6082/ZrO/BC composites. Mater. Sci. 2021, 38, 715–730. [Google Scholar] [CrossRef]
- Wojdat, T.; Kustroń, P.; Jaśkiewicz, K.; Zwierzchowski, M.; Margielewska, A. Numerical modelling of welding of car body sheets made of selected aluminum alloys. Arch. Metall. Mater. 2019, 64, 1403–1409. [Google Scholar] [CrossRef]
- Pfeifer, T.; Rykała, J. Welding EN AW 7075 Aluminium Alloy Sheets—Low-energy Versus Pulsed Current. Inst. Weld. Bull. Gliwice 2014, 5, 137–144. [Google Scholar]
- Bruckner, J.; Wagner, J.; Arenholz, E. The CMT—process—A revolution in welding technology. In Proceedings of the International Light Metals Technology Conference 2005, San Francisco, CA, USA, 13–17 February 2005; pp. 275–281. [Google Scholar]
- Pfeifer, T.; Stano, S. Modern methods of weldbrazing in the aspect of quality and properties of joints. Weld. Technol. Rev. 2016, 9, 95–102. [Google Scholar]
- EN 573-3:2014 Aluminium and Aluminium Alloys—Chemical Composition and Form of Wrought Products—Part 3: Chemical Composition and Form of Products, Standard; European Committee for Standardization: Brussels, Belgium, 2014.
- EN ISO 18273:2016-02 Welding Consumables—Wire Electrodes, Wires and Rods for Welding of Aluminium and Aluminium Alloys, Part 2—Classification, Standard; European Committee for Standardization: Brussels, Belgium, 2016.
- EN ISO 17639:2013-12 Destructive Tests on Welds in Metallic Materials—Macroscopic and Microscopic Examination of Welds, Standard; European Committee for Standardization: Brussels, Belgium, 2013.
- EN ISO 4136:2013-05 Destructive Tests on Welds in Metallic Materials—Transverse Tensile Test, Standard; European Committee for Standardization: Brussels, Belgium, 2013.
- EN ISO 6507-1:2018 Metallic Materials—Vickers Hardness Test—Part 1: Test METHOD, STANDARD; European Committee for Standardization: Brussels, Belgium, 2018.
- ASTM G85-19 Standard Practice for Modified Salt Spray (Fog) Testing, Annex A3—Seawater Acidified Test, Cyclic, Standard; ASTM International: West Conshohocken, PA, USA, 2019.
- Massalski, T.B. Binary Alloys Phase Diagrams; ASM International: Cleveland, OH, USA, 1992; Volume 1. [Google Scholar]
- Hatamleha, O.; Singhb, P.M.; Garmestanib, H. Corrosion susceptibility of peened friction stir welded 7075 aluminum alloy joints. Corros. Sci. 2009, 51, 135–143. [Google Scholar] [CrossRef]
- Liu, J.; Pan, W.; Liu, Y.; Wang, Y. Effect of graphene on corrosion resistance of micro-arc oxidation coatings on 6061/7075 dissimilar laser-MIG hybrid welded joint. Mater. Res. Express 2019, 6. [Google Scholar] [CrossRef]













| Aluminum Alloy | Chemical Composition, wt % | ||||||||
|---|---|---|---|---|---|---|---|---|---|
| Si | Fe | Cu | Mn | Mg | Cr | Zn | Ti | Al | |
| EN AW-6082 | 0.70–1.30 | 0.45–0.55 | 0.08–0.12 | 0.40–1.00 | 0.60–1.20 | 0.23–0.27 | 0.18–0.22 | 0.08–0.12 | Balance |
| Analysis | 1.21 | 0.46 | 0.11 | 0.55 | 1.17 | 0.22 | 0.21 | 0.12 | Balance |
| EN AW-7075 | max 0.40 | max 0.50 | 1.20–2.00 | max 0.30 | 2.10–2.90 | 0.18–0.28 | 5.10–6.10 | max 0.20 | Balance |
| Analysis | 0.32 | 0.39 | 1.25 | 0.25 | 2.52 | 0.20 | 5.91 | 0.17 | Balance |
| S Al 5183 | 0.20–0.30 | max 0.20 | max 0.10 | 0.70–0.80 | max 4.5 | max 0.10 | - | max 0.10 | Balance |
| Type of Joint | Force [N] | Shear/Tensile Strength [MPa] | Average Strength [MPa] | Standard Deviation [MPa] |
|---|---|---|---|---|
| Lap joints with EN AW-7075 alloy in the up position | 11,950 | 159.3 | 152.6 | 4.9 |
| 11,250 | 150.0 | |||
| 11,150 | 148.7 | |||
| 11,700 | 156.0 | |||
| 11,000 | 146.7 | |||
| 11,600 | 154.7 | |||
| Lap joint with EN AW-7075 alloy in reverse configuration | 7900 | 105.3 | 105.1 | 4.6 |
| 7300 | 97.3 | |||
| 8000 | 106.7 | |||
| 8100 | 108.0 | |||
| 7700 | 102.7 | |||
| 8300 | 110.6 | |||
| Butt joints of EN AW-7075 alloy | 28,750 | 383.3 | 375.9 | 6.0 |
| 27,800 | 370.7 | |||
| 27,700 | 369.3 | |||
| 28,600 | 381.3 | |||
| 28,400 | 378.7 | |||
| 27,900 | 372.0 |
| Type of Joint | Zone | Microhardness [HV 0.05] | Average Microhardness [HV 0.05] | Standard Deviation [HV 0.05] | ||||
|---|---|---|---|---|---|---|---|---|
| Lap joints with EN AW-7075 alloy in the up position | BS (EN AW-6082) | 80.1 | 86.3 | 85.8 | 80.5 | 84.8 | 83.5 | 3.0 |
| HAZ (EN AW-6082) | 78.8 | 77.5 | 84.4 | 76.9 | 82.5 | 80.0 | 3.2 | |
| Weld | 101.4 | 109.7 | 107.5 | 109.8 | 103.4 | 106.4 | 3.8 | |
| HAZ (EN AW-7075) | 98.4 | 99.6 | 112.4 | 119.8 | 124.5 | 110.9 | 11.7 | |
| BS (EN AW-7075) | 137.1 | 141.4 | 139.8 | 141.2 | 137.6 | 139.4 | 2.0 | |
| Lap joint with EN AW-7075 alloy in reverse configuration | BS (EN AW-6082) | 84.2 | 80.3 | 82.8 | 78.9 | 84.7 | 82.1 | 2.5 |
| HAZ (EN AW-6082) | 80.9 | 82.6 | 79.9 | 82.7 | 79.6 | 81.2 | 1.5 | |
| Weld | 104.6 | 108.3 | 106.7 | 103.9 | 111.2 | 106.9 | 2.9 | |
| HAZ (EN AW-7075) | 101.3 | 106.9 | 115.8 | 120.1 | 127.9 | 114.4 | 10.5 | |
| BS (EN AW-7075) | 140.5 | 137.2 | 138.1 | 137.5 | 139.6 | 138.5 | 1.4 | |
| Butt joints of EN AW-7075 alloy | BS (EN AW-7075) | 138.8 | 136.4 | 141.2 | 137.8 | 138.1 | 138.4 | 1.7 |
| HAZ (EN AW-7075) | 130.5 | 124.6 | 116.5 | 108.9 | 101.3 | 116.36 | 11.7 | |
| Weld | 102.1 | 105.3 | 101.5 | 107.2 | 103.6 | 103.94 | 2.3 | |
| HAZ (EN AW-7075) | 99.5 | 102.3 | 111.8 | 118.3 | 125.4 | 111.46 | 10.8 | |
| BS (EN AW-7075) | 140.1 | 138.7 | 135.7 | 137.5 | 136.2 | 137.6 | 1.8 | |
| Zone of Measurement | Chemical Composition, wt % | |||||
|---|---|---|---|---|---|---|
| Fe | Cu | Mg | Zn | O | Al | |
| EN AW-7075 alloy | 0.3 | 1.9 | 3.2 | 7.1 | 1.1 | Balance |
| Transition zone | 0.4 | 1.4 | 1.6 | 3.1 | 2.7 | Balance |
| Heat affected zone | 0.4 | 1.6 | 2.0 | 5.8 | 1.3 | Balance |
Publisher’s Note: MDPI stays neutral with regard to jurisdictional claims in published maps and institutional affiliations. |
© 2021 by the authors. Licensee MDPI, Basel, Switzerland. This article is an open access article distributed under the terms and conditions of the Creative Commons Attribution (CC BY) license (https://creativecommons.org/licenses/by/4.0/).
Share and Cite
Wojdat, T.; Kustroń, P.; Jaśkiewicz, K.; Pabian, J. Study of Corrosion, Structural, and Mechanical Properties of EN AW-6082 and EN AW-7075 Welded Joints. Materials 2021, 14, 4349. https://doi.org/10.3390/ma14164349
Wojdat T, Kustroń P, Jaśkiewicz K, Pabian J. Study of Corrosion, Structural, and Mechanical Properties of EN AW-6082 and EN AW-7075 Welded Joints. Materials. 2021; 14(16):4349. https://doi.org/10.3390/ma14164349
Chicago/Turabian StyleWojdat, Tomasz, Paweł Kustroń, Karol Jaśkiewicz, and Jarosław Pabian. 2021. "Study of Corrosion, Structural, and Mechanical Properties of EN AW-6082 and EN AW-7075 Welded Joints" Materials 14, no. 16: 4349. https://doi.org/10.3390/ma14164349
APA StyleWojdat, T., Kustroń, P., Jaśkiewicz, K., & Pabian, J. (2021). Study of Corrosion, Structural, and Mechanical Properties of EN AW-6082 and EN AW-7075 Welded Joints. Materials, 14(16), 4349. https://doi.org/10.3390/ma14164349

