Dielectrophoresis Structurization of PZT/PDMS Micro-Composite for Elastronic Function: Towards Dielectric and Piezoelectric Enhancement
Abstract
1. Introduction
2. Materials and Methods
2.1. Sample Preparation
2.2. Scanning Electron Microscopy
2.3. Dielectric Spectroscopy
2.4. Piezoelectric Sensitivity
2.5. Thermal Analysis and X-ray Diffraction
2.6. In-Situ Microscopy
3. Results and Discussion
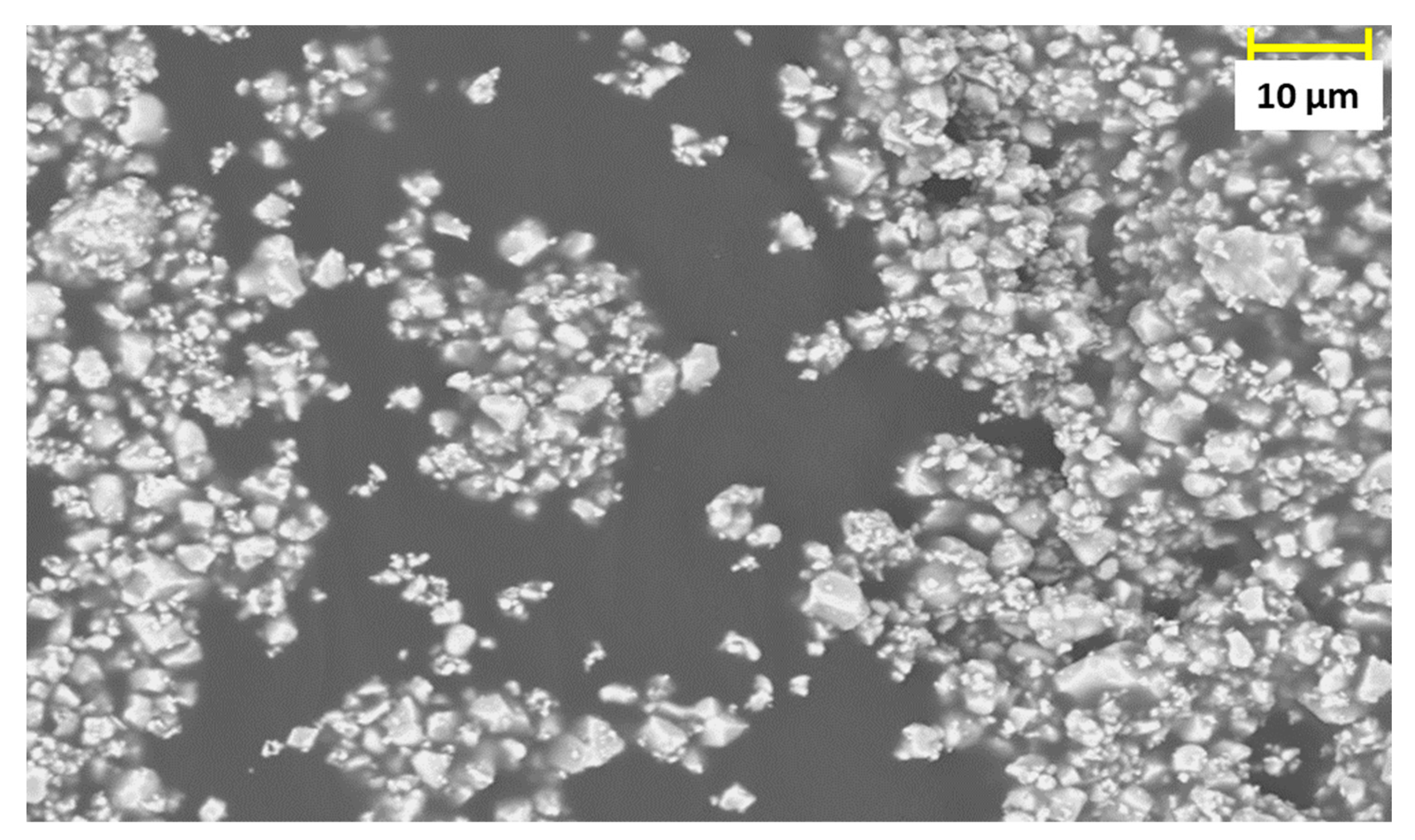
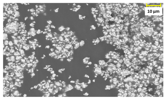
3.1. SEM Observation
3.2. Dielectric and Piezoelectric Behavior
3.3. Thermal Study of Piezoelectric Activity and XRD Analysis
3.4. In-Situ Microscopic Observation
3.5. Overview of the Piezoelectric Properties: Potential Application in Stretchable Electronics
4. Conclusions
Author Contributions
Funding
Institutional Review Board Statement
Informed Consent Statement
Data Availability Statement
Acknowledgments
Conflicts of Interest
References
- Uchino, K. Piezoelectric Composite Materials. Adv. Piezoelectric Mater. Sci. Technol. 2010. [Google Scholar] [CrossRef]
- Akdogan, E.K.; Allahverdi, M.; Safari, A. Piezoelectric Composites for Sensor and Actuator Applications. IEEE Trans. Ultrason. Ferroelectr. Freq. Control 2005, 52, 746–775. [Google Scholar] [CrossRef]
- Lee, H.J.; Zhang, S.; Bar-Cohen, Y.; Sherrit, S. High Temperature, High Power Piezoelectric Composite Transducers. Sensors 2014, 14, 14526–14552. [Google Scholar] [CrossRef]
- Ramadan, K.S.; Sameoto, D.; Evoy, S. A Review of Piezoelectric Polymers as Functional Materials for Electromechanical Transducers. Smart Mater. Struct. 2014, 23. [Google Scholar] [CrossRef]
- Su, Y.; Wu, Z.; Wu, X.; Long, Y.; Zhang, H.; Xie, G.; Du, X.; Tai, H.; Jiang, Y. Enhancing Responsivity of ZnO Nanowire Based Photodetectors by Piezo-Phototronic Effect. Sens. Actuators A Phys. 2016, 241, 169–175. [Google Scholar] [CrossRef]
- Cottinet, P.-J.; Le, M.-Q.; Degraff, J.; Souders, C.; Liang, Z.; Wang, B.; Zhang, C. Strain Phenomenon in Carbon Nanotube Buckpaper Actuator: Experiments and Modeling. Sens. Actuators A Phys. 2013, 194, 252–258. [Google Scholar] [CrossRef]
- Kim, T.; Cui, Z.; Chang, W.-Y.; Kim, H.; Zhu, Y.; Jiang, X. Flexible 1–3 Composite Ultrasound Transducers With Silver-Nanowire-Based Stretchable Electrodes. IEEE Trans. Ind. Electron. 2020, 67, 6955–6962. [Google Scholar] [CrossRef]
- Khanbareh, H.; Topolov, V.Y.; Bowen, C.R. Piezo-Particulate Composites; Springer, Ed.; Springer Series in Materials Science; Springer International Publishing: Cham, Swizterland, 2019; Volume 283, ISBN 978-3-030-19203-7. [Google Scholar]
- Carbone, C.; Benwadih, M.; D’Ambrogio, G.; LE, M.-Q.; Capsal, J.-F.; Cottinet, P.-J. Influence of Matrix and Surfactant on Piezoelectric and Dielectric Properties of Screen-Printed BaTiO3/PVDF Composites. Polymers 2021, 13, 2166. [Google Scholar] [CrossRef]
- Jaffe, H. Piezoelectric Ceramics. J. Am. Ceram. Soc. 1958, 41, 494–498. [Google Scholar] [CrossRef]
- Yu, K.; Hu, S.; Tan, J.; Yu, W. Dielectric and Piezoelectric Properties of (K0.475Na0.495Li0.03) NbO3-0.003ZrO2/PVDF 0–3 Composite Reinforced with Two Types of Nano-ZnO Particles. J. Mater. Sci. Mater. Electron. 2020, 31, 1367–1381. [Google Scholar] [CrossRef]
- Carponcin, D.; Dantras, E.; Laffont, L.; Dandurand, J.; Aridon, G.; Levallois, F.; Cadiergues, L.; Lacabanne, C. Integrated Piezoelectric Function in a High Thermostable Thermoplastic PZT/PEEK Composite. J. Non-Cryst. Solids 2014, 388, 32–36. [Google Scholar] [CrossRef][Green Version]
- Liu, Q.; Le, M.Q.; Richard, C.; Liang, R.; Cottinet, P.-J.; Capsal, J.-F. Enhanced Pseudo-Piezoelectric Dynamic Force Sensors Based on Inkjet-Printed Electrostrictive Terpolymer. Org. Electron. 2019, 67, 259–271. [Google Scholar] [CrossRef]
- Della Schiava, N.; Le, M.-Q.; Galineau, J.; Domingues Dos Santos, F.; Cottinet, P.-J.; Capsal, J.-F. Influence of Plasticizers on the Electromechanical Behavior of a P(VDF-TrFE-CTFE) Terpolymer: Toward a High Performance of Electrostrictive Blends. J. Polym. Sci. Part B Polym. Phys. 2017, 55, 355–369. [Google Scholar] [CrossRef]
- Capsal, J.-F.; Galineau, J.; Le, M.-Q.; Domingues Dos Santos, F.; Cottinet, P.-J. Enhanced Electrostriction Based on Plasticized Relaxor Ferroelectric P(VDF-TrFE-CFE/CTFE) Blends. J. Polym. Sci. Part B Polym. Phys. 2015, 53, 1368–1379. [Google Scholar] [CrossRef]
- Ganet, F.; Le, M.-Q.; Capsal, J.F.; Gérard, J.F.; Pruvost, S.; Duchet, J.; Livi, S.; Lermusiaux, P.; Millon, A.; Cottinet, P.-J. Haptic Feedback Using an All-Organic Electroactive Polymer Composite. Sens. Actuators B Chem. 2015, 220, 1120–1130. [Google Scholar] [CrossRef]
- Della Schiava, N.; Thetpraphi, K.; Le, M.-Q.; Lermusiaux, P.; Millon, A.; Capsal, J.-F.; Cottinet, P.-J. Enhanced Figures of Merit for a High-Performing Actuator in Electrostrictive Materials. Polymers 2018, 10, 263. [Google Scholar] [CrossRef] [PubMed]
- Sa-Gong, G.; Safari, A.; Jang, S.J.; Newnham, R.E. Poling Flexible Piezoelectric Composites. Ferroelectr. Lett. Sect. 1986, 5, 131–142. [Google Scholar] [CrossRef]
- Dai, X.; Wen, Y.; Li, P.; Yang, J.; Li, M. Energy Harvesting from Mechanical Vibrations Using Multiple Magnetostrictive/Piezoelectric Composite Transducers. Sens. Actuators A Phys. 2011, 166, 94–101. [Google Scholar] [CrossRef]
- Konka, H.P.; Wahab, M.A.; Lian, K. Piezoelectric Fiber Composite Transducers for Health Monitoring in Composite Structures. Sens. Actuators A Phys. 2013, 194, 84–94. [Google Scholar] [CrossRef]
- Le, M.Q.; Ganet, F.; Audigier, D.; Capsal, J.-F.; Cottinet, P.-J. Printing of Microstructure Strain Sensor for Structural Health Monitoring. Appl. Phys. A 2017, 123, 354. [Google Scholar] [CrossRef]
- Kim, T.; Kim, J.; Jiang, X. Transit Time Difference Flowmeter for Intravenous Flow Rate Measurement Using 1–3 Piezoelectric Composite Transducers. IEEE Sens. J. 2017, 17, 5741–5748. [Google Scholar] [CrossRef]
- Sharma, T.; Aroom, K.; Naik, S.; Gill, B.; Zhang, J.X.J. Flexible Thin-Film PVDF-TrFE Based Pressure Sensor for Smart Catheter Applications. Ann. Biomed. Eng. 2013, 41, 744–751. [Google Scholar] [CrossRef]
- Shung, K.K.; Cannata, J.M.; Zhou, Q.F. Piezoelectric Materials for High Frequency Medical Imaging Applications: A Review. J. Electroceramics 2007, 19, 141–147. [Google Scholar] [CrossRef]
- D’Ambrogio, G.; Zahhaf, O.; Bordet, M.; Le, M.Q.; Della Schiava, N.; Liang, R.; Cottinet, P.-J.; Capsal, J.-F. Structuring BaTiO 3 /PDMS Nanocomposite via Dielectrophoresis for Fractional Flow Reserve Measurement. Adv. Eng. Mater. 2021. [Google Scholar] [CrossRef]
- Su, Y.; Chen, C.; Pan, H.; Yang, Y.; Chen, G.; Zhao, X.; Li, W.; Gong, Q.; Xie, G.; Zhou, Y.; et al. Muscle Fibers Inspired High-Performance Piezoelectric Textiles for Wearable Physiological Monitoring. Adv. Funct. Mater. 2021, 31, 2010962. [Google Scholar] [CrossRef]
- Su, Y.; Wang, J.; Wang, B.; Yang, T.; Yang, B.; Xie, G.; Zhou, Y.; Zhang, S.; Tai, H.; Cai, Z.; et al. Alveolus-Inspired Active Membrane Sensors for Self-Powered Wearable Chemical Sensing and Breath Analysis. ACS Nano 2020, 14, 6067–6075. [Google Scholar] [CrossRef]
- Su, Y.; Yang, T.; Zhao, X.; Cai, Z.; Chen, G.; Yao, M.; Chen, K.; Bick, M.; Wang, J.; Li, S.; et al. A Wireless Energy Transmission Enabled Wearable Active Acetone Biosensor for Non-Invasive Prediabetes Diagnosis. Nano Energy 2020, 74, 104941. [Google Scholar] [CrossRef]
- Zhang, X.; Villafuerte, J.; Consonni, V.; Capsal, J.-F.; Cottinet, P.-J.; Petit, L.; Le, M.-Q. Characterizing and Optimizing Piezoelectric Response of ZnO Nanowire/PMMA Composite-Based Sensor. Nanomaterials 2021, 11, 1712. [Google Scholar] [CrossRef]
- Kar-Gupta, R.; Venkatesh, T.A. Electromechanical Response of Piezoelectric Composites: Effects of Geometric Connectivity and Grain Size. Acta Mater. 2008, 56, 3810–3823. [Google Scholar] [CrossRef]
- Skinner, D.P.; Newnham, R.E.; Cross, L.E. Connectrivity and Piezoelectric-Pyroelectric Composites. Mater. Res. Bull. 1978, 13, 599–607. [Google Scholar] [CrossRef]
- Khanbareh, H.; van der Zwaag, S.; Groen, W.A. Effect of Dielectrophoretic Structuring on Piezoelectric and Pyroelectric Properties of Lead Titanate-Epoxy Composites. Smart Mater. Struct. 2014, 23, 105030. [Google Scholar] [CrossRef]
- Van Den Ende, D.A.; Bory, B.F.; Groen, W.A.; Van Der Zwaag, S. Improving the D33 and G33 Properties of 0–3 Piezoelectric Composites by Dielectrophoresis. J. Appl. Phys. 2010, 107, 024107. [Google Scholar] [CrossRef]
- Zhang, X.; Le, M.-Q.; Zahhaf, O.; Capsal, J.-F.; Cottinet, P.-J.; Petit, L. Enhancing Dielectric and Piezoelectric Properties of Micro-ZnO/PDMS Composite-Based Dielectrophoresis. Mater. Des. 2020, 192, 108783. [Google Scholar] [CrossRef]
- Sharma, T.; Je, S.-S.; Gill, B.; Zhang, J.X.J. Patterning Piezoelectric Thin Film PVDF–TrFE Based Pressure Sensor for Catheter Application. Sens. Actuators A Phys. 2012, 177, 87–92. [Google Scholar] [CrossRef]
- Babu, I. Piezoelectric Composites: Design, Fabrication and Performance Analysis; Eindhoven, T.U., Ed.; Technische Universiteit Eindhoven: Eindhoven, The Netherlands, 2013; ISBN 9789038634838. [Google Scholar]
- Park, C.; Robertson, R.E. Aligned Microstructure of Some Particulate Polymer Composites Obtained with an Electric Field. J. Mater. Sci. 1998, 33, 3541–3553. [Google Scholar] [CrossRef]
- Bowen, C.P.; Shrout, T.R.; Newnham, R.E.; Randall, C.A. Tunable Electric Field Processing of Composite Materials. J. Intell. Mater. Syst. Struct. 1995, 6, 159–168. [Google Scholar] [CrossRef]
- Grinberg, D.; Siddique, S.; Le, M.; Liang, R.; Capsal, J.; Cottinet, P. 4D Printing Based Piezoelectric Composite for Medical Applications. J. Polym. Sci. Part B Polym. Phys. 2019, 57, 109–115. [Google Scholar] [CrossRef]
- Xiang, Z.; Nguyen, V.; Ducharne, B.; Della Schiava, N.; Capsal, J.; Cottinet, P.; Le, M. 3D Printing of Flexible Composites via Magnetophoresis: Toward Medical Application Based on Low-Frequency Induction Heating Effect. Macromol. Mater. Eng. 2021, 2100211. [Google Scholar] [CrossRef]
- D’Ambrogio, G.; Zahhaf, O.; Hebrard, Y.; Le, M.Q.; Cottinet, P.-J.; Capsal, J.-F. Micro-Structuration of Piezoelectric Composites Using Dielectrophoresis: Toward Application in Condition Monitoring of Bearings. Adv. Eng. Mater. 2021, 23, 2000773. [Google Scholar] [CrossRef]
- Bowen, C.P.; Newnham, R.E.; Randall, C.A. Dielectric Properties of Dielectrophoretically Assembled Particulate-Polymer Composites. J. Mater. Res. 1998, 13, 205–210. [Google Scholar] [CrossRef]
- Khanbareh, H.; van der Zwaag, S.; Groen, W. In-Situ Poling and Structurization of Piezoelectric Particulate Composites. J. Intell. Mater. Syst. Struct. 2017, 28, 2467–2472. [Google Scholar] [CrossRef]
- Capsal, J.F.; Dantras, E.; Laffont, L.; Dandurand, J.; Lacabanne, C. Nanotexture Influence of BaTiO3 Particles on Piezoelectric Behaviour of PA 11/BaTiO3 Nanocomposites. J. Non-Cryst. Solids 2010, 356, 629–634. [Google Scholar] [CrossRef]
- Zhang, X.; Le, M.-Q.; Nguyen, V.-C.; Mogniotte, J.-F.; Capsal, J.-F.; Grinberg, D.; Cottinet, P.-J.; Petit, L. Characterization of Micro-ZnO/PDMS Composite Structured via Dielectrophoresis—Toward Medical Application. Mater. Des. 2021, 208, 109912. [Google Scholar] [CrossRef]
- Van den Ende, D.A. Structured Piezoelectric Composites; 2012; ISBN 9789461913463. [Google Scholar]
- Tee, B.C.K.; Ouyang, J. Soft Electronically Functional Polymeric Composite Materials for a Flexible and Stretchable Digital Future. Adv. Mater. 2018, 30, 1802560. [Google Scholar] [CrossRef] [PubMed]
- Kim, D.C.; Shim, H.J.; Lee, W.; Koo, J.H.; Kim, D. Material-Based Approaches for the Fabrication of Stretchable Electronics. Adv. Mater. 2020, 32, 1902743. [Google Scholar] [CrossRef] [PubMed]
- Deligianni, A.; Hale, J.M.; Kotsikos, G. Development of Piezoelectric Thick-Film Sensors to Be Embedded into Adhesively Bonded Joints. Plast. Rubber Compos. 2016, 45, 173–180. [Google Scholar] [CrossRef]
- Rao, J.; Chen, Z.; Zhao, D.; Yin, Y.; Wang, X.; Yi, F. Recent Progress in Self-Powered Skin Sensors. Sensors 2019, 19, 2763. [Google Scholar] [CrossRef]
- Zhao, Y.; Huang, X. Mechanisms and Materials of Flexible and Stretchable Skin Sensors. Micromachines 2017, 8, 69. [Google Scholar] [CrossRef]
- Liu, S.; Shah, D.S.; Kramer-Bottiglio, R. Highly Stretchable Multilayer Electronic Circuits Using Biphasic Gallium-Indium. Nat. Mater. 2021, 20, 851–858. [Google Scholar] [CrossRef]
- Pedroli, F.; Flocchini, A.; Marrani, A.; Le, M.-Q.; Sanseau, O.; Cottinet, P.-J.; Capsal, J.-F. Boosted Energy-Storage Efficiency by Controlling Conduction Loss of Multilayered Polymeric Capacitors. Mater. Des. 2020, 192, 108712. [Google Scholar] [CrossRef]
- Zhang, X.; Le, M.-Q.; Mogniotte, J.; Capsal, J.-F.; Cottinet, P.-J.; Petit, L. Effect of Dielectrophoretic Structuring on Dielectric and Piezoelectric Behaviors of ZnO/PDMS Microcomposite. In Proceedings of the Electroactive Polymer Actuators and Devices (EAPAD) XXIII, 22 March 2021; SPIE. Madden, J.D., Anderson, I.A., Shea, H.R., Eds.; p. 41. [Google Scholar]











Publisher’s Note: MDPI stays neutral with regard to jurisdictional claims in published maps and institutional affiliations. |
© 2021 by the authors. Licensee MDPI, Basel, Switzerland. This article is an open access article distributed under the terms and conditions of the Creative Commons Attribution (CC BY) license (https://creativecommons.org/licenses/by/4.0/).
Share and Cite
D’Ambrogio, G.; Zahhaf, O.; Le, M.-Q.; Capsal, J.-F.; Cottinet, P.-J. Dielectrophoresis Structurization of PZT/PDMS Micro-Composite for Elastronic Function: Towards Dielectric and Piezoelectric Enhancement. Materials 2021, 14, 4071. https://doi.org/10.3390/ma14154071
D’Ambrogio G, Zahhaf O, Le M-Q, Capsal J-F, Cottinet P-J. Dielectrophoresis Structurization of PZT/PDMS Micro-Composite for Elastronic Function: Towards Dielectric and Piezoelectric Enhancement. Materials. 2021; 14(15):4071. https://doi.org/10.3390/ma14154071
Chicago/Turabian StyleD’Ambrogio, Giulia, Omar Zahhaf, Minh-Quyen Le, Jean-Fabien Capsal, and Pierre-Jean Cottinet. 2021. "Dielectrophoresis Structurization of PZT/PDMS Micro-Composite for Elastronic Function: Towards Dielectric and Piezoelectric Enhancement" Materials 14, no. 15: 4071. https://doi.org/10.3390/ma14154071
APA StyleD’Ambrogio, G., Zahhaf, O., Le, M.-Q., Capsal, J.-F., & Cottinet, P.-J. (2021). Dielectrophoresis Structurization of PZT/PDMS Micro-Composite for Elastronic Function: Towards Dielectric and Piezoelectric Enhancement. Materials, 14(15), 4071. https://doi.org/10.3390/ma14154071

