Experimental and Numerical Study on the PG-7VM Warhead Performance against High-Hardness Armor Steel
Abstract
1. Introduction
2. Materials and Experimental Methods
2.1. Experimental Methodology
2.2. Materials and Components
2.2.1. PG-7VM Warhead
2.2.2. ARMSTAL 30PM Armored Steel
- Hardness measurement;
- Quasi-static tension and compression tests;
- Impact strength tests.
- Triaxial, close to hydrostatic compression in the sample/holder interface zones;
- Triaxial non-homogeneous compression in the middle layers of the sample;
- Mixed compressive tensile state in the middle subsurface layers of the sample with a tensile stress in the circumferential direction.
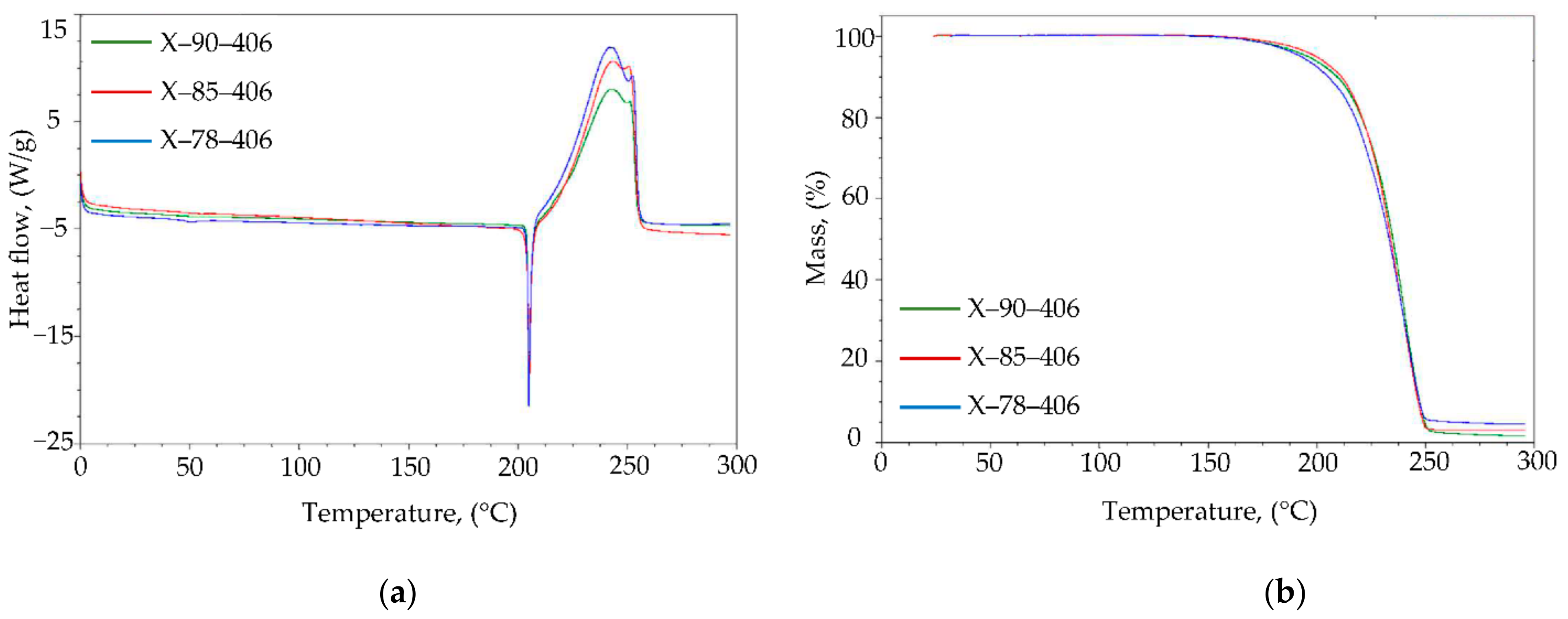
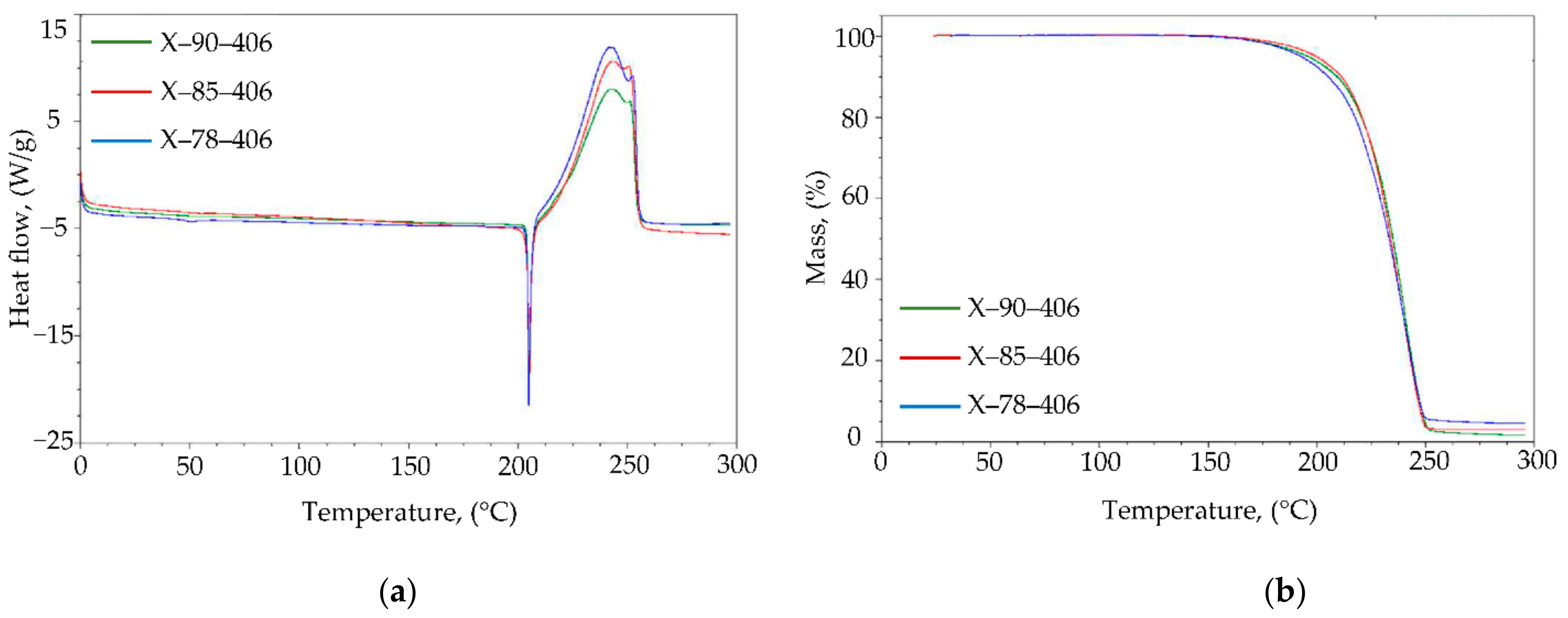
2.2.3. A-IX-1 Explosive Composition
- Differential scanning calorimetry (DSC) analysis performed with the use of DSC Q100 apparatus of TA Instruments (Eschborn, Germany);
- Thermogravimetry (TGA) analysis, performed with the use of the TG Q50 apparatus of TA Instruments (Eschborn, Germany);
- Pycnometric density analysis, performed with the use of the Ultrapyc 1200e by Quanta Chrome Instruments (Graz, Austria);
- Moisture analysis, performed with the use of glass weighing vessels and chamber thermostats with a water jacket;
- Stability analysis carried out with the use of glass weighing vessels and chamber thermostats with a water jacket.
3. Methodology of Numerical Simulations
3.1. Discretization, Contacts, Initial, and Boundary Conditions
3.2. Constitutive Equations
- Metals—steel (target, warhead components), copper (liner, conductor), and aluminum alloys (body, ballistic cap, conductive cone);
- Plastics—wave shaper, separators, etc.;
- Explosive;
- Air filling computational domain.
4. Results and Discussion
4.1. Results of Experimental Depth of Penetration Tests
4.2. Results of Numerical Simulations
4.2.1. Shaped Charge Jet Formation Process
4.2.2. Shaped Charge Jet Penetration into Steel Target
4.2.3. Model Sensitivity Analysis
5. Summary and Conclusions
- In the literature, there is a lack of accurate and reliable research related to the performance of the most common PG-7VM warhead against modern high-hardness armored steels.
- In the present paper, the penetration capability of the PG-7VM warhead was determined against high-hardness (≥500 HB) ARMSTAL 30PM armored steel. The average depth of penetration of about 280 mm was obtained during the tests.
- In the present study, much attention was paid to exclude all the factors that could negatively affect (under- or overestimate) results of warhead penetration capability tests. Before the experiments, the presence of structural discrepancies in the warheads were X-ray inspected and material properties of explosive, target, and most important warhead components were analyzed during material characterization tests. The reliability of the results was significantly increased in this way.
- The numerical model of the warhead was defined more accurately than in previously published studies, since it was based on the real grenade dimensions and its technical documentation. Thanks to this, the difference between the experimental and numerical values of DoP was smaller than 1%, which confirms that developed methodology of modeling allows researchers to properly reproduce the PG-7VM shaped charge jet formation and target penetration processes.
- Performing numerical simulations facilitates a more precise analysis of the phenomenon and SCJ parameters. A verified numerical model of the PG-7VM SCJ penetration into ARMSTAL 30PM armored steel target was used to determine DoP in function of SoD. Maximum DoP = 317 mm was obtained for the SoD = 360 mm.
- A combined approach based on experimental tests and developed methodology of modeling of SCJ penetration into high-hardness armored steel targets could be used in the future in all kinds of optimization studies of different HEAT warheads and armor designs.
Author Contributions
Funding
Institutional Review Board Statement
Informed Consent Statement
Data Availability Statement
Conflicts of Interest
References
- Carleone, J. Tactical Missile Warheads; American Institute of Aeronautics and Astronautics Inc.: Reston, VA, USA, 1993. [Google Scholar]
- Walters, W.P.; Zukas, J.A. Fundamentals of Shaped Charges; John Wiley & Sons: Hoboken, NJ, USA, 1989. [Google Scholar]
- Lavrentev, M.A. Cumulative charge and the principles of its operation. Uspekhi Mat. Nauk 1957, 12, 41–56. [Google Scholar]
- Williams, A.G.; Dhingra, J. IHSTM Jane’s® Weapons: Ammunition; IHS JANES: London, UK, 2016. [Google Scholar]
- Motyl, K.; Magier, M.; Borkowski, J.; Zygmunt, B. Theoretical and experimental research of anti-Tank kinetic penetrator ballistics. Bull. Pol. Acad. Sci. Tech. Sci. 2017, 65, 399–404. [Google Scholar] [CrossRef]
- Magier, M. The conception of the segmented kinetic energy penetrators for tank guns. J. Appl. Mech. Trans. ASME 2010, 77, 1–10. [Google Scholar] [CrossRef]
- Fu, J.P.; Chen, Z.G.; HOU, X.C.; Li, S.Q.; Li, S.C.; Wang, J.W. Simulation and experimental investigation of jetting penetrator charge at large stand-off distance. Def. Technol. 2013, 9, 91–97. [Google Scholar] [CrossRef]
- Nariman-Zadeh, N.; Darvizeh, A.; Darvizeh, M.; Gharababaei, H. Modelling of explosive cutting process of plates using GMDH-type neural network and singular value decomposition. J. Mater. Process. Tech. 2002, 128, 80–87. [Google Scholar] [CrossRef]
- Kisiel, S.; Lewicki, J.; Morawa, R.; Zachara, B.; Krzyworaczka, P. Explosively driven cutting of the main elements of the wheel excavator (in polish: Wybuchowe odcinanie głównych elementów koparki kołowej dla jej likwidacji). Górnictwo I Geoinżynieria 2004, 28, 137–152. [Google Scholar]
- Burian, W.; Magier, M.; Rotkegel, M.; Zak, A.; Szymala, J.; Sobala, J. On the possibility of using shaped charges to drilling holes (in polish: Badania możliwości otworowania z wykorzystaniem ładunków kumulacyjnych). Przegląd Górniczy 2016, 72, 20–25. [Google Scholar]
- Magier, M.; Burian, W.; Rotkegel, M.; Szymala, J. Experimental analysis of the concrete penetration by using warheads from demobilized ammunition. Key Eng. Mater. 2016, 715, 243–248. [Google Scholar] [CrossRef]
- Rottman, G.L. The Rocket Propelled Grenade; Osprey Publishing Ltd.: Oxford, UK, 2010. [Google Scholar]
- RPG-7 Description, “Ultimate Weapon Firepower—RPG-7”. Available online: www.youtube.com (accessed on 5 December 2016).
- Krzyształa, E.; Mężyk, A.; Kciuk, S. Analysis of the APC personnel threat from the IED explosion (in polish: Analiza zagrożenia załogi w wyniku wybuchu ładunku pod kołowym pojazdem opancerzonym). Zesz. Nauk. WSOWL 2011, 1, 145–154. [Google Scholar]
- Molinari, J.F. Finite element simulation of shaped charges. Finite Elem. Anal. Des. 2002, 38, 921–936. [Google Scholar] [CrossRef]
- Wang, C.; Ding, J.; Zhao, Z. Numerical Simulation on Jet Formation of Shaped Charge with Different Liner Materials. Def. Sci. J. 2015, 65, 279–286. [Google Scholar] [CrossRef]
- Wojewodka, A.; Witkowski, T. Methodology for simulation of the jet formation process in an elongated shaped charge. Combust. Explos. Shock 2014, 50, 362–367. [Google Scholar] [CrossRef]
- Liang, Z.F.; Hu, H.X.; Sun, J.; Lei, Q.H. Numerical simulation and experimental study on the effect of jet penetrating into disconnected targets. Explos. Shock Waves 2002, 22, 381–386. [Google Scholar]
- Aysit, O. The influence of asymmetries in shaped charge performance. Int. J. Impact Eng. 2008, 35, 1399–1404. [Google Scholar] [CrossRef]
- Baêta-Neves, A.P.; Ferreira, A. Shaped charge simulation using SPH in cylindrical coordinates. Eng. Comput. 2015, 32, 370–386. [Google Scholar] [CrossRef]
- Sohn, D.; Han, J. An empirical approach for penetration of tandem warheads into concrete targets. Eng. Fail. Anal. 2021, 120, 105043. [Google Scholar] [CrossRef]
- Ding, L.; Tang, W.; Ran, X. Simulation study on jet formability and damage characteristics of a low-density material liner. Materials 2018, 11, 72. [Google Scholar] [CrossRef]
- Kurzawa, A.; Pyka, D.; Bocian, M.; Jamroziak, K.; Sliwinski, J. Metallographic analysis of piercing armor plate by explosively formed projectiles. Arch. Civ. Mech. Eng. 2018, 18, 1686–1697. [Google Scholar] [CrossRef]
- Kurzawa, A.; Pyka, D.; Jamroziak, K.; Bocian, M.; Sliwinski, J. Experimental and metallographic analysis of the energy absorbing shields subjected to the EFP impact. AIP Conf. Proc. 2019, 2078, e020035. [Google Scholar] [CrossRef]
- Pyka, D.; Kurzawa, A.; Bocian, M.; Bajkowski, M.; Magier, M.; Sliwinski, J.; Jamroziak, K. Numerical and experimental studies of the ŁK type shaped charge. Appl. Sci. 2020, 10, 6742. [Google Scholar] [CrossRef]
- Saran, S.; Ayisit, O.; Yavuz, M.S. Experimental investigations on aluminum shaped charge liners. Proc. Eng. 2013, 58, 479–486. [Google Scholar] [CrossRef]
- Naeem, K.; Hussain, A.; Abbas, S. A review of shaped charge variables for its optimum performance. Eng. Tech. Appl. Sci. Res. 2019, 9, 4917–4924. [Google Scholar] [CrossRef]
- Zaki, S.; Uddin, E.; Rashid, B.; Mubashar, A.; Shah, S.R. Effect of liner material and explosive type on penetration effectiveness of shaped charge. Proc. Inst. Mech. Eng. Part L J. Mater. Des. Appl. 2018, 233, 1375–1383. [Google Scholar] [CrossRef]
- Kemmoukhe, H.; Burzić, Z.; Savić, S.; Terzić, S.; Simić, D.; Lisov, M. Improvement of shaped charge penetration capability and disturbation of the jet by explosive reactive armor. Tech. Gaz. 2019, 26, 1658–1663. [Google Scholar]
- Hazell, P.J. Armour: Materials, Theory and Design; Taylor & Francis: Abingdon, UK, 2016. [Google Scholar]
- Penetration Capability of PG-7VM Warhead. Available online: http://www.military-today.com/firearms/rpg_7.html (accessed on 19 January 2021).
- OPFOR—Worldwide Equipment Guide, TRADOC DCSINT Threat Support Directorate. 2001. Available online: https://fas.org/man/dod-101/sys/land/row/weg2001.pdf (accessed on 19 January 2021).
- MIL-DTL-12560K. Armor Plate, Steel, Wrought, Homogeneous (for Use in Combat-Vehicles and for Ammunition Testing); Military Specification, 7 December 2013; U.S. Army Research Laboratory: Adelphi, MD, USA, 7 December 2013. [Google Scholar]
- MIL-DTL-46100E (MR). Armor Plate, Steel, Wrought, High-Hardness. Military Specification, 9 July 2008; U.S. Army Research Laboratory: Adelphi, MD, USA, 2008. [Google Scholar]
- Starczewski, L.; Szczech, S.; Tudyka, D. Tests of armor steels in the aspect of their protection effectiveness (in polish: Badania stali pancernych w aspekcie ich skuteczności ochronnej). Prace IMŻ 2010, 62, 110–117. [Google Scholar]
- Pugh, E.M. A Theory of Target Penetration of Jets. National Defence Research Committee Armor and Ordnance; Report No. A-274 (OSRD No. 3752) Division 2; Carnegie Institute of Technology: Pittsburgh, PA, USA, 1944. [Google Scholar]
- Klamer, A. Shaped Charge Scaling. In Technical Memorandum 1383; Ammunition Engineering Directorate, Picatinny Arsenal: Dover, NJ, USA, 1964. [Google Scholar]
- Manufacturer of the ARMSTAL 30PM Steel, Huta Stali Jakościowych” Steel Mill. Available online: www.hsjsa.pl (accessed on 19 January 2021).
- Showalter, D.D.; Gooch, W.A.; Burkins, M.A.; Stockman Koch, R. Ballistic Testing of SSAB Ultra-High-Hardness Steel for Armor Applications. Army Research Laboratory, 2008, ARL-TR-4632. Available online: https://apps.dtic.mil/sti/citations/ADA493654 (accessed on 10 April 2021).
- Tria, D.E.; Trebinski, R. Methodology for experimental verification of steel armour modelling. Int. J. Impact Eng. 2017, 100, 102–116. [Google Scholar] [CrossRef]
- Tria, D.E.; Trebinski, R. Dynamic Characterization and constitutive modelling of ARMSTAL 500 steel. Probl. Mechatron. Armament Aviat. Saf. Eng. 2015, 6, 19–40, ISSN 2081-5891. [Google Scholar] [CrossRef]
- Tria, D.E.; Trebinski, R. On the influence of fracture criterion on perforation of high-strength steel plates subjected to armour piercing projectile. Arch. Mech. Eng. 2015. [Google Scholar] [CrossRef]
- Nowak, H.; Smolenski, D. Cumulative Charges in Military, Mining and Industry (In Polish: Ładunki Kumulacyjne w Wojsku Górnictwie I Przemyśle); Wydawnictwo Ministerstwa Obrony Narodowej: Warsaw, Poland, 1974. [Google Scholar]
- Trzciński, W.A.; Chyłek, Z.; Cudziło, S.; Szymańczyk, L. Investigating of detonation parameters and sensitivity of phlegmatized explosives based on FOX-7 (in polish: Badanie parametrów detonacyjnych i wrażliwości flegmatyzowanych materiałów wybuchowych opartych na FOX-7). Biul. WAT 2008, 57, 7–25. [Google Scholar]
- LS-DYNA® Keyword User’s Manual; LS-DYNA R12; Livermore Software Technology Corporation (LSTC): Livermore, CA, USA, 2020; Volume I, 07/17/20 (r:13109).
- LS-DYNA® Keyword User’s Manual; LS-DYNA R12; Livermore Software Technology Corporation (LSTC): Livermore, CA, USA, 2020; Volume II, Materials Models 09/08/20 (r:13191).
- ANSYS. Help; Release 16.0—©SAS IP; ANSYS Inc.: Canonsburg, PA, USA, 2015. [Google Scholar]
- AUTODYN-2D. Technical Specification and Material Library—The Interactive Non-Linear Dynamic Analysis Code n.d; ANSYS Inc.: Canonsburg, PA, USA, 2009. [Google Scholar]
- Johnson, G.R. A Constitutive Model and Data for Metals Subjected to Large Strains, High Strain-Rates and High Temperature. In Proceedings of the 7th International Symposium on Ballistics, The Hague, The Netherlands, 19–21 April 1983; American Defense Preparedness Association: Arlington, MA, USA, 1983; pp. 541–547. [Google Scholar]
- Børvik, T.; Dey, S.; Clausen, A.H. Perforation resistance of five different high-strength steel plates subjected to small-arms projectiles. Int. J. Impact Eng. 2009, 36, 948–964. [Google Scholar] [CrossRef]
- Flores-Johnson, E.A.; Saleh, M.; Edwards, L. Ballistic performance of multi-layered metallic plates impacted by a 7.62-mm APM2 projectile. Int. J. Impact Eng. 2011, 38, 1022–1032. [Google Scholar] [CrossRef]
- Dey, S.; Børvik, T.; Teng, X.; Wierzbicki, T.; Hopperstad, O.S. On the ballistic resistance of double-layered steel plates: An experimental and numerical investigation. Int. J. Solids Struct. 2007, 44, 6701–6723. [Google Scholar] [CrossRef]
- Kruszka, L.; Magier, M.; Zielenkiewicz, M. Experimental analysis of visco-plastic properties of the aluminum and tungsten alloys by means of hopkinson bars technique. Appl. Mech. Mater. 2014, 556, 110–115. [Google Scholar] [CrossRef]
- Kruszka, L.; Magier, M. Experimental investigations of visco-plastic properties of the aluminum and tungsten alloys used in KE projectiles. Eur. Phys. J. Web Conf. 2012, 26, 05005. [Google Scholar] [CrossRef][Green Version]
- Nilsson, M. Constitutive Model for Armox 500T and Armox 600T at Low and Medium Strain Rates. Technical report, FOI-R-1068-SE, Weapons Prot; FOI Swedish Defence Research Agency: Ursvik, Sweden, 2003. [Google Scholar]
- Saleh, M.; Kariem, M.M.; Luzin, V.; Toppler, K.; Li, J.; Ruan, D. High strain rate deformation of Armox 500T and effects on texture development using neutron diffraction techniques and SPHB testing. Mater. Sci. Eng. A 2018, 709, 30–39. [Google Scholar] [CrossRef]
- Scazzosi, R.; Giglio, M.; Manes, A. Experimental and numerical investigation on the perforation resistance of double-layered metal shield under high-velocity impact of armor-piercing projectiles. Materials 2021, 14, 626. [Google Scholar] [CrossRef]
- Yi, J.; Wang, Z.; Yin, J.; Zhang, Z. Simulation Study on Expansive Jet Formation Characteristics of Polymer Liner. Materials 2019, 12, 744. [Google Scholar] [CrossRef]
- Zhang, Z.; Wang, L.; Silberschmidt, V.V.; Wang, S. SPH-FEM simulation of shaped-charge jet penetration into double hull: A comparison study for steel and SPS. Compos. Struct. 2016, 155, 135–144. [Google Scholar] [CrossRef]
- Chen, Q.; Liu, K. A high-resolution eulerian method for numerical simulation of shaped charge jet including solid-fluid coexistence and interaction. Comput. Fluids 2012, 56, 92–101. [Google Scholar] [CrossRef]
- Selesovsky, J.; Pachman, J.; Kunzel, M. Numerical Simulation of Explosively Driven Aluminum Flyer Acceleration. In New Trends in Research of Energetic Materials; Faculty of Chemical Technology, University of Pardubice: Pardubice, Czech Republic, 2016. [Google Scholar]
- Davydov, Y.V.; Gubin, A.S. Dependencies of the detonation velocity and propellant performance of metalized explosives on the charge density and additive content. Combust. Explos. Shock Waves 2014, 50, 612–621. [Google Scholar] [CrossRef]
- Grys, S.; Trzciński, W. Calculation of combustion, explosion and detonation characteristics of energetic materials. Cent. Eur. J. Energetic Mater. 2010, 7, 97–113. [Google Scholar]
- EXPLO-5 Product Datasheet. Available online: Mueller-instruments.de/fileadmin/downloads/instruments-medien/Analysensoftware_-_Explo-5.pdf (accessed on 16 April 2021).
- Suceska, M. Explo-5—Computer Program for Calculation of Detonation Parameters. In Proceedings of the 32nd International Annual Conference of ICT, Karlsruhe, Germany, 3–6 July 2001; Fraunhofer Institut Chemishe Technologie: Pfinztal, Germany, 2001. [Google Scholar]
- Trajkovski, J. Comparison of MM-ALE and SPH Methods for Modelling Blast Wave Reflections of Flat and Shaped Surfaces. In Proceedings of the 11th European LS-Dyna Conference, Salzburg, Austria, 9–11 May 2017. [Google Scholar]
- Bagrowski, J.; Bazela, R.; Borkowski, J.; Podgórzak, P. Numerical estimation of shaped charges efficiency (in Polish: Ocena skuteczności działania ładunków kumulacyjnych na podstawie rozwiązań numerycznych). Probl. Tech. Uzbroj. 2019, 149, 7–22. [Google Scholar] [CrossRef]



















| Steel Grade | C | Mn | Si | P | S | Ni | Cr | Mo | B | Cu | V | Ti |
|---|---|---|---|---|---|---|---|---|---|---|---|---|
| ARMSTAL 30PM | 0.3 | 1.2 | 0.5 | 0.015 | 0.01 | 1.1 | 0.9 | 0.25 | 0.003 | 0.2 | 0.1 | 0.05 |
| Steel Grade | Thickness, (mm) | Re02, (MPa) | Rm, (MPa) | A5, (%) | Impact Energy ISO-V-40 °C, (J) | Hardness, (HB) |
|---|---|---|---|---|---|---|
| ARMSTAL 30PM | Up to 20 | 1300 | 1600 | 8 | >20 | 460 ÷ 540 |
| Armox 600T | 1500 | 2000 | 7 | 12 | 570 ÷ 640 | |
| Armox 500T | 6 ÷ 13 | 1300 | 1500 ÷ 1750 | 8 | 20 | 480 ÷ 540 |
| Armox 440T | up to 50 | 1100 | 1250 ÷ 1550 | 10 | 30 | 420 ÷ 480 |
| Hardox 400 | up to 50 | 1000 | 1250 | 10 | 30 | 360 ÷ 440 |
| Hardox 500 | up to 50 | 1300 | 1550 | 8 | 25 | 450 ÷ 530 |
| Weldox 900E | up to 25 | 960 | 1060 | 14 | 30 | - |
| HCM 480 MILAR | 8 ÷ 40 | 1250 | 1450 ÷ 1750 | 8 | min. 20 | 480 ÷ 520 |
| HCM 580 MILAR | 8 ÷ 40 | 1500 | 2000 | 7 | min. 12 | 580 ÷ 620 |
| No. | Steel Grade | Hardness (HBW) | KCV−40 °C (J/cm2) | KCU+20 °C (J/cm2) | |
|---|---|---|---|---|---|
| Parallel to Rolling Direction | Perpendicular to Rolling Direction | ||||
| 1 | ARMSTAL 30PM–4 mm | 506 | 498 | 78 | 140.3 |
| 2 | ARMSTAL 30PM–6 mm | 512 | 502 | 111 | 183 |
| 3 | ARMSTAL 30PM–8 mm | 508 | 502 | 110 | 184 |
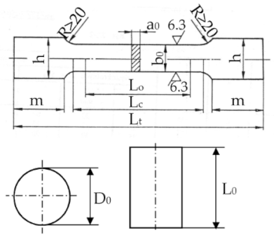
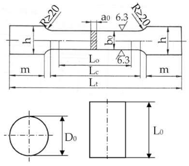
| Steel Grade | Dimensions (mm) | ![]() | ||||||
| a0 | b0 | h | mmin. | L0 | Lc min. | Lt min. | ||
| ARMSTAL 30PM | 4.0 | 20 | 30 | 60 | 50 | 65 | 215 | |
| 6.0 | 20 | 35 | 70 | 70 | 90 | 260 | ||
| 8.0 | 15 | 35 | 70 | 80 | 100 | 270 | ||
| D0 | L0 | |||||||
| 4.0 | 8.0 | |||||||
| 6.0 | 10.0 | |||||||
| 8.0 | 10.0 | |||||||
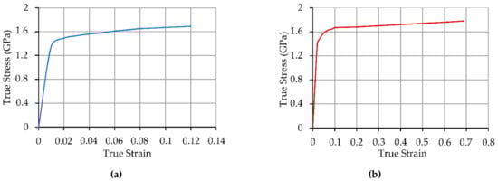
| No. | Steel Grade | Density (kg/m3) | Young Modulus (GPa) | Poisson Ration (ν) | Tension | Compression | ||||
|---|---|---|---|---|---|---|---|---|---|---|
| Rm (MPa) | Re (MPa) | A5 (%) | Rm (MPa) | Re (MPa) | εf (%) | |||||
| 1 | ARMSTAL 30PM–4 mm | 7800 | 210 | 0.32 | 1642 | 1401 | 10.2 | 1780 | 1523 | 0.71 |
| 2 | ARMSTAL 30PM–6 mm | 7800 | 210 | 0.32 | 1623 | 1385 | 12.8 | 1765 | 1510 | 0.63 |
| 3 | ARMSTAL 30PM–8 mm | 7800 | 210 | 0.33 | 1645 | 1363 | 10.15 | 1782 | 1501 | 0.61 |
| Batch No. | Measurement | Melting | Decomposition (DSC) | Decomposition (TGA) | ||||||
|---|---|---|---|---|---|---|---|---|---|---|
| Tonset (°C) | Tmax (°C) | Tonset (°C) | Tend (°C) | Δm (%) | Q (J/g) | Tonset (°C) | Tmax (°C) | Q (J/g) | ||
| X–90–406 | 1 | 204.2 | 205.0 | 221.0 | 248.6 | 98.7 | −178.1 | 217.1 | 242.2 | 1986 |
| 2 | 204.1 | 205.1 | 220.8 | 248.8 | 99.0 | −177.3 | 217.3 | 243.0 | 2012 | |
| Y–85–406 | 1 | 204.0 | 205.2 | 219.0 | 248.0 | 97.5 | −174.6 | 218.6 | 244.0 | 2363 |
| 2 | 204.3 | 205.4 | 219.1 | 248.3 | 97.2 | −175.8 | 219.5 | 244.6 | 2411 | |
| Z–78–406 | 1 | 204.2 | 204.9 | 217.2 | 248.3 | 95.9 | −181.9 | 217.2 | 243.5 | 2507 |
| 2 | 204.1 | 205.1 | 217.5 | 248.8 | 96.4 | −181.1 | 217.8 | 243.9 | 2491 | |
| Batch No. | Measurement | Density (g/cm3) | Humidity (%) | Stability (%) |
|---|---|---|---|---|
| X-90-406 | 1 | 1.73 | 0.03 | 0.05 |
| 2 | 1.72 | 0.03 | 0.05 | |
| Y-85-406 | 1 | 1.71 | 0.04 | 0.06 |
| 2 | 1.70 | 0.04 | 0.07 | |
| Z-78-406 | 1 | 1.70 | 0.03 | 0.03 |
| 2 | 1.70 | 0.04 | 0.04 |
| Density, ρ, (g/cm3) | 1.25 | 1.30 | 1.35 | 1.40 | 1.45 | 1.50 | 1.55 | 1.60 | 1.63 |
| Detonation velocity, D, (m/s) | 6660 | 6875 | 7125 | 7315 | 7470 | 7640 | 7820 | 7.995 | 8300 |
| [43] | [44] | ||||||||
| Advection Logic | Advection Frequency | Advection Method | Bucket Sort Frequency | Timestep Safety Factor | Hourglass |
| DCT = −1 | NADV = 1 | METH = −2 | NBKT = 10 | TSSFAC = 0.4 | IHQ = 1 |
| Coupling Points | Coupling Method | Coupling Direction | Min. Volume Fraction | Stiffness Factor | Leakage Control |
| NQUAD = 2 | CTYPE = 5 | DIREC = 1 | FRCMIN = 0.1 | PFAC = 0.1 | ILEAK = 2 |
| Component | Material | RO, (g/cm3) | G, (GPa) | PR | A, (MPa) | B, (MPa) | n | C | m | Cgrun, (m/s) | S1 | γ | SOURCE |
|---|---|---|---|---|---|---|---|---|---|---|---|---|---|
| Liner, conductor | Copper | 8.96 | 46 | 0.33 | 90 | 292 | 0.31 | 0.025 | 1.09 | 3940 | 1.49 | 2.02 | [48] |
| Body, ballistic cap, etc. | Al alloy | 2.785 | 27.6 | 0.31 | 352 | 440 | 0.42 | 0.015 | 1 | 5328 | 1.33 | 2.0 | [48,53,54] |
| Target | ARMSTAL 30PM | 7.85 | 77 | 0.33 | 1345 | 575 | 0.19 | 0.001 | 1 | 4610 | 1.73 | 1.67 | ADOPTED |
| 1875 | 415 | 0.98 | 0.001 | 1 | [40,41,42] | ||||||||
| Armox 500T | 7.85 | 77 | 0.33 | 1470 | 702 | 0.199 | 0.0054 | 0.81 | [55] | ||||
| 1540 | 332 | 0.26 | 0.013 | 1.2 | [56] | ||||||||
| Ramor 500 | 7.85 | 67 | 0.33 | 1021 | 965 | 0.057 | 0.001 | 0.84 | [57] |
| RO, (g/cm3) | D, (m/s) | PCJ, (GPa) | A, (GPa) | B, (GPa) | R1 | R2 | ω | EO, (kJ/m3) | VO | Source | |
|---|---|---|---|---|---|---|---|---|---|---|---|
| A-IX-1 | 1.65 | 8240 | 26.9 | 880 | 12.7 | 5.0 | 1.1 | 0.39 | 8500 | 1 | Adopted |
| COMP B | 1.717 | 7980 | 29.5 | 524 | 7.67 | 4.2 | 1.1 | 0.34 | 8500 | [48] | |
| RDXfl | 1.63 | 8225 | 26.3 | 5500 | [44] | ||||||
| RDXZMWNI | 8267 | 989.1 | 11.12 | 5.16 | 1.04 | 0.396 | 9417 | [63] | |||
| RDXCHEETAH | 8266 | 828.1 | 10.527 | 4.84 | 1.06 | 0.395 | 9357 | [63] | |||
| A-IX-1 | 1.66 | 8258 | 27.35 | 887.8 | 23.826 | 5.18 | 1.6 | 0.45 | 9190 | [61] |
Publisher’s Note: MDPI stays neutral with regard to jurisdictional claims in published maps and institutional affiliations. |
© 2021 by the authors. Licensee MDPI, Basel, Switzerland. This article is an open access article distributed under the terms and conditions of the Creative Commons Attribution (CC BY) license (https://creativecommons.org/licenses/by/4.0/).
Share and Cite
Żochowski, P.; Warchoł, R.; Miszczak, M.; Nita, M.; Pankowski, Z.; Bajkowski, M. Experimental and Numerical Study on the PG-7VM Warhead Performance against High-Hardness Armor Steel. Materials 2021, 14, 3020. https://doi.org/10.3390/ma14113020
Żochowski P, Warchoł R, Miszczak M, Nita M, Pankowski Z, Bajkowski M. Experimental and Numerical Study on the PG-7VM Warhead Performance against High-Hardness Armor Steel. Materials. 2021; 14(11):3020. https://doi.org/10.3390/ma14113020
Chicago/Turabian StyleŻochowski, Paweł, Radosław Warchoł, Maciej Miszczak, Marcin Nita, Zygmunt Pankowski, and Marcin Bajkowski. 2021. "Experimental and Numerical Study on the PG-7VM Warhead Performance against High-Hardness Armor Steel" Materials 14, no. 11: 3020. https://doi.org/10.3390/ma14113020
APA StyleŻochowski, P., Warchoł, R., Miszczak, M., Nita, M., Pankowski, Z., & Bajkowski, M. (2021). Experimental and Numerical Study on the PG-7VM Warhead Performance against High-Hardness Armor Steel. Materials, 14(11), 3020. https://doi.org/10.3390/ma14113020


