Effect of Underload Cycles on Oxide-Induced Crack Closure Development in Cr-Mo Low-Alloy Steel
Abstract
1. Introduction
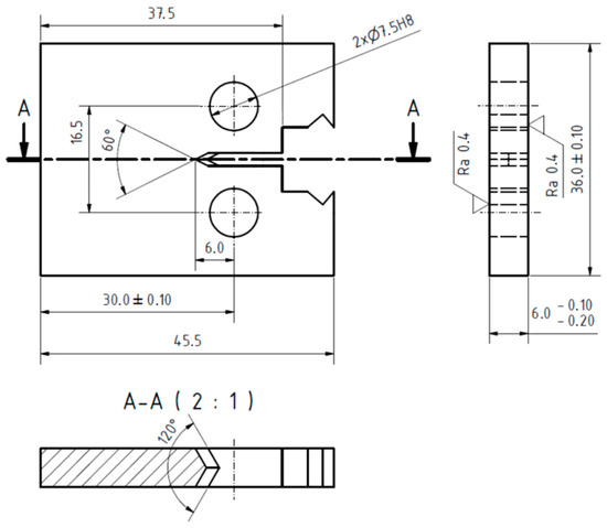
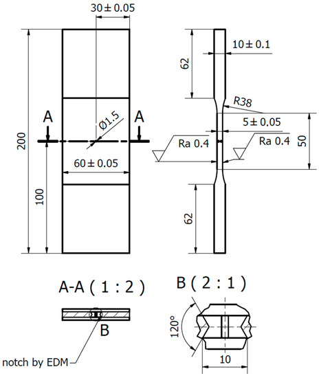
2. Experimental Procedure and Methodology
3. Results
3.1. Fatigue Crack Propagation Rates after Application of Underloads
3.2. Width of the Enhanced Oxide Debris Area
3.3. Thickness of the Oxide Debris Layer
3.4. Crack Closure Development during Underload Cycling
4. Discussion
4.1. Factors Influencing the Experimental Results Obtained by Various Methodologies
4.2. Significance of the Results for Residual Fatigue Life of Structural Components
5. Conclusions
- Application of three million underload cycles at ΔKU = 9 MPam1/2 (R = −1), corresponding to approx. 65% of the threshold of the investigated steel, resulted in retardation of the subsequent crack growth for about 0.6 to 1.1 mm during 4 to 7 × 105 base load cycles. The corresponding enhanced oxide layer had a width of 146 μm and thickness of 0.22 μm.
- Application of 30 million underload cycles at the same load level resulted in retardation of the subsequent crack growth for about 1.3 mm during 1 × 106 base load cycles. The corresponding enhanced oxide layer had a maximal width of 337 μm and maximal thickness of 0.63 μm.
- Application of underload cycles at ΔKU = 7 MPam1/2, corresponding to approx. 50% of the threshold, resulted in thinner oxide layers and shorter influenced crack propagation compared to those of the underloads at ΔKU = 9 MPam1/2 and the same number of cycles. This can be attributed to lower compressive stress in the negative part of the cycle at R = −1 or to a smaller crack opening displacement, which leaves less available space in the crack wake for oxide debris development.
- Measurement of the level of crack closure revealed a gradual increase in crack closure during application of the underload cycles.
- The experiments in dry air showed no or negligible effects of the underload cycles on subsequent crack growth and no enhanced oxide debris layer. This confirmed that the oxide-induced crack closure mechanism was responsible for the retardation effect in normal air humidity.
- A verification experiment was done with a static constant load corresponding to Kmax of the underload cycles, where the specimen stayed in the testing machine for the same time as what it takes to apply the underload cycles. There was no detectable retardation of the subsequent crack growth and no enhanced oxide layer developed, which confirmed that the effect is caused by the underload cycles and not by any kinds of gas diffusion dynamics or material creep.
- The significance of the effect of underload cycles in applications was demonstrated on a 1 mm surface crack in a railway axle, where 99.9991% of the loading cycles lie below threshold according to the operational load spectrum. Considering the effect of underload cycles in estimation of residual fatigue life of railway axles can lead to better accuracy.
Author Contributions
Funding
Institutional Review Board Statement
Informed Consent Statement
Data Availability Statement
Acknowledgments
Conflicts of Interest
References
- Elber, W. The Significance of Fatigue Crack Closure. Damage Toler. Aircr. Struct. 2009, 486, 230. [Google Scholar] [CrossRef]
- Ritchie, R. Mechanisms of fatigue crack propagation in metals, ceramics and composites: Role of crack tip shielding. Mater. Sci. Eng. A 1988, 103, 15–28. [Google Scholar] [CrossRef]
- Suresh, S. Fatigue of Materials, 2nd ed.; Cambridge University Press: Cambridge, UK, 2010; ISBN 0-521-57847-7. [Google Scholar]
- Pokluda, J.; Šandera, P. Micromechanisms of Fracture and Fatigue. In Engineering Materials and Processes; Metzler, J.B., Ed.; Springer: London, UK, 2010. [Google Scholar]
- Newman, J. The merging of fatigue and fracture mechanics concepts: A historical perspective. Prog. Aerosp. Sci. 1998, 34, 347–390. [Google Scholar] [CrossRef]
- Pokorný, P.; Vojtek, T.; Náhlík, L.; Hutař, P. Crack closure in near-threshold fatigue crack propagation in railway axle steel EA4T. Eng. Fract. Mech. 2017, 185, 2–19. [Google Scholar] [CrossRef]
- Vojtek, T.; Pokorný, P.; Oplt, T.; Jambor, M.; Náhlík, L.; Herrero, D.; Hutař, P. Classically determined effective ΔK fails to quantify crack growth rates. Theor. Appl. Fract. Mech. 2020, 108, 102608. [Google Scholar] [CrossRef]
- Suresh, S.; Zamiski, G.F.; Ritchie, D.R.O. Oxide-Induced Crack Closure: An Explanation for Near-Threshold Corrosion Fatigue Crack Growth Behavior. Met. Mater. Trans. A 1981, 12, 1435–1443. [Google Scholar] [CrossRef]
- Suresh, S.; Ritchie, R. On the influence of environment on the load ratio dependence of fatigue thresholds in pressure vessel steel. Eng. Fract. Mech. 1983, 18, 785–800. [Google Scholar] [CrossRef]
- Newman, J.C., Jr.; Brot, A.; Matias, C. Crack-Growth calculations in 7075-T7351 aluminum alloy under various load spectra using an improved crack-Closure model. Eng. Fract. Mech. 2004, 71, 2347–2363. [Google Scholar] [CrossRef]
- Mikheevskiy, S.; Bogdanov, S.; Glinka, G. Analysis of fatigue crack growth under spectrum loading—The UniGrow fatigue crack growth model. Theor. Appl. Fract. Mech. 2015, 79, 25–33. [Google Scholar] [CrossRef]
- Maierhofer, J.; Gänser, H.-P.; Pippan, R. Crack closure and retardation effects—Experiments and modelling. Procedia Struct. Integr. 2017, 4, 19–26. [Google Scholar] [CrossRef]
- Maierhofer, J.; Gänser, H.-P.; Simunek, D.; Leitner, M.; Pippan, R.; Luke, M. Fatigue crack growth model including load sequence effects—Model development and calibration for railway axle steels. Int. J. Fatigue 2020, 132, 105377. [Google Scholar] [CrossRef]
- Suresh, S.; Ritchie, R. On the influence of fatigue underloads on cyclic crack growth at low stress intensities. Mater. Sci. Eng. 1981, 51, 61–69. [Google Scholar] [CrossRef][Green Version]
- Antunes, F.V.; Paiva, L.; Branco, R.; Borrego, L.P. Effect of Underloads on Plasticity-Induced Crack Closure: A Numerical Analysis. J. Eng. Mater. Technol. 2019, 141, 1–27. [Google Scholar] [CrossRef]
- Zaiken, E.; Ritchie, R. On the role of compression overloads in influencing crack closure and the threshold condition for fatigue crack growth in 7150 aluminum alloy. Eng. Fract. Mech. 1985, 22, 35–48. [Google Scholar] [CrossRef]
- Hassanipour, M.; Verreman, Y.; Lanteigne, J.; Chen, J. Effect of periodic underloads on fatigue crack growth in three steels used in hydraulic turbine runners. Int. J. Fatigue 2016, 85, 40–48. [Google Scholar] [CrossRef]
- Doré, M.J.; Maddox, S.J. Accelerated Fatigue Crack Growth in 6082 T651 Aluminium Alloy Subjected to Periodic Underloads. Procedia Eng. 2013, 66, 313–322. [Google Scholar] [CrossRef][Green Version]
- Novosad, M.; Fajkoš, R.; Řeha, B.; Řezníček, R. Fatigue tests of railway axles. Procedia Eng. 2010, 2, 2259–2268. [Google Scholar] [CrossRef]
- Pokorný, P.; Dlhý, P.; Poduška, J.; Fajkoš, R.; Vojtek, T.; Náhlík, L.; Grasso, M.; Hutař, P. Influence of heat treatment-induced residual stress on residual fatigue life of railway axles. Theor. Appl. Fract. Mech. 2020, 109, 102732. [Google Scholar] [CrossRef]
- Vojtek, T.; Pokorný, P.; Kuběna, I.; Náhlík, L.; Fajkoš, R.; Hutař, P. Quantitative dependence of oxide-Induced crack closure on air humidity for railway axle steel. Int. J. Fatigue 2019, 123, 213–224. [Google Scholar] [CrossRef]
- ASTM E 647-08. Standard Test Method for Measurement of Fatigue Crack Growth Rates; ASTM International: West Conshohocken, PA, USA, 2009.
- Yamada, Y.; Newman, J.N., Jr. Crack-closure behavior of 2324-T39 aluminum alloy near-threshold conditions for high load ratio and constant Kmax tests. Int. J. Fatigue 2009, 31, 1780–1787. [Google Scholar] [CrossRef]
- Yamada, Y.; Newman, J. Crack closure under high load-ratio conditions for Inconel-718 near threshold behavior. Eng. Fract. Mech. 2009, 76, 209–220. [Google Scholar] [CrossRef]
- Benyon, J.A.; Watson, A.S. The use of Monte Carlo analysis to increase axle inspection interval. In Proceedings of the 13th International Wheelset Congress, Rome, Italy, 17–21 September 2001. [Google Scholar]
- Pokorný, P.; Hutař, P.; Náhlík, L. Residual fatigue lifetime estimation of railway axles for various loading spectra. Theor. Appl. Fract. Mech. 2016, 82, 25–32. [Google Scholar] [CrossRef]




















| Component | C | Si | Mn | P | S | Cr | Cu | Mo | Ni | V | Fe |
|---|---|---|---|---|---|---|---|---|---|---|---|
| min [wt.%] | 0.22 | 0.15 | 0.50 | 0.00 | 0.000 | 0.90 | 0.00 | 0.00 | 0.00 | 0.00 | rest |
| max [wt.%] | 0.29 | 0.40 | 0.80 | 0.02 | 0.015 | 1.20 | 0.30 | 0.30 | 0.30 | 0.06 |
| Mechanical Property | Value |
|---|---|
| Yield stress | Sy = 600 MPa |
| Cyclic yield stress | Sy,c = 470 MPa |
| Ultimate tensile strength | SU = 720 MPa |
| Young’s modulus | E = 204 GPa |
| Poisson’s ratio | ν = 0.3 |
| Threshold value for R = −1 (MT specimen) | ΔKth = 13.8 MPam1/2 |
| Threshold value for R = 0.8 (MT specimen) | ΔKth = 2.9 MPam1/2 |
| Paris–Erdogan constant C for R = −1 | C = 1.53 × 10−10 for da/dN in [mm/cycle] |
| Paris–Erdogan constant m for R = −1 | m = 3.46 |
| Paris–Erdogan constant C for R = 0.8 | C = 1.36 × 10−8 for da/dN in [mm/cycle] |
| Paris–Erdogan constant m for R = 0.8 | m = 2.72 |
| Specimen | NU [–] | tU [h] | ΔKU [MPam1/2] | RH [%] | N* [–] | a* [mm] |
|---|---|---|---|---|---|---|
| 1 | 3,000,000 | 17 | 7 | 50 | 375,410 | 0.54 |
| 2 | 3,000,000 | 17 | 9 | 50 | 711,250 | 1.02 |
| 3 1 | 0 | 17 | static load at Kmax | 50 | 0 | 0.00 |
| 4 2 | 0 | 17 | 0 (no load) | 50 | 0 | 0.00 |
| 5 | 3,000,000 | 17 | 9 | 50 | 706,976 | 1.13 |
| 6 | 3,000,000 | 17 | 7 | 50 | 527,365 | 0.79 |
| 7 3 | 0 | 0 | no underloads | 50 | 0 | 0.00 |
| 8 | 300,000 | 2 | 9 | 50 | 318,761 | 0.58 |
| 9 | 1,000,000 | 6 | 9 | 50 | 187,009 | 0.33 |
| 10 | 1,000,000 | 6 | 9 | 50 | 75,342 | 0.14 |
| 11 | 3,000,000 | 17 | 9 | 50 | 397,936 | 0.61 |
| 12 | 21,600,000 | 122 | 9 | 50 | 1,084,990 | 1.05 |
| 13 | 16,440,000 | 93 | 9 | 50 | 784,028 | 1.10 |
| 14 | 30,000,000 | 170 | 9 | 50 | 949,323 | 1.31 |
| 15 | 7,220,000 | 41 | 9 | 50 | 827,191 | 1.13 |
| 16 | 3,000,000 | 17 | 9 | <15 | 78,627 | 0.14 |
| 17 4 | failed | 9 | <15 | failed | ||
| 18 | 15,600,000 | 88 | 7 | <15 | 25,158 | 0.03 |
| Specimen | NU [–] | RH [%] | Ncal [–] | Nexp [–] | Retardation |
|---|---|---|---|---|---|
| 1 | 3,000,000 | 50 | 234,187 | 354,545 | 51% |
| 2 | 3,000,000 | 50 | 256,174 | 412,941 | 61% |
| 3 | 0 | 50 | 218,250 | 237,522 | 9% |
| 4 | 0 | 50 | 230,871 | 228,529 | −1% |
| 5 | 3,000,000 | 50 | 255,019 | 350,167 | 37% |
| 6 | 3,000,000 | 50 | 230,516 | 376,923 | 64% |
| 7 | 0 | 50 | 236,181 | 235,000 | −1% |
| 8 | 300,000 | 50 | 238,211 | 275,069 | 15% |
| 9 | 1,000,000 | 50 | 220,487 | 255,732 | 16% |
| 10 | 1,000,000 | 50 | 213,365 | 234,512 | 10% |
| 11 | 3,000,000 | 50 | 234,073 | 307,286 | 31% |
| 12 | 21,600,000 | 50 | 243,481 | 577,167 | 137% |
| 13 | 16,440,000 | 50 | 226,622 | 422,500 | 86% |
| 14 | 30,000,000 | 50 | 212,756 | 443,360 | 108% |
| 15 | 7,220,000 | 50 | 233,103 | 416,842 | 79% |
| 16 | 3,000,000 | <15 | 238,956 | 247,619 | 4% |
| 18 | 15,600,000 | <15 | 246,423 | 245,294 | 0% |
| Specimen | NU [–] | RH [%] | Ncal [–] | Nexp [–] | Retardation |
|---|---|---|---|---|---|
| 1 | 3,000,000 | 50 | 449,134 | 568,065 | 26% |
| 2 | 3,000,000 | 50 | 495,105 | 703,637 | 42% |
| 3 | 0 | 50 | 410,749 | 447,720 | 9% |
| 4 | 0 | 50 | 433,477 | 441,892 | 2% |
| 5 | 3,000,000 | 50 | 487,622 | 643,033 | 32% |
| 6 | 3,000,000 | 50 | 442,682 | 628,571 | 42% |
| 7 | 0 | 50 | 446,130 | 457,531 | 3% |
| 8 | 300,000 | 50 | 454,380 | 517,891 | 14% |
| 9 | 1,000,000 | 50 | 416,774 | 460,091 | 10% |
| 10 | 1,000,000 | 50 | 401,090 | 438,100 | 9% |
| 11 | 3,000,000 | 50 | 448,896 | 548,273 | 22% |
| 12 | 21,600,000 | 50 | 473,971 | 1,048,283 | 121% |
| 13 | 16,440,000 | 50 | 437,490 | 741,000 | 69% |
| 14 | 30,000,000 | 50 | 412,623 | 795,167 | 93% |
| 15 | 7,220,000 | 50 | 449,260 | 720,000 | 60% |
| 16 | 3,000,000 | <15 | 455,752 | 466,667 | 2% |
| 18 | 15,600,000 | <15 | 468,201 | 459,167 | −2% |
Publisher’s Note: MDPI stays neutral with regard to jurisdictional claims in published maps and institutional affiliations. |
© 2021 by the authors. Licensee MDPI, Basel, Switzerland. This article is an open access article distributed under the terms and conditions of the Creative Commons Attribution (CC BY) license (https://creativecommons.org/licenses/by/4.0/).
Share and Cite
Pokorný, P.; Vojtek, T.; Jambor, M.; Náhlík, L.; Hutař, P. Effect of Underload Cycles on Oxide-Induced Crack Closure Development in Cr-Mo Low-Alloy Steel. Materials 2021, 14, 2530. https://doi.org/10.3390/ma14102530
Pokorný P, Vojtek T, Jambor M, Náhlík L, Hutař P. Effect of Underload Cycles on Oxide-Induced Crack Closure Development in Cr-Mo Low-Alloy Steel. Materials. 2021; 14(10):2530. https://doi.org/10.3390/ma14102530
Chicago/Turabian StylePokorný, Pavel, Tomáš Vojtek, Michal Jambor, Luboš Náhlík, and Pavel Hutař. 2021. "Effect of Underload Cycles on Oxide-Induced Crack Closure Development in Cr-Mo Low-Alloy Steel" Materials 14, no. 10: 2530. https://doi.org/10.3390/ma14102530
APA StylePokorný, P., Vojtek, T., Jambor, M., Náhlík, L., & Hutař, P. (2021). Effect of Underload Cycles on Oxide-Induced Crack Closure Development in Cr-Mo Low-Alloy Steel. Materials, 14(10), 2530. https://doi.org/10.3390/ma14102530

