Comparison of Structure and Properties of Mo2FeB2-Based Cermets Prepared by Welding Metallurgy and Vacuum Sintering
Abstract
:1. Introduction
2. Materials and Methods
2.1. WM-Mo2FeB2 Preparation
- Weigh the alloy powder according to the mass ratio of 60 wt% Mo and 40 wt% FeB and then mixed for 10 min to obtain the powder;
- After 304 stainless steel is cleaned by ultrasonic cleaning equipment, the steel strip is rolled into U-shape by flux cored wire production equipment, and the powder made in step (1) is added into the U-shaped steel strip;
- The U-shaped groove is closed to make the powder wrapped in it, and the closure part is connected by lap joint; Through wire drawing, drawing and reducing are carried out step by step, and finally the diameter reaches 3.2 mm;
- The flux cored wire layer obtained in step (3) is wound into a coil to obtain the finished surfacing flux cored wire.
2.2. VM-Mo2FeB2 Preparation
2.3. Microstructural Investigations and XRD Analysis
2.4. Hardness Measurement
2.5. Wear Tests
2.6. Corrosion Resistance Test
3. Results and Discussion
3.1. XRD Analysis
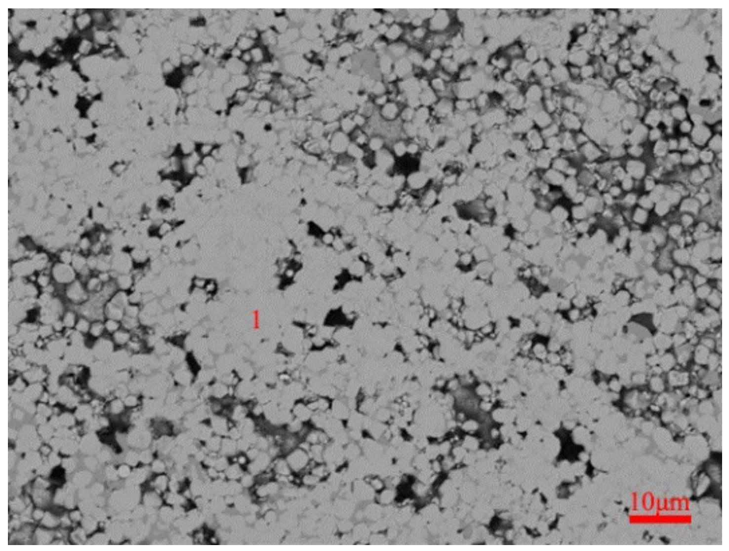
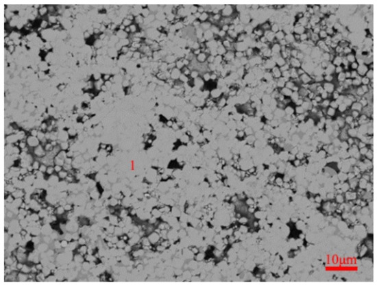
3.2. Microstructure Characterization
3.3. Phase Evolution in Sintering and Welding
3.3.1. Sintering Phase Evolution
3.3.2. Welding Phase Evolution
3.4. Hardness Analysis
3.5. Wear Properties
3.5.1. Wear Measurement
3.5.2. Wear Morphologies and Wear Mechanism
3.6. Corrosion Resistance Analysis
3.6.1. Polarization Curves
3.6.2. XPS Analysis
3.6.3. Corrosion Morphologies
4. Conclusions
- The VM-Mo2FeB2 is mainly composed of γ-CrFeNi and Mo2FeB2, and the WM-Mo2FeB2 is mainly composed of Mo2FeB2 (M3B2), NiCrFe, MoCrFe and Cr2B3. The hard phase of Mo2FeB2 in VM-Mo2FeB2 is equiaxed, while the WM-Mo2FeB2 is mainly composed of massive, fishbone and irregular Mo2FeB2 hard phases. The amount of hard phase in VM-Mo2FeB2 is more than that in WM-Mo2FeB2.
- Some pores will be produced in the sintering process of VM-Mo2FeB2, which affects the final properties. There is a good diffusion and metallurgical bonding between the WM-Mo2FeB2 and the matrix, and the microstructure is more compact.
- The hardness of VM-Mo2FeB2 is higher than that of WM-Mo2FeB2 due to the higher content of hard phase in VM-Mo2FeB2, but there is little difference between them. However, the wear resistance is not only affected by the hardness and volume fraction of the hard phase, but also by the morphology and distribution of the hard phase. In the wear test of VM-Mo2FeB2, some hard phases fall off from the surface of the substrate to form abrasives, which aggravate the wear and make its wear resistance lower than that of WM-Mo2FeB2.
- The results show that the corrosion resistance of VM-Mo2FeB2 is better than that of WM-Mo2FeB2. The passive films formed on VM-Mo2FeB2 and WM-Mo2FeB2 are Fe2O3, Cr2O3 and Cr(OH)3.
Author Contributions
Funding
Institutional Review Board Statement
Informed Consent Statement
Data Availability Statement
Acknowledgments
Conflicts of Interest
References
- Li, P.; Wang, H.; Zeng, L. New surface modification technology of ceramic materials. In Proceedings of the 2003 Annual Meeting of Ceramic Branch of China Silicate Society; Ceramic Branch of China Silicate Society: Beijing, China, 2003; p. 4. [Google Scholar]
- Kim, J.; Lee, S.; Lee, C. Consideration of the criteria for successful deposition in cermet kinetic spraying using WC-17Co powder. Surf. Coat. Technol. 2019, 361, 314–323. [Google Scholar] [CrossRef]
- Avettand-Fenoel, M.N.; Nagaoka, T.; Fujii, H.; Taillard, R. Effect of a Ni interlayer on microstructure and mechanical properties of WC-12Co cermet/SC45 steel friction stir welds. J. Manuf. Process. 2019, 40, 1–15. [Google Scholar] [CrossRef]
- Algodi, S.J.; Murray, J.W.; Fayet, M.W.; Clare, A.T.; Brown, P.D. Electrical discharge coating of nanostructured TiC-Fe cermets on 304 stainless steel. Surf. Coat. Technol. 2016, 307, 639–649. [Google Scholar] [CrossRef]
- Ramachandran, R.; Salguero, T.T. Nanostructuring of Strontium Hexaboride via Lithiation. Inorg. Chem. 2018, 57, 4–7. [Google Scholar] [CrossRef] [PubMed]
- Cahill, J.T.; Alberga, M.; Bahena, J.; Pisano, C.; Borja-Urby, R.; Vasquez, V.R.; Edwards, D.; Misture, S.T.; Graeve, O.A. Phase stability of mixed-cation alkaline-earth hexaborides. Cryst. Growth Des. 2017, 17, 3450–3461. [Google Scholar] [CrossRef]
- Verger, L.; Kota, S.; Roussel, H.; Ouisse, T.; Barsoum, M.W. Anisotropic thermal expansions of select layered ternary transition metal borides: MoAlB, Cr2AlB2, Mn2AlB2, and Fe2AlB2. J. Appl. Phys. 2018, 124. [Google Scholar] [CrossRef]
- Takagi, K.; Ohira, S.; Ide, T.; Watanabe, T. New multiple-boride base hard alloy. J. Met. Powder Rep. 1987, 42, 483–490. [Google Scholar]
- Wang, Y.G.; Li, Z.Q. Development of ternary-boride-based hard cladding material. Int. J. Mater. Res. Bull. 2002, 37, 417–423. [Google Scholar]
- Takagi, K. High tough boride base cermets produced by reaction sintering. J. Mater. Chem. Phys. 2001, 67, 214–219. [Google Scholar] [CrossRef]
- Peng, J.S.; Pan, Y.J.; Zhang, H. The influence of heat treatment on the interface and properties of Mo2FeB2 Cermets-Steel Clad Material. Appl. Mech. Mater. 2014, 541, 199–203. [Google Scholar] [CrossRef]
- Wang, Q.F.; Pan, Y.J.; Hu, B.; Zhou, L. Effects of alloys on microstructure and properties of Mo2FeB2-based Cermets. Adv. Mater. Res. 2012, 399, 399–402. [Google Scholar] [CrossRef]
- Yu, H.Z.; Liu, W.J.; Feng, P.; Zheng, Y. Synthesis and microstructure evolution during vacuum sintering of Mo2FeB2 based cermets. Int. J. Refract. Met. Hard Mater. 2014, 45, 48–52. [Google Scholar]
- Pang, X.M.; Zheng, Y.; Wang, S.G.; Wang, Q.H. Effect of Mn on valence-electron structure and properties of hard phase in Mo2FeB2-based cermets. Int. J. Refract. Met. Hard Mater. 2009, 27, 777–780. [Google Scholar]
- Yu, H.Z.; Zheng, Y.; Liu, W.J.; Zheng, J.Z.; Xiong, W.H. Effect of V content on the micro structure and mechanical properties of Mo2FeB2 based cermets. Mater. Des. 2010, 31, 2680–2683. [Google Scholar] [CrossRef]
- Li, W.H.; Liu, F.T. Effect of WC content on sintering process and structure properties for in situ sintering synthesis of Mo2FeB2. Powder Metall. Technol. 2009, 27, 166–169. [Google Scholar]
- Zheng, M. Application of manual TIG welding in large diameter long distance pipeline. Weld. Technol. 2016, 45, 95–96. [Google Scholar]
- Su, Z.; Bao, E.; Yang, W.; Jiang, T.; Wang, B.; Ji, S. Application of automatic TIG welding in large valve parts. Valve 2009. [Google Scholar]
- Shen, G. Research and application of 6082-T6 AC TIG welding process. Weld. Technol. 2020, 49, 100–102. [Google Scholar]
- Movahedi, B.; Enayati, M.H.; Wong, C.C. Study on nanocrystallization and amorphization in Fe–Cr–Mo–B–P–Si–C system during mechanical alloying. Mater. Sci. Eng. B 2010, 172, 50–54. [Google Scholar] [CrossRef]
- Tan, H. The Effect of Boron Addition on the Sintering Mechanism and Properties of Mo2FeB2 Based Cermets; Tianjin University: Tianjin, China, 2012. [Google Scholar]
- Takagi, K.; Koike, W.; Momozawa, A.; Fujima, T. Effects of Cr on the properties of Mo2NiB2 ternary boride. Solid State Sci. 2012, 14, 1643–1647. [Google Scholar] [CrossRef]
- Li, W.H.; Liu, F.T. Sintering thermodynamic analysis of Mo2FeB2 cermet prepared by in-situ reaction. Powder Metall. Technol. 2010, 28, 192–195. [Google Scholar]
- Wang, S.L.; Pan, Y.; Lin, Y.H.; Tong, C.C. Influence of doping concentration on mechanical properties of Mo2FeB2 alloyed with Cr and Ni from first-principle calculations. Comput. Mater. Sci. 2018, 146, 18–25. [Google Scholar] [CrossRef]
- Tong, C. The Effects of Cr, Ni And Mn on the Mechanical Properties of Mo2feb2 were Studied Based on First Principles; Southwest Petroleum University: Chengdu, China, 2017. [Google Scholar]
- Yu, H.Z.; Liu, W.J.; Zheng, Y.; Zhang, M.S. Investigation of phase transformation and microstructure evolution of Mo2FeB2-based Cermet II: Microstructure Evolution. Cem. Carbide 2011, 28, 200–205. [Google Scholar]
- Lu, W.J.; Zhang, D.; Zhang, X.N.; Guo, S.L.; Wu, R.J. Growth mechanism of reinforcements in in-situ synthesized (TiB+TiC)/Ti composites. T. Nonferr. Metal. Soc. 2001, 11, 67–71. [Google Scholar]
- Wang, H. Study on Microstructure and Properties of Mo-Cr-B-Fe Hardfacing Alloy; Shandong University: Jinan, China, 2016. [Google Scholar]
- Li, W.H.; Liu, F.T.; Feng, X.M. Effect of sintering temperature on the structure and properties of ternary boride hard alloys. Powder Metall. Technol. 2009, 27, 48–51. [Google Scholar]
- Ide, T.; Ando, T. Reaction sintering of an Fe-6 wt pct B-48 wt pct Mo alloy in the presence of liquid phases. Metall. Mater. Trans. A 1989, 20, 17–24. [Google Scholar] [CrossRef]
- Okamoto, H. B-Fe (Boron-Iron). J. Phase Equilib. Diff. 2004, 25, 297–298. [Google Scholar] [CrossRef]
- Liu, F.T. Study on Ceramet Coating Materials and Wear and Corrosion Resistance; Shandong University: Jinan, China, 2003. [Google Scholar]
- Sheng, N.C.; Hu, X.B.; Liu, J.D.; Jin, T.; Sun, X.F.; Hu, Z.Q. M3B2 and M5B3 formation in diffusion affected zone during transient liquid phase bonding single crystal superalloys. Metall. Mater. Trans. A 2015, 46, 1670–1677. [Google Scholar] [CrossRef]
- Bhansali, K.J. Adhesive wear of nickel-and-cobalt-base alloys. Wear 1980, 60, 95–110. [Google Scholar] [CrossRef]
- Ningshen, S.; Kamachi Mudali, U.; Mittal, V.K.; Khatak, H.S. Semiconducting and passive film properties of nitrogen-containing type 316LN stainless steels. Corros. Sci. 2007, 49, 481–496. [Google Scholar] [CrossRef]
- Feng, Z.; Cheng, X.; Dong, C.; Xu, L.; Li, X. Passivity of 316L stainless steel in borate buffer solution studied by Mott–Schottky analysis, atomic absorption spectrometry and X-ray photoelectron spectroscopy. Corros. Sci. 2010, 52, 3646–3653. [Google Scholar] [CrossRef]
- Li, W.H.; Liu, F.T.; Huang, W.J.; Zhang, Y.C.; Dong, F.; Li, Z.Q. Research on Vacuum Liquid Phase Sintered Mo2FeB2 Hard Alloy Cladding Materials. Powder Metall. Ind. 2006, 16, 25–28. [Google Scholar]
- Lee, J. Effects of alloying elements, Cr, Mo and N on repassivation characteristics of stainless steels using the abrading electrode technique. Mater. Chem. Phys. 2006, 99, 224–234. [Google Scholar] [CrossRef]














| Powder | Mean Particle Size (μm) | Chemical Composition (wt%) |
|---|---|---|
| Fe | 80 | C < 0.1, N < 0.1, O < 0.2, Bal Fe |
| Ni | 75 | Ni ≥ 99.5, C < 0.15, Si < 0.01, Bal Ni |
| FeB | 120 | B = 22%, C < 0.27, Si < 0.71, Bal Fe |
| Mo | 110 | Fe < 0.002, O < 0.1, Si < 0.001, Bal Mo |
| Cr | 75 | O < 0.2, Fe < 0.18, N < 0.045, Bal Cr |
| C | Mn | P | S | Si | Cr | Ni |
|---|---|---|---|---|---|---|
| 0.05 | 1.2 | 0.015 | 0.01 | 0.2 | 18.5 | 9.2 |
| Parameter | Value |
|---|---|
| Protective gas | 99.9% pure argon |
| Tungsten diameter; Current | 3.2 mm; 140 A |
| Voltage | 18–20 V |
| Flow rate of argon | 12 L/min |
| Speed of welding | 100 mm/min |
| Element | Mass Fraction (%) | Atom Fraction (%) |
|---|---|---|
| B | 11.008 | 44.6094 |
| Cr | 18.376 | 15.4812 |
| Fe | 21.890 | 17.1708 |
| Ni | 1.689 | 1.2599 |
| Mo | 47.038 | 21.4785 |
| Total | 100 | 100 |
| Sample | Ecorr (V) | Icorr (μA/cm2) | Epit (V) |
|---|---|---|---|
| VM-Mo2FeB2 | −0.38 | 1.14 | 0.02 |
| WM-Mo2FeB2 | −0.46 | 37.6 | −0.04 |
Publisher’s Note: MDPI stays neutral with regard to jurisdictional claims in published maps and institutional affiliations. |
© 2020 by the authors. Licensee MDPI, Basel, Switzerland. This article is an open access article distributed under the terms and conditions of the Creative Commons Attribution (CC BY) license (http://creativecommons.org/licenses/by/4.0/).
Share and Cite
Xu, H.; Sun, J.; Jin, J.; Song, J.; Wang, C. Comparison of Structure and Properties of Mo2FeB2-Based Cermets Prepared by Welding Metallurgy and Vacuum Sintering. Materials 2021, 14, 46. https://doi.org/10.3390/ma14010046
Xu H, Sun J, Jin J, Song J, Wang C. Comparison of Structure and Properties of Mo2FeB2-Based Cermets Prepared by Welding Metallurgy and Vacuum Sintering. Materials. 2021; 14(1):46. https://doi.org/10.3390/ma14010046
Chicago/Turabian StyleXu, Hu, Junsheng Sun, Jun Jin, Jijun Song, and Chi Wang. 2021. "Comparison of Structure and Properties of Mo2FeB2-Based Cermets Prepared by Welding Metallurgy and Vacuum Sintering" Materials 14, no. 1: 46. https://doi.org/10.3390/ma14010046
APA StyleXu, H., Sun, J., Jin, J., Song, J., & Wang, C. (2021). Comparison of Structure and Properties of Mo2FeB2-Based Cermets Prepared by Welding Metallurgy and Vacuum Sintering. Materials, 14(1), 46. https://doi.org/10.3390/ma14010046
