Effect of PBO–FRCM Reinforcement on Stiffness of Eccentrically Compressed Reinforced Concrete Columns
Abstract
1. Introduction
1.1. Flexural Stiffness of Compressed Reinforced Concrete Columns
1.2. Standard Analysis of Stiffness of Compressed Reinforced Concrete Columns
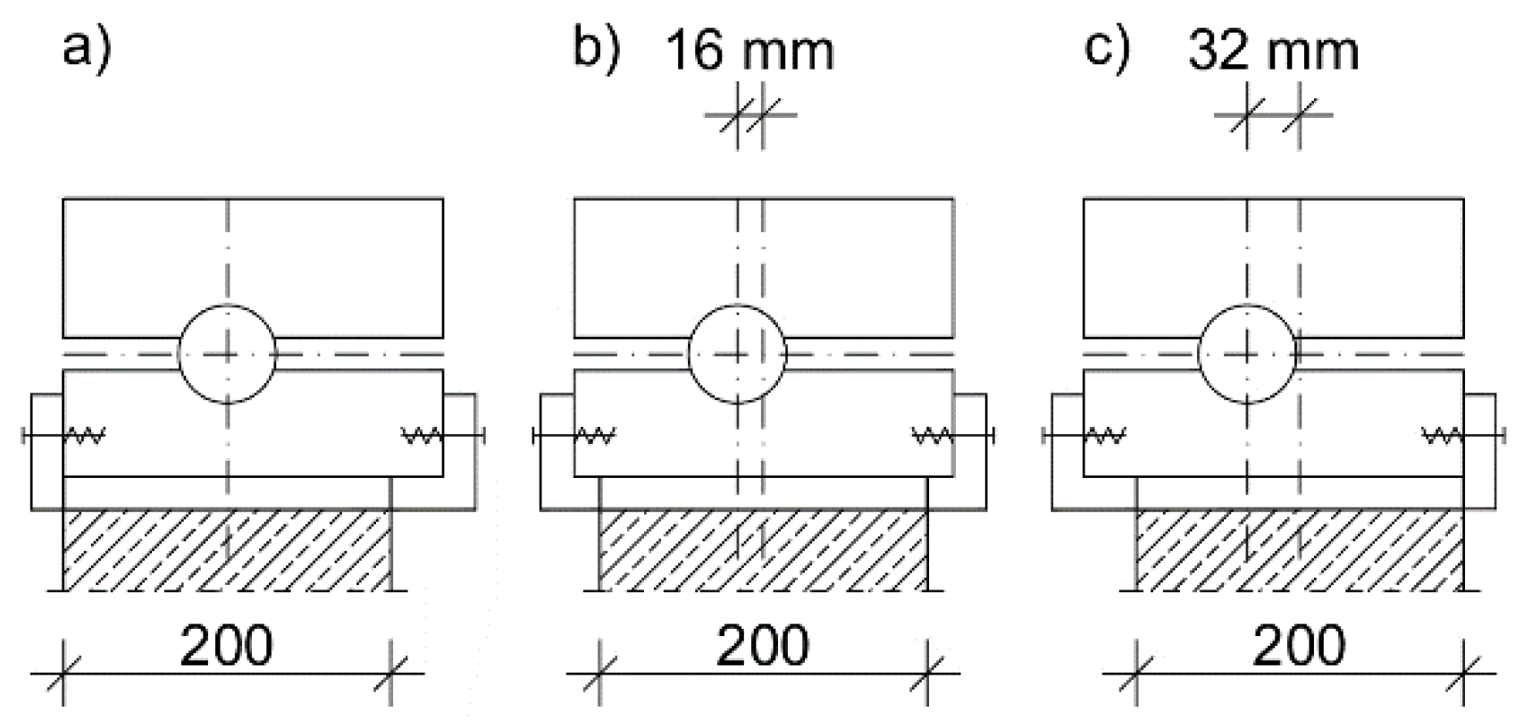
2. Test Specimens
3. Experimental Results and Analysis
3.1. Changes in Elasticity Modulus of Concrete in Tested Columns
3.2. Change in Stiffness of Columns with PBO–FRCM Reinforcement
4. Conclusions
Author Contributions
Funding
Conflicts of Interest
Nomenclature
| Ac | Concrete cross-section, m2 |
| Ea | Modulus of elasticity of structural steel, gpa |
| Ec | Modulus of elasticity of concrete, gpa |
| Ecm | Secant modulus of elasticity of concrete, gpa |
| Ecd | Design value of modulus of elasticity of concrete, gpa |
| Ef | Modulus of elasticity of PBO–FRCM strengthening system, gpa |
| Es | Modulus of elasticity of reinforcing steel, gpa |
| Ic | Moment of inertia of concrete, cm4 |
| Is | Moment of inertia of reinforcing steel, cm4 |
| Ia | Moment of inertia of structural steel, cm4 |
| P | Load, kn |
| e0 | Initial eccentricity, mm |
| fc,cyl | Cylindrical compressive strength of concrete, mpa |
| fc,cube | Cubic compressive strength of concrete, mpa |
| f′co | Compressive strength of unconfined concrete, mpa |
| fck | Characteristic value of concrete compressive strength, mpa |
| fcd | Design value of concrete compressive strength, mpa |
| fu | Ultimate strength of PBO mesh, mpa |
| fy | Yield strength of steel, mpa |
| ft | Ultimate tensile strength of steel, mpa |
| t | Nominal thickness of PBO mesh, mm |
| w | Column deflection, mm |
| λ | Column slenderness, |
| εc | Strain in concrete, ‰ |
| ρ | Reinforcement ratio for longitudinal reinforcement |
| σc | Stress in concrete, mpa |
| ϕef | Effective value of the creep coefficient |
References
- Ombres, L. Flexural analysis of reinforced concrete beams strengthened with a cement based high strength composite material. Compos. Struct. 2011, 94, 143–155. [Google Scholar] [CrossRef]
- Ombres, L. The structural performances of PBO-FRCM strengthened RC beams. Struct. Build. 2011, 164, 265–272. [Google Scholar] [CrossRef]
- Ombres, L. Shear Capacity of Concrete Beams Sstrengthened with Cement Based Composite Mmaterials. In Proceedings of the 6th International Conference on FRP Composites in Civil Engineering (CICE 2012), Roma, Italy, 13–15 June 2012. [Google Scholar]
- Loreto, G.; Babaeidaarabad, S.; Leardini, L.; Nanni, A. RC beams shear-strengthened with fabric-reinforced-cementitious-matrix (FRCM) composite. Int. J. Adv. Struct. Eng. 2015, 7, 341–352. [Google Scholar] [CrossRef]
- Trapko, T.; Urbańska, D.; Kamiński, M. Shear strengthening of reinforced concrete beams with PBO-FRCM composites. Compos. Part B 2015, 80, 63–72. [Google Scholar] [CrossRef]
- Ombres, L. Structural performances of reinforced concrete beams strengthened in shear with a cement based fibre composite material. Compos. Struct. 2015, 122, 316–329. [Google Scholar] [CrossRef]
- Trapko, T.; Musiał, M. PBO mesh mobilization via different ways of anchoring PBO-FRCM reinforcements. Compos. Part B 2017, 118, 67–74. [Google Scholar] [CrossRef]
- Nerilli, F.; Ferracuti, B. On Tensile Behavior of FRCM Materials: An Overview. In Proceedings of the 8th International Conference on Fibre-Reinforced Polymer (FRP) Composites in Civil Engineering (CICE 2016), Hong Kong, China, 14–16 December 2016. [Google Scholar]
- Trapko, T. The influence of temperature on the durability and effectiveness of strengthening of concrete with CFRP composites. Eng. Build. 2010, 10, 561–564. [Google Scholar]
- Trapko, T. The effect of high temperature on the performance of CFRP and FRCM confined concrete elements. Compos. Part B 2013, 54, 138–145. [Google Scholar] [CrossRef]
- D’Antino, T.; Carloni, C.; Sneed, L.H.; Pellegrino, C. Matrix-fibre bond behaviour in PBO FRCM composites: A fracture mechanics approach. Eng. Fract. Mech. 2014, 117, 94–111. [Google Scholar] [CrossRef]
- D’Ambrisi, A.; Feo, L.; Focacci, F. Experimental analysis on bond between PBO-FRCM strengthening materials and concrete. Compos. Part B 2013, 44, 524–534. [Google Scholar] [CrossRef]
- Carozzi, F.G.; Poggi, C. Mechanical properties and debonding strength of Fabric Reinforced Cementitious Matrix (FRCM) systems for masonry strengthening. Compos. Part B 2015, 70, 215–230. [Google Scholar] [CrossRef]
- Ombres, L. Analysis of the bond between Fabric Reinforced Cementitious Mortar (FRCM) strengthening systems and concrete. Compos. Part B 2015, 69, 418–426. [Google Scholar] [CrossRef]
- Ombres, L. Confinement Effectiveness in Concrete Strengthened with Fibre Reinforced Cement Based Composite Jackets. In Proceedings of the FRPRCS-8: 8th International Symposium on Fibre-Reinforced Polymer Reinforcement for Concrete Structures, Patras, Greece, 16–18 July 2007; University of Patras, Department of Civil Engineering: Patras, Greece, 2007; Paper No. 17–11. [Google Scholar]
- De Caso y Basalo, F.J.; Matta, F.; Nanni, A. Fibre reinforced cement-based composite system for concrete confinement. Constr. Build. Mater. 2012, 32, 55–65. [Google Scholar] [CrossRef]
- Trapko, T. Fibre Reinforced Cementitious Matrix confined concrete elements. Mater. Des. 2013, 44, 382–391. [Google Scholar] [CrossRef]
- Trapko, T. Behaviour of Fibre Reinforced Cementitious Matrix strengthened concrete columns under eccentric compression loading. Mater. Des. 2014, 54, 947–957. [Google Scholar] [CrossRef]
- Trapko, T. Effect of eccentric compression loading on the strains of FRCM confined concrete columns. Constr. Build. Mater. 2014, 61, 97–105. [Google Scholar] [CrossRef]
- Trapko, T. Confined concrete elements with PBO-FRCM composites. Constr. Build. Mater. 2014, 73, 332–338. [Google Scholar] [CrossRef]
- Colajanni, P.; De Domenico, F.; Recupero, A.; Spinella, N. Concrete columns confined with fibre reinforced cementitious mortars: Experimentation and modelling. Constr. Build. Mater. 2014, 52, 375–384. [Google Scholar] [CrossRef]
- Colajanni, P.; Fossetti, M.; Macaluso, G. Effects of confinement level, cross-section shape and corner radius on the cyclic behaviour of CFRCM confined concrete columns. Constr. Build. Mater. 2014, 55, 379–389. [Google Scholar] [CrossRef]
- Ombres, L.; Verre, S. Structural behaviour of fabric reinforced cementitious matrix (FRCM) strengthened concrete columns under eccentric loading. Compos. Part B 2015, 75, 235–249. [Google Scholar] [CrossRef]
- Ombres, L. Concrete confinement with a cement based high strength composite material. Compos. Struct. 2017, 109, 294–304. [Google Scholar] [CrossRef]
- Ombres, L. Structural performances of thermally conditioned PBO FRCM confined concrete cylinders. Compos. Struct. 2017, 176, 1096–1106. [Google Scholar] [CrossRef]
- Donnini, J.; Spagnuolo, S.; Corinaldesi, V. A comparison between the use of FRP, FRCM and HPM for concrete confinement. Compos. Part B 2019, 160, 586–594. [Google Scholar] [CrossRef]
- Hoła, J. Relation of Initiating and Critical Stress to Stress Failure. In Scientific Papers of the Institute of Building Engineering of the Wroclaw University of Technology; No. 76, Monographs No. 33; Wroclaw University of Technology Publishing House: Wroclaw, Poland, 2000; p. 182. [Google Scholar]
- Polish Standard PN-EN 1994-1-1:2008. Eurocode 4: Design of Composite Steel and Concrete Structures—Part 1-1: General Rules and Rules for Buildings; European Committee for Standardization: Brussels, Belgium, 2008. [Google Scholar]
- Polish Standard PN-EN 1992-1-1:2008. Eurocode 2. Design of Concrete Structures—Part 1-1: General Rules and Rules for Buildings; European Committee for Standardization: Brussels, Belgium, 2008. [Google Scholar]
- Polish Standard PN-EN 12390-3:2009. Testing Hardened Concrete. Part 3: Compressive Strength of Test Specimens; National Standards Authority of Ireland: Dublin, Ireland, 2009. [Google Scholar]
- Testing Hardened Concrete. Part 13: Determination of Secant Modulus of Elasticity in Compression; National Standards Authority of Ireland: Dublin, Ireland, 2009.
- Ruredil, X. Mesh Gold Data Sheet; Ruredil SPA: Milan, Italy, 2009. [Google Scholar]
- Technical Approval; The Road and Bridge Research Institute: Warszawa, Poland, 2004.
- ACI Committee 549. Guide to Design and Construction of Externally Bonded Fabric-Reinforced Cementitious Matrix (FRCM) Systems for Repair and Strengthening Concrete and Masonry Structures; American Concrete Institute Committee: Farmington Hills, MI, USA, 2013. [Google Scholar]
- Neville, A.M. Properties of Concrete, 5th ed.; Polish Cement Association: Kraków, Poland, 2012; p. 931. [Google Scholar]

















| Portland cement of grade 42.5R | 455 kg/m3 |
| Sand 0–2 mm | 710 kg/m3 |
| Aggregate 2–8 mm (river pebble) | 710 kg/m3 |
| Aggregate 8–16 mm (river pebble) | 610 kg/m3 |
| Water | 200 kg/m3 |
| Superplasticizer | 0.75% cement mass—3.375 kg/m3 |
| w/c ratio | 0.44 |
| Parameter | Unit | PBO Mesh [32,33] | Cement Based Matrix [32,33] | PBO–FRCM System [34] |
|---|---|---|---|---|
| Tensile strength | (MPa) | 5800 | - | 1664 |
| Compressive strength | (MPa) | - | 29.0 | - |
| Young modulus | (GPa) | 270 | 6.0 | 128 |
| Nominal thickness | (mm) | 0.0455 longitudinal | - | - |
| 0.0224 transversal | - | - |
| Specimens | Cross-Section | Height | Internal Reinforcement | FRCM Type | Eccentricity | |
|---|---|---|---|---|---|---|
Horizontal![]() | Vertical![]() | |||||
| (mm) | (mm) | - | - | - | (mm) | |
| C_C_0 | 200 × 200 | 1500 | 4∅12 | No | No | 0 |
| C_C_16 | No | No | 16 | |||
| C_C_32 | No | No | 32 | |||
| C_1H_0 | 1 layer | No | 0 | |||
| C_1H_16 | 1 layer | No | 16 | |||
| C_1H_32 | 1 layer | No | 32 | |||
| C_2H_0 | 2 layers | No | 0 | |||
| C_2H_16 | 2 layers | No | 16 | |||
| C_2H_32 | 2 layers | No | 32 | |||
| C_1V1V_0 | 1 layer | 1 layer | 0 | |||
| C_1V1V_16 | 1 layer | 1 layer | 16 | |||
| C_1V1V_32 | 1 layer | 1 layer | 32 | |||
| C_1V2H_0 | 2 layers | 1 layer | 0 | |||
| C_1V2H_16 | 2 layers | 1 layer | 16 | |||
| C_1V2H_32 | 2 layers | 1 layer | 32 | |||
| Column | Vertical Strain at Peak Load | |
|---|---|---|
| εv2,max | εv2,max | |
| (‰) | (‰) | |
| C_C_0 | −2.121 | −1.752 |
| C_C_16 | −3.183 | −0.052 |
| C_C_32 | −3.135 | +0.369 |
| C_1H_0 | −2.736 | −2.459 |
| C_1H_16 | −2.845 | −0.622 |
| C_1H_32 | −2.962 | +0.283 |
| C_2H_0 | −3.200 | −1.489 |
| C_2H_16 | −2.907 | −0.715 |
| C_2H_32 | −2.827 | +0.106 |
| C_1V1H_0 | −2.392 | −1.762 |
| C_1V1H_16 | −2.941 | −0.115 |
| C_1V1H_32 | −3.112 | +0.460 |
| C_1V2H_0 | −1.734 | −1.510 |
| C_1V2H_16 | −1.842 | −0.903 |
| C_1V2H_32 | −2.890 | +0.477 |
| Specimens | EI | Pmax |
|---|---|---|
| (kNm2) | (kN) | |
| C_C_0 | 1556 | 2214 |
| C_1V1H_0 | 1801 | 2227 |
| C_1V2H_0 | 1999 | 2035 |
| C_C_16 | 2042 | 1652 |
| C_1V1H_16 | 2673 | 1775 |
| C_1V2H_16 | 2850 | 1636 |
| C_C_32 | 3188 | 1516 |
| C_1V1H_32 | 3371 | 1613 |
| C_1V2H_32 | 4013 | 1618 |
| C_C_0 | 1556 | 2214 |
| C_1H_0 | 1352 | 2587 |
| C_2H_0 | 962 | 2434 |
| C_C_16 | 2042 | 1652 |
| C_1H_16 | 3062 | 1957 |
| C_2H_16 | 3214 | 2044 |
| C_C_32 | 3189 | 1516 |
| C_1H_32 | 3454 | 1596 |
| C_2H_32 | 4226 | 1812 |
© 2020 by the authors. Licensee MDPI, Basel, Switzerland. This article is an open access article distributed under the terms and conditions of the Creative Commons Attribution (CC BY) license (http://creativecommons.org/licenses/by/4.0/).
Share and Cite
Trapko, T.; Musiał, M. Effect of PBO–FRCM Reinforcement on Stiffness of Eccentrically Compressed Reinforced Concrete Columns. Materials 2020, 13, 1221. https://doi.org/10.3390/ma13051221
Trapko T, Musiał M. Effect of PBO–FRCM Reinforcement on Stiffness of Eccentrically Compressed Reinforced Concrete Columns. Materials. 2020; 13(5):1221. https://doi.org/10.3390/ma13051221
Chicago/Turabian StyleTrapko, Tomasz, and Michał Musiał. 2020. "Effect of PBO–FRCM Reinforcement on Stiffness of Eccentrically Compressed Reinforced Concrete Columns" Materials 13, no. 5: 1221. https://doi.org/10.3390/ma13051221
APA StyleTrapko, T., & Musiał, M. (2020). Effect of PBO–FRCM Reinforcement on Stiffness of Eccentrically Compressed Reinforced Concrete Columns. Materials, 13(5), 1221. https://doi.org/10.3390/ma13051221



