A Novel Approach to Predict Wrinkling of Aluminum Alloy During Warm/Hot Sheet Hydroforming Based on an Improved Yoshida Buckling Test
Abstract
1. Introduction
2. Theory of Prediction of Sheet Wrinkling
2.1. Theoretical Prediction Model for Sheet Plastic Instability
2.2. Prediction Method Based on a Sheet Plastic Instability Test
2.3. Theoretical Basis of Control of Wrinkling
3. Wrinkling Prediction Model for Sheet Metal During Warm Sheet Hydroforming
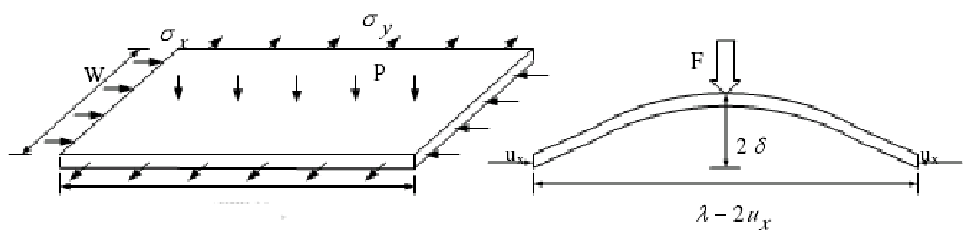
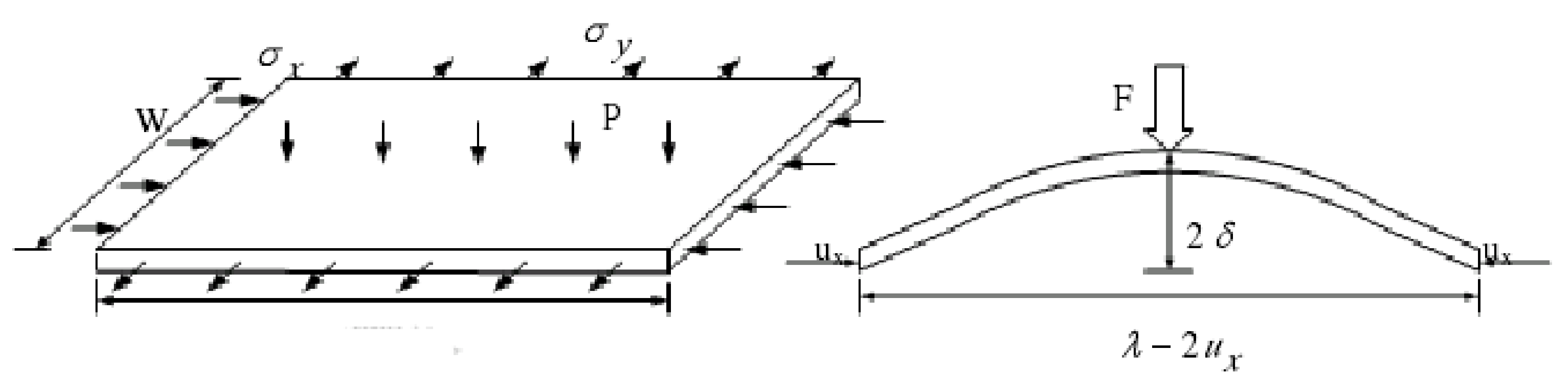
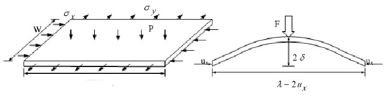
3.1. Wrinkling Test Method for Wrinkling of Sheet Metal During Warm Hydroforming
3.2. Wrinkling Prediction Method for Warm Sheet Hydroforming
3.3. Numerical Simulation of Sheet Wrinkling Performance Test
3.3.1. Numerical Calculation Method for Shell Elements
3.3.2. Influence of Different Microdisturbances on Simulation Results
3.3.3. Influence of Different Algorithms on Simulation Results
3.4. Experimental Verification of Sheet Wrinkling Properties
3.4.1. Test Equipment and Material
3.4.2. Analysis of Experimental Results
3.4.3. Surface Detection in the Main Diagonal Direction of Test Samples
3.4.4. Comparison of Calculation Results
3.5. Evaluation of Accuracy of Sheet Wrinkling Test
4. Conclusions
- (1)
- A novel experimental method based on an improved YBT was proposed to test the wrinkling properties of sheets under through-thickness normal stress provided by fluid pressure at different temperatures. A wrinkling coefficient Lλ that expresses the ability of a sheet to resist wrinkling during the hydroforming process was also presented.
- (2)
- The wrinkling test using the proposed method for sheet wrinkling properties was carried out, and results indicated that the wrinkling height of the sheet decreased with the increasing sample clamping width, and it increased with the increasing tensile length.
- (3)
- Based on numerical simulation, the measurement method that Ridge-height curves measured along the main diagonal tensile direction of sheets was presented. Results indicated that the wrinkling prediction criterion allows good discrimination.
- (4)
- The wrinkling properties of several different materials were simulated and analyzed, and the results showed that the improved YBT gave good predictions for wrinkling in the conventional sheet metal forming process, while the prediction results for wrinkling in warm/hot sheet hydroforming were also accurate when the fluid pressure was zero.
Author Contributions
Funding
Conflicts of Interest
References
- Hill, R. A theory of the yielding and plastic flow of anisotropic metals. Proc. R. Soc. Lond. Ser. A 1948, 193, 281–297. [Google Scholar]
- Koç, M.; Billur, E.; Necati, Ö.N. An experimental study on the comparative assessment of hydraulic bulge test analysis methods. Mater. Des. 2011, 32, 272–281. [Google Scholar] [CrossRef]
- Yang, X.Y.; Lang, L.H.; Liu, K.N.; Liu, B.S. Mechanics analysis of axisymmetric thin-walled part in warm sheet hydroforming. Chin. J. Aeronaut. 2015, 28, 1546–1554. [Google Scholar] [CrossRef]
- Zhou, G.; Wang, Y.N.; Lang, L.H. Accuracy analysis of complex curvature parts based on the rigid-flexible hydroforming. Int. J. Adv. Manuf. Technol. 2018, 99, 247–254. [Google Scholar] [CrossRef]
- Mahabunphachai, S.; Koç, M. Investigations on Forming of Aluminum 5052 and 6061 Sheet Alloys at Warm Temperatures. Mater. Des. 2010, 31, 2422–2434. [Google Scholar] [CrossRef]
- Palumbo, G.; Piccininni, A.; Guglielmi, P.; Michele, G.D. Warm hydroforming of the heat treatable aluminium alloy AC170PX. J. Manuf. Process. 2015, 20, 24–32. [Google Scholar] [CrossRef]
- Liu, K.N.; Lang, L.H.; Cai, G.S.; Yang, X.Y.; Guo, C.; Liu, B.S. A novel approach to determine plastic hardening curves of AA7075 sheet utilizing hydraulic bulging test at elevated temperature. Int. J. Mech. Sci. 2015, 100, 328–338. [Google Scholar] [CrossRef]
- Kaya, S.; Altan, T.; Groche, P.; Klöpsch, C. Determination of the Flow Stress of Magnesium Az31-O Sheet at Elevated Temperatures Using the Hydraulic Bulge Test. Int. J. Mach. Tools Manuf. 2008, 48, 550–557. [Google Scholar] [CrossRef]
- Liu, S.C.; Lang, L.H.; Guan, S.W. An investigation into the formability and processes of GLARE materials using hydro-bulging test. Int. J. Precis. Eng. Manuf. 2019, 20, 121–128. [Google Scholar]
- Cai, G.S.; Wu, C.Y.; Gao, Z.P.; Lang, L.H.; Sergei, A. Research on Al-alloy sheet forming formability during warm/hot sheet hydroforming based on elliptical warm bulging test. AIP Adv. 2018, 8, 055023. [Google Scholar] [CrossRef]
- Cai, G.S.; Wu, C.Y.; Gao, Z.P.; Lang, L.H.; Sergei, A. Investigation on the effect of pressure rate on formability of aluminum alloy during warm/hot sheet hydroforming. AIP Adv. 2018, 8, 095313. [Google Scholar] [CrossRef]
- Liu, B.S.; Lang, L.H.; Zeng, Y.S.; Lin, J.G. Forming characteristic of sheet hydroforming under the influence of through-thickness normal stress. J. Mater. Process. Technol. 2012, 212, 1875–1884. [Google Scholar] [CrossRef]
- Lang, L.H.; Cai, G.S.; Liu, K.N.; Sergei, A.; Du, P.M.; Zheng, H. Investigation on the effect of through thickness normal stress on forming limit at elevated temperature by using modified M-K model. Int. J. Mater. Form. 2015, 8, 211–228. [Google Scholar] [CrossRef]
- Lang, L.H.; Du, P.M.; Liu, B.S.; Cai, G.S.; Liu, K.N. Pressure rate controlled unified constitutive equations based on microstructure evolution for warm hydroforming. J. Alloys Compd. 2013, 574, 41–48. [Google Scholar] [CrossRef]
- Ji, H.C.; Liu, J.P.; Wang, B.Y.; Tang, X.F.; Lin, J.G.; Huo, Y.M. Microstructure evolution and constitutive equations for the high-temperature deformation of 5Cr21Mn9Ni4N heat-resistant steel. J. Alloy. Compd. 2017, 693, 674–687. [Google Scholar] [CrossRef]
- Mei, H.; Lang, L.H.; Liu, K.N.; Yang, X.G. Evaluation study on iterative inverse modeling procedure for determining post-necking hardening behavior of sheet metal at elevated temperature. Metals 2018, 8, 1044. [Google Scholar] [CrossRef]
- He, D.G.; Lin, Y.C.; Chen, J.; Chen, D.D.; Huang, J.; Tang, Y.; Chen, M.S. Microstructural evolution and support vector regression model for an aged Ni-based superalloy during two-stage hot forming with stepped strain rates. Mater. Des. 2018, 154, 51–62. [Google Scholar] [CrossRef]
- Cai, G.S.; Lang, L.H.; Liu, K.N.; Sergei, A.; Zhang, D.X.; Yang, X.Y.; Guo, C. Research on the effect of flow stress calculation on aluminum alloy sheet deformation behavior based on warm bulging test. Met. Mater. Int. 2015, 21, 365–373. [Google Scholar] [CrossRef]
- Lin, Y.C.; Luo, S.C.; Yin, L.X.; Huang, J. Microstructural evolution and high temperature flow behaviors of a homogenized Sr-modified Al-Si-Mg alloy. J. Alloy. Compd. 2018, 739, 590–599. [Google Scholar] [CrossRef]
- Cai, G.S.; Zhou, X.J.; Lang, L.H.; Sergei, A. Research on aluminum alloy sheet thermoplastic deformation behavior based upon warm bulging test. AIP. Adv. 2016, 6, 025023. [Google Scholar] [CrossRef]
- Wang, Y.; Yang, L.; Bai, B.; Lang, L.H. Evaluation of limit deformation behavior in hydro-bulging of the double-layer sheet metal using diffuse and localized instability theories. Int. J. Mech. Sci. 2019, 150, 145–153. [Google Scholar] [CrossRef]
- Belhassen, L.; Koubaa, S.; Wali, M.; Dammak, F. Numerical prediction of springback and ductile damage in rubber-pad forming process of aluminum sheet metal. Int. J. Mech. Sci. 2016, 117, 218–226. [Google Scholar] [CrossRef]
- Chanhee, W.; Hyung, K.; Seokryul, L.; Dongjin, K.; Sunghyuk, P.; Jonghun, Y. Wrinkling prediction for GPa-grade steels in sheet metal forming process. Int. J. Adv. Manuf. Technol. 2019, 102, 9–12. [Google Scholar]
- Zhou, B.J.; Xu, Y.C. The effect of upper sheet on wrinkling and thickness distribution of formed sheet part using double-layer sheet hydroforming. Int. J. Adv. Manuf. Technol. 2018, 99, 1175–1182. [Google Scholar] [CrossRef]
- Lu, H.; Kearney, M.; Wang, C.; Liu, S.; Meehan, P.A. Part accuracy improvement in two point incremental forming with a partial die using a model predictive control algorithm. Precis. Eng. 2017, 49, 179–188. [Google Scholar] [CrossRef]
- Chen, Y.Z.; Liu, W.; Zhang, Z.C.; Xu, Y.C.; Yuan, S.J. Analysis of wrinkling during sheet hydroforming of curved surface shell considering reverse bulging effect. Int. J. Mech. Sci. 2017, 120, 70–80. [Google Scholar] [CrossRef]
- Choi, H.; Koc, M.; Ni, J. A study on the analytical modeling for warm hydro-mechanical deep drawing of lightweight materials. Int. J. Mach. Tools. Manuf. 2007, 47, 1752–1766. [Google Scholar] [CrossRef]
- Liu, K.N.; Lang, L.H.; Zhang, W.S.; Marai, M.; Liu, B.S. Coupled Eulerian-Lagrangian simulation of granular medium sheet forming process and experimental investigation at elevated temperature. Int. J. Adv. Manuf. Technol. 2017, 88, 2871–2882. [Google Scholar] [CrossRef]
- Khosrojerdi, E.; Bakhshi-Jooybari, M.; Gorji, A.; Hosseinipour, S.J. Experimental and numerical analysis of hydrodynamic deep drawing assisted by radial pressure at elevated temperatures. Int. J. Adv. Manuf. Technol. 2017, 88, 185–195. [Google Scholar] [CrossRef]
- Rizwan, Z.; Lang, L.H.; Zhang, R.J. Analysis of hydro-mechanical deep drawing and the effects of cavity pressure on quality of simultaneously formed three-layer Al alloy parts. Int. J. Adv. Manuf. Technol. 2015, 80, 2117–2128. [Google Scholar]
- Cai, G.S.; Wu, C.Y.; Zhang, D.X. Investigation on the effect of type of cooling on the properties of aluminum alloy during warm/hot hydromechanical deep drawing. Symmetry 2018, 10, 362. [Google Scholar] [CrossRef]
- Yoshida, K. Purpose and feature of the Yoshida Buckling Test (YBT). J. Jpn. Soc. Technol. Plast. 1983, 24, 901–908. [Google Scholar]
- Hayashi, H.; Hirata, M.; Yoshida, K. Buckling behavior of a square specimen in the diagonal tensile test and its application. J. Jpn. Soc. Technol. Plast. 1978, 24, 1298–1304. [Google Scholar]
- Kim, J.B.; Yang, D.Y. Finite element analysis of the wrinkling initiation and growth in modified Yoshida buckling test. Korean J. Met. Mater. 1998, 4, 640–647. [Google Scholar] [CrossRef]
- Kim, J.B.; Yoon, J.W.; Yang, D.Y.; Barlat, F. Investigation into wrinkling behavior in the elliptical cup deep drawing process by finite element analysis using bifurcation theory. J. Mater. Process. Technol. 2001, 111, 170–174. [Google Scholar] [CrossRef]
























| General Shell Elements | Thin-Shell Elements | Thick-Shell Elements |
|---|---|---|
| S4R, S3R, SAX1, SAX2, SAX2T | STRI3, STRI35, STRI65, S4R5, S8R5, S9R5, SAXA | S8R, S8RT |
| Grid Size (mm) | 2 | 4 | 6 |
|---|---|---|---|
| Wrinkle height at the center of the sheet (mm) | 4.387 | 4.377 | 4.336 |
© 2020 by the authors. Licensee MDPI, Basel, Switzerland. This article is an open access article distributed under the terms and conditions of the Creative Commons Attribution (CC BY) license (http://creativecommons.org/licenses/by/4.0/).
Share and Cite
Cai, G.; Fu, J.; Zhang, D.; Yang, J.; Yuan, Y.; Lang, L.; Alexandrov, S. A Novel Approach to Predict Wrinkling of Aluminum Alloy During Warm/Hot Sheet Hydroforming Based on an Improved Yoshida Buckling Test. Materials 2020, 13, 1165. https://doi.org/10.3390/ma13051165
Cai G, Fu J, Zhang D, Yang J, Yuan Y, Lang L, Alexandrov S. A Novel Approach to Predict Wrinkling of Aluminum Alloy During Warm/Hot Sheet Hydroforming Based on an Improved Yoshida Buckling Test. Materials. 2020; 13(5):1165. https://doi.org/10.3390/ma13051165
Chicago/Turabian StyleCai, Gaoshen, Jubo Fu, Dongxing Zhang, Jinlin Yang, Yongfeng Yuan, Lihui Lang, and Sergei Alexandrov. 2020. "A Novel Approach to Predict Wrinkling of Aluminum Alloy During Warm/Hot Sheet Hydroforming Based on an Improved Yoshida Buckling Test" Materials 13, no. 5: 1165. https://doi.org/10.3390/ma13051165
APA StyleCai, G., Fu, J., Zhang, D., Yang, J., Yuan, Y., Lang, L., & Alexandrov, S. (2020). A Novel Approach to Predict Wrinkling of Aluminum Alloy During Warm/Hot Sheet Hydroforming Based on an Improved Yoshida Buckling Test. Materials, 13(5), 1165. https://doi.org/10.3390/ma13051165

