Dimensional Analysis of Workpieces Machined Using Prototype Machine Tool Integrating 3D Scanning, Milling and Shaped Grinding
Abstract
1. Introduction
- DMG MORI CTX gamma 2000 TC;
- DMG MORI LASERTEC 65 3D;
- Doosan PUMA SMX3100L.
- X11 Powered Electrospindle;
- Broaching Toolholder;
- Driven Gear Hobber;
- Laser cutting device for turret lathes.
- laser head;
- PLC controller for numerical control;
- a device for automatically picking up and depositing the laser head into a dedicated warehouse mounted near the CNC lathe spindle.
2. Materials and Methods
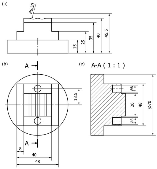
2.1. Dedicated Test Piece
2.2. Prototype Machine Tool Integrating 3D Scanning, Milling, and Shaped Grinding
- generation of G-codes for the CNC machine to perform the spatial scanning process;
- editing of 3D model geometry;
- saving of the scanned geometry of the model in the formats *.stl, *.dxf and *.bmp.
2.3. Machining Center for Making Elements and Verification of Dimensional and Shape Accuracy
2.4. Workpiece Material
2.5. Machining Parameters and CAM Machining Program
- face planning (face);
- 2D roughing of the selected flat surface (adaptive);
- 2D finishing milling of the selected contour (contour);
- opening milling (bore);
- finishing 3D profile milling (parallel).
- HAAS pre-NGC—for the HAAS VF-2 milling center;
- Mach3Mill—for a prototype machine tool integrating 3D scanning, milling, and smoothing of contoured surfaces.
2.6. Measurement Systems
3. Results and Discussion
4. Conclusions
- The use of Mach 3 program as a control system and CNC LPT Mach3 controller made it possible to integrate all elements of the machine tool and allowed to carry out 3D scanning, milling, and smoothing of shaped surfaces on one machine tool.
- The shape of the developed test piece made it possible to assess both the accuracy of dimensions and shape of flat, cylindrical and shaped surfaces as well as surface texture using a multicriteria approach.
- Results of the comparative analysis of variance by the ANOVA method of the influence of machining method on the geometric accuracy of the test pieces showed that, in four cases out of six, evaluated features (flatness deviation: p = 0.076764, vertical parallelism deviation: p = 0.737167, opening dimensions deviation: p = 0.510757, and opening cylindricality deviation: p = 0.197715) showed no statistically significant differences.
- The same analysis showed a statistically significant influence of the applied machine tool on a dimensional deviation between flat surfaces (p = 0.010467) and horizontal parallelism deviation (p = 0.0).
- ANOVA also indicated a statistically significant influence of the applied machine tool on the quality of the machined surface defined by four surface texture parameters: Ra (p = 0.831797), Rt (p = 0.759636), Rq (p = 0.867222), and Rz (p = 0.651896).
- Analyses of the significance of the influence of the applied machine tool on the value of particular parameters allowed us to determine the areas of compatibility of results obtained using both compared machines.
- The demonstrated nonconformities result from insufficient rigidity of the prototype machine tool’s gantry construction as well as from the type of bearings used in the kinematic system (in at least one of the working axes of the machine).
- To increase the dimensional and shape accuracy of elements made with the use of the prototype machine tool, it is necessary to stiffen its structure and change the type of bearings in the kinematic system of the machine tool.
- The carried out research allowed us to define the strengths and weaknesses of the prototype machine tool integrating 3D scanning, milling, and shaped grinding, which will lead to the elimination of the detected imperfections and further analysis of technological strategies and possible benefits of integrating machining operations.
Author Contributions
Funding
Acknowledgments
Conflicts of Interest
Nomenclature
| ACT | Abrasive Computer Tomography |
| ANOVA | Analysis of Variance |
| CAD | Computer-Aided Design |
| CAM | Computer-Aided Manufacturing |
| CNC | Computerized Numerical Control |
| LDS | Laser Displacement Sensor |
| NC | Numerical Control |
| SLS | Slit Laser Scanner |
| n | Number of repetitions |
| p | Probability |
| Ra | Arithmetical mean deviation of the roughness profile, μm |
| Rq | Root-mean-square deviation of the roughness profile, μm |
| Rt | Total height of the profile within a sampling length, μm |
| Rz | Maximum height of the profile within a sampling length, μm |
| E | Modulus of elasticity, MPa |
| G | Shear modulus, MPa |
| α | Confidence level |
References
- Yang, Y.; Zhang, W.H.; Wan, M. Effect of cutter runout on process geometry and forces in peripheral milling of curved surfaces with variable curvature. Int. J. Mach. Tools Manuf. 2011, 51, 420–427. [Google Scholar] [CrossRef]
- Yang, Y.; Wan, M.; Zhang, W.H.; Li, Y. Chip thickness analysis in peripheral milling of curved surfaces with variable curvature considering cutter runout. Mater. Sci. Forum 2012, 697, 75–79. [Google Scholar] [CrossRef]
- Yang, Y.; Zhang, W.H.; Ma, Y.C.; Wan, M. Chatter prediction for the peripheral milling of thin-walled workpieces with curved surfaces. Int. J. Mach. Tools Manuf. 2016, 109, 36–48. [Google Scholar] [CrossRef]
- Bradley, C.; Vickers, G.W.; Tlusty, J. Automated rapid prototyping utilizing laser scanning and free-form machining. CIRP Ann. Manuf. Technol. 1992, 41, 437–440. [Google Scholar] [CrossRef]
- Liu, H.B.; Wang, Y.Q.; Jia, Z.Y.; Guo, D.M. Integration strategy of on-machine measurement (OMM) and numerical control (NC) machining for the large thin-walled parts with surface correlative constraint. Int. J. Adv. Manuf. Tech. 2015, 80, 1721–1731. [Google Scholar] [CrossRef]
- Wu, Z.H.; Zhou, Q.K.; Fan, D.P.; Zhu, J.N.; Wang, J.M. Fast surface construction and NC milling based on 3D scanning. Key Eng. Mater. 2014, 579, 598–602. [Google Scholar] [CrossRef]
- Galantucci, L.M.; Piperi, E.; Lavecchia, F.; Zhavo, A. Semi-automatic low cost 3D laser scanning systems for reverse engineering. Procedia CIRP 2015, 28, 94–99. [Google Scholar] [CrossRef]
- Chang, C.C.; Lee, M.Y.; Wang, S.H. Digital denture manufacturing—An integrated technologies of abrasive computer tomography, CNC machining and rapid prototyping. Int. J. Adv. Manuf. Tech. 2006, 31, 41–49. [Google Scholar] [CrossRef]
- Milde, J.; Morovič, L. The use of 3D scanning and 5-axis machining in design and fabrication of dental bridge. Appl. Mech. Mater. 2016, 834, 28–33. [Google Scholar] [CrossRef]
- Bleicher, F.; Brier, J.; Siller, A. Simultaneous machining of a material combination with an internally and externally cooled cutting insert. Procedia CIRP 2016, 46, 15–18. [Google Scholar] [CrossRef]
- Seidel, A.; Finaske, T.; Straubel, A.; Wendrock, H.; Maiwald, T.; Riede, M.; Lopez, E.; Brueckner, F.; Leyens, C. Additive manufacturing of powdery Ni-based superalloys Mar-M-247 and CM 247 LC in hybrid laser metal deposition. Metall. Mater. Trans. A Phys. Metall. Mater. Sci. 2018, 49, 3812–3830. [Google Scholar] [CrossRef]
- Bennett, J.; Garcia, D.; Kendrick, M.; Hartman, T.; Hyatt, G.; Ehmann, K.; You, F.; Cao, J. Repairing automotive dies with directed energy Deposition: Industrial application and life cycle analysis. J. Manuf. Sci. E-T ASME 2019, 141, 021019. [Google Scholar] [CrossRef]
- Kledwig, C.; Perfahl, H.; Reisacher, M.; Brückner, F.; Bliedtner, J.; Leyens, C. Analysis of melt pool characteristics and process parameters using a coaxial monitoring system during directed energy deposition in additive manufacturing. Materials 2019, 12, 308. [Google Scholar] [CrossRef] [PubMed]
- Soshi, M.; Odum, K.; Li, G. Investigation of novel trochoidal tool path strategies for productive and efficient directed energy deposition processes. CIRP Ann. Manuf. Technol. 2019, 68, 241–244. [Google Scholar] [CrossRef]
- Soshi, M.; Yau, C.; Kusama, R. Development and evaluation of a dynamic powder splitting system for the directed energy deposition (DED) process. CIRP Ann. Manuf. Technol. 2020, 69, 341–344. [Google Scholar] [CrossRef]
- Mikolajczyk, T.; Pimenov, D.Y.; Pruncu, C.I.; Patra, K.; Latos, H.; Krolczyk, G.; Mia, M.; Klodowski, A.; Gupta, M.K. Obtaining various shapes of machined surface using a tool with a multi-insert cutting edge. Appl. Sci. 2019, 9, 880. [Google Scholar] [CrossRef]
- Sun, J.; Zhong, G. The design of a bidirectional parallel multifunctional interface card based on Mach3 5-axes CNC software. Manuf. Tech. Mach. Tool 2012, 11, 40. [Google Scholar]
- Xiuxia, L. The design of five-axis CNC test-bed based on MACH3 control system. Mech. Eng. 2013, 4, 73. [Google Scholar]
- Sinlah, A.; Handayani, D.; Voigt, R.C.; Hayrynen, K.; M’Saoubi, R.; Saldana, C. Effects of microstructure and strength on wear performance in rough milling of austempered ductile iron. Int. J. Cast Met. Res. 2016, 29, 62–67. [Google Scholar] [CrossRef]
- Cai, Y.; Starly, B.; Cohen, P.; Lee, Y.S. Sensor data and information fusion to construct digital-twins virtual machine tools for cyber-physical manufacturing. Procedia Manuf. 2017, 10, 1031–1042. [Google Scholar] [CrossRef]
- Limón-Molina, G.M.; González-Ángeles, Á.; Nuño-Moreno, V.; Luna-Sandoval, G. Proposes to enable a CNC mill from 3 axes to 5 axes synchronized. Int. J. Interact. Des. Manuf. 2018, 12, 145–150. [Google Scholar] [CrossRef]
- Ma, Y.J.; Nie, W.Z.; Lu, J.M.; Chen, H. Study on surface quality of BK7 optical glass by longitudinal torsional composite ultrasonic vibration milling. Mater. Sci. Forum 2020, 984, 51–57. [Google Scholar] [CrossRef]
- Azim, S.; Noor, S.; Khalid, Q.S.; Khan, A.M.; Pimenov, D.Y.; Ahmad, I.; Babar, A.R.; Pruncu, C.I. Sustainable manufacturing and parametric analysis of mild steel grade 60 by deploying CNC milling machine and Taguchi method. Metals 2020, 10, 1303. [Google Scholar] [CrossRef]
- Tank, K.; Shetty, N.; Panchal, G.; Tukrel, A. Optimization of turning parameters for the finest surface roughness characteristics using desirability function analysis coupled with fuzzy methodology and ANOVA. Mater. Today 2018, 5, 13015–13024. [Google Scholar] [CrossRef]
- Köklü, U.; Mayda, M.; Morkavuk, S.; Avcı, A.; Demir, O. Optimization and prediction of thrust force, vibration and delamination in drilling of functionally graded composite using Taguchi, ANOVA and ANN analysis. Mater. Res. Express 2019, 6, 085335. [Google Scholar] [CrossRef]
- Kumar, M.B.; Sathiya, P.; Parameshwaran, R. Parameters Optimization for end milling of Al7075–ZrO 2–C metal matrix composites using GRA and ANOVA. Trans. Indian Inst. Met. 2020, 73, 2931–2946. [Google Scholar] [CrossRef]
- Palaniappan, S.P.; Muthukumar, K.; Sabariraj, R.V.; Kumar, S.D.; Sathish, T. CNC turning process parameters optimization on Aluminium 6082 alloy by using Taguchi and ANOVA. Mater. Today 2020, 21, 1013–1021. [Google Scholar] [CrossRef]
- Nadolny, K.; Kapłonek, W. Analysis of flatness deviations for austenitic stainless steel workpieces after efficient surface machining. Meas. Sci. Rev. 2014, 14, 204–212. [Google Scholar] [CrossRef]
- Pimenov, D.Y.; Guzeev, V.I.; Krolczyk, G.; Mia, M.; Wojciechowski, S. Modeling flatness deviation in face milling considering angular movement of the machine tool system components and tool flank wear. Precis. Eng. 2018, 54, 327–337. [Google Scholar] [CrossRef]







| Integrated Methods | Area of Application | Author(s) | Reference |
|---|---|---|---|
| 3D scanning (triangulation) + CNC machining (milling) | Free-form surfaces and quadric surfaces | Bradley et al. (1992) | [4] |
| 3D scanning (LDS) + NC machining | Aerospace industry, large thin-walled parts | Liu et al. (2015) | [5] |
| 3D scanning + CNC machining (milling) | Small-engineering parts | Wu et al. (2014) | [6] |
| 3D scanning (SLS) + CNC machining (milling) | Galantucci et al. (2015) | [7] | |
| 3D scanning (ACT) + CNC machining (milling) | Orthodontics, orthodontic denture | Chang et al. (2006) | [8] |
| 3D scanning (triangulation) + CNC machining (milling) | Dentistry, dental restorations | Milde and Morovič (2016) | [9] |
| Hardness | 110 HB |
| Solidification temperature | 510 °C |
| Pour point | 645 °C |
| Density | 2.79 g/cm3 |
| Poisson number | 0.33 |
| Thermal expansion coefficient | 22.9 μm/mK |
| Specific heat | 873 J/kgK |
| Specific resistance | 51 nWm |
| Conductivity | 34% IACS (International Annealed Copper Standard) |
| Thermal conductivity | 134 W/mK |
| Shear modulus G | 27,200 MPa |
| Modulus of elasticity E | 72,500 MPa |
| Technological Operations | Tool | Parameters | |
|---|---|---|---|
| Feed Speed, mm/min | Spindle Speed, rpm | ||
| Face planning | MM06.55.3.AL | 600 | 8000 |
| 2D roughing of the selected flat surface | MM06.55.3.AL | 600 | 8000 |
| 2D finishing milling of the selected contour | MM06.55.3.AL | 600 | 8000 |
| Opening milling | MM06.55.3.AL | 600 | 8000 |
| Finishing 3D profile milling | MM06.55.2.R3.Al | 240 | 6000 |
| Grinding (smoothing) | Compressed nonwoven disc, 3M XL-DR, diameter 75 mm, granulation 2S FIN | 50 | 8000 |
| Analyzed Feature | Sum of Squares of Effects SS | Degrees of Freedom | Number of Degrees of Effects MS | F Test Value | Probability Level p | Is the Machining Method Significant? | |
|---|---|---|---|---|---|---|---|
| Flatness deviation | Free term | 0.045138 | 1 | 0.045138 | 348.1856 | 0.000000 | Yes |
| Flatness | 0.003126 | 10 | 0.000313 | 2.4115 | 0.021973 | Yes | |
| Method | 0.002698 | 1 | 0.002698 | 20.8139 | 0.000040 | Yes | |
| Flatness × Method | 0.002418 | 10 | 0.000242 | 1.8653 | 0.076764 | No | |
| Error | 0.005704 | 44 | 0.000130 | – | – | – | |
| Dimensional deviation between flat surfaces | Free term | 0.002203 | 1 | 0.002203 | 4.26330 | 0.042760 | Yes |
| Dimensions | 0.059508 | 16 | 0.003719 | 7.19858 | 0.000000 | Yes | |
| Method | 0.016063 | 1 | 0.016063 | 31.08918 | 0.000000 | Yes | |
| Dimensions × Method | 0.073535 | 16 | 0.004596 | 8.89535 | 0.000000 | Yes | |
| Error | 0.035133 | 68 | 0.000517 | – | – | – | |
| Horizontal parallelism deviation | Free term | 0.091963 | 1 | 0.091963 | 580.0884 | 0.000000 | Yes |
| Horizontal parallelism | 0.003789 | 9 | 0.000421 | 2.6559 | 0.016255 | Yes | |
| Method | 0.026924 | 1 | 0.026924 | 169.8319 | 0.000000 | Yes | |
| Horizontal parallelism × Method | 0.004089 | 9 | 0.000454 | 2.8657 | 0.010467 | Yes | |
| Error | 0.006341 | 40 | 0.000159 | – | – | – | |
| Vertical parallelism deviation | Free term | 0.837260 | 1 | 0.837260 | 157.6767 | 0.000000 | Yes |
| Vertical parallelism | 0.156567 | 6 | 0.026095 | 4.9142 | 0.001515 | Yes | |
| Method | 0.003155 | 1 | 0.003155 | 0.5941 | 0.447293 | No | |
| Vertical parallelism × Method | 0.018725 | 6 | 0.003121 | 0.5877 | 0.737167 | No | |
| Error | 0.148679 | 28 | 0.005310 | – | – | – | |
| Opening dimensions deviation | Free term | 0.010561 | 1 | 0.010561 | 104.2237 | 0.000007 | Yes |
| Opening dimensions | 0.000003 | 1 | 0.000003 | 0.0296 | 0.867662 | No | |
| Method | 0.000147 | 1 | 0.000147 | 1.4507 | 0.262843 | No | |
| Opening dimensions × Method | 0.000048 | 1 | 0.000048 | 0.4737 | 0.510757 | No | |
| Error | 0.000811 | 8 | 0.000101 | – | – | – | |
| Opening cylindricality deviation | Free term | 0.000784 | 1 | 0.000784 | 19.32033 | 0.002301 | Yes |
| Opening cylindricality | 0.000044 | 1 | 0.000044 | 1.08624 | 0.327775 | No | |
| Method | 0.000140 | 1 | 0.000140 | 3.45175 | 0.100255 | No | |
| Opening cylindrica-lity × Method | 0.000080 | 1 | 0.000080 | 1.97331 | 0.197715 | No | |
| Error | 0.000325 | 8 | 0.000041 | – | – | – | |
| Analyzed Feature | Sum of Squares of Effects SS | Degrees of Freedom | Number of Degrees of Effects MS | F Test Value | Probability Level p | Is the Machining Method Significant? | |
|---|---|---|---|---|---|---|---|
| Arithmetical mean deviation of the roughness profile Ra | Free term | 0.352800 | 1 | 0.352800 | 242.3817 | 0.000000 | Yes |
| Ra | 0.000233 | 2 | 0.000117 | 0.0802 | 0.923465 | Yes | |
| Method | 0.128356 | 1 | 0.128356 | 88.1832 | 0.000001 | Yes | |
| Ra × Method | 0.000544 | 2 | 0.000272 | 0.1870 | 0.831797 | Yes | |
| Error | 0.017467 | 12 | 0.001456 | – | – | – | |
| Total height of the profile within a sampling length Rt | Free term | 20.90889 | 1 | 20.90889 | 181.7901 | 0.000000 | Yes |
| Rt | 0.02431 | 2 | 0.01216 | 0.1057 | 0.900536 | Yes | |
| Method | 5.89389 | 1 | 5.89389 | 51.2438 | 0.000012 | Yes | |
| Rt × Method | 0.06471 | 2 | 0.03236 | 0.2813 | 0.759636 | Yes | |
| Error | 1.38020 | 12 | 0.11502 | – | – | – | |
| Root mean square deviation of the roughness profile Rq | Free term | 0.590422 | 1 | 0.590422 | 243.1945 | 0.000000 | Yes |
| Rq | 0.000544 | 2 | 0.000272 | 0.1121 | 0.894855 | Yes | |
| Method | 0.204800 | 1 | 0.204800 | 84.3570 | 0.000001 | Yes | |
| Rq × Method | 0.000700 | 2 | 0.000350 | 0.1442 | 0.867222 | Yes | |
| Error | 0.029133 | 12 | 0.002428 | – | – | – | |
| Maximum height of the profile within a sampling length Rz | Free term | 11.09205 | 1 | 11.09205 | 205.4929 | 0.000000 | Yes |
| Rz | 0.01743 | 2 | 0.00872 | 0.1615 | 0.852697 | Yes | |
| Method | 3.33681 | 1 | 3.33681 | 61.8181 | 0.000004 | Yes | |
| Rz × Method | 0.04788 | 2 | 0.02394 | 0.4435 | 0.651896 | Yes | |
| Error | 0.64773 | 12 | 0.05398 | – | – | – | |
Publisher’s Note: MDPI stays neutral with regard to jurisdictional claims in published maps and institutional affiliations. |
© 2020 by the authors. Licensee MDPI, Basel, Switzerland. This article is an open access article distributed under the terms and conditions of the Creative Commons Attribution (CC BY) license (http://creativecommons.org/licenses/by/4.0/).
Share and Cite
Jaskólski, P.; Nadolny, K.; Kukiełka, K.; Kapłonek, W.; Pimenov, D.Y.; Sharma, S. Dimensional Analysis of Workpieces Machined Using Prototype Machine Tool Integrating 3D Scanning, Milling and Shaped Grinding. Materials 2020, 13, 5663. https://doi.org/10.3390/ma13245663
Jaskólski P, Nadolny K, Kukiełka K, Kapłonek W, Pimenov DY, Sharma S. Dimensional Analysis of Workpieces Machined Using Prototype Machine Tool Integrating 3D Scanning, Milling and Shaped Grinding. Materials. 2020; 13(24):5663. https://doi.org/10.3390/ma13245663
Chicago/Turabian StyleJaskólski, Piotr, Krzysztof Nadolny, Krzysztof Kukiełka, Wojciech Kapłonek, Danil Yurievich Pimenov, and Shubham Sharma. 2020. "Dimensional Analysis of Workpieces Machined Using Prototype Machine Tool Integrating 3D Scanning, Milling and Shaped Grinding" Materials 13, no. 24: 5663. https://doi.org/10.3390/ma13245663
APA StyleJaskólski, P., Nadolny, K., Kukiełka, K., Kapłonek, W., Pimenov, D. Y., & Sharma, S. (2020). Dimensional Analysis of Workpieces Machined Using Prototype Machine Tool Integrating 3D Scanning, Milling and Shaped Grinding. Materials, 13(24), 5663. https://doi.org/10.3390/ma13245663

