Tensile Notch Sensitivity of Additively Manufactured IN 625 Superalloy
Abstract
1. Introduction
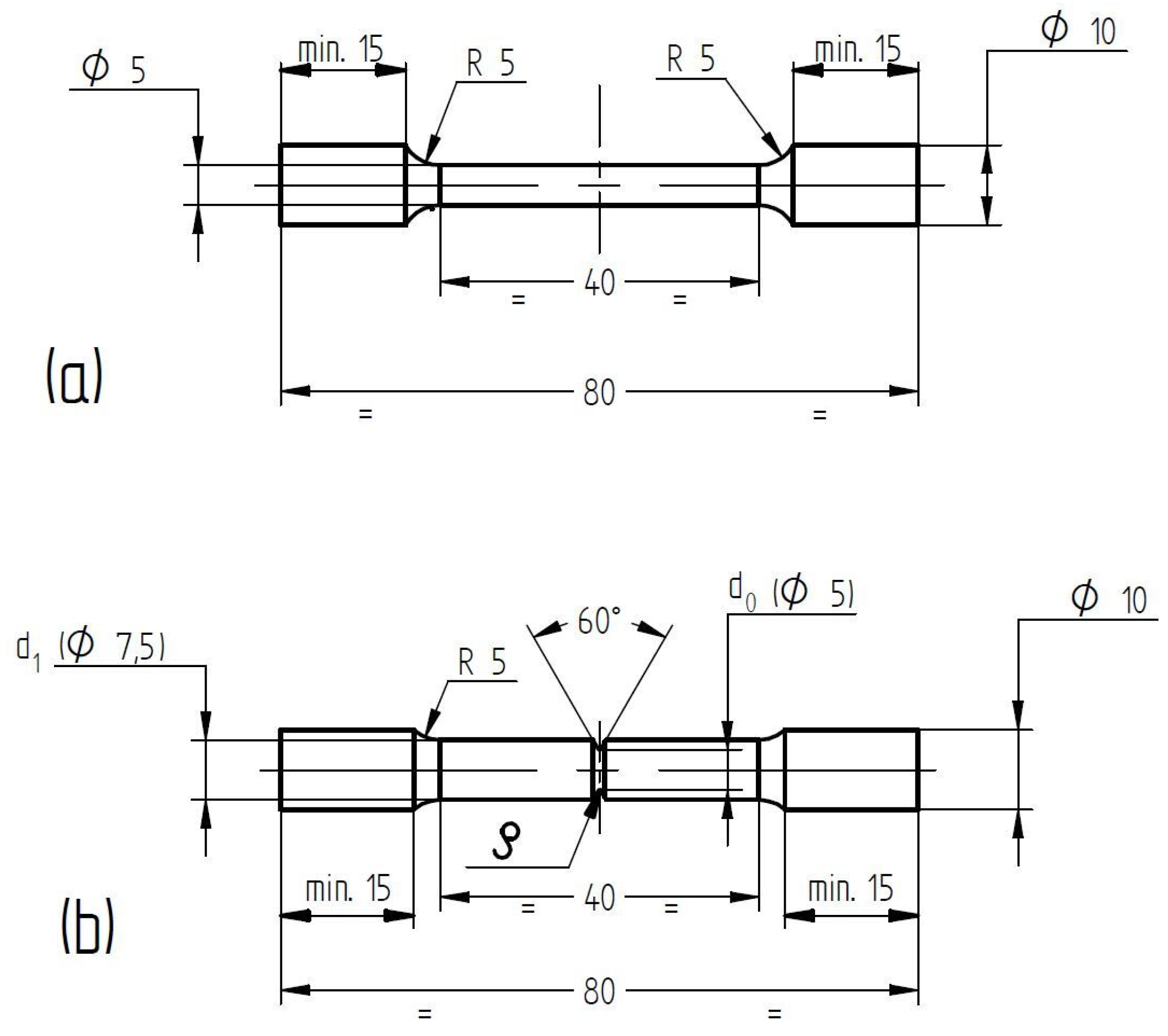
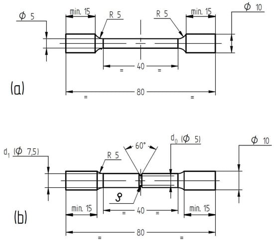
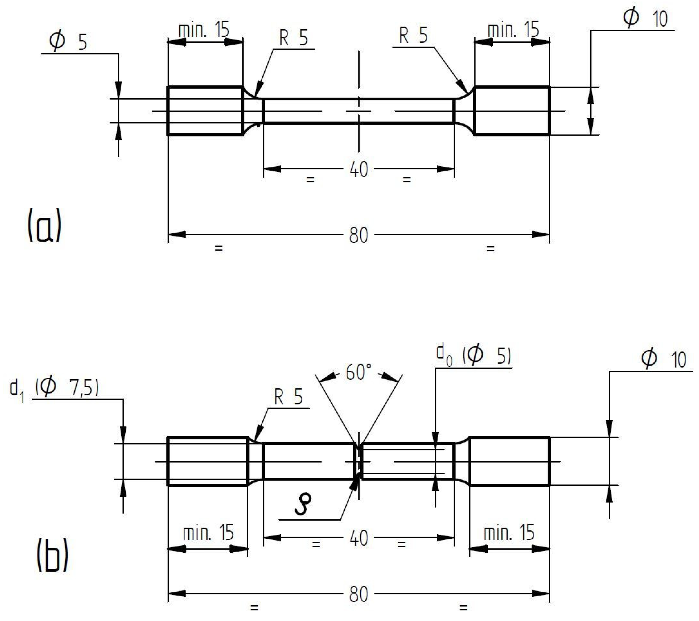
2. Materials and Methods
3. Results and Discussion
3.1. Notch Sensitivity
3.2. Stress Triaxiality
3.3. Microstructure
3.4. Fractographic Investigation
4. Conclusions
Author Contributions
Funding
Acknowledgments
Conflicts of Interest
Appendix A
| No. | Notch Root Radius ρ, mm | Cylindrical Diameter d1, mm | Initial Diameter d0, mm | Diameter at Fracture d0f, mm | Tensile Strength Rm, MPa | Proof Strength Rp0.2, MPa |
|---|---|---|---|---|---|---|
| 1 | 0.05 | 7.448 | 5.280 | 5.080 | 1286 | 1164 |
| 2 | 0.06 | 7.520 | 5.240 | 4.958 | 1290 | 1170 |
| 3 | 0.16 | 7.510 | 5.297 | 5.000 | 1265 | 1134 |
| 4 | 0.15 | 7.515 | 5.284 | 5.028 | 1290 | 1170 |
| 5 | 0.32 | 7.480 | 5.118 | 4.885 | 1294 | 1153 |
| 6 | 0.33 | 7.500 | 5.109 | 4.963 | 1325 | 1187 |
| 7 | 0.65 | 7.490 | 5.217 | 4.790 | 1295 | 1116 |
| 8 | 0.65 | 7.520 | 5.210 | 4.909 | 1297 | 1136 |
| 9 | 5.010 | 5.010 | 4.373 | 864 | 681 |
| No. | Notch Root Radius ρ, mm | Cylindrical Diameter d1, mm | Initial Diameter d0, mm | Diameter at Fracture d0f, mm | Tensile Strength Rm, MPa | Proof Strength Rp0.2, MPa |
|---|---|---|---|---|---|---|
| 1 | 0.05 | 7.515 | 5.205 | 4.895 | 1165 | 1003 |
| 2 | 0.05 | 7.501 | 5.192 | 4.972 | 1175 | 1010 |
| 3 | 0.17 | 7.512 | 5.260 | 4.908 | 1139 | 996 |
| 4 | 0.17 | 7.525 | 5.268 | 4.984 | 1163 | 1004 |
| 5 | 0.32 | 7.500 | 5.169 | 4.857 | 1198 | 1005 |
| 6 | 0.32 | 7.520 | 5.174 | 4.862 | 1189 | 1007 |
| 7 | 0.68 | 7.514 | 5.153 | 4.797 | 1172 | 967 |
| 8 | 0.68 | 7.502 | 5.140 | 4.835 | 1206 | 983 |
| 9 | 5.017 | 5.017 | 3.982 | 824 | 583 |
Appendix B
| α = 0.05 | |||||
|---|---|---|---|---|---|
| Kt | Rm | Sum | Average | Variance | |
| As-Built | Stress-Relieved | ||||
| 10.31235738 | 1286 | 1164.7 | 2450.7 | 1225.35 | 7356.845 |
| 9.717797887 | 1290 | 1175.01 | 2465.01 | 1232.505 | 6611.35 |
| 6.259515187 | 1265 | 1139.39 | 2404.39 | 1202.195 | 7888.936 |
| 6.454050483 | 1290 | 1163.23 | 2453.23 | 1226.615 | 8035.316 |
| 4.842199891 | 1294 | 1197.94 | 2491.94 | 1245.97 | 4613.762 |
| 4.806692671 | 1325 | 1188.8 | 2513.8 | 1256.9 | 9275.22 |
| 3.644588088 | 1295 | 1172.41 | 2467.41 | 1233.705 | 7514.154 |
| 3.666025564 | 1297 | 1205.94 | 2502.94 | 1251.47 | 4145.962 |
| As-built | 10.342 | 1292.75 | 270.7857 | ||
| Stress-relieved | 9407.42 | 1175.928 | 455.2126 | ||
| Source of Variation | Sum of Squares (SS) | Degrees of Freedom (df) | (Mean Squares) MS | F-Ratio (F) | Probability Value (p-Value) | F Critical | SS% |
|---|---|---|---|---|---|---|---|
| Rows | 4230.429 | 7 | 604.347 | 4.967863 | 0.025356 | 3.787044 | 7.089474 |
| Columns | 54,589.99 | 1 | 54,589.99 | 448.7415 | 1.31 × 10−7 | 5.591448 | 91.48346 |
| Error | 851.5592 | 7 | 121.6513 | 1.427067 | |||
| Total | 59,671.97 | 15 |
| Source of Variation | Sum of Squares (SS) | Degrees of Freedom (df) | (Mean Squares) MS | F-Ratio (F) | Probability Value (p-Value) | F Critical | SS% |
|---|---|---|---|---|---|---|---|
| Between Groups | 54,589.99 | 1 | 54,589.99 | 150.386 | 7.08 × 10−9 | 4.60011 | 91.48346 |
| Within Groups | 5081.988 | 14 | 362.9992 | ||||
| Total | 59,671.97 | 15 |
| Kt Gropus | Rm Sum (As-Built + Stress-Relieved) | Average | Variance |
|---|---|---|---|
| 3–5 | 9976.09 | 1247.011 | 3734.388 |
| 5–7 | 4857.62 | 1214.405 | 5506.863 |
| 7–9 | 0 | 0 | 0 |
| 9–11 | 4915.71 | 1228.928 | 4673.13 |
| Source of Variation | Sum of Squares (SS) | Degrees of Freedom (df) | (Mean Squares) MS | F-Ratio (F) | Probability Value (p-Value) | F Critical |
|---|---|---|---|---|---|---|
| Between Groups | 2991.282 | 3 | 997.094 | 0.211097 | 0.886778 | 3.490295 |
| Within Groups | 56,680.69 | 12 | 4723.391 | |||
| Total | 59,671.97 | 15 |
| Groups | Sum | Average | Variance | ||||
|---|---|---|---|---|---|---|---|
| Kt | 49.70323 | 6.212903 | 6.584174 | ||||
| Rm As-built | 10,342 | 1292.75 | 270.7857 | ||||
| Source of Variation | Sum of Squares (SS) | Degrees of Freedom (df) | (Mean Squares) MS | F-ratio (F) | Probability Value (p-value) | F Critical | SS% |
| Between Groups | 6,620,711 | 1 | 6,620,711 | 47,739.22 | 3.9 × 10−26 | 4.60011 | 99.97068 |
| Within Groups | 1941.589 | 14 | 138.6849 | ||||
| Total | 6,622,652 | 15 |
| Groups | Sum | Average | Variance | ||||
|---|---|---|---|---|---|---|---|
| Kt | 49.70323 | 6.212903 | 6.584174 | ||||
| Rm Stress-relieved | 9407.42 | 1,175,928 | 455.2126 | ||||
| Source of Variation | Sum of Squares (SS) | Degrees of Freedom (df) | (Mean Squares) MS | F-Ratio (F) | Probability Value (p-value) | F Critical | SS% |
| Between Groups | 5,472,929 | 1 | 5,472,929 | 23,702.76 | 5.23 × 10−24 | 4.60011 | 99.94097 |
| Within Groups | 3,232,578 | 14 | 230.8984 | ||||
| Total | 5,476,162 | 15 |
| Kt | As-Built | |
|---|---|---|
| Kt | 1 | |
| As-built | −0.34825 | 1 |
| Kt | Stress-relieved | |
| Kt | 1 | |
| Stress-relieved | −0.44278 | 1 |
References
- Qu, R.; Zhang, P.; Zhang, Z. Notch Effect of Materials: Strengthening or Weakening? J. Mater. Sci. Technol. 2014, 30, 599–608. [Google Scholar] [CrossRef]
- Lei, X.; Li, C.; Shi, X.; Xu, X.; Wei, Y. Notch strengthening or weakening governed by transition of shear failure to normal mode fracture. Sci. Rep. 2015, 5, 1–10. [Google Scholar] [CrossRef] [PubMed]
- Hertzberg, R.W. Deformation and Fracture Mechanics of Engineering Materials, 4th ed.; John Wiley & Sons: Chichester, UK, 1996; pp. 274–275. [Google Scholar]
- Budynas, R.C.; Nisbett, J.K. Shigley’s Mechanical Engineering Design, 9th ed.; McGraw-Hill Education: Singapore, 2011; pp. 110–113. [Google Scholar]
- Atzori, B.; Zappalorto, M.; Berto, F. A theoretical treatise for notch and defect sensitivity under torsion. Mech. Res. Commun. 2010, 37, 173–176. [Google Scholar] [CrossRef]
- Sapora, A.; Cornetti, P.; Campagnolo, A.; Meneghetti, G. Fatigue limit: Crack and notch sensitivity by Finite Fracture Mechanics. Theor. Appl. Fract. Mech. 2020, 105, 1–6. [Google Scholar] [CrossRef]
- Hu, X.; Zhao, G.; Yang, X.; Shi, D. Finite element analysis and life modeling of a notched superalloy under thermal mechanical fatigue loading. Int. J. Press. Vessel. Pip. 2018, 165, 51–58. [Google Scholar] [CrossRef]
- Fan, J.; Chen, X.; Wang, D.; Li, S.; Zhao, Y. Infrared thermographic analysis of notch effects on tensile behavior of 30CrMnSiA steel. Infrared Phys. Technol. 2019, 101, 110–118. [Google Scholar] [CrossRef]
- Santus, C.; Taylor, D.; Benedetti, M. Experimental determination and sensitivity analysis of the fatigue critical distance obtained with rounded V-notched specimens. Int. J. Fatigue 2018, 11, 113–125. [Google Scholar] [CrossRef]
- Sajadifar, S.V.; Wegener, T.; Yapici, G.G.; Niendrof, T. Effect of Grain Size on the Very High Cycle Fatigue Behavior and Notch Sensitivity of Titanium. Theor. Appl. Fract. Mech. 2019, 104, 1–7. [Google Scholar] [CrossRef]
- Cai, D.; Zhang, W.; Nie, P.; Liu, W.; Yao, M. Dissolution kinetics of δ phase and its influence on the notch sensitivity of Inconel 718. Mater. Charact. 2007, 58, 220–225. [Google Scholar] [CrossRef]
- Chapetti, M.D.; Guerrero, A.O. Estimation of notch sensitivity and size effect on fatigue resistance. Procedia Eng. 2013, 66, 323–333. [Google Scholar] [CrossRef]
- Telesman, J.; Gabb, T.P.; Ghosn, L.J.; Gayda, J. Effect of notches on creep–fatigue behavior of a P/M nickel-based superalloy. Int. J. Fatigue 2016, 87, 311–325. [Google Scholar] [CrossRef]
- Hsu, H.H.; Wu, Y.C.; Tsay, L.W. Notch brittleness of Ti–15V–3Cr–3Sn–3Al alloys. Mater. Sci. Eng. A 2012, 545, 20–25. [Google Scholar] [CrossRef]
- Owolabi, G.; Okeyoyin, O.; Bamiduro, O.; Olasumboye, A.; Whitworth, H. The effects of notch size and material microstructure on the notch sensitivity factor for notched components. Eng. Fract. Mech. 2015, 145, 181–196. [Google Scholar] [CrossRef]
- Sanyal, G.; Das, A.; Singh, J.B.; Charavartty, J.K. Effect of notch geometry on fracture features. Mater. Sci. Eng. A 2015, 641, 210–214. [Google Scholar] [CrossRef]
- Lorenzino, P.; Navarro, A. Grain size effects on notch sensitivity. Int. J. Fatigue 2015, 70, 205–215. [Google Scholar] [CrossRef]
- Peron, M.; Torgersen, J.; Ferro, P.; Berto, F. Fracture behaviour of notched as-built EBM parts: Characterization and interplay between defects and notch strengthening behaviour. Theor. Appl. Fract. Mech. 2018, 98, 178–185. [Google Scholar] [CrossRef]
- Peron, M.; Torgersen, J.; Berto, P. Rupture Predictions of Notched Ti-6Al-4V Using Local Approaches. Materials 2018, 11, 663. [Google Scholar] [CrossRef]
- Li, N.; Huang, S.; Zhang, G.; Qin, R.; Liu, W.; Xiong, H.; Shi, G.; Blackburn, J. Progress in additive manufacturing on new materials: A review. J. Mater. Sci. Technol. 2019, 35, 242–269. [Google Scholar] [CrossRef]
- Murr, L.E. Frontiers of 3D Printing/Additive Manufacturing: From Human Organs to Aircraft Fabrication. J. Mater. Sci. Technol. 2016, 32, 987–995. [Google Scholar] [CrossRef]
- Shougat, R.; Sabuz, E.H.; Najmul Quader, G.M.; Mahboo, M. Effect of Building Orientation & Post Processing Material on Mechanical Properties of 3D Printed Parts. In Proceedings of the International Conference on Mechanical, Industrial and Energy Engineering, Khulna, Bangladesh, 26–27 December 2016; pp. 160110-1–160110-5. [Google Scholar]
- Hartunian, P.; Eshraghi, M. Effect of Build Orientation on the Microstructure and Mechanical Properties of Selective Laser-Melted Ti-6Al-4V Alloy. J. Manuf. Mater. Process. 2018, 2, 69. [Google Scholar] [CrossRef]
- Simonelli, M.; Tse, Y.Y.; Tuck, C. Effect of the build orientation on the mechanical properties and fracture modes of SLM Ti–6Al–4V. Mater. Sci. Eng. A 2014, 616, 1–11. [Google Scholar] [CrossRef]
- Nicoletto, G. Smooth and notch fatigue behavior of selectively laser melted Inconel 718 with as-built surfaces. Int. J. Fatigue 2019, 128, 105211. [Google Scholar] [CrossRef]
- Razavi, S.M.J.; Ferro, P.; Berto, F.; Torgersen, J. Fatigue strength of blunt V-notched specimens produced by selective laser melting of Ti-6Al-4V. Theor. Appl. Fract. Mech. 2018, 97, 376–384. [Google Scholar] [CrossRef]
- Razavi, S.M.J.; Berto, F. Fatigue strength of notched specimens made of Ti-6Al-4V produced by Selected Laser Melting technique. J. Pro. Str. 2018, 13, 74–78. [Google Scholar] [CrossRef]
- Konecna, R.; Nicoletto, G.; Riva, E. Notch fatigue behavior of Inconel 718 produced by selective laser melting. J. Pro. Str. 2019, 17, 138–145. [Google Scholar]
- Benedetti, M.; Santus, C. Notch fatigue and crack growth resistance of Ti-6Al-4V ELI additively manufactured via selective laser melting: A critical distance approach to defect sensitivity. J. Pro. Str. 2019, 121, 281–292. [Google Scholar] [CrossRef]
- Solberg, K.; Berto, F. Notch-defect interaction in additively manufactured Inconel 718. J. Pro. Str. 2019, 122, 35–45. [Google Scholar] [CrossRef]
- Wu, H.; Zhang, D.; Yang, B.; Chen, C.; Li, Y.; Zhou, K.; Jiang, L.; Liu, R. Microstructural evolution and defect formation in a powder metallurgy nickel based superalloy processed by selective laser melting. J. Mater. Sci. Technol. 2020, 36, 7–17. [Google Scholar] [CrossRef]
- Yan, Q.; Song, B.; Shi, Y. Comparative study of performance comparison of AlSi10Mg alloy prepared by selective laser melting and casting. J. Mater. Sci. Technol. 2020, 41, 199–202. [Google Scholar] [CrossRef]
- Bao, Y.; Wierzbicki, T. On fracture locus in the equivalent strain and stress triaxiality space. Int. J. Mech. Sci. 2004, 46, 81–98. [Google Scholar] [CrossRef]
- Davis, J.R. Tensile Testing, 2nd ed.; Davis, J.R., Ed.; ASM International: Novelty, OH, USA, 2004. [Google Scholar]
- Noda, N.; Takase, Y. Stress concentration formula useful for all notch shape in a round bar (comparison between torsion, tension and bending). J. Pro. Str. 2006, 28, 151–163. [Google Scholar] [CrossRef]
- ASTM F3056 Standard Specification for Additive Manufacturing Nickel Alloy (UNS N06625) with Powder Bed Fusion; ASTM International: Conshohocken, PA, USA, 2014.
- ASTM B443 Standard Specification for Nickel-Chromium-Molybdenum-Columbium Alloy and Nickel-Chromium-Molybdenum-Silicon Alloy Plate, Sheet, and Strip; ASTM International: Conshohocken, PA, USA, 2019.
- Sinha, S.; Komarasamy, M.; Wang, T.; Haridas, R.S.; Agrawal, P.; Shukla, S.; Thapliyal, S.; Frank, M.; Mishra, R.S. Notch-tensile behavior of Al0.1CrFeCoNi high entropy alloy. Mater. Sci. Eng. A 2020, 774, 138918. [Google Scholar] [CrossRef]
- Solberg, K.; Berto, F. The effect of defects and notches in quasi-static and fatigue loading of Inconel 718 specimens produced by selective laser melting. Int. J. Fatigue 2020, 137, 105637. [Google Scholar] [CrossRef]
- Hopperstad, O.S.; Borvik, T.; Langseth, M.; Labibes, K.; Albertini, C. On the Influence of Stress Triaxiality and Strain Rate on the Behaviour of a Structural Steel. Part I. Experiments. Eur. J. Mech. A Solids 2003, 22, 1–13. [Google Scholar] [CrossRef]
- Handcock, J.W.; Mackenzie, A.C. On the mechanisms of ductile failure in high-strength steels subjected to multi-axial stress-states. J. Mech. Phys. Solids 1976, 24, 147–169. [Google Scholar] [CrossRef]
- Wang, J.; Guo, W.; Guo, J.; Wang, Z.; Lu, S. The Effects of Stress Triaxiality, temperature and Strain rate on the Fracture Characteristics of a Nickel-Base Superalloy. J. Mater. Eng. Perform. 2016, 25, 2043–2052. [Google Scholar] [CrossRef]
- Bao, Y. Dependence of ductile crack formation in tensile tests on stress triaxiality, stress and strain ratios. Eng. Fract. Mech. 2005, 72, 505–522. [Google Scholar] [CrossRef]
- Condruz, M.R.; Matache, G.; Paraschiv, A.; Frigioescu, T.F.; Badea, T. Microstructural and tensile properties anisotropy of Selective Laser Melting manufactured IN 625. Materials. under review. [CrossRef]
- Marchese, G.; Lorusso, M.; Parizia, S.; Bassini, E.; Lee, J.W.; Calignano, F.; Manfredi, D.; Terner, M.; Hong, H.K.; Ugues, D.; et al. Influence of heat treatments on microstructure evolution and mechanical properties of Inconel 625 processed by laser powder bed fusion. Mater. Sci. Eng. A. 2018, 729, 64–75. [Google Scholar] [CrossRef]
- Ni, M.; Chen, C.; Wang, X.; Wang, P.; Li, R.; Zhang, X.; Zhou, K. Anisotropic tensile behavior of in situ precipitation strengthened Inconel 718 fabricated by additive manufacturing. Mater. Sci. Eng. A 2017, 701, 344–351. [Google Scholar] [CrossRef]
- Nguejio, J.; Szmytka, F.; Hallais, S.; Tanguy, A.; Nardone, S.; Godino Martinez, M. Comparison of microstructure features and mechanical properties for additive manufactured and wrought nickel alloys 625. Mater. Sci. Eng. A 2019, 764, 138214. [Google Scholar] [CrossRef]
- Brenne, F.; Niendorf, T. Effect of notches on the deformation behavior and damage evolution of additively manufactured 316L specimens under uniaxial quasi-static and cyclic loading. Int. J. Fatigue 2019, 127, 175–189. [Google Scholar] [CrossRef]


















| Element | Al | C | Co | Cr | Fe | Mn | Mo | Nb | Si | Ti | Ni |
|---|---|---|---|---|---|---|---|---|---|---|---|
| Specification | <0.4 | <0.1 | <1.0 | 20–23 | 3–5 | <0.5 | 8–10 | 3.15–4.15 | <0.5 | <0.4 | Bal. |
| Actual composition | 0.06 | 0.02 | 0.1 | 20.7 | 4.1 | 0.01 | 8.9 | 3.77 | 0.01 | 0.07 | Bal. |
| Notch Root Radius, , mm | 0.05 | 0.06 | 0.16 | 0.15 | 0.32 | 0.33 | 0.65 | 0.65 |
|---|---|---|---|---|---|---|---|---|
| Kt | 10.312 | 9.718 | 6.260 | 6.454 | 4.842 | 4.807 | 3.645 | 3.666 |
| NSR | 1.49 | 1.49 | 1.46 | 1.49 | 1.50 | 1.53 | 1.50 | 1.50 |
| Notch Root Radius, , mm | 0.05 | 0.05 | 0.17 | 0.17 | 0.32 | 0.32 | 0.68 | 0.68 |
|---|---|---|---|---|---|---|---|---|
| Kt | 10.612 | 10.61 | 6.102 | 6.123 | 4.811 | 4.853 | 3.631 | 3.634 |
| NSR | 1.41 | 1.43 | 1.38 | 1.41 | 1.45 | 1.44 | 1.42 | 1.46 |
Publisher’s Note: MDPI stays neutral with regard to jurisdictional claims in published maps and institutional affiliations. |
© 2020 by the authors. Licensee MDPI, Basel, Switzerland. This article is an open access article distributed under the terms and conditions of the Creative Commons Attribution (CC BY) license (http://creativecommons.org/licenses/by/4.0/).
Share and Cite
Matache, G.; Paraschiv, A.; Condruz, M.R. Tensile Notch Sensitivity of Additively Manufactured IN 625 Superalloy. Materials 2020, 13, 4859. https://doi.org/10.3390/ma13214859
Matache G, Paraschiv A, Condruz MR. Tensile Notch Sensitivity of Additively Manufactured IN 625 Superalloy. Materials. 2020; 13(21):4859. https://doi.org/10.3390/ma13214859
Chicago/Turabian StyleMatache, Gheorghe, Alexandru Paraschiv, and Mihaela Raluca Condruz. 2020. "Tensile Notch Sensitivity of Additively Manufactured IN 625 Superalloy" Materials 13, no. 21: 4859. https://doi.org/10.3390/ma13214859
APA StyleMatache, G., Paraschiv, A., & Condruz, M. R. (2020). Tensile Notch Sensitivity of Additively Manufactured IN 625 Superalloy. Materials, 13(21), 4859. https://doi.org/10.3390/ma13214859

