Strengthening the Structural Behavior of Web Openings in RC Deep Beam Using CFRP
Abstract
1. Introduction
2. Experimental Program
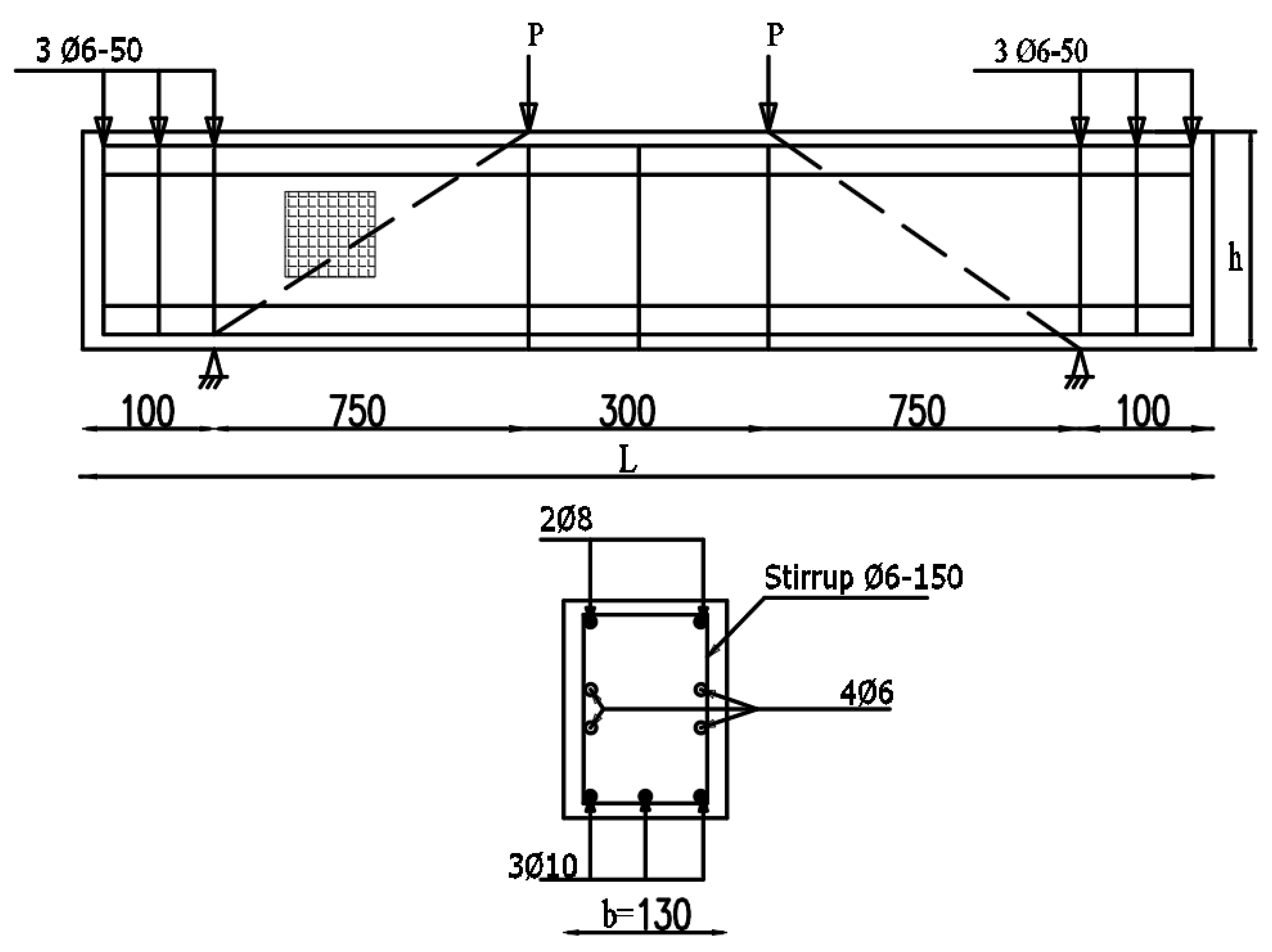
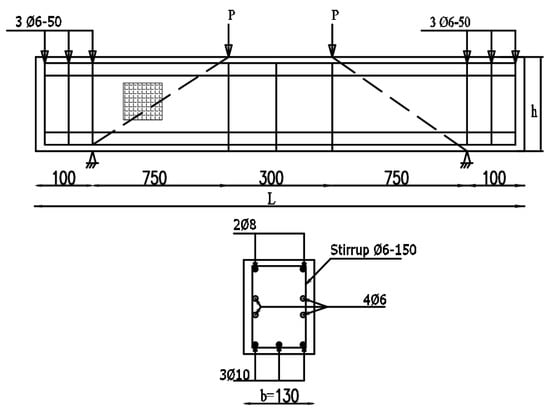
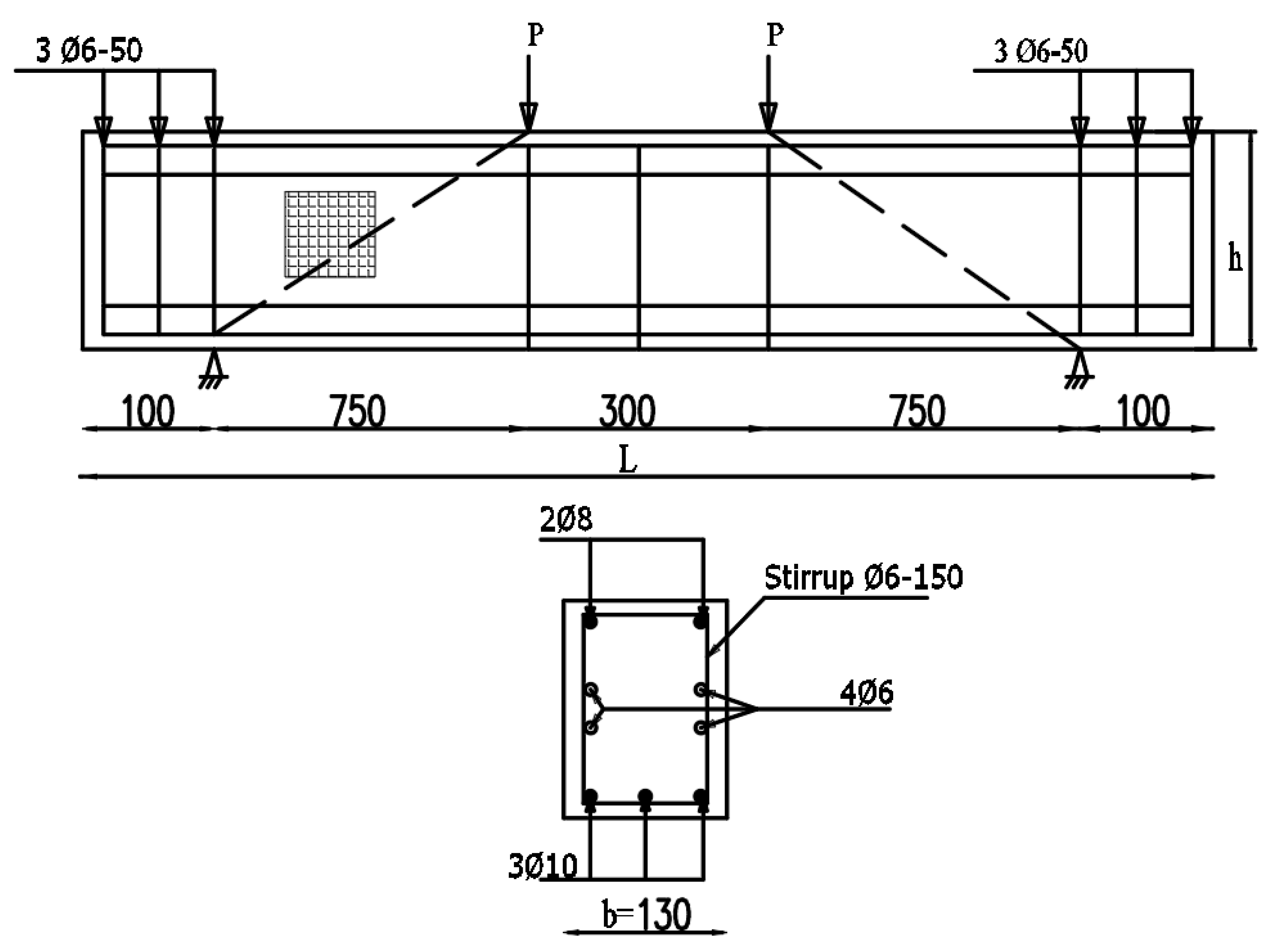
2.1. Specimen Details
2.2. Specimens Preparation
2.3. Experimental Set-Up
3. Results and Discussions
3.1. Failure Modes and Cracking Patterns
3.1.1. Control Beam (CB)
3.1.2. Deep Beams with Web Opening
3.2. Load-Deflection Behaviour
3.3. Flexural Strength
3.4. Stress Concentration Factor, k
4. Analytical Analysis
4.1. Triantafillou Model (Eurocode 2)
4.2. Khalifa Model
4.3. Canadian Standards Association (CSA) Model
5. Conclusions
Author Contributions
Funding
Acknowledgments
Conflicts of Interest
References
- Chin, S.C.; Yahaya, F.M.; Ing, D.O.H.S.; Kusbiantoro, A.; Chong, W.K. Experimental Study on Shear Strengthening of RC Deep Beams with Large Openings Using CFRP. In International Conference on Architecture, Structure and Civil Engineering (ICASCE’15); ResearchBib: Antalya, Turkey, 2015; pp. 89–95. [Google Scholar]
- El-barbary, A.; Beshara, F.; Mahmoud, A. STATE OF ART—High strength Steel Fiber Reinforced Concrete Deep Beams. In Performance of Steel Fibers Reinforced Concrete Deep Beam; Repository of Benha University: Benha, Egypt, 2015; pp. 9–96. [Google Scholar]
- ACI 318-14. Building Code Requirements for Structural Concrete (ACI 318-14); American Concrete Institute: Farmington Hills, MI, USA, 2014; p. 524. [Google Scholar]
- Nuruddin, M.F.; Fauzi, A.; Abdul Wahab, M.M.; Shafiq, N.; Malkawi, A.B. Utilization of EAFD in Concrete Composite. Mater. Sci. Forum 2017, 894, 72–75. [Google Scholar] [CrossRef]
- Al-Ahmed, A.H.A.; Al-Jburi, M.H.M. Behavior of Reinforced Concrete Deep Beams Strengthened With Carbon Fiber Reinforced Polymer Strips. J. Eng. 2016, 8, 37–53. [Google Scholar]
- Yang, K.H.; Chung, H.S.; Lee, E.T.; Eun, H.C. Shear characteristics of high-strength concrete deep beams without shear reinforcements. Eng. Struct. 2003, 25, 1343–1352. [Google Scholar] [CrossRef]
- Rao, G.A.; Kunal, K.; Eligehausen, R. Shear strength of RC deep beams. In Proceedings of the 6th International Conference on Fracture Mechanics of Concrete and Concrete Structures, Catania, Italy, 17–22 June 2007; Taylor and Francis: Didcot, UK, 2007; pp. 693–699. [Google Scholar]
- Mohammed, B.; Bakar, B.H.; Choong, K. The Effects of Opening on the Structural Behavior of Masonry Wall Subjected to Compressive Loading—Strain Variation. Open Civ. Eng. J. 2009, 3, 62–73. [Google Scholar] [CrossRef]
- Sundaresan, R.; Rao, G.A. Evaluation of size effect on shear strength of reinforced concrete deep beams using refined strut-and-tie model. Sadhana 2012, 37, 89–105. [Google Scholar]
- Tariq, M. Shear Behaviour of RC Deep Beams with openings strengthened with Carbon Fiber Reinforced Polymer. Int. J. Civ. Environ. Eng. 2017, 11, 1138–1143. [Google Scholar]
- El Maaddawy, T.; Sherif, S. FRP composites for shear strengthening of reinforced concrete deep beams with openings. Compos. Struct. 2009, 89, 60–69. [Google Scholar] [CrossRef]
- Cheng, H.T.; Mohammed, B.S.; Mustapha, K.N. Finite element analysis and structural design of pretensioned inverted T-beams with web openings. Front. Archit. Civ. Eng. China 2009, 3, 148–157. [Google Scholar] [CrossRef]
- Chin, S.C.; Shafiq, N.; Nuruddin, M.F. FRP as strengthening material for Reinforced Concrete beams with openings—A review. KSCE J. Civ. Eng. 2015, 19, 213–219. [Google Scholar] [CrossRef]
- Mansur, M.A. Design of Reinforced Concrete Beams with Web Openings. In Proceedings of the 6th Asia-Pacific Structural Engineering and Construction Conference (APSEC 2006), Kuala Lumpur, Malaysia, 5–6 September 2006; pp. 104–120. [Google Scholar]
- Mansur, M.A.; Tan, K.-H. Concrete Beams with Openings: Analysis and Design; CRC Press: Boca Raton, FL, USA, 1999. [Google Scholar]
- Chin, S.C.; Shafiq, N.; Nuruddin, M.F. Strengthening of RC Beams Containing Large Opening at Flexure with CFRP laminates. Int. J. Civ. Environ. Eng. 2011, 5, 743–749. [Google Scholar]
- Cheng, H.T.; Mohammed, B.S.; Mustapha, K.N. Experimental and analytical analysis of pretensioned inverted T-beam with circular web openings. Int. J. Mech. Mater. Des. 2009, 5, 203–215. [Google Scholar] [CrossRef]
- Ahmad, S.; Anwar, A.; Mohammed, B.S.; bin, M.; Wahab, A.; Ahmad, S.A. Strength Behavior of Concrete by Partial Replacement of Fine Aggregate with Ceramic Powder. Int. J. Recent Technol. Eng. 2019, 8, 5712–5718. [Google Scholar]
- Mansur, M.A.; Tan, K.-H.; Weng, W. Analysis of concrete beams with circular web openings using strut-and-tie models. Malays. J. Civ. Eng. 2006, 18, 89–98. [Google Scholar]
- Tan, K.H.; Mansur, M.A. Design Procedure for Reinforced Concrete Beams with Large Web Openings. ACI Struct. J. 1996, 93, 404–411. [Google Scholar]
- Mansur, M.A.; Huang, L.M.; Tan, K.H.; Lee, S.L. Deflections of reinforced concrete beams with web openings. ACI Struct. J. 1992, 89, 391–397. [Google Scholar]
- Mansur, M.A. Effect of openings on the behaviour and strength of R/C beams in shear. Cem. Concr. Compos. 1998, 20, 477–486. [Google Scholar] [CrossRef]
- Tan, K.-H.; Wei, W.; Mansur, M.A. Design of Reinforced Concrete Beams with Circular Openings. ACI Struct. J. 2001, 98, 407–415. [Google Scholar]
- Anwar, A. The Influence of Waste Glass Powder as a Pozzolanic Material in Concrete. Int. J. Civ. Eng. Technol. 2016, 7, 131–148. [Google Scholar]
- Bakir, P.G.; Boduroǧlu, H.M. Mechanical behaviour and non-linear analysis of short beams using softened truss and direct strut & tie models. Eng. Struct. 2005, 27, 639–651. [Google Scholar]
- Anwar, A.; Juned, A.; Sabih, A.; Syed, A.A. Study of compressive strength of concrete by partial replacement of cement with marble dust powder. Int. J. Curr. Eng. Technol. 2014, 4, 4162–4166. [Google Scholar]
- Rahal, K.N.; Al-Shaleh, K.S. Minimum transverse reinforcement in 65 MPa concrete beams. ACI Struct. J. 2004, 101, 872–878. [Google Scholar]
- Ashour, A.F.; Morley, C.T. Effectiveness Factor of Concrete in Continuous Deep Beams. J. Struct. Eng. 1996, 122, 169–178. [Google Scholar] [CrossRef]
- Ashour, A.F. Shear Capacity of Reinforced Concrete Deep Beams. J. Struct. Eng. 2000, 126, 1045–1052. [Google Scholar] [CrossRef]
- Russo, G.; Venir, R.; Pauletta, M. Reinforced Concrete Deep Beams-shear strength model and design formula. ACI Struct. J. 2005, 102, 429–437. [Google Scholar]
- Nair, N.; Kavitha, P.E. Effect of openings in deep beams using strut and tie model method. Int. J. Tech. Res. Appl. 2015, 3, 59–62. [Google Scholar]
- Prentzas, E.G. Behaviour and Reinforcement of Concrete Beams with Large Rectangular Apertures. Ph.D. Thesis, University of Sheffield, Civil & Structural Engineering, Sheffield, UK, 1968. [Google Scholar]
- Mansur, M.A.; Hasnat, A. Concrete Beams with Small Opening under Torsion. ASCE J. Struct. Div. 1979, 105, 2433–2447. [Google Scholar]
- Somes, N.F.; Corley, W.G. Circular Openings in Webs of Continuous Beams. Spec. Publ. 1974, 42, 359–398. [Google Scholar]
- Mansur, M.A.; Tan, K.-H.; Wei, W. Effects of Creating an Opening in Existing Beams. ACI Struct. J. 1999, 96, 899–905. [Google Scholar]
- Anwar, A.; Sabih, A.; Mohd Ashraf Husain, S.; Aqeel Ahmad, S. Salvage of Ceramic Waste and Marble Dust for the Refinement of Sustainable Concrete. Int. J. Civ. Eng. Technol. 2015, 6, 79–92. [Google Scholar]
- Yang, K.-H.; Ashour, A.F. Inclined reinforcement around web opening in concrete beams. Proc. Inst. Civ. Eng. Struct. Build. 2007, 160, 173–182. [Google Scholar] [CrossRef][Green Version]
- Mansur, M.A.; Tan, K.H.; Lee, S.L. Design Method for Reinforced Concrete Beams with Large Openings. ACI Struct. J. Proc. 1985, 82, 517–524. [Google Scholar]
- Osman, B.H.; Wu, E.; Ji, B.; Abdelgader, A.M.S. A state of the art review on reinforced concrete beams with openings retrofitted with FRP. Int. J. Adv. Struct. Eng. 2016, 8, 253–267. [Google Scholar] [CrossRef]
- Al-sheikh, S.A. Flexural Behavior of RC Beams with Opening. Concr. Res. Lett. 2014, 5, 812–824. [Google Scholar]
- Benitez, M.A.; Darwin, D.; Donahey, R.C. Deflections of Composite Beams with Web Openings. J. Struct. Eng. 1998, 124, 1139–1147. [Google Scholar] [CrossRef][Green Version]
- Gudonis, E.; Timinskas, E.; Gribniak, V.; Kaklauskas, G.; Arnautov, A.K.; Tamulėnas, V. FRP Reinforcement for Concrete Structures: State-of-the-Art Review of Application and Design. Eng. Struct. Technol. 2014, 5, 147–158. [Google Scholar] [CrossRef]
- Masuelli, M.A. Introduction of Fibre-Reinforced Polymers—Polymers and Composites: Concepts, Properties and Processes. IntechOpen 2013, 1–39. [Google Scholar] [CrossRef]
- Tuakta, C. Use of Fiber Reinforced Polymer Composite in Bridge Structures. Ph.D. Thesis, The Massachusetts Institute of Technology, Cambridge, MA, USA, 2004. [Google Scholar]
- Satheeshkumar, T.P.; Satheeshkumar, S.; Naveen, J. Glass fiber-reinforced polymer composites—A review. J. Reinf. Plast. Compos. 2014, 33, 1258–1275. [Google Scholar] [CrossRef]
- Nazair, C.; Benmokrane, B.; Loranger, M.-A.; Robert, M.; Manalo, A. A comparative study of the thermophysical and mechanical properties of the glass fiber reinforced polymer bars with different cure ratios. J. Compos. Mater. 2018, 52, 4105–4116. [Google Scholar] [CrossRef]
- Tian, C.H.; Mohammed, B.S.; Mustapha, K.N. Interaction Diagram in Finite Element Analysis of Deflection of Pretensioned Inverted T-Beam with Web Openings Strengthened with GFRP Laminates. In 2009 Second International Conference on Information and Computing Science; IEEE Computer Society: Manchester, UK, 2009; Volume 1, pp. 335–338. [Google Scholar]
- Talikoti, R.S.; Kandekar, S.B. Strength and Durability Study of Concrete Structures Using Aramid-Fiber-Reinforced Polymer. Fibers 2019, 7, 11. [Google Scholar] [CrossRef]
- Denchev, Z.; Dencheva, N. Manufacturing and Properties of Aramid Reinforced Polymer Composites. In Synthetic Polymer-Polymer Composites; Fakirov, D.B.S., Ed.; Hanser Publishers: Munich, New Zealand, 2012; pp. 465–530. [Google Scholar]
- Arslan, C.; Dogan, M. The mechanical and thermal properties of chopped basalt fiber-reinforced poly (butylene terephthalate) composites: Effect of fiber amount and length. J. Compos. Mater. 2019, 53, 2465–2475. [Google Scholar] [CrossRef]
- Vijaya Ramnath, B.; Elanchezhian, C.; Aravind, J.; Sushil, L.; Arun Kumar, A. Studies on Mechanical Behaviour of Basalt Fiber Composite. IOP Conf. Ser. Mater. Sci. Eng. 2018, 377, 12119. [Google Scholar] [CrossRef]
- Mohammed, B.S.; Alanni, O. Shear Capacity of RC Beams with Web Openings Strengthened with Multi Layers of CFRP. Appl. Mech. Mater. 2014, 567, 494–498. [Google Scholar] [CrossRef]
- Honarparast, S.; El-Saikaly, G.; Chaallal, O. Externally bonded carbon fiber–reinforced polymer composites for seismic retrofit of reinforced concrete coupling beams designed according to old codes. Adv. Struct. Eng. 2018, 22, 1412–1425. [Google Scholar] [CrossRef]
- Lye, H.L.; Mohammed, B.S.; Liew, M.S.; Wahab, M.M.A.; Al-Fakih, A. Bond behaviour of CFRP-strengthened ECC using Response Surface Methodology (RSM). Case Stud. Constr. Mater. 2020, 12, e00327. [Google Scholar] [CrossRef]
- El-Zeadani, M.; Raizal Saifulnaz, M.R.; Hejazi, F.; Mugahed Amran, Y.H.; Jaafar, M.S.; Alyousef, R.; Alrshoudi, F. Mechanics-based approach for predicting the short-term deflection of CFRP plated RC beams. Compos. Struct. 2019, 225, 111169. [Google Scholar] [CrossRef]
- Hussain, Q.; Pimanmas, A. Shear strengthening of RC deep beams with openings using Sprayed Glass Fiber Reinforced Polymer Composites (SGFRP): Part 1. Experimental study. KSCE J. Civ. Eng. 2015, 19, 2121–2133. [Google Scholar] [CrossRef]
- Punnoose, E.S.M.; Hameed, E.A.S. Experimental Study of Strengthening of RC Deep Beam with Web Opening. Int. J. Innov. Res. Technol. 2016, 3, 206–211. [Google Scholar]
- Mugahed Amran, Y.H.; Alyousef, R.; Rashid, R.S.M.; Alabduljabbar, H.; Hung, C.-C. Properties and applications of FRP in strengthening RC structures: A review. Structures 2018, 16, 208–238. [Google Scholar] [CrossRef]
- Mohammed, B.S.; Ean, L.W.; Malek, M.A. One way RC wall panels with openings strengthened with CFRP. Constr. Build. Mater. 2013, 40, 575–583. [Google Scholar] [CrossRef]
- Mohammed, B.S.; Ean, L.W.; Hossain, K.M.A. CFRP Composites for Strengthening of Reinforced Concrete Walls with Openings. Int. J. Eng. Res. Appl. 2010, 1, 1841–1852. [Google Scholar]
- Abdalla, H.A.; Torkey, A.M.; Haggag, H.A.; Abu-Amira, A.F. Design against cracking at openings in reinforced concrete beams strengthened with composite sheets. Compos. Struct. 2003, 60, 197–204. [Google Scholar] [CrossRef]
- Mansur, M.A.; Tan, K.H.; Lee, S. Collapse Loads of R/C Beams with Large Openings. J. Struct. Eng. 1984, 110, 2602–2618. [Google Scholar] [CrossRef]
- Triantafillou, T. Shear Strengthening of Reinforced Concrete Beams Using Epoxy-Bonded FRP Composites. ACI Struct. J. 1998, 95, 107–115. [Google Scholar]
- Khalifa, A.; Gold, W.J.; Nanni, A. Contribution of Externally Bonded FRP to Shear Capacity of RC Flexural Members. J. Compos. Constr. 1998, 2, 195–202. [Google Scholar] [CrossRef]
- Canadian Standards Association. Design and Construction of Building Structures with Fibre-Reinforced Polymer; CSA S806–S12 (R2017); Canadian Standards Association: Mississauga, ON, Canada, 2012. [Google Scholar]




















| Beam Sample | Size of Openings (mm) | Numbers of CFRP Layers | |
|---|---|---|---|
| Width | Height | ||
| Control Beam (Bc) | 0 | 0 | 0 |
| B1a | 150 | 150 | 1 |
| B1b | 150 | 150 | 2 |
| B1c | 150 | 150 | 3 |
| B2a | 200 | 200 | 1 |
| B2b | 200 | 200 | 2 |
| B2c | 200 | 200 | 3 |
| B3a | 250 | 250 | 1 |
| B3b | 250 | 250 | 2 |
| B3c | 250 | 250 | 3 |
| Beam Sample | Eurocode 2 Model | Khalifa Model | CSA S806 | |||||
|---|---|---|---|---|---|---|---|---|
| B1a | 21.79 | 26.17 | 47.96 | 59.17 | 80.96 | 34.75 | 56.54 | 44.52 |
| B1b | 21.79 | 22.44 | 44.23 | 59.17 | 80.96 | 34.75 | 56.54 | 41.12 |
| B1c | 18.57 | 20.96 | 39.53 | 45.63 | 67.42 | 31.25 | 53.04 | 34.22 |
| B2a | 21.79 | 30.34 | 52.13 | 48.69 | 69.39 | 69.75 | 90.46 | 53.24 |
| B2b | 21.79 | 30.34 | 52.13 | 48.69 | 69.39 | 69.75 | 90.46 | 53.24 |
| B2c | 18.57 | 27.51 | 46.08 | 47.30 | 68.01 | 56.62 | 77.33 | 40.23 |
| B3a | 21.79 | 37.92 | 59.71 | 131.66 | 147.11 | 122.03 | 137.48 | 44.18 |
| B3b | 21.79 | 37.92 | 59.71 | 131.66 | 147.11 | 122.03 | 137.48 | 44.18 |
| B3c | 18.57 | 30.16 | 48.73 | 110.05 | 125.49 | 110.25 | 125.70 | 46.19 |
© 2020 by the authors. Licensee MDPI, Basel, Switzerland. This article is an open access article distributed under the terms and conditions of the Creative Commons Attribution (CC BY) license (http://creativecommons.org/licenses/by/4.0/).
Share and Cite
Rahim, N.I.; Mohammed, B.S.; Al-Fakih, A.; Wahab, M.M.A.; Liew, M.S.; Anwar, A.; Amran, Y.H.M. Strengthening the Structural Behavior of Web Openings in RC Deep Beam Using CFRP. Materials 2020, 13, 2804. https://doi.org/10.3390/ma13122804
Rahim NI, Mohammed BS, Al-Fakih A, Wahab MMA, Liew MS, Anwar A, Amran YHM. Strengthening the Structural Behavior of Web Openings in RC Deep Beam Using CFRP. Materials. 2020; 13(12):2804. https://doi.org/10.3390/ma13122804
Chicago/Turabian StyleRahim, Nurul Izzati, Bashar S. Mohammed, Amin Al-Fakih, M. M. A. Wahab, M. S. Liew, Abdullah Anwar, and Y. H. Mugahed Amran. 2020. "Strengthening the Structural Behavior of Web Openings in RC Deep Beam Using CFRP" Materials 13, no. 12: 2804. https://doi.org/10.3390/ma13122804
APA StyleRahim, N. I., Mohammed, B. S., Al-Fakih, A., Wahab, M. M. A., Liew, M. S., Anwar, A., & Amran, Y. H. M. (2020). Strengthening the Structural Behavior of Web Openings in RC Deep Beam Using CFRP. Materials, 13(12), 2804. https://doi.org/10.3390/ma13122804

