The Effect of Microstructure and Axial Tension on Three-Point Bending Fatigue Behavior of TC4 in High Cycle and Very High Cycle Regimes
Abstract
1. Introduction
2. Materials and Methods
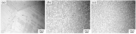
2.1. Materials
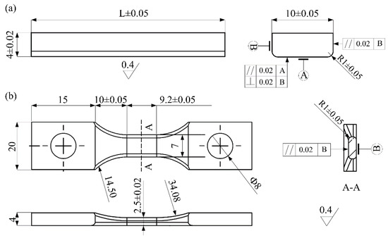
2.2. Experimental Methods
3. Results
3.1. S-N Characteristics
3.2. Fracture Surface Morphology
4. Discussion
4.1. Fatigue Crack Initiation Mechanism
4.2. The Influence of Axial Tensile Stress
5. Conclusions
- Three completely different shapes of S-N curve were presented for equiaxed, bimodal and Widmanstatten microstructures among the fatigue lives of 105–109 cycles. They were stepwise, continuously declining and asymptotic types.
- The bending fatigue performance of the equiaxed and bimodal microstructures was obviously better than that of the Widmanstatten microstructure in the high cycle regime. The very high cycle bending fatigue property of the Widmanstatten microstructure was the best, whereas the fretting fatigue resistance of the Widmanstatten microstructure was poor.
- The cracks in subsurface and surface initiation with facets of equiaxed and bimodal microstructure originated from αp grains. The cracks in the subsurface of Widmanstatten microstructure originated from the coarse grain boundary α.
- At the same stress level, the smaller the size of αp grains, the longer the fatigue life of TC4 in the very high cycle regime. Therefore, very high cycle fatigue performance can be improved with the refinement of αp grains.
- The S-N curve shape, fatigue life and fatigue crack initiation mechanism with axial tension are similar to those without axial tension. But, the crack origin point shifts inward with axial tension.
Author Contributions
Funding
Conflicts of Interest
References
- Furuya, Y. A new model for predicting the gigacycle fatigue strength of high-strength steels. Mater. Sci. Eng. A 2019, 743, 445–452. [Google Scholar] [CrossRef]
- Nie, B.; Zhao, Z.; Liu, S.; Chen, D.; Ouyang, Y.; Hu, Z.; Fan, T.; Sun, H. Very high cycle fatigue behavior of a directionally solidified Ni-base superalloy DZ4. Materials 2018, 11, 98. [Google Scholar] [CrossRef] [PubMed]
- Sun, C.; Song, Q.; Zhou, L.; Liu, J.; Wang, Y.; Wu, X.; Wei, Y. The formation of discontinuous gradient regimes during crack initiation in high strength steels under very high cycle fatigue. Int. J. Fatigue 2019, 124, 483–492. [Google Scholar] [CrossRef]
- Hu, Y.; Sun, C.; Xie, J.; Hong, Y. Effects of Loading Frequency and Loading Type on High-Cycle and Very-High-Cycle Fatigue of a High-Strength Steel. Materials 2018, 11, 1456. [Google Scholar] [CrossRef] [PubMed]
- Zhu, X.; Jones, J.W.; Allison, J.E. Effect of frequency, environment, and temperature on fatigue behavior of E319 cast aluminum alloy: Stress-controlled fatigue life response. Metall. Mater. Trans. 2008, 39, 2681–2688. [Google Scholar] [CrossRef]
- Wu, Y.; Liu, J.; Wang, H.; Guan, S.; Yang, R.; Xiang, H. Effect of stress ratio on very high cycle fatigue properties of Ti-10V-2Fe-3Al alloy with duplex microstructure. J. Mater. Sci. Technol. 2018, 34, 1189–1195. [Google Scholar] [CrossRef]
- Bathias, C.; Paris, P.C. Gigacycle Fatigue in Mechanical Practice; CRC Press: New York, NY, USA, 2004; pp. 5–8. [Google Scholar]
- Boyer, R.R. An overview on the use of titanium in the aerospace industry. Mater. Sci. Eng. A 1996, 213, 103–114. [Google Scholar] [CrossRef]
- Peters, M.; Kumpfert, J.; Ward, C.; Leyens, C.H. Titanium alloys for aerospace applications. Adv. Eng. Mater. 2003, 6, 27–419. [Google Scholar]
- Pan, X.; Su, H.; Sun, C.; Hong, Y. The behavior of crack initiation and early growth in high-cycle and very-high-cycle fatigue regimes for a titanium alloy. Int. J. Fatigue 2018, 115, 67–78. [Google Scholar] [CrossRef]
- Sakai, T.; Lian, B.; Takeda, M.; Shiozawa, K.; Oguma, N.; Ochi, Y.; Nakajima, M.; Nakamura, T. Statistical duplex S–N characteristics of high carbon chromium bearing steel in rotating bending in very high cycle regime. Int. J. Fatigue 2010, 32, 497–504. [Google Scholar] [CrossRef]
- Carstensen, J.V.; Mayer, H.; Brøndsted, P. Very high cycle regime fatigue of thin walled tubes made from austenitic stainless steel. Fatigue Fract. Eng. Mater. Struct. 2002, 25, 837–844. [Google Scholar] [CrossRef]
- Schwerdt, D.; Pyttel, B.; Berger, C. Fatigue strength and failure mechanisms of wrought aluminium alloys in the VHCF-region considering material and component relevant influencing factors. Int. J. Fatigue 2011, 33, 33–41. [Google Scholar] [CrossRef]
- Meng, L.; Goyal, A.; Doquet, V.; Ranc, N.; Couziné, J. Ultrafine versus coarse grained Al 5083 alloys: From low-cycle to very-high-cycle fatigue. Int. J. Fatigue 2019, 121, 84–97. [Google Scholar] [CrossRef]
- Vaško, A.; Vaško, M.; Belan, J.; Tillová, E. Comparison of fatigue properties of nodular cast iron at low and high frequency cyclic loading. Procedia Eng. 2017, 177, 576–581. [Google Scholar] [CrossRef]
- Zhang, J.; Song, Q.; Zhang, N.; Lu, L.; Zhang, M.; Cui, G. Very high cycle fatigue property of high-strength austempered ductile iron at conventional and ultrasonic frequency loading. Int. J. Fatigue 2015, 70, 235–240. [Google Scholar] [CrossRef]
- Liu, X.; Sun, C.; Hong, Y. Faceted crack initiation characteristics for high-cycle and very-high-cycle fatigue of a titanium alloy under different stress ratios. Int. J. Fatigue 2016, 92, 434–441. [Google Scholar] [CrossRef]
- Li, W.; Gao, N.; Zhao, H.; Xing, X. Crack initiation and early growth behavior of TC4 titanium alloy under high cycle fatigue and very high cycle fatigue. J. Mater. Res. 2018, 33, 935–945. [Google Scholar] [CrossRef]
- Yang, K.; Zhong, B.; Huang, Q.; He, C.; Huang, Z.; Wang, Q.; Liu, Y. Stress ratio effect on notched fatigue behavior of a Ti-8Al-1Mo-1V alloy in the very high cycle fatigue regime. Int. J. Fatigue 2018, 116, 80–89. [Google Scholar] [CrossRef]
- Heinz, S.; Eifler, D. Crack initiation mechanisms of Ti6Al4V in the very high cycle fatigue regime. Int. J. Fatigue 2016, 93, 301–308. [Google Scholar] [CrossRef]
- Liu, X.; Chen, E.; Zeng, F.; Cong, T.; Domblesky, J. Mechanisms of interior crack initiation in very-high-cycle fatigue of high-strength alloys. Eng. Fract. Mech. 2019, 212, 153–163. [Google Scholar] [CrossRef]
- Hong, Y.; Liu, X.; Lei, Z.; Sun, C. The formation mechanism of characteristic region at crack initiation for very-high-cycle fatigue of high-strength steels. Int. J. Fatigue 2016, 89, 108–118. [Google Scholar] [CrossRef]
- LeBiavant, K.; Pommier, S.; Prioul, C. Local texture and fatigue crack initiaton in a Ti-6Al-4V. Fatigue Fract. Eng. Mater. Struct. 2002, 25, 527–545. [Google Scholar] [CrossRef]
- Ravi Chandran, K.S.; Jha, S.K. Duality of the S-N fatigue curve caused by competing failure modes in a titanium alloy and the role of Poisson defect statistics. Acta Mater. 2005, 53, 1867–1881. [Google Scholar] [CrossRef]
- Szczepanski, C.J.; Jha, S.K.; Larsen, J.M.; Jones, J.W. Microstructural influences on very-high-cycle fatigue-crack initiation in Ti-6246. Metall. Mater. Trans. A 2008, 39, 2841–2851. [Google Scholar] [CrossRef]
- Oguma, H.; Nakamura, T. The effect of microstructure on very high cycle fatigue properties in Ti-6Al-4V. Scr. Mater. 2010, 63, 32–34. [Google Scholar] [CrossRef]
- Sushant, K.J.; Christopher, J.S.; Patrick, J.G.; William, J.P.; Reji, J. Characterization of fatigue crack-initiation facets in relation to lifetime variability in Ti-6Al-4V. Int. J. Fatigue 2012, 42, 248–257. [Google Scholar]
- Chandran, K.S.R.; Chang, P.; Cashman, G.T. Competing failure modes and complex S–N curves in fatigue of structural materials. Int. J. Fatigue 2010, 32, 482–491. [Google Scholar] [CrossRef]
- Liu, X.; Sun, C.; Zhou, Y.; Hong, Y. effects of microstructure and stress ratio on high-cycle and very-high-cycle fatigue behavior of Ti-6Al-4V alloy. Acta Metall Sin. 2016, 52, 923–930. [Google Scholar]
- Zuo, J.H.; Wang, Z.G.; Han, E.H. Effect of microstructure on ultra-high cycle fatigue behavior of Ti–6Al–4V. Mater. Sci. Eng. A 2008, 473, 147–152. [Google Scholar] [CrossRef]
- Crupi, V.; Epasto, G.; Guglielmino, E.; Squillace, A. Influence of microstructure [alpha+ beta and beta] on very high cycle fatigue behaviour of Ti-6Al-4V alloy. Int. J. Fatigue 2017, 95, 64–75. [Google Scholar] [CrossRef]
- Nie, B.; Zhao, Z.; Chen, D.; Liu, S.; Lu, M.; Zhang, J.; Liang, F. Effect of basketweave microstructure on very high cycle fatigue behavior of TC21 Titanium alloy. Metals 2018, 8, 401. [Google Scholar] [CrossRef]
- Zeng, L.R.; Chen, H.L.; Li, X.; Lei, L.; Zhang, G. Influence of alloy element partitioning on strength of primary α phase in Ti-6Al-4V alloy. J. Mater. Sci. Tech. 2018, 34, 782–787. [Google Scholar] [CrossRef]
- Wang, W.; Zhang, X.; Sun, J. Phase stability and tensile behavior of metastable β Ti-V-Fe and Ti-V-Fe-Al alloys. Mater. Charact. 2018, 142, 398–405. [Google Scholar] [CrossRef]




















| Microstructure | Tensile Strength (MPa) | Yield Strength Rp0.2 (MPa) | Young’s Modulus (GPa) | Elongation (%) |
|---|---|---|---|---|
| Widmanstatten | 949 | 848 | 108 | 10.9 |
| Bimodal | 986 | 909 | 111 | 13.1 |
| Equiaxed | 987 | 926 | 114 | 13.6 |
© 2019 by the authors. Licensee MDPI, Basel, Switzerland. This article is an open access article distributed under the terms and conditions of the Creative Commons Attribution (CC BY) license (http://creativecommons.org/licenses/by/4.0/).
Share and Cite
Bao, X.; Cheng, L.; Ding, J.; Chen, X.; Lu, K.; Cui, W. The Effect of Microstructure and Axial Tension on Three-Point Bending Fatigue Behavior of TC4 in High Cycle and Very High Cycle Regimes. Materials 2020, 13, 68. https://doi.org/10.3390/ma13010068
Bao X, Cheng L, Ding J, Chen X, Lu K, Cui W. The Effect of Microstructure and Axial Tension on Three-Point Bending Fatigue Behavior of TC4 in High Cycle and Very High Cycle Regimes. Materials. 2020; 13(1):68. https://doi.org/10.3390/ma13010068
Chicago/Turabian StyleBao, Xuechun, Li Cheng, Junliang Ding, Xuan Chen, Kaiju Lu, and Wenbin Cui. 2020. "The Effect of Microstructure and Axial Tension on Three-Point Bending Fatigue Behavior of TC4 in High Cycle and Very High Cycle Regimes" Materials 13, no. 1: 68. https://doi.org/10.3390/ma13010068
APA StyleBao, X., Cheng, L., Ding, J., Chen, X., Lu, K., & Cui, W. (2020). The Effect of Microstructure and Axial Tension on Three-Point Bending Fatigue Behavior of TC4 in High Cycle and Very High Cycle Regimes. Materials, 13(1), 68. https://doi.org/10.3390/ma13010068
