Determination of the Enhancement or Shielding Interaction between Two Parallel Cracks under Fatigue Loading
Abstract
1. Introduction
2. Numerical Simulations
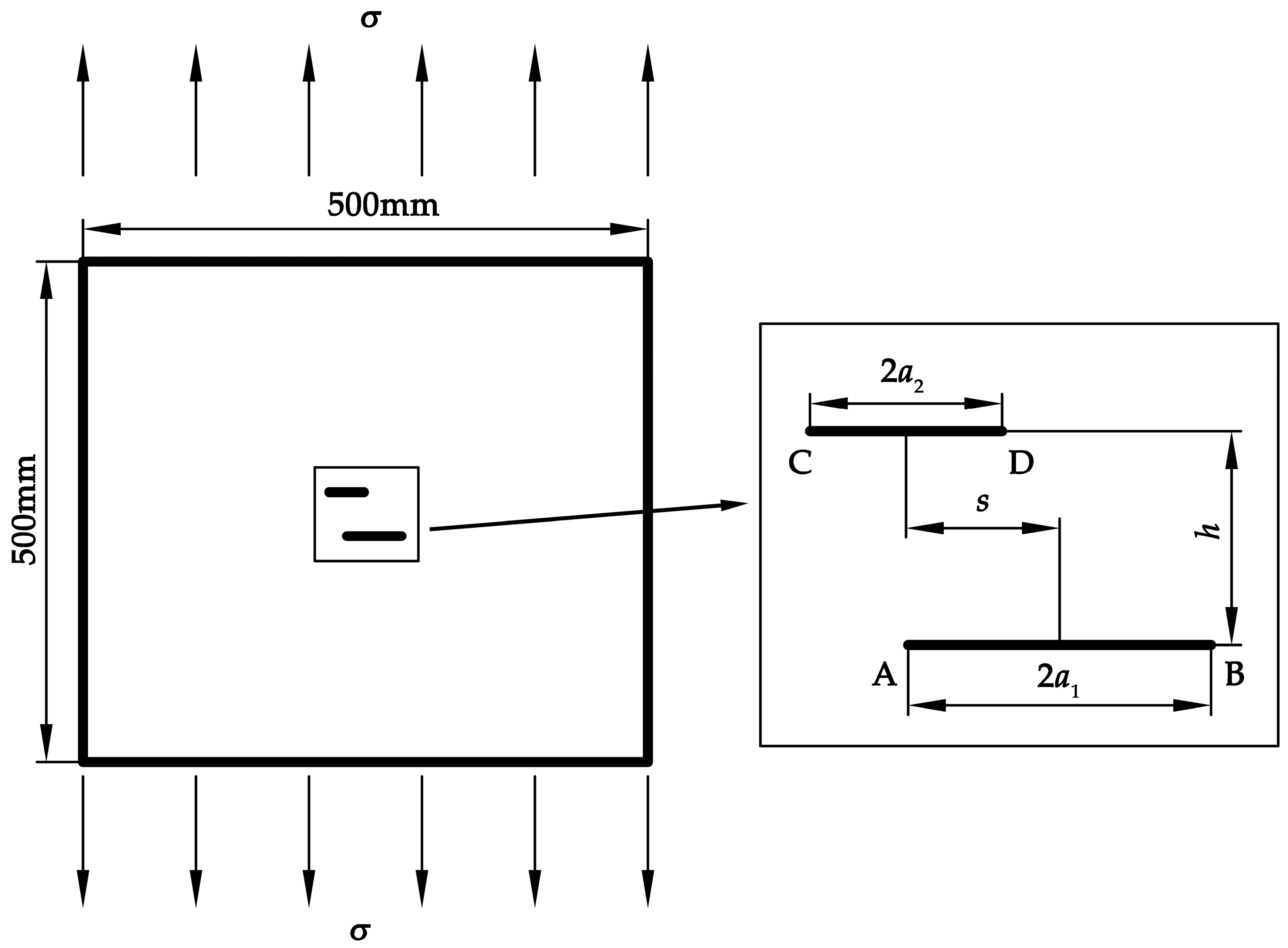
2.1. Geometrical Model
2.2. Mesh Model
2.3. Simulation Results of the Interactions between the Parallel Cracks
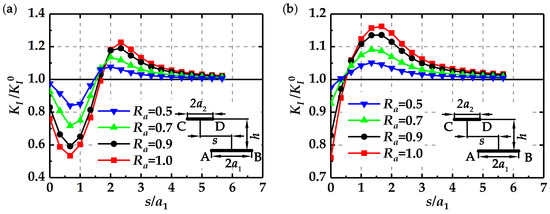
2.3.1. Stress Intensity Factors at the Crack Tips
2.3.2. Determination of the Enhancement, Shielding, or no Interaction Effect between Cracks
3. Experiments
3.1. Specimen Preparation
3.2. Settings of the Fatigue Test
3.3. Results of the Tests
3.3.1. Crack Growth Paths
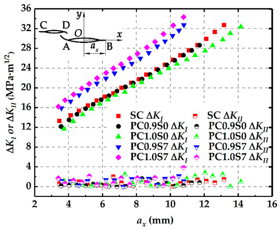
3.3.2. Stress Intensity Factors
3.3.3. Crack Growth Rates
4. Discussion on the Mechanism of the Crack Interactions
5. Conclusions
- If the two parallel cracks are close and share the same perpendicular bisector, only the shielding effect exists. In this case, it would be too conservative and even irrational to simply merge them into a bigger crack by applying the enveloping method.
- If the two parallel cracks are close and deviated, whether the stress intensity factors are enhanced or not depends on the deviation and normal distance between the two cracks. Specifically, if the two parallel cracks are collinear, only the enhancement effect exists.
- The criterion diagram to determine the enhancement, shielding, or no interaction effect between two parallel cracks is obtained, which can be applied in practical structures with similar multi-crack configurations.
- Fatigue crack growth test results indicate that the cracks grow in Mode I. The crack growth rates are influenced by the enhancement or shielding effect. Specifically, the crack growth rates in the parallel crack specimens increase with the increasing enhancement effect while decrease with the increasing shielding effect.
- The crack interaction phenomenon can be explained by the changes of the stress fields around cracks. If the two parallel cracks are close and deviated, the stress field is strengthened and if the two parallel cracks are close and share the same perpendicular bisector, the stress field is weakened.
Author Contributions
Funding
Conflicts of Interest
References
- Liakat, M.; Khonsari, M.M. An experimental approach to estimate damage and remaining life of metals under uniaxial fatigue loading. Mater. Des. 2014, 57, 289–297. [Google Scholar] [CrossRef]
- Patton, G.; Rinaldi, C.; Brechet, Y.; Lormand, G.; Fougeres, R. Study of fatigue damage in 7010 aluminum alloy. Mater. Sci. Eng. A 1998, 254, 207–218. [Google Scholar] [CrossRef]
- Kamaya, M. A crack growth evaluation method for interacting multiple cracks. JSME Int. J. Ser. A 2003, 46, 15–23. [Google Scholar] [CrossRef][Green Version]
- Lam, K.Y.; Phua, S.P. Multiple crack interaction and its effect on stress intensity factor. Eng. Fract. Mech. 1991, 40, 585–592. [Google Scholar] [CrossRef]
- Kamaya, M. A Criterion for combination rule in flaw assessment of parallel surface cracks. J. Press Vessel Technol. 2011, 133, 0612041–0612048. [Google Scholar] [CrossRef]
- Kamaya, M. Flaw proximity rules for parallel surface cracks based on elastic, elastic–plastic fracture mechanics and limit load analyses. In Proceedings of the 2006 ASME Pressure Vessels and Piping Division Conference (PVP 2006–ICPVT–11), Vancoucer, BC, Canada, 23–27 July 2006; pp. 1–8. [Google Scholar] [CrossRef]
- Ma, Q.; Levy, C.; Perl, M. A LEFM based study on the interaction between an edge and an embedded parallel crack. In Proceedings of the ASME 2013 Pressure Vessels and Piping Conference (PVP 2013), Paris, France, 14–18 July 2013; pp. 1–6. [Google Scholar] [CrossRef]
- Kishida, M.; Asano, M. A study of interference of three parallel cracks. Eng. Fract. Mech. 1984, 19, 531–538. [Google Scholar] [CrossRef]
- Jiang, Z.D.; Petit, J.; Bezine, G. An investigation of stress intensity factors for two unequal parallel cracks in a finite width plate. Eng. Fract. Mech. 1992, 42, 129–138. [Google Scholar] [CrossRef]
- Moussa, W.A.; Bell, R.; Tan, C.L. The interaction of two parallel non-coplanar identical surface cracks under tension and bending. Int. J. Press Vessel Pip 1999, 76, 135–145. [Google Scholar] [CrossRef]
- Moussa, W.A.; Bell, R.; Tan, C.L. The interaction of two parallel semi–elliptical surface cracks under tension and bending. J. Press Vessel Technol. 2014, 121, 323–326. [Google Scholar] [CrossRef]
- Moussa, W.A.; Bell, R.; Tan, C.L. Investigating the effect of crack shape on the interaction behavior of noncoplanar Surface Cracks. J. Press Vessel Technol. 2014, 124, 234–238. [Google Scholar] [CrossRef]
- Meng, G.W.; Guo, X.D.; Liu, H.B.; Chen, S.H.; Wang, Z.C. The research of influence coefficients of size on a plate with two parallel cracks. Commun. Numer. Methods Eng. 1999, 15, 65–73. [Google Scholar] [CrossRef]
- Isida, M.; Igawa, H. Some asymptotic behavior and formulae of stress intensity factors for collinear and parallel cracks under various loadings. Int. J. Fract. 1994, 65, 247–259. [Google Scholar] [CrossRef]
- Cartwright, D.J.; Rooke, D.P. Approximate stress intensity factors compounded from known solutions. Eng. Fract. Mech. 1974, 6, 563–571. [Google Scholar] [CrossRef]
- Kuang, J.H.; Chen, C.K. Equivalence for two interacting parallel cracks. J. Press Vessel Technol. 1998, 120, 424–430. [Google Scholar] [CrossRef]
- Kachanov, M. Elastic solids with many cracks: A simple method of analysis. Int. J. Solids Struct. 1987, 23, 23–43. [Google Scholar] [CrossRef]
- Li, Y.P.; Tham, L.G.; Wang, Y.H.; Tsui, Y. A modified Kachanov method for analysis of solids with multiple cracks. Eng. Fract. Mech. 2003, 70, 1115–1129. [Google Scholar] [CrossRef]
- Li, Y.P.; Yang, C.H. Approximate analysis of interaction of closely spaced cracks. J. Mech. Mater. Struct. 2006, 1, 147–162. [Google Scholar] [CrossRef][Green Version]
- Qing, H.; Yang, W. Characterization of strongly interacted multiple cracks in an infinite plate. Theor. Appl. Fract. Mech. 2006, 46, 209–216. [Google Scholar] [CrossRef]
- Xiao, Z.M.; Lim, M.K.; Liew, K.M. Determination of stress field in an elastic solid weakened by parallel penny-shaped cracks. Acta Mech. 1996, 114, 83–94. [Google Scholar] [CrossRef]
- Graham, G.A.C.; Lan, Q. Stress intensity factors for two offset parallel circular cracks: Part I—Infinite elastic solid. Theor. Appl. Fract. Mech. 1994, 20, 207–225. [Google Scholar] [CrossRef]
- Graham, G.A.C.; Lan, Q. Stress intensity factors for two offset parallel circular cracks: Part II—Semi-infinite solid. Theor. Appl. Fract. Mech. 1994, 20, 227–237. [Google Scholar] [CrossRef]
- Graham, G.A.C.; Lan, Q. Stress intensity factors for two offset parallel circular cracks: Part III—Elastic layer. Theor. Appl. Fract. Mech. 1994, 20, 239–248. [Google Scholar] [CrossRef]
- Jiang, Z.D.; Petit, J.; Bezine, G. Fatigue propagation of two parallel cracks. Eng. Fract. Mech. 1990, 37, 1139–1144. [Google Scholar] [CrossRef]
- Hui, J.J.; Su, J.W. A new driving force parameter for fatigue growth of multiple cracks. Int. J. Fatigue 2017, 96, 10–16. [Google Scholar] [CrossRef]
- Kamaya, M. Growth evaluation of multiple interacting surface cracks. Part I: Experiments and simulation of coalesced crack. Eng. Fract. Mech. 2008, 75, 1336–1349. [Google Scholar] [CrossRef]
- Kamaya, M. Growth evaluation of multiple interacting surface cracks. Part II: Growth evaluation of parallel cracks. Eng. Fract. Mech. 2008, 75, 1350–1366. [Google Scholar] [CrossRef]
- Kamaya, M.; Miyokawa, E.; Kikuchi, M. Growth prediction of two interacting surface cracks of dissimilar sizes. Eng. Fract. Mech. 2010, 77, 3120–3131. [Google Scholar] [CrossRef]
- Tang, L.; Qian, C.; Ince, A.; Li, H.; Zhang, X. The effect of strain strengthening on the mixed mode crack fatigue propagation in the HAZ of 06Cr19Ni10 stainless steel. Mater. Sci. Eng. A 2017, 698, 341–347. [Google Scholar] [CrossRef]
- Sabbagh-Yazdi, S.R.; Farhoud, A.; Asil, G.S. Simulation of 2D linear crack growth under constant load using GFVM and two-point displacement extrapolation method. Appl. Math. Model. 2018, 61, 650–667. [Google Scholar] [CrossRef]
- Xing, C.; Zhou, C. A singular planar element with rotational degree of freedom for fracture analysis. Theor. Appl. Fract. Mech. 2016, 86, 239–249. [Google Scholar] [CrossRef]
- Hessari, P. Pseudo-spectral least squares method for linear elasticity. Comput. Math. Appl. 2018, 76, 1356–1371. [Google Scholar] [CrossRef]
- Tang, L.; Qian, C.; Ince, A.; Zheng, J.; Li, H.; Han, Z. Fatigue Crack Growth Behavior of the MIG Welded Joint of 06Cr19Ni10 Stainless Steel. Materials 2018, 11, 1336. [Google Scholar] [CrossRef] [PubMed]















| Material | C | Mn | P | S | Si | Cr | Ni |
|---|---|---|---|---|---|---|---|
| 304 | ≤0.08 | ≤2.00 | ≤0.045 | ≤0.03 | ≤1.00 | 18.0–20.0 | 8.0–10.5 |
| The Shielding Effect | The Enhancement Effect | ||||
|---|---|---|---|---|---|
| SC | PC0.9S0 | PC1.0S0 | PC0.9S7 | PC1.0S7 | |
| a1 (mm) | 3 | 3 | 3 | 3 | 3 |
| a2 (mm) | — | 2.7 | 3 | 2.7 | 3 |
| s (mm) | — | 0 | 0 | 7 | 7 |
| h (mm) | — | 2.5 | 2.5 | 2.5 | 2.5 |
© 2019 by the authors. Licensee MDPI, Basel, Switzerland. This article is an open access article distributed under the terms and conditions of the Creative Commons Attribution (CC BY) license (http://creativecommons.org/licenses/by/4.0/).
Share and Cite
Han, Z.; Qian, C.; Tang, L.; Li, H. Determination of the Enhancement or Shielding Interaction between Two Parallel Cracks under Fatigue Loading. Materials 2019, 12, 1331. https://doi.org/10.3390/ma12081331
Han Z, Qian C, Tang L, Li H. Determination of the Enhancement or Shielding Interaction between Two Parallel Cracks under Fatigue Loading. Materials. 2019; 12(8):1331. https://doi.org/10.3390/ma12081331
Chicago/Turabian StyleHan, Zhichao, Caifu Qian, Lanqing Tang, and Huifang Li. 2019. "Determination of the Enhancement or Shielding Interaction between Two Parallel Cracks under Fatigue Loading" Materials 12, no. 8: 1331. https://doi.org/10.3390/ma12081331
APA StyleHan, Z., Qian, C., Tang, L., & Li, H. (2019). Determination of the Enhancement or Shielding Interaction between Two Parallel Cracks under Fatigue Loading. Materials, 12(8), 1331. https://doi.org/10.3390/ma12081331

