The Evaluation of Damage Effects on MgO Added Concrete with Slag Cement Exposed to Calcium Chloride Deicing Salt
Abstract
1. Introduction
2. Materials and Methods
2.1. Materials
2.2. Specimen Preparation
2.3. Experimental Methods
2.3.1. Compressive Strength
2.3.2. Accelerated Carbonation
2.3.3. Chloride Penetration Test
2.3.4. Chloride Content Test
2.3.5. XRD Analysis
2.3.6. SEM-EDAX Analysis
3. Results and Discussion
3.1. Specimens Up to 28 Days
3.1.1. Compressive Strength Test
3.1.2. Accelerated Carbonation
3.1.3. Chloride Penetration Test
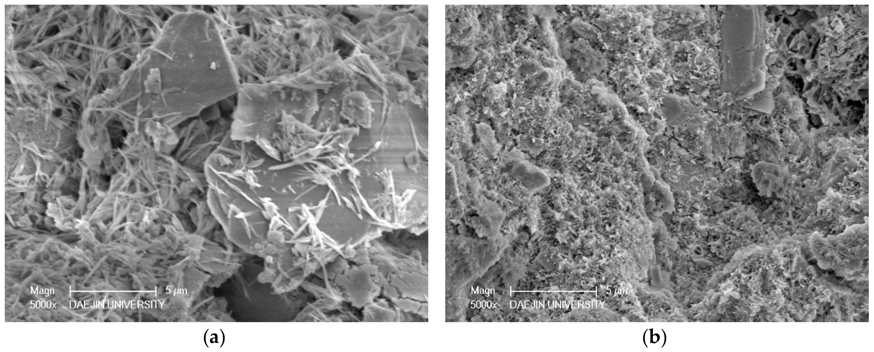
3.1.4. SEM-EDAX Analysis
3.2. Specimens after Immersion in Deicer Solution Up to 180 Days
3.2.1. Compressive Strength
3.2.2. Chloride Content According to Depth
3.2.3. XRD Analysis According to Depth from the Surface to the Inside
3.2.4. SEM-EDAX Analysis
4. Conclusions
Author Contributions
Funding
Conflicts of Interest
References
- Shi, X.; Akin, M.; Pan, T.; Fay, L.; Liu, Y.; Yang, Z. Deicer impacts on pavement materials: Introduction and recent developments. Open Civ. Eng. J. 2009, 3, 16–27. [Google Scholar] [CrossRef]
- Sumsion, E.S.; Guthrie, W.S. Physical and Chemical Effects of Deicers on Concrete Pavement: Literature Review; Utah Department of Transportation: Salt Lake City, UT, USA, 2013. [Google Scholar]
- Farnam, Y.; Dick, S.; Wiese, A.; Davis, J.; Bentz, D.; Weiss, J. The influence of calcium chloride deicing salt on phase changes and damage development in cementitious materials. Cem. Concr. Compos. 2015, 64, 1–15. [Google Scholar] [CrossRef] [PubMed]
- Sutter, L.; Peterson, K.; Touton, S.; Van Dam, T.; Johnston, D. Petrographic evidence of calcium oxychloride formation in mortars exposed to magnesium chloride solution. Cem. Concr. Res. 2006, 36, 1533–1541. [Google Scholar] [CrossRef]
- Suraneni, P.; Monical, J.; Unal, E.; Farnam, Y.; Weiss, J. Calcium oxychloride formation potential in cementitious pastes exposed to blends of deicing salt. ACI Mater. J. 2017, 114, 631–641. [Google Scholar] [CrossRef]
- Glasser, F.P.; Marchand, J.; Samson, E. Durability of concrete—Degradation phenomena involving detrimental chemical reactions. Cem. Concr. Res. 2008, 38, 226–246. [Google Scholar] [CrossRef]
- Tritthart, J. Chloride binding in cement II. The influence of the hydroxide concentration in the pore solution of hardened cement paste on chloride binding. Cem. Concr. Res. 1989, 19, 683–691. [Google Scholar] [CrossRef]
- Ann, K.Y.; Ahn, J.H.; Ryou, J.S. The importance of chloride content at the concrete surface in assessing the time to corrosion of steel in concrete structures. Constr. Build. Mater. 2009, 23, 239–245. [Google Scholar] [CrossRef]
- Florea, M.V.A.; Brouwers, H.J.H. Chloride binding related to hydration products part I: Ordinary Portland cement. Cem. Concr. Res. 2012, 42, 282–290. [Google Scholar] [CrossRef]
- Huntzinger, D.N.; Eatmon, T.D. A life-cycle assessment of portland cement manufacturing: Comparing the traditional process with alternative technologies. J. Clean. Prod. 2009, 17, 668–675. [Google Scholar] [CrossRef]
- Papadakis, V.G.; Tsimas, S. Supplementary cementing materials in concrete—Part I: Efficiency and design. Cem. Concr. Res. 2002, 32, 1525–1532. [Google Scholar] [CrossRef]
- Song, H.W.; Saraswathy, V. Studies on the corrosion resistance of reinforced steel in concrete with ground granulated blast-furnace slag—An overview. J. Hazard. Mater 2006, 138, 226–233. [Google Scholar] [CrossRef] [PubMed]
- Otieno, M.; Beushausen, H.; Alexander, M. Effect of chemical composition of slag on chloride penetration resistance of concrete. Cem. Concr. Compos. 2014, 46, 56–64. [Google Scholar] [CrossRef]
- Du, C. A review of magnesium oxide in concrete. Concr. Int. 2005, 27, 45–50. [Google Scholar]
- Chatterji, S. Mechanism of expansion of concrete due to the presence of dead-burnt cao and mgo. Cem. Concr. Res. 1995, 25, 51–56. [Google Scholar] [CrossRef]
- Yang, Q.; Zhu, B.; Wu, X. Characteristics and durability test of magnesium phosphate cement-based material for rapid repair of concrete. Mater. Struct. 2000, 33, 229–234. [Google Scholar] [CrossRef]
- Qiao, F.; Chau, C.K.; Li, Z. Property evaluation of magnesium phosphate cement mortar as patch repair material. Constr. Build. Mater. 2010, 24, 695–700. [Google Scholar] [CrossRef]
- Runcevski, T.; Wu, C.Y.; Yu, H.F.; Yang, B.; Dinnebier, R.E. Structural characterization of a new magnesium oxysulfate hydrate cement phase and its surface reactions with atmospheric carbon dioxide. J. Am. Ceram. Soc. 2013, 96, 3609–3616. [Google Scholar] [CrossRef]
- Beaudoin, J.J.; Ramachandran, V.S. Strength development in magnesium oxysulfate cement. Cem. Concr. Res. 1978, 8, 103–112. [Google Scholar] [CrossRef]
- Zhang, T.; Cheeseman, C.R.; Vandeperre, L.J. Development of low ph cement systems forming magnesium silicate hydrate (M-S-H). Cem. Concr. Res. 2011, 41, 439–442. [Google Scholar] [CrossRef]
- Zhang, T.; Vandeperre, L.J.; Cheeseman, C.R. Formation of magnesium silicate hydrate (M-S-H) cement pastes using sodium hexametaphosphate. Cem. Concr. Res. 2014, 65, 8–14. [Google Scholar] [CrossRef]
- Mo, L.W.; Deng, M.; Tang, M.S.; Al-Tabbaa, A. Mgo expansive cement and concrete in china: Past, present and future. Cem. Concr. Res. 2014, 57, 1–12. [Google Scholar] [CrossRef]
- Mo, L.W.; Deng, M.; Tang, M.S. Effects of calcination condition on expansion property of mgo-type expansive agent used in cement-based materials. Cem. Concr. Res. 2010, 40, 437–446. [Google Scholar] [CrossRef]
- Choi, S.-W.; Jang, B.-S.; Kim, J.-H.; Lee, K.-M. Durability characteristics of fly ash concrete containing lightly-burnt mgo. Constr. Build. Mater. 2014, 58, 77–84. [Google Scholar] [CrossRef]
- Berntsson, L.; Chandra, S. Damage of concrete sleepers by calcium-chloride. Cem. Concr. Res. 1982, 12, 87–92. [Google Scholar] [CrossRef]
- Shi, X.M.; Fay, L.; Peterson, M.M.; Berry, M.; Mooney, M. A fesem/edx investigation into how continuous deicer exposure affects the chemistry of Portland cement concrete. Constr. Build. Mater. 2011, 25, 957–966. [Google Scholar] [CrossRef]
- Shi, X.; Fay, L.; Peterson, M.M.; Yang, Z. Freeze–thaw damage and chemical change of a portland cement concrete in the presence of diluted deicers. Mater. Struct. 2010, 43, 933–946. [Google Scholar] [CrossRef]
- Tooper, B.; Cartz, L. Structure and formation of magnesium oxychloride sorel cements. Nature 1966, 211, 64–66. [Google Scholar] [CrossRef]
- Kurdowski, W. The protective layer and decalcification of csh in the mechanism of chloride corrosion of cement paste. Cem. Concr. Res. 2004, 34, 1555–1559. [Google Scholar] [CrossRef]
- NT Build 492. Concrete, Mortar and Cement-Based Repair Materials: Chloride Migration Coefficient from Non-Steady-State Migration Experiments; Nordtest: Espoo, Finland, 1999. [Google Scholar]
- NT Build 443. Concrete, Hardened: Accelerated Chloride Penetration; Nordtest: Espoo, Finland, 1995. [Google Scholar]
- NT Build 208. Concrete, Hardened: Chloride Content by Volhard Titration; Nordtest: Espoo, Finland, 1996. [Google Scholar]
- Zheng, L.; Cui, X.H.; Tang, M.S. Mgo-type delayed expansive cement. Cem. Concr. Res. 1991, 21, 1049–1057. [Google Scholar] [CrossRef]
- Brew, D.M.R.; Glasser, F.P. The magnesia-silica gel phase in slag cements: Alkali (k, cs) sorption potential of synthetic gels. Cem. Concr. Res. 2005, 35, 77–83. [Google Scholar] [CrossRef]
- Bonen, D. Composition and appearance of magnesium-silicate hydrate and its relation to deterioration of cement-based materials. J. Am. Ceram. Soc. 1992, 75, 2904–2906. [Google Scholar] [CrossRef]
- Bernard, E.; Lothenbach, B.; Le Goff, F.; Pochard, I.; Dauzees, A. Effect of magnesium on calcium silicate hydrate (C-S-H). Cem. Concr. Res. 2017, 97, 61–72. [Google Scholar] [CrossRef]
- Liska, M.; Vandeperre, L.J.; Al-Tabbaa, A. Influence of carbonation on the properties of reactive magnesia cement-based pressed masonry units. Adv. Cem. Res. 2008, 20, 53–64. [Google Scholar] [CrossRef]
- Mo, L.W.; Panesar, D.K. Effects of accelerated carbonation on the microstructure of portland cement pastes containing reactive mgo. Cem. Concr. Res. 2012, 42, 769–777. [Google Scholar] [CrossRef]
- Mo, L.; Panesar, D.K. Accelerated carbonation—A potential approach to sequester CO2 in cement paste containing slag and reactive mgo. Cem. Concr. Compos. 2013, 43, 69–77. [Google Scholar] [CrossRef]
- Panesar, D.K.; Mo, L. Properties of binary and ternary reactive mgo mortar blends subjected to CO2 curing. Cem. Concr. Compos. 2013, 38, 40–49. [Google Scholar] [CrossRef]
- Davies, P.J.; Bubela, B. The transformation of nesquehonite into hydromagnesite. Chem. Geol. 1973, 12, 289–300. [Google Scholar] [CrossRef]
- Hopkinson, L.; Rutt, K.; Cressey, G. The transformation of nesquehonite to hydromagnesite in the system cao-mgo-H2O-CO2: An experimental spectroscopic study. J. Geol. 2008, 116, 387–400. [Google Scholar] [CrossRef]
- Bakharev, T.; Sanjayan, J.; Cheng, Y.-B. Resistance of alkali-activated slag concrete to carbonation. Cem. Concr. Res. 2001, 31, 1277–1283. [Google Scholar] [CrossRef]
- Dhir, R.K.; ElMohr, M.A.K.; Dyer, T.D. Chloride binding in ggbs concrete. Cem. Concr. Res. 1996, 26, 1767–1773. [Google Scholar] [CrossRef]
- Mo, L.; Deng, M.; Wang, A. Effects of mgo-based expansive additive on compensating the shrinkage of cement paste under non-wet curing conditions. Cem. Concr. Compos. 2012, 34, 377–383. [Google Scholar] [CrossRef]
- Yuan, Q.; Shi, C.J.; De Schutter, G.; Audenaert, K.; Deng, D.H. Chloride binding of cement-based materials subjected to external chloride environment—A review. Constr. Build. Mater. 2009, 23, 1–13. [Google Scholar] [CrossRef]
- Cole, W.F. A crystalline hydrated magnesium silicate formed in the breakdown of a concrete sea-wall. Nature 1953, 171, 354–355. [Google Scholar] [CrossRef]

















| Binder | SiO2 (%) | Al2O3 (%) | Fe2O3 (%) | CaO (%) | MgO (%) | SO3 (%) | Ig. loss (%) | Specific Gravity | Surface Area (cm2/g) |
|---|---|---|---|---|---|---|---|---|---|
| OPC | 20.8 | 6.3 | 3.2 | 62.0 | 3.3 | 2.2 | 1.5 | 3.15 | 3410 |
| Slag cement | 34.1 | 16.1 | 0.4 | 42.3 | 4.1 | 2.5 | 0.05 | 2.89 | 4893 |
| MgO | 3.34 | 0.54 | 2.18 | 4.14 | 88.5 | 0.04 | - | - | - |
| Properties | Fine Aggregate | Coarse Aggregate | Test Method |
|---|---|---|---|
| Gmax (mm) | 25 | 25 | - |
| Density (g/cm3) | 2.62 | 2.66 | KS F 2503 |
| Bulk absorption (%) | 0.72 | 0.72 | KS F 2503 |
| Fineness modulus | 6.91 | 6.91 | KS F 2502 |
| Abrasion rate (%) | 25.1 | 25.1 | KS F 2508 |
| Unit volume mass (kg/L) | 1.564 | 1.564 | KS F 2505 |
| Types | W/B (%) | S/a (%) | Unit Weight (kg/m3) | ||||||
|---|---|---|---|---|---|---|---|---|---|
| Water | OPC | Slag Cement | Sand | Gravel | MgO | SP | |||
| C-M0 | 42.5 | 39.2 | 184 | 499 | - | 618 | 965 | - | 4.99 (C×1%) |
| C-M5 | 24.95 | ||||||||
| C-M7 | 34.93 | ||||||||
| C-M10 | 49.9 | ||||||||
| S30-M0 | 349.3 | 149.7 | - | ||||||
| S30-M5 | 24.95 | ||||||||
| S30-M7 | 34.93 | ||||||||
| S30-M10 | 49.9 | ||||||||
| S50-M0 | 249.5 | 249.5 | - | ||||||
| S50-M5 | 24.95 | ||||||||
| S50-M7 | 34.93 | ||||||||
| S50-M10 | 49.9 | ||||||||
| Binder Type | M0 | M5 | M7 | M10 |
|---|---|---|---|---|
| C- | 1.85 × 10−10 | 2.33 × 10−10 | 3.32 × 10−10 | 4.30 × 10−10 |
| S30- | 3.46 × 10−11 | 2.79 × 10−11 | 2.05 × 10−11 | 3.98 × 10−11 |
| S50- | 7.62 × 10−11 | 3.61 × 10−11 | 4.53 × 10−11 | 6.17 × 10−11 |
© 2018 by the authors. Licensee MDPI, Basel, Switzerland. This article is an open access article distributed under the terms and conditions of the Creative Commons Attribution (CC BY) license (http://creativecommons.org/licenses/by/4.0/).
Share and Cite
Jang, J.-K.; Kim, H.-G.; Kim, J.-H.; Ryou, J.-S. The Evaluation of Damage Effects on MgO Added Concrete with Slag Cement Exposed to Calcium Chloride Deicing Salt. Materials 2018, 11, 793. https://doi.org/10.3390/ma11050793
Jang J-K, Kim H-G, Kim J-H, Ryou J-S. The Evaluation of Damage Effects on MgO Added Concrete with Slag Cement Exposed to Calcium Chloride Deicing Salt. Materials. 2018; 11(5):793. https://doi.org/10.3390/ma11050793
Chicago/Turabian StyleJang, Jae-Kyeong, Hong-Gi Kim, Jun-Hyeong Kim, and Jae-Suk Ryou. 2018. "The Evaluation of Damage Effects on MgO Added Concrete with Slag Cement Exposed to Calcium Chloride Deicing Salt" Materials 11, no. 5: 793. https://doi.org/10.3390/ma11050793
APA StyleJang, J.-K., Kim, H.-G., Kim, J.-H., & Ryou, J.-S. (2018). The Evaluation of Damage Effects on MgO Added Concrete with Slag Cement Exposed to Calcium Chloride Deicing Salt. Materials, 11(5), 793. https://doi.org/10.3390/ma11050793

