Investigation on the Mechanical Properties of SMA/GF/Epoxy Hybrid Composite Laminates: Flexural, Impact, and Interfacial Shear Performance
Abstract
:1. Introduction
2. Manufacturing and Test Methods
2.1. Materials and Manufacturing
2.2. Flexural and Low-Velocity Impact Test
2.3. Interfacial Shear Strength Test
2.4. SEM and X-ray Spectroscopy Test
3. Results and Discussion
3.1. Flexural Performance Test
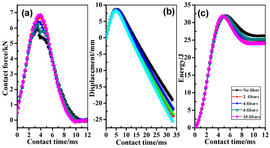
3.2. Low-Velocity Impact Test
3.3. SMA and GF/Epoxy Bonding Strength Test
4. Conclusions
Acknowledgments
Author Contributions
Conflicts of Interest
References
- Raghavan, J.; Bartkiewicz, T.; Boyko, S.; Kupriyanov, M.; Rajapakse, N.; Yu, B. Damping, tensile, and impact properties of superelastic shape memory alloy (SMA) fiber-reinforced polymer composites. Compos. Part B 2010, 41, 214–222. [Google Scholar] [CrossRef]
- Berman, J.; White, S. Theoretical modelling of residual and transformational stresses in SMA composites. Smart Mater Struct. 1996, 6, 731–743. [Google Scholar] [CrossRef]
- Yang, B.; Wang, Z.; Zhou, L.; Zhang, J.; Liang, W. Experimental and numerical investigation of interply hybrid composites based on woven fabrics and PCBT resin subjected to low-velocity impact. Compos. Struct. 2015, 132, 464–476. [Google Scholar] [CrossRef]
- Yang, B.; Wang, Z.; Zhou, L.; Zhang, J.; Tong, L.; Liang, W. Study on the low-velocity impact response and CAI behavior of foam-filled sandwich panels with hybrid facesheet. Compos. Struct. 2015, 132, 1129–1140. [Google Scholar] [CrossRef]
- Yang, B.; Zhang, J.; Zhou, L.; Lu, M.; Liang, W.; Wang, Z. Effect of fiber surface modification on water absorption and hydrothermal aging behaviors of GF/pCBT composites. Compos. Part B 2015, 82, 84–91. [Google Scholar] [CrossRef]
- Poon, C.; Lau, K.; Zhou, L. Design of pull-out stresses for prestrained SMA wire/polymer hybrid composites. Compos. Part B-Eng. 2005, 36, 25–31. [Google Scholar] [CrossRef]
- Yang, B.; Tong, L.; Chea, C. Optimization design, manufacturing and mechanical performance of box girder made by carbon fiber-reinforced epoxy composites. Sci. Eng. Compos. Mater. 2016. [Google Scholar] [CrossRef]
- Yang, B.; He, L.; Gao, Y. Simulation on impact response of FMLs: Effect of fiber stacking sequence, thickness, and incident angle. Sci. Eng. Compos. Mater. 2017. [Google Scholar] [CrossRef]
- Yang, B.; Kong, L.; Wang, L.; Gao, Y. Experimental Study on the Bending Property of Nanosilica Incorporated GF/PCBT Composites Exposed under Various Environmental Conditions. J. Polym. Mater. 2016, 33, 737–751. [Google Scholar]
- Zhang, R.; Ni, Q.; Natsuki, T.; Iwamoto, M. Mechanical properties of composites filled with SMA particles and short fibers. Compos. Struct. 2007, 79, 90–96. [Google Scholar] [CrossRef]
- Samadpour, M.; Sadighi, M.; Shakeri, M.; Zamani, H. Vibration analysis of thermally buckled SMA hybrid composite sandwich plate. Compos. Struct. 2015, 119, 251–263. [Google Scholar] [CrossRef]
- Lu, Q.; Liu, L.; Lan, X.; Liu, Y.; Leng, J. Dynamic responses of SMA-epoxy composites and application for piezoelectric energy harvesting. Compos. Struct. 2016, 153, 843–850. [Google Scholar] [CrossRef]
- Kabir, M.; Tehrani, B. Closed-form solution for thermal, mechanical, and thermo-mechanical buckling and post-buckling of SMA composite plates. Compos. Struct. 2017, 168, 535–548. [Google Scholar] [CrossRef]
- Li, J.; Zu, L.; Zhong, G.; He, M.; Yin, H.; Tan, Y. Stiffness characteristics of soft finger with embedded SMA fibers. Compos. Struct. 2017, 160, 758–764. [Google Scholar] [CrossRef]
- Zheng, B.; Dawood, M. Fatigue crack growth analysis of steel elements reinforced with shape memory alloy (SMA)/fiber reinforced polymer (FRP) composite patches. Compos. Struct. 2017, 164, 158–169. [Google Scholar] [CrossRef]
- Rana, D.; Sauvant, V.; Halary, J. Molecular analysis of yielding in pure and antiplasticized epoxy-amine thermosets. J. Mater. Sci. 2002, 37, 5267–5274. [Google Scholar] [CrossRef]
- Rana, D.; Mounach, H.; Halary, J.; Monnerie, L. Differences in mechanical behavior between alternating and random styrene-methyl methacrylate copolymers. J. Mater. Sci. 2005, 40, 943–953. [Google Scholar] [CrossRef]
- Tian, Y.; Wang, E.; Li, W.; Niu, Z.; Chang, Y.; Guo, C.; Wang, Z.; Leng, Z.; Jiang, F. Improved fracture toughness of NiTi shape memory alloy fiberreinforced Ti-Al metal-intermetallic-laminate composite. J. Alloys Compd. 2018, 739, 669–677. [Google Scholar] [CrossRef]
- Yang, B.; Zhang, J.; Zhou, L.; Wang, Z.; Liang, W. Effect of fiber surface modification on the lifetime of glass fiber reinforced polymerized cyclic butylene terephthalate composites in hygrothermal conditions. Mater. Des. 2015, 85, 14–23. [Google Scholar] [CrossRef]
- Yuan, G.; Bai, Y.; Jia, Z.; Hui, D.; Lau, K. Enhancement of interfacial bonding strength of SMA smart composites by using mechanical indented method. Compos. Part B 2016, 106, 99–106. [Google Scholar] [CrossRef]
- Choi, E.; Kim, D.; Lee, J.; Ryu, G. Monotonic and hysteretic pullout behavior of superelastic SMA fibers with different anchorages. Compos. Part B 2017, 108, 232–242. [Google Scholar] [CrossRef]
- Mohammad, S.; Yan, D.; Tong, L.; Shaikh, N.; Anup, K.; Andrew, I.; Vincent, G. Grafting carbon nanotubes directly onto carbon fibers for superior mechanical stability: Towards next generation aerospace composites and energy storage applications. Carbon 2016, 96, 701–710. [Google Scholar]









| - | No Fiber | 2 Fibers | 4 Fibers | 6 Fibers | 10 Fibers |
|---|---|---|---|---|---|
| Ply Mode I | 22.73 | 23.81 | 23.91 | 22.42 | 22.11 |
| Ply Mode II | 22.73 | 23.61 | 23.73 | 22.38 | 21.66 |
| Ply Mode III | 22.73 | 22.74 | 23.74 | 22.21 | - |
| Immersion Duration/h | 0 | 2 | 4 | 6 | 8 | 10 |
| Shear Strength/MPa | 1.32 | 1.53 | 1.56 | 1.84 | 1.89 | 1.36 |
© 2018 by the authors. Licensee MDPI, Basel, Switzerland. This article is an open access article distributed under the terms and conditions of the Creative Commons Attribution (CC BY) license (http://creativecommons.org/licenses/by/4.0/).
Share and Cite
Zhao, S.; Teng, J.; Wang, Z.; Sun, X.; Yang, B. Investigation on the Mechanical Properties of SMA/GF/Epoxy Hybrid Composite Laminates: Flexural, Impact, and Interfacial Shear Performance. Materials 2018, 11, 246. https://doi.org/10.3390/ma11020246
Zhao S, Teng J, Wang Z, Sun X, Yang B. Investigation on the Mechanical Properties of SMA/GF/Epoxy Hybrid Composite Laminates: Flexural, Impact, and Interfacial Shear Performance. Materials. 2018; 11(2):246. https://doi.org/10.3390/ma11020246
Chicago/Turabian StyleZhao, Shicheng, Jianxin Teng, Zhenqing Wang, Xiaoyu Sun, and Bin Yang. 2018. "Investigation on the Mechanical Properties of SMA/GF/Epoxy Hybrid Composite Laminates: Flexural, Impact, and Interfacial Shear Performance" Materials 11, no. 2: 246. https://doi.org/10.3390/ma11020246
APA StyleZhao, S., Teng, J., Wang, Z., Sun, X., & Yang, B. (2018). Investigation on the Mechanical Properties of SMA/GF/Epoxy Hybrid Composite Laminates: Flexural, Impact, and Interfacial Shear Performance. Materials, 11(2), 246. https://doi.org/10.3390/ma11020246

