Effect of Multi-Pass Ultrasonic Surface Rolling on the Mechanical and Fatigue Properties of HIP Ti-6Al-4V Alloy
Abstract
:1. Introduction
2. Experimental Details
2.1. Materials
2.2. MUSR Treatment
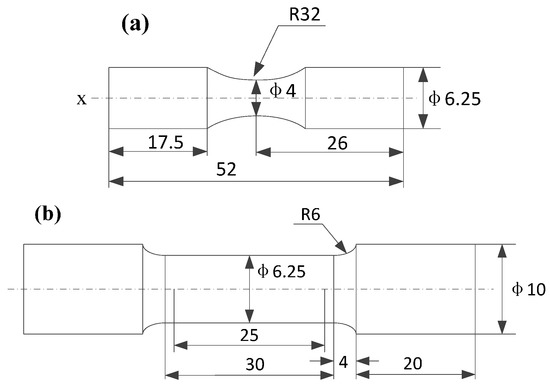
2.3. Tensile Tests
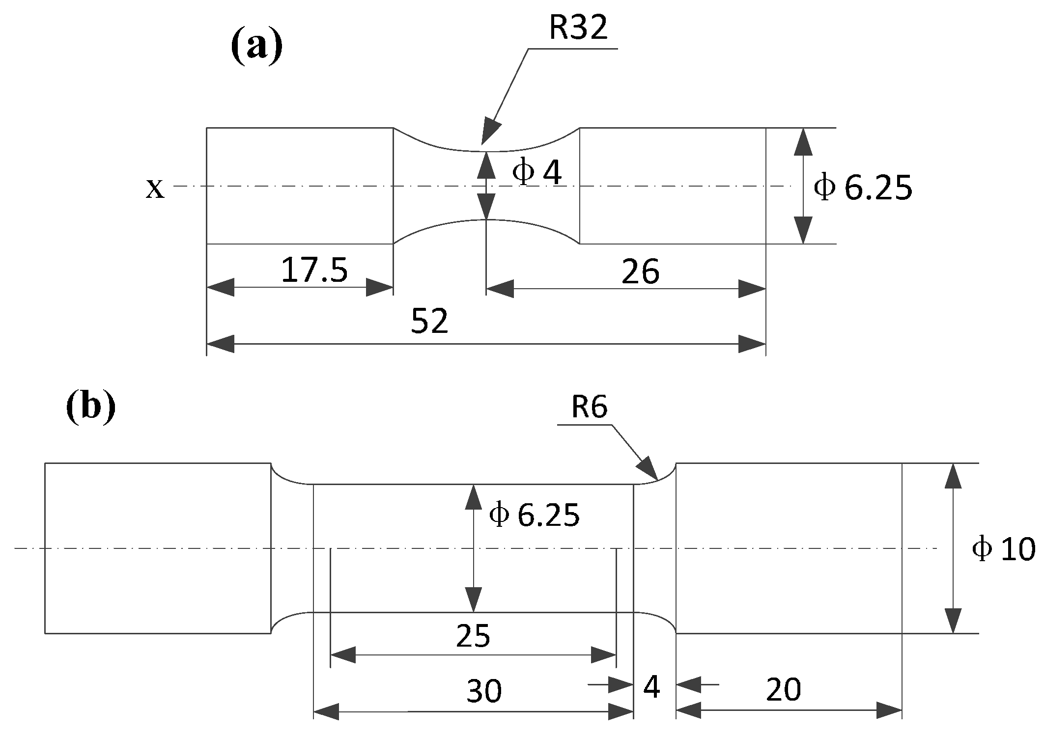
2.4. Fatigue Tests
2.5. Microstructure Analysis
3. Results and Discussion
3.1. Microstructure
3.2. Surface Roughness and Microhardness Profile
3.3. Tensile Behavior
3.4. Fatigue Behavior
4. Conclusions
- (1)
- Surface layer mechanical properties and microstructure of Ti-6Al-4V alloy prepared by HIP are obviously improved by MUSR treatment relative to the initial state.
- (2)
- Compared to the smaller increase extent (2.8%) of tensile strength, the fatigue strength (560 MPa) of samples after MUSR treatment has about a 25% increase on the base of 107 cycles. The increased strength should be the combined effects of the increased microhardness and compressive residual stress, low surface roughness, grain refinement and micro-pore healing in the material surface layer.
- (3)
- MUSR-treated samples show the different tensile and fatigue fracture morphologies compared to untreated samples. The tensile sample has a transition layer with the thickness of h at the edge of fracture surface, and the crack initiation sites are located in the micro pores inside the material. The fatigue sample has the crack initiation sites in the subsurface region, where is below the compressive residual stress field, and the distance of crack initial sites from the treated surface is consistent with the transition layer thickness of tensile samples.
Acknowledgments
Author Contributions
Conflicts of Interest
References
- Boyer, R.R. Overview on the use of titanium in the aerospace industry. Mater. Sci. Eng. A 1996, 213, 103–114. [Google Scholar] [CrossRef]
- Leyens, C.; Peters, M. Titanium and Titanium Alloys: Fundamentals and Applications; Wiley-VCH: Weinheim, Germany, 2003. [Google Scholar]
- Dekhtyar, A.I.; Mordyuk, B.N.; Savvakin, D.G.; Bondarchuk, V.I.; Moiseeva, I.V.; Khripta, N.I. Enhanced fatigue behavior of powder metallurgy Ti-6Al-4V alloy by applying ultrasonic impact treatment. Mater. Sci. Eng. A 2015, 641, 348–359. [Google Scholar] [CrossRef]
- Zhang, K.; Mei, J.; Wain, N.; Wu, X. Effect of hot-isostatic-pressing parameters on the microstructure and properties of powder Ti-6Al-4V hot-isostatically-pressed samples. Metall. Mater. Trans. A 2010, 41, 1033–1045. [Google Scholar] [CrossRef]
- Chang, L.; Sun, W.; Cui, Y.; Yang, R. Influences of hot-isostatic-pressing temperature on microstructure, tensile properties and tensile fracture mode of Inconel 718 powder compact. Mater. Sci. Eng. A 2014, 599, 186–195. [Google Scholar] [CrossRef]
- Sen, I.; Tamirisakandala, S.; Miracle, D.B.; Ramamurty, U. Microstructural effects on the mechanical behavior of B-modified Ti-6Al-4V alloys. Acta Mater. 2007, 55, 4983–4993. [Google Scholar] [CrossRef]
- Singh, G.; Sen, I.; Gopinath, K.; Ramamurty, U. Influence of minor addition of boron on tensile and fatigue properties of wrought Ti-6Al-4V alloy. Mater. Sci. Eng. A 2012, 540, 142–151. [Google Scholar] [CrossRef]
- Baccino, R.; Morret, F.; Fellerin, F.; Guichard, D.; Raisson, G. High performance and high complexity net shape parts for gas turbines: The ISOPREC® powder metallurgy process. Mater. Des. 2000, 21, 345–350. [Google Scholar] [CrossRef]
- Gao, Y.K. Improvement of fatigue property in 7050–T7451 aluminum alloy by laser peening and shot peening. Mater. Sci. Eng. A 2011, 528, 3823–3828. [Google Scholar] [CrossRef]
- Jiang, X.P.; Man, C.S.; Shepard, M.J.; Zhai, T. Effects of shot-peening and re-shot-peening on four-point bend fatigue behavior of Ti-6Al-4V. Mater. Sci. Eng. A 2007, 468–470, 137–143. [Google Scholar] [CrossRef]
- Jelliti, S.; Richard, C.; Retraint, D.; Roland, T.; Chemkhi, M.; Demangel, C. Effect of surface nanocrystallization on the corrosion behavior of Ti-6Al-4V titanium alloy. Surf. Coat. Technol. 2013, 224, 82–87. [Google Scholar] [CrossRef]
- Nalla, R.K.; Altenberger, I.; Noster, U.; Liu, G.Y.; Scholtes, B.; Ritchie, R.O. On the influence of mechanical surface treatments-deep rolling and laser shock peening-on the fatigue behavior of Ti-6Al-4V at ambient and elevated temperatures. Mater. Sci. Eng. A 2003, 355, 216–230. [Google Scholar] [CrossRef]
- Mordyuk, B.N.; Prokopenko, G.I.; Milman, Y.V.; Iefimov, M.O.; Sameljuk, A.V. Enhanced fatigue durability of Al–6Mg alloy by applying ultrasonic impact peening: Effects of surface hardening and reinforcement with AlCuFe quasi-crystalline particles. Mater. Sci. Eng. A 2013, 563, 138–146. [Google Scholar] [CrossRef]
- Gere, J.M.; Timoshenko, S.P. Mechanics of Materials, 4th ed.; PWS Publishing Company: Boston, MA, USA, 1997. [Google Scholar]
- Ye, X.X.; Ye, Y.D.; Tang, G.Y. Effect of electropulsing treatment and ultrasonic striking treatment on the mechanical properties and microstructure of biomedical Ti-6Al-4V alloy. J. Mech. Behav. Biomed. Mater. 2014, 40, 287–296. [Google Scholar] [CrossRef] [PubMed]
- Inoue, T.; Horita, Z.; Somekawa, H.; Ogawa, K. Effect of initial grain sizes on hardness variation and strain distribution of pure aluminum severely deformed by compression tests. Acta Mater. 2008, 56, 6291–6303. [Google Scholar] [CrossRef]
- Wen, M.; Liu, G.; Gu, J.; Guan, W.; Lu, J. Dislocation evolution in titanium during surface severe plastic deformation. Appl. Surf. Sci. 2009, 255, 6097–6102. [Google Scholar] [CrossRef]
- Sonntag, R.; Reinders, J.; Gibmeier, J.; Kretzer, J.P. Fatigue performance of medical Ti6Al4V alloy after mechanical surface treatments. PLoS ONE 2015, 10, 1–15. [Google Scholar] [CrossRef] [PubMed]
- Kubiak, K.; Fouvry, S.; Marechal, A.M.; Vernet, J.M. Behaviour of shot peening combined with WC–Co HVOF coating under complex fretting wear and fretting fatigue loading conditions. Surf. Coat. Technol. 2006, 201, 4323–4328. [Google Scholar] [CrossRef]
- Amanov, A.; Cho, I.; Kim, D.; Pyun, Y. Fretting wear and friction reduction of CP titanium and Ti-6Al-4V alloy by ultrasonic nanocrystalline surface modification. Surf. Coat. Technol. 2012, 207, 135–142. [Google Scholar] [CrossRef]
- Petit Renaud, F. Optimization of shot peening parameters. In Shot Peening; Wiley-VCH: Weinheim, Germany, 2006. [Google Scholar]
- Jiang, X.P.; Wang, X.Y.; Li, J.X.; Li, D.Y.; Man, C.S.; Shepard, M.J.; Zhai, T. Enhancement of fatigue and corrosion properties of pure Ti by sandblasting. Mater. Sci. Eng. A 2006, 429, 30–35. [Google Scholar] [CrossRef]
- Zhang, Y.S.; Han, Z.; Lu, K. Fretting wear behavior of nanocrystalline surface layer of copper under dry condition. Wear 2008, 265, 396–401. [Google Scholar] [CrossRef]
- Ganesh, B.K.C.; Sha, W.; Ramanaiah, N.; Krishnaiah, A. Effect of shotpeening on sliding wear and tensile behavior of titanium implant alloys. Mater. Des. 2014, 56, 480–486. [Google Scholar] [CrossRef]
- Zhan, K.; Jiang, C.H.; Ji, V. Surface mechanical properties of S30432 austenitic steel after shot peening. Appl. Surf. Sci. 2012, 258, 9559–9563. [Google Scholar] [CrossRef]
- Yang, Z.; Qi, B.J.; Cong, B.Q.; Liu, F.J.; Yang, M.X. Microstructure, tensile properties of Ti-6Al-4V by ultra high pulsefrequency GTAW with low duty cycle. J. Mater. Process. Technol. 2015, 216, 37–47. [Google Scholar] [CrossRef]
- Vinogradov, A. Fatigue limit and crack growth in ultrafine grain metals produced by severe plastic deformation. J. Mater. Sci. 2007, 42, 1797–1808. [Google Scholar] [CrossRef]













| Element | Al | V | Fe | C | O | Si | N | H | Ti |
|---|---|---|---|---|---|---|---|---|---|
| Average | 6.0 | 4.0 | 0.21 | 0.08 | 0.12 | ≤0.05 | 0.09 | 0.002 | rest |
| Frequency (kHz) | Load (N) | Ball Diameter (mm) | Amplitude (μm) | Spindle Speed (rpm) | Axial Feed (mm/rev) |
|---|---|---|---|---|---|
| 30 | 600/750/900 | 15 | 10 | 45 | 0.08 |
© 2017 by the authors. Licensee MDPI, Basel, Switzerland. This article is an open access article distributed under the terms and conditions of the Creative Commons Attribution (CC BY) license ( http://creativecommons.org/licenses/by/4.0/).
Share and Cite
Li, G.; Qu, S.; Xie, M.; Ren, Z.; Li, X. Effect of Multi-Pass Ultrasonic Surface Rolling on the Mechanical and Fatigue Properties of HIP Ti-6Al-4V Alloy. Materials 2017, 10, 133. https://doi.org/10.3390/ma10020133
Li G, Qu S, Xie M, Ren Z, Li X. Effect of Multi-Pass Ultrasonic Surface Rolling on the Mechanical and Fatigue Properties of HIP Ti-6Al-4V Alloy. Materials. 2017; 10(2):133. https://doi.org/10.3390/ma10020133
Chicago/Turabian StyleLi, Gang, Shengguan Qu, Mingxin Xie, Zhaojun Ren, and Xiaoqiang Li. 2017. "Effect of Multi-Pass Ultrasonic Surface Rolling on the Mechanical and Fatigue Properties of HIP Ti-6Al-4V Alloy" Materials 10, no. 2: 133. https://doi.org/10.3390/ma10020133
APA StyleLi, G., Qu, S., Xie, M., Ren, Z., & Li, X. (2017). Effect of Multi-Pass Ultrasonic Surface Rolling on the Mechanical and Fatigue Properties of HIP Ti-6Al-4V Alloy. Materials, 10(2), 133. https://doi.org/10.3390/ma10020133
