Next Article in Journal
Game Optimization Theory and Application in Distribution System Expansion Planning, Including Distributed Generation
Previous Article in Journal
Exergy and Exergoeconomic Model of a Ground-Based CAES Plant for Peak-Load Energy Production
 
 
Font Type:
Arial Georgia Verdana
Font Size:
Aa Aa Aa
Line Spacing:
Column Width:
Background:
Article

A Photovoltaic Power System Using a High Step-up Converter for DC Load Applications

Department of Electrical Engineering, Chang-Gung University Kwei-Shan Tao-Yuan, Taiwan
*
Author to whom correspondence should be addressed.
Energies 2013, 6(2), 1068-1100; https://doi.org/10.3390/en6021068
Submission received: 26 December 2012 / Revised: 7 February 2013 / Accepted: 8 February 2013 / Published: 21 February 2013

Abstract

:
This paper presents a power system using a high step-up converter for dc load applications. The high step-up converter adopts a boost converter with interleaved mode and a coupled inductor to raise its powering ability and increase its step-up voltage ratio, respectively. In order to increase conversion efficiency, an active clamp circuit is introduced into the proposed one to provide soft-switching features to reduce switching losses. Moreover, switches in the converter and active clamp circuit are integrated with a synchronous switching technique to reduce circuit complexity and component counts, resulting in a lower cost and smaller volume. A perturb and observe method is adopted to extract the maximum power from photovoltaic (PV) arrays. Furthermore, a microchip associated with PWM IC is used to implement maximum power point tracking operation, voltage regulation and power management. Finally, a prototype PV power system with 400 V/6 A has been implemented for verifying the feasibility of the proposed PV power system. It is shown to be suitable for PV energy conversion applications when the duty ratios of switches in the dc/dc converter are less than 0.5.

Graphical Abstract

1. Introduction

Limited fossil energy and increased air pollution have spurred researchers to develop clean energy sources. One of these sources is the photovoltaic (PV) power generation system, which is a clean, quiet and an efficient method for generating electricity. In practical applications, PV arrays can be used in battery charging, water pumping, PV vehicles, satellite power systems, grid-connected power systems, standalone power systems, and so on. Due to the low conversion efficiency of PV arrays, on way to reduce the cost of the overall system is by using high efficiency power processors. The power processor usually adopts a dc/dc converter as its energy processing system.
When a dc/dc converter is used in a PV array power system, it is operated at the maximum power point (MPP) of the PV arrays to extract the maximum possible power for increasing the utilization rate of the PV arrays. As a result, its output voltage does not remain at the desired constant dc voltage. Therefore, a dc/dc converter with voltage regulation is used to connect with PV power systems in parallel to keep the output voltage in the desired constant dc voltage range, as shown in Figure 1.
Figure 1. Block diagram of PV power generation system for DC load applications.
Figure 1. Block diagram of PV power generation system for DC load applications.
Energies 06 01068 g001
In Figure 1, the dc bus voltage can supply a dc/ac inverter for a grid-connected power system [1,2,3,4,5], a dc/dc converter for dc load [6,7,8,9,10], and so on. The dc/ac inverter and dc/dc converter are regarded as dc loads. In this paper, the proposed power supply includes a dc/dc converter as the maximum power point tracking (MPPT) point of the PV arrays and a dc/dc converter as the load voltage regulator.
To increase the utility rate of PV arrays, power systems using PV arrays must track MPP to extract as much power as possible from the arrays. Several MPPT algorithms have been proposed [11,12,13,14,15,16,17,18,19,20]. Some of the more popular MPPT algorithms are the constant voltage method [11,12], β method [13], system oscillation method [14,15], ripple correlation method [16], incremental conductance method [17] and perturb and observe method [18,19,20]. Due to its simplicity and ease of implementation, the perturb and observe method is often used. Therefore, the perturb and observe method was adopted to implement the MPPT of the proposed power system.
In order to increase the conversion efficiency of a PV power system, switching power converters are widely used as dc/dc converters. Since the proposed PV power system requires a high step-up dc/dc converter, a transformer or coupled inductor is usually introduced into switching power converters [21,22]. Compared with the converter using an isolation transformer, the one using a coupled inductor has a simpler winding structure and a higher coupling coefficient. It can reduce inductor currents to ensure lower conduction losses and decrease leakage inductance to attain a lower switching loss, respectively. As a result, the one can use a lower value of the input filter capacitor to obtain a good regulation of the output voltage. Therefore, a system using a coupled inductor is relatively attractive. However, since the energy is trapped in the leakage inductor of the coupled inductor, it will not only increase voltage stresses, but induce significant switching losses of the switches in the converter. In order to solve these problems, several methods have been proposed [23,24,25]. In [23], a resistor-capacitor-diode (R-C-D) snubber is used to alleviate switch voltage stresses, but the energy trapped in the leakage inductor is dissipated by the resistor, resulting in a lower conversion efficiency of the converter. Therefore, a passive losses circuit [24] is adopted to recover the energy and reduce voltage spikes across switches, but active switches are still operated in hard switching mode. Its conversion efficiency does not increase significantly. In [25], an active clamp circuit is introduced into the converter for recovering the energy of the leakage inductor and limit voltage spike across switches. Moreover, the one can also achieve zero-voltage switching (ZVS) in converter switches to increase their conversion efficiency. As mentioned above, a boost converter associated with a coupled inductor is adopted in this research as the dc/dc converter, as shown in Figure 2. In order to further increase the powering capability of the converter, boost converters with interleaved manner have been proposed by several authors [26,27,28,29], as shown in Figure 3.
Figure 2. Schematic diagram of a boost converter with coupled inductor.
Figure 2. Schematic diagram of a boost converter with coupled inductor.
Energies 06 01068 g002
Figure 3. Schematic diagram of interleaved active clamp boost converter with coupled inductor.
Figure 3. Schematic diagram of interleaved active clamp boost converter with coupled inductor.
Energies 06 01068 g003
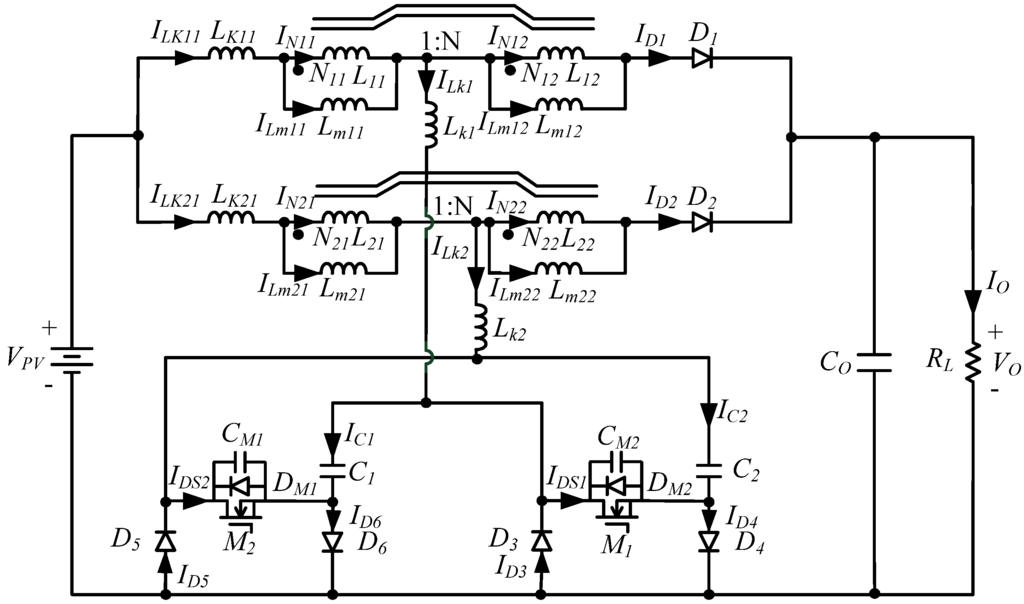
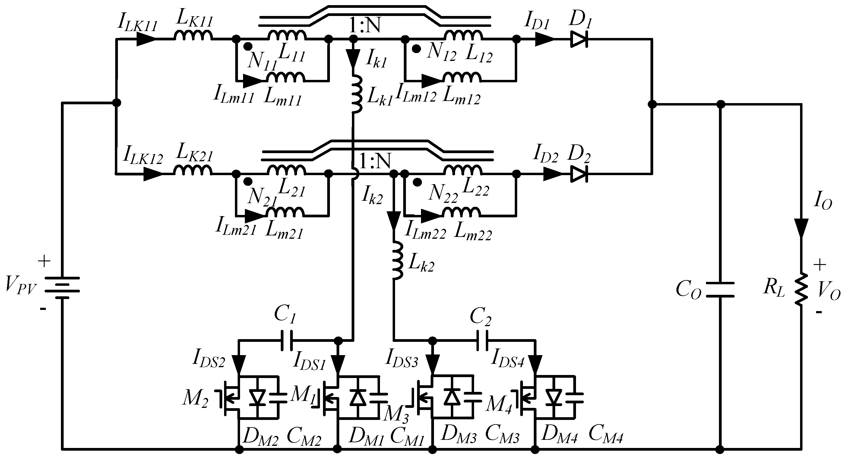
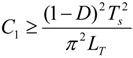
Due to the complexity of the circuit structure, the proposed dc/dc converter can be simplified however, as shown in Figure 4. From Figure 4, it can be seen that the proposed interleaved active clamp boost converter can use less component counts to achieve a high step-up voltage ratio and similar conversion efficiency for reducing the costs.
Figure 4. Schematic diagram of the proposed interleaved active clamp boost converter with coupled inductor.
Figure 4. Schematic diagram of the proposed interleaved active clamp boost converter with coupled inductor.
Energies 06 01068 g004
In particular, a general half-bridge converter, push-pull converter and full-bridge converter need pulse-width modulation (PWM) IC with two gate signals to drive their switches. Since the input sources of the converters adopt the voltage fed type, the duty ratios of their control PWM ICs are limited to within 0.5. If the dc/dc converter adopts a special PWM IC, which has a higher duty ratio (≥0.5), these are difficult to obtain and the cost will be increased.
In [28], as shown in Figure 5a, the duty ratios of switches in the proposed converters require that the duty ratios of the PWM ICs must be greater than 0.5, resulting in a higher cost. Moreover, its resonant capacitor has a higher current ripple rating (CRR), and it will need a special capacitor, which has a low ESR, high CRR and high operational bandwidth. Therefore, it is suitable for a low power level application. In [29] a voltage multiplier module to implement a high step-up voltage ratio was proposed, as shown in Figure 5b. Its voltage doubler capacitors also require a higher CRR. In particular, its controller adopts a DSP to implement its control method. Its cost is increased and its powering capability will be limited. In order to reduce the limitations of PWM ICs and capacitors for a voltage regulator, the proposed dc/dc converter can use a general PWM IC with two gate signals to achieve a high step-up voltage ratio and a high conversion efficiency with less component counts. As mentioned above, the proposed converter can reduce cost and further decrease its size, weight and volume. It is suitable for PV arrays applications when the PWM IC duty ratios are less than 0.5.
Figure 5. Schematic diagram of the conventional high step-up converters (a) proposed in [28]; and (b) proposed in [29].
Figure 5. Schematic diagram of the conventional high step-up converters (a) proposed in [28]; and (b) proposed in [29].
Energies 06 01068 g005

2. Control Algorithm of the Proposed PV Power System

In order to achieve a proper power management of the PV power system, the topology of the PV power system and power management are described in the following sections.

2.1. Circuit Topology of the Proposed PV Power System

The proposed PV power system consists of a dc/dc converter with MPPT, and a dc/dc converter with voltage regulation and controller, as shown in Figure 6.
Figure 6. Derivation of the proposed interleaved boost converter with coupled inductor.
Figure 6. Derivation of the proposed interleaved boost converter with coupled inductor.
Energies 06 01068 g006
Two dc/dc converters adopt an interleaved active clamp boost converter with coupled inductor, respectively, as shown in Figure 4. The one with MPPT control algorithm is used to extract the maximum power from the PV arrays. The other one, equipped with a voltage regulation control method, is required to regulate the power between the PV arrays and loads and to generate a constant output voltage for supplying power to the dc loads. Since the one with the MPPT control algorithm uses PV arrays as its power source, its controller, which is a microcontroller, is divided into two control units: MPPT unit and power management unit. The MPPT one can track the maximum power point (MPP) of the PV arrays. Its control method adopts the perturb and observe method, which is described in [18,19,20]. The power management one can separately regulate the output voltage of dc/dc converters with MPPT control algorithm and with the voltage regulation control method, according to the relationships between the maximum power PPV(max) of the PV arrays and the load power PL by signals M1 and SP. Moreover, the PWM IC unit is adopted to control the dc/dc converter by the voltage regulation control method to obtain a constant output voltage. Regulation of the output power by control signal Sp is also required. All of the protections are implemented by the microcontroller. The protections include over-current and -temperature protections of two dc/dc converters and battery undercharge. Therefore, the proposed PV power system can achieve the optimal utility rate of PV arrays.

2.2. Power Management

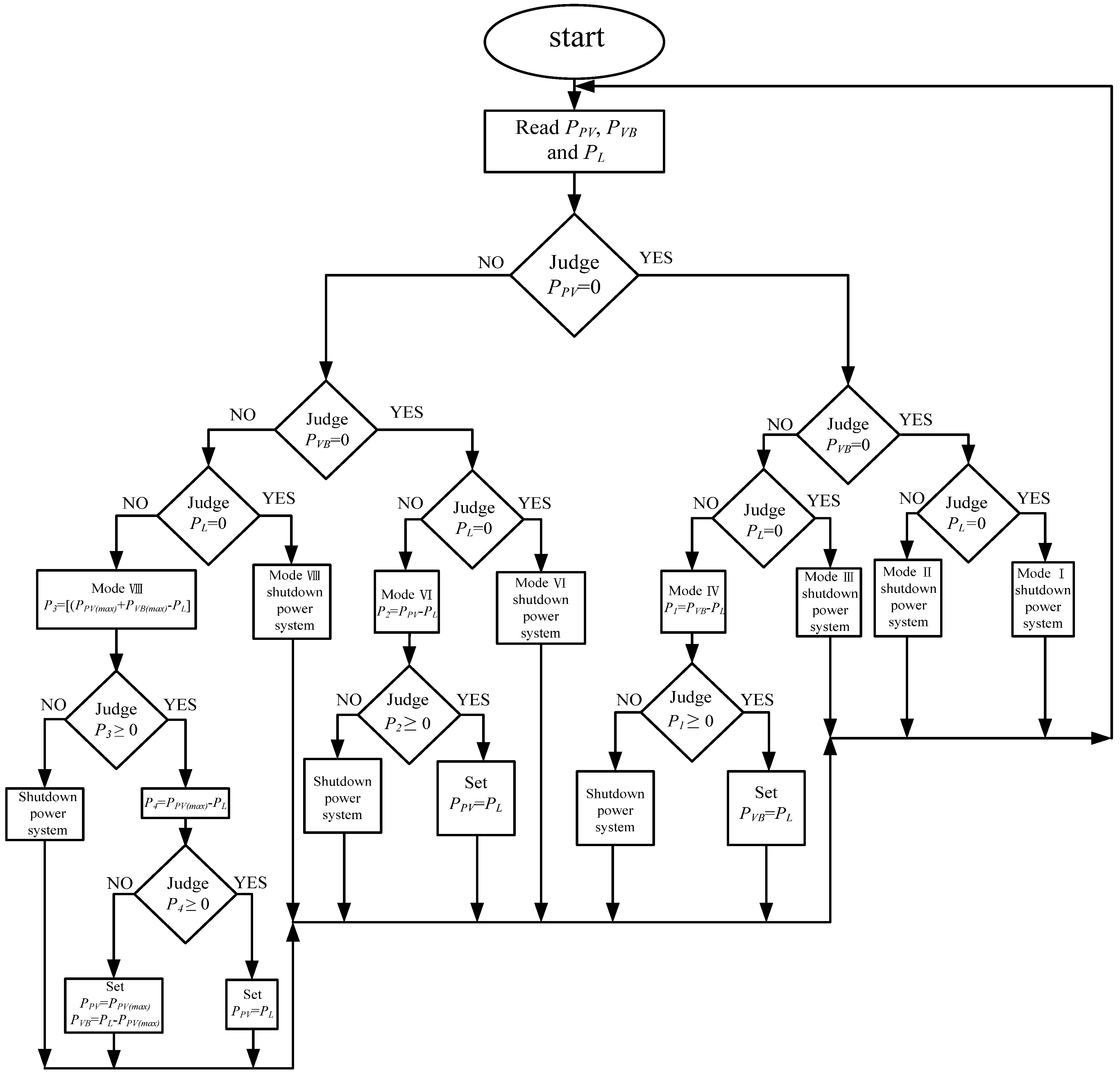
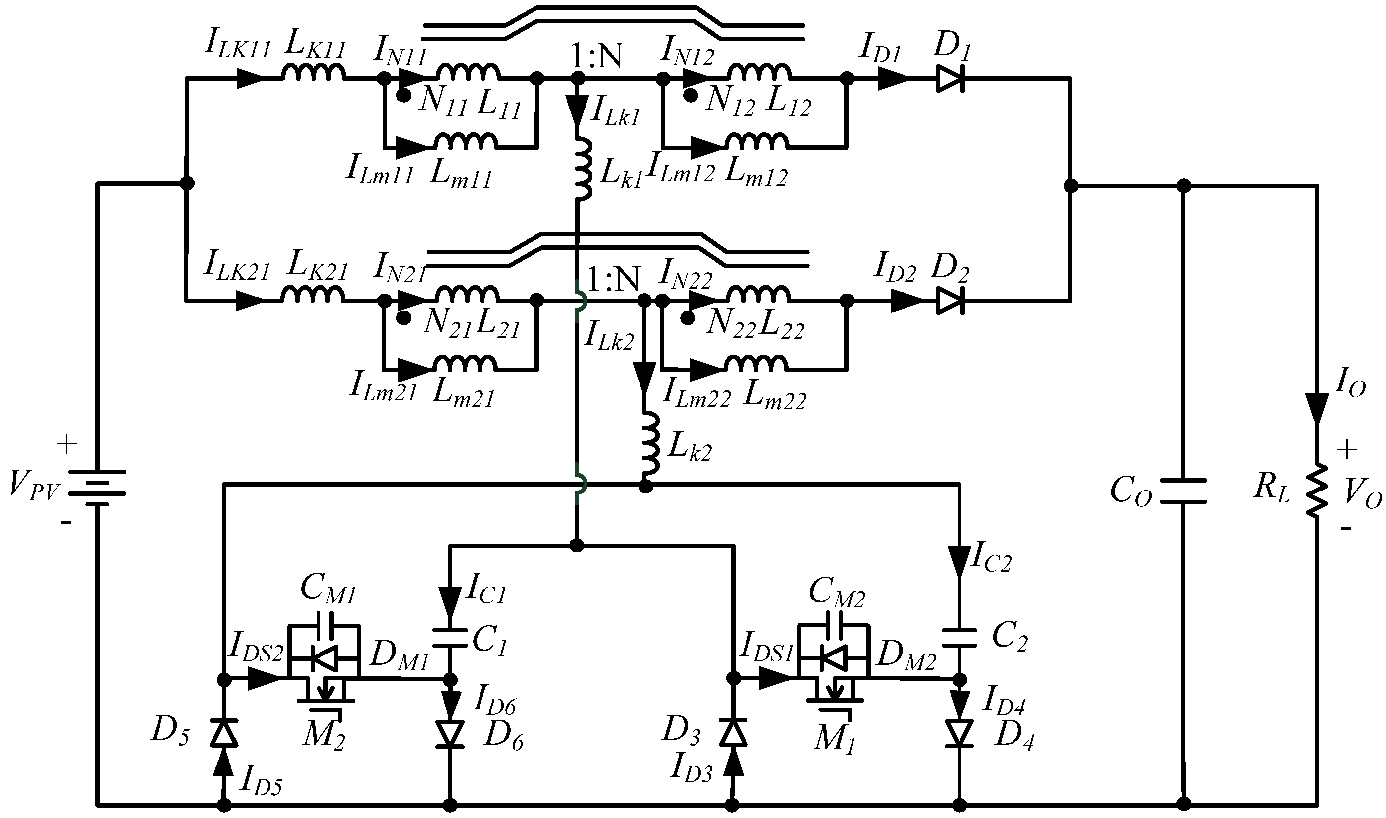
The proposed PV power system includes two dc/dc converters connected in parallel to supply power to the load. Its operational modes can be divided into eight modes. Note that PPV is the output power of the PV arrays, PVB is that of the battery and PL is the load power. Moreover, “1” represents the power which is generated by PV arrays or is dissipated by load, while “0” is the power which is not generated or is not dissipated. According to the power management flow chart of the proposed PV power system shown in Figure 7, all operational modes are shut down, except for operational modes IV, VI and VIII. In the following, operational modes IV, VI and VIII are described.

2.2.1. Operational Mode IV

In the operational mode, the dc/dc converter with battery is adopted to supply power to the load. When the load power PL > PVB(max), the proposed PV power system is shut down. When the load power PL < PVB(max), the power curve of the PV arrays follows the load power, as shown in Figure 8, until energy stored in battery is completely discharged. The PV power system is then shut down.

2.2.2. Operational Mode VI

In operational mode VI, the dc/dc converter with PV arrays as its power source is used to supply power to the load, as shown in Figure 9. From Figure 9, it can be seen that when the maximum power PPV(max)PL, power curve of the PV arrays follows that of load power. If PPV(max) < PL, the proposed PV power system is shut down.
Figure 7. Flow chart of power management of the proposed PV power system.
Figure 7. Flow chart of power management of the proposed PV power system.
Energies 06 01068 g007
Figure 8. Plot of power curve of the proposed PV power system under operational mode IV.
Figure 8. Plot of power curve of the proposed PV power system under operational mode IV.
Energies 06 01068 g008
Figure 9. Plot of power curve of the proposed PV power system under operational mode VI.
Figure 9. Plot of power curve of the proposed PV power system under operational mode VI.
Energies 06 01068 g009

2.2.3. Operational Mode VIII

In operational mode VIII, two dc/dc converters using PV arrays and battery as their power sources are adopted to supply power to the load, respectively, as shown in Figure 10. When the total maximum output power of the two dc/dc converters is equal to or greater than PL, the PV power system can be working. Under the other operational conditions within this operational mode, one is shut down. When the total maximum output power (PPV(max) + PVB(max)) > PL, the dc/dc converter with PV arrays as its power source is operated at MPP of the PV arrays and the one with battery as its power source is operated under the output power of (PLPPV(max)), as shown in Figure 10a. Moreover, when PPV(max) > PL, the one with battery as its power source is shut down and the output power PPV of the PV arrays is equal to PL, as shown in Figure 10b. According to the energy conservation of the PV power system, PL is the sum of PPV and PVB and PL extracts as much power as possible from the PV arrays to increase utilization rate of the PV array.
Figure 10. Plot of power curves PPV, PVB and PL (a) under PPV(max) + PVB(max)PL and (b) under PPV(max) + PVB(max)PL and PPV(max)PL.
Figure 10. Plot of power curves PPV, PVB and PL (a) under PPV(max) + PVB(max)PL and (b) under PPV(max) + PVB(max)PL and PPV(max)PL.
Energies 06 01068 g010

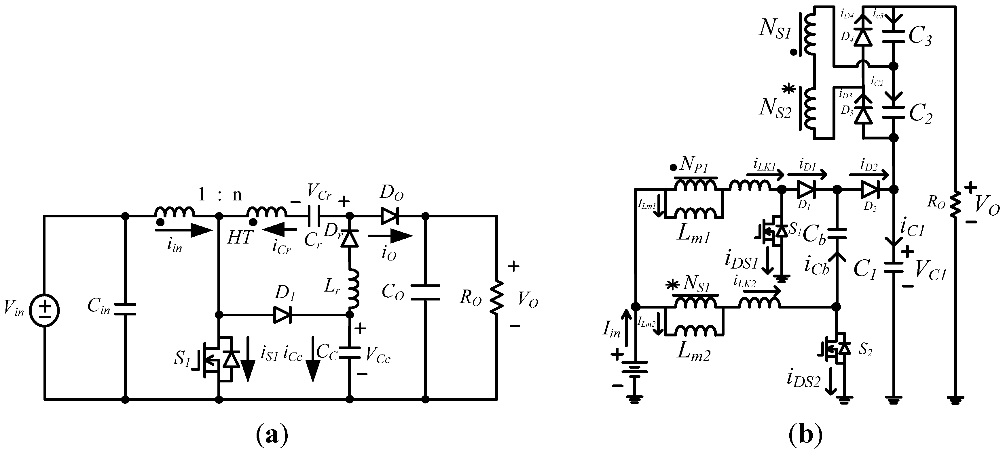
3. Operational Principle of the Proposed DC/DC Converter

When PPV(max) < PL, the dc/dc converter using PV arrays as its power source is operated at current regulation to extract the maximum power from the PV arrays. When PPV(max)PL, the one is operated at voltage regulation to supply power to the load. Its function is the same as the one using battery as its power source. Therefore, two dc/dc converters can adopt the same circuit structure. In the following, the operational principle of the proposed dc/dc converter is briefly described.

Operational Principle of the Proposed Converter

The dc/dc converter of the proposed PV power system using interleaved active clamp boost converter with coupled inductor is shown in Figure 4. According to the circuit operational principle of the proposed boost converter, its operational modes are divided into 12 modes, as show in Figure 11, and their key waveforms are illustrated in Figure 12. Since the operational modes between t0 ~ t6 are similar to those waveforms between t6 ~ t12, except that the operational switch changes from M1 to M2, each operational mode during half one switching cycle is briefly described in the following.
Figure 11. Equivalent circuit of each operational mode in the proposed interleaved active clamp boost converter with coupled inductor over half of one switching cycle.
Figure 11. Equivalent circuit of each operational mode in the proposed interleaved active clamp boost converter with coupled inductor over half of one switching cycle.
Energies 06 01068 g011
Figure 12. Key waveforms of the proposed converter operating over one switching cycle.
Figure 12. Key waveforms of the proposed converter operating over one switching cycle.
Energies 06 01068 g012
Mode 1 (Figure 11a: tot < t1): before t0, switches M1 and M2 are in the off state. Diodes D3 and D4 are forwardly biased, therefore, voltage VDS1 across switch M1 is equal to 0. When t = t0, switch M1 is turned on. Since diodes D3 and D4 are forwardly biased before switch M1 is turned on, switch M1 is operated with ZVS at turn-on transition. During this time interval, leakage inductor LK21, external inductor LK2 and capacitor C2 form a resonant network and they start to resonate. Moreover, since current ILK11 is a negative value, diode D3 is set as freewheeling by inductors LK1 and LK11. Therefore, current IDS1 of switch M1 is equal to 0.
Mode 2 (Figure 11b: t1t < t2): at t1, current ILK11 is equal to 0. Within this time interval, current ILK11 ranges from 0 to a positive value, therefore, diode D3 is reversely biased. Current IDS1 ranges from 0 to a positive value and its value is equal to ILK11. Diode D4 is kept in the forwardly conduction state and its current ID4 is the sum of ILK11 and IC2. The resonant network formed by LK21, LK2 and C2 is still in the resonant state. Diodes D1 and D2 are set in freewheeling mode, respectively, by inductors Lm11, Lm12, Lm21 and Lm22.
Mode 3 (Figure 11c; t2t < t3): when t = t2, current ILK11 reaches the initial value which is the initial current value of the coupled inductor when the proposed converter is operated in continuous conduction mode (CCM). At that moment, diode D1 is in the reversely bias state. The voltage VPV is approximately applied to inductor Lm11 because Lm11 is much greater than LK11. Within this time interval, current ILK11 is equal to IDS1 and its value increases linearly. Moreover, current ILK2 is equal to IC2 and its value ranges from a positive value to 0 with the resonant manner. Current ID4 is still sum of IDS1 and IC2. Diode D2 is kept in freewheeling state by inductors Lm21 and Lm22.
Mode 4 (Figure 11d; t3t < t4): at t3, current ILK21 (= IC2) is equal to 0. Within this time interval, current ILK21 ranges from 0 to a negative value with the resonant manner. Since current IDS1 is greater than IC2, diode D4 is still kept in the forwardly biased state. Operational conditions of the other components are the same conditions of Mode 3. As a result, current ILK11 (= IDS1) increases linearly and current ID2 decreases linearly.
Mode 5 (Figure 11e, t4t < t5): at t5, switch M1 is turned off. At that moment, current IDS1 is approximately equal to IC2, therefore, diode D4 is reversely biased. Within this time interval, energies stored in inductors LK11, LK1, LK21 and LK2 are released to the charge capacitor CM1 and discharge capacitor CM2. Voltage VDS1 across capacitor CM1 ranges from 0 to [VC2 + (NVPV + VO)/(N + 1)], while VDS2 across capacitor CM2 ranges from [VC1 + (NVPV + VO)/(N + 1)] to 0. Diodes D1, D3, D5 and D6 are still kept in the reversely bias state, while diode D2 is kept in freewheeling mode by inductors Lm21 and Lm22.
Mode 6 (Figure 11f; t5t < t6): when t = t5, the voltage VDS2 across switch M2 is equal to 0. At the same time, diodes D5 and D6 are in the forwardly bias state, while diode D1 is in freewheeling mode due to inductors Lm11 and Lm12. Inductor LK11, LK1 and capacitor C1 form a resonant network and they start to resonate. Moreover, diode D2 is still kept in freewheeling mode by inductors Lm21 and Lm22. When switch M2 is turned on at the end of mode 6, the other half of one switching cycle will start.

4. Control and Design of the Proposed PV Power System

In design considerations, the proposed one must match the operation conditions of MPPT for PV arrays and regulate the power between PV arrays and load by battery. In the following, control and design of the proposed PV power system are described.

4.1. Control of the Proposed PV Power System

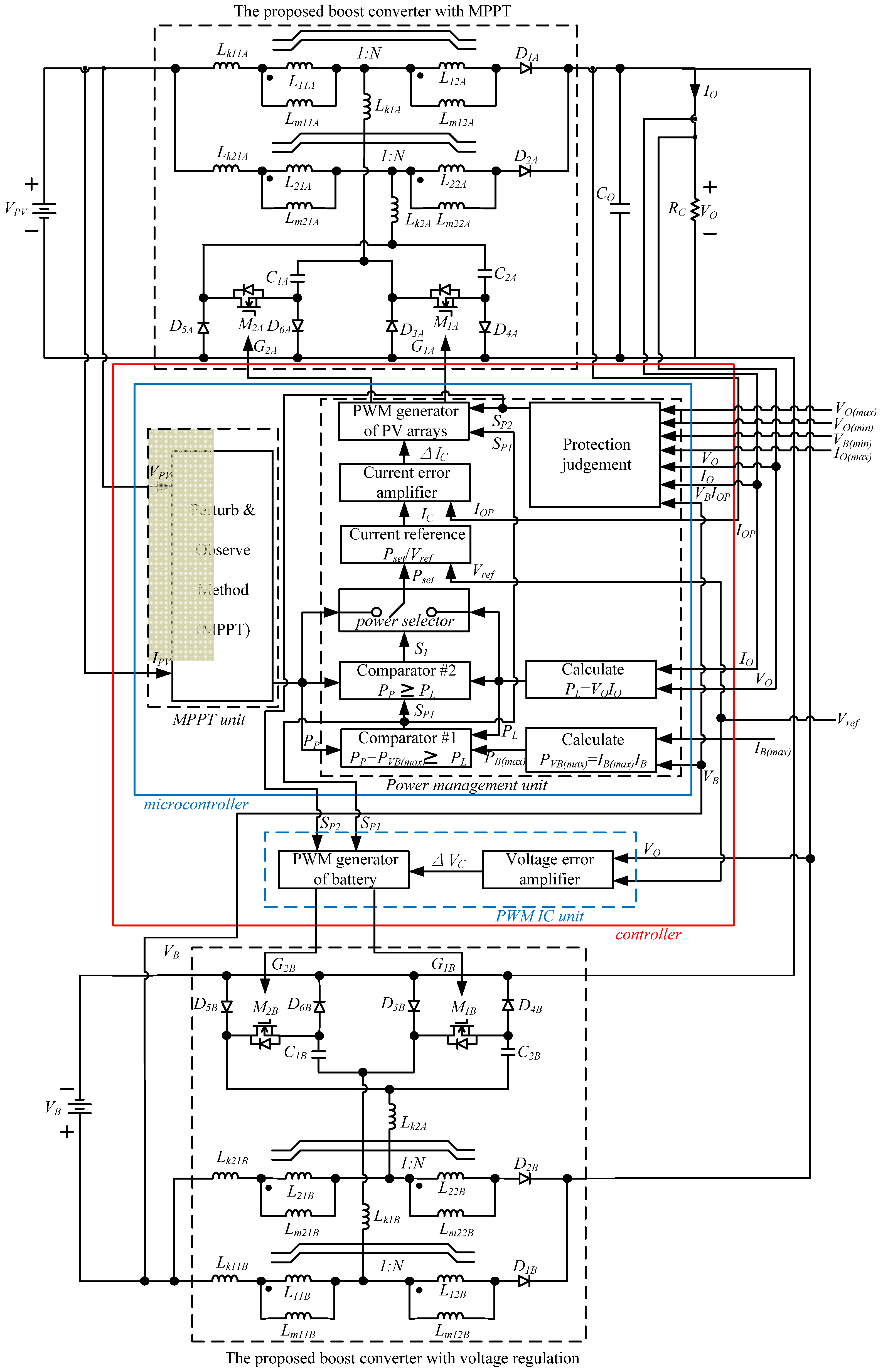
The proposed PV power system consists of two boost converters and controller. The controller adopts a microcontroller and PWM IC. A block diagram of the proposed PV power system is shown in Figure 13.
Figure 13. Block diagram of the proposed PV power system.
Figure 13. Block diagram of the proposed PV power system.
Energies 06 01068 g013
In Figure 13, microcontroller is divided into two units: MPPT and power management units. In the MPPT unit, the perturb and observe method is adopted to track MPP of the PV arrays. The maximum power Pp of PV arrays can be decided by the MPPT unit. In the power management unit, the maximum discharging current IB(max) of the battery is set for obtaining the maximum battery charging power PB(max), which is equal to VBIB(max). Output voltage VO and current IO are sent to the power management unit for attaining load power PL. Power PB(max) and PL are calculated by the multiplexer inside microcontroller, respectively. Three powers Pp, PVB(max) and PL are sent to comparator #1 to judge the relationship of (Pp + PVB(max)) and PL. When (Pp + PVB(max)) ≥ PL, signal Sp1 is kept at a low level. PWM generators of PV arrays and battery are operated in a normal operational mode. In this operational condition, signals G1A, G2A, G1B and G2B are generated by two PWM generators to drive switches M1A, M2A, M1B, and M2B. As a result, the proposed boost converter depends on the MPPT control algorithm to extract the maximum power of the PV arrays to load, while the proposed one follows the voltage regulation control method to regulate the power between the PV arrays and load, and sustain a desired constant voltage across the load.
When (Pp + PVB(max)) < PL, signal Sp1 reaches a high level. Two PWM generators are shut down. That is, the proposed PV power system is also shut down. When (PP + PB(max)) ≥ PL, comparator #2 is enabled by signal SP1 when SP1 is in a low level state. It is used to judge the power relationship of Pp and PL. When Pp is equal to or greater than PL, signal S1 attains a high level. The output signal Pset of the power selector controlled by signal S1 is set to be equal to PL. When Pp < PL, signal S1 is in a low level state. The signal Pset is specified by PP. The next step is to determine the current reference IC. The Pset and Vref are sent to the current reference unit. IC can be obtained and it is equal to (Pset/Vref). Note that Vref is the reference voltage of the output voltage VO. When current reference IC is sent to the current error amplifier, it can be compared with IOP, which is output current of the proposed boost converter with the MPPT control method to attain the current error value ΔIC. When the PWM generator of the PV arrays receives ΔIC, duty ratios of the PWM signals G1A and G2A can be determined by the value of ΔIC. Signals G1A and G2A can drive switches M1A and M2A to generate power for supplying power to the load. Moreover, protection judgment receives signals of the practical values VO, IO and VB, and those signals of the set values VO(max), VO(min), IO(max) and VB(min), which are determined by the operational conditions of the load and undercharge of the battery, respectively. When output voltage VOVO(max), the proposed PV power system is operated in over-voltage condition. Signal SP2 becomes a high level signal to shut down two PWM generators. When VO < VO(min), the proposed one is operated in under-voltage condition. Therefore, signal Sp2 is in the high level state and two PWM generators are shut down. If output current IOIO(max), the proposed system enters over-current condition. Two PWM generators are shut down. Moreover, when battery voltage VBVB(min), the battery enters the undercharge condition. The proposed one is also shut down. As mentioned above, protections of the proposed PV power system include over-voltage, over-current, undervoltage and undercharge protections.
The proposed boost converter with voltage regulation uses a lead-acid battery as its power source. Its main objectives are to regulate the power between PV arrays and load, and to sustain a constant output voltage for supplying power to the load. In order to implement power balance among PV arrays, battery and load, and sustain a constant output voltage, a PWM IC is adopted to control the proposed boost converter. Its control unit includes a voltage error amplifier and battery PWM generator. The voltage error amplifier receives VO and Vref, which are determined by the voltage requirement of the load, to obtain the voltage error value ΔVC, which is equal to (VrefVO). The ΔVc is sent to the PWM generator of the battery to produce PWM signals G1B and G2B. Signals G1B and G2B can control switches M1B and M2B to regulate the power between the PV arrays and the load. Moreover, PWM IC can be shut down by signals SP1 and SP2 when signals SP1 or SP2 are in the high level state.
Figure 13 shows the block diagram of the proposed PV power system. The MPPT algorithm is implemented by a microcontroller. Since the power variation of PV arrays is slow, the compensator of the current error amplifier inside the microcontroller adopts proportional (P) control to implement MPPT control. In the proposed boost converter with voltage regulation, its compensator is set in the voltage error amplifier of PWM IC unit. According to the application note suggestions of the PWM IC datasheet supplied by the manufacturer, the compensator of the voltage error amplifier controller with two poles and one zero, as shown in Figure 14, is used to achieve a stable converter system.
Figure 14. Schematic diagram of voltage error amplifier in PWM IC unit.
Figure 14. Schematic diagram of voltage error amplifier in PWM IC unit.
Energies 06 01068 g014
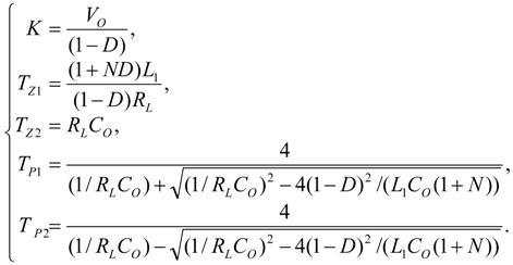
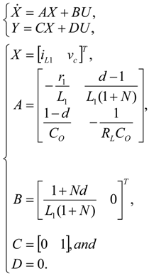
In order to design a stable system for the proposed converter, a small signal model for the proposed one is derived. Since the proposed converter with active clamp circuit only helps switches achieve soft-switching features, it can be neglected in the derived converter. Moreover, the proposed one consists of two boost converters with interleaving manner to supply power to the load. In order to simplify the derivation of the small signal model, a single boost with coupled inductor is adopted to describe the control system design of the proposed one. In the proposed system, we assume that all the components are ideal and that the converter operates in a continuous conduction mode (CCM). Its equivalent circuit is shown in Figure 15. Figure 15a shows the corresponding equivalent circuit and Figure 15b illustrates the simple equivalent circuit. In Figure 15a, we can define the switching function as:
Energies 06 01068 i001
According to Equation (1), we can get:
Energies 06 01068 i002
When the parameter f is represented with duty ratio d, the average model is given by Figure 15c. The state space average equation of the equivalent circuit with state variables iL1 and VC is depicted by where:
Energies 06 01068 i003
By substituting Energies 06 01068 i004, Energies 06 01068 i005 (IL1, IL2 and D are the steady components, while Energies 06 01068 i006 and Energies 06 01068 i007 are the small disturbance quantities ), and iL2 = (1 − d)iL1 in Equations (2) and (3), they can be rewritten by Laplace transformation and be expressed by:
Energies 06 01068 i008
where:
Energies 06 01068 i009
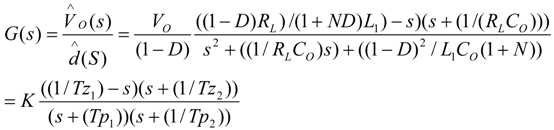
Its detailed analysis is proposed in [30]. The open-loop control of the proposed converter is shown in Figure 15c. Its block diagram of the closed-loop control system is illustrated in Figure 16. In Figure 16, H(s) (= 1/Kf) represents the sensor gain, G(s) (= (1 + sC2R2)/[sR1(C2 + C3)][1 + sR2(C2//C3)]) is the transfer ratio of the compensator, P(s) (= 1/VM) depicts that of the pulse-width modulator and G(s) expresses that of the converter. Its closed-loop transfer function from Vref to VO is expressed by:
Energies 06 01068 i010
where T(s) (= [H(s)GC(s)G(s)]/VM) is the loop gain.
Figure 15. Equivalent circuit based on (a) ideal switch; (b) switching function; and (c) average equivalent circuit.
Figure 15. Equivalent circuit based on (a) ideal switch; (b) switching function; and (c) average equivalent circuit.
Energies 06 01068 g015
Figure 16. Block diagram of the closed-loop control system of the proposed converter.
Figure 16. Block diagram of the closed-loop control system of the proposed converter.
Energies 06 01068 g016

4.2. Design of the Proposed Interleaved Boost Converter

Since the dc/dc converter using PV arrays as its power source, as shown in Figure 14, can be operated under current and voltage regulation, respectively, according to the different operational conditions, the components of the two dc/dc converters have the same design values. Due to the fact the switches in the two boost converters use the synchronous switch technique to simplify them, the ratios are limited to 0.5. In the design of the interleaved active clamp boost converter, determination of duty ratio D, coupled inductances (Lm11 and Lm12) and (Lm21 and Lm22), active clamp capacitors C1 and C2, and output filter are important. In the following, their designs are analyzed briefly.

4.2.1. Duty Ratio D

To determine the duty ratio D, we must first establish the input to output voltage transfer ratio M. Since the active clamp circuit helps switches M1 and M2 to achieve soft-switching features, transfer ratio M of boost converter has a slightly different value compared with the one without active clamp circuit. As a result, transfer ratio M of the proposed one is regarded as that of the conventional one. According to the volt-second balance principle of a coupled inductor Lm11, the following equation can be obtained:
Energies 06 01068 i011
where N is turns ratio of couple inductor (Lm11 and Lm12) or (Lm21 and Lm22) and Ts is period switch M1. From Equation (1), transfer ratio M can be expressed by:
Energies 06 01068 i012
Based on the operational condition of the proposed boost converter with switch integration, duty ratio D of switch M1 or M2 is limited to 0.5 and they are operated in complementary fashion. According to Equation (7), a large duty ratio D corresponds to a smaller turns ratio N of the coupled inductor, which results in a lower current stress being imposed on switches M1 and M2, as well as voltage stresses on diodes D1 and D2. However, in order to accommodate variations of load, line voltage, component values and duty loss, it is better to select an operating range D = 0.35~0.4.

4.2.2. Coupled Inductors (Lm11 and Lm12) or (Lm21 and Lm22)

Once the duty ratio D is selected, the turns ratio N of coupled inductors Lm11 and Lm12 can be determined using Equation (7), which yields
Energies 06 01068 i013
By applying Faraday’s law, N11 of coupled inductor can be given by:
Energies 06 01068 i014
where Ac is the effective cross-section area of the coupled inductor core and ΔB is the working flux density. According to Equations (8) and (9), N12 can therefore be determined.
To achieve a ZVS feature, the energy stored in the leakage inductor LK11 (or Lk21) and external inductor Lk1 (or Lk2) must satisfy the following inequality:
Energies 06 01068 i015
where Lk1 is the external inductor to increase operational ranges of the soft-switching circuit, ILK11(tv11) is the current of Lk11 at time t11, ILk11(tv10) is that at time t10, CT is the total capacitor which is the sum of CM1 and CM2, and VDS1(max) represents the maximum voltage across switch M1 and its value is equal to [VPV + (VOVPV)/(N + 1)]. According to the circuit operational principle, the voltage VC1 across capacitor C1 can be approximately expressed by:
Energies 06 01068 i016
Once CT, and ILK11(tv10) and ILK11(tv11) are specified, the inequality of inductor LT (= LK1 + LK11) can determined as:
Energies 06 01068 i017
Since the proposed converter is operated in continuous conduction mode (CCM), inductances Lm11 and Lm12 must be greater than Lm11B and Lm12B, respectively, which are the inductances at the boundary of CCM and discontinuous conduction mode (DCM). Its boundary current waveforms are shown in Figure 17. From Figure 17, it can be seen that when switch M1 is turned on, inductor current ILK11 is the sum of ILm11 and IN11, which is the equivalent reflected current from the secondary winding N12 to the primary winding N11. Therefore, current ILK11 can be expressed by:
Energies 06 01068 i018
where IN11 is equal to NIN12 (= NILm12). Therefore, ILK11(1) can be determined as:
Energies 06 01068 i019
where Lm11 is the magnetizing inductor of primary winding of coupled inductor and Lm12 is its secondary winding inductor. According to Equation (14), ILK11(1) can be rewritten by:
Energies 06 01068 i020
Moreover, ILK11(2) can be given by:
Energies 06 01068 i021
Since current ID1(1) is equal to ILK11(2) and average current ID1(av) equals half of output current IO, the average current ID1(av) can be expressed as follows :
Energies 06 01068 i022
According to Equation (17), the boundary inductance Lm11B can be determined as:
Energies 06 01068 i023
Based on the magnetic principle of coupled inductor, the relationship between inductances Lm11B and Lm12B can be expressed as follows:
Energies 06 01068 i024
Substituting Equations (18) in (19), inductor Lm12B can be determined as:
Energies 06 01068 i025
According to the operational requirements of the proposed boost convertor which is operated in CCM, inductors Lm11 and Lm12 must be greater than Lm11B and Lm12B, respectively. Since Lm21 = Lm11 and Lm22 = Lm12, inductors Lm21 and Lm22 are also separately greater than Lm11B and Lm12B.
Figure 17. Conceptual current waveforms of inductor currents and output current in the proposed converter operated at the boundary of CCM and DCM.
Figure 17. Conceptual current waveforms of inductor currents and output current in the proposed converter operated at the boundary of CCM and DCM.
Energies 06 01068 g017

4.2.3. Active Clamp Capacitor C1 or C2

The active clamp Capacitors C1 and C2 are used to achieve soft-switching features. In order to achieve ZVS features, one half of the resonant period formed by LT and C1 or LT and C2 should be equal to or greater than the maximum off time of switches M1 or M2. Therefore, capacitor C1 (or C2) must satisfy the following inequality:
Energies 06 01068 i026
From Equations (12) and (21), when LT is specified, the capacitance ranges of C1 (or C2) can be determined as:
Energies 06 01068 i027

4.2.4. Output Capacitor Co

The output capacitor Co is primarily designed for reducing ripple voltage. The ripple voltage ΔVrco across output capacitor Co is determined by:
Energies 06 01068 i028
where IO(max) is the maximum output current.

5. Experimental Results

The proposed PV power system is shown in Figure 13. To verify the performance of the proposed PV power system, two dc/dc converters using an interleaved active clamp boost converter with coupled inductor to generate dc voltage of 400 V for dc load applications with the following specifications were implemented:
  • The proposed boost converter with MPPT
    • Input voltage VPV: 34~42 Vdc (PV arrays);
    • Output voltage VO: 400 Vdc;
    • Output maximum current IOP(max): 3 A; and
    • Output maximum power PPV(max): 1.2 kW.
  • The proposed boost converter with voltage regulation
    • Input voltage VB: 40~54 Vdc (four sets of 12 V batteries connected in series);
    • Output voltage VO: 400 Vdc;
    • Output maximum current IOB(max): 3 A; and
    • Output maximum power PB(max): 1.2 kW.
According to designs and specifications of the proposed boost converters, components of power stages in the proposed two boost converters are determined as follows:
  • Switches M1A, M2A, M1B, M2B: IRFP260N×2 (connected in parallel);
  • Diodes D1A, D2A, D1B, D2B: DSSK60-02A;
  • Diodes D3A, D4A, D5A, D6A: DSSK60-02A;
  • Diodes D3B, D4B, D5B, D6A: DSSK60-02A;
  • Coupled inductors Lm11, Lm21: 28 μH;
  • Leakage inductors of coupled inductor (Lm11, Lm12) and (Lm21, Lm22): 0.8 μH and 0.81 μH;
  • Cores of coupled inductors (Lm11, Lm12) and (Lm21, Lm22): EE-55;
  • Turns ratio N: 15; and
  • Extera inductors Lk1, Lk2: 1.2 μH.
According to the previous specifications and the compensator of the proposed converter, parameter values of the small signal model in the proposed system (as shown in Figure 16) are listed in Table 1.
Table 1. Parameter values of small signal model of the proposed converter.
Table 1. Parameter values of small signal model of the proposed converter.
symbolparameter value
VO400
D0.36
L128 μH
N15
CO780 μF
RL266.66 Ω
R110 kΩ
R2220 Ω
C22 μF
C36.8 nF
VM2.5
Kf160
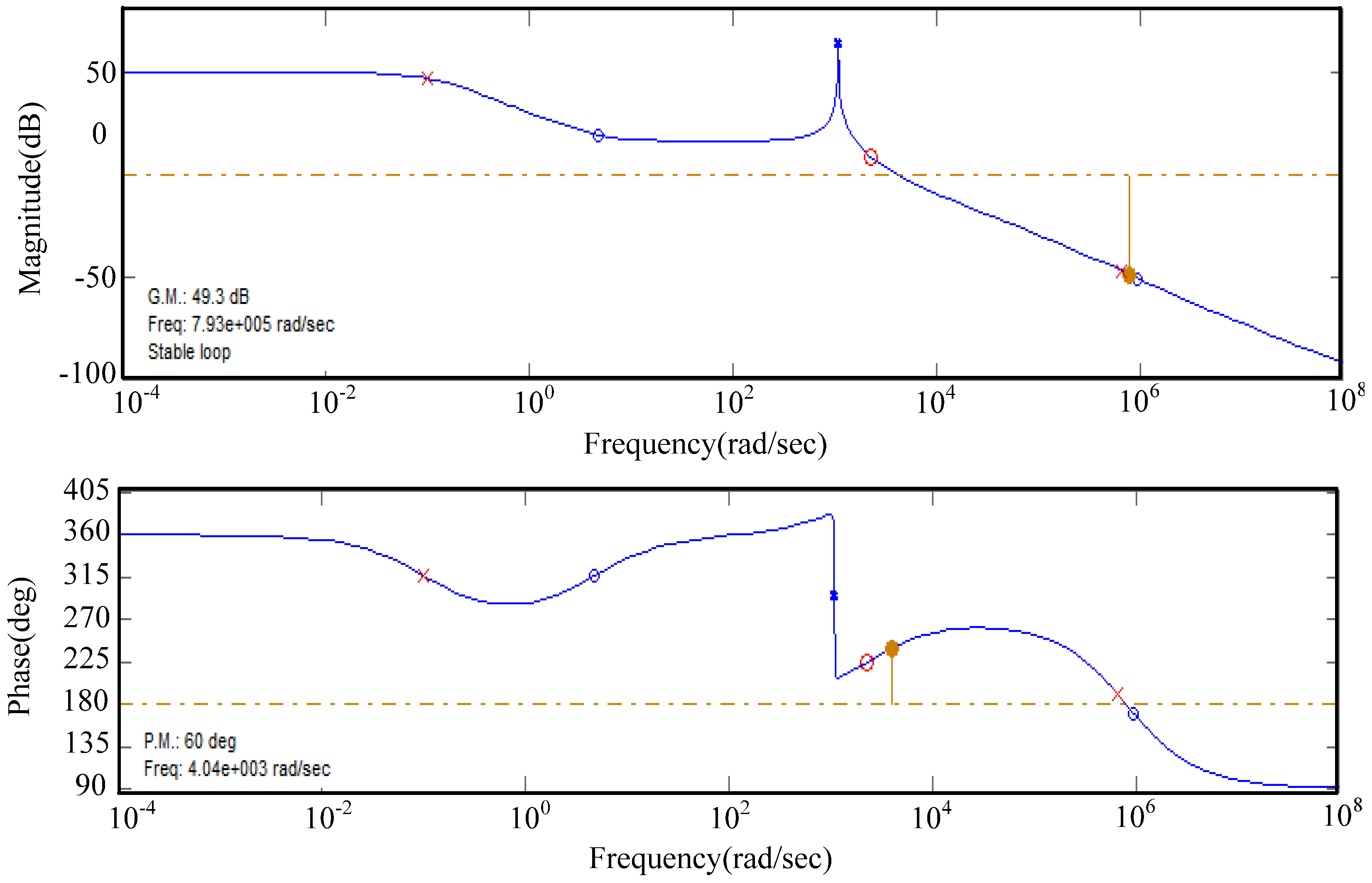
We can use the Matlab simulation tool to obtain Bode plots of the proposed converter under the closed loop condition. They are shown in Figure 18. From Figure 18, it can be seen that P.M. of the proposed one is 60°. Therefore, this can prove that the proposed converter is a stable system.
Figure 18. Bode plots of the proposed converter under the closed loop condition.
Figure 18. Bode plots of the proposed converter under the closed loop condition.
Energies 06 01068 g018
Since the proposed interleaved PV power system uses PV arrays and batteries as its input sources, the maximum output power of the proposed PV power system can supply 2.4 kW. In order to extend battery discharge time, the maximum output power of the battery module is suggested to be 1.2 kW. In our research, four sets of lead-acid batteries (12 V/75 Ah) connected in series are adopted in the proposed converter. According to discharge times supplied by the battery manufacturer, a sustained discharge time of 2 hours is possible when the output power of battery is 1.2 kW, while the discharge time can extend to 8 hours when it is 500 W. The curve of output power versus discharge time of batteries as supplied by the battery manufacturer is shown in Figure 19, while the curve of discharge time versus discharge current (CA) of the batteries is depicted in Figure 20.
Figure 19. Plot of output power versus discharge time of the batteries supplied by battery manufacturer.
Figure 19. Plot of output power versus discharge time of the batteries supplied by battery manufacturer.
Energies 06 01068 g019
Figure 20. Plot of discharge time versus discharge current (CA) of batteries supplied by the battery manufacturer.
Figure 20. Plot of discharge time versus discharge current (CA) of batteries supplied by the battery manufacturer.
Energies 06 01068 g020
From Figure 20, it can be seen that when output power of battery is 1.2 kW, its discharge current is 0.32 CA. When the battery is completely discharged, a battery charger is adopted. The block diagram of the proposed PV power system and battery charger is shown in Figure 21. When the battery is in the charging state during the night, switch S1 is turned on and a battery charger using a buck converter is adopted to charge the battery. On the other hand, when the battery in the discharging state during the day, switch S2 is turned on and battery uses the proposed converter to supply power to the load. A photograph of the hardware is shown in Figure 22.
Figure 21. Block diagram of the proposed PV power system and battery charger.
Figure 21. Block diagram of the proposed PV power system and battery charger.
Energies 06 01068 g021
Figure 22. Photograph of the hardware for the proposed PV power system and battery charger.
Figure 22. Photograph of the hardware for the proposed PV power system and battery charger.
Energies 06 01068 g022
Figure 23 shows measured charging voltage VB and current IBC waveforms of the battery, illustrating that the charging current IBC uses the pulse current charging method and its charging current IBC is under the repeat period of 200 ms, duty ratio of 0.5 and peak charging current of 20 A. When the battery voltage VB reaches its end of charge voltage VFV (about 54 V), the battery charger is shut down. Figure 24 shows measured voltages and currents waveforms of the proposed PV power system under output power PO of 1 kW and PV arrays maximum output power PPV(max) of 700W. Figure 24a shows measured PV arrays voltage VPV, current IPV and output current IO waveforms, while Figure 24b depicts measured battery voltage VB, current IB and output current IO waveforms.
Figure 23. Measured charge voltage VB and charge current IBC waveforms of battery under the repeat period of 200 ms, duty ratio of 0.5 and peak charging current of 20 A.
Figure 23. Measured charge voltage VB and charge current IBC waveforms of battery under the repeat period of 200 ms, duty ratio of 0.5 and peak charging current of 20 A.
Energies 06 01068 g023
(VB: 20 V/div, IBC: 20 A/div, time: 100 ms/div)
Figure 24. Measured voltage and currents waveforms of the proposed PV power system under output power PO of 1 kW and PV arrays maximum power PPV(max) of 700 W: (a) PV arrays voltage VPV, current IPV and output current IO waveforms; and (b) battery voltage VB, current IB and output current IO waveforms.
Figure 24. Measured voltage and currents waveforms of the proposed PV power system under output power PO of 1 kW and PV arrays maximum power PPV(max) of 700 W: (a) PV arrays voltage VPV, current IPV and output current IO waveforms; and (b) battery voltage VB, current IB and output current IO waveforms.
Energies 06 01068 g024
From Figure 24, it can be seen that MPPT time of PV arrays is about 140 ms from 0 to 700 W and battery discharging current IB varies from 30 A to 15 A. This proves that the proposed PV power system can regulate the output powers of the battery and PV arrays to supply power to the load.
In order to verify the feasibility of the proposed interleaved active clamp boost converter with voltage regulation, measured voltage VDS and IDS waveforms of switches M1B and M2B are shown in Figure 25 and Figure 26, respectively. Figure 27 shows those waveforms under 10% of full load condition, while Figure 26 depicts those waveforms under full load condition. From Figure 25, it can be found that when load is at 10% of full load condition, switches M1B and M2B are in the hard switching and soft switching boundary, respectively.
Figure 25. Measured voltage VDS and current IDS waveforms of (a) switch M1B and (b) switch M2B of the proposed converter 10% of full load.
Figure 25. Measured voltage VDS and current IDS waveforms of (a) switch M1B and (b) switch M2B of the proposed converter 10% of full load.
Energies 06 01068 g025
Figure 26. Measured voltage VDS and current IDS waveforms of (a) switch M1B and (b) switch M2B of the proposed converter under full load.
Figure 26. Measured voltage VDS and current IDS waveforms of (a) switch M1B and (b) switch M2B of the proposed converter under full load.
Energies 06 01068 g026
Figure 27. Comparison conversion efficiency among the interleaved active clamp boost converter with hard-switching circuit, active clamp circuit and the proposed one.
Figure 27. Comparison conversion efficiency among the interleaved active clamp boost converter with hard-switching circuit, active clamp circuit and the proposed one.
Energies 06 01068 g027
When the load is greater than 10% of full load, switches M1B and M2B can be operated with ZVS at turn on. Comparison of the conversion efficiency among the interleaved boost converter with hard-switching circuit, the active clamp circuit (as shown in Figure 3) and the proposed one is shown in Figure 27. It reveals that the efficiencies of the boost converter with the active clamp circuit and the proposed one are always higher than that with a hard-switching circuit from light load to heavy load. Moreover, efficiency of the boost with the proposed circuit is approximately the same as that with the active clamp circuit (as shown in Figure 3) from light load to heavy load. The reason for this is that although currents flowing through diodes D4B and D6B have larger losses, compared with the boost converter with the active clamp circuit shown in Figure 3, the diode current ID6B, which flows through diode D6B shown in Figure 13, is the sum of current IM2B and resonant current IC1B. Since current IC1B is a resonant current, the negative resonant current IC1B, which is shown in Figure 12 during t9~t10 interval, does not flow through diode D6B. Therefore, this can partially reduce the forward conduction losses of diode D6B. Similarly, the forward conduction losses of diode D4B can also be reduced. As mentioned above, the boost converter with the proposed circuit can also keep it at a high conversion efficiency from light load to heavy load. Its maximum efficiency is 96% under 70% of full load conditions and its full load efficiency is about 92%. According to the efficiency curve of the proposed interleaved boost converter shown Figure 27 and the circuit structure, its performance can compare with the results in [28] and [29]. The performance comparison results are listed in Table 2. Note that the special capacitor is required to possess a lower ESR and a higher CRR and the special PWM IC possesses a larger duty ratio, greater than 0.5.
Table 2. Performance comparison of interleaved high step-up converters.
Table 2. Performance comparison of interleaved high step-up converters.
High step-up interleaved converterConverter in [28]Converter in [29]The proposed converter
Voltage gain N + 2 1 D 2 ( N + 1 ) 1 D N + 2 1 D
Voltage stress on switch N + 2 1 D V O N + 2 V O + N V P V N + 1
Voltage stress on diodes N + 2 1 D N V O N + 1 VO + NVPV
Quantities of switches222
Quantities of diodes644
Quantities of cores424 ( 2   main   cores 2   resonant   cores )
Quantities of capacitors4 (special capacitors)(special capacitors)3
Maximum duty ratio>0.5>0.5<0.5
ControllerComplex (special PWM IC)Complex (DSP)Simple
CostHighMiddleLow
EfficiencyHigherHigherHigh
Power levelSmall powerSmall or middle power Middle or high power
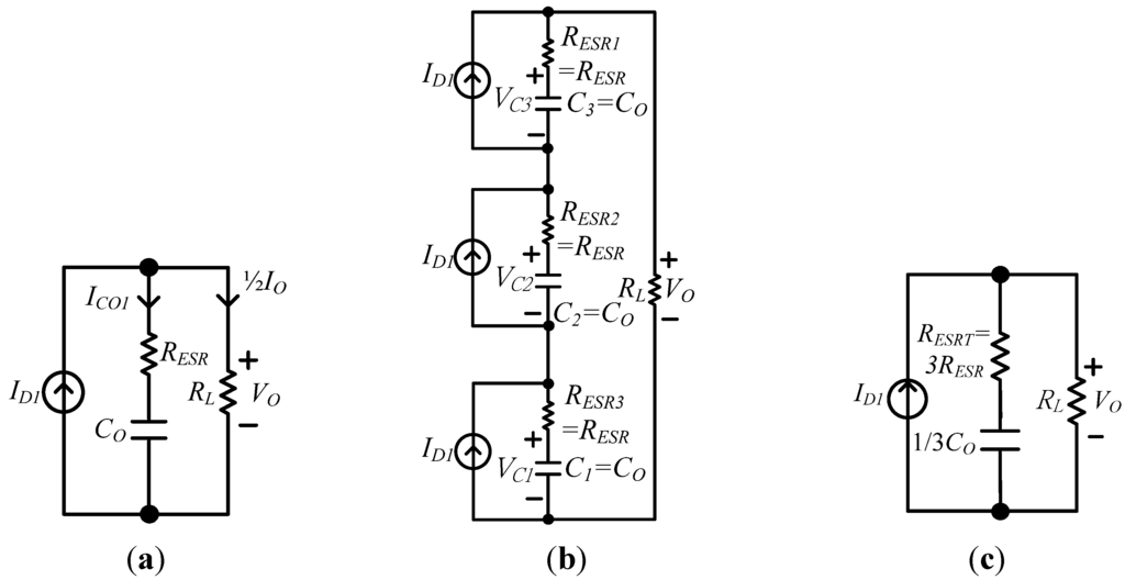
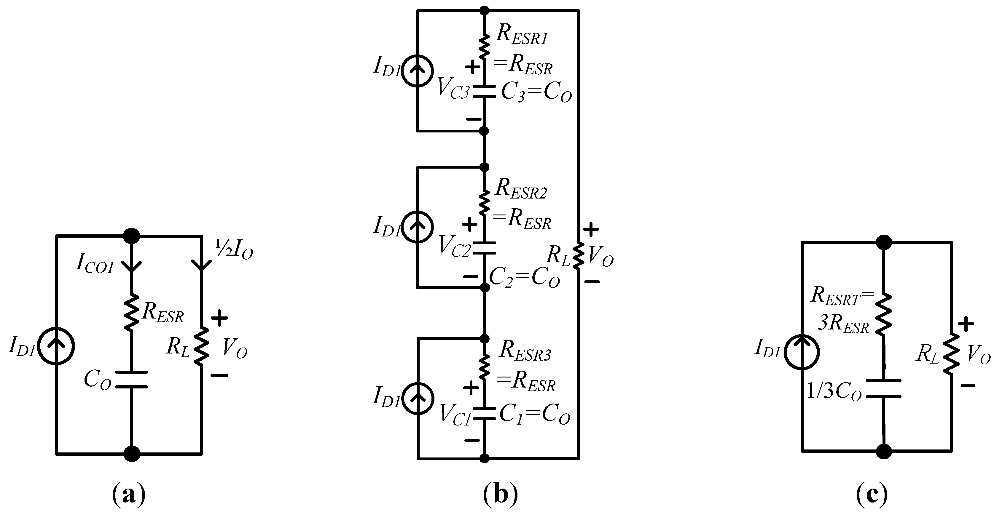
In order to simply analyze the CRRS of the proposed one and the conventional one proposed in [29], we assume that values of output capacitors C1, C2 and C3 of the conventional one are equal to that of output capacitor CO, and their voltages VC1, VC2 and VC3 are the same value. Each output capacitor of the proposed one and the conventional one adopt the same current ID1 to charge them, as shown in Figure 28. According to the previously assumed conditions, the equivalent circuit of the output terminals is shown in Figure 29.
Figure 28. Conceptual current waveforms of inductor current, diode current, output capacitor current and output current in the proposed converter operated converter operated in the boundary of CCM and DCM.
Figure 28. Conceptual current waveforms of inductor current, diode current, output capacitor current and output current in the proposed converter operated converter operated in the boundary of CCM and DCM.
Energies 06 01068 g028
Figure 29. Equivalent circuit of output terminals: (a) the proposed converter; (b) the conventional converter proposed in [29]; and (c) the simplified conventional converter proposed in [29].
Figure 29. Equivalent circuit of output terminals: (a) the proposed converter; (b) the conventional converter proposed in [29]; and (c) the simplified conventional converter proposed in [29].
Energies 06 01068 g029
Figure 29a shows the one of the proposed converter, while Figure 29b illustrates the one of the conventional one. Its simplified equivalent circuit is shown in Figure 29c. From Figure 29, it can be found that the equivalent ESR RESRT (= 3RESR) of the conventional one is greater than that of the proposed one. That is, output capacitors of the conventional one must have a higher CRR, which is proportional to the ESR of the capacitor. Therefore, the system reported in [28] is suitable for low power level applications. The system in [29] is applied to low or middle power level applications. The proposed PV power system can be applied to a middle or high power level application. Figure 30 illustrates the step-load change be between 0% and 100% of full load, from which it can be observed that voltage regulation of output voltage VO has been limited with in ±1% to prove a good dynamic response.
Figure 30. Output voltage VO and output current IO under step-load changes between 0% and 100% of the full load condition of the active clamp interleaved boost converter.
Figure 30. Output voltage VO and output current IO under step-load changes between 0% and 100% of the full load condition of the active clamp interleaved boost converter.
Energies 06 01068 g030
(VO: 200 V/div, IO: 2 A/div, time: 50 ms/div)
The MPPT waveforms of the proposed interleaved active clamp boost converter with MPPT are shown in Figure 31. Figure 31a shows those waveforms under the maximum PV arrays power of 500 W, while Figure 31b illustrates those waveforms under the maximum power of 750 W. From Figure 31, it can be found that the tracking time of MPPT is about 70 ms from 0 to the maximum power of PV arrays.
Figure 31. Measured voltage VPV, current IPV and power PPV waveforms of PV arrays (a) under PPV(max) = 500 W; and (b) under PPV(max) = 750 W.
Figure 31. Measured voltage VPV, current IPV and power PPV waveforms of PV arrays (a) under PPV(max) = 500 W; and (b) under PPV(max) = 750 W.
Energies 06 01068 g031
Measured output voltage VO and current IOB and IO when the operational mode is within mode IV and PVB(max)PL in power management of the proposed PV system is shown in Figure 32. Figure 32a depicts those waveforms under PL = 320 W, while Figure 32b shows those waveforms under PL = 800 W. From Figure 32, it can be seen that output voltage VO is sustained at 400 V and current IOB is equal to IL.
Figure 32. Measured voltage VO, current IOB and IO waveforms of the proposed PV power system operated in mode IV (a) under PL = 320 W; and (b) under PL = 800 W.
Figure 32. Measured voltage VO, current IOB and IO waveforms of the proposed PV power system operated in mode IV (a) under PL = 320 W; and (b) under PL = 800 W.
Energies 06 01068 g032
When the operational mode of the proposed PV power system is mode VI and PPV(max)PL, its measured output voltage VO and current IOP and IL waveforms under PPV(max) = 800 W and PL = 320 W are shown in Figure 33a, illustrating that output voltage VO is clamped at 400 V, current IOP is equal to IL and PPV = 320 W. Figure 33b shows those waveforms under PL = 800 W. When PL = 800 W, output power PPV is also equal to 800 W and it is operated at its MPP. As mentioned above, operational modes of the proposed PV power system are respectively in the mode IV and VI states, the proposed one can regulate power between PV arrays, battery and load.
Figure 33. Measured voltage VO, current IOP and IO waveforms of the proposed PV power system operated in mode VI (a) under PL = 320 W; and (b) under PL = 800 W.
Figure 33. Measured voltage VO, current IOP and IO waveforms of the proposed PV power system operated in mode VI (a) under PL = 320 W; and (b) under PL = 800 W.
Energies 06 01068 g033
When the operational mode of the proposed one is mode VIII and (PPV(max) + PVB(max)) ≥ PL, its operational conditions are divided into two conditions. One is PPV(max)PL and the other is PPV(max) < PL. When PPV(max)PL, its measured output voltage VO, and currents IOP, IOB and IL waveforms under PPV(max) = 750 W and PL = 375 W are shown in Figure 34. Under this operational condition, current IOP is equal to IO and IOB is equal to 0. That is, the proposed boost converter with MPPT is used to supply power to the load and the PV arrays are not operated at MPP, while the proposed boost one with voltage regulation is shut down. When PPV(max) < PL, its measured output voltage VO, and currents IOP, IOB and IO under PPV(max) = 375 W and PL = 750 W is shown in Figure 35, illustrating that output voltage VO is still lamped at 400 V and IO = IOP + IOB. That is, the PV arrays can be operated at the maximum power point of 375 W and the battery can supply power to the load for balancing the power between the PV arrays and load. From experimental results, it can be seen that the proposed PV power system can use its power management circuit to achieve power balance between PV arrays, batteries and loads.
Figure 34. Measured voltage VO, current IOB, IOP and IO waveforms of the proposed PV power system operated in mode VIII under (PP(max) + PVB(max)) ≥ PL and PPV(max)PL.
Figure 34. Measured voltage VO, current IOB, IOP and IO waveforms of the proposed PV power system operated in mode VIII under (PP(max) + PVB(max)) ≥ PL and PPV(max)PL.
Energies 06 01068 g034
(VO: 200 V/div, IO: 1 A/div, IOP: 1 A/div, IOB: 1 A/div, time: 200 μs/div)
Figure 35. Measured voltage VO, current IOB, IOP and IO waveforms of the proposed PV power system operated in mode VIII under (PP(max) + PVB(max)) ≥ PL and PPV(max) < PL.
Figure 35. Measured voltage VO, current IOB, IOP and IO waveforms of the proposed PV power system operated in mode VIII under (PP(max) + PVB(max)) ≥ PL and PPV(max) < PL.
Energies 06 01068 g035
(VO: 200 V/div, IO: 1 A/div, IOP: 1 A/div, IOB: 2 A/div, time: 200 μs/div)

6. Conclusions

In this paper, two interleaved active clamp boost converters with coupled inductor are adopted to form a PV power system for dc load applications. The two proposed interleaved active boost converters using PV arrays and batteries as their power source, respectively, have been proposed to implement MPPT and power management. Moreover, their operational principle, derivation and design have been also described in detail. From experimental results, it can be seen that the proposed converter can yield higher efficiency than the one equipped with a hard-switching circuit. An experimental prototype for dc load applications [PPV(max) = 1.2 kW, PVB(max) = 1.2 kW] has been built and evaluated, achieving the efficiency of 91% under full load conditions and verifying the feasibility of the proposed active clamp circuit. Moreover, power management and MPPT with the perturb and observe method have also been implemented.

References

  1. Yu, Y.; Zhang, Q.; Liang, B.; Liu, X.; Cui, S. Analysis of a single-phase Z-Source inverter for battery discharging in vehicle to grid applications. Energies 2011, 4, 2224–2235. [Google Scholar] [CrossRef]
  2. Pérez, P.J.; Almonacid, G.; Aguilera, J.; de la Casa, J. RMS Current of a photovoltaic generator in grid-connected PV systems: definition and application. Int. J. Photoenergy 2008, 2008, 356261:1–356261:7. [Google Scholar] [CrossRef]
  3. Yoo, J.; Park, B.; An, K.; Al-Ammar, A.E.; Khan, Y.; Hur, K.; Kim, J.H. Look-Ahead Energy Management of a Grid-Connected residential PV system with energy storage under time-based rate programs. Energies 2012, 5, 1116–1134. [Google Scholar] [CrossRef]
  4. Gerlando, A.D.; Foglia, G.; Iacchetti, M.F.; Perini, R. Analysis and test of diode rectifier solutions in grid-connected wind energy conversion systems employing modular permanent-magnet synchronous generators. IEEE Trans. Ind. Electron. 2012, 59, 2135–2146. [Google Scholar] [CrossRef]
  5. Ramirez, F.A.; Arjona, M.A. Development of a grid-connected wind generation system with a modified PLL structure. IEEE Trans. Sust. Energy 2012, 3, 474–481. [Google Scholar] [CrossRef]
  6. Van Breussegem, T.M.; Steyaert, M.S.J. Monolithic capacitive DC-DC converter with single boundary—Multiphase control and voltage domain stacking in 90 nm CMOS. IEEE J. Solid State Circuit. 2009, 46, 1715–1727. [Google Scholar]
  7. Galigekere, V.P.; Kazimierczuk, M.K. Analysis of PWM Z-Source DC-DC converter in CCM for steady state. IEEE Trans. Circuit Syst. 2012, 59, 854–863. [Google Scholar] [CrossRef]
  8. Wang, Z.; Li, H. A Soft switching three-phase current-fed bidirectional DC-DC converter with high efficiency over a wide input voltage range. IEEE Trans. Power Electron. 2012, 27, 669–684. [Google Scholar] [CrossRef]
  9. Do, H.-L. Improved ZVS DC-DC converter with a high voltage gain and a ripple-free input current. IEEE Trans. Circuit Syst. 2012, 59, 846–853. [Google Scholar] [CrossRef]
  10. Qian, W.; Cha, H.; Peng, F.Z.; Tolbert, L.M. 55-kW variable 3X DC-DC converter for plug-in hybrid electric vehicles. IEEE Trans. Power Electron. 2012, 27, 1668–1678. [Google Scholar] [CrossRef]
  11. Brunton, S.L.; Rowley, C.W.; Kulkarni, S.R.; Clarkson, C. Maximum power point tracking for photovoltaic optimization using ripple-based extremum seeking control. IEEE Trans. Power Electron. 2010, 25, 2531–2540. [Google Scholar] [CrossRef]
  12. Agarwal, V.; Aggarl, R.K.; Patidar, P.; Patki, C. A novel scheme for rapid tracking of maximum power point in wind energy generation systems. IEEE Trans. Power Electron. 2010, 25, 228–236. [Google Scholar] [CrossRef]
  13. Subiyanto; Mohamed, A.; Shareef, H. Hopfield neural network optimized fuzzy logic controller for maximumpower point tracking in a photovoltaic system. Int. J. Photoenergy 2012, 2012, 798361:1–798361:13. [Google Scholar] [CrossRef]
  14. Taherbaneh, M.; Rezaie, A.; Ghafoorifard, H. H.; Rahimi, K.; Menhaj, M. B. Maximizing output power of a solar panel via combination of sun tracking and maximum power point tracking by fuzzy controllers. Int. J. Photoenergy 2010, 2010, 312580:1–312580:13. [Google Scholar] [CrossRef]
  15. Weidong, X.; Dunford, W.G. A Modified Adaptive Hill Climbing MPPT Method for Photovoltaic Power Systems. In Proceedings of 35th Annual IEEE Power Electrons Specialists Conference (PESC), Aachen, Germany, 20–25 June 2004; pp. 1957–1963.
  16. Kobayashi, K.; Matsu, H.; Sekine, Y. An excellent operating point tracker of the solar-cell power supply system. IEEE Trans. Ind. Electron. 2006, 53, 495–499. [Google Scholar] [CrossRef]
  17. Jain, S.; Agarwa, V. A new algorithm for rapid tracking of approximate maximum power point in photovoltaic systems. IEEE Power Electron. Lett. 2004, 2, 16–19. [Google Scholar] [CrossRef]
  18. Chung, H.S.-H.; Tse, K.K.; Ron Hui, S.Y.; Mok, C.M.; Ho, M.T. A novel maximum power point tracking technique for solar panels using a sepic or cuk converter. IEEE Trans. Power Electron. 2003, 18, 717–724. [Google Scholar] [CrossRef]
  19. Billy, M.T.H.; Henry, S.H.C.; Hui, S.Y.R. An integrated inverter with maximum power tracking for grid-connected PV systems. IEEE Trans. Power Electron. 2004, 20, 953–962. [Google Scholar]
  20. Casadei, D.; Grandi, G.; Rossi, C. Single-phase single-stage photovoltaic generation system based on a ripple correlation control maximum power point tracking. IEEE Trans. Energy Convers. 2006, 21, 562–568. [Google Scholar] [CrossRef]
  21. Mousavi, A.; Das, P.; Moschopoulos, G. A comparative study of a new ZCS DC–DC full-bridge boost converter with a ZVS active-clamp converter. IEEE Trans. Power Electron. 2012, 27, 1347–1358. [Google Scholar] [CrossRef]
  22. Yang, F.; Ruan, X.; Yang, Y.; Ye, Z. Interleaved critical current mode boost pfc converter with coupled inductor. IEEE Trans. Power Electron. 2011, 26, 2404–2413. [Google Scholar] [CrossRef]
  23. Meng, P.; Chen, H.; Zheng, S.; Wu, X.; Qian, Z. Optimal design for the damping resistor in RCD-R snubber to suppress common-mode noise. In Proceedings of Twenty-Fifth Annual IEEE Applied Power Electronics Conference and Exposition (APEC), Palm Springs, CA, USA, 21–25 February 2010; pp. 691–695.
  24. River, T.H.L.; Henry, S-H.C.; Anson, K.T.S. Passive lossless snubber for boost PFC with minimum voltage and current stress. IEEE Trans. Power Electron. 2010, 25, 602–613. [Google Scholar] [CrossRef]
  25. Bongseong, K.; Ju, H.-J.; Ko, K.-C.; Hotta, E. Active clamping circuit to suppress switching stress on a MOS-gate-structure-based power semiconductor for pulsed-power applications. IEEE Trans. Plasma Sci. 2011, 39, 1295–1304. [Google Scholar]
  26. Ku, C-P.; Chen, D.; Huang, C-S.; Liu, C-Y. A novel SFVM-M3 control scheme for interleaved CCM/DCM boundary-mode boost converter in PFC applications. IEEE Trans. Power Electron. 2011, 26, 2295–2303. [Google Scholar] [CrossRef]
  27. Genc, N.; Iskender, I. DSP-based current sharing of average current controlled two-cell interleaved boost power factor correction converter. IET Power Electron. 2011, 4, 1016–1022. [Google Scholar] [CrossRef]
  28. Bin, G.; Jason, D.; Lai, J.-S.; Zheng, Z.; Chung, L. High boost ratio hybrid transformer DC-DC converter for photovoltaic module applications. IEEE Trans. Power Electron. 2013, 28, 2048–2058. [Google Scholar]
  29. Tseng, K.-C.; Huang, C.-C.; Shih, W.-Y. A high step-up converter with a voltage multiplier module for a photovoltaic system. IEEE Trans. Power Electron. 2013, 28, 3047–3057. [Google Scholar] [CrossRef]
  30. Fang, Y.; Ma, X. A novel PV microinverter with coupled inductors and double-boost topology. IEEE Trans. Power Electron. 2010, 25, 3139–3147. [Google Scholar] [CrossRef]

Share and Cite

MDPI and ACS Style

Tseng, S.-Y.; Wang, H.-Y. A Photovoltaic Power System Using a High Step-up Converter for DC Load Applications. Energies 2013, 6, 1068-1100. https://doi.org/10.3390/en6021068

AMA Style

Tseng S-Y, Wang H-Y. A Photovoltaic Power System Using a High Step-up Converter for DC Load Applications. Energies. 2013; 6(2):1068-1100. https://doi.org/10.3390/en6021068

Chicago/Turabian Style

Tseng, Sheng-Yu, and Hung-Yuan Wang. 2013. "A Photovoltaic Power System Using a High Step-up Converter for DC Load Applications" Energies 6, no. 2: 1068-1100. https://doi.org/10.3390/en6021068

APA Style

Tseng, S.-Y., & Wang, H.-Y. (2013). A Photovoltaic Power System Using a High Step-up Converter for DC Load Applications. Energies, 6(2), 1068-1100. https://doi.org/10.3390/en6021068

Article Metrics

Back to TopTop