A High Step-Down Interleaved Buck Converter with Active-Clamp Circuits for Wind Turbines
Abstract
:1. Introduction




2. Selection of Active-Clamp Circuit


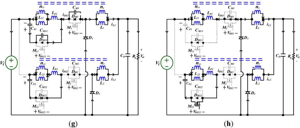
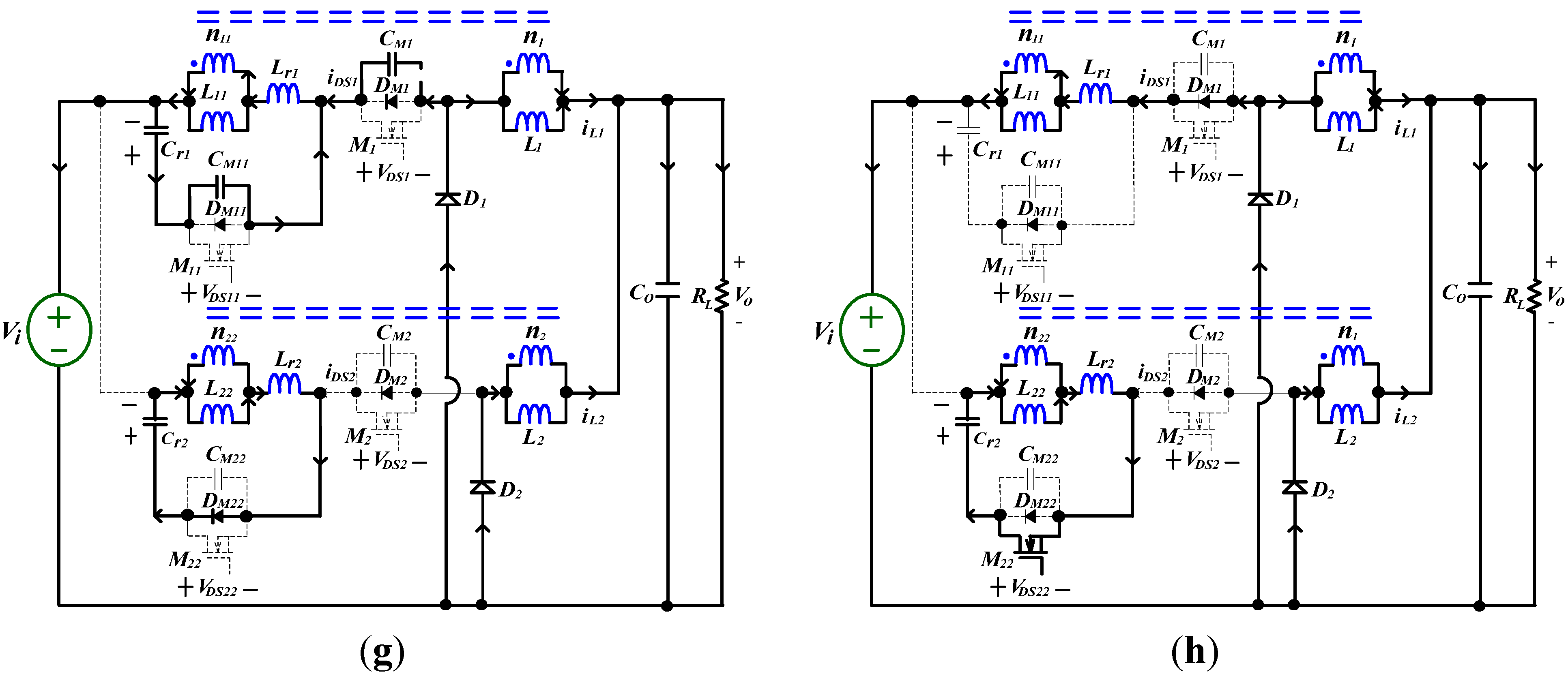
3. Operational Principle

- (1)
- clamp capacitors Cr1, Cr2 and output filter capacitor Co are large enough so that the voltages across them are constant over a switching period,
- (2)
- winding and turns of coupled inductors (L1 and L2) are identical, and
- (3)
- all semiconductor components are ideal, except the MOSFETs (M1, M2, M11 and M22).



4. Feature Analysis
4.1. Voltage Gain and Duty Ratio

4.2. Voltage Stress of Free-Wheeling Diode and Active Switch


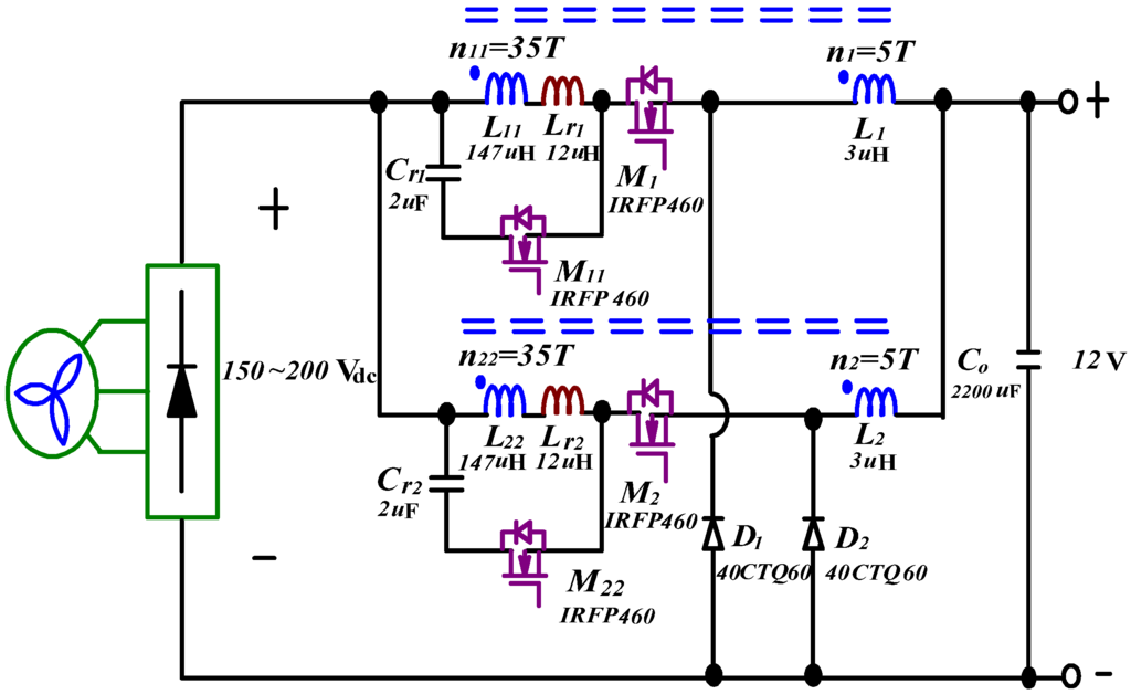
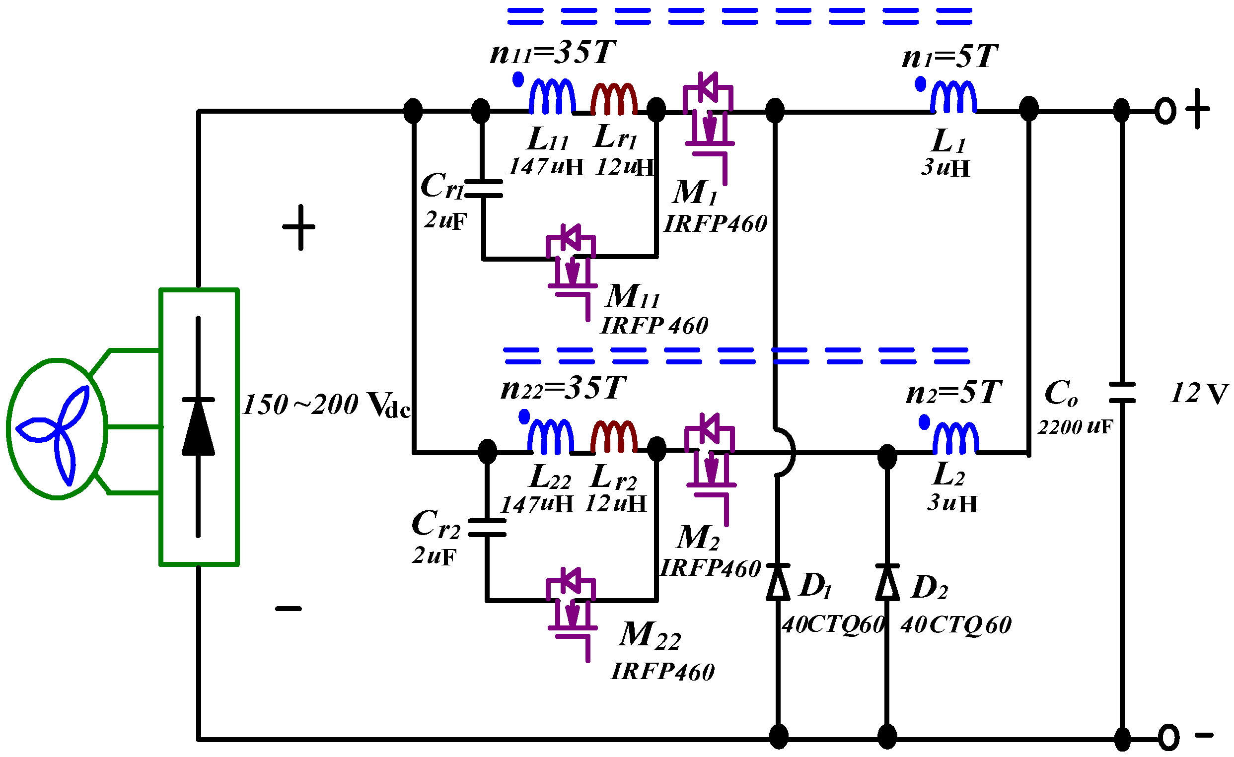
5. Power Losses Estimation and Experimental Results
- Input voltage: 150–200 Vdc;
- Output voltage: 12 Vdc;
- Maximum output current:20 A;
- Switching frequency: 75 kHz.
5.1. Design Considerations of Key Components
5.1.1. Design of the Coupled Inductors
5.1.2. Selection of Power Switches and Diodes
5.1.3. Consideration of ZVS Condition

5.2. Power Losses Estimation

5.2.1. Main Switches (M1 and M2)
5.2.2. Auxiliary Switches (M11 and M22)
5.2.3. Free-Wheeling Diodes (D1 and D2)
5.2.4. Coupled Inductors (L1 and L2)

| Components | Power Loss Calculation | Power Losses |
|---|---|---|
| Main switch (M1 and M2) | 6 W | |
| Auxiliary switch (M11 and M22) | 8.8 W | |
| Freewheel diode (D1 and D2) | 4.8 W | |
| Coupled inductor (L1 and L2) | 10.2 W | |
| Total power losses | 29.8 W | |
| Efficiency estimation | 89% |
5.3. Experimental Results






6. Conclusions
References
- World Wind Energy Report 2008; World Wind Energy Association: Bonn, Germany, 2009.
- Rahimi, M.; Parniani, M. Efficient control scheme of wind turbines with doubly fed induction generators for low-voltage ride-through capability enhancement. Renew. Power Gener. IET 2010, 4, 242–252. [Google Scholar] [CrossRef]
- Tsai, C.T. Energy storage system with voltage equalization strategy for wind conversion. Energies 2012, 5, 2331–2350. [Google Scholar] [CrossRef]
- Shen, C.L.; Tsai, C.T. Double-linear approximation algorithm to achieve maximum-power-point tracking for photovoltaic arrays. Energies 2012, 5, 1982–1997. [Google Scholar] [CrossRef]
- Agarwal, V.; Aggarwal, R.K.; Patidar, P.; Patki, C. A novel scheme for rapid tracking of maximum power point in wind energy generation systems. IEEE Trans. Power Electron. 2010, 25, 228–236. [Google Scholar] [CrossRef]
- Wong, P.; Xu, P.; Lee, F.C. Performance improvements of interleaving VRMs with coupling inductors. IEEE Trans. Power Electron. 2001, 16, 499–507. [Google Scholar] [CrossRef]
- Chen, Y.M.; Tseng, S.Y.; Tsai, C.T.; Wu, T.F. Interleaved buck converters with a single-capacitor turn-off snubber. IEEE Trans. Aerosp. Electron. Syst. 2004, 40, 954–967. [Google Scholar] [CrossRef]
- Munoze, C. Study of a New Passive Lossless Turn-Off Snubber. In Proceedings of the International Power Electronics Congress, Seoul, Korea, 26–31 October 1998; pp. 147–152.
- Smith, K.M., Jr.; Smedley, K.M. Lossless Passive Soft Switching Methods for Inverters and Amplifiers. In Proceedings of the Power Electronics Specialists Conference, Saint Louis, MO, USA, 22–27 June 1997; pp. 1431–1439.
- Ilic, M.; Maksimovic, D. Interleaved zero-current-transition buck converter. IEEE Trans. Ind. Appl. 2007, 43, 1619–1627. [Google Scholar] [CrossRef]
- Tseng, C.J.; Chen, C.L. Passive Lossless Snubbers for DC/DC Converters. IEE Proc. Circuits Device Syst. 1998, 145, 396–401. [Google Scholar] [CrossRef]
- Gallo, C.A.; Tofoli, F.L.; Pinto, J.A.C. A passive lossless snubber applied to the AC-DC interleaved boost converter. IEEE Trans. Power Electron. 2010, 25, 775–785. [Google Scholar] [CrossRef]
- Tsai, C.T.; Shen, C.L. Interleaved soft-switching buck converter with coupled inductors. WSEAS Trans. Circuits Syst. 2011, 10, 99–103. [Google Scholar]
- Yao, K.; Ye, M.; Xu, M.; Lee, F.C. Tapped-inductor buck converter for high-step-down DC-DC converter. IEEE Trans. Power Electron. 2005, 20, 775–780. [Google Scholar] [CrossRef]
- Shoyama, M.; Li, G.; Ninomiya, T. Application of Common-Source Active-Clamp Circuit to Various DC-DC Converter Topologies. In Proceedings of the Power Electronics Specialists Conference, Acapulco, Mexico, 15–19 June 2003; pp. 1321–1326.
- Xu, D.H.; Chen, M.; Lou, J.; Luo, M. Transformer secondary leakage inductance based ZVS dual bridge DC/DC converter. IEEE Trans. Power Electron. 2004, 19, 1408–1416. [Google Scholar] [CrossRef]
- Jin, K.; Ruan, X. Zero-voltage-switched multi-resonant three-level converters. IEEE Trans. Ind. Electron. 2007, 54, 1705–1715. [Google Scholar] [CrossRef]
- Lo, Y.K.; Kao, T.S.; Lin, J.K. Analysis and design of an interleaved active-clamp forward converter. IEEE Trans. Ind. Electron. 2007, 54, 2323–2332. [Google Scholar] [CrossRef]
© 2012 by the authors; licensee MDPI, Basel, Switzerland. This article is an open access article distributed under the terms and conditions of the Creative Commons Attribution license (http://creativecommons.org/licenses/by/3.0/).
Share and Cite
Tsai, C.-T.; Shen, C.-L. A High Step-Down Interleaved Buck Converter with Active-Clamp Circuits for Wind Turbines. Energies 2012, 5, 5150-5170. https://doi.org/10.3390/en5125150
Tsai C-T, Shen C-L. A High Step-Down Interleaved Buck Converter with Active-Clamp Circuits for Wind Turbines. Energies. 2012; 5(12):5150-5170. https://doi.org/10.3390/en5125150
Chicago/Turabian StyleTsai, Cheng-Tao, and Chih-Lung Shen. 2012. "A High Step-Down Interleaved Buck Converter with Active-Clamp Circuits for Wind Turbines" Energies 5, no. 12: 5150-5170. https://doi.org/10.3390/en5125150
APA StyleTsai, C.-T., & Shen, C.-L. (2012). A High Step-Down Interleaved Buck Converter with Active-Clamp Circuits for Wind Turbines. Energies, 5(12), 5150-5170. https://doi.org/10.3390/en5125150
