Abstract
Lifetime testing of batteries for hybrid-electrical vehicles (HEV) is usually performed in the lab, either at the cell, module or battery pack level. Complementary field tests of battery packs in vehicles are also often performed. There are, however, difficulties related to field testing of battery-packs. Some examples are cost issues and the complexity of continuously collecting battery performance data, such as capacity fade and impedance increase. In this paper, a novel field test equipment designed primarily for lithium-ion battery cell testing is presented. This equipment is intended to be used on conventional vehicles, not hybrid vehicles, as a cheaper and faster field testing method for batteries, compared to full scale HEV testing. The equipment emulates an HEV environment for the tested battery cell by using real time vehicle sensor information and the existing starter battery as load and source. In addition to the emulated battery cycling, periodical capacity and pulse testing capability are implemented as well. This paper begins with presenting some background information about hybrid electrical vehicles and describing the limitations with today’s HEV battery testing. Furthermore, the functionality of the test equipment is described in detail and, finally, results from verification of the equipment are presented and discussed.
1. Introduction
During the last 50 years vehicle emissions have been reduced significantly [1,2]. Further emission reductions related to the internal combustion engine, ICE, are becoming more and more difficult to achieve. One approach to further reduce the emissions is to hybridize vehicles by introducing an additional energy converter and energy storage. Even if this technology is considered to be relatively new, it has a long history. For example, the first hybrid passenger car, the Lohner-Porsche, was built in 1900 and used lead acid batteries as energy storage [3]. There are also several publications available regarding vehicle hybridization, some published already in the 1970s [4]. It was, however, not until the launch of the first generation Toyota Prius hybrid passenger car in 1997 that public interest for this technology increased considerably [5]. Today, even trucks and buses are subject to hybridization, and this paper will discuss field testing of HEV-batteries within this segment.
A well-known problem when using batteries as energy storage in HEVs is the limited and relatively unpredictable battery lifetime. The ageing process for lithium-ion batteries in particular is very complex and is influenced by several factors, such as for example temperature and depth of discharge (DOD). Because of this, extensive battery testing is required from the vehicle manufacturer’s side to be able to guarantee battery lifetime for HEV-customers. In the early stage of HEV-battery development, there is often a desire to do performance and ageing testing on several batteries available on the market. Hence, measurements are initially performed on the battery cell level in the laboratory, followed by battery pack laboratory testing when the number of interesting candidates has been reduced. Finally, field testing is performed on a limited population of vehicles, and seldom over a time frame that gives significant information about battery ageing before the product is launched. Consequently, vehicle manufacturers typically refer to laboratory ageing data when predicting HEV-battery lifetime.
For this reason, we see a need for test equipment that can be used on conventional vehicles, making the tested battery cell experience the same environmental and cycling conditions as the battery pack in an HEV. In this paper, we describe a novel cost-effective and simplified method of performing that kind of field testing on battery cells intended for HEV usage. The main purpose with the concept is the possibility to compare battery testing in laboratory with field testing in an early HEV-battery development phase. With this test equipment, field testing of batteries is possible to perform already in parallel with the battery cell laboratory screening phase. Since this test equipment does not require HEV-vehicles or full-scale battery packs, it is less costly, less complex and provides battery ageing information faster than full scale HEV-vehicle tests. With this test equipment, it is possible to measure battery performance periodically on board the vehicle during a lifetime test, thus providing detailed data regarding performance degradation over time. This kind of performance testing is usually only done in the beginning and at the end of conventional battery pack field tests [6,7]. By using this test method in parallel with laboratory measurements, it is possible to acquire a better understanding of differences in battery ageing between lab and field tests. Further more, even if it is possible to cycle batteries in laboratory using recorded data from vehicle and with similar climate changes and vibration conditions as in field, it is too complicated and expensive to perform in practice. Another example of application for the test equipment is comparing different hybrid strategies regarding battery ageing. This can be performed by placing several test equipments on one or several vehicles, outfitted with same batteries but different hybrid strategies. Quantitative measurements are also a possible application for this concept. By collecting data from a large fleet of vehicles operating in a specific geographical area (for example inner city buses), and using the same batteries, it should be possible to obtain a statistical battery lifetime distribution for this specific vehicle population. Combining those results with battery ageing results from laboratory tests on a large population of the same type of battery cells would provide information about battery lifetime distribution regarding the HEV that are operating in that geographic area. Finally, since vehicle performance data is stored in parallel with the battery parameters, drive cycle analysis can be performed, making it possible to relate battery ageing to different driving patterns [8,9,10].
The development goal was to create a test equipment that could be used on a conventional vehicles, making the tested battery cell experience the same environmental and cycling conditions as a battery pack in an HEV. The concept is based on using the starter battery in the vehicle both as load and source when charging and discharging the tested battery cell. When charging the tested battery cell, current is drawn from the vehicle starter battery and the opposite during discharge. The cycling current is derived using sensor data available in a conventional vehicle, for example accelerator and brake pedal positions. The test equipment is designed for single battery cell testing and handles battery cell voltages between 1.5 and 4.5 V. Further more, the equipment is designed to work with a 24 V-system that is common in heavy-duty vehicles, but it could be adapted to other electrical systems, such as the 12 V-system in passenger cars. The complete test equipment was verified on a Scania hybrid truck [11], showing that a battery cell cycled with the test equipment can experience the same cycle conditions as a HEV-battery pack. The battery cell chosen for the verification was the AHR32113 from A123 Systems.
Figure 1.
Schematic view describing the interaction between the truck and the test equipment.
Figure 1.
Schematic view describing the interaction between the truck and the test equipment.

2. System Description
2.1. Overview
The test equipment will be described in detail in this section following the layout in Figure 1, beginning with the interface to the truck and finishing with the assembly and mounting. Figure 1 shows an overview of the test equipment and the interaction with the truck system. The arrows show the communication between the different parts. The test equipment layout is both hardware- and system-wise divided into two parts: the battery management unit (BMU) and the electronic control unit (ECU), as shown in Figure 1. The arrows indicate the communication flow.
2.2. Electronic Control Unit, ECU
The electronic control unit, ECU, is a vehicle-specific unit from Scania CV AB [11]. It contains a MPC5554 microprocessor from Freescale that is well suited for the complex software functions used in this application [12]. The strategy when creating the test equipment was to handle the communication to the vehicle with the ECU and handle all battery cell interactions with the BMU. Consequently, the hybrid vehicle specific software was solely implemented in the ECU, making it possible to use the BMU together with other hybrid vehicle software systems as well.
2.2.1. Hybrid Strategy Software
The hybrid strategy software from a real hybrid vehicle (in our case a Scania hybrid truck) was chosen as the foundation for the ECU-software development. The hybrid strategy software makes decisions about how to apply the available electrical motor (EM) torque in a hybrid vehicle into the drive train, based on information about vehicle and battery status, e.g., vehicle speed and acceleration, and battery SOC and temperature. For example, using the EM for faster and smoother gear shifting has a higher priority than using it for propulsion of the vehicle. The Scania hybrid strategy software was implemented into the test equipment as an important part of the complete ECU-software.
2.2.2. Interface Software
Since hybrid specific components are missing in conventional vehicles, software had to be developed with the purpose of emulating the missing components. The signals needed are generated using vehicle sensor information available in conventional trucks. This part of the ECU software, the interface software, is divided into four parts that emulate different functions in a hybrid truck. In addition to those parts, the controller software which handles the toggling between normal mode and test mode is included in the interface software. The four parts in the interface software that emulates hybrid functions feed the hybrid strategy software with information needed to decide how to cycle the battery cell. Those parts will be described in detail in the following sections.
2.2.3. Engine Management Software, EMS
When propelling a Scania hybrid truck, the EM is used together with the ICE, and the level of EM-power used during propulsion is determined by the hybrid strategy software, using vehicle system information that is already available in conventional trucks. However, when engine braking is used, the hybrid strategy software is expecting a signal that is not generated in a conventional truck. Engine braking occurs when the accelerator pedal is released or at small brake pedal deviations. When engine braking is activated in a hybrid truck, EM-braking is prioritized before other braking systems which will be explained further later on. This functionality is handled by the EMS software by using information about vehicle speed and accelerator and brake pedal positions to generate the signal needed for the hybrid strategy software to calculate the correct corresponding EM torque.
2.2.4. Gearbox Management Software, GMS
The gearbox in a Scania hybrid truck is in principal a robotized manual gearbox with a clutch. Since the presence of an EM in the driveline would slow down the gear shifting speed, the EM is actively used for compensating this. The effect on the battery when using the EM for gear shifting is current peaks that might have an impact on ageing. Hence, it was essential to implement this effect in the software. The signal needed for the hybrid strategy software to calculate the corresponding EM torque is generated by the GMS software based on information about present gear and gear shifting occurrences.
2.2.5. Brake Management Software, BMS
A conventional truck has four possible ways of braking: engine, exhaust, retarder and mechanical braking [13]. In a hybrid truck, it is also possible to use the EM for braking. When using the brake pedal or the retarder lever in a hybrid truck, the vehicle brake system sends a request for braking to the hybrid strategy software and, based on the battery status and the priority list, the possible amount of braking power by using the EM is calculated by the hybrid strategy software. Since EM-braking does not exist on a conventional truck, this functionality is handled by the BMS-software. By using information about the brake pedal position and the retarder lever position, the signal needed for the hybrid strategy software to calculate the corresponding EM torque is generated. Since engine and exhaust braking is related to the engine system, it is handled by the EMS software, not the BMS software as explained earlier.
2.2.6. Motor-Generator Unit Software, MGU
The EM torque signal sent out from the interface software is converted to a corresponding current by the MGU software. The relationship between torque, rotational speed and output power for the EM was obtained from the manufacturer in form of a lookup table. The conversion is done by using the lookup table together with present shaft speed and battery voltage.
2.2.7. Controller Software
The controller software is working as a switch that in normal operation forwards the signals coming from the MGU to the BMU, but instead forwards the signals from the BCON to the BMU in test mode.
2.2.8. Battery Condition Software, BCON
In a hybrid vehicle, the battery pack usually has a separate electronic control unit that monitors the individual cell voltages and cell temperatures, calculates the battery state of charge (SOC) and manages the charge balancing of the cells. In the test equipment, the SOC-calculations and temperature regulation is managed by the battery condition (BCON) software in the ECU, as well as the test mode functionality that will be described later. One important part of this software is the SOC-management and hence, this functionality will be described more in detail.
The allowed SOC-window for a battery in a hybrid vehicle application depends on the cell chemistry and the hybrid strategy conditions. The choice of SOC-window is set as a parameter in the BCON software. To establish that the battery SOC-value always is within the allowed region, it is necessary to accurately calculate SOC. A common way of determine SOC is by integrating the current over time, also called coulomb counting. This method requires a well known battery capacity (Qmax) according to Equation (1):
A problem with this method is that current measurement errors are also integrated over time, causing a drift of the measured SOC-value compared to the actual value. By using complementary determination methods, such as correlating SOC to the open circuit voltage (OCV), the drift of SOC can be reduced. Both methods described above are implemented in the BCON-software. The OCV calibration is implemented by using a lookup table with SOC-values and correlating OCV-values at different temperatures. The lookup table for the battery cell used during the test equipment development was created using data obtained from galvanostatic titration technique (GITT) measurements in laboratory [14]. A plot describing the OCV vs. SOC at 25 °C is shown in Figure 2.
Figure 2.
Open circuit voltage vs. SOC at 25 °C for the battery cell used in the system validation.
Figure 2.
Open circuit voltage vs. SOC at 25 °C for the battery cell used in the system validation.

The OCV-calibration procedure in the BCON-software is designed to be performed every time the voltage is stable during a predefined period. The OCV-measurement procedure checks the cell voltage stability by calculating the difference between two consecutive average voltages, performing integration over two predefined periods as shown in Equation (2):
The times t1 and t2 will depend on battery chemistry and have to be found empirically by assigning a ΔU-value that is considered acceptable. This ΔU value has to be set low enough to give a stable measurement, but also high enough to get a signal that is larger than the measurement noise. If the stability test succeeds, the measured voltage is used to receive a new correlating SOC value from the lookup table. The stability check is performed according to a predefined periodicity during normal operation. The LFP/Graphite battery chemistry has a region where the OCV is very flat over a wide SOC-region, approximately between 40% and 70% (Figure 2). In this region, it is undesirable to use the lookup table for SOC-determination. To solve this problem, the BCON software is designed with the possibility of excluding OCV-measurement in a selected voltage span. In this case, the SOC estimation is solely performed by coulomb counting. The OCV-measurement procedure will also be executed if the cell voltage frequently reaches the limits during normal operation. This should not occur in a well tuned test system but if it happens, the voltage stability check described earlier is performed. If this occurs when the OCV is in a region where voltage calibration is prohibited, the battery will be discharged during a predefined period with a predefined current until the voltage is outside that region. When a stable OCV is measured, a new SOC-value is obtained from the lookup table.
When performing lifetime tests on batteries with flat voltage vs. SOC characteristics, the cycling region is usually inside the flat SOC-region where it is undesirable to perform OCV-measurements to calibrate SOC. To avoid SOC drift in this case, it is however possible to use OCV-calibration with a lower frequency than normal. Since the battery will be discharged before the OCV-calibration in this case, it is essential to find a frequency that will not affect the ageing of the tested battery during a complete lifetime test. The SOC-calibration that anyway will be performed during the periodic performance tests may be sufficient in those cases. One way of improve the SOC-estimation method would be to make it possible to estimate the errors from the current and voltage measurements and compensate for this when calculating SOC. This could be implemented in the ECU software by introducing a Kalman-filtering algorithm [15].
The test mode functionality implemented in the BCON software makes it possible to check the battery condition during a field test without having to dismount the test equipment and bringing the battery cell into the lab. The two available test functions are described below.
A capacity test comprising a constant current (CC) discharge is available, making it possible to continuously measure the capacity fade during a lifetime test. When starting a capacity test, the battery cell will initially be charged to its maximum capacity by a constant current, constant voltage procedure (CCCV), followed by the constant current discharge until the cell voltage reaches the lower limit. When the capacity test has finished, the battery capacity is calculated and stored, and the SOC-algorithm is updated with the present SOC-value and the new capacity.
In addition to the capacity test, a pulse test is also available, making it possible to measure changes in cell resistance. When entering the pulse test mode, the battery cell is first discharged to the lower voltage limit with a constant current. After this, the pulse test will be performed at a predefined number of SOC-values. The internal resistance will subsequently be calculated according to the EUCAR High Voltage HEV Traction Battery Test Procedure [16]. If a voltage limit is reached during the pulse test, the BMU automatically enters a constant voltage (CV) state and the test is continued until the end. The periodicity of the tests is programmable and if the battery cell is placed in a temperature controlled device, it is possible to perform the tests at a controlled temperature.
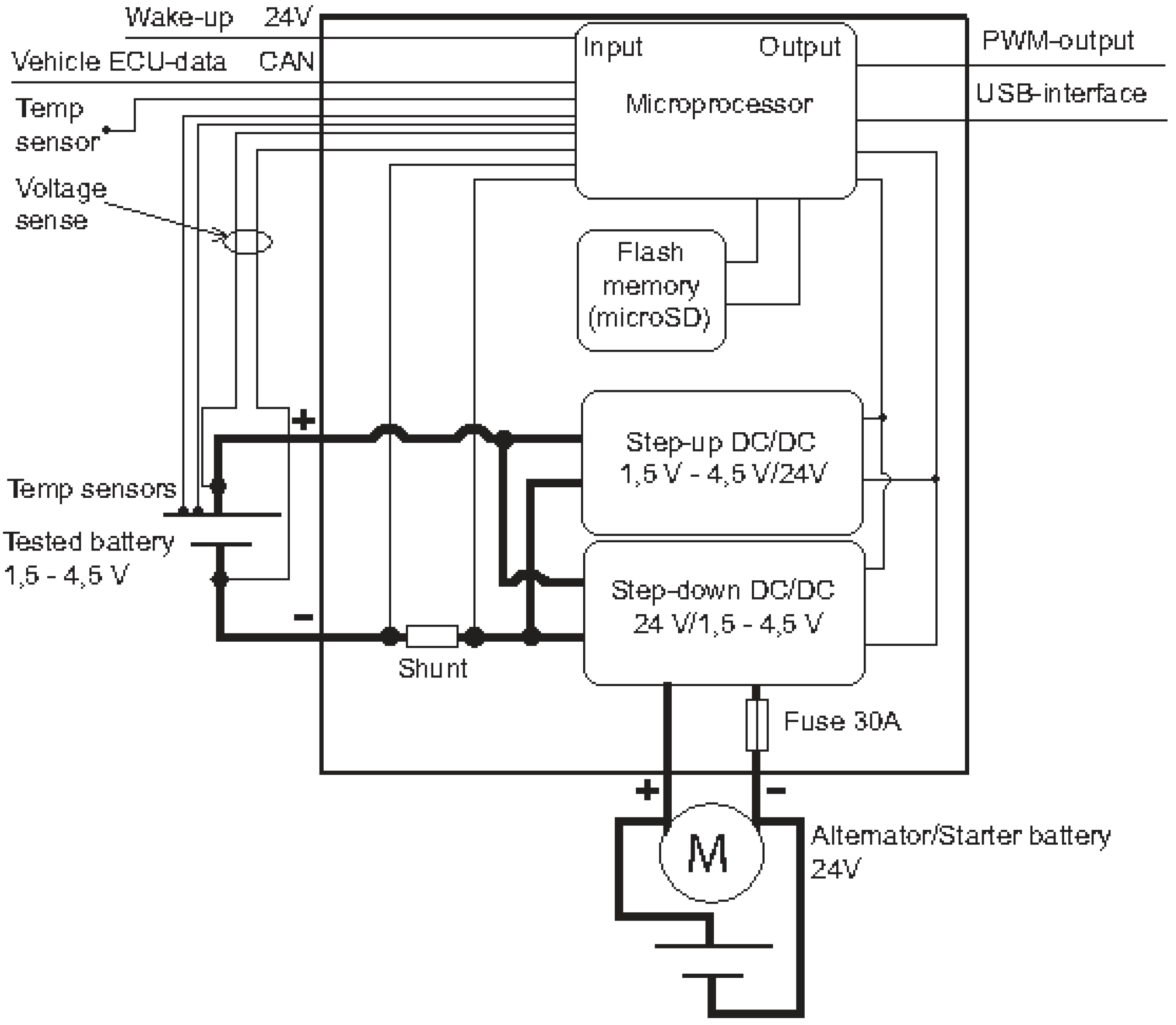
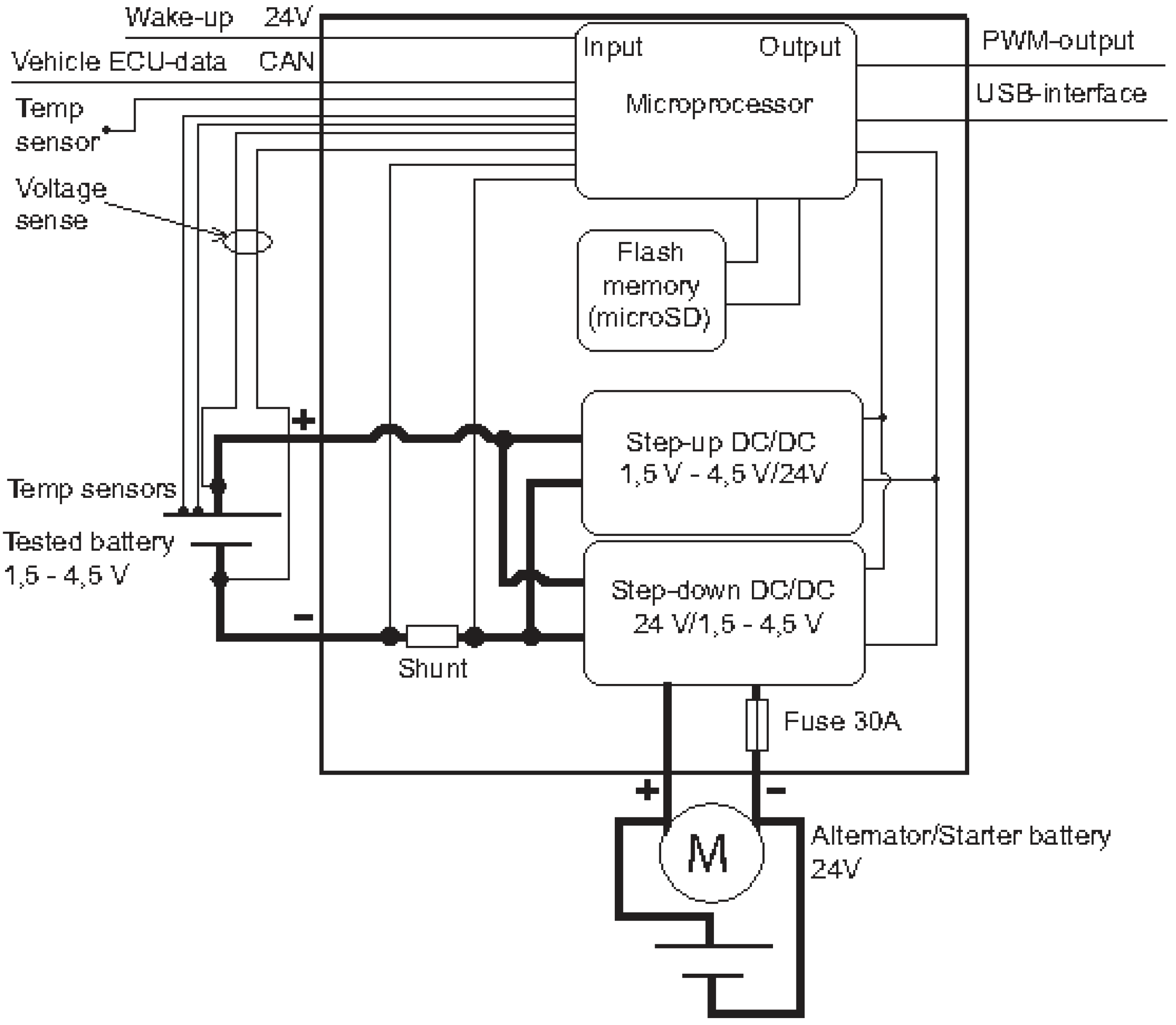
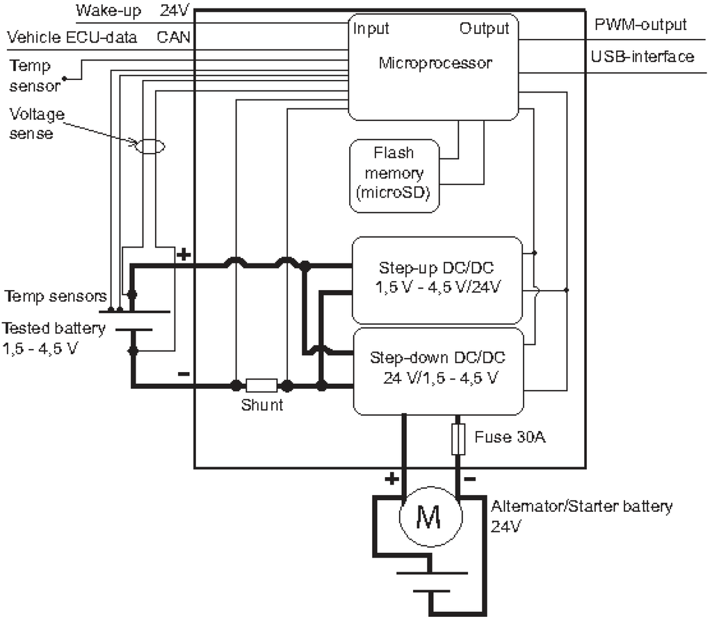
2.3. Battery Management Unit, BMU
The main parts of the BMU hardware are the power electronics in form of a step-up, step-down DC/DC-converter, the microprocessor and the memory card, all placed on the same printed circuit board (PCB). Figure 3 shows a schematic view of the BMU hardware, illustrating that several inputs and outputs are available.
Figure 3.
BMU schematic.
Figure 3.
BMU schematic.

The BMU is activated using the wake-up port and the cycling parameters (current, min. and max. voltages) that are sent from the ECU are received through the vehicle ECU-data input port. The communication between the ECU and the BMU is done through a vehicle specific communication network, called Controller Area Network (CAN) [17]. Three NTC-temperature sensors can be connected to the BMU and a pulse width modulated (PWM) output signal is available. An USB-interface is available for transferring data to a computer. The complete BMU was manufactured by the company Elektronikkonsult AB, Sweden [18]. The component and manufacturing costs for one BMU is estimated to be less than 2000 euro.
2.3.1. Power Electronics
The power electronics is essentially a two-quadrant, four-phase DC/DC converter with high efficiency [19]. The two quadrant design permits bidirectional power flow (positive and negative currents) that allows the battery cell to be both charged and discharged (Figure 4).
Figure 4.
Simplified schematic of the DC/DC-converter.
Figure 4.
Simplified schematic of the DC/DC-converter.

The DC/DC converter is controlled and monitored by a microprocessor on the PCB, which in turn is controlled by the ECU via the CAN-interface. The charge/discharge current is split into four equal phases that are synchronous and shifted 90 degrees from each other to minimize disturbances. When the four current leads are connected together at the battery cell, switching disturbances are theoretically cancelled out. Each current phase provides a maximum of ±40 A and is controlled by the microprocessor via a regulator circuit. This two quadrant converter, also referred to as a half bridge converter, will take current from the vehicle 24 V-system when charging, and deliver current to it when discharging the battery cell. This approach requires that the vehicle electrical system has the capacity to both deliver and receive the needed current without disturbing vehicle performance. In worst case, (max current into a discharged battery) the internal power dissipation from the complete BMU is typically 40 W, which gives an average efficiency of about 85%.
2.3.2. Microprocessor
The microprocessor used in the BMU is the STM32F103ZE from STMicroelectronics [20]. This microprocessor has 512 kB Flash and 64 kB RAM memory, 72 MHz maximum processor speed and 124 available I/O (Input/Output) pins. This microprocessor comes with extensive support for several I/O devices and it has the capability of communicating via both CAN and USB.
2.3.3. Sensors
The voltage measurement of the battery cell is implemented as a differential measurement. The possibility to measure three additional voltages (one differential measurement per phase) is also implemented in the hardware. This allows testing of up to four battery cells in parallel by making the four phases independent with a software modification. The voltage of the tested cell is measured and recorded with a sample rate of 10 Hz and an accuracy of ±0.01 V. The input voltage from the truck side is also measured but not stored since this information only is used to detect low or high truck voltage.
The cycling current is controlled by the ECU via the CAN-interface. The maximum current level is ±160 A, the sum of the currents in all phases. Four current sensors are used since there are four current phases, and each current is measured separately with a frequency of 10 kHz. An average current is calculated to obtain a stable reading each millisecond and this value is stored with a sample rate of 10 Hz. The measurement accuracy is ±0.1 A.
Three negative-temperature-coefficient (NTC) thermistors can be used. During development and verification of the test equipment, the RH16-3H103FB NTC thermistor from Mitsubishi was chosen [21]. The measurement range is with this temperature sensor −40 °C to +80 °C. The measurement periodicity is 0.1 Hz and the accuracy ±0.5 °C.
One analogue output is available and this output can for example be used for powering a thermal management system. The output signal is a PWM signal controlled by the microprocessor. The available power can be adjusted between 0 W and about 280 W, depending on the truck voltage level since the maximum current from the output is 10 A. The power can be adjusted in the range 0 to 100%, with a resolution of 0.5% (ca. 1.4 W).
Table 1.
Parameters stored on the memory card.
| Parameter | Data Type | Description |
|---|---|---|
| Accumulated positive energy throughput | Calculated | Charge power integrated over time (Wh) |
| Accumulated negative energy throughput | Calculated | Discharge power integrated over time (Wh) |
| Battery capacity | Calculated | Data from the capacity test (Ah) |
| Current | Raw | Battery cell current (A) |
| Voltage | Raw | Battery cell voltage (V) |
| Temperature | Raw | Battery cell temperature (°C) |
| Ambient temperature | Raw | Air temperature inside the casing (°C) |
| SOC | Calculated | SOC-value (%) |
| Electric machine torque | Calculated | Simulated EM torque data from the MGU (Nm) |
| Vehicle speed | Raw | Vehicle speed—data from CAN (kph) |
| EM rotational speed | Raw | Input shaft speed—data from CAN (rpm) |
| Torque request info | Raw | Total torque request—data from the hybrid strategy software (Nm) |
2.3.4. Memory Card
It is possible to store battery current and voltage as well as vehicle sensor data on a memory card on the BMU. The memory card slot on the test equipment is compatible with microSD and microSDHC memory cards and the data is saved to the memory card in a binary format to save space. When a test mode is activated, a separate file with those measurements will be generated to make it easier to access battery performance data during evaluation. Since storing all available vehicle sensor data would acquire too large space on the memory card, a choice of what to store had to be made. To make the upcoming data analysis more convenient, some key parameters were chosen to be directly calculated by the ECU software and stored. Table 1 shows a short description of the parameters chosen to be stored.
2.3.5. Layout
Figure 4 shows a picture of the BMU hardware. The connections to the battery cell and the 24 V electrical system are located at the top of the PCB in the figure. The CAN and USB-connector and the sensor inputs are located at the bottom of the figure, as well as the Wake-up input and PWM-output. The position of the memory card slot and the microprocessor are also marked in the figure.
Figure 5.
BMU hardware.
Figure 5.
BMU hardware.

2.4. Assembly
The BMU PCB, sensor and power cables (including fuses) and battery housing including battery, are placed in an aluminium casing, as seen in Figure 6. The BMU PCB is connected to the casing via a heat bridge to ensure cooling for the power transistors. To be able to resemble a true HEV environment in the best possible way for the battery, some kind of thermal management system is desirable. As discussed earlier, the ECU has an output that can be used for controlling a climate unit.
Figure 6.
(a) Test equipment casing including a heat bridge for the BMU, battery housing, brackets and lid, looking from above, with the lid slide off; (b) Assembly of the test equipment components, except the ECU, in the aluminium casing.
Figure 6.
(a) Test equipment casing including a heat bridge for the BMU, battery housing, brackets and lid, looking from above, with the lid slide off; (b) Assembly of the test equipment components, except the ECU, in the aluminium casing.

The thermal management system implemented for the verification of the test equipment consisted of power resistors built into an aluminum housing surrounding the battery (Figure 7).
Figure 7.
Battery housing with place for battery and temperature sensors (circular opening), and power resistors (square openings).
Figure 7.
Battery housing with place for battery and temperature sensors (circular opening), and power resistors (square openings).

Since the battery housing is placed in contact with the aluminum casing, the battery is also indirectly cooled by the air flow around the casing. Implementing active cooling would have been possible but had added complexity and cost to the system. The battery cell temperature should be possible to keep in a predefined region by using active heating and passive cooling for tests performed in climates with moderate temperatures. However, when performing tests in warmer climates, some kind of active cooling should be considered.
2.5. Mounting
The test equipment was mounted on the frame of a Scania truck when the system verification tests were performed (Figure 8). The ECU was placed in the cabin, close to the connection point for the CAN-communication. This was done to avoid unnecessarily long cables and hence minimize the risk of collecting disturbing signals. In this way, eventual disturbances on the CAN-path between the ECU and the BMU would only affect the test system, not other systems in the truck.
Figure 8.
Test equipment (encircled) mounted on a Scania truck.
Figure 8.
Test equipment (encircled) mounted on a Scania truck.

3. Results and Discussion
3.1. System Simulations
The ECU software was verified separately in a simulation environment based on recorded field test data from a hybrid truck. The current from the ECU was generated using recorded vehicle parameters from a test drive with a hybrid vehicle. This was compared to the corresponding recorded current through the hybrid vehicle battery pack during the same test drive. The results are presented in Figure 9.
It is seen from the two plots in Figure 9 that the simulated current in general follows the same pattern as the current recorded from the hybrid truck. There are however small differences in the pattern that mainly can be explained by two factors: (1) no current limitation was applied on the tested battery while it was implemented on the HEV battery pack current and, (2) the battery cell were of a different type compared to the ones used in the hybrid truck. Since the EM in an HEV requests power from the battery pack, it is expected that the current level is dependent on the current-voltage characteristics for the specific battery type. In our case a LFP/Graphite-battery was used in the test equipment and NiMH-batteries in the hybrid truck.

Figure 9.
Comparison between ECU-generated current (upper plot) and recorded battery pack current (lower plot). Positive currents correspond to discharge.
Figure 9.
Comparison between ECU-generated current (upper plot) and recorded battery pack current (lower plot). Positive currents correspond to discharge.


3.2. Test Mode Verification
A verification of the capacity test was performed. The left plot in Figure 10 shows the discharge curve performed with a constant current of 3.6 A until the voltage reached the lower limit of 2 V.
Figure 10.
(a) Results from capacity test at 1 °C (3.6 A) and 23 °C; (b) Pulse test verification results: the upper plot shows the current pulse and the lower plot shows the corresponding voltage. The SOC at start was 60% and the temperature was 23 °C.
Figure 10.
(a) Results from capacity test at 1 °C (3.6 A) and 23 °C; (b) Pulse test verification results: the upper plot shows the current pulse and the lower plot shows the corresponding voltage. The SOC at start was 60% and the temperature was 23 °C.

The pulse test sequence was verified after first adjusting the SOC of the battery cell to 60%. The plots at the right in Figure 10 show the current and corresponding voltage during the pulse test. The test mode verification fulfilled the expectations.
3.3. System Verification
Field verification of the complete test equipment was done on a Scania hybrid truck. By using a hybrid truck for the verification, it was possible to compare the measured current through the tested battery cell with the actual current flowing through the hybrid battery pack. The result from the test run is presented in Figure 11.
Figure 11.
Comparison between test equipment battery current and hybrid truck battery pack current during a test run. (a) Current through the tested battery cell and current through the hybrid truck battery pack, respectively; (b) Magnification of plots in (a) between 640 and 710 seconds.
Figure 11.
Comparison between test equipment battery current and hybrid truck battery pack current during a test run. (a) Current through the tested battery cell and current through the hybrid truck battery pack, respectively; (b) Magnification of plots in (a) between 640 and 710 seconds.

By zooming in between 640 and 710 seconds, it is possible to see the similarity between the current through the tested battery cell and the HEV battery current (Figure 11b). A comparison of the charge that passed through the tested battery cell compared to the hybrid vehicle battery pack during the test run indicates that the both cells were cycled similarly; only 3% less charge had passed through the tested battery compared to the hybrid vehicle battery pack during the around 40 minutes long test period. This is a satisfying result, considering that the hybrid truck batteries were of different type than the tested cell. The results also confirm that the emulated hybrid vehicle functions are influencing the tested battery as supposed. For example, current peaks due to gear changes are present at 654, 662, 675 and 702 seconds in Figure 11b, both for the tested battery and the hybrid vehicle battery. The conclusion from the verification results is that the test equipment has a most promising potential to be used as a hybrid vehicle emulator for batteries placed on conventional vehicles.
4. Conclusions
It is in this paper shown that the described novel test equipment has the ability to perform hybrid-battery cell testing on conventional vehicles by emulating an HEV-environment. The test equipment was successfully designed to be used on conventional vehicles (in our case heavy duty trucks). The core of the test equipment, the battery management unit (BMU), was designed to handle the battery cycling, as well as temperature control and measurement data storage. A vehicle specific ECU was used as an interface between the test equipment and the vehicle. This ECU was programmed with software that generates a signal that controls the BMU and the hence current through the battery. This was done by using vehicle sensor data received from the vehicle specific communication network, the CAN-BUS. The test equipment was successfully validated both in laboratory and on a hybrid truck. From the validation on vehicle, the comparison between current through the tested battery cell and current through the hybrid truck battery pack showed satisfying similarity. The idea of isolating a cell when performing field testing has both cost and test time benefits compared to full scale HEV testing. However, by doing this, some parameters that can influence battery ageing are excluded compared to full scale tests. For example, SOC-level differences and temperature differences between cells in a pack will not be addressed. Hence, this test method should be considered to be a complement to laboratory testing rather than a substitute to field testing. In other words, it should be seen as a link between laboratory testing and HEV field testing. Another aspect with this test equipment is the possibility to separate cycle ageing from calendar ageing by placing one additional cell in the battery casing. Both cells will hence experience the same environmental conditions while only one is cycled. One area of improvement for the test equipment is the SOC-estimation. One way of improving this would be to introduce Kalman-filtering. The component and manufacturing costs for the test equipment, excluding the ECU, is estimated to be in the order of 2000 euro, which should be considered low in this context. Results from lifetime testing of battery cells in field using this test equipment will be the subject of further publications.
Acknowledgements
The authors would like to send their gratitude to the company Elektronikkonsult AB, especially Anders Ohlsson, Ulf Soderberg, Erik Hansson and Vidar Wernoe, for their excellent work with the BMU-part of the test equipment. We also want to give Johannes Slettengren at Scania CV AB our appreciation for all his help with the ECU software during the design phase. Finally, we would like to send a big thanks to all supportive people at Scania CV AB, helping out with different tasks during the project. The project was financed by the Swedish Energy Agency and Scania CV AB.
References
- Beyea, J.; Stellman, S.D.; Hatch, M.; Gammon, M.D. Airborne emissions from 1961 to 2004 of Benzo a pyrene from US vehicles per km of travel based on tunnel studies. Environ. Sci. Technol. 2008, 42, 7315–7320. [Google Scholar] [CrossRef] [PubMed]
- Zamboni, G.; Capobianco, M.; Daminelli, E. Estimation of road vehicle exhaust emissions from 1992 to 2010 and comparison with air quality measurements in Genoa, Italy. Atmos. Environ. 2009, 43, 1086–1092. [Google Scholar] [CrossRef]
- Porsche Automobile Holding SE: Lohner-Porsche: The First Hybrid Vehicle. 2011. Available online: http://www.porsche.com/usa/aboutporsche/porscheandenvironment/hybrid/lohner/ (accessed on 16 February 2011).
- Bumby, J.R. Hybrid electric vehicle—development and future prospects. Futures 1978, 10, 438–442. [Google Scholar] [CrossRef]
- Thornton, E. Japan’s hybrid cars. BusinessWeek, December 15 1997; 108–110. [Google Scholar]
- Karner, D.; Francfort, J. Hybrid and plug-in hybrid electric vehicle performance testing by the US Department of Energy Advanced Vehicle Testing Activity. J. Power Sources 2007, 174, 69–75. [Google Scholar] [CrossRef]
- Francfort, J.E. Hybrid Electric Vehicle and Lithium Polymer NEV Testing; Idaho National Laboratory: Idaho Falls, ID, USA, 2005. Available online: http://avt.inel.gov/pdf/hev/hev_power_sourcepaper.pdf (accessed on 16 February 2011).
- Dubarry, M. Analysis of electric vehicle usage of a Hyundai Santa Fe fleet in Hawaii. J. Asian Electr. Veh. 2005, 3, 657–663. [Google Scholar] [CrossRef]
- Dubarry, M.; Svoboda, V.; Hwu, R.; Liaw, B.Y. A roadmap to understand battery performance in electric and hybrid vehicle operation. J. Power Sources 2007, 174, 366–372. [Google Scholar] [CrossRef]
- Liaw, B.Y.; Dubarry, M. From driving cycle analysis to understanding battery performance in real-life electric hybrid vehicle operation. J. Power Sources 2007, 174, 76–88. [Google Scholar] [CrossRef]
- Scania CV AB. 2011. Available online: http://www.scania.com/ (accessed on 16 February 2011).
- Freescale: 32-bit Embedded Controller MPC5554. 2005. Available online: http://www.freescale.com/files/32bit/doc/fact_sheet/MPC5554FS.pdf (accessed on 16 February 2011).
- Fitch, J.W. Motor Truck Engineering Handbook, 4th ed.; SAE International: Warrendale, PA, USA, 1993. [Google Scholar]
- Weppner, W.; Huggins, R.A. Determination of kinetic-parameters of mixed-conducting electrodes and application to system LI3SB. J. Electrochem. Soc. 1977, 124, 1569–1578. [Google Scholar]
- Plett, G.L. Extended kalman filtering for battery management systems of LiPB-based HEV battery packs—Part 1. background. J. Power Sources 2004, 134, 252–261. [Google Scholar]
- EUCAR Traction Battery Working Group: High Voltage HEV Traction Battery Test Procedure; EUCAR: Brussels, Belgium, 2005.
- J1939, Recommended Practice for a Serial Control and Communications Vehicle Network; SAE International: Warrendale, PA, USA, 2009.
- Elektronikkonsult AB. 2011. Available online: http://www.elektronikkonsult.se/home.aspx (accessed on 16 February 2011).
- Luo, F.L. Essential DC/DC Converters; Taylor & Francis Group: Abingdon, UK, 2006. [Google Scholar]
- STMicroelectronics: High-Density Performance Line ARM-Based 32-bit MCU with 256 to512 KB Flash, USB, CAN, 11 Timers, 3 ADCs, 13 Communication Interfaces. 2009. Available online: http://www.st.com/internet/com/TECHNICAL_RESOURCES/TECHNICAL_LITERATURE/DATASHEET/CD00191185.pdf (accessed on 16 February 2011).
- Mitsubishi Materials Corporation: On Board Thermistor Series; Tokyo, Japan, 2009. Available online: http://www.mmc.co.jp/adv/dev/japan/pdf/Division_PDF/70.pdf (accessed on 16 February 2011).
© 2011 by the authors; licensee MDPI, Basel, Switzerland. This article is an open access article distributed under the terms and conditions of the Creative Commons Attribution license (http://creativecommons.org/licenses/by/3.0/).