RMS-Based PLL Stability Limit Estimation Using Maximum Phase Error for Power System Planning in Weak Grids
Abstract
1. Introduction
1.1. Motivation: Why RMS Screening Is Needed and Why PLL Instability Is Mechanism-Driven
1.2. Related Work: PLL Stability Studies and the Limitations of Existing RMS-Based Approaches
1.3. Research Gap and Novelty: Mechanism-Informed RMS Screening Target Based on Maximum PLL Phase Error
- Defining inverter instability in weak grids as PLL instability.
- Proposing a method to compute a predictive stability boundary in RMS models based on the PLL instability mechanism.
- Validating the approach on the IEEE 39-bus test system with EMT simulations.
2. Mechanism of PLL Instability
2.1. Synchronization Mechanism of the PLL System
2.2. Cause of PLL Instability
3. Proposed Screening Method
3.1. Critical Phase Error of the PLL for the PLL Stability Limit
3.2. Derivation of the Critical Active Power ()
3.3. RMS-Based Screening Workflow
3.3.1. Inputs and Assumptions
- The Thevenin impedance at the PCC: .
- Inverter data: Maximum current and .
- PLL/controller data: SRF–PLL gains and the admissible phase excursion (rad). We adopt the PSCAD detailed model values and , and we take p.u. for screening.
- Operating point: Active-power setpoint for the bus/scenario under study.
3.3.2. Preprocessing
3.3.3. Critical Current and Power Calculation
- Closed-form binding solution: When binding, solve the quadraticand retain the physically admissible root
- Critical active power:
3.3.4. Screening Criterion
4. Validation and Results
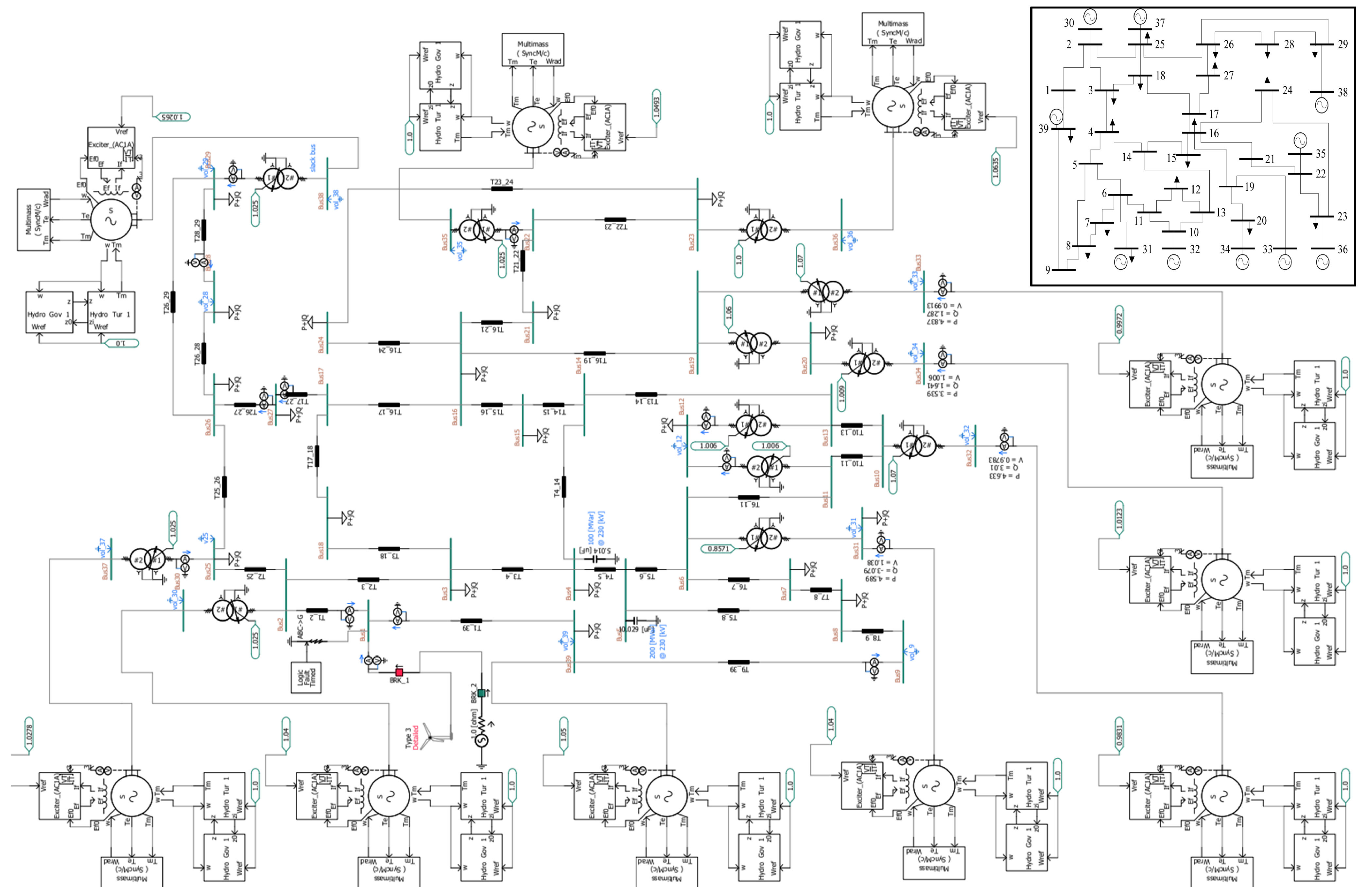
4.1. IEEE 39-Bus Test System
4.2. RMS Model (PSSE)
4.3. RMS-Based Screening Results
4.4. EMT Model (PSCAD)
- Synchronous generators: Ideal voltage sources used in the RMS model were replaced by standard synchronous-machine models to reproduce electromechanical and electromagnetic dynamics and to capture system-voltage responses in the EMT domain.
- Inverter-based resource: To directly observe PLL behavior, a GFL inverter model from the PSCAD library was connected at the bus under study. The model included internal control loops (including the SRF–PLL), enabling faithful simulation of PLL instability mechanisms under weak-grid conditions.
4.5. EMT Simulation Validation
4.5.1. Cases 1–3: Validating and Current-Limit Impact
4.5.2. Cases 4–6: Effect of Reduced Grid Strength on
4.5.3. Results: Summary and Discussion
5. Conclusions
Author Contributions
Funding
Data Availability Statement
Conflicts of Interest
References
- North American Electric Reliability Corporation (NERC); Western Electricity Coordinating Council (WECC). 1,200 MW Fault-Induced Solar Photovoltaic Resource Interruption Disturbance Report; NERC: Atlanta, GA, USA, 2017. [Google Scholar]
- Australian Energy Market Operator (AEMO). Black System South Australia 28 September 2016—Final Report; AEMO: Melbourne, VIC, Australia, 2017. [Google Scholar]
- Energy Emergencies Executive Committee (E3C). Interim Report: Load Following and Depressions of Frequency Disturbances (LFDD); National Grid ESO: London, UK, 2019. [Google Scholar]
- Kundur, P. Power System Stability and Control; McGraw-Hill: New York, NY, USA, 1994. [Google Scholar]
- Wang, X.; Blaabjerg, F.; Liserre, M. An Active Damping Method for Improving the Stability of Grid-Connected Voltage Source Converters under Weak Grid. IEEE Trans. Power Electron. 2014, 29, 3364–3374. [Google Scholar] [CrossRef]
- Wang, W.; Harnefors, L.; Blaabjerg, F. Transient Stability Analysis of Phase-Locked Loop Synchronized Converter-Based Generators. IET Gener. Transm. Distrib. 2020, 14, 5316–5327. [Google Scholar] [CrossRef]
- Electric Power Research Institute (EPRI). Grid-Forming Technology Tutorial; EPRI: Palo Alto, CA, USA, 2020. [Google Scholar]
- Zhou, Z.; Bongiorno, M.; Sannino, A. Impact of Short-Circuit Ratio and Phase-Locked-Loop Parameters on the Small-Signal Behavior of a VSC-HVDC Converter. IEEE Trans. Power Deliv. 2014, 29, 2287–2296. [Google Scholar] [CrossRef]
- Liu, J.; Cai, X.; Saeedifard, M.; Xie, Y. Impact of Power Grid Strength and PLL Parameters on Stability of Grid-Connected DFIG Wind Farm. IEEE Trans. Sustain. Energy 2020, 11, 2252–2262. [Google Scholar] [CrossRef]
- Merin, O.; Meegahapola, L.; MacDowell, J.; Suryanarayanan, S.; Konstantinou, G.; Prystupa, A.; Nolan, S.; Kuffel, R.; Ousari, M. Stability Studies Using EMT and RMS Models of VSC-Based Converters; InnoDC: Cardiff, UK, 2020. [Google Scholar]
- Wang, W.; Lindberg, O.; Ghazi, R.; Isberg, J. Instability Analysis of Low-Short Circuit Power Grids with VSC-HVDC Infeed. In Proceedings of the IEEE PES General Meeting (PESGM), Portland, OR, USA, 5–10 August 2018; pp. 1–5. [Google Scholar]
- Li, B.; He, J.; Wang, W. A Torque-Like Concept for Evaluating the PLL Stability of Grid-Tied Converter under Weak Grid. IET Renew. Power Gener. 2020, 14, 1782–1788. [Google Scholar] [CrossRef]
- Hu, P.; Jiang, L.; Kang, Y.; Yang, Y.; Blaabjerg, F. On Transient Instability Mechanism of Phase-Locked Loop-Based VSC Connected to Weak Grid. IEEE Trans. Ind. Electron. 2023, 70, 3836–3846. [Google Scholar] [CrossRef]
- CIGRÉ Working Group C4.47. Inverter Based Resources—Performance and Power System Impact; Technical Brochure 790; CIGRÉ: Paris, France, 2019. [Google Scholar]
- Electric Power Research Institute (EPRI). Transmission System Stability Assessment with High Penetration of Inverter-Based Resources; Report 3002018262; EPRI: Palo Alto, CA, USA, 2020. [Google Scholar]
- CIGRÉ Working Group C4.38. Guideline for the Use of Electromagnetic Transient (EMT) for Power System Studies; Technical Brochure 661; CIGRÉ: Paris, France, 2016. [Google Scholar]
- Gole, A.M.; Martinez-Velasco, J.A.; Moors, C.; Green, T.C.; the CIGRE Working Group C4/C6.35/CIGRE Joint Working Group B4/C4.73. Modeling of Power Electronic Equipment in Power Systems. IEEE Trans. Power Deliv. 2017, 32, 1531–1540. [Google Scholar]
- North American Electric Reliability Corporation (NERC). Reliability Guideline: Recommended Practices for Performing Electromagnetic Transient (EMT) System Studies for Inverter-Based Resources; NERC: Atlanta, GA, USA, 2024. [Google Scholar]
- Arasteh, M.; Cutululis, N.A. PLL Instability Analysis of Grid Following Inverter under Severe Fault Ride-Through. IEEE Access 2022, 10, 4495–4505. [Google Scholar] [CrossRef]
- Zhang, Y.; Pen, H.; Zhang, X. Stability Control of Grid-Connected Converter Considering Phase-Locked Loop Frequency Coupling Effect. Energies 2024, 17, 3438. [Google Scholar] [CrossRef]
- Iov, F.; Zhao, W.; Kerekes, T. Robust PLL-Based Grid Synchronization and Frequency Monitoring. Energies 2023, 16, 6856. [Google Scholar] [CrossRef]
- Liu, Y.; Zhu, L.; Xu, X.; Li, D.; Liang, Z.; Ye, N. Transient Synchronization Stability in Grid-Following Converters: Mechanistic Insights and Technological Prospects—A Review. Energies 2025, 18, 1975. [Google Scholar] [CrossRef]
- Golestan, S.; Guerrero, J.M.; Vasquez, J.C. Three-Phase PLLs: A Review of Recent Advances. IEEE Trans. Power Electron. 2017, 32, 1894–1917. [Google Scholar] [CrossRef]
- Pattabiraman, D.; Lasseter, R.H.; Jahns, T.M. Impact of Phase-Locked Loop Control on the Stability of a High Inverter Penetration Power System. In Proceedings of the IEEE ECCE, Baltimore, MD, USA, 29 September–3 October 2019; pp. 4882–4889. [Google Scholar]
- IEEE Std 1547-2018; IEEE Standard for Interconnection and Interoperability of Distributed Energy Resources with Associated Electric Power Systems Interfaces. IEEE Standards Association: Piscataway, NJ, USA, 2018.
- Ramirez, L.; Ross, H.; Velar, V.; Quintana, E.; Veloso, S.; Peralta, J. Review of Technical Requirements for Inverter-Based Resources in Chile; Report NREL/TP-5D00-88894; National Renewable Energy Laboratory (NREL): Golden, CO, USA, 2024. [Google Scholar]
- IEEE Std 2800-2022; IEEE Standard for Interconnection and Interoperability of Inverter-Based Resources Interconnecting with Associated Transmission Electric Power Systems. IEEE Standards Association: Piscataway, NJ, USA, 2022.









| Bus | (p.u.) | SCC (MVA) | (MW) |
|---|---|---|---|
| 1 | 0.016862 | 5930 | 1620 |
| 7 | 0.015765 | 6343 | 1860 |
| 9 | 0.017458 | 5728 | 1680 |
| 12 | 0.032412 | 3082 | 964 |
| 26 | 0.015922 | 6280 | 2040 |
| 27 | 0.017787 | 5622 | 1650 |
| 28 | 0.021675 | 4613 | 1420 |
| Case | P of IBR (MW) | Current Limit (p.u.) | SCR Index |
|---|---|---|---|
| Case 1 | 1600 | 1.2 | 3.706 |
| Case 2 | 1700 | 1.2 | 3.488 |
| Case 3 | 1700 | 1.3 | 3.488 |
| Case 4 | 1600 | 1.2 | 3.543 |
| Case 5 | 1500 | 1.2 | 3.779 |
| Case 6 | 1400 | 1.2 | 4.049 |
| Bus | Calculated [MW] | EMT [MW] | SCR at |
|---|---|---|---|
| 1 | 1620 | 1700 | 3.49 |
| 7 | 1860 | 2100 | 3.02 |
| 9 | 1680 | 1800 | 3.18 |
| 12 | 964 | 1200 | 2.57 |
| 26 | 2040 | 2100 | 2.99 |
| 27 | 1650 | 2200 | 2.56 |
| 28 | 1420 | 1500 | 3.08 |
Disclaimer/Publisher’s Note: The statements, opinions and data contained in all publications are solely those of the individual author(s) and contributor(s) and not of MDPI and/or the editor(s). MDPI and/or the editor(s) disclaim responsibility for any injury to people or property resulting from any ideas, methods, instructions or products referred to in the content. |
© 2026 by the authors. Licensee MDPI, Basel, Switzerland. This article is an open access article distributed under the terms and conditions of the Creative Commons Attribution (CC BY) license.
Share and Cite
Kim, B.; Park, J.; Oh, S.; Cho, H.; Lee, B. RMS-Based PLL Stability Limit Estimation Using Maximum Phase Error for Power System Planning in Weak Grids. Energies 2026, 19, 281. https://doi.org/10.3390/en19010281
Kim B, Park J, Oh S, Cho H, Lee B. RMS-Based PLL Stability Limit Estimation Using Maximum Phase Error for Power System Planning in Weak Grids. Energies. 2026; 19(1):281. https://doi.org/10.3390/en19010281
Chicago/Turabian StyleKim, Beomju, Jeonghoo Park, Seungchan Oh, Hwanhee Cho, and Byongjun Lee. 2026. "RMS-Based PLL Stability Limit Estimation Using Maximum Phase Error for Power System Planning in Weak Grids" Energies 19, no. 1: 281. https://doi.org/10.3390/en19010281
APA StyleKim, B., Park, J., Oh, S., Cho, H., & Lee, B. (2026). RMS-Based PLL Stability Limit Estimation Using Maximum Phase Error for Power System Planning in Weak Grids. Energies, 19(1), 281. https://doi.org/10.3390/en19010281

