Robust Assessment Method for Hosting Capacity of Distribution Network in Mountainous Areas for Distributed Photovoltaics
Abstract
1. Introduction
- The above literature [14,15,16,17,18,19,20] did not further analyze the impact of distributed PV output uncertainty on mountain distribution networks. Influenced by weather and geography, the output curve of distributed PV is characterized by disorder and high volatility. Evaluating the hosting capacity of the distribution network without considering the uncertainty may lead to an overestimation of the results, resulting in low power quality and safety hazards in practical applications;
- The above literature [10,11,12,13,14,15,16,17,18,19,20] does not apply SOPs to further improve the distributed PVHC of the distribution network. The SOPs have the ability to flexibly adjust the spatial tidal current and can be used to replace the traditional contact switches in the distribution network. Through the flexible contact of SOPs, supply zones that originally have no power interaction start to interconnect. Between the interconnected supply zones, the stochastic currents caused by source–load uncertainty are effectively adjusted by the SOP, and the distributed PVs and loads are able to balance and complement each other. Obviously, SOP has a positive effect on the distribution network to accommodate more distributed PVs.
2. Characteristics of a Mountainous Distribution Network
2.1. Traditional Mountain Distribution Networks
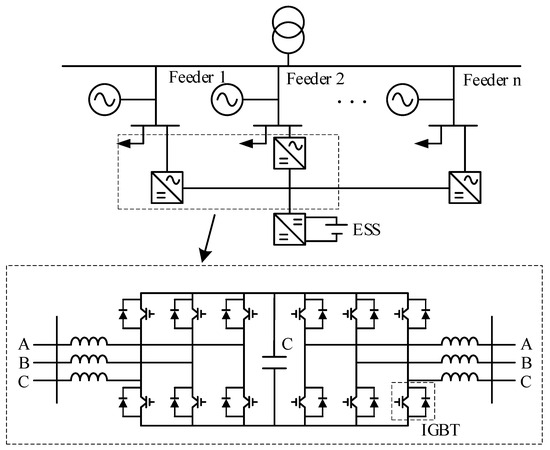
2.2. Flexible and Interconnected Mountain Distribution Grids
3. Formulation of the Problem
3.1. Deterministic Assessment Model
3.1.1. Objective Function
3.1.2. Restrictive Condition
3.2. Robust Evaluation Model
3.2.1. Distributed PV Uncertainty Carving
3.2.2. Two-Layer Robust Evaluation Model
3.3. Solution Method
4. Calculus Analysis
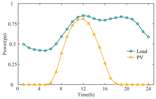
4.1. Parameterization
4.2. Robust Model Evaluation Results and Analysis
4.3. Impact of E-SOP on Mountainous Distribution Grids
4.4. Impact of Robust Budgets on Hosting Capacity
4.5. Applicability of Different Distribution Networks
5. Conclusions
- (1)
- E-SOP’s temporal and spatial trend flexibility makes it possible to alleviate the problem of low voltage at the end of the mountainous distribution network and change the unidirectional trend into bidirectional trend, thus improving the hosting capacity of distributed PV in the distribution network. The case study of the 33-node mountainous flexible distribution network of IEEE shows that the introduction of E-SOP further alleviates the problem of low voltage at the end-nodes of the mountainous distribution network caused by the long power supply radius. This means that there are fewer problems. Meanwhile, the evaluation results are improved when E-SOP is taken into account compared with when it is not taken into account, whether it is a deterministic evaluation model, a traditional method, or the method proposed in this paper.
- (2)
- The method proposed in this paper analyzes the distributed PV output uncertainty model on the basis of the deterministic assessment model, and obtains a two-layer robust assessment model. An example analysis of the IEEE 33-node mountainous flexible distribution network shows that the two-layer robust model developed by the method proposed in this paper takes into account the uncertainty variables to minimize the distribution network acceptance of the distributed PV capacity, and the results obtained have good robustness and accuracy.
Author Contributions
Funding
Data Availability Statement
Conflicts of Interest
References
- Breyer, C.; Khalili, S.; Bogdanov, D.; Ram, M.; Oyewo, A.S.; Aghahosseini, A.; Gulagi, A.; Solomon, A.A.; Keiner, D.; Lopez, G.; et al. On the History and Future of 100% Renewable Energy Systems Research. IEEE Access 2022, 10, 78176–78218. [Google Scholar] [CrossRef]
- PraveenKumar, S.; Kumar, A. Thermodynamic, environmental and economic analysis of solar photovoltaic panels using aluminium reflectors and latent heat storage units: An experimental investigation using passive cooling approach. J. Energy Storage 2025, 12, 115487. [Google Scholar] [CrossRef]
- Mmary, E.R.; Marungsri, B. Optimal Hybrid Renewable Generator for Techno-Economic Benefits in Smart Distribution Network. In Proceedings of the 2018 International Electrical Engineering Congress (iEECON), Krabi, Thailand, 7–9 March 2018. [Google Scholar]
- Xiao, J.; Zu, G.; Zhou, H.; Zhang, X. Total Quadrant Security Region for Active Distribution Network with High Penetration of Distributed Generation. J. Mod. Power Syst. Clean Energy 2021, 9, 128–137. [Google Scholar] [CrossRef]
- Zhang, S.; Ge, S.; Liu, H.; Li, J.; Wang, C. Model and observation of the feasible region for PV integration capacity considering Wasserstein-distance-based distributionally robust chance constraints. Appl. Energy 2023, 347, 121312. [Google Scholar] [CrossRef]
- Dubey, A.; Santoso, S. On Estimation and Sensitivity Analysis of Distribution Circuit’s Photovoltaic Hosting Capacity. IEEE Trans. Power Syst. 2017, 32, 2779–2789. [Google Scholar] [CrossRef]
- Xu, Z.; Zhang, N.; Li, J.; Zhong, C.; Dang, J.; Chang, R.; Yang, S.; Yu, F.; Zhang, G.; Zhang, J.; et al. Optimization of losses in active low-voltage distribution networks in mountainous areas considering photovoltaic integration. In Proceedings of the 2024 3rd International Conference on Energy, Power and Electrical Technology (ICEPET), Chengdu, China, 17–19 May 2024. [Google Scholar]
- Jun, C.; Ke, W.; Jun, L.; Chaoyang, C.; Junda, M.; Dong, S.; Qianyin, C. Research on Loss Reduction Strategies in Terrace Areas under High Penetration of Photovoltaics. Power Syst. Big Data 2023, 26, 36–43. [Google Scholar]
- Juan, Y.; Xiaowen, Z.; Jia, S.; Xinwei, D. Short-term load forecasting of power systems taking into account grid-connected photovoltaic and wind power. Power Syst. Big Data 2023, 26, 10–22. [Google Scholar]
- Abad, M.S.S.; Ma, J.; Zhang, D.; Ahmadyar, A.S.; Marzooghi, H. Probabilistic Assessment of Hosting Capacity in Radial Distribution Systems. IEEE Trans. Sustain. Energy 2018, 9, 1935–1947. [Google Scholar] [CrossRef]
- Chen, X.; Wu, W.; Zhang, B. Robust Capacity Assessment of Distributed Generation in Unbalanced Distribution Networks Incorporating ANM Techniques. IEEE Trans. Sustain. Energy 2018, 9, 651–663. [Google Scholar] [CrossRef]
- Astero, P.; Söder, L. Improving PV Dynamic Hosting Capacity Using Adaptive Controller for STATCOMs. IEEE Trans. Energy Convers. 2019, 34, 415–425. [Google Scholar] [CrossRef]
- Mahmoodi, M.; Attarha, A.; Mahdi Noori, R.A.S.; Scott, P.; Blackhall, L. Adjustable robust approach to increase DG hosting capacity in active distribution systems. Electr. Power Syst. Res. 2022, 211, 108347. [Google Scholar] [CrossRef]
- Naciri, S.; Moufid, I.; El Markhi, H. Dynamic hosting capacity of photovoltaic system analysis and enhancement using distributed SVC and STATCOM compensators: Case study of a university building. Renew. Energy Focus 2023, 45, 123–132. [Google Scholar] [CrossRef]
- Zhang, S.; Ge, S.; Liu, H.; Hou, G.; Wang, C. An Analytical Method for Delineating Feasible Region for PV Integration Capacities in Net-zero Distribution Systems Considering Battery Energy Storage System Flexibility. J. Mod. Power Syst. Clean Energy 2024, 12, 475–487. [Google Scholar] [CrossRef]
- Zheng, Z.; Liang, R.; Yang, B.; Liu, H.; Li, H.; Yin, Z. Distribution network distributed photovoltaic absorbing capacity calculation and energy storage optimization configuration method. In Proceedings of the 2022 2nd International Conference on Electrical Engineering and Mechatronics Technology (ICEEMT), Virtual, 1–3 July 2022. [Google Scholar]
- Juqin, X.; Lingui, Z.; Guilian, W.; Ming, L.; Zongli, W.; Jun, L. Research on optimal access capacity and location of distributed power supply in mountainous areas. Appl. Electron. Tech. 2015, 41, 162–166. [Google Scholar]
- Xuemeng, T. Optimization Analysis of Operation Strategies of Mountainous Distribution Networks. Appl. IC 2022, 39, 104–105. [Google Scholar]
- Xinghang, W.; Yongjin, C.; Hui, H.; Ning, X.; Zhongming, W. Planning method for feeder automation in mountainous distribution networks taking into account DG access. Mech. Electr. Eng. Technol. 2019, 48, 178–182. [Google Scholar]
- Zhang, Y.; Zheng, F.; Zhang, Y.; Xu, X. Automatic feeder planning method of distribution network in mountainous areas considering access to distributed energy. J. Phys. Conf. Ser. 2024, 2835, 12061. [Google Scholar] [CrossRef]
- Gang, T.; Min, Y.; Wang, G.; Yang, L. The Research on Bi-Level Programming for Distribution Network Energy Storage in Remote Areas. In Proceedings of the 2024 IEEE 5th International Conference on Advanced Electrical and Energy Systems (AEES), Lanzhou, China, 29 November–1 December 2024. [Google Scholar]
- Ye, B.; Zheng, Z.; Zhang, L.; Wang, K.; Yu, S.; Fan, S. Planning Method of Feeder Automation of Distribution Network in Mountain Area Considering Distributed Generation. In Proceedings of the 2019 9th International Conference on Power and Energy Systems (ICPES), Perth, Australia, 10–12 December 2019. [Google Scholar]
- Wei, L. Difficulty Analysis and Countermeasures of Automation Construction of Mountain Distribution Grids. New Technol. New Prod. China 2023, 17, 66–69. [Google Scholar]
- Peng, L. Planning direction and construction of distribution network automation in mountainous areas. Autom. Appl. 2018, 5, 110–111. [Google Scholar]
- Sarantakos, I.; Peker, M.; Zografou-Barredo, N.M.; Deakin, M.; Patsios, C.; Sayfutdinov, T.; Taylor, P.C.; Greenwood, D. A Robust Mixed-Integer Convex Model for Optimal Scheduling of Integrated Energy Storage—Soft Open Point Devices. In Proceedings of the 2023 IEEE Power & Energy Society General Meeting (PESGM), Orlando, FL, USA, 16–20 July 2023. [Google Scholar]
- Qian, T.; Ming, W.; Shao, C.; Hu, Q.; Wang, X.; Wu, J.; Wu, Z. An Edge Intelligence-Based Framework for Online Scheduling of Soft Open Points With Energy Storage. IEEE Trans. Smart Grid 2024, 15, 2934–2945. [Google Scholar] [CrossRef]
- Li, H. A Genetic Algorithm Based on Duality for Linear Bilevel Programming Problems. In Proceedings of the 2011 Seventh International Conference on Computational Intelligence and Security, Sanya, China, 3–4 December 2011. [Google Scholar]
- Wang, M.; Xu, Y.; Gu, Y. Multi-task nonconvex optimization with total budget constraint: A distributed algorithm using Monte Carlo estimates. In Proceedings of the 2014 19th International Conference on Digital Signal Processing, Hong Kong, China, 20–23 August 2014. [Google Scholar]











| Deterministic Assessment Model | Two-Layer Robust Model | Traditional Methods | |
|---|---|---|---|
| With E-SOP | 10.211 MW | 9.004 MW | 9.502 MW |
| Without E-SOP | 10.122 MW | 8.915 MW | 9.402 MW |
| Deterministic Assessment Model | Two-Layer Robust Model | Traditional Methods | |
|---|---|---|---|
| 33-node distribution network | 14.37 s | 16.21 s | 11.84 s |
| 69-node distribution network | 18.11 s | 30.06 s | 12.04 s |
| 135-node distribution network | 23.32 s | 30.79 s | 14.26 s |
Disclaimer/Publisher’s Note: The statements, opinions and data contained in all publications are solely those of the individual author(s) and contributor(s) and not of MDPI and/or the editor(s). MDPI and/or the editor(s) disclaim responsibility for any injury to people or property resulting from any ideas, methods, instructions or products referred to in the content. |
© 2025 by the authors. Licensee MDPI, Basel, Switzerland. This article is an open access article distributed under the terms and conditions of the Creative Commons Attribution (CC BY) license (https://creativecommons.org/licenses/by/4.0/).
Share and Cite
Zheng, Y.; Zhou, K.; Yang, Y.; Diao, H.; Hua, L.; Wang, R.; Liu, K.; Guo, Q. Robust Assessment Method for Hosting Capacity of Distribution Network in Mountainous Areas for Distributed Photovoltaics. Energies 2025, 18, 2394. https://doi.org/10.3390/en18092394
Zheng Y, Zhou K, Yang Y, Diao H, Hua L, Wang R, Liu K, Guo Q. Robust Assessment Method for Hosting Capacity of Distribution Network in Mountainous Areas for Distributed Photovoltaics. Energies. 2025; 18(9):2394. https://doi.org/10.3390/en18092394
Chicago/Turabian StyleZheng, Youzhuo, Kun Zhou, Yekui Yang, Hanbin Diao, Long Hua, Renzhi Wang, Kang Liu, and Qi Guo. 2025. "Robust Assessment Method for Hosting Capacity of Distribution Network in Mountainous Areas for Distributed Photovoltaics" Energies 18, no. 9: 2394. https://doi.org/10.3390/en18092394
APA StyleZheng, Y., Zhou, K., Yang, Y., Diao, H., Hua, L., Wang, R., Liu, K., & Guo, Q. (2025). Robust Assessment Method for Hosting Capacity of Distribution Network in Mountainous Areas for Distributed Photovoltaics. Energies, 18(9), 2394. https://doi.org/10.3390/en18092394

