Bidirectional DC-DC Converter Topologies for Hybrid Energy Storage Systems in Electric Vehicles: A Comprehensive Review
Abstract
1. Introduction
- Hybrid Electric Vehicles [7]: HEV includes gasoline-electric hybrid vehicles and plug-in gasoline-electric hybrid vehicles, which utilize two or more energy sources to generate kinetic energy. These vehicles often feature dual or multiple propulsion systems, such as a gasoline engine combined with an electric motor to enable their operation.
- Battery Electric Vehicles [13]: BEV are fully powered by batteries, relying exclusively on electrical energy to drive their motors, with an inverter used to transfer power. They lack an engine, fuel tank, or intake and exhaust systems. This type of vehicle produces no air pollution.
- Fuel Cell Electric Vehicles [14]: FCEV are a type of electric vehicle equipped with a fuel cell power system that converts the chemical energy of fuel into electrical energy, with hydrogen being the most commonly used fuel. Stored high-pressure hydrogen reacts with oxygen from the environment to produce water and electricity while releasing heat.
- Power system: This is comprised of a power converter, drive motor, controller, and transmission system.
- Body system: This includes wheel frames, fasteners, LED lights, cooling components, audio, and other equipment.
- Vehicle electrical systems: This includes highly integrated components such as self-driving systems, central control systems, and vehicle entertainment systems, which share substantial subsystems and hardware resources to achieve seamless functionality.
- Battery system: Including secondary batteries and fuel cells, this consists of positive and negative electrode materials, battery pack structural parts, etc. It accounts for the largest share of costs, followed by the powertrain and body/chassis systems—together, they make up 80% of the total vehicle cost.
- Charging system: This system features charging piles, power cords, charging guns, and power supply components.
2. Classification of Bidirectional DC-DC Converter Topologies in HESS Systems
2.1. Non-Isolated Bidirectional DC-DC Topologies
2.1.1. Topologies of Bidirectional Buck and Boost DC-DC Converters
2.1.2. Topologies of Bidirectional Buck-Boost DC-DC Converters
2.1.3. Topologies of Bidirectional Ćuk DC-DC Converters
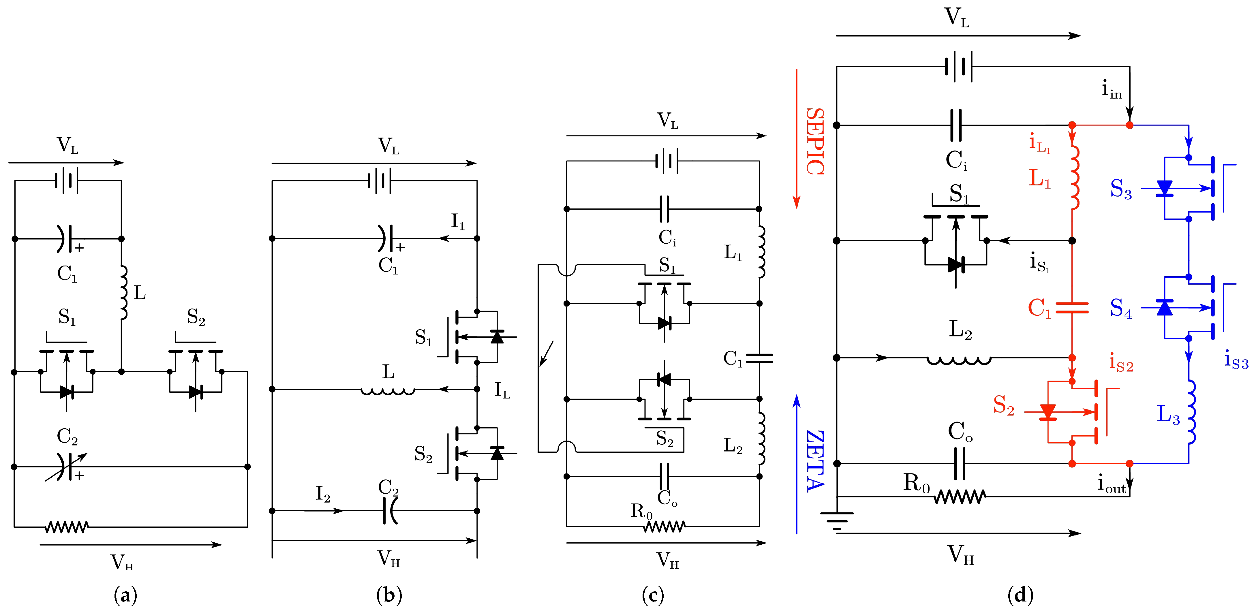
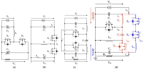
2.1.4. Topologies of Bidirectional SEPIC and Zeta DC-DC Converters
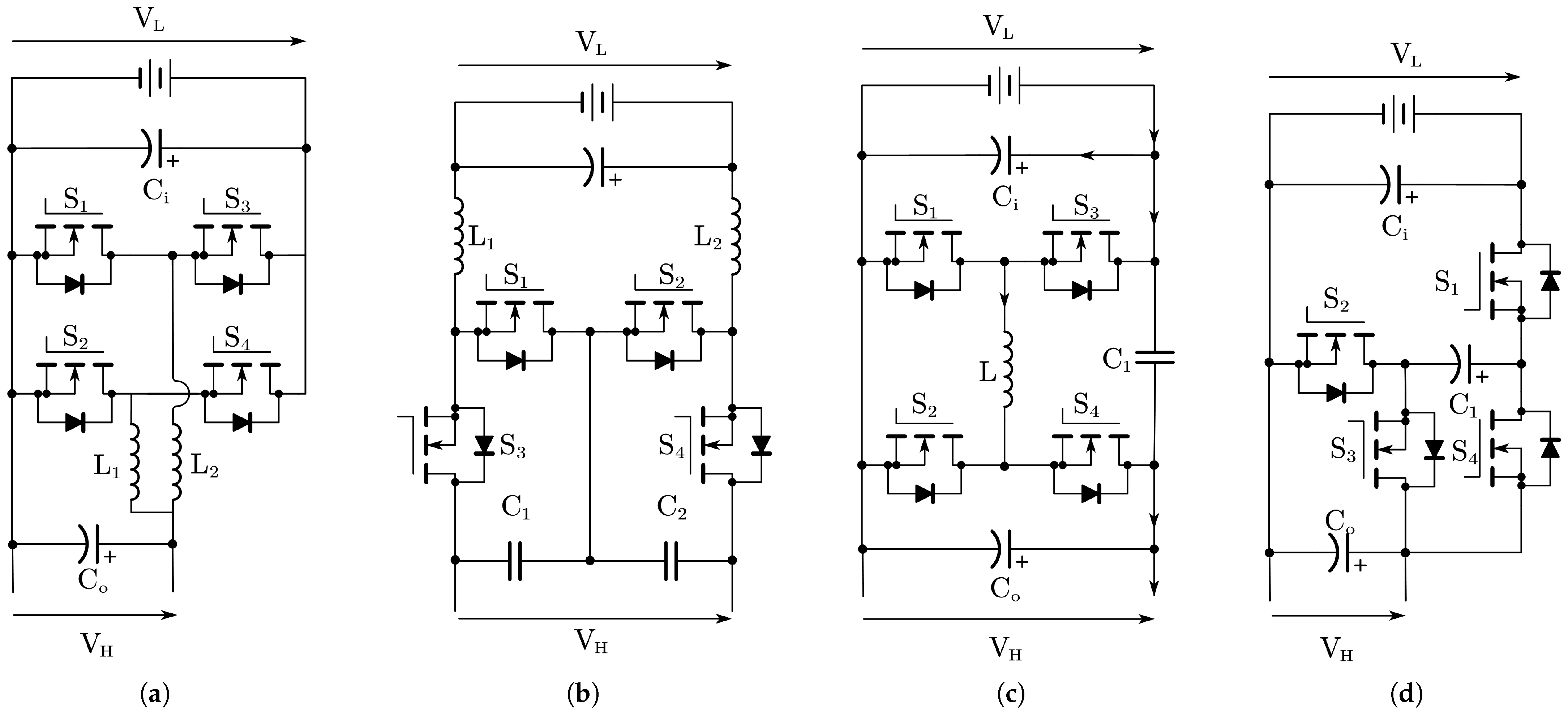
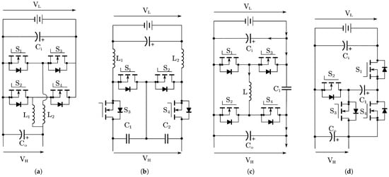
2.1.5. Topologies of Interleaved Bidirectional DC-DC Converters
2.1.6. Topologies of Three-Level Bidirectional DC-DC Converters
2.1.7. Topologies of Cascaded Bidirectional DC-DC Converters
2.1.8. Topologies of Bidirectional Switched-Capacitor DC-DC Converters
2.2. Isolated Bidirectional DC-DC Topologies
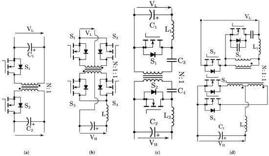
2.2.1. Topologies of Isolated Bidirectional Flyback DC-DC Converters
2.2.2. Topologies of Isolated Bidirectional Push-Pull DC-DC Converters
2.2.3. Topologies of Isolated Bidirectional Ćuk DC-DC Converters
2.2.4. Topologies of Isolated Bidirectional Forward DC-DC Converters
- Forward-Flyback Converter [63]: The primary side employs a forward topology to achieve high power transfer capability, while the secondary side adopts a flyback topology to provide excellent isolation and energy storage characteristics.
- Push-Pull-Forward Converter [85]: The primary side utilizes a push-pull topology to deliver high power density and symmetric operation, while the secondary side adopts a forward topology to enhance dynamic response and stability.
- Flyback-Push-Pull Converter [86]: The primary side uses a flyback topology to achieve isolation and energy storage, while the secondary side employs a push-pull topology to improve system efficiency and power transfer capability.
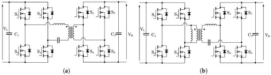
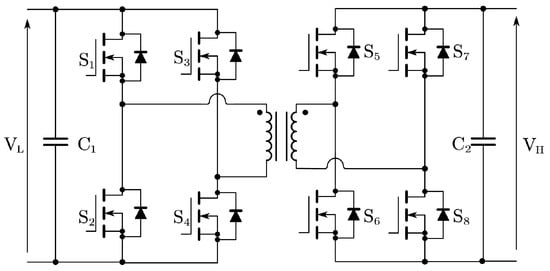
2.2.5. Topologies of Isolated Bidirectional DAB DC-DC Converters
2.3. Advanced Control Strategies for Optimization of Bidirectional DC-DC Converter
2.3.1. Phase-Shift Control
2.3.2. Extended Phase-Shift Control
2.3.3. Triple Phase-Shift Control
2.3.4. Reactive Power Control
2.3.5. Model Predictive Control
2.3.6. Peak Current Mode Control
2.3.7. Sliding Mode Control
2.3.8. Zero-Voltage/Zero-Current Switching
2.3.9. Space Vector Modulation
2.3.10. Frequency Modulation
3. The Evaluation Framework for Bidirectional DC-DC Converters in HESS
3.1. The Evaluation Framework for Non-Isolated Bidirectional DC-DC Converters in HESS
3.1.1. Volatge Stress
3.1.2. Current Stress
3.1.3. Conversion Efficiency
3.1.4. Power Density
3.1.5. Voltage Gain Range
3.1.6. Switching Frequency
3.1.7. Number of Devices
3.1.8. Common Ground
3.1.9. Cases Study
3.2. The Evaluation Framework for Isolated Bidirectional DC-DC Converters in HESS
3.3. Comprehensive Evaluation of Bidirectional DC-DC Converters
4. Future Prospects and Research Directions
5. Conclusions
Author Contributions
Funding
Data Availability Statement
Conflicts of Interest
References
- Sadeq, A.M.; Homod, R.Z.; Hussein, A.K.; Togun, H.; Mahmoodi, A.; Isleem, H.F.; Patil, A.R.; Moghaddam, A.H. Hydrogen energy systems: Technologies, trends, and future prospects. Sci. Total Environ. 2024, 939, 173622. [Google Scholar] [CrossRef]
- Feng, X.; Ouyang, M.; Liu, X.; Lu, L.; Xia, Y.; He, X. Thermal runaway mechanism of lithium ion battery for electric vehicles: A review. Energy Storage Mater. 2018, 10, 246–267. [Google Scholar] [CrossRef]
- Jia, C.; He, H.; Zhou, J.; Li, J.; Wei, Z.; Li, K. Learning-based model predictive energy management for fuel cell hybrid electric bus with health-aware control. Appl. Energy 2024, 355, 122228. [Google Scholar] [CrossRef]
- U.S. Environmental Protection Agency. Sources of Greenhouse Gas Emissions. 2025. Available online: https://www.epa.gov/ghgemissions/sources-greenhouse-gas-emissions (accessed on 5 March 2025).
- International Energy Agency. Transport Sector CO2 Emissions by Mode in the Sustainable Development Scenario, 2000–2030. 2019. Available online: https://www.iea.org/data-and-statistics/charts/transport-sector-co2-emissions-by-mode-in-the-sustainable-development-scenario-2000-2030 (accessed on 27 May 2019).
- Friedlingstein, P.; Houghton, R.A.; Marland, G.; Hackler, J.; Boden, T.A.; Conway, T.J.; Canadell, J.G.; Raupach, M.R.; Ciais, P.; Le Quéré, C. Update on CO2 emissions. Nat. Geosci. 2010, 3, 811–812. [Google Scholar] [CrossRef]
- Shen, A.; Zhang, J. Technologies for CO2 emission reduction and low-carbon development in primary aluminum industry in China: A review. Renew. Sustain. Energy Rev. 2024, 189, 113965. [Google Scholar] [CrossRef]
- Ritchie, H.; Rosado, P.; Roser, M. CO2 and Greenhouse Gas Emissions. 2023. Available online: https://ourworldindata.org/co2-and-greenhouse-gas-emissions (accessed on 27 May 2019).
- Jia, C.; Li, K.; He, H.; Zhou, J.; Li, J.; Wei, Z. Health-aware energy management strategy for fuel cell hybrid bus considering air-conditioning control based on TD3 algorithm. Energy 2023, 283, 128462. [Google Scholar] [CrossRef]
- Wu, Z.; He, Q.; Li, J.; Bi, G.; Antwi-Afari, M.F. Public attitudes and sentiments towards new energy vehicles in China: A text mining approach. Renew. Sustain. Energy Rev. 2023, 178, 113242. [Google Scholar] [CrossRef]
- Wang, J.; Wang, B.; Zhang, L.; Wang, J.; Shchurov, N.; Malozyomov, B. Review of bidirectional DC–DC converter topologies for hybrid energy storage system of new energy vehicles. Green Energy Intell. Transp. 2022, 1, 100010. [Google Scholar] [CrossRef]
- Xiao, B.; Ruan, J.; Yang, W.; Walker, P.D.; Zhang, N. A review of pivotal energy management strategies for extended range electric vehicles. Renew. Sustain. Energy Rev. 2021, 149, 111194. [Google Scholar] [CrossRef]
- Cuma, M.U.; Koroglu, T. A comprehensive review on estimation strategies used in hybrid and battery electric vehicles. Renew. Sustain. Energy Rev. 2015, 42, 517–531. [Google Scholar] [CrossRef]
- Pramuanjaroenkij, A.; Kakaç, S. The fuel cell electric vehicles: The highlight review. Int. J. Hydrogen Energy 2023, 48, 9401–9425. [Google Scholar] [CrossRef]
- Hannan, M.A.; Azidin, F.; Mohamed, A. Hybrid electric vehicles and their challenges: A review. Renew. Sustain. Energy Rev. 2014, 29, 135–150. [Google Scholar] [CrossRef]
- Jia, C.; Liu, W.; He, H.; Chau, K. Deep reinforcement learning-based energy management strategy for fuel cell buses integrating future road information and cabin comfort control. Energy Convers. Manag. 2024, 321, 119032. [Google Scholar] [CrossRef]
- Onar, O.C.; Kobayashi, J.; Erb, D.C.; Khaligh, A. A bidirectional high-power-quality grid interface with a novel bidirectional noninverted buck–boost converter for PHEVs. IEEE Trans. Veh. Technol. 2012, 61, 2018–2032. [Google Scholar] [CrossRef]
- Jia, C.; Zhou, J.; He, H.; Li, J.; Wei, Z.; Li, K.; Shi, M. A novel energy management strategy for hybrid electric bus with fuel cell health and battery thermal-and health-constrained awareness. Energy 2023, 271, 127105. [Google Scholar] [CrossRef]
- Zhang, Z.; Chau, K.T. Pulse-width-modulation-based electromagnetic interference mitigation of bidirectional grid-connected converters for electric vehicles. IEEE Trans. Smart Grid 2016, 8, 2803–2812. [Google Scholar] [CrossRef]
- Khaligh, A.; Li, Z. Battery, ultracapacitor, fuel cell, and hybrid energy storage systems for electric, hybrid electric, fuel cell, and plug-in hybrid electric vehicles: State of the art. IEEE Trans. Veh. Technol. 2010, 59, 2806–2814. [Google Scholar] [CrossRef]
- Zhao, J.; Ma, Y.; Zhang, Z.; Wang, S.; Wang, S. Optimization and matching for range-extenders of electric vehicles with artificial neural network and genetic algorithm. Energy Convers. Manag. 2019, 184, 709–725. [Google Scholar] [CrossRef]
- Niu, S.; Lyu, R.; Lyu, J.; Chau, K.; Liu, W.; Jian, L. Optimal Resonant Condition for Maximum Output Power in Tightly Coupled WPT Systems Considering Harmonics. IEEE Trans. Power Electron. 2025, 40, 152–156. [Google Scholar] [CrossRef]
- Jiang, B.; Liu, Y.; Geng, H.; Wang, Y.; Zeng, H.; Ding, J. A holistic feature selection method for enhanced short-term load forecasting of power system. IEEE Trans. Instrum. Meas. 2022, 72, 2500911. [Google Scholar] [CrossRef]
- Green II, R.C.; Wang, L.; Alam, M. The impact of plug-in hybrid electric vehicles on distribution networks: A review and outlook. Renew. Sustain. Energy Rev. 2011, 15, 544–553. [Google Scholar] [CrossRef]
- Nunes, P.; Figueiredo, R.; Brito, M.C. The use of parking lots to solar-charge electric vehicles. Renew. Sustain. Energy Rev. 2016, 66, 679–693. [Google Scholar] [CrossRef]
- Nivas, M.; Naidu, R.K.P.R.; Mishra, D.P.; Salkuti, S.R. Modeling and analysis of solar-powered electric vehicles. Int. J. Power Electron. Drive Syst. 2022, 13, 480. [Google Scholar] [CrossRef]
- Khan, S.; Ahmad, A.; Ahmad, F.; Shafaati Shemami, M.; Saad Alam, M.; Khateeb, S. A comprehensive review on solar powered electric vehicle charging system. Smart Sci. 2018, 6, 54–79. [Google Scholar] [CrossRef]
- Yap, K.Y.; Chin, H.H.; Klemeš, J.J. Solar Energy-Powered Battery Electric Vehicle charging stations: Current development and future prospect review. Renew. Sustain. Energy Rev. 2022, 169, 112862. [Google Scholar] [CrossRef]
- Caricchi, F.; Crescimbini, F.; Noia, G.; Pirolo, D. Experimental study of a bidirectional DC-DC converter for the DC link voltage control and the regenerative braking in PM motor drives devoted to electrical vehicles. In Proceedings of the 1994 IEEE Applied Power Electronics Conference and Exposition-ASPEC’94, Orlando, FL, USA, 13–17 February 1994; pp. 381–386. [Google Scholar]
- Wu, X.; Wang, J.; Zhang, Y.; Du, J.; Liu, Z.; Chen, Y. Review of DC-DC converter topologies based on impedance network with wide input voltage range and high gain for fuel cell vehicles. Automot. Innov. 2021, 4, 351–372. [Google Scholar] [CrossRef]
- Niu, S.; Zhao, Q.; Chen, H.; Yu, H.; Niu, S.; Jian, L. Underwater Wireless Charging System of Unmanned Surface Vehicles with High Power, Large Misalignment Tolerance and Light Weight: Analysis, Design and Optimization. Energies 2022, 15, 9529. [Google Scholar] [CrossRef]
- Wu, D.; Williamson, S.S. A novel design and feasibility analysis of a fuel cell plug-in hybrid electric vehicle. In Proceedings of the 2008 IEEE Vehicle Power and Propulsion Conference, Harbin, China, 3–5 September 2008; pp. 1–5. [Google Scholar]
- Naayagi, R.; Forsyth, A.J.; Shuttleworth, R. High-power bidirectional DC–DC converter for aerospace applications. IEEE Trans. Power Electron. 2012, 27, 4366–4379. [Google Scholar] [CrossRef]
- Tytelmaier, K.; Husev, O.; Veligorskyi, O.; Yershov, R. A review of non-isolated bidirectional DC-DC converters for energy storage systems. In Proceedings of the 2016 II International Young Scientists Forum on Applied Physics and Engineering (YSF), Kharkiv, Ukraine, 10–14 October 2016; pp. 22–28. [Google Scholar]
- Fardoun, A.A.; Ismail, E.H.; Sabzali, A.J.; Al-Saffar, M.A. Bidirectional converter for high-efficiency fuel cell powertrain. J. Power Sources 2014, 249, 470–482. [Google Scholar] [CrossRef]
- Matsuo, H.; Kurokawa, F. New solar cell power supply system using a boost type bidirectinal DC-DC converter. IEEE Trans. Ind. Electron. 1984, IE-31, 51–55. [Google Scholar] [CrossRef]
- Zhang, J.; Lai, J.S.; Yu, W. Bidirectional DC-DC converter modeling and unified controller with digital implementation. In Proceedings of the 2008 Twenty-Third Annual IEEE Applied Power Electronics Conference and Exposition, Austin, TX, USA, 24–28 February 2008; pp. 1747–1753. [Google Scholar]
- Jia, C.; He, H.; Zhou, J.; Li, K.; Li, J.; Wei, Z. A performance degradation prediction model for PEMFC based on bi-directional long short-term memory and multi-head self-attention mechanism. Int. J. Hydrogen Energy 2024, 60, 133–146. [Google Scholar] [CrossRef]
- Forouzesh, M.; Siwakoti, Y.P.; Gorji, S.A.; Blaabjerg, F.; Lehman, B. Step-up DC–DC converters: A comprehensive review of voltage-boosting techniques, topologies, and applications. IEEE Trans. Power Electron. 2017, 32, 9143–9178. [Google Scholar] [CrossRef]
- Du, Y.; Zhou, X.; Bai, S.; Lukic, S.; Huang, A. Review of non-isolated bi-directional DC-DC converters for plug-in hybrid electric vehicle charge station application at municipal parking decks. In Proceedings of the 2010 Twenty-Fifth Annual IEEE Applied Power Electronics Conference and Exposition (APEC), Palm Springs, CA, USA, 21–25 February 2010; pp. 1145–1151. [Google Scholar]
- Jin, K.; Yang, M.; Ruan, X.; Xu, M. Three-level bidirectional converter for fuel-cell/battery hybrid power system. IEEE Trans. Ind. Electron. 2009, 57, 1976–1986. [Google Scholar] [CrossRef]
- Lee, H.S.; Yun, J.J. High-efficiency bidirectional buck–boost converter for photovoltaic and energy storage systems in a smart grid. IEEE Trans. Power Electron. 2018, 34, 4316–4328. [Google Scholar] [CrossRef]
- Aharon, I.; Kuperman, A.; Shmilovitz, D. Analysis of dual-carrier modulator for bidirectional noninverting buck–boost converter. IEEE Trans. Power Electron. 2014, 30, 840–848. [Google Scholar] [CrossRef]
- Song, M.S.; Son, Y.D.; Lee, K.H. Non-isolated bidirectional soft-switching SEPIC/ZETA converter with reduced ripple currents. J. Power Electron. 2014, 14, 649–660. [Google Scholar] [CrossRef]
- Caricchi, F.; Crescimbini, F.; Capponi, F.G.; Solero, L. Study of bi-directional buck-boost converter topologies for application in electrical vehicle motor drives. In Proceedings of the APEC’98 Thirteenth Annual Applied Power Electronics Conference and Exposition, Anaheim, CA, USA, 15–19 February 1998; Volume 1, pp. 287–293. [Google Scholar]
- Yang, C.; Song, B.; Xie, Y.; Zheng, S.; Tang, X. Adaptive identification of nonlinear friction and load torque for PMSM drives via a parallel-observer-based network with model compensation. IEEE Trans. Power Electron. 2023, 38, 5875–5897. [Google Scholar] [CrossRef]
- Sharma, P.; Palwalia, D.K.; Sharma, A.K. A review: Bi-directional DC-DC converter topologies. Int. J. Tech. Res. Sci. 2024, 9, 164–172. [Google Scholar] [CrossRef] [PubMed]
- Tuluhong, A.; Xu, Z.; Chang, Q.; Song, T. Recent Developments in Bidirectional DC-DC Converter Topologies, Control Strategies, and Applications in Photovoltaic Power Generation Systems: A Comparative Review and Analysis. Electronics 2025, 14, 389. [Google Scholar] [CrossRef]
- Schupbach, R.M.; Balda, J.C. Comparing DC-DC converters for power management in hybrid electric vehicles. In Proceedings of the IEEE International Electric Machines and Drives Conference, IEMDC’03, Madison, WI, USA, 1–4 June 2003; Volume 3, pp. 1369–1374. [Google Scholar]
- Kang, T.; Kim, C.; Suh, Y.; Park, H.; Kang, B.; Kim, D. A design and control of bi-directional non-isolated DC-DC converter for rapid electric vehicle charging system. In Proceedings of the 2012 Twenty-Seventh Annual IEEE Applied Power Electronics Conference and Exposition (APEC), Orlando, FL, USA, 5–9 February 2012; pp. 14–21. [Google Scholar]
- Zhang, J.; Lai, J.S.; Kim, R.Y.; Yu, W. High-power density design of a soft-switching high-power bidirectional dc–dc converter. IEEE Trans. Power Electron. 2007, 22, 1145–1153. [Google Scholar] [CrossRef]
- Garcia, O.; Zumel, P.; De Castro, A.; Cobos, A. Automotive DC-DC bidirectional converter made with many interleaved buck stages. IEEE Trans. Power Electron. 2006, 21, 578–586. [Google Scholar] [CrossRef]
- Huang, X.; Lee, F.C.; Li, Q.; Du, W. High-frequency high-efficiency GaN-based interleaved CRM bidirectional buck/boost converter with inverse coupled inductor. IEEE Trans. Power Electron. 2015, 31, 4343–4352. [Google Scholar] [CrossRef]
- Peng, F.Z.; Zhang, F.; Qian, Z. A magnetic-less DC-DC converter for dual voltage automotive systems. In Proceedings of the Conference Record of the 2002 IEEE Industry Applications Conference. 37th IAS Annual Meeting (Cat. No. 02CH37344), Pittsburgh, PA, USA, 13–18 October 2002; Volume 2, pp. 1303–1310. [Google Scholar]
- Jia, C.; He, H.; Zhou, J.; Li, J.; Wei, Z.; Li, K. A novel health-aware deep reinforcement learning energy management for fuel cell bus incorporating offline high-quality experience. Energy 2023, 282, 128928. [Google Scholar] [CrossRef]
- Lin, C.C.; Yang, L.S.; Wu, G. Study of a non-isolated bidirectional DC–DC converter. IET Power Electron. 2013, 6, 30–37. [Google Scholar] [CrossRef]
- Grbović, P.J.; Delarue, P.; Le Moigne, P.; Bartholomeus, P. A bidirectional three-level DC–DC converter for the ultracapacitor applications. IEEE Trans. Ind. Electron. 2009, 57, 3415–3430. [Google Scholar] [CrossRef]
- Dusmez, S.; Hasanzadeh, A.; Khaligh, A. Comparative analysis of bidirectional three-level DC–DC converter for automotive applications. IEEE Trans. Ind. Electron. 2014, 62, 3305–3315. [Google Scholar] [CrossRef]
- Tan, L.; Zhu, N.; Wu, B. An integrated inductor for eliminating circulating current of parallel three-level DC–DC converter-based EV fast charger. IEEE Trans. Ind. Electron. 2015, 63, 1362–1371. [Google Scholar] [CrossRef]
- Wang, P.; Zhou, L.; Zhang, Y.; Li, J.; Sumner, M. Input-parallel output-series DC-DC boost converter with a wide input voltage range, for fuel cell vehicles. IEEE Trans. Veh. Technol. 2017, 66, 7771–7781. [Google Scholar] [CrossRef]
- Kumar, A.; Bhat, A.; Agarwal, P. Comparative analysis of dual active bridge isolated DC to DC converter with flyback converters for bidirectional energy transfer. In Proceedings of the 2017 Recent Developments in Control, Automation & Power Engineering (RDCAPE), Noida, India, 26–27 October 2017; pp. 382–387. [Google Scholar]
- Wang, F.; Wang, Y.; Zhang, F.; Teng, C. A novel high-conversion-ratio bidirectional three-phase DC–DC converter. J. Eng. 2019, 2019, 2764–2771. [Google Scholar] [CrossRef]
- Cortez, D.F.; Waltrich, G.; Fraigneaud, J.; Miranda, H.; Barbi, I. DC–DC converter for dual-voltage automotive systems based on bidirectional hybrid switched-capacitor architectures. IEEE Trans. Ind. Electron. 2014, 62, 3296–3304. [Google Scholar] [CrossRef]
- Zhang, Y.; Liu, Q.; Gao, Y.; Li, J.; Sumner, M. Hybrid switched-capacitor/switched-quasi-Z-source bidirectional DC–DC converter with a wide voltage gain range for hybrid energy sources EVs. IEEE Trans. Ind. Electron. 2018, 66, 2680–2690. [Google Scholar] [CrossRef]
- Zhang, Y.; Gao, Y.; Li, J.; Sumner, M. Interleaved switched-capacitor bidirectional DC-DC converter with wide voltage-gain range for energy storage systems. IEEE Trans. Power Electron. 2017, 33, 3852–3869. [Google Scholar] [CrossRef]
- Fardahar, S.M.; Sabahi, M. New expandable switched-capacitor/switched-inductor high-voltage conversion ratio bidirectional DC–DC converter. IEEE Trans. Power Electron. 2019, 35, 2480–2487. [Google Scholar] [CrossRef]
- Chung, H.S.h.; Ioinovici, A.; Cheung, W.L. Generalized structure of bi-directional switched-capacitor DC/DC converters. IEEE Trans. Circuits Syst. I Fundam. Theory Appl. 2003, 50, 743–753. [Google Scholar] [CrossRef]
- Chung, H.S.; Chow, W.; Hui, S.; Lee, S.T. Development of a switched-capacitor DC-DC converter with bidirectional power flow. IEEE Trans. Circuits Syst. I Fundam. Theory Appl. 2002, 47, 1383–1389. [Google Scholar]
- Niu, S.; Zhao, Q.; Niu, S.; Jian, L. A Comprehensive Investigation of Thermal Risks in Wireless EV Chargers Considering Spatial Misalignment From a Dynamic Perspective. IEEE J. Emerg. Sel. Top. Ind. Electron. 2024, 5, 1560–1571. [Google Scholar] [CrossRef]
- Gorji, S.; Ektesabi, M.; Zheng, J. Isolated switched-boost push–pull DC–DC converter for step-up applications. Electron. Lett. 2017, 53, 177–179. [Google Scholar] [CrossRef]
- Jia, C.; Zhou, J.; He, H.; Li, J.; Wei, Z.; Li, K. Health-conscious deep reinforcement learning energy management for fuel cell buses integrating environmental and look-ahead road information. Energy 2024, 290, 130146. [Google Scholar] [CrossRef]
- Li, S.; Xiangli, K.; Smedley, K.M. A control map for a bidirectional PWM plus phase-shift-modulated push–pull DC–DC converter. IEEE Trans. Ind. Electron. 2017, 64, 8514–8524. [Google Scholar] [CrossRef]
- Kazimierczuk, M.K.; Vuong, D.Q.; Nguyen, B.T.; Weimer, J.A. Topologies of bidirectional PWM dc-dc power converters. In Proceedings of the IEEE 1993 National Aerospace and Electronics Conference-NAECON 1993, Dayton, OH, USA, 24–28 May 1993; pp. 435–441. [Google Scholar]
- Gorji, S.A.; Mostaan, A.; Tran My, H.; Ektesabi, M. Non-isolated buck–boost dc–dc converter with quadratic voltage gain ratio. IET Power Electron. 2019, 12, 1425–1433. [Google Scholar] [CrossRef]
- Delshad, M.; Farzanehfard, H. A new isolated bidirectional buck-boost PWM converter. In Proceedings of the 2010 1st Power Electronic & Drive Systems & Technologies Conference (PEDSTC), Tehran, Iran, 17–18 February 2010; pp. 41–45. [Google Scholar]
- Jiang, B.; Wang, Y.; Wang, Q.; Geng, H. A Novel Interpretable Short-Term Load Forecasting Method Based on Kolmogorov-Arnold Networks. IEEE Trans. Power Syst. 2024, 40, 1180–1183. [Google Scholar] [CrossRef]
- Kwon, M.; Park, J.; Choi, S. A bidirectional three-phase push–pull converter with dual asymmetrical PWM method. IEEE Trans. Power Electron. 2015, 31, 1887–1895. [Google Scholar] [CrossRef]
- Aboulnaga, A.; Emadi, A. Performance evaluation of the isolated bidirectional Cuk converter with integrated magnetics. In Proceedings of the 2004 IEEE 35th Annual Power Electronics Specialists Conference (IEEE Cat. No. 04CH37551), Aachen, Germany, 20–25 June 2004; Volume 2, pp. 1557–1562. [Google Scholar]
- Ruseler, A.; Barbi, I. Isolated Zeta-SEPIC bidirectional DC-DC converter with active-clamping. In Proceedings of the 2013 Brazilian Power Electronics Conference, Gramado, Brazil, 27–31 October 2013; pp. 123–128. [Google Scholar]
- Lin, B.R.; Chen, J.J.; Lee, Y.E.; Chiang, H.K. Analysis and implementation of a bidirectional ZVS dc-dc converter with active clamp. In Proceedings of the 2008 3rd IEEE Conference on Industrial Electronics and Applications, Singapore, 3–5 June 2008; pp. 382–387. [Google Scholar]
- Khodabakhshian, M.; Adib, E.; Farzanehfard, H. Forward-type resonant bidirectional DC–DC converter. IET Power Electron. 2016, 9, 1753–1760. [Google Scholar] [CrossRef]
- Zhang, F.; Yan, Y. Novel forward–flyback hybrid bidirectional DC–DC converter. IEEE Trans. Ind. Electron. 2008, 56, 1578–1584. [Google Scholar] [CrossRef]
- Zhang, Z.; Thomsen, O.C.; Andersen, M.A. Optimal design of a push-pull-forward half-bridge (PPFHB) bidirectional DC–DC converter with variable input voltage. IEEE Trans. Ind. Electron. 2011, 59, 2761–2771. [Google Scholar] [CrossRef]
- De Souza, E.V.; Barbi, I. Bidirectional current-fed flyback-push-pull DC-DC converter. In Proceedings of the XI Brazilian Power Electronics Conference, Natal, Brazil, 11–15 September 2011; pp. 8–13. [Google Scholar]
- Marchesoni, M.; Vacca, C. New DC–DC converter for energy storage system interfacing in fuel cell hybrid electric vehicles. IEEE Trans. Power Electron. 2007, 22, 301–308. [Google Scholar] [CrossRef]
- Reddy, S.R.P.; Naik, B.S.; Umanand, L. A novel non-isolated bidirectional DC-DC converter for high voltage gain applications. In Proceedings of the 2017 IEEE PES Asia-Pacific Power and Energy Engineering Conference (APPEEC), Bangalore, India, 8–10 November 2017; pp. 1–6. [Google Scholar]
- Li, X.; Bhat, A.K. Analysis and design of high-frequency isolated dual-bridge series resonant DC/DC converter. IEEE Trans. Power Electron. 2009, 25, 850–862. [Google Scholar]
- Liu, Y.C.; Chen, C.; Chen, K.D.; Syu, Y.L.; Dung, N.A. High-frequency and high-efficiency isolated two-stage bidirectional DC–DC converter for residential energy storage systems. IEEE J. Emerg. Sel. Top. Power Electron. 2019, 8, 1994–2006. [Google Scholar] [CrossRef]
- Niu, S.; Niu, S.; Zhang, C.; Jian, L. Blind-Zone-Free Metal Object Detection for Wireless EV Chargers Employing DD Coils by Passive Electromagnetic Sensing. IEEE Trans. Ind. Electron. 2023, 70, 965–974. [Google Scholar] [CrossRef]
- Niu, S.; Zhao, Q.; Chen, H.; Niu, S.; Jian, L. Noncooperative Metal Object Detection Using Pole-to-Pole EM Distribution Characteristics for Wireless EV Charger Employing DD Coils. IEEE Trans. Ind. Electron. 2024, 71, 6335–6344. [Google Scholar] [CrossRef]
- Xu, X.; Khambadkone, A.M.; Oruganti, R. A soft-switched back-to-back bi-directional DC/DC converter with a FPGA based digital control for automotive applications. In Proceedings of the IECON 2007-33rd Annual Conference of the IEEE Industrial Electronics Society, Taipei, Taiwan, 5–8 November 2007; pp. 262–267. [Google Scholar]
- He, P.; Khaligh, A. Comprehensive analyses and comparison of 1 kW isolated DC–DC converters for bidirectional EV charging systems. IEEE Trans. Transp. Electrif. 2016, 3, 147–156. [Google Scholar] [CrossRef]
- Peng, F.Z.; Li, H.; Su, G.J.; Lawler, J.S. A new ZVS bidirectional DC-DC converter for fuel cell and battery application. IEEE Trans. Power Electron. 2004, 19, 54–65. [Google Scholar] [CrossRef]
- Li, H.; Peng, F.Z.; Lawler, J.S. A natural ZVS medium-power bidirectional DC-DC converter with minimum number of devices. IEEE Trans. Ind. Appl. 2003, 39, 525–535. [Google Scholar] [CrossRef]
- Ma, X.; Wang, P.; Bi, H.; Wang, Z. A bidirectional LLCL resonant DC-DC converter with reduced resonant tank currents and reduced voltage stress of the resonant capacitor. IEEE Access 2020, 8, 125549–125564. [Google Scholar] [CrossRef]
- Min, J.; Ordonez, M. Bidirectional resonant CLLC charger for wide battery voltage range: Asymmetric parameters methodology. IEEE Trans. Power Electron. 2020, 36, 6662–6673. [Google Scholar] [CrossRef]
- Chakraborty, S.; Chattopadhyay, S. Minimum-RMS-current operation of asymmetric dual active half-bridge converters with and without ZVS. IEEE Trans. Power Electron. 2016, 32, 5132–5145. [Google Scholar] [CrossRef]
- Li, K.; Zhou, J.; Jia, C.; Yi, F.; Zhang, C. Energy sources durability energy management for fuel cell hybrid electric bus based on deep reinforcement learning considering future terrain information. Int. J. Hydrogen Energy 2024, 52, 821–833. [Google Scholar] [CrossRef]
- Lu, D.; Yi, F.; Hu, D.; Li, J.; Yang, Q.; Wang, J. Online optimization of energy management strategy for FCV control parameters considering dual power source lifespan decay synergy. Appl. Energy 2023, 348, 121516. [Google Scholar] [CrossRef]
- Zhou, J.; Shu, X.; Zhang, J.; Yi, F.; Jia, C.; Zhang, C.; Kong, X.; Zhang, J.; Wu, G. A deep learning method based on CNN-BiGRU and attention mechanism for proton exchange membrane fuel cell performance degradation prediction. Int. J. Hydrogen Energy 2024, 94, 394–405. [Google Scholar] [CrossRef]
- Zhou, J.; Zhang, J.; Yi, F.; Feng, C.; Wu, G.; Li, Y.; Zhang, C.; Wang, C. A real-time prediction method for PEMFC life under actual operating conditions. Sustain. Energy Technol. Assess. 2024, 70, 103949. [Google Scholar] [CrossRef]
- Lee, I.O. Hybrid DC–DC converter with phase-shift or frequency modulation for NEV battery charger. IEEE Trans. Ind. Electron. 2015, 63, 884–893. [Google Scholar] [CrossRef]
- Zhao, B.; Yu, Q.; Sun, W. Extended-phase-shift control of isolated bidirectional DC–DC converter for power distribution in microgrid. IEEE Trans. Power Electron. 2011, 27, 4667–4680. [Google Scholar] [CrossRef]
- Yang, C.; Song, B.; Xie, Y.; Tang, X. Online parallel estimation of mechanical parameters for PMSM drives via a network of interconnected extended sliding-mode observers. IEEE Trans. Power Electron. 2021, 36, 11818–11834. [Google Scholar] [CrossRef]
- Di Giorgio, A.; Liberati, F.; Canale, S. Electric vehicles charging control in a smart grid: A model predictive control approach. Control Eng. Pract. 2014, 22, 147–162. [Google Scholar] [CrossRef]
- Bryant, B.; Kazimierczuk, M.K. Modeling the closed-current loop of PWM boost DC-DC converters operating in CCM with peak current-mode control. IEEE Trans. Circuits Syst. I Regul. Pap. 2005, 52, 2404–2412. [Google Scholar] [CrossRef]
- Utkin, V. Sliding mode control of DC/DC converters. J. Frankl. Inst. 2013, 350, 2146–2165. [Google Scholar] [CrossRef]
- Oruganti, R.; Heng, P.C.; Guan, J.T.K.; Choy, L.A. Soft-switched DC/DC converter with PWM control. IEEE Trans. Power Electron. 1998, 13, 102–114. [Google Scholar] [CrossRef]
- Yang, C.; Song, B.; Xie, Y.; Lu, S.; Tang, X. Stable simultaneous inertia and disturbance torque identification for SPMSM drive systems subject to mismatched rotor flux linkage. IEEE J. Emerg. Sel. Top. Power Electron. 2021, 10, 2445–2462. [Google Scholar] [CrossRef]
- Yang, C.; Song, B.; Jatskevich, J.; Zhang, H.; Lee, C.H. Normal-Operation-Undisturbed Magnet Flux Linkage Monitoring in PMSM Drives via a Mechanical-Model-Based Dual Time-Scale Approach. IEEE Trans. Ind. Inform. 2024, 20, 6266–6279. [Google Scholar] [CrossRef]
- Lin, J.; Yang, X.; Niu, S.; Yu, H.; Zhong, J.; Jian, L. Inflatable Savonius wind turbine with rapid deployment and retrieval capability: Structure design and performance investigation. Energy Convers. Manag. 2024, 310, 118480. [Google Scholar] [CrossRef]
- Wang, X.; Li, T.; Shi, J.; Lin, Q. Three-stage type gate voltage drive circuit to reduce turn-off voltage overshoot and ring in MOSFET. Electr. Mach. Control 2013, 17, 1–6. [Google Scholar]
- Jia, C.; He, H.; Zhou, J.; Li, J.; Wei, Z.; Li, K.; Li, M. A novel deep reinforcement learning-based predictive energy management for fuel cell buses integrating speed and passenger prediction. Int. J. Hydrogen Energy 2025, 100, 456–465. [Google Scholar] [CrossRef]
- Yi, F.; Shu, X.; Zhou, J.; Zhang, J.; Feng, C.; Gong, H.; Zhang, C.; Yu, W. Remaining useful life prediction of PEMFC based on matrix long short-term memory. Int. J. Hydrogen Energy 2025, 111, 228–237. [Google Scholar] [CrossRef]










| Sub-Topology 1 | Sub-Topology 2 | Advantages | Disadvantages | Estimated Efficiency Range | Reference |
|---|---|---|---|---|---|
| Interleaved | Switched-capacitor |
|
| 92–96% | Ref. [63] |
| Three-Level | Buck-Boost |
|
| 90–94% | Ref. [57] |
| SEPIC | Zeta |
|
| 88–92% | Ref. [11] |
| Buck | Boost |
|
| 85–89% | Ref. [64] |
| Zeta | Ćuk |
|
| 86–90% | Ref. [59] |
| Interleaved | Buck-Boost |
|
| 92–96% | Ref. [11] |
| Three-Level | SEPIC |
|
| 89–93% | Ref. [65] |
| Switched-Capacitor | Buck |
|
| 87–91% | Ref. [66] |
| Topology | I | C | S | Characteristics | |
|---|---|---|---|---|---|
| Buck & Boost Figure 3a | 1 | 2 | 2 | - Simple design and operation; - Discontinuous input current. | |
| Buck-Boost Figure 3b | 2 | 2 | 2 | - Provides both step-up and step-down capability; - Produces an inverted output voltage. | |
| Ćuk Figure 3c | 2 | 3 | 4 | - Smooth input and output current; - Reduces ripple by coupling inductors. | |
| SEPIC/Zeta Figure 3d | 2 | 3 | 2 | - Non-inverting output voltage; - Minimizes input and output current ripple. | |
| Interleaved Figure 4a | n | 2 | - Reduces current ripple and stress on components; - Suitable for high-power applications. | ||
| Three-Level Figure 4b | 1 | 3 | 4 | - Compact design with no inductors; - Provides self-voltage balancing. | |
| Cascaded Figure 4c | 1 | 2 | 4 | - Achieves high voltage gain; - Optimized for reduced current stress. | |
| Switched Capacitor Figure 4d | 2 | 0 | 3 | 4 | - Compact and lightweight design; - Requires precise control for capacitor charging. |
| Topology | I | C | S | Windings | Characteristics | |
|---|---|---|---|---|---|---|
| Flyback Figure 5a | 0 | 2 | 2 | 2 | - Simple and cost-effective design; - High input current ripple [98]; - Suitable for low-power applications. | |
| Ćuk Figure 5b | 2 | 4 | 2 | 2 | - Provides smooth input and output currents; - Ripple reduction through coupled inductors [99]; - Moderate component count. | |
| Push-pull Figure 5c | 1 | 1 | 4 | 4 | - High efficiency with symmetric operation; - Requires precise control of switches; - Suitable for medium-power levels. | |
| Forward Figure 5d | 1 | 1 | 3 | 3 | - Efficient energy transfer; - Limited duty cycle range [100]; - Suitable for low to medium power. | |
| DAB Figure 6 | variable | 0 | 2 | 8 | 4 | - Efficient for wide voltage ranges; - Facilitates bidirectional energy transfer [101]; - Popular for high-power applications. |
Disclaimer/Publisher’s Note: The statements, opinions and data contained in all publications are solely those of the individual author(s) and contributor(s) and not of MDPI and/or the editor(s). MDPI and/or the editor(s) disclaim responsibility for any injury to people or property resulting from any ideas, methods, instructions or products referred to in the content. |
© 2025 by the authors. Licensee MDPI, Basel, Switzerland. This article is an open access article distributed under the terms and conditions of the Creative Commons Attribution (CC BY) license (https://creativecommons.org/licenses/by/4.0/).
Share and Cite
Tong, Y.; Salhi, I.; Wang, Q.; Lu, G.; Wu, S. Bidirectional DC-DC Converter Topologies for Hybrid Energy Storage Systems in Electric Vehicles: A Comprehensive Review. Energies 2025, 18, 2312. https://doi.org/10.3390/en18092312
Tong Y, Salhi I, Wang Q, Lu G, Wu S. Bidirectional DC-DC Converter Topologies for Hybrid Energy Storage Systems in Electric Vehicles: A Comprehensive Review. Energies. 2025; 18(9):2312. https://doi.org/10.3390/en18092312
Chicago/Turabian StyleTong, Yan, Issam Salhi, Qin Wang, Gang Lu, and Shengyu Wu. 2025. "Bidirectional DC-DC Converter Topologies for Hybrid Energy Storage Systems in Electric Vehicles: A Comprehensive Review" Energies 18, no. 9: 2312. https://doi.org/10.3390/en18092312
APA StyleTong, Y., Salhi, I., Wang, Q., Lu, G., & Wu, S. (2025). Bidirectional DC-DC Converter Topologies for Hybrid Energy Storage Systems in Electric Vehicles: A Comprehensive Review. Energies, 18(9), 2312. https://doi.org/10.3390/en18092312

