Next Article in Journal
Orderly Charging and Discharging Strategy for Electric Vehicles with Integrated Consideration of User and Distribution Grid Benefits
Previous Article in Journal
Design and Analysis of a Novel Ocean Current Two-Coupled Crossflow Turbine Energy Converter
 
 
Font Type:
Arial Georgia Verdana
Font Size:
Aa Aa Aa
Line Spacing:
Column Width:
Background:
Review

Review of Position Sensorless Control Technology for Permanent Magnet Synchronous Motors

by
Yukuan Ran
,
Mingzhong Qiao
,
Lucheng Sun
and
Yihui Xia
*
The College of Electrical Engineering, Naval University of Engineering, Wuhan 430033, China
*
Author to whom correspondence should be addressed.
Energies 2025, 18(9), 2302; https://doi.org/10.3390/en18092302
Submission received: 26 March 2025 / Revised: 22 April 2025 / Accepted: 28 April 2025 / Published: 30 April 2025

Abstract

The high-performance control of permanent magnet synchronous motors hinges on precise rotor position information. However, traditional mechanical sensors are plagued by high costs, large dimensions, and low reliability. As a result, position sensorless control technology has emerged and is becoming a research hotspot in the field of motor control. This article comprehensively reviews the existing position sensorless control technologies for permanent magnet synchronous motors. First, the fundamental principles of classical methods based on the motor’s fundamental wave model and saliency effect are analyzed in detail. Second, the advantages, disadvantages, and applicable scenarios of various position sensorless control methods are summarized. Finally, the key issues that need to be addressed in future research are pointed out.

1. Introduction

Due to their excellent efficiency, high power density, and broad operational speed range, permanent magnet synchronous motors (PMSMs) find extensive applications in industrial drives, household appliances, and various other fields. According to the installation position of the rotor permanent magnet, PMSMs are categorized into two distinct types: surface PMSMs (SPMSMs) and interior PMSMs (IPMSMs) [1]. In SPMSMs, the reluctance magnitudes along the quadrature-axis (q-axis) and direct-axis (d-axis) are approximately the same, resulting in identical inductances in the q-axis and d-axis. Conversely, in IPMSMs, permanent magnets are embedded inside the rotor, so q-axis and d-axis reluctances have pronounced discrepancies. This structural characteristic induces substantial differences between inductances in the q-axis and d-axis [2].
When implementing vector control of PMSMs, the accuracy of rotor position information directly determines control system performance. Conventional approaches heavily rely on mechanical position sensors to acquire rotor position information [3]. However, these sensors present two primary drawbacks. Firstly, they escalate system costs beyond mere sensor procurement, necessitating shielded cabling, specialized connectors, robust mechanical installation, protective measures, etc. Secondly, they compromise system reliability because these delicate components remain susceptible to mechanical vibration damage and exhibit lower thermal tolerance than motor systems, which restricts operational applicability in harsh environments [3]. Additionally, in applications requiring long transmission lines (mining operations), sensor signals suffer significant attenuation and demand costly repeaters, which further exacerbate reliability concerns. In recent years, with the rapid development of power electronics technology and control theory, position sensorless control technology has made significant progress and is widely used in many industrial fields. Position sensorless control is very beneficial for overall system cost reduction and reliability. Position sensorless control can also be used as a backup redundancy to improve system reliability performance even if a position sensor is already installed on the motor [4].
Position sensorless technologies are classified into two types according to their basic principles [5]: methods based on the fundamental wave model of the motor and methods based on the saliency effect of the motor. The method based on the fundamental wave model relies on the accurate acquisition of voltage and current signals; otherwise, the accuracy of the estimated rotor position is difficult to guarantee. Therefore, it is generally used for medium and high-speed (generally more than 10% of the rated speed) control systems with higher signal-to-noise ratios, such as sensorless drives for medium and high-speed cruising in electric vehicles, spindle motor control for numerical control system machine tools, etc. The method based on the saliency effect induces a current signal carrying rotor position information by injecting a high-frequency signal independent of the motor’s fundamental waveform. Therefore, it is widely used in zero–low-speed control systems, such as sensorless control of elevator traction machines when hovering and low-speed precision positioning of industrial servo systems.
The current review articles on position sensorless control technology mostly classify various control strategies by speed intervals and analyze their realization process in a more general way [6,7]. Therefore, this paper reviews current position sensorless control technology for PMSMs according to the classification of basic principles, analyzes in detail the basic realization principle of typical methods, and explains their advantages, disadvantages, and applicable motor types.

2. Methods Based on the Fundamental Wave Model of the Motor

In modern motor control systems, the position sensorless control method based on the fundamental wave model of the motor is a technique for estimating rotor position and speed that constructs a mathematical model using the electrical characteristics of the motor. The fundamental principle lies in establishing a connection between the electrical signals and the state of mechanical motion through the fundamental wave equations (either the voltage model or the magnetic chain model). This enables the indirect determination of position information [8]. This method can be divided into two distinct types, open loop control and closed loop control, according to whether a real-time feedback mechanism is introduced or not.

2.1. Open Loop Control

Open loop control does not rely on feedback of the rotor position. Based on the motor fundamental waveform model, the drive signal is directly calculated, then the rotor state is projected and the control instructions are generated. The calculation process and structure is relatively simple [7]. The following are three typical control methods.

2.1.1. Direct Method of Calculation

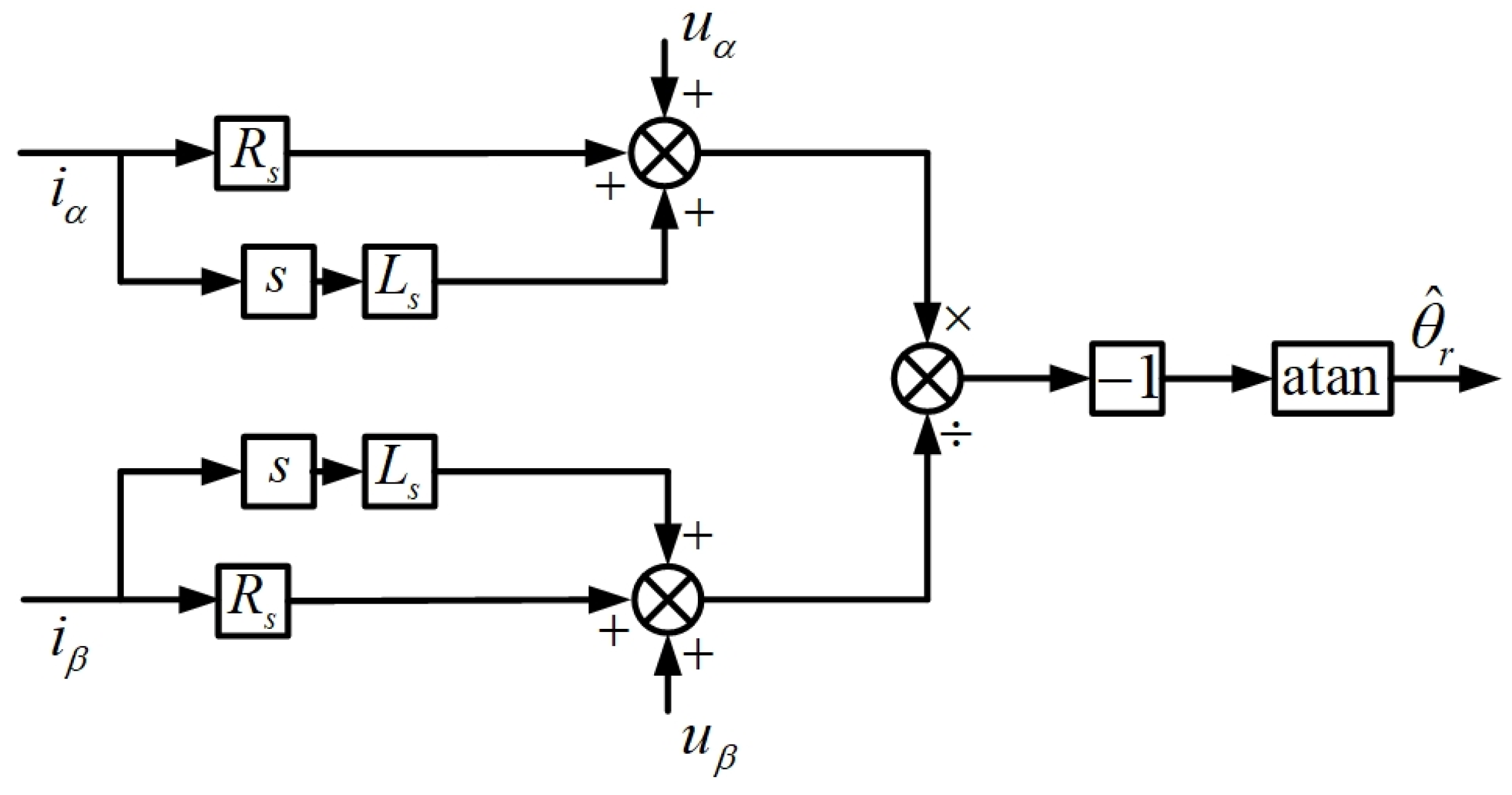
When the motor is running steadily, the rotor position information is directly obtained based on the voltage or the magnetic chain equation. As an example of the voltage equation of the SPMSM, in the α β coordinate system, the mathematical model of the PMSM is obtained as:
e α = R s i α + L s d i α d t + u α e β = R s i β + L s d i β d t + u β
e α , e β are the back electromotive force, R s is the stator resistance, i α , i β are the stator current, L s are the stator inductance, and u α , u β are the output terminal voltage.
The back electromotive force can be expressed as:
e α = ψ f ω r sin ( θ r ) e β = ψ f ω r cos ( θ r )
ω r is the rotor electrical angular velocity, ψ f is the magnitude of the magnetic flux, and θ r is the electrical angle between the stator windings and the rotor axis (i.e., the rotor position angle).
Obtain the rotor position information from Equation (2) and express the estimated motor rotor position as:
θ ^ r = arctan ( e α e β )
The control block diagram is shown in Figure 1.
For IPMSMs, rotor position information can also be obtained using this method after neglecting the higher-order minima since the voltage drop across the inductor is much smaller than the back electromotive force term when the motor is in steady operation [9]. Therefore, the method works for both motor types. However, the method is highly sensitive to parameters, and parameter changes can directly lead to large deviations in the estimated position; therefore, it is suitable for stable environments where parameter calibration is accurate (laboratory calibration of motors, thermostatic workshop equipment, etc.). In addition, because feedback correction circuits have not been introduced, the anti-interference capability is weak, so it is not able to work efficiently in scenarios where there are frequent changes in load or rotation speed (servo systems, electric vehicles, etc.).

2.1.2. V/F Control

V/F control and I/F control of PMSMs belong to open loop speed control, which can also be classified as position sensorless control technology because the control process does not rely on rotor position information detection.
When the back electromotive force of the motor is sufficiently large, the voltage drop resulting from the stator leakage reactance can be disregarded. Obtain the electromotive force equation for the PMSM stator circuit as:
U E = 4.44 f N K w 1 ψ f
U is the stator terminal voltage of the PMSM, E is the induced electromotive force in the stator phase windings, f is the voltage frequency, N is the turn count per phase of the stator windings, and K w 1 is the motor stator’s fundamental winding coefficient.
From Equation (4), ensuring the U / f is constant can make the motor flux remain constant during the speed regulation process. In frequency conversion speed control, the motor speed control process is divided into two sections: constant torque speed control and constant power speed control. In the constant torque speed control process, U and f change in a proportional relationship, which ensures that the motor’s load carrying capacity remains unchanged when the frequency changes. Since the rated output voltage of the inverter has an upper limit, the motor stator terminal voltage needs to be maintained at the rated value when the motor is speed-regulated above the base frequency. The magnetic flux needs to fall with the rise in frequency so that the weak magnetism control is carried out automatically. The control signals of the V/F control system all come from the set V/F control curve, so it is necessary to set a reasonable V/F control curve from the actual motor load type, which largely determines the performance of the whole control system. Reference [10] gives several common control curves based on different applications. The V/F control curve of the PMSM is presented in Figure 2 ( U N , f N , ψ f N are the ratings of the variables U , f , ψ f respectively), and the V/F control block diagram of the PMSM is presented in Figure 3 (SVPWM is the abbreviation for Space Vector Pulse Width Modulation).
The open loop V/F control structure and algorithm are relatively simple. However, the V/F curve is usually set under offline tests and without any feedback signal, resulting in a poor dynamic response of the motor. When there is a sudden load change, the rotor, due to inertia, can not immediately follow the frequency change of the stator magnetic field and is prone to out-of-step phenomenon, which, in turn, causes the motor to oscillate violently or stop. To address this problem, reference [11] set the V/F control curve considering the effect of the voltage loss on the stator resistance at different speed stages of the motor, compensated the stator voltage in segments at different frequency bands, and added an anti-oscillation stabilization loop, which effectively improves the system’s ability to resist load impacts. Reference [12] tested the V/F control of a PMSM drive using a wavelet-modulated power electronic converter. The two elements involved in the wavelet modulation technique, the maximum scale J and the scale-time interval factor γ , can adjust the V/F ratio to enhance the stability of the controlled drive system.

2.1.3. I/F Control

Compared with the V/F control strategy, the I/F control strategy adopts the structure of an open loop of speed loop and a closed loop of current loop, which makes it difficult to cause overcurrent and simplifies the process of rectification. One only needs to select the appropriate current threshold according to the load to solve the problem of uncontrolled current and excessive inrush current in the V/F control [13].
Figure 4 gives the basic principle of the I/F starting strategy. Firstly, obtain the rotor position with the motor at rest using the pre-positioning method to ensure that the d -axis and α -axis of the rotor coincide, and start the motor with uniform acceleration by using the d -axis current i d * = 0 and the q -axis current i q * with a constant value [14]. Set up a virtual synchronous-type coordinate system lagging behind the synchronous coordinate system by π / 2 electrical angle, and rotating angle of the given axis is θ 1 . Express the position signal used for the Park transformation as:
θ * = θ 1 π 2 = 0 t 2 π p n * d t π 2
p is the logarithm of the magnetic pole (i.e., the number of pole pairs on the motor rotor), n * = a t , and a is the motor start acceleration slope.
The torque equation and motion equation of the PMSM are:
T e = 1.5 p i q * ψ f cos θ L T e T 1 = J d ω r d t
T e is the electromagnetic torque, θ L is the angle which is between the given rotor frame and the actual rotor frame, T 1 is the load torque, and J is the rotational inertia.
According to the ‘torque-power angle self-balance’ characteristic and Equation (6), if the external environment causes the load torque to exceed the electromagnetic torque, the rotational speed of the motor will decline and the angle θ L will reduce, then the electromagnetic torque T e will increase, so that the rotor accelerates until the system reaches the new state of torque equilibrium. When there is a decrease in the load torque, the regulation process is the opposite of the former.
Although I/F control solves the problem of uncontrolled current and large inrush current in V/F control by introducing a current loop, it still belongs to the open loop control, and the problems of control accuracy and lack of anti-interference ability are still highlighted, and it is applicable solely to situations that do not need high control accuracy.

2.2. Closed Loop Control

In the position sensorless control system, when facing complex working conditions or parameter drift, the open loop control has significant limitations due to the lack of a speed feedback correction loop, which makes it difficult to achieve accurate control. Especially under dynamic load changes or environmental perturbations, it is prone to error accumulation [15]. The closed loop control breaks through the static model constraints of the open loop system and gives the control system stronger environmental adaptability and anti-interference capability by constructing a real-time state observation and dynamic feedback mechanism. Commonly used methods include the Sliding Mode Observer (SMO) algorithm, Model Reference Adaptive System (MRAS), Expanded Kalman Filter (EKF) algorithm, etc.

2.2.1. SMO Algorithm

In the position sensorless control system, SMO takes the stator current signal in the stationary coordinate system as a state variable and constructs a sliding mode switching surface with the divergence between the real-world current and the approximated current. Observe the motor back electromotive force signal based on the motor fundamental wave model and then obtain the motor rotor position information acquired as a result of the calculation. The SMO algorithm has low requirements on the model of the controlled object, is unaffected by external disturbances, and has strong robustness. Therefore, it is widely used in position sensorless control [16]. Taking the traditional SMO as an example, according to Equation (1), design the SMO in the α β coordinate system as follows:
i ^ ˙ α i ^ ˙ β = 1 L s R s   0 0 R s i ^ α i ^ β + 1 L s z α u α z β u β
i ^ α , i ^ β are the observed values of i α , i β , z α , z β are the α , β -axis sliding mode control function, which can be formulated as:
z α z β = k sgn ( i ^ α i α ) sgn ( i ^ β i β )
After the system stabilizes, obtain the estimated back electromotive force component according to Equation (7). However, because of the nonlinear nature of the sign function, the system will jitter near the sliding mode surface s = 0 , resulting in high harmonics in the estimated back electromotive force. The common approach is to employ a low pass filter (LPF) to reduce its high-frequency error. Figure 5 shows the control block diagram. E ^ α , E ^ β are the observed values of the reverse electromotive force.
After the control state trajectory reaches the pre-designed sliding mode surface, the state trajectory still has a certain inertia, and it is difficult to move strictly according to the sliding mode surface, so it will repeatedly cross the sliding mode surface, thus generating a chattering phenomenon. In other words, the excellent robustness of sliding mode control is exchanged for high-frequency chattering at the cost of high-frequency chattering. Therefore, the current research hotspot for SMO is mainly to suppress its chattering phenomenon and improve observation accuracy [17].
Reference [18] effectively suppressed the SMO chattering phenomenon by using a sinusoidal saturated segmentation function with a variable boundary layer instead of the sign function. It also proposed a method of determining the boundary layer based on the estimated current error rate of change, which realized the automatic adjustment of the boundary layer according to the motor operating conditions and balances the relationship between the suppression of the SMO chattering and the high control accuracy. Reference [19] used the hyperbolic tangent function as the switching function of the sliding mode surface and adjusted the shape coefficients of the hyperbolic tangent function by fuzzy logic control to attenuate the jitter vibration induced by the fixed boundary layer thickness, but the validity has not been verified by experiments. Reference [20] designed a fuzzy SMO and employed the sigmoid function as the switching function, which modified the parameters of the sigmoid function in real-time by establishing fuzzy rules, thus altering the convergence characteristics of the function, reducing system chatter, and improving the observation performance. Reference [21] designed a segmented square root switching function as a switching function to effectively attenuate the intermittent high-frequency signals present in the measurements of the induced electromotive force, thereby preventing the addition of filters and indirectly eliminating the estimation errors in the SMO due to the use of LPF.

2.2.2. Luenberger Observer Algorithm

The Luenberger observer is a linear state observer, and the basic process consists of two parts: observer design and error feedback correction. First, construct the observer model based on the PMSM’s dynamic equations and then correct the observed state variables by error feedback terms to achieve error convergence [22]. Compared with SMO, the Luenberger observer does not need to introduce switching functions or symbolic operations, avoids the problem of high-frequency chattering, and performs better in terms of noise suppression, which is especially suitable for scenarios with low carrier ratios or high accuracy requirements [23]. However, its design relies on accurate motor parameters and reasonable pole distributions and needs to be combined with frequency domain analysis and robustness optimization to balance the estimation accuracy and immunity [24].
In general, for PMSMs, the mechanical time constant is significantly greater than the electrical time constant. This implies that the rate at which the rotational speed varies is considerably lower compared to the rate at which the current changes. The derivative of the motor speed with respect to the time is considered to be zero for a smaller period of time, so express Equation (2) as:
e ˙ a e ˙ β = ω r e β e α
Then, obtain the following fourth-order equation of state according to Equations (1) and (9):
x ˙ = A x + B u y = C x
x = i α i β e α e β T is the state variable, u = u α u β is the input variable, and y is the output variable. A , B , C are the system matrix, input matrix, and output matrix, respectively, and can be expressed as:
A = R s / L s 0 1 / L s 0 0 R s / L s 0 1 / L s 0 0 0 ω r 0 0 ω r 0 , B = 1 / L s 0 0 1 / L s 0 0 0 0 , C = 1 0 0 0 0 1 0 0
Construct the corresponding Luenberger observer model as:
x ^ = A x ^ + B u + H ( y y ^ ) y ^ = C x ^
x ^ is the observed value of the state variable, and the feedback matrix is:
H = h 1 h 3 h 5 h 7 h 2 h 4 h 6 h 8 T
Figure 6 shows the block diagram of its implementation.
Aiming at the problem that the Luenberger observer necessitates motor parameters with high accuracy, reference [25] proposed an adaptive Luenberger observer that changes the feedback gain according to the motor speed, which simplifies the process of parameter tuning, and the algorithm has strong generality. Reference [26] estimated the load torque and impedance parameters simultaneously online, which made the control algorithm insensitive to the motor parameter perturbations and load torque changes and significantly improved the robustness of the system. For the problem of different speed pole configurations, reference [27] adjusted the feedback matrix in real-time based on fuzzy adaptive control ideas, taking into account the performance of the algorithm and the computational complexity of the processor.

2.2.3. Model Reference Adaptive System

The MRAS achieves high-precision observation of motor rotor position and speed by constructing a dynamic error closed loop between the reference model and the adjustable model. Its system contains three main components: reference model, adjustable model, and adaptive law [28]. In the application of PMSM position sensorless control, MRAS usually makes the voltage equation established by the estimated speed an adjustable model and the voltage equation established by the actual speed as a reference model. Control signals are generated by importing the difference between the two outputs into the PI structure of the adaptive mechanism to act on the controlled motor, and ultimately, the speed estimation value converges to the actual speed. With i d and i q as state variables, the state space expression for the reference model is:
p i d i q = R s L s ω r ω r R s L s i d i q + 1 L s 0 0 1 L s u d u q
u d and u q are the equivalent d q -axis voltages and i d and i q are the equivalent d q -axis currents, which can be expressed as:
i d = i d + ψ f L s i q = i q u d = u d + R s L d ψ f u q = u q
The adjustable model is established by estimating the rotational speed ω ^ r . Referring to Equation (14) can obtain:
p i ^ d i ^ q = R s L s ω ^ r ω ^ r R s L s i ^ d i ^ q + 1 L s 0 0 1 L s u d u q
Three common approaches to MRAS adaptive law design are based on Liapunov stability theory, Popov hyperstability theory, and local parameter optimization theory. Popov hyperstability theory can ensure global convergence of the adaptive control system and, therefore, has the most applications [29]. Figure 7 shows the block diagram of the position sensorless control structure based on MRAS. The process of making the difference between its reference model and adjustable model is the process of position error extraction, and the process of adaptive law design is the process of angle observer construction.
The parameters of the motor usually change during long-term operation. MRAS is highly determined by the motor parameters, and the inaccuracy of the parameters directly leads to a reduction in control accuracy [30]. Therefore, improving the effect of motor parameters on the MRAS sensorless vector control system is one of the hotspots in current research. Reference [31] combined the grey wolf optimization algorithm with the improved MRAS, updated the parameters in the moment through the joint estimation of stator resistance and magnetic flux by MRAS, and then adjusted the proportional and integral parameters in the adaptive law by using the grey wolf optimization algorithm to improve the control system’s robustness performance. Reference [32] proposed a position sensorless control method that combined self-resistant control with MRAS, so that the system is equipped with online identification of stator resistance and inductance, which improves the identification accuracy of rotor speed and position. Reference [33] proposed an MRAS-based compensation method for voltage source inverters, which employed a current vector that was composed of both the fundamental current vector and the harmonic current vector. This combined current vector served as the output for both the reference model and the adaptive model. Additionally, the root mean square (RMS) value of the cross product between these two output vectors was utilized as the objective function. It is minimized by the gradient descent method so as to compensate for the nonlinearity and greatly suppress the harmonic current components and rotational speed fluctuations. Reference [34] put forward a sensorless control approach founded on switched PI control in conjunction with an MRAS observer for stator resistance tracking. Through the establishment of distinct thresholds, the devised MRAS observer is capable of choosing the suitable PI adaptive mechanism in accordance with the size of the current error variable. This not only enhances the precision of resistance estimation but also elevates the dynamic performance of the sensorless control system. Reference [35] used the recursive least squares method for online identification of cross-axis inductance and rotor magnetic chain of a PMSM and applied the parameter identification results to the position sensorless algorithm of the motor, which avoids the problem of lack of rank due to multi-parameter identification and improves the MRAS performance.

2.2.4. Expanded Kalman Filter Algorithm

Kalman filter is a mathematical method for estimating the state of a system. By fusing the dynamic model, which captures the system’s operational dynamics and the measurements acquired from sensors, it estimates the state of the system in an optimally tuned fashion. EKF is the broadened application of this algorithm to nonlinear systems [36]. EKF is also essentially an observer, and the difference is that the method does not need to construct a model architecture similar to the MRAS and SMO, similar to a stochastic framework observation. The EKF algorithm is capable of mitigating the influence of noise on the system, resulting in a more stable output state. However, at the same time, the algorithm also results in the calculation of a large amount of parameter debugging, which is more cumbersome and, hence, is a shortcoming. Using high-performance processors and a variety of algorithms, this has gradually been solved, which broadens the application of the algorithm.
With the introduction of system noise and measurement noise, the mathematical representation of the PMSM can be presented as:
x ˙ = f ( x ) + B u + w y = H x + v
w , v are system noise and measurement noise, separately. x , u , y are state variables, input variables, and output variables, respectively. They can be expressed as:
x = i α i β w r θ e , u = u α u β , y = i α i β
f ( x ) is nonlinear function, B is input matrix, and H is output matrix. They can be expressed as:
f ( x ) = R L s i α + w r ψ f L s sin θ e R L s i β w r ψ f L s cos θ e 0 w r , B = 1 L s 0 0 1 L s 0 0 0 0 , H = 1 0 0 0 0 1 0 0
Equation (17) is a typical nonlinear system. According to the EKF principle analysis [37], the EKF algorithm implementation process is shown below.
Rewrite Equation (17) as a discrete model:
x k = x k 1 + T f ( x k 1 ) + T B u k 1 + T w k 1 z k = H x k + v k
T is the control period.
The prediction equation is:
x ^ k = x k 1 + T f ( x k 1 ) + T B u k 1 P k = A k P k 1 A k T + W Q k 1 W T
A k = f x k 1 , W is the system noise gain, and Q k 1 is the covariance matrix of the system noise. Measured values are indicated by a superscript ‘’, and calibrated values have no superscript.
The calibration equation is:
K k = P k H k T ( H k P k H k T + V R k V T ) 1 x ^ k = x ^ k + R k ( z k h ( x ^ k , 0 ) ) P k = ( I K k H k ) P k
H k = h x k , V is the measurement noise gain, and R k is the covariance matrix associated with the measurement noise.
The current optimization and improvement of the EKF mainly focuses on improving the estimation accuracy and anti-interference ability. Reference [38] designed staggered operation and active damping control for the inverter, which did a great job of suppressing the LC resonance and low harmonics, and provided excellent motor voltage and current waveforms for estimating the rotor position of the PMSM using EKF, and improved the system estimation accuracy. To address the issue of inaccurate estimation with low precision in EKF control when the measurement noise is not randomly distributed with 0-mean, reference [39] proposed an EKF algorithm with moving level estimation to estimate the operating state of the motor by integrating the window information of N moments. By building a cost function and adding random noise to replace the measurement error, the prediction problem is transformed into an optimization problem. In response to the situation where, under the heavy-load condition of the PMSM when the core is saturated, the observability of the electrical-model-based estimation method is reduced or may even fail, reference [40] presented an EKF observer grounded in the mechanical dynamic model. This EKF observer combines the estimation derived from the mechanical model with that from the electrical model. By doing so, it can effectively eliminate the noise term. Subsequently, it further enhances the estimation performance by introducing an adaptation coefficient to make up for the estimation error. Reference [41] introduced Linear Expansion State Observer (LESO) into EKF control and proposed a cascaded EKF-LESO position estimation method, which is able to achieve higher accuracy speed tracking with better anti-interference capability under model uncertainty and noise conditions.
Since PMSMs operate at low and zero speeds with very small values of back electromotive force, the voltage and current parameters are not easy to detect accurately, so the methods based on the fundamental wave model of the motor are commonly employed in the middle and high-speed operating conditions of the motor. The V/F control and I/F control directly control the voltage and current through the open loop or the current closed loop without relying on the signal of the reverse electromotive force, and, therefore, they are employed in the motor’s zero-speed and low-speed operating stages [42,43]. In addition, as long as accurate motor equations are available, the algorithm design can be realized by several of the above methods; therefore, they are more suitable for both SPMSMs and IPMSMs.
Since the open loop control does not introduce the feedback mechanism, compared with the closed loop control, the estimation accuracy and robustness have a large gap. Therefore, only the closed loop control method control performance is compared and analyzed. Table 1 gives the results of the control performance comparison of the closed loop control method in practical applications. From Table 1, the accuracy of rotor position and speed estimation of the Luenberger observer and EKF is better than that of SMO and MRAS. When the load changes, the robustness of the control system using the SMO and EKF methods is the best, followed by MRAS, and the Luenberger observer is the worst. The EKF is optimal overall, balancing estimation accuracy and robustness, and is suitable for aerospace applications where both are required (electric servos, satellite attitude control motors, etc.). SMO is suitable for new energy generation (wind energy, wave energy generator, etc.) due to its own jitter vibration phenomenon, which exchanges low accuracy for high robustness. The Luenberger observer algorithm and MRAS, on the other hand, are suitable for the field of precision instruments (precision machine tools, laser calibration systems, etc.) where the experimental environment is relatively stable.
Moreover, intelligent control builds upon artificial intelligence and control theory. Prominent approaches like fuzzy control and neural network control have developed into well-established theoretical frameworks in their own right [44]. The current implementation of the aforementioned methods in position sensorless control predominantly takes the form of integration with traditional control algorithms. By leveraging the remarkable adaptability showcased by the self-learning mechanism of intelligent control, these combined approaches aim to enhance both the accuracy and robustness of the position sensorless control system. Reference [45] employed a fuzzy controller to tackle the issue of adaptive adjustment of the sliding mode gain in the super-helix algorithm. This application of the fuzzy controller not only enhanced the accuracy of the observation but also expanded the scope of the observation. Reference [46] introduced a novel switching control method founded on fuzzy control theory to replace the traditional weighted-average switching method. References [47,48] resolves the problem of substantial error during the switching process by employing back propagation (BP) neural networks to adjust the PID gains online. This approach enabled the stable control of permanent magnet synchronous motors (PMSMs) during startup and under variable-load conditions.

3. Methods Based on the Convex Pole Effect of the Motor

At low speeds or stationary state of the motor, there are some limitations in the method based on the fundamental wave model due to the weak back electromotive force signal and noise interference [49]. However, the methods based on the motor saliency effect of the position details of the motor rotor detection process do not need to rely on the motor’s own equations, mainly by using the motor’s saliency saturation characteristics. [50]. These methods are primarily categorized into two major groups: the high-frequency signal injection method and the carrier frequency component method. The high-frequency signal injection method operates by adding a high-frequency signal component to the motor’s fundamental wave signal. This addition generates a high-frequency response electrical signal which encapsulates information about the rotor position of the motor. Then, a series of demodulation operations are performed on the relevant electrical signals to isolate the signal component that holds the estimated rotor position information. Nevertheless, because the bandwidth for estimating the rotor position is bounded by the bandwidth of the current controller, the application of current signal injection methods has relatively narrow limits [51]. The current main methods include high-frequency rotating voltage signal injection [52], high-frequency pulsating voltage signal injection [53], and pulsating square wave voltage injection [54]. In contrast, the carrier frequency component method makes use of the inverter’s own carrier frequency component signal as a high-frequency excitation signal for acquiring rotor position information [55].

3.1. High-Frequency Rotating Voltage Signal Injection Method

The rotating high-frequency injection method involves injecting a high-frequency signal u h with amplitude V h and angular frequency ω h in the α β coordinate system:
u h = u α h + j u β h = u α h u β h = V h cos ω h t sin ω h t
u α h , u β h are the components of u h in the α β coordinate system.
According to reference [56], in a high-frequency environment, the PMSM’s resistance is far smaller than the reactance, and its impact can be neglected. Because the application of the method is mainly for the zero- or low-speed region, the back electromotive force amplitude and cross-coupling term are too small to be ignored, and the PMSM model can be simplified to a purely inductive model. The voltage equation of the PMSM under high-frequency excitation in the α β coordinate system is:
d d t i α h d d t i β h = L 1 + L 2 cos 2 θ e L 2 sin 2 θ e L 2 sin 2 θ e L 1 L 2 cos 2 θ e 1 u α h u β h = V h L 1 2 L 2 2 L 1 L 2 cos 2 θ e L 2 sin 2 θ e L 2 sin 2 θ e L 1 + L 2 cos 2 θ e cos ω h t sin ω h t
u α h , u β h , i α h , i β h are the components of the high-frequency voltage and high-frequency current in the α β coordinate system, respectively. L 1 , L 2 are denoted as:
L 1 = ( L d + L q ) / 2 L 2 = ( L d L q ) / 2
Calculate the high-frequency corresponding current by deriving from Equation (24):
i a h i β h = V h L 1 2 L 2 2 L 1 L 2 cos 2 θ e L 2 sin 2 θ e L 2 sin 2 θ e L 1 + L 2 cos 2 θ e cos ω h t sin ω h t dt = I c p sin ω h t + I c n sin ( 2 θ e ω h t ) I c p cos ω h t I c n cos ( 2 θ e ω h t ) = I c p e j ( ω h t π 2 ) + I c n e j ( 2 θ e ω h t + π 2 )
I c p , I c n are the positive and negative order components, respectively. The expressions are:
I c p = V h L 1 ω h ( L 1 2 L 2 2 ) I c n = V h L 2 ω h ( L 1 2 L 2 2 )
Utilize Equation (26) to decompose the high-frequency response current into two components: the positive sequence component and the negative sequence component. Notably, only the negative sequence component encompasses the actual rotor position information. Subsequently, after the positive sequence component is removed by a high pass filter, the rotor position information can be extracted.
The high-frequency rotating voltage signal injection method necessitates prominent motor saliency characteristics. As a result, it is not suitable for a SPMSM. Moreover, the implementation of a filter gives rise to a phase delay. Additionally, when the load is overly high, the saturation of the stator magnetic circuit diminishes the motor’s saliency. All these factors contribute to a reduction in the accuracy of the estimated rotor position.
To tackle the aforementioned issues, reference [57] put forward a new hybrid state observer founded on hybrid dynamics theory. This observer mitigates the influence of load perturbation on the estimation accuracy. Additionally, it can recognize the rotor position information under particular load conditions. Reference [58] presented a plan to inject high-frequency current signals into the stationary coordinate system and then extract them in the rotating coordinate system. By leveraging the phase correlation information of the positive and negative sequence high frequency currents, it achieved the automatic calibration of both the control delay and the demodulation delay. This improvement enhanced the position demodulation accuracy of the rotating high-frequency injection method.

3.2. High-Frequency Pulsating Voltage Signal Injection Method

The high-frequency pulsating voltage signal injection method involves injecting a high-frequency sinusoidal signal in the d ^ -axis (estimated d -axis) of the motor, which can be expressed as:
u ^ h = u ^ d h u ^ q h = V h cos ω h t 0
u ^ d h , u ^ q h are the components of X in the d ^ q ^   coordinate system and V h is the magnitude of the signal amplitude, respectively.
According to the theory of coordinate transformation, obtain the voltage equation in the d ^ q ^   coordinate system as:
u ^ d u ^ q = cos Δ θ sin Δ θ sin Δ θ cos Δ θ L d 0 0 L q cos Δ θ sin Δ θ sin Δ θ cos Δ θ d dt i ^ d i ^ q
Δ θ is the rotor position estimation error angle.
Obtain the high-frequency response current from Equation (29):
i ^ d i ^ q = I c p + I c n cos 2 Δ θ I c n sin 2 Δ θ sin ω h t
From Equation (30), there is a direct current (DC) component in the high-frequency response current component of the stator d ^ -axis which cannot be filtered out by the filter and, therefore, the rotor position determined through estimation cannot be extracted. When the estimated position of the rotor converges to the actual position of the rotor, the estimated error angle Δ θ of the rotor is zero, and at this time, the high-frequency current response in the q ^ -axis will become zero. Therefore, the q ^ -axis high-frequency current response can be adjusted so that it converges to zero as the input to the rotor position observer in order to ascertain the estimated position of the rotor and the estimated rotational speed.
Unlike the rotating signals, the method only injects high-frequency signals in the estimated stator straight axis. This injection method can make the SPMSM with a small convex polarity show certain convex polarity characteristics, which can be applied in the SPMSM [59]. Reference [60] injected pulsed voltage instead of pulsed vibration voltage, which effectively attenuates the additional noise generated by high-frequency injection. Reference [61] proposed an adaptive generalized second-order integrator to replace the filters in the traditional method to avoid the signal amplitude attenuation problem.

3.3. High-Frequency Pulsating Square Wave Voltage Injection Method

In both of these methods, a large number of filters are used for signal separation, which not only limits the system bandwidth and reduces the system’s dynamic characteristics but also reduces the convergence speed and observation accuracy of the observer [62]. The square wave signal increases the frequency of the high-frequency signal that is injected while increasing the current loop bandwidth of the system, which in turn improves the dynamic performance. Moreover, it reduces the use of filters and solves the time delay problem.
The expression of the pulsed square wave signal injected into the d ^ -axis is:
u ^ d h u ^ q h = V h ( 1 ) k 0
k denotes the discrete sampling moment.
The PMSM model is discretized and can be represented in the d q coordinate system as:
u d h u q h = L d 0 0 L q 1 Δ t Δ i d h Δ i q h
Obtain the high-frequency response current in the d ^ q ^   coordinate system by coordinate transformation as:
Δ i ^ d Δ i ^ q = = Δ t V h ( 1 ) k cos 2 Δ θ L d + sin 2 Δ θ L q 1 2 ( 1 L q 1 L d ) sin 2 Δ θ
In Equation (33), the high-frequency response current Δ i ^ q contains rotor position information. When Δ θ is very small tends to 0, sin Δ θ Δ θ . Obtain the relationship with the rotor position information by sign processing of Equation (33):
i e r r = s i g n ( ± V h ) Δ i ^ q Δ t V h L 2 L 1 2 L 2 2 ( 2 Δ θ )
Send the symbolized position information to the PI observer to obtain the estimated position and speed.
Regarding the problems of the traditional square wave injection method, such as the long convergence time for identifying the initial position and the inability to accurately identify the magnetic pole polarity position, reference [63] proposed a method for identifying the initial rotor position. This method is based on injecting a high-frequency quadrature square wave voltage along the static coordinate axis to obtain the initial position. Subsequently, by injecting a low-frequency sinusoidal current signal along the direct axis, the magnetic pole polarity can be identified. This method has strong versatility and is easy to implement in engineering projects. Reference [64] proposed a high-frequency pulsating square wave voltage injection method control strategy based on a generalized second-order integrator, which incorporates a higher-order Butterworth filter on the integrator structure to improve the anti-harmonic attenuation capability and improve its dynamic performance.
The amplitude and frequency of the high-frequency voltage signal injected by the above three injection methods determine the performance of the PMSM’s position sensorless control system [65]. Lower injection amplitude diminishes the signal-to-noise ratio of the feedback signal, resulting in lower estimation accuracy. Elevating the injection amplitude improves the observation accuracy but results in increased torque pulsation and poorer control. A lower injection frequency gives rise to difficulties in separating the injected signal from the fundamental frequency. On the other hand, a higher injection frequency is beneficial for enhancing the system bandwidth and improving the dynamic performance. However, it also leads to the addition of extra losses within the motor.

3.4. Carrier Frequency Component Method

Compared with the limitations of the above three injection methods, the carrier frequency component method obtains the rotor position information by employing the carrier frequency component signal that belongs to the inverter itself as the high-frequency excitation signal without an additional high-frequency signal source. It can effectively make up for the shortcomings of the high-frequency signal injection method, which is an effective position sensorless control algorithm for PMSMs [66].
The three-phase-carrier frequency component voltage equation in the α β coordinate system is:
u α h u β h = = 3 U d c π cos ( ω c t ) sin ( ω c t )
u α h , u β h are the carrier frequency component voltages of the α , β -axes. U d c is the inverter input DC voltage and ω c is the carrier angular frequency.
Ignoring the stator resistance voltage drop, the carrier frequency component current can be approximately expressed as:
i α h i β h = 1 L 1 2 L 2 2 L 1 L 2 cos 2 θ r L 2 sin 2 θ r L 2 sin 2 θ r L 1 + L 2 cos 2 θ r u α h d t u β h d t
Substituting Equation (35) into Equation (36) yields the carrier frequency component current expression:
i α h i β h = 3 U d c π w c 1 L 1 2 L 2 2 L 1 sin w c t + L 2 sin ( w c t 2 θ r ) L 1 cos w c t + L 2 cos ( w c t 2 θ r )
Obtain the peak value of the carrier frequency component current is by further derivation of Equation (37):
i α h p e a k = 3 U d c π ω c 1 L 1 2 L 2 2 L 1 2 + L 2 2 + 2 L 1 L 2 cos ( 2 θ r ) i β h p e a k = 3 U d c π ω c 1 L 1 2 L 2 2 L 1 2 + L 2 2 2 L 1 L 2 cos ( 2 θ r )
In order to accurately estimate the position of the rotor, introduce another two-phase stationary reference coordinate system, called the γ δ axis system, into the motor model, as shown in Figure 8. The γ -axis is 45° ahead of the α -axis and the δ -axis is 90° ahead of the γ -axis. Then, obtain the coordinate transformation matrix from α β to γ δ :
C α β γ δ = cos π 4 sin π 4 sin π 4 cos π 4
According to Equation (39), obtain the carrier frequency voltage equation in the γ δ coordinate system as:
u γ h u δ h = 3 U d c π cos ( ω c t π 4 ) sin ( ω c t π 4 )
The derivation method is similar to the method in the α β coordinate system, and the final expression for the peak value of the carrier frequency component current in the γ δ coordinate system is obtained as:
i γ h p e a k = 3 U d c π ω c 1 L 1 2 L 2 2 L 1 2 + L 2 2 + 2 L 1 L 2 sin ( 2 θ r ) i δ h p e a k = 3 U d c π ω c 1 L 1 2 L 2 2 L 1 2 + L 2 2 2 L 1 L 2 sin ( 2 θ r )
Then, the expression for the estimated rotor position is given as:
θ r = 1 2 arctan | i γ h | p e a k 2 | i δ h | p e a k 2 | i α h | p e a k 2 | i β h | p e a k 2
The comparison of the performance and characteristics of the above four position sensorless controls based on the motor saliency pole effect is shown in Table 2. In Table 2, In terms of estimation accuracy, the pulsating square wave injection and the carrier frequency component methods have high estimation accuracy, while the rotating voltage and pulsating voltage injection methods have poor accuracy. In terms of robustness, the rotating voltage injection method is poorly robust when the load changes and the remaining three methods have closer results. In terms of the convexity requirement, the rotating voltage signal injection and the carrier frequency component methods require higher motor convexity and are only applicable to IPMSMs. The pulsating signal injection method requires less motor convexity and can be applied in both types of motors. Therefore, in scenarios that require high estimation accuracy (aerospace, medical robotics), the carrier frequency component method and the pulsating square wave injection method are more effective. In scenarios with high robustness requirements (in the field of new energy generation), the carrier frequency component method and the pulsating signal injection method are more effective.

4. Summary and Outlook

The above-discussed various types of position sensorless control technologies and their realization processes are all based on the ideal scenario where the motor parameters remain constant. However, in practical applications, the impact of parameter variations caused by environmental changes such as temperature and humidity on the control performance should also be taken into account. As an example, when the motor runs continuously, its temperature will keep rising. This phenomenon is particularly obvious when the motor operates under heavy loads. At this time, the resistance of the motor increases as the motor temperature rises, and the heating of the permanent magnets will lead to a decrease in the permanent magnet flux linkage [3,67]. These parameter fluctuations result in a reduction of the accuracy of the rotor position estimation, and this is especially evident in the method relying on the fundamental wave model. Currently, the main approach to addressing this issue is to incorporate parameter identification technology. This technology enables the real-time identification of the electrical parameters during the motor’s operation, thereby counteracting the influence of parameter variations on the system’s control precision. The parameter information obtained by the offline parameter identification method cannot reflect the real-time operating state of the motor, and the accuracy of parameter identification is low. Moreover, the sensor equipment and the injection of excitation signals needed for offline identification will also increase the cost, so this method has significant limitations [68]. The online parameter identification approach keeps a real-time watch on the input and output data of the system. By leveraging these data, it is able to dynamically estimate the parameters within the system. This makes it far more capable of adapting to the changes in system parameters that occur as time passes. Among the frequently employed techniques are the least squares method, observer-based approaches, and artificial intelligence algorithms.
After years of development, position sensorless control technology has made significant breakthroughs in theoretical innovation and engineering applications but still faces many challenges, such as robustness in extreme environments and adaptability to full-speed domain conditions. Future research will probably focus on the following directions.
(1)
For the observer algorithm, focus on the fusion architecture of online parameter identification and digital twin compensation, which reduces the sensitivity of the system to parameters and enhances the robustness under complex working conditions. In particular, explore the composite control of artificial intelligence and traditional methods to utilize its ability to accurately identify the dynamic system to further improve the robust performance of the system.
(2)
For the high-frequency signal injection method, effective signal separation is the core of realizing high-performance control. Therefore, innovative signal separation methods are necessary to expand the response bandwidth of the control system and reduce the effect of phase lag.
(3)
The full-speed domain combined composite control algorithm focuses on the dynamic switching ability between different control strategies. It ensures the smoothness and stability of the transition process, realizes the seamless connection of low-speed control and medium/high-speed control in the full domain, and improves the adaptability of the control system to complex working conditions.

5. Conclusions

In this paper, the current PMSM position sensorless control techniques are classified based on the principle of implementation, and the types of motors and motor speed intervals to which the two types of methods can be applied are pointed out. Second, the basic theories and characteristics of various control strategies are analyzed in detail, and the current development as well as the direction of improvement by combining the shortcomings of various strategies, respectively, are summarized. Then, the various control strategies are compared in terms of robustness and accuracy, and their application areas based on the experimental data results are pointed out. Finally, the effects of environmental changes on control effectiveness and solutions are briefly analyzed, and possible future development trends and research directions are envisioned to provide a reference for research in related fields.

Author Contributions

Conceptualization, Y.R.; methodology, L.S.; software, M.Q.; validation, Y.R., L.S. and Y.X.; formal analysis, Y.R.; investigation, M.Q.; resources, Y.X.; data curation, Y.R.; writing—original draft preparation, Y.R.; writing—review and editing, Y.R.; visualization, Y.X.; supervision, M.Q.; project administration, Y.X.; funding acquisition, L.S. All authors have read and agreed to the published version of the manuscript.

Funding

This research was funded by the National Key Research and Development Program of China (Grant No. 2023YFC3106902).

Data Availability Statement

The data that support the findings of this study are available from the corresponding author upon reasonable request.

Conflicts of Interest

The authors declare no conflicts of interest.

References

  1. Liu, Y.; Gao, X.; Zhan, P.; Wang, S.; Gao, J. Analysis of Stator-Rotor Structure Design of High-Speed Permanent Magnet Motor. Micro Mot. 2021, 54, 28–32+37. [Google Scholar]
  2. Wang, C.; Xia, J.; Sun, Y. Modern Control Technology of Electric Motors; Mechanical Industry Press: Beijing, China, 2009. [Google Scholar]
  3. Wang, T. Research on Position-Sensorless Control and Online Parameter Identification of Permanent Magnet Motor. Ph.D. Thesis, Zhejiang University, Hangzhou, China, 2019. [Google Scholar]
  4. Pacas, M. Sensorless Drives in Industrial Applications. Ind. Electron. Mag. IEEE 2011, 5, 16–23. [Google Scholar]
  5. Briz, F.; Degner, M.W.; Lorenz, R.D. Analysis and Design of Current Regulators Using Complex Vectors. IEEE Trans. Ind. Appl. 2000, 36, 817–825. [Google Scholar]
  6. Zhao, J. Analysis of position-sensorless control technology for permanent magnet synchronous motor. Integr. Circuit Appl. 2024, 41, 204–205. [Google Scholar]
  7. Li, C.; Wang, X. Overview of Position-Sensorless Control Strategies for Permanent Magnet Synchronous Motors. Electr. Drives Autom. 2024, 46, 11–16. [Google Scholar]
  8. Wang, Y. Research on Position-Sensorless Control of High-Power Permanent Magnet Synchronous Motor. Beijing Jiaotong University: Beijing, China, 2020. [Google Scholar]
  9. Morimoto, S.; Kawamoto, K.; Sanada, M.; Takeda, Y. Sensorless Control Strategy for Salient-Pole PMSM Based on Extended EMF in Rotating Reference Frame. IEEE Trans. Ind. Appl. 2002, 2002, 1054–1061. [Google Scholar] [CrossRef]
  10. Moldovan, A.; Agarlita, S.C.; Andreescu, G.D.; Boldea, I. Wide Speed Range V/F with Stabilizing Loops Control of Tooth-Wound IPMSM Drives. In Proceedings of the 13th International Conference on Optimization of Electrical and Electronic Equipment, Brasov, Romania, 24–26 May 2012; pp. 424–431. [Google Scholar]
  11. Zhu, X.; Huang, K.; Huang, S. A Stable V/F Control Method for High-Speed Permanent Magnet Synchronous Motor. Power Electron. Technol. 2018, 52, 28–32. [Google Scholar]
  12. Saleh, S.A. Development and Performance Testing of a V/F Control for Permanent Magnet Synchronous Motor Drives with Wavelet Modulated Power Electronic Converters. IEEE Trans. Ind. Appl. 2024, 60, 5025–5037. [Google Scholar] [CrossRef]
  13. Xiang, C. Research on I/F Control Strategy of Permanent Magnet Synchronous Motor. Huazhong University of Science and Technology: Wuhan, China, 2021. [Google Scholar]
  14. Zhao, Y.; Ning, B.; Lu, S.; Liu, J. Full-Speed Domain Sensorless Control of Permanent Magnet Synchronous Motor Based on I/F Starting and Extended Kalman Filtering. Electr. Mach. Control Appl. 2022, 49, 1–7+19. [Google Scholar]
  15. Feng, C. Research on Full-Speed Domain Control of Permanent Magnet Synchronous Motor without Position Sensor. Hangzhou University of Electronic Science and Technology: Hangzhou, China, 2024. [Google Scholar]
  16. Wang, Y.; Zhang, X.; Gao, L.; Xu, Q.; Luo, L. Position Correction Strategy for Surface-Mounted Permanent Magnet Synchronous Motors Based on The Variable-Gain Maximum Velocity Gradient Descent Method. J. Electrotechnol. 2024, 39, 617–627+671. [Google Scholar]
  17. Li, Y. Position-Sensorless Control of Permanent Magnet Synchronous Motor Based on Improved Sliding Mode Observer and Phase-Locked Loop. Qingdao University: Qingdao, China, 2024. [Google Scholar]
  18. Shi, X.; Liu, J.; Xiao, M.; Li, M.; Guan, R.; Lu, Z.; Yang, Y. Design of Position-Sensorless Control System for PMSM Sliding Mode Observer Based on Variable Boundary Layer. Chin. J. Electr. Eng. 2025; in press. [Google Scholar]
  19. Li, M.; Li, L.; Zhou, J. Position-Sensorless Vector Control of Permanent Magnet Synchronous Motor Based on Improved Sliding Mode Variable Structure. Electr. Mach. Control Appl. 2024, 51, 22–33. [Google Scholar]
  20. Ding, H.; Zou, X.; Li, J. Sensorless Control Strategy of Permanent Magnet Synchronous Motor Based on Fuzzy Sliding Mode Observer. IEEE Access 2024, 10, 36743–36752. [Google Scholar] [CrossRef]
  21. Sun, Q.; Zhu, X.; Niu, F.; Liu, X.; Li, S. Position-Sensorless Control of PMSM Based on Improved Integral Sliding Mode Observer. Chin. J. Electr. Eng. 2024, 44, 3269–3278. [Google Scholar]
  22. Lv, P. Research on Position-Sensorless Control Strategy for Permanent Magnet Synchronous Motor with High Dynamic Performance. Harbin Institute of Technology: Harbin, China, 2023. [Google Scholar]
  23. Xiao, P. Study on Position-Sensorless Control System of Permanent Magnet Synchronous Motor Based on Adaptive Lomborg Observer. South China University of Technology: Guangzhou, China, 2023. [Google Scholar]
  24. Chen, W.; Zong, W.; Zhang, K.; Xu, Z.; Zhong, D.; Li, D.; Liu, J. Positionless Control Algorithm for Embedded Permanent Magnet Synchronous Motor Based on Lomborg Observer. J. Hunan Univ. Technol. 2016, 30, 21–25. [Google Scholar]
  25. Chen, G. Research on Position-Sensorless Control System of Permanent Magnet Synchronous Motor Based on Adaptive Lomborg Observer. Zhejiang University: Hangzhou, China, 2019. [Google Scholar]
  26. Sriprang, S.; Nahid-Mobarakeh, B.; Pierfederici, S.; Takorabet, N.; Bizon, N.; Kumam, P.; Mungporn, P.; Thounthong, P. Robust Flatness Control with Extended Luenberger Observer for PMSM Drive. In Proceedings of the 2018 IEEE Transportation Electrification Conference and Expo, Asia-Pacific, Bangkok, Thailand, 6–9 June 2018; pp. 1–8. [Google Scholar]
  27. Liang, L. Position-Sensorless Control of Permanent Magnet Synchronous Motor Based on Improved Luenberger Observer. Shanghai Jiao Tong University: Shanghai, China, 2020. [Google Scholar]
  28. Jiang, J.; Zhou, X.; Zhao, W.; Li, W. A Model Reference Adaptive Sliding Mode Control for The Position Control of Permanent Magnet Synchronous Motor. Proc. Inst. Mech. Eng. Part I J. Syst. Control Eng. 2021, 235, 389–399. [Google Scholar] [CrossRef]
  29. Zhao, T. Research on Position-Sensorless Control of FTPMV-RDM Based on Improved Model Reference Adaptive. Dalian Maritime University: Dalian, China, 2024. [Google Scholar]
  30. Yang, T. MRAS Position-Sensorless Vector Control System Based on Parameter Identification. Hunan University: Changsha, China, 2017. [Google Scholar]
  31. Sun, X.; Zhang, Y.; Tian, X.; Cao, J.; Zhu, J. Speed Sensorless Control for IPMSMs Using A Modified MRAS with Gray Wolf Optimization Algorithm. IEEE Trans. Transp. Electrif. 2022, 8, 1326–1337. [Google Scholar] [CrossRef]
  32. Xiao, F.; Xie, Y.; Wang, M.; Lin, H. Position-Sensorless Control of PMSM Based on Improved ADRC. J. Electr. Mach. Control 2024, 28, 50–60. [Google Scholar]
  33. Chen, D.; Wang, J.; Zhou, L. Adaptive Second-Order Active-Flux Observer for Sensorless Control of PMSMs with MRAS-Based VSI Nonlinearity Compensation. IEEE J. Emerg. Sel. Top. Power Electron. 2023, 11, 3076–3086. [Google Scholar] [CrossRef]
  34. Liu, Z.H.; Nie, J.; Wei, H.L.; Chen, L.; Li, X.H.; Lv, M.Y. Switched PI Control Based MRAS for Sensorless Control of PMSM Drives Using Fuzzy-Logic-Controller. IEEE Open J. Power Electron. 2022, 3, 368–381. [Google Scholar] [CrossRef]
  35. Ren, J.; Wang, S.; Huang, J.; Zhang, G.; Liu, X. Parameter Identification-Based Position-Sensorless Control of Permanent Magnet Synchronous Motor. Mot. Control Appl. 2022, 49, 8–15. [Google Scholar]
  36. Smidl, V.; Peroutka, Z. Advantages of Square-Root Extended Kalman Filter for Sensorless Control of AC Drives. IEEE Trans. Ind. Electron. 2012, 59, 4189–4196. [Google Scholar] [CrossRef]
  37. Xiao, C. Research on Built-In Permanent Magnet Synchronous Motor without Position Sensor Control Based on Extended Kalman Filter. East China Jiaotong University: Nanchang, China, 2024. [Google Scholar]
  38. Wang, Z.; Zheng, Y.; Zou, Z.; Cheng, M. Position-Sensorless Control of Interleaved CSI Fed PMSM Drive with Extended Kalman Filter. IEEE Trans. Magn. 2012, 48, 3688–3691. [Google Scholar] [CrossRef]
  39. Cao, G.Z.; Zhou, H.H.; Huang, S.D.; Hu, H.J.; He, J.B. Position Estimation Method of a Permanent Magnet Synchronous Motor Based on Moving Horizon Estimation EKF Algorithm. IEEE Trans. Magn. 2025, 61, 1–6. [Google Scholar] [CrossRef]
  40. Zhou, G.; Sun, L.; Qian, L.; Zou, Q. Sensorless Predictive Control with Fusion Position Estimation Technology for PMSM Drives. IEEE Trans. Transp. Electrif. 2024, 10, 5026–5036. [Google Scholar] [CrossRef]
  41. Xu, R.; Shen, X.; Lin, X.; Liu, Z.; Xu, D.; Liu, J. Robust Model Predictive Control of Position-Sensorless Driven IPMSM Based on Cascaded EKF-LESO. IEEE Trans. Transp. Electrif. 2025; in press. [Google Scholar] [CrossRef]
  42. Zhu, J.; Han, L.; Wang, X. Current Status and Development Trend of Position-Sensorless Control of Permanent Magnet Synchronous Motor. Micro Mot. 2013, 46, 11–16. [Google Scholar]
  43. Li, R. Research on Position-Sensorless Operation Control Technology of Permanent Magnet Synchronous Motor. Zhejiang University: Hangzhou, China, 2012. [Google Scholar]
  44. Liu, X. Research on Sensorless Vector Control System for Permanent Magnet Synchronous Motor Based on Cerebellar Model Controller. Shanghai University Of Applied Sciences: Shanghai, China, 2018. [Google Scholar]
  45. Zhuo, D.; Wang, Y.; Zhou, Z. Fuzzy Sliding Mode Algorithm-Based Position-Sensorless Vector Control of Permanent Magnet Synchronous Motor. Electr. Mach. Control Appl. 2020, 47, 29–35. [Google Scholar]
  46. Feng, Z.; Shang, Y. IPMSM Full-Speed Domain Position-Sensorless Control Strategy Based on Fuzzy Switching Control Algorithm. J. Jilin Univ. (Eng. Ed.) 2025, 1–11. [Google Scholar]
  47. Zheng, R.; Zhang, J.; Dong, X.; Liu, Y.; Shen, H. BP Neural Network-Intelligent PID Sliding Mode Observation Vector Control Algorithm for Permanent Magnet Synchronous Motor. J. Detect. Control 2024, 46, 124–131. [Google Scholar]
  48. Wang, H.; Pan, J.; Xu, X.; Zhang, K. Optimization of Position-Sensorless Control Parameters for Permanent Magnet Synchronous Motor. Manuf. Technol. Mach. Tools 2020, 11, 95–99. [Google Scholar]
  49. Li, H.; Zhou, Y.; Cao, Q.; Zhou, S. Mathematical Derivation and Analysis of Stability of Open-Loop Control System for Permanent Magnet Synchronous Motor. J. Electrotechnol. 2014, 29, 36–43. [Google Scholar]
  50. Zhai, J. Research on Position-Sensorless Control of Permanent Magnet Synchronous Motor Based on High Frequency Signal Injection. Lanzhou Jiaotong University: Lanzhou, China, 2023. [Google Scholar]
  51. Li, W. Research on Position-Sensorless Control Technology of Permanent Magnet Synchronous Motor Based on High Frequency Square Wave Injection. China University of Mining and Technology: Xuzhou, China, 2020. [Google Scholar]
  52. Zhang, B.; Ruan, Y. Position-Sensorless Vector Control of Permanent Magnet Synchronous Motor Based on High Frequency Rotating Voltage Injection. Electr. Mach. Control Appl. 2016, 43, 12–15+20. [Google Scholar]
  53. Liu, B. Research on Rotor Position Detection Technology of Permanent Magnet Synchronous Motor Based on Pulse Vibration High Frequency Signal Injection. Nanjing University of Aeronautics and Astronautics: Nanjing, China, 2018. [Google Scholar]
  54. Hu, Z.; Zhu, J.; Wang, G.; Yang, X. Research on Initial Position Detection Method of Permanent Magnet Synchronous Motor Based on High Frequency Square Wave Signal Injection. J. Electr. Eng. 2021, 16, 78–84. [Google Scholar]
  55. Zhu, J.; Tian, M.; Fu, R.; Liu, H. Study on Rotor Positioning of Permanent Magnet Synchronous Motor Based on Carrier Frequency Components. Power Syst. Prot. Control 2015, 43, 48–54. [Google Scholar]
  56. Bo, S. Research on Position-Sensorless Drive Control System Based on Improved Rotary High-Frequency Voltage Injection. Jiangsu University: Zhenjiang, China, 2023. [Google Scholar]
  57. Li, Y.; Huang, Y.; Xu, X. A Novel Hybrid Control Approach for Modular Automation System: A Case Study of Sensorless Interior Permanent Magnet In-Wheel Motor. Assem. Autom. 2019, 39, 840–853. [Google Scholar] [CrossRef]
  58. Liu, S.; Yang, S.; Li, H.; Liu, S.; Zhang, X. Position observation of Built-In Permanent Magnet Synchronous Motor Rotating High-Frequency Injection Method Based on Rotating Coordinate System Demodulation. J. Electrotechnol. 2020, 35, 708–716. [Google Scholar]
  59. Xia, Y. Design of position sensor-less control system for permanent magnet synchronous motor based on high frequency signal injection. Huazhong University of Science and Technology: Wuhan, China, 2020. [Google Scholar]
  60. Zhang, G.; Xiang, R.; Wang, G.; Zhang, H.; Xu, D. Sensorless Control Strategy of Permanent Magnet Synchronous Motor Based on Impulse Signal Injection in Stationary Shaft System. Chin. J. Electr. Eng. 2021, 41, 4297–4306. [Google Scholar]
  61. Chen, J.; Wang, P.; Li, Y. PMSM Speed Detection Method Based on Improved High Frequency Injection Method. J. Shaanxi Univ. Sci. Technol. 2021, 39, 154–160. [Google Scholar]
  62. Zhang, G.; Wang, G.; Xu, D. Initial Position Detection Method of Permanent Magnet Synchronous Motor Based on Filterless Square Wave Signal Injection. J. Electrotechnol. 2017, 32, 162–168. [Google Scholar]
  63. Jiang, Y.; Li, S.; Luo, D.; Huang, S.; Wu, X. Initial Position Identification of Permanent Magnet Synchronous Motor Based on High-Frequency Quadrature Square Wave Voltage Injection. J. Electrotechnol. 2019, 34, 4006–4016. [Google Scholar]
  64. Li, L.; Lu, J.; Liao, Z. Improved Generalised Second-Order Integrator for Sensorless Control of High-Frequency Pulsed Square-Wave Voltage Injection PMSM. Mod. Electron. Technol. 2024, 47, 8–12. [Google Scholar]
  65. Wang, G.; Kuang, J.; Zhao, N.; Zhang, G.; Xu, D. Rotor Position Estimation of PMSM in Low-Speed Region and Standstill Using Zero-Voltage Vector Injection. IEEE Trans. Power Electron. 2018, 33, 7948–7958. [Google Scholar] [CrossRef]
  66. Miao, W. Research on Position-Sensorless Control System of Permanent Magnet Synchronous Motor. China University of Mining and Technology: Xuzhou, China, 2015. [Google Scholar]
  67. Wang, T. Research on Position-Sensorless Control of Permanent Magnet Synchronous Motor Based on Online Parameter Identification. Hefei University of Technology: Hefei, China, 2023. [Google Scholar]
  68. Zhu, G. Research on Robust Control Strategy of PMSM Without Position Sensor Based on Parameter Identification. Jiangsu University: Zhenjiang, China, 2024. [Google Scholar]
Figure 1. Position sensorless control block diagram of direct calculation method based on voltage equation.
Figure 1. Position sensorless control block diagram of direct calculation method based on voltage equation.
Energies 18 02302 g001
Figure 2. V/F control curve of PMSM (The orange line is the stator terminal voltage variation curve and the blue line is the magnetic flux variation curve).
Figure 2. V/F control curve of PMSM (The orange line is the stator terminal voltage variation curve and the blue line is the magnetic flux variation curve).
Energies 18 02302 g002
Figure 3. V/F control block diagram of PMSM.
Figure 3. V/F control block diagram of PMSM.
Energies 18 02302 g003
Figure 4. I/F control process of PMSM.
Figure 4. I/F control process of PMSM.
Energies 18 02302 g004
Figure 5. Block diagram of position sensorless control structure based on SMO.
Figure 5. Block diagram of position sensorless control structure based on SMO.
Energies 18 02302 g005
Figure 6. Block diagram of position sensorless control structure based on the Luenberger observer.
Figure 6. Block diagram of position sensorless control structure based on the Luenberger observer.
Energies 18 02302 g006
Figure 7. Block diagram of position sensorless control structure based on MRAS.
Figure 7. Block diagram of position sensorless control structure based on MRAS.
Energies 18 02302 g007
Figure 8. Vector diagram of γ δ coordinate system.
Figure 8. Vector diagram of γ δ coordinate system.
Energies 18 02302 g008
Table 1. Performance comparison of closed loop control.
Table 1. Performance comparison of closed loop control.
Control MethodsReferenceExperimental Data (in Terms of Estimated Rotational Speed)Estimation AccuracyRobustness
SMO[17]stable operation: fluctuation range 2.5%
load change: response time 0.46 s, overshoot 5.5%
lowhigh
Luenberger Observer[22]stable operation: fluctuation range 1.7%
load change: response time 1.41 s, overshoot 17.1%
highlow
MRAS[29]stable operation: fluctuation range 1.8%
load change: response time 0.67 s, overshoot 13.3%
lowmiddle
EKF[37]stable operation: fluctuation range 1.6%
load change: response time 0.50 s, overshoot 6.5%
highhigh
Table 2. Performance comparison of methods based on motor saliency pole effect.
Table 2. Performance comparison of methods based on motor saliency pole effect.
Control MethodsReferenceExperimental Data (in Terms of Estimated Rotational Speed)Estimation AccuracyRobustnessConvexity Requirement
Rotating voltage signal injection[56]stable operation: fluctuation range 7.8%
load change: response time 0.7 s, overshoot 54.3%
lowhighhigh
Pulsating voltage signal injection[59]stable operation: fluctuation range 8.0%
load change: response time 0.4 s, overshoot 39.2%
lowlowlow
Pulsating square wave voltage injection[59]stable operation: fluctuation range 4.0%
load change: response time 0.5 s, overshoot 41.1%
highlowlow
Carrier frequency component[66]stable operation: fluctuation range 5.0%
load change: response time 0.4 s, overshoot 38.5%
highhighhigh
Disclaimer/Publisher’s Note: The statements, opinions and data contained in all publications are solely those of the individual author(s) and contributor(s) and not of MDPI and/or the editor(s). MDPI and/or the editor(s) disclaim responsibility for any injury to people or property resulting from any ideas, methods, instructions or products referred to in the content.

Share and Cite

MDPI and ACS Style

Ran, Y.; Qiao, M.; Sun, L.; Xia, Y. Review of Position Sensorless Control Technology for Permanent Magnet Synchronous Motors. Energies 2025, 18, 2302. https://doi.org/10.3390/en18092302

AMA Style

Ran Y, Qiao M, Sun L, Xia Y. Review of Position Sensorless Control Technology for Permanent Magnet Synchronous Motors. Energies. 2025; 18(9):2302. https://doi.org/10.3390/en18092302

Chicago/Turabian Style

Ran, Yukuan, Mingzhong Qiao, Lucheng Sun, and Yihui Xia. 2025. "Review of Position Sensorless Control Technology for Permanent Magnet Synchronous Motors" Energies 18, no. 9: 2302. https://doi.org/10.3390/en18092302

APA Style

Ran, Y., Qiao, M., Sun, L., & Xia, Y. (2025). Review of Position Sensorless Control Technology for Permanent Magnet Synchronous Motors. Energies, 18(9), 2302. https://doi.org/10.3390/en18092302

Note that from the first issue of 2016, this journal uses article numbers instead of page numbers. See further details here.

Article Metrics

Back to TopTop