Effects of Defrost-Initiation Criteria and Orientations of an Outdoor Heat Exchanger on the Performance of an Automotive Reversible CO2 Heat Pump †
Abstract
1. Introduction
2. Experimental Approach
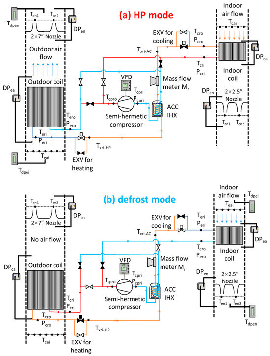
2.1. Facility and Instrumentation
2.2. Experimental Procedure and Data Reduction
3. Results and Discussion
3.1. Effects of Different Defrost-Initiation Criteria
3.1.1. Effects of Defrost-Initiation Criterion on CO2 HP System Performance
- (1)
- In the first frosting period
- (2)
- In the re-frosting periods
3.1.2. Effects of Defrost-Initiation Criterion on the Frosting and Defrosting Behaviors
- (1)
- In the first frosting period
- (2)
- In the re-frosting periods
3.2. Effects of Outdoor Heat Exchanger Orientation
3.2.1. Effects of the Outdoor Heat Exchanger Orientation on CO2 HP System Performance
3.2.2. Effects of Outdoor Heat Exchanger Orientation on Frosting and Defrosting Behavior
4. Summary and Conclusions
- The heating capacity drops by less than 10% during the frosting periods with 5 × DPea,ini as the defrost-initiation criterion and degrades about 30% with 10 × DPea,ini criterion (Figure 3, Figure 4 and Figure 5). The mild heating capacity degradations indicate the HP system has the potential to operate in HP mode for a longer period.
- The heating capacity drops faster in the later phase of frosting than in the early phase, since the accumulator has been flooded and the refrigerant mass flow rate starts to drop (Figure 6).
- Frost grows on the evaporator surface in both planar and thickness directions in the early phase of frosting, accumulating at its maximum speed. In the later phase, the frost mainly accumulates in the thickness direction (Figure 8)
- The horizontally oriented evaporator improves the refrigerant distribution, but has an approximately 0.16 bar (11.9%)-higher pressure drop, which lowers the evaporating temperature by about 0.4 K. Consequently, frost accumulates faster and the working time in HP mode is shortened by 12 min (18.2%) (Figure 10, Figure 11 and Figure 12).
- The vertical outdoor heat exchanger drains much more water during the defrosting than the horizontal one. As a result, the defrosting time for the vertical outdoor heat exchanger is reduced by 20% (Figure 10).
- Surface treatments or fin structure modifications to delay frost formation, improve meltwater drainage, and reduce meltwater retention.
- Investigation under a wider range of operating conditions, including different air flow rates and refrigerants (R290).
- Actual field measurements in moving vehicles under real environments.
- More intelligent defrosting initiation and termination strategies that compromise between efficiency and complexity.
Author Contributions
Funding
Data Availability Statement
Conflicts of Interest
References
- Mei, V.C.; Chen, F.C.; Domitrovic, R.E.; Kilpatrick, J.K. A Frost-Less Heat Pump. ASHRAE Trans. 2001, 108, 452. [Google Scholar]
- Cernicin, V.; Zhang, W.; Hrnjak, P. The Role of Internal Heat Exchanger in an R744 Vapor Compression System in the Heat Pump Mode Under Various Conditions. In Proceedings of the International Refrigeration and Air Conditioning Conference, West Lafayette, IN, USA, 10–14 July 2022; p. 2305. [Google Scholar]
- Xu, B.; Han, Q.; Chen, J.; Li, F.; Wang, N.; Li, D.; Pan, X. Experimental investigation of frost and defrost performance of microchannel heat exchangers for heat pump systems. Appl. Energy 2013, 103, 180–188. [Google Scholar] [CrossRef]
- Park, J.S.; Kim, D.R.; Lee, K.S. Frosting behaviors and thermal performance of louvered fins with unequal louver pitch. Int. J. Heat Mass Transf. 2016, 95, 499–505. [Google Scholar] [CrossRef]
- Mahvi, A.J.; Boyina, K.; Musser, A.; Elbel, S.; Miljkovic, N. Superhydrophobic heat exchangers delay frost formation and enhance efficency of electric vehicle heat pumps. Int. J. Heat Mass Transf. 2021, 172, 121162. [Google Scholar] [CrossRef]
- Westhaeuser, J.; Brauchle, L.; Albrecht, J.C.; Tegethoff, W.; Lemke, N.; Koehler, J. Flat tube heat exchangers: Experimental analysis of frosting and water retention. Appl. Energy 2023, 218, 119319. [Google Scholar] [CrossRef]
- Klingebiel, J.; Hassan, M.; Venzik, V.; Vering, C.; Müller, D. Efficiency comparison between defrosting methods: A laboratory study on reverse-cycle defrosting, electric heating defrosting, and warm brine defrosting. Appl. Energy 2023, 233, 121072. [Google Scholar] [CrossRef]
- Tassou, S.A.; Datta, D.; Marriott, D. Frost formation and defrost control parameters for open multideck refrigerated food display cabinets. Proc. Inst. Mech. Eng. Part A J. Power Energy 2001, 215, 213–222. [Google Scholar] [CrossRef]
- Buick, T.R.; McMullan, J.T.; Morgan, R.; Murray, R.B. Ice detection in heat pumps and coolers. Int. J. Energy Res. 1978, 2, 85–98. [Google Scholar] [CrossRef]
- Steiner, A.; Rieberer, R. Simulation based identification of the ideal defrost start time for a heat pump system for electric vehicles. Int. J. Refrig. 2015, 57, 87–93. [Google Scholar] [CrossRef]
- Hrnjak, P.; Zhang, P.; Rennels, C. Effect of louver angle on performance of heat exchanger with serpentine fins and flat tubes in frosting: Importance of experiments in periodic frosting. Int. J. Refrig. 2017, 84, 321–335. [Google Scholar] [CrossRef]
- Chung, Y.; Na, S.I.; Choi, J.; Kim, M.S. Feasibility and optimization of defrosting control method with differential pressure sensor for air source heat pump systems. Appl. Therm. Eng. 2019, 155, 461–469. [Google Scholar] [CrossRef]
- Lawrence, J.M.W.; Evans, J.A. Refrigerant flow instability as a means to predict the need for defrosting the evaporator in a retail display freezer cabinet. Int. J. Refrig. 2008, 3, 107–112. [Google Scholar] [CrossRef]
- Jiang, Y.; Dong, J.; Qu, M.; Deng, S.; Yao, Y. A novel defrosting control method based on the degree of refrigerant superheat for air source heat pumps. Int. J. Refrig. 2013, 36, 2278–2288. [Google Scholar] [CrossRef]
- Kim, M.H.; Lee, K.S. Determination method of defrosting start-time based on temperature measurements. Appl. Energy 2015, 146, 263–269. [Google Scholar] [CrossRef]
- Li, K.; Xia, D.; Bao, J.; Luo, S.; Zhang, H.; Liu, N.; Su, L.; Sheng, L. Investigation on reverse cycle defrosting strategy of an outdoor heat exchanger in air conditioning heat pump system for electric vehicles. Case Stud. Therm. Eng. 2021, 27, 101281. [Google Scholar] [CrossRef]
- Song, M.; Dong, J.; Wu, C.; Jiang, Y. Improving the frosting and defrosting performance for air source heat pump units: Review and outlook. HKIE Trans. 2017, 24, 88–98. [Google Scholar] [CrossRef]
- Xiao, J.; Wang, W.; Zhao, Y.H.; Zhang, F.R. An analysis of the feasibility and characteristics of photoelectric technique applied in defrost-control. Int. J. Refrig. 2009, 32, 1350–1357. [Google Scholar] [CrossRef]
- Wang, W.; Xiao, J.; Feng, Y.; Guo, Q.; Wang, L. Characteristics of an air source heat pump with novel photoelectric sensors during periodic frost-defrost cycles. Appl. Therm. Eng. 2013, 50, 177–186. [Google Scholar] [CrossRef]
- Shen, Y.; Wang, S. Condensation frosting detection and characterization using a capacitance sensing approach. Int. J. Heat Mass Transf. 2020, 147, 118968. [Google Scholar] [CrossRef]
- Yoo, J.W.; Chung, Y.; Kim, G.T.; Song, C.W.; Yoon, P.H.; Sa, Y.C.; Kim, M.S. Determination of defrosting start time in an air-to-air heat pump system by frost volume calculation method. Int. J. Refrig. 2018, 96, 169–178. [Google Scholar] [CrossRef]
- Wang, W.; Zhang, S.; Li, Z.; Sun, Y.; Deng, S.; Wu, X. Determination of the optimal defrosting initiating time point for an ASHP unit based on the minimum loss coefficient in the nominal output heating energy. Energy 2020, 191, 116505. [Google Scholar] [CrossRef]
- Wang, W.; Zhou, Q.; Tian, G.; Wang, Y.; Zhao, Z.; Cao, F. A novel defrosting initiation strategy based on convolutional neural network for air-source heat pump. Int. J. Refrig. 2021, 128, 95–103. [Google Scholar] [CrossRef]
- Wang, A.; Cao, F.; Jia, F.; Liu, Y.; Yin, X.; Song, Y.; Wang, X. Development of the effective defrosting criterion for electric vehicles transcritical CO2 heat pumps under constant heating capacity operation. Int. J. Refrig. 2023, 145, 388–396. [Google Scholar] [CrossRef]
- Zhang, W.; Hrnjak, P. The effects of the orientation of outdoor microchannel heat exchanger on the performance of a transcritical R744 heat pump during frosting and defrosting. In Proceedings of the International Refrigeration and Air Conditioning Conference, West Lafayette, IN, USA, 10–14 July 2022; Available online: https://docs.lib.purdue.edu/iracc/2301 (accessed on 1 January 2025).
- Zhang, W.; Li, W.; Hrnjak, P. Performance of an automotive reversible CO2 heat pump system during periodic frosting-defrosting cycles. Appl. Therm. Eng. 2024, 236, 121892. [Google Scholar] [CrossRef]
- Moffat, R.J. Describing the uncertainties in experimental results. Exp. Therm. Fluid Sci. 1988, 1, 3–17. [Google Scholar] [CrossRef]













| Measurement | Instrument | Range | Uncertainty |
|---|---|---|---|
| Refrigerant temperature [°C] | T-type thermocouple | −50 to 150 | ±0.2 |
| Refrigerant pressure (low side) [MPa] | Strain gage | 0 to 6.89 | ±0.003 |
| Refrigerant pressure (high side) [MPa] | Strain gage | 0 to 20.68 | ±0.007 |
| Refrigerant mass flow rate [kg·h−1] | Coriolis-type | 0 to 2180/ 0 to 6800 | ±0.10% of reading |
| Compressor power consumption [kW] | 3-phase wattmeter | 0 to 6 | ±0.20% of reading |
| Air temperature [°C] | T-type welded thermocouple | −50 to 150 | ±0.2 |
| Dew point [°C] | Chilled mirror dew point sensor | −80 to 85 | ±0.2 |
| Pressure drop of air-side [Pa] | Differential pressure transducer | 0 to 600 | ±0.25% of the full scale |
| Microchannel Tube Orientation | Teai [°C] | RHei [%] | Veai,ini [m/s] | Tcai [°C] | Ucai [kg/min] | # of Frosting Cycle | Defrost Initiation Criteria | Defrost Termination Criterion |
|---|---|---|---|---|---|---|---|---|
| Vertical | 0/−5/−10 | 90% | 3.1 | 20 | 7.0 | 1/2/3 | 5/10 × DPea,ini | Tcro = 45 °C |
| Horizontal | 0 | 1/2 | 10 × DPea,ini |
| Parameter | 0 °C and 90% RH | −5 °C and 90% RH | −10 °C and 90% RH | |||||||||
|---|---|---|---|---|---|---|---|---|---|---|---|---|
| 5 × DPea,ini | 10 × DPea,ini | 5 × DPea,ini | 10 × DPea,ini | 5 × DPea,ini | 10 × DPea,ini | |||||||
| 1st Cycle | 2nd Cycle | 3rd Cycle | 1st Cycle | 2nd Cycle | 1st Cycle | 2nd Cycle | 3rd Cycle | 1st Cycle | 2nd Cycle | 1st Cycle | 1st Cycle | |
| Mfrost [kg] | 0.426 | 0.523 | 0.509 | 0.520 | 0.591 | 0.334 | 0.331 | 0.420 | 0.500 | 0.556 | 0.507 | 0.688 |
| Mdrained [kg] | 0.043 | 0.111 | 0.155 | 0.084 | 0.278 | 0.008 | 0.016 | 0.108 | 0.164 | 0.296 | 0.113 | 0.333 |
| Mretained [kg] | 0.219 | 0.293 | 0.327 | 0.305 | 0.298 | 0.138 | 0.245 | 0.249 | 0.245 | 0.239 | 0.159 | 0.212 |
| Mvaporized [kg] | 0.164 | 0.119 | 0.028 | 0.131 | 0.016 | 0.189 | 0.069 | 0.062 | 0.092 | 0.022 | 0.236 | 0.142 |
Disclaimer/Publisher’s Note: The statements, opinions and data contained in all publications are solely those of the individual author(s) and contributor(s) and not of MDPI and/or the editor(s). MDPI and/or the editor(s) disclaim responsibility for any injury to people or property resulting from any ideas, methods, instructions or products referred to in the content. |
© 2025 by the authors. Licensee MDPI, Basel, Switzerland. This article is an open access article distributed under the terms and conditions of the Creative Commons Attribution (CC BY) license (https://creativecommons.org/licenses/by/4.0/).
Share and Cite
Zhang, W.; Li, W.; Hrnjak, P. Effects of Defrost-Initiation Criteria and Orientations of an Outdoor Heat Exchanger on the Performance of an Automotive Reversible CO2 Heat Pump. Energies 2025, 18, 2244. https://doi.org/10.3390/en18092244
Zhang W, Li W, Hrnjak P. Effects of Defrost-Initiation Criteria and Orientations of an Outdoor Heat Exchanger on the Performance of an Automotive Reversible CO2 Heat Pump. Energies. 2025; 18(9):2244. https://doi.org/10.3390/en18092244
Chicago/Turabian StyleZhang, Wenying, Wenzhe Li, and Pega Hrnjak. 2025. "Effects of Defrost-Initiation Criteria and Orientations of an Outdoor Heat Exchanger on the Performance of an Automotive Reversible CO2 Heat Pump" Energies 18, no. 9: 2244. https://doi.org/10.3390/en18092244
APA StyleZhang, W., Li, W., & Hrnjak, P. (2025). Effects of Defrost-Initiation Criteria and Orientations of an Outdoor Heat Exchanger on the Performance of an Automotive Reversible CO2 Heat Pump. Energies, 18(9), 2244. https://doi.org/10.3390/en18092244
