Exergy Analysis of an On-Vehicle Floating Piston Hydrogen Compression System for Direct-Injection Engines
Abstract
1. Introduction
2. Materials and Methods
2.1. Hydraulic-Driven Free-Floating Piston Gas Booster
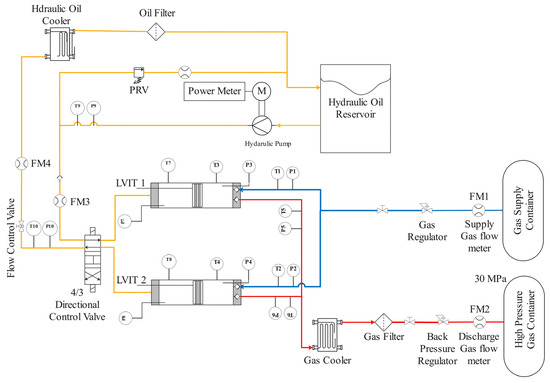
2.2. Experimental Setup
2.3. Hydrogen Compression System Modeling
2.3.1. Piston Motion
2.3.2. Heat Transfer
2.3.3. Fluid Properties
2.3.4. Exergy Analysis
3. Results
3.1. Model Validation
3.2. Hydrogen Model Operating Conditions
3.3. Compression Cylinder Performance Analysis
3.4. Compression Cylinder Exergy Analysis
3.5. Hydraulic Driving System Exergy Analysis
3.6. Full System Exergy Analysis
4. Discussion
5. Conclusions
- This one-dimensional dynamic thermo-fluid model developed in GT-SUITETM, v2024, has been validated to accurately predict key performance parameters of both gaseous fuel compression and hydraulic driving systems across various operating points. This can be used as a foundation for the exergy analysis of the full system for on-vehicle hydrogen compression or in other stationary applications such as hydrogen refueling stations.
- The exergy analysis over the full range of expected operating conditions revealed that the primary work input losses occur in the hydraulic drive system rather than in the hydrogen compression cylinder.
- The maximum overall exergy efficiency of this system, about 45%, happens at the highest cycle frequency, e.g., 44 CPMs, and at moderate gas pressure ratios. Lower cycle frequencies result in longer times for the hydraulic system in idle mode, while high gas pressure ratios lead to higher heat transfer and pressure losses.
- At a lower pressure ratio of 1.5:1 and a maximum cycle frequency of 44 CPMs, the energy required for hydrogen compression is less than 3 MJ/kg of H2. However, this requirement increases to over 25 MJ/kg of H2 at a higher pressure ratio of 10:1 and a lower cycle frequency of 6 CPMs.
- Major losses in the system are caused by the draining of high-pressure hydraulic fluid from both the gas compression cylinder and hydraulic pump to the reservoir in the return line during the retracting and idle modes. This destructs up to 50% of the total work input in low cycle frequencies and pressure ratios. This exergy destruction decreases to only 12% at a maximum pressure ratio of 10:1 and cycle frequency of 44 CPMs.
- Heat transfer and piston friction are the primary sources of irreversibility in the hydrogen compression cylinder, and they increase as the gas pressure ratio rises. The exergy destruction rate due to gas throttling remains minimal, owing to the effective selection of inlet and discharge check valves with low pressure drops.
Author Contributions
Funding
Data Availability Statement
Acknowledgments
Conflicts of Interest
Abbreviations
| H2 ICE | Hydrogen Internal Combustion Engines |
| GHG | Greenhouse Gases |
| HPDI | High-Pressure Direct Injection |
| DCV | Directional Control Valve |
| CPM | Cycle per Minute |
Appendix A

References
- US EPA. Inventory of U.S. Greenhouse Gas Emissions and Sinks: 1990–2022. Available online: https://www.epa.gov/ghgemissions/inventory-us-greenhouse-gas-emissions-and-sinks-1990-2022 (accessed on 30 March 2025).
- Ragon, P.-L.; Buysse, C.; Sen, A.; Meyer, M.; Benoit, J.; Miller, J.; Rodríguez, F. Potential benefits of the U.S. Phase 3 Greenhouse Gas Emissions Regulation for Heavy-Duty Vehicles, International Council on Clean Transportation, White Paper, 14 April 2023. Available online: https://theicct.org/publication/hdv-phase3-ghg-standards-benefits-apr23/ (accessed on 30 March 2025).
- US EPA. Proposed Rule: Greenhouse Gas Emissions Standards for Heavy-Duty Vehicles—Phase 3. Available online: https://www.epa.gov/regulations-emissions-vehicles-and-engines/proposed-rule-greenhouse-gas-emissions-standards-heavy (accessed on 30 March 2025).
- Churchman, P.; Longhurst, N. Where is our delivery? The political and socio-technical roadblocks to decarbonising United Kingdom road freight. Energy Res. Soc. Sci. 2022, 83, 102330. [Google Scholar] [CrossRef]
- NACFE: Hydrogen Trucks: Long-Haul’s Future? Available online: http://nacfe.org/research/emerging-technologies/electric-trucks/hydrogen/ (accessed on 30 March 2025).
- Balazadeh Meresht, N.; Moghadasi, S.; Munshi, S.; Shahbakhti, M.; McTaggart-Cowan, G. Advances in Vehicle and Powertrain Efficiency of Long-Haul Commercial Vehicles: A Review. Energies 2023, 16, 6809. [Google Scholar] [CrossRef]
- Treacy, M.; Hadadpour, A.; Bai, X.-S.; Fatehi, H. Performance and emissions of a novel high-pressure direct injection hydrogen dual-fuel engine. Fuel 2024, 376, 132639. [Google Scholar] [CrossRef]
- Mumford, D.K.; Williams, G.; Leclercq, N. Assessing Heavy Duty Vehicle CO2 Emissions for Qualification as a Zero Emissions Vehicle; SAE Technical Paper 2024-37–0007; SAE International: Warrendale, PA, USA, 2024. [Google Scholar] [CrossRef]
- McTaggart-Cowan, G.; Mann, K.; Wu, N.; Munshi, S. An Efficient Direct-Injection of Natural Gas Engine for Heavy Duty Vehicles. In Proceedings of the SAE 2014 World Congress & Exhibition, Detroit, MI, USA, 8–10 April 2014. SAE Technical Paper 2014-01-1332. [Google Scholar] [CrossRef]
- Willems, R.; Seykens, X.; Bekdemir, C.; Doosje, E.; Van Gompel, P. The Potential of Hydrogen High Pressure Direct Injection toward Future Emissions Compliance: Optimizing Engine-Out NOx and Thermal Efficiency. In Proceedings of the CO2 Reduction for Transportation Systems Conference, Turin, Italy, 12–13 June 2024. SAE Technical Paper 2024-37-0005. [Google Scholar] [CrossRef]
- McTaggart-Cowan, G.; Mann, K.; Huang, J.; Singh, A.; Patychuk, B.; Zheng, Z.X.; Munshi, S. Direct Injection of Natural Gas at up to 600 Bar in a Pilot-Ignited Heavy-Duty Engine. SAE Int. J. Engines 2015, 8, 981–996. [Google Scholar] [CrossRef]
- Rochussen, J.; McTaggart-Cowan, G.; Kirchen, P. Parametric study of pilot-ignited direct-injection natural gas combustion in an optically accessible heavy-duty engine. Int. J. Engine Res. 2020, 21, 497–513. [Google Scholar] [CrossRef]
- Yang, X.; Wang, X.; Dong, Q.; Ni, Z.; Song, J.; Zhou, T. Experimental study on the two-phase fuel transient injection characteristics of the high-pressure natural gas and diesel co-direct injection engine. Energy 2022, 243, 123114. [Google Scholar] [CrossRef]
- Alternative Fuels Data Center: Alternative Fueling Station Locator. Available online: https://afdc.energy.gov/stations (accessed on 30 March 2025).
- Milojević, S. Reconstruction of Existing City Buses on Diesel Fuel for Drive on Hydrogen. Appl. Eng. Lett. 2016, 1, 16–23. [Google Scholar]
- Babayev, R.; Morén, M.; Johansson, B. Comparative computational study of hydrogen and natural gas in high-pressure direct-injection (HPDI) compression-ignition engines: Combustion characteristics, thermal efficiency, and local pollutant and greenhouse gas emissions. Fuel 2025, 395, 135126. [Google Scholar] [CrossRef]
- Delbari, H.; Munshi, S.; McTaggart-Cowan, G. Characterizing injection and ignition of hydrogen and hydrogen-methane blend fuels in a static combustion chamber. Fuel 2025, 381, 133562. [Google Scholar] [CrossRef]
- Sdanghi, G.; Maranzana, G.; Celzard, A.; Fierro, V. Review of the current technologies and performances of hydrogen compression for stationary and automotive applications. Renew. Sustain. Energy Rev. 2019, 102, 150–170. [Google Scholar] [CrossRef]
- Zhou, H.; Dong, P.; Zhu, S.; Li, S.; Zhao, S.; Wang, Y. Design and theoretical analysis of a liquid piston hydrogen compressor. J. Energy Storage 2021, 41, 102861. [Google Scholar] [CrossRef]
- Ren, S.; Jia, X.; Shi, L.; Li, K.; Peng, X. Theoretical and experimental study on improving diaphragm compressor design for hydrogen refueling stations through use of a free moving oil piston concept. J. Energy Storage 2023, 74, 109397. [Google Scholar] [CrossRef]
- Sdanghi, G.; Maranzana, G.; Celzard, A.; Fierro, V. Towards Non-Mechanical Hybrid Hydrogen Compression for Decentralized Hydrogen Facilities. Energies 2020, 13, 3145. [Google Scholar] [CrossRef]
- Zou, J.; Han, N.; Yan, J.; Feng, Q.; Wang, Y.; Zhao, Z.; Fan, J.; Zeng, L.; Li, H.; Wang, H. Electrochemical Compression Technologies for High-Pressure Hydrogen: Current Status, Challenges and Perspective. Electrochem. Energ. Rev. 2020, 3, 690–729. [Google Scholar] [CrossRef]
- Guo, Y.; Wang, Q.; Liu, X.; Zhang, M.; Peng, X. Numerical analysis of the dynamic two-phase flow behaviour in the ionic liquid compressor for hydrogen refuelling stations. Appl. Therm. Eng. 2022, 219, 119607. [Google Scholar] [CrossRef]
- Genovese, M.; Fragiacomo, P. Hydrogen refueling station: Overview of the technological status and research enhancement. J. Energy Storage 2023, 61, 106758. [Google Scholar] [CrossRef]
- Ye, J.; Du, Z.; Xie, J.; Yin, X.; Peng, W.; Yan, Z. Transient flow performance and heat transfer characteristic in the cylinder of hydraulic driving piston hydrogen compressor during compression stroke. Int. J. Hydrogen Energy 2023, 48, 7072–7084. [Google Scholar] [CrossRef]
- Ye, J.; He, Y.; Du, Z.; Ji, R.; Xie, J.; Liu, J. The transient flow and heat transfer characteristics in reciprocated conditions of hydraulic-driven piston hydrogen compressor in hydrogen storage system. J. Energy Storage 2024, 89, 111662. [Google Scholar] [CrossRef]
- Wang, Y.; Qi, Q.; Xiong, W.; Peng, X. Experimental investigation on the hydraulic-driven piston compressor for hydrogen under varied operating conditions. Int. J. Hydrogen Energy 2024, 74, 78–88. [Google Scholar] [CrossRef]
- Farzaneh-Gord, M.; Niazmand, A.; Deymi-Dashtebayaz, M.; Rahbari, H.R. Thermodynamic analysis of natural gas reciprocating compressors based on real and ideal gas models. Int. J. Refrig. 2015, 56, 186–197. [Google Scholar] [CrossRef]
- Lu, K.; Sultan, I.A.; Phung, T.H. A Literature Review of the Positive Displacement Compressor: Current Challenges and Future Opportunities. Energies 2023, 16, 7035. [Google Scholar] [CrossRef]
- McGovern, J.A.; Harte, S. An exergy method for compressor performance analysis. Int. J. Refrig. 1995, 18, 421–433. [Google Scholar] [CrossRef]
- Niazmand, A.; Farzaneh-Gord, M.; Deymi-Dashtebayaz, M. Exergy analysis and entropy generation of a reciprocating compressor applied in CNG stations carried out on the basis models of ideal and real gas. Appl. Therm. Eng. 2017, 124, 1279–1291. [Google Scholar] [CrossRef]
- Harrison, J.; Aihara, R.; Eshraghi, M.; Dmitrieva, I.; Harrison, J.; Aihara, R.; Eshraghi, M.; Dmitrieva, I. Modeling Engine Oil Variable Displacement Vane Pumps in 1D to Predict Performance, Pulsations, and Friction. In Proceedings of the SAE 2014 World Congress & Exhibition, Detroit, MI, USA, 8–10 April 2014; SAE International: Warrendale, PA, USA, 2014. [Google Scholar] [CrossRef]
- Ramchandran, G.; Bhatia, K.; Aihara, R. Simulation of 1D Flow Coupled with 3D Multi-Body Dynamics Model of a Double-Acting Swashplate Compressor. In Proceedings of the International Compressor Engineering Conference 2018, West Lafayette, IN, USA, 9–12 July 2018; Available online: https://docs.lib.purdue.edu/icec/2623 (accessed on 30 March 2025).
- Gamma Technologies, LLC. GT-SUITE Flow Theory Manual, Version 2024, Westmont, IL, USA, 2024. Available online: https://www.gtisoft.com/download/general-download/ (accessed on 10 May 2024).
- Pan, Q.; Zeng, Y.; Li, Y.; Jiang, X.; Huang, M. Experimental investigation of friction behaviors for double-acting hydraulic actuators with different reciprocating seals. Tribol. Int. 2021, 153, 106506. [Google Scholar] [CrossRef]
- Tuhovcak, J.; Hejcik, J.; Jicha, M. Comparison of heat transfer models for reciprocating compressor. Appl. Therm. Eng. 2016, 103, 607–615. [Google Scholar] [CrossRef]
- Disconzi, F.P.; Deschamps, C.J.; Pereira, E.L.L. Development of an In-Cylinder Heat Transfer Correlation for Reciprocating Compressors, 2012, International Compressor Engineering Conference. Paper 2103. Available online: https://docs.lib.purdue.edu/icec/2103 (accessed on 14 June 2024).
- Abbas, Q.; Khan, M.; Khan, Y.M.; Koreshi, Z. Numerical simulation and experimental verification of air flow through a heated pipe. Int. J. Mech. Mechatron. Eng. 2010, 10, 7–12. [Google Scholar]
- Schuster, S.; Dohmen, H.J.; Brillert, D. Challenges of compressing hydrogen for pipeline transportation with centrifugal-compressors. In Proceedings of the GPPS Chania20, Online, 7–9 September 2020. [Google Scholar] [CrossRef]
- Lemmon, E.W.; Bell, I.H.; Huber, M.L.; McLinden, M.O. REFPROP; National Institute of Standards and Technology, Standard Reference Data Program: Gaithersburg, MD, USA, 2018. [Google Scholar] [CrossRef]
- Kim, M.-S.; Ryu, J.-H.; Oh, S.-J.; Yang, J.-H.; Choi, S.-W. Numerical Investigation on Influence of Gas and Turbulence Model for Type III Hydrogen Tank under Discharge Condition. Energies 2020, 13, 6432. [Google Scholar] [CrossRef]
- Bondarev, E.A.; Voevodin, A.F.; Argunova, K.K.; Rozhin, I.I. Equations of State in Mathematical Models of NaturalGas Production and Transportation Systems. Numer. Analys. Appl. 2020, 13, 258–261. [Google Scholar] [CrossRef]
- Bejan, A. Entropy Generation Minimization: The Method of Thermodynamic Optimization of Finite-Size Systems and Finite-Time Processes; CRC Press: Boca Raton, FL, USA, 2013. [Google Scholar] [CrossRef]
- Moran, M.J.; Shapiro, H.N.; Boettner, D.D.; Bailey, M.B. Fundamentals of Engineering Thermodynamics; John Wiley & Sons: Hoboken, NJ, USA, 2010. [Google Scholar]











| Parameter Description | Value |
|---|---|
| Stroke-to-Bore Ratio | 5.75 |
| Clearance Volume Ratio | 3% |
| Piston Mass | 180 g |
| Testing Gas | Natural Gas (95% methane by mole fraction) |
| Discharge Pressure | Constant at approximately 30 MPa |
| Supply Line Pressure | Regulated between 6–20 MPa |
| Hydraulic Pump | High-pressure internal gear pump (IPV 3–10, Voith GmbH & Co., Heidenheim, Germany) Fixed displacement: 10.2 cc/rev—Max pressure: 34.5 MPa |
| Electric Motor | 11.25 kW with 91% efficiency operating at 1760 rpm |
| Directional Control Valve | 4/3 Spool valve—D64, WANDFLUH AG, Frutigen, Switzerland |
| Supply and Discharge Check Valves | High-pressure 375 Chek—The LEE Company, Westbrook, CT, USA |
| Hydraulic Oil | ISO 46 hydraulic oil, AMSOIL Inc., Superior, WI, USA |
| Control Order | DCV Position | Strokes at Maximum Cycle Frequency (Without Dwell Condition) | Strokes at Lowered Cycle Frequency (With Dwell Condition) |
|---|---|---|---|
| 1 | Parallel | Continuous operation Cylinder 1: Compression Cylinder 2: Retract | Intermittent operation Cylinder 1: Compression Cylinder 2: Idle |
| 2 | Middle | Not Applicable | Cylinder 1: Retract Cylinder 2: Idle |
| 3 | Cross | Cylinder 1: Retract Cylinder 2: Compression | Cylinder 1: Idle Cylinder 2: Compression |
| 4 | Middle | Not Applicable | Cylinder 1: Idle Cylinder 2: Retract |
| Sensor Type | Model & Manufacturer | Range | Error |
|---|---|---|---|
| In-cylinder gas pressure transducers | GH14DK, AVL List GmbH, Graz, Austria | 0–35 MPa | ±0.3% FS |
| In-cylinder hydraulic pressure transducers | 2091-50CP, Setra Systems Inc., Boxborough, MA, USA | 0–40 MPa | ±0.25% FS |
| LVIT position sensors | LRLE-27-400-R-00-10-A, H. G. Schaevitz LLC, Alliance Sensors Group World, Pennsauken Township, NJ, USA | 0–400 mm | ±0.15% FS |
| Gas flow meters | DH038, Micromotion, Emerson Process Management, Boulder, CO, USA | 0–680 kg/h | ±0.5% for >136 kg/h >±3.4% for <20 kg/h |
| Hydraulic oil flow meters | JVM-60KG, AW-Lake, Oak Creek, WI, USA | 0–76 L/min | ±0.5% FS |
| Process | Correlation | Characteristic Gas Velocity |
|---|---|---|
| Compression | Nu = 0.08 Re0.8 Pr0.6 | u = up |
| Discharge | Nu = 0.08 Re0.8 Pr0.6 | u = up + up0.8 × uc0.2 |
| Expansion | Nu = 0.12 Re0.8 Pr0.6 | u = up |
| Suction | Nu = 0.08 Re0.9 Pr0.6 | u = up + 2up−0.4 × uc1.4 |
| Properties | Hydrogen | Methane |
|---|---|---|
| Molecular weight (g/mole) | 2.016 | 16.04 |
| Density (kg/m3) a,b | 0.089 | 0.71 |
| Lower heating value (MJ/kg) | 119.7 | ~50 |
| Specific gas constant, R (kJ/kg K) | 4.124 | 0.518 |
| Isentropic exponent a,b (Cp/Cv) | 1.41 | 1.31 |
| Thermal conductivity a,b (W/m·K) | 0.174 | 0.031 |
| Diffusion coefficient in air a,b (m2/s) | 8.5 × 10−6 | 1.98 × 10−6 |
| Flammability range (% in air) | 4–75 | 5–15 |
| Compressibility factor b,c | 1.1 | 0.74 |
| Viscosity a,b (µPa-s) | 8.4 | 11.2 |
Disclaimer/Publisher’s Note: The statements, opinions and data contained in all publications are solely those of the individual author(s) and contributor(s) and not of MDPI and/or the editor(s). MDPI and/or the editor(s) disclaim responsibility for any injury to people or property resulting from any ideas, methods, instructions or products referred to in the content. |
© 2025 by the authors. Licensee MDPI, Basel, Switzerland. This article is an open access article distributed under the terms and conditions of the Creative Commons Attribution (CC BY) license (https://creativecommons.org/licenses/by/4.0/).
Share and Cite
Nikkhah Koojehri, M.; Singh, A.; Munshi, S.; McTaggart-Cowan, G. Exergy Analysis of an On-Vehicle Floating Piston Hydrogen Compression System for Direct-Injection Engines. Energies 2025, 18, 2151. https://doi.org/10.3390/en18092151
Nikkhah Koojehri M, Singh A, Munshi S, McTaggart-Cowan G. Exergy Analysis of an On-Vehicle Floating Piston Hydrogen Compression System for Direct-Injection Engines. Energies. 2025; 18(9):2151. https://doi.org/10.3390/en18092151
Chicago/Turabian StyleNikkhah Koojehri, Mehdi, Ashish Singh, Sandeep Munshi, and Gordon McTaggart-Cowan. 2025. "Exergy Analysis of an On-Vehicle Floating Piston Hydrogen Compression System for Direct-Injection Engines" Energies 18, no. 9: 2151. https://doi.org/10.3390/en18092151
APA StyleNikkhah Koojehri, M., Singh, A., Munshi, S., & McTaggart-Cowan, G. (2025). Exergy Analysis of an On-Vehicle Floating Piston Hydrogen Compression System for Direct-Injection Engines. Energies, 18(9), 2151. https://doi.org/10.3390/en18092151

