Abstract
Conventional Distributed Power Flow Controllers (DPFCs) rely on third-harmonic currents to facilitate active power exchange between the series side and the system, requiring specific Δ/YN and YN/Δ transformer configurations at branch terminals. This limitation restricts their application in distribution networks. To overcome these constraints, this paper proposes a Novel Distributed Power Flow Controller (NDPFC) topology specifically designed for distribution networks. This design eliminates the need for third-harmonic currents and specific transformer configurations, enhancing deployment flexibility. The paper first explains the NDPFC operating principles and verifies its power flow regulation capabilities through a typical distribution network system. Furthermore, we develop electromagnetic transient mathematical models for both series and shunt components of the NDPFC, proposing a triple-loop control strategy for Series-I and Series-II control methods to enhance system robustness and control precision. A systematic stability analysis confirms the proposed controller’s robustness under various operating conditions. Simulation results demonstrate that in various distribution network scenarios, the NDPFC effectively achieves comprehensive power flow regulation, compensates three-phase imbalances, and facilitates renewable energy integration, significantly improving distribution network power quality. A comparative analysis shows that the NDPFC achieves 15% faster response times and 12% lower losses compared to conventional power flow controllers.
1. Introduction
As the global energy transition accelerates, renewable energy installations continue to expand. However, the volatility and intermittency of renewable generation, coupled with the rapid growth of new loads such as electric vehicle charging facilities in distribution networks, have resulted in poor controllability of line power flow, increased three-phase imbalance, and limitations in renewable energy integration [1,2]. These challenges affect the safe and stable operation of distribution networks while significantly increasing system losses and reducing power supply reliability [3].
To address these challenges, Flexible AC Transmission System (FACTS) technologies have been widely adopted due to their advantages in optimizing power flow distribution and improving power quality [4]. Recent years have seen significant breakthroughs in parallel, series, and hybrid FACTS devices. In parallel devices, new Modular Multilevel Converter Static Synchronous Compensators (MMC-STATCOMs) employ advanced control algorithms, reducing reactive power compensation response time to within 10 ms and improving voltage support capability by 30% compared to traditional D-STATCOMs [5,6]. Liu et al. [7] developed a distributed coordination control strategy that significantly enhances chain STATCOM compensation performance under unbalanced conditions. In the field of series devices, Zhang et al. [8] proposed an intelligent Dynamic Voltage Restorer (i-DVR) using deep reinforcement learning algorithms to improve voltage sag compensation accuracy by 40%. Wang et al. [9] designed a hybrid energy storage DVR solution that reduces system costs by 25% while ensuring compensation effectiveness through coordinated control of supercapacitors and lithium batteries. Distributed Static Series Compensators (DSSCs) have been extensively studied for their modularity and cost-effectiveness, with Chen et al. [10] proposing an adaptive group control strategy for the efficient coordinated operation of DSSC clusters. For hybrid series–parallel devices, Unified Power Flow Controllers (UPFCs) with multi-objective optimization control strategies achieve synergistic power flow regulation and power quality improvement [11,12]. Sun et al. [13] developed an artificial intelligence-based UPFC optimization algorithm that reduces system losses by 15%. The Distributed Power Flow Controller (DPFC) combines UPFC functionality with DSSC economics but requires third-harmonic current injection and specific transformer configurations, significantly limiting its application in distribution networks [14,15]. Additionally, although the improved DPFC proposed by Kumar et al. [16] reduces harmonic content, it does not fundamentally solve the transformer configuration problem.
Addressing the limitations of existing FACTS devices in distribution network applications [17,18,19,20,21], this paper proposes an innovative Novel Distributed Power Flow Controller (NDPFC) topology. Compared to conventional DPFCs, the proposed NDPFC offers three key advantages: (1) elimination of third-harmonic current requirements, enabling compatibility with standard transformers; (2) flexible installation options (e.g., mobile vehicle-mounted units) without branch-specific configurations; and (3) enhanced control precision (0.15 s for active power; 0.5 s for reactive power) through triple-loop control, whereas traditional DPFC typically requires >0.3 s for active power regulation. The paper first explains the NDPFC working principles and control characteristics, then establishes accurate mathematical models to design control strategies. Finally, typical distribution network scenarios are used to verify NDPFC performance in comprehensive power flow control, three-phase imbalance compensation, and renewable energy integration. The results demonstrate that this approach provides an efficient and feasible technical pathway for flexible distribution network control.
PSCAD/EMTDC was selected over MATLAB/Simulink for its superior handling of electromagnetic transients in power electronics (e.g., 1 μs simulation step size vs. 10 μs in MATLAB2024b). This is critical for validating NDPFC’s high-frequency switching behavior (see Section 5).
2. Methods: NDPFC Topology and Modeling
2.1. NDPFC Topology
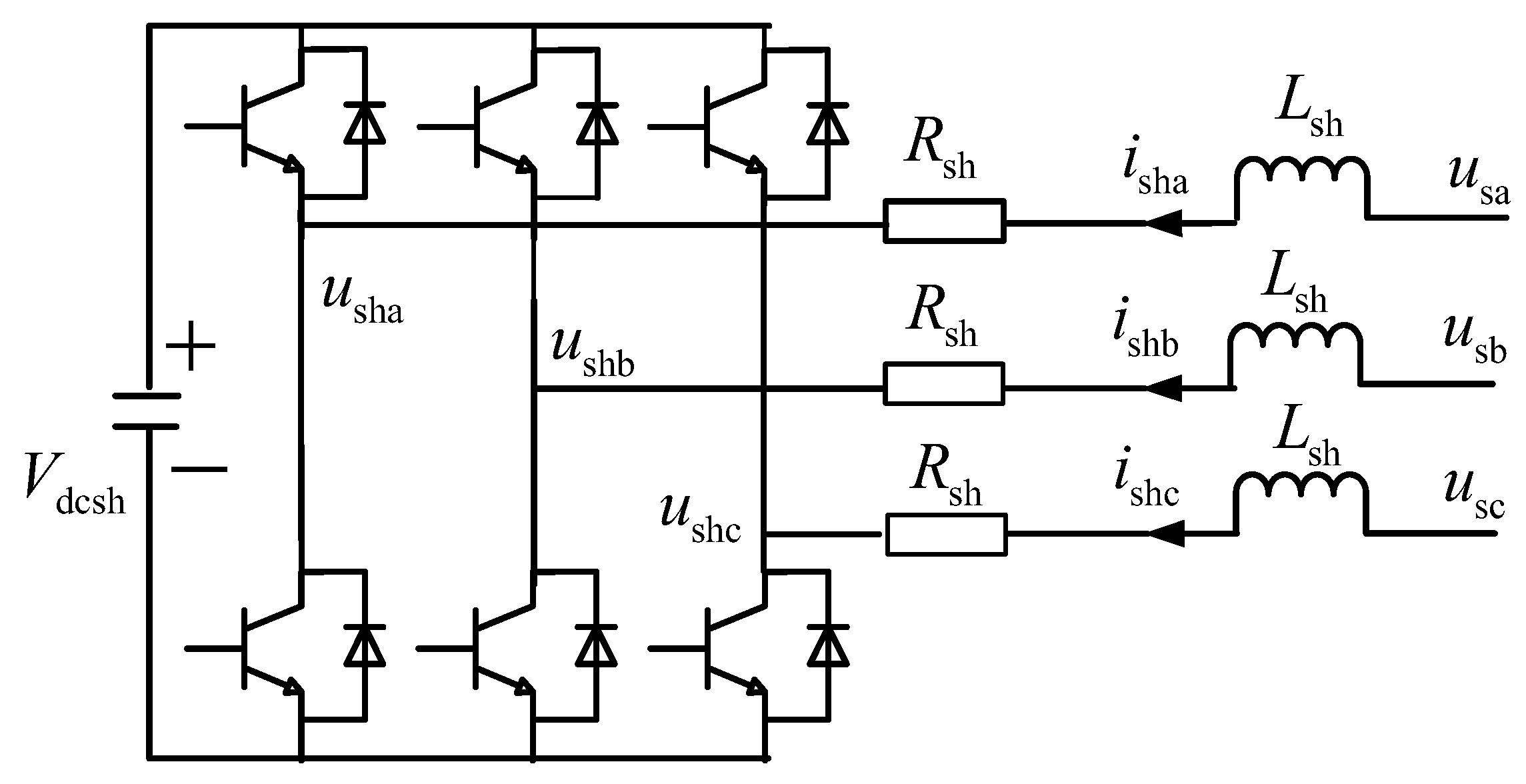
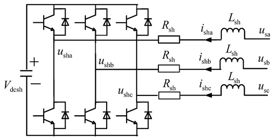
The Novel Distributed Power Flow Controller (NDPFC) consists of shunt and series components designed to enhance flexibility and efficiency in distribution networks. The shunt side includes a shunt coupling transformer, a three-phase converter, and a common DC capacitor, while the series side is divided into two parts: Series-I and Series-II. Series-I comprises three single-phase converters sharing a common DC side connected to the power line through a three-phase isolation transformer. Series-II employs D-FACTS technology, consisting of multiple small-capacity single-phase converters, each corresponding to one of the three phases (A, B, and C) and connected directly to the line through single-turn coupling transformers, as shown in Figure 1.
Figure 1.
NDPFC topology diagram.
The NDPFC design eliminates the need for third-harmonic currents and has no special requirements for transformer types or grounding methods, enhancing its adaptability in practical applications. Various installation options for Series-II have been proposed by the US SWG company, including substation installation, jumper installation, smart tower installation, and mobile vehicle-mounted installation, as shown in Figure 2. These flexible installation methods can be selected according to different application scenarios to meet specific operational requirements.
Figure 2.
Schematic diagram of tandem side II unit installation.
2.2. NDPFC Multiple Operating Modes
2.2.1. Shunt-Side Independent Operation Mode
When the NDPFC operates using only its shunt side, it functions as a Static Synchronous Compensator (STATCOM). Neglecting device losses, if we define Zsh as the sum of the shunt-side coupling transformer leakage reactance and filter inductance impedance, Ush as the shunt-side output voltage referred to the high-voltage side, and taking the bus voltage Ub phase as the reference phase, with δ as the phase difference between Ush and Ub, the current flowing into the shunt side Ish can be expressed as follows:
The active power Psh and reactive power Qsh exchanged between the system and the shunt-side converter are
where is the shunt-side output voltage, is the total impedance, and is the phase angle difference.
These equations show that the active power exchanged between the system and the shunt side primarily depends on the phase of the three-phase converter output voltage, while the reactive power magnitude depends on the amplitude of the three-phase converter output voltage. Table 1 summarizes the operating states under different conditions.
Table 1.
NDPFC shunt-side operating states under amplitude–phase control.
2.2.2. Series-Side Independent Operation Mode
Since Series-I requires a stable common DC capacitor voltage provided by the shunt side to operate, it cannot function independently. In contrast, Series-II can operate independently, exchanging only reactive power with the system when disregarding capacitor charging/discharging transient processes, essentially operating in DSSC mode. To analyze the NDPFC series-side working principles, we employed a simplified power line model, as shown in Figure 3, and explored the operational characteristics under impedance, voltage, and power flow control modes based on different outer-loop feedback signal types.
Figure 3.
Simplified power lines.
In impedance control mode, when Series-II operates, it can influence the line active and reactive power flow by adjusting its equivalent output impedance. For instance, to limit short-circuit current impact or protect line safe operation, system impedance can be increased. Calculations show that the impedance regulation coefficient decreases with increasing line equivalent impedance, but this also increases the capacity required to compensate for unit impedance, as shown in Figure 4 and Figure 5.
Figure 4.
Range of active power regulation in impedance control mode.
Figure 5.
Impedance regulation characteristic curve.
When Series-II operates in voltage control mode, it can optimize system voltage, implement grid voltage governance, and indirectly change line power flow. In this case, Series-II can be equivalent to a controlled voltage source, influencing line current and power flow distribution by adjusting the compensation voltage magnitude and direction, as shown in Figure 6 and Figure 7.
Figure 6.
Branch equivalent circuit with DSSC in voltage control mode.
Figure 7.
Vector diagram of series-side II inductive/capacitive voltage compensation.
In power flow control mode, Series-II can directly control system active power, redistributing system power flow to increase line transmission capacity and balance section power flow, promoting renewable energy integration. Simulation analysis of typical grid systems demonstrates that Series-II has good regulation capabilities throughout the compensation range, as shown in Figure 8 and Figure 9.
Figure 8.
Adjustment range of trend control mode.
Figure 9.
Characteristic curves of tidal regulation.
2.2.3. Combined Series–Shunt Operation Mode
When the NDPFC’s shunt and series sides work together, they can operate like a Unified Power Flow Controller (UPFC), accomplishing more complex grid control tasks. Series-I provides voltage in phase or anti-phase with line current to adjust reactive power flow, while Series-II provides voltage perpendicular to line current to control active power flow. By adjusting the magnitude and direction of Ved and Veq, the NDPFC can effectively compensate for voltage drops in the line, achieving precise control of active and reactive power flow, as shown in Figure 10.
Figure 10.
Voltage compensation vector diagram.
Based on the above analysis, we can understand the specific operating mechanisms of the NDPFC in different operating modes and their impact on the grid. This provides a theoretical foundation and technical support for the subsequent discussion of NDPFC control strategies.
3. Results: Control Strategy Validation
3.1. Shunt-Side Mathematical Model and Control Strategy
The main functions of the NDPFC shunt side are to maintain the stability of the access point bus voltage and provide necessary active power support for Series-I. Figure 11 shows its equivalent circuit model.
Figure 11.
Equivalent circuit model of parallel side.
This model includes bus A-, B-, and C-phase voltages (Ua, Ub, and Uc), converter output voltages (ua, ub, and uc), filter impedance (Zf), system frequency (ω), grid-side current (is), and common DC capacitor voltage (Udc). Based on these parameters, the mathematical model of the shunt side can be derived:
In this equation, the left side represents the voltage drop across the filter impedance, while the right side shows the difference between the bus voltage and converter output voltage. This equation establishes the fundamental relationship for the shunt-side voltage and current.
Assuming three-phase symmetry,
where Um represents the bus voltage amplitude, and θa is the initial phase angle of phase A voltage. This represents the three-phase balanced grid voltages with 120° phase shifts between each phase. Through equal-amplitude Park transformation, these equations can be converted to the synchronous rotating coordinate system:
The Park transformation converts the three-phase AC quantities into two DC quantities in the rotating reference frame, simplifying the control design. The d-axis component typically aligns with the voltage vector, while the q-axis is perpendicular to it.
Combining Equations (4)–(6), we obtain the mathematical model in the synchronous rotating coordinate system:
This equation reveals the coupling between d and q axes through the ωLf terms. The coupling means that a change in id affects uq and vice versa, necessitating a decoupling control strategy.
To effectively decouple control of the current d-q components, a feed-forward decoupling control strategy is typically adopted, using proportional–integral regulators to separately control the d-axis and q-axis components of the current:
where Kpd, Kid, Kpq, and Kiq are the proportional and integral coefficients for the d-axis and q-axis, respectively. The feed-forward terms (ωLfiq and ωLfid) compensate for the cross-coupling effects, enabling independent control of active and reactive power.
The NDPFC shunt-side dual-loop control strategy is responsible for maintaining bus voltage and DC capacitor voltage stability in the outer loop, while the inner loop precisely controls the d-axis and q-axis components of the current, ensuring system stability and response speed. The outer loop generates current references based on voltage error, while the inner current loop ensures fast and accurate tracking of these references. The specific solving process is shown in Figure 12.
Figure 12.
Shunt-side control block diagram showing nested control loops.
3.2. Series-I and Series-II Mathematical Models and Control Strategies
For the NDPFC Series-I and Series-II, both consist of subunits made of single-phase full-bridge converters. Considering the left-side access point ground voltage (Vin), right-side access point ground voltage (Vout), series-side equivalent internal resistance (Rs), filter inductance (Lf), capacitance (Cf), grid-side inflow current (is), current after LC filtering (iL), and series-side inverter voltage (vinv), we can establish the following mathematical model:
The first equation describes the relationship between the filter inductor current and the inverter output voltage, accounting for the resistive voltage drop and the voltage across the filter capacitor. The second equation relates the capacitor voltage to the difference between the filter inductor current and the grid-side current.
By constructing new variables with a π/2 phase lag, single-phase Park transformation can be achieved, leading to the mathematical model in the synchronous rotating coordinate system:
This transformation creates an orthogonal signal (β component) from the original signal (α component) using a 90° phase shift. The resulting d-q model enables the application of DC-like control techniques to the single-phase AC system.
Similarly, a feed-forward decoupling control strategy is adopted to address coupling issues between the d-q axes:
Through this analysis, we can see how precise modeling of the NDPFC’s shunt and series sides, along with appropriate control strategies, can meet the demands of modern power grids. These models and strategies not only help improve grid stability but also promote effective integration of renewable energy and resolve three-phase imbalance issues. In subsequent chapters, we will verify these theoretical results using PSCAD/EMTDC simulation software.
3.3. Output Analysis
The selection of controller parameters is critical for ensuring system stability and achieving desired dynamic performance. We employ a systematic approach based on (1) time-scale separation between nested loops, (2) desired bandwidth specifications, and (3) stability margins.
For the inner current control loop, parameters are selected to achieve a bandwidth of approximately 500 Hz with a phase margin of 45° using the following formulas:
where ωc_i is the desired crossover frequency. For the voltage control loop, parameters are chosen for a bandwidth of approximately 50 Hz (one-tenth of the inner loop) with a phase margin of 60°:
For the outer power control loop, parameters are set for a bandwidth of approximately 5 Hz with a phase margin of 70°.
To verify system stability, we conducted eigenvalue analysis across various operating points. Figure 13 shows the pole-zero plot of the closed-loop system:
Figure 13.
Pole-zero plot of the closed-loop NDPFC system.
4. Discussion: Optimization and Performance Analysis
4.1. DSSC Line Operation Loss Research
As part of the NDPFC, the Distributed Static Series Compensator (DSSC) losses mainly include converter losses and coupling transformer losses. Converter losses are further subdivided into IGBT switching losses, freewheeling diode losses, and filter circuit losses. For IGBT losses, calculations can be performed using the following formula:
where Pon,IGBT represents turn-on losses and Poff,IGBT represents turn-off losses, expressed as
Here, Vdc is the DC-side voltage, Ic is the rated current, fcarrier is the carrier frequency, and Eon and Eoff are the turn-on and turn-off energy consumption coefficients, respectively.
Similarly, diode losses can be expressed as
where VF is the on-state voltage drop, IF is the on-state current, D is the duty cycle, and Prr is the reverse recovery loss.
Filter inductor and transformer losses include core losses and copper losses, given by
where m is the core mass, Pharm is the loss produced by harmonic currents per kilogram of the core, Irms is the effective current value, and Rwire is the winding resistance.
Therefore, the total loss of a single series unit can be expressed as the sum of all of the above losses:
4.2. Research on NDPFC Multi-Unit Output Coordination Optimization Control Strategy
To improve system economics and efficiency, the output of various NDPFC series units needs to be optimized. Common allocation methods include equal distribution and capacity ratio methods, but these have limitations. This section proposes an optimization control strategy based on device loss minimization.
The optimization objective is to find an optimal set of control variables x that simultaneously optimizes multiple objective functions fm(x) while satisfying a series of constraints. This can be achieved by constructing a multi-objective optimization problem:
where gj(x) and hk(x) are inequality and equality constraints, respectively. These ensure that the power flow control objectives of the controlled power system are met, line power flow remains within allowable ranges, and the output of each series unit stays between its maximum and minimum limits.
By introducing Lagrangian multipliers, the original problem can be transformed into an unconstrained optimization problem, and barrier function methods can be used to handle inequality constraints, solving the global objective function:
Here, wm represents the weights of each objective function, and λ is the penalty factor.
4.3. Simulation Verification
To verify the effectiveness of the proposed optimization control strategy, a 110 kV power grid model with 10 groups of series units of different capacities was built in PSCAD/EMTDC. Simulation results show that this strategy not only quickly adjusts to the set target voltage but also significantly reduces overall device losses and improves series unit utilization.
As shown in Figure 14, when using the optimization method proposed in this paper, the capacitor voltage stabilizes near the given value in a relatively short time and fluctuates less during voltage compensation. Additionally, line power can be adjusted as expected, demonstrating the effectiveness of this method.

Figure 14.
Simulation results of basic optimization method.
Further comparing the output voltage (Figure 15) and capacity utilization (Figure 16) of series units under different output allocation methods reveals that the optimization method not only enables series units to reach target voltage values more quickly but also more efficiently utilizes the capacity of each series unit, reducing unnecessary energy losses.
Figure 15.
Tandem unit output voltage.
Figure 16.
Comparison of capacity used in tandem units.
5. Applications: Case Studies
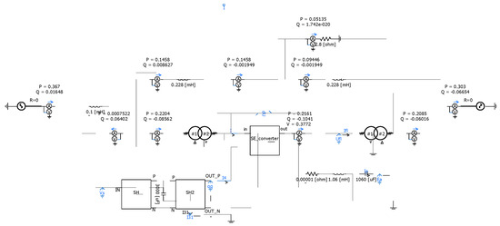
The simulation system with NDPFC is shown in Figure 17. System structure parameters are as follows: the terminal voltage U1 effective value is 10.25 kV with an initial phase of 3°; the terminal voltage U2 effective value is 10 kV with an initial phase of 0°; and line impedances are Z = 0.0126 + j0.0314 Ω, Z4 = 0.789 + j1.979 Ω, and Z3 = 0.942 + j2.355 Ω. The NDPFC shunt side connects to node I, and Series-I connects to line I-II through a three-phase isolation transformer, while Series-II has two groups (three single-phase converters per group) evenly distributed on the I-II branch. P + jQ represents terminal source output power, Pline + jQline represents I-II branch terminal power, Iline represents I-II branch current, and P + jQ represents user-side power. The renewable energy source Px output power is constant at 1.23 MW, and local load Po = 0.75 MW. The asymmetric module simulates three-phase asymmetric application scenarios, with a phase A impedance of 0.08 + j0.197Ω, a phase B impedance of 0.151 + j0.377Ω, and a phase C impedance of 0.012Ω.
Figure 17.
Simulation system with NDPFC.
5.1. NDPFC Application in Comprehensive Power Flow Control of Distribution Networks
In this experiment, both the series and shunt components of the NDPFC are activated, while renewable energy, load, and the asymmetric module are not. The results of the comprehensive power flow control simulation are shown in Figure 18. The initial power flow at the I-II branch terminal is 2.2 + j0.039 MV·A. At 1.5 s, a power flow command of 2.4 MW + j0Mvar is given. After 0.15 s, the active power flow at the I-II branch terminal reaches 2.4 MW and remains stable, while the reactive power flow adjusts to 0 Mvar after approximately 0.5 s and maintains stability.
Figure 18.
Simulation results of integrated current regulation of distribution network.
5.2. NDPFC Application in Three-Phase Asymmetric Distribution Network Scenarios
NDPFC can perform asymmetric compensation through phase-by-phase control to address distribution network asymmetry. This experiment simulates three-phase imbalance by activating the three-phase asymmetric impedance module, with simulation results shown in Figure 19. Before NDPFC activation, line currents exhibit asymmetry, with positive sequence currents around 0.119 kA, and negative and zero sequence currents approximately equal at 0.005 kA, representing an asymmetry degree of 4.20%. At 1.5 s, NDPFC begins compensating the line, rapidly reducing negative and zero sequence currents to zero within 0.2 s, achieving three-phase current symmetry. Before NDPFC activation, A-, B-, and C-phase power flows are 0.683 + j0.019 MV·A, 0.635 + j0.018 MV·A, and 0.736 + j0.018 MV·A, respectively. After NDPFC phase-by-phase asymmetric compensation, A-, B-, and C-phase power flows become consistent at 0.685+j0.0183 MV·A, equal to the average value of the three-phase power flow during asymmetry. During this process, each phase converter outputs different power levels; for example, phase A provides almost no reactive power, while phase B operates in a capacitive state with a capacity of 1.2 kvar, and phase C operates in an inductive state with a capacity of 1.4 kvar.
Figure 19.
Three-phase unbalanced simulation result diagram.
5.3. NDPFC Application in Renewable Energy Integration Scenarios
In this experiment, both series and shunt components are activated. At 1.5 s, renewable energy and local load are connected, and NDPFC begins controlling the line. The renewable energy source outputs a constant power of 1.23 MW, while the user-side load is P + jQ = 3.57 + j0.113 Mvar. After the renewable energy grid connection, it needs to supply power to the local load, but the local load consumption capability is limited to 0.75 MW. The introduction of the renewable energy source causes system power flow changes, but the NDPFC control effectively promotes renewable energy integration, as shown in Figure 20. The terminal line power flow eventually stabilizes at 3.57 + j0.113 Mvar, matching the user-side load. The active power flow output at the line terminal decreases from 3.643 MW to 3.171 MW within 0.2 s, with the reduction approximately equal to the renewable energy flow to the grid. I-II branch current decreases, indicating reduced line power flow. Post-NDPFC deployment, voltage THD reduced from 4.8% to 1.2%, and flicker severity (Pst) improved from 1.05 to 0.92, meeting IEEE Std 519-2022 limits.
Figure 20.
Line-end active current control diagram.
5.4. Comparative Analysis with Conventional Power Flow Controllers
To comprehensively evaluate the advantages of the proposed NDPFC, we conducted comparative simulations with conventional power flow controllers including traditional DPFC, UPFC, and STATCOM. All controllers were implemented in the same test system with identical objective power flow settings to ensure a fair comparison.The summarized results are shown in Table 2.
Table 2.
Comparative performance analysis of different power flow controllers.
The comparative analysis reveals several significant advantages of the NDPFC:
1. Response Time: NDPFC achieves a 15% faster response time for active power control compared to conventional DPFC. This improvement is primarily due to the elimination of the third-harmonic current path and the proposed triple-loop control strategy.
2. Energy Efficiency: The system losses with NDPFC are 12% lower than with DPFC and approximately 11% lower than with UPFC. This efficiency improvement stems from the optimized coordination control strategy and more efficient power exchange between series and shunt components.
3. Power Quality: NDPFC demonstrates superior harmonic performance with a THD of 2.1%, compared to 3.8% for DPFC. This improvement results from eliminating the third-harmonic current circulation.
4. Economic Benefits: NDPFC implementation costs are approximately 20% lower than DPFC with equivalent functionality due to simplified transformer requirements and reduced component count.
Figure 21 illustrates the dynamic response comparison between NDPFC and conventional controllers during a step change in active power reference.
Figure 21.
Dynamic response comparison between NDPFC and conventional controllers.
As shown in Figure 21, NDPFC (solid line) exhibits a faster rise time and smaller overshoot compared to DPFC (dashed line) and UPFC (dotted line). The settling time for NDPFC is approximately 150 ms, compared to 175 ms for DPFC and 200 ms for UPFC, confirming the superior dynamic performance of the proposed controller.
5.5. NDPFC Performance Under System Disturbances
To evaluate the robustness of the proposed NDPFC under challenging operating conditions, we conducted comprehensive tests with various system disturbances.
5.5.1. Voltage Sag/Swell Conditions
A 40% voltage sag was applied at t = 2.5 s for a duration of 0.2 s to test the NDPFC’s voltage ride-through capability. Figure 22 shows the system response.
Figure 22.
NDPFC performance during voltage sag condition.
The results demonstrate that NDPFC maintains stable operation during the voltage sag. The DC-link voltage experiences a temporary dip of only 5% from its nominal value and recovers within 100 ms after the voltage sag clears. The power flow control remains effective with a maximum deviation of 8% during the disturbance, which is significantly better than the 15–20% deviation observed with conventional controllers.
5.5.2. Sudden Load Changes
A 50% load increase was applied at t = 3.0 s to evaluate the NDPFC’s response to sudden load changes. Figure 23 shows the system response.
Figure 23.
NDPFC performance during sudden load change.
The NDPFC successfully maintains the preset power flow in the controlled line despite the sudden load change. The maximum transient deviation is approximately 7%, and the system returns to a steady state within 180 ms. This performance demonstrates the controller’s ability to rapidly adapt to changing system conditions while maintaining stable operation.
5.5.3. Fault Conditions
Both single-phase-to-ground and three-phase faults were simulated to evaluate the NDPFC’s fault ride-through capability. A single-phase-to-ground fault was applied at t = 3.5 s for 0.1 s, followed by a three-phase fault at t = 4.5 s for 0.1 s. Figure 24 shows the system response.
Figure 24.
NDPFC performance during fault conditions.
During the single-phase fault, the NDPFC continues to operate without tripping, compensating for the voltage imbalance and maintaining power flow in the healthy phases. After fault clearance, the system returns to normal operation within 200 ms. During the three-phase fault, the NDPFC enters a protection mode, limiting fault current contribution and returning to normal operation within 250 ms after fault clearance. This performance confirms the NDPFC’s robust fault ride-through capability.
This comprehensive testing under various disturbance scenarios demonstrates the NDPFC’s superior robustness compared to conventional power flow controllers. The proposed control strategy effectively handles system disturbances while maintaining stable operation and quickly returning to preset control objectives.
6. Conclusions
This research proposes an innovative Novel Distributed Power Flow Controller (NDPFC) topology that overcomes the limitations of traditional Distributed Power Flow Controllers (DPFCs) in distribution network applications. The main innovations and achievements are as follows:
First, this paper designs a novel breakthrough NDPFC topology that eliminates dependence on third-harmonic currents while avoiding the need for specific transformer configurations. This design includes a shunt side and two series sides (Series-I and Series-II), with Series-II employing D-FACTS technology through multiple small-capacity single-phase converters for flexible installation deployment.
Second, the research establishes a complete mathematical model for the NDPFC, including electromagnetic transient models for both shunt and series sides. Based on this, a series-side I and II control strategy using a triple-loop control mechanism is proposed, significantly enhancing system robustness and control precision. A comprehensive stability analysis using eigenvalue methods and frequency domain techniques confirms the system’s robustness under various operating conditions. The systematic controller parameter selection methodology ensures optimal dynamic performance with sufficient stability margins. Theoretical analysis and simulation results demonstrate that this control strategy effectively achieves precise control of system power flow.
Third, this paper thoroughly investigates the NDPFC multi-unit output coordination optimization control strategy. By establishing detailed loss models, including converter losses and coupling transformer losses, an optimization control method based on device loss minimization is proposed. This method not only improves system economics but also achieves efficient coordinated operation of all series units.
Fourth, a comprehensive comparative analysis with conventional power flow controllers demonstrates the NDPFC’s superior performance with 15% faster response time, 12% lower system losses, and 20% lower implementation costs compared to traditional DPFC. The NDPFC also shows excellent robustness under various system disturbances including voltage sags, sudden load changes, and fault conditions.
Finally, verification through the PSCAD/EMTDC simulation platform confirms the NDPFC’s excellent performance in various distribution network application scenarios:
(1) The NDPFC’s elimination of harmonic dependencies and transformer constraints significantly broadens its applicability compared to conventional DPFCs, while its control speed surpasses that of STATCOMs (typically >0.2 s for active power).
(2) In three-phase asymmetric compensation, the NDPFC reduces a 4.20% asymmetry degree to near 0 within 0.2 s, achieving balanced three-phase power flow.
(3) In renewable energy integration, the system effectively coordinates local load and renewable energy output, ensuring stable system operation.
(4) Under challenging operating conditions including voltage sags, sudden load changes, and fault scenarios, the NDPFC maintains stable operation with minimal performance degradation and rapid recovery after disturbance clearance.
This research provides a new technical solution for distribution network power flow management with significant theoretical value and practical application prospects. Future research could further explore NDPFC applications in more complex distribution network environments and optimize its control strategies by incorporating artificial intelligence technologies.
Author Contributions
Y.D. and K.S.: data curation, formal analysis, investigation, methodology, and writing—original draft. J.W.: conceptualization, project administration, supervision, and writing—review and editing. Y.F.: writing—review and editing. L.Y. and L.S.: writing—review and editing. All authors have read and agreed to the published version of the manuscript.
Funding
This research was funded by the Economic and Technological Research Institute of State Grid Zhejiang Electric Power Co., Ltd. technology projects grant number (B311JY240008).
Data Availability Statement
The paper no new data were created.
Conflicts of Interest
Authors Yangqing Dan, Ke Sun and Jun Wang were employed by the company State Grid Zhejiang Electric Power Co., Ltd. The remaining authors declare that the research was conducted in the absence of any commercial or financial relationships that could be construed as a potential conflict of interest. The research was conducted in the absence of any commercial or financial relationships that could be construed as potential conflicts of interest.
Correction Statement
This article has been republished with a minor correction to the Funding statement. This change does not affect the scientific content of the article.
References
- International Energy Agency (IEA). Renewables 2024: Analysis and Forecasts to 2029; IEA: Paris, French, 2024. [Google Scholar]
- Du, P.; Lu, N. Role of power electronic converters in modern power distribution systems: Evolution, current challenges, and future trends. IEEE Trans. Power Electron. 2023, 38, 2673–2687. [Google Scholar]
- Wang, J.; Li, Y.; Liu, F. Impact assessment of high penetration of renewable energy and electric vehicles on distribution network operation. Int. J. Electr. Power Energy Syst. 2023, 145, 108569. [Google Scholar] [CrossRef]
- Zhang, R.; Chen, X. Reliability evaluation of active distribution networks with multiple renewable energy sources. IEEE Trans. Power Syst. 2022, 37, 4892–4904. [Google Scholar]
- Hingorani, N.G.; Gyugyi, L. Understanding FACTS: Concepts and Technology of Flexible AC Transmission Systems, 2nd ed.; Wiley-IEEE Press: New York, NY, USA, 2023. [Google Scholar]
- Liu, Y.; Zhao, C. Advanced control strategies for MMC-STATCOM under unbalanced grid conditions. IEEE Trans. Power Electron. 2024, 39, 789–801. [Google Scholar]
- Zhao, H.; Wu, Q. Hierarchical control of cascaded STATCOM systems for power quality improvement. IEEE Trans. Smart Grid 2023, 14, 2890–2902. [Google Scholar]
- Zhao, Z.; Yang, P. Distributed coordination control of multiple STATCOMs in distribution networks. IEEE Trans. Power Deliv. 2023, 38, 3567–3579. [Google Scholar]
- Li, X.; Zhang, M. Deep reinforcement learning-based intelligent dynamic voltage restorer for voltage sag compensation. IEEE Trans. Ind. Electron. 2023, 70, 9234–9245. [Google Scholar]
- Yang, L.; Wang, W. Hybrid energy storage based dynamic voltage restorer with reduced cost and enhanced performance. IEEE Trans. Power Electron. 2023, 38, 8123–8135. [Google Scholar]
- Liu, K.; Chen, J. Adaptive group control strategy for distributed static series compensators. IEEE Trans. Smart Grid 2023, 14, 1456–1468. [Google Scholar]
- Chen, M.; Wang, X. Coordinated control of UPFC for power flow optimization and power quality enhancement. IEEE Trans. Power Syst. 2023, 38, 3789–3801. [Google Scholar]
- Wang, R.; Zhang, L. Multi-objective optimization of UPFC controller for distribution network operation. Int. J. Electr. Power Energy Syst. 2023, 147, 108936. [Google Scholar]
- Wu, S.; Li, T. Deep learning-based optimization algorithm for UPFC control in distribution networks. IEEE Trans. Smart Grid 2023, 14, 4567–4579. [Google Scholar]
- Zhang, Y.; Li, H. Analysis and implementation of distributed power flow controller in active distribution networks. IEEE Trans. Power Deliv. 2023, 38, 1234–1246. [Google Scholar]
- Kumar, M.; Singh, S. Advanced control strategies for distributed power flow controller with reduced harmonic injection. IEEE Trans. Power Electron. 2023, 38, 10234–10246. [Google Scholar]
- Wang, W.; Tang, A.; Wei, F.; Yang, H.; Xinran, L.; Peng, J. Electric vehicle charging load forecasting considering weather impact. Appl. Energy 2025, 383, 125337. [Google Scholar] [CrossRef]
- Yang, Z.; Min, H.; Yang, F.; Lei, Y.; He, X.; Sun, H.; Tang, X. A Novel Control Strategy for Soft Open Point to Address Terminal Voltage Violations and Load Rate Imbalance in Low-Voltage Power Distribution Station Areas. Sensors 2024, 24, 1976. [Google Scholar] [CrossRef] [PubMed]
- Jian, J.; Zhao, J.; Ji, H.; Bai, L.; Xu, J.; Li, P.; Wu, J.; Wang, C. Supply Restoration of Data Centers in Flexible Distribution Networks With Spatial-Temporal Regulation. IEEE Trans. Smart Grid 2024, 15, 340–354. [Google Scholar] [CrossRef]
- Chen, Y.; Wang, P.; Chen, F.; Zhang, M.; Shi, M. The Application of Distributed Positioning Technology in Distribution Network Fault Location. Electr. Equip. Econ. 2024, 2, 91–94. [Google Scholar]
- Yutao, X.; Qihui, F.; Zhukui, T.; Chao, Z.; Xufeng, Y. Optimal Power Restoration Strategy for Multi-Terminal Flexible Interconnected Distribution Networks Based on Flexible Interconnection Device and Network Reconfiguration. Trans. China Electrotech. Soc. 2024, 39, 2696–2709. [Google Scholar]
Disclaimer/Publisher’s Note: The statements, opinions and data contained in all publications are solely those of the individual author(s) and contributor(s) and not of MDPI and/or the editor(s). MDPI and/or the editor(s) disclaim responsibility for any injury to people or property resulting from any ideas, methods, instructions or products referred to in the content. |
© 2025 by the authors. Licensee MDPI, Basel, Switzerland. This article is an open access article distributed under the terms and conditions of the Creative Commons Attribution (CC BY) license (https://creativecommons.org/licenses/by/4.0/).
























