A Review of Research Progress in Very Fast Transient Overvoltage (VFTO) Suppression Technology
Abstract
1. Introduction
- High amplitude and steep wavefront cause damage to equipment insulation. The higher the overvoltage amplitude, the steeper the wavefront, the more powerful the local electric field distortion of the equipment, prone to local breakdown [5,6,7]. As the voltage level increases, the insulation margin of electrical equipment is relatively reduced, and the VFTO amplitude increases with the increase in voltage level, so the higher the voltage level, the higher the probability of insulation failure caused by VFTO.
- Folding and reflection propagation effect. VFTO in the propagation process of folding and reflection will produce a new electromagnetic transient phenomenon, causing the GIS external insulation damage. VFTO in the folding and reflection process will produce transient enclosure voltage (TEV). Some statistics show that 50% of GIS accidents are caused by TEV [8].
- High-frequency and wide-band radiation electromagnetic interference effects. VFTO has a high frequency, wide bandwidth characteristics; these instantaneous ups and downs of high-frequency signals will be propagated in various forms, such as through the GIS basin insulator gap to the outside radiation, or through the casing in the form of the casing antenna to the GIS space radiation, enhance the GIS external space transient electromagnetic field, and interfere with the normal operation of the substation’s control, protection, and automation of the secondary equipment, such as the normal operation of the substation [9,10,11,12,13].
- Invasion effect on transformer. When VFTO invades the transformer winding, it will oscillate and propagate in the winding, forming a very unevenly distributed voltage along the winding. The steepness of the VFTO wave is larger than the lightning surge voltage, so the uneven distribution of the VFTO steep wave voltage along the transformer winding is more complex and harmful than the lightning surge voltage [14,15]. In addition, VFTO contains several megahertz oscillation frequency, and part of the transformer winding natural frequency overlap, causing the winding local electromagnetic resonance.
2. Current Status of Research VFTO Inhibition in China and Abroad
2.1. Damping Resistance Method
- The addition of damping resistors leads to a more complex structure of isolation switch, which enhances the failure rate of the equipment.
- In order to add damping resistors, isolation switches can only be vertically mounted, which increases the mounting area, and is not conducive to the compactness and miniaturization of the equipment.
- The material formula of damping resistors as the core technology is in the hands of the Japanese.
2.2. Disconnecting Switch Operation Method
2.2.1. Changing the Operating Speed of the Disconnecting Switch
- The VFTO suppression effect is limited. The optimum suppression effect can only reduce the VFTO amplitude by 10%.
- There is an irreconcilable contradiction between changing the operating speed of the disconnecting switch between the amplitude and the number of breakdowns, and the residual voltage.
- The requirements for the speed control system and the control strategy are extremely high, and there is a lack of research on this technology
- The optimum operating speed of disconnecting switches from different manufacturers and batches varies significantly, and a large amount of research is needed to determine the optimum operating speed.
2.2.2. Controlling the Phase Angle of the Disconnecting Switches
2.2.3. Controlling the Mode of Operation of the Disconnecting Switch
2.3. Inductance Method
2.3.1. Ferrite Ring Method
- The damping effect increases linearly with the increase in the number of rings, and the amplitude of the VFTO decreases by about 20% when the number of rings is 8.
- Rings with a higher relative permeability have a better damping effect.
- Since the magnetic flux of the ring decreases with the increase in the radius of the ring, the suppression of the ring with a larger diameter is not as effective.
2.3.2. RF Detuner
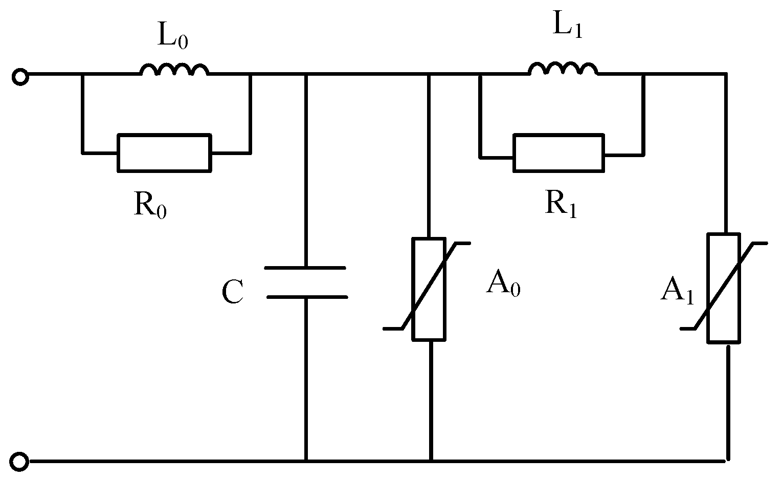
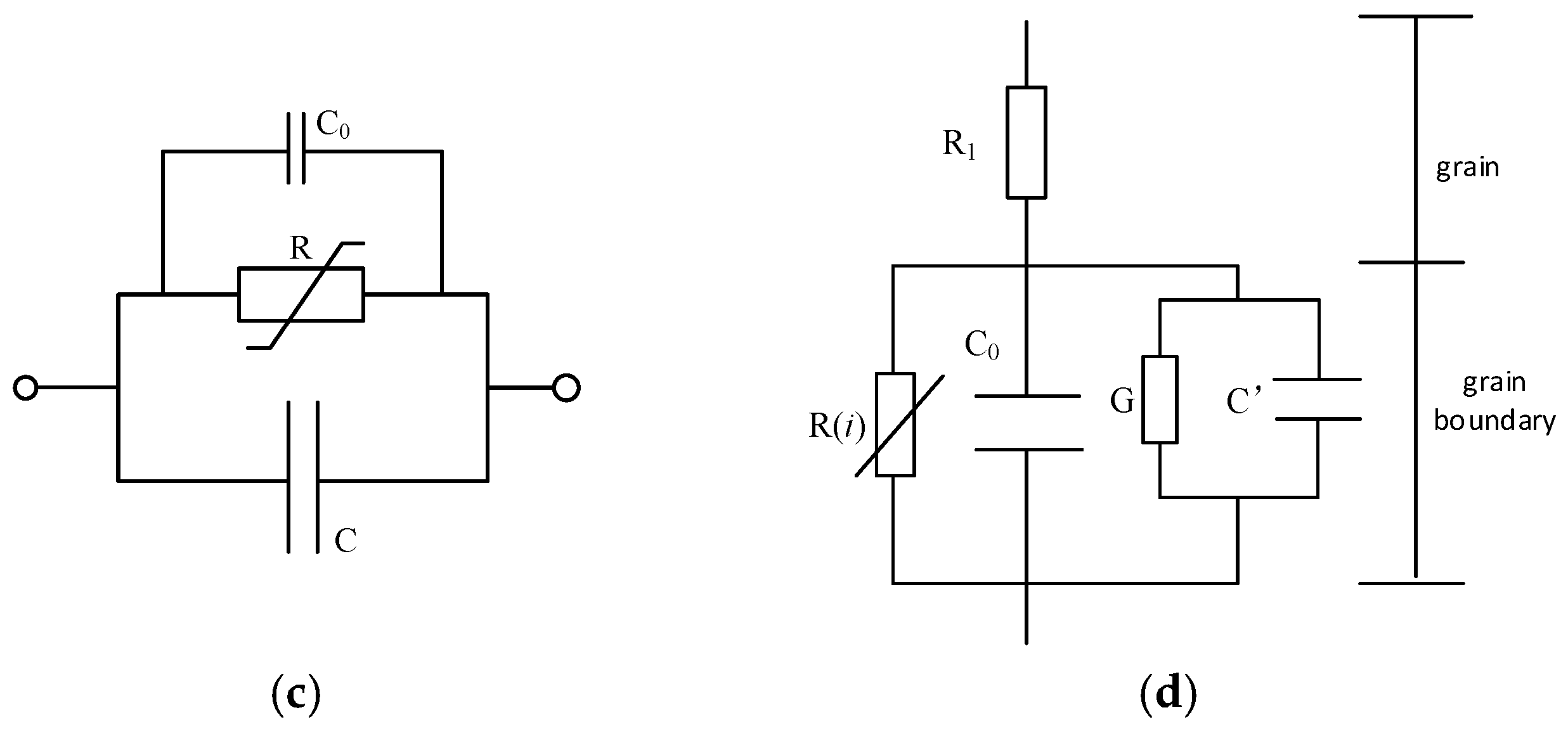
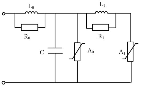
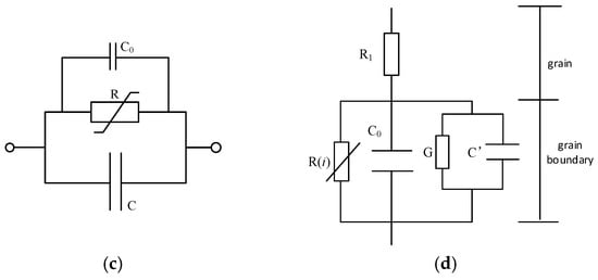
2.4. Lightning Arrester Method
2.5. Overhead Line Method
3. Suppression Effect Comparison
4. Discussion
Funding
Conflicts of Interest
References
- Zhang, Y.; Zhu, D. High Voltage Insulation Technology; China Electric Power Press: Beijing, China, 2007. [Google Scholar]
- Okubo, H.; Beroual, A. Recent trend and future perspectives in electrical insulation techniques in relation to sulfur hexafluoride (SF6) substitutes for high voltage electric power equipment. IEEE Electr. Insul. Mag. 2011, 27, 34–42. [Google Scholar] [CrossRef]
- Li, Y.; Shang, Y.; Zhang, L.; Shi, R.; Shi, W. Analysis of very fast transient overvoltages (VFTO) from onsite measurements on 800 kV GIS. IEEE Trans. Dielectr. Electr. Insul. 2012, 19, 2102–2110. [Google Scholar]
- Uwe, R.; Walter, H. Ultra high-voltage gas-insulated switchgear—A technology milestone. Eur. Trans. Electr. Power 2013, 22, 60–82. [Google Scholar]
- Tong, Y.; Wang, Q.; Zhang, J.; Liu, X. Research on Very Fast Transient Voltage of 330kV GIS Disconnector Operation. In Proceedings of the 2023 5th Asia Energy and Electrical Engineering Symposium (AEEES), Chengdu, China, 23–26 March 2023; pp. 94–98. [Google Scholar]
- Chen, W.J.; Wang, H.; Han, B.; Wang, L.; Ma, G.M.; Yue, G.C.; Li, Z.B.; Hu, H. Study on the influence of disconnector characteristics on very fast transient overvoltages in 1100-kV gas-insulated switchgear. IEEE Trans. Power Deliv. 2015, 30, 2037–2044. [Google Scholar] [CrossRef]
- Wan, Y.; Chen, G.; Zhou, H. Study on VFTO in UHV GIS substation. In Proceedings of the 2011 4th International Conference on Electric Utility Deregulation and Restructuring and Power Technologies (DRPT), Weihai, China, 6–9 July 2011; pp. 1756–1759. [Google Scholar]
- Shu, Y.; Chen, W.; Li, Z.; Dai, M.; Li, C.; Liu, W.; Yan, X. Experimental research on very-fast transient overvoltage in 1100-kV gas-insulated switchgear. IEEE Trans. Power Deliv. 2012, 28, 458–466. [Google Scholar] [CrossRef]
- Xue, Y.; Zhang, W.; Liu, Z.; Dong, Z.; Yang, S.; Ni, H. Research on Transient Electromagnetic Disturbance Suppression Measures for Substation Secondary System in the Process of Power Grid Intelligentization. In Proceedings of the 2023 3rd International Conference on Electrical Engineering and Control Science (IC2ECS), Hangzhou, China, 29–31 December 2023; pp. 186–190. [Google Scholar]
- Ye, Y.; Zhou, J.; Zhang, J. Study on Very Fast Transient Electromagnetic Interference Model under GIS Disconnector Operation. In Proceedings of the 2023 6th International Conference on Electronics Technology (ICET), Chengdu, China, 12–15 May 2023; pp. 848–855. [Google Scholar]
- Zhang, Z.; Liu, H.; Yu, D.; Yang, Z.; Wen, C.; Lu, Y.; Yan, M.; Huang, Y. The Investigation of Interference of Secondary Cable Caused by VFTO in GIS Substation. In Proceedings of the 2020 IEEE/IAS Industrial and Commercial Power System Asia (I&CPS Asia), Weihai, China, 13–16 July 2020; pp. 1041–1045. [Google Scholar]
- Wu, Y.; Yan, W.; Chen, H.; Zhang, W.; Ma, H. Research on interferences of VFTO to irregular distributions of secondary side cables. IEEE Trans. Power Deliv. 2022, 38, 712–723. [Google Scholar] [CrossRef]
- Pang, F.; Ji, J.; Du, Z.; Jiao, C. Full Wave Simulation of Transient Electromagnetic Field During Switching Operation of GIS Power Substation. In Proceedings of the 2022 4th International Conference on Electrical Engineering and Control Technologies (CEECT), Virtual Event, 17 December 2022; pp. 685–690. [Google Scholar]
- Wang, Y.; Han, W.; Liu, Y.; Qiao, L.; Li, H.; Li, W. Analysis of Transformer Differential Protection Malfunction Occurred in Intelligent Substation under VFTO Functionaper. In Proceedings of the 2020 Asia Energy and Electrical Engineering Symposium (AEEES), Chengdu, China, 28–31 May 2020; pp. 203–207. [Google Scholar]
- Ke, X.; Yan, Z.; Li, Z.; Peng, Y.; Xuejun, M.; Li, B. Whole Process Simulation of VFTO Coupling to Power Transformer Core Earthing Conductor. In Proceedings of the 2023 IEEE Sustainable Power and Energy Conference (iSPEC), Chongqing, China, 28–30 November 2023; pp. 1–4. [Google Scholar]
- Pathak, N.; Bhatti, T.S.; Ibraheem. Study of Very Fast Transient Overvoltage and Mitigation Techniques of a Gas Insulated Substation. In Proceedings of the International Conference on Circuit, Cairo, Egypt, 6–9 December 2015. [Google Scholar]
- Yamagata, Y.; Tanaka, K.; Nishiwaki, S.; Takahashi, N.; Kokumai, T.; Miwa, I.; Komukai, T.; Imai, K. Suppression of VFT in 1100 kV GIS by adopting resistor-fitted disconnector. IEEE Trans. Power Deliv. 2002, 11, 872–880. [Google Scholar] [CrossRef]
- Jiang, X.B.; Liang, L.; Chen, G.; Wan, Y.R.; Zhou, H. Simulation Study on Very Fast Transient Overvoltage and Its Protective Measures in 500kV GIS Substation. Energy Eng. 2010, 3, 19–22. [Google Scholar]
- Zhang, Z.; Han, X.; Ban, L. Suppression of Very Fast Transient Overvoltage in UHV GIS by Switching Resistors. Electr. Power 2007, 12, 36–40. [Google Scholar]
- Riechert, U.; Krusi, U.; Sologuren-Sanchez, D. Very fast transient overvoltages during switching of bus-charging currents by 1100 kv disconnector. Water Eenrgy Int. 2011, 68, 67–68. [Google Scholar]
- Yinbiao, S.; Bin, H.; Ji-Ming, L.; Weijiang, C.; Liangeng, B.; Zutao, X.; Guoqiang, C. Influence of the switching speed of the disconnector on very fast transient overvoltage. IEEE Trans. Power Deliv. 2013, 28, 2080–2084. [Google Scholar] [CrossRef]
- Han, B.; Lin, J.M.; Chen, W.J.; Ban, L.G.; Xiang, Z.T.; Chen, G.Q. Influence of Disconnector Operation Speed on Very Fast Transient Overvoltage. Proc. CSEE 2011, 31, 12–17. [Google Scholar]
- Hao, S.; Xv, J.Y.; Lin, S.; Zhong, J.Y.; Jin, G.Y. Research and Application of Arc Discharge Model Based on the Structure and Operation Characteristics of Disconnector. High Volt. Appar. 2022, 58, 131–136. [Google Scholar]
- Lu, B.; Shi, Y.; Zhan, H.; Duan, S. VFTO Suppression by selection of a combination of initial phase angle and contact velocity. IEEE Trans. Power Deliv. 2018, 33, 1115–1123. [Google Scholar] [CrossRef]
- Li, D.; Rong, M.; Zhang, M.; Wang, X.H. Effect of Isolating Switch Operation on Very Fast Transient Over-voltage in Extra-high Voltage GIS. High Volt. Appar. 2009, 45, 55–58+62. [Google Scholar]
- Xiang, Z.; Liu, W.; Qian, J.L.; Zhang, Y.L.; Shen, Y.Z.; Wang, S.P. High Voltage Simulation Test of VFTO Suppression in GIS Using Magnetic Rings. Trans. China Electrotech. Soc. 2004, 19, 1–3. [Google Scholar]
- Xiang, Z.; Liu, W.; Qian, J.; Zhang, Y.; Shen, Y.; Wang, S. Simulation test and computation of suppressing very fast transient overvoltage in GIS by magnetic rings. Proc. CSEE 2005, 25, 101–105. [Google Scholar]
- Guan, Y.G.; Zhang, M.; Yue, G.C.; Zhang, X.J.; Liu, W.D. Simulation test on suppressing VFTO in UHV GIS with Magnetic-rings. Proc. CSEE 2021, 37, 651–657. [Google Scholar]
- Jin, G.Y.; He, J.X.; Pei, T.; Liu, W.D.; Du, L.P. Recommended mounting position of ferrite ring for suppressing VFTO in 3/2 wiring mode substations. High Volt. Appar. 2019, 55, 11–17+24. [Google Scholar]
- Yang, X.L.; Mu, S.L.; Wang, H.; Liu, W.D.; Li, Z.B.; Li, X.Y.; Gu, Q. Experimental Study on VFTO Suppression Performance of Magnetic Ring Damping Bus for UHV GIS. High Volt. Appar. 2024, 60, 77–84. [Google Scholar]
- Liang, Z.; Zhuang, W.; Lin, C.; Liang, F.; Fan, X.; Li, C.; He, J. The development of a novel spacer of GIS with VFTO tolerance. IEEE Trans. Dielectr. Electr. Insul. 2023, 31, 1038–1043. [Google Scholar] [CrossRef]
- Gao, F.; Xu, X.; Tan, X.; Sun, W.; Liang, Z. Experimental Study on Suppressing VFTO in 550 kV GIS by Great and Small Magnetic Rings. In Proceedings of the 2017 1st International Conference on Electrical Materials and Power Equipment (ICEMPE), Xi’an, China, 14–17 May 2017; pp. 630–634. [Google Scholar]
- Lu, P.; Wang, W.; Zhou, M.; Liu, Q.; Shi, H. Method for Actively Suppressing Ferromagnetic Resonance of Distribution Network by Resistive Current. In Proceedings of the 2021 IEEE 1st International Power Electronics and Application Symposium (PEAS), Shanghai, China, 12–15 November 2021; pp. 1–6. [Google Scholar]
- Zhang, W.; Guo, J. Impedance Characteristics of Metal Oxide Varistor Under Different Pulses. In Proceedings of the IEEE Pulsed Power & Plasma Science (PPPS), Orlando, FL, USA, 23–29 June 2019; pp. 1–4. [Google Scholar]
- Gao, F.F.; Tan, X.Y.; Ling, C.; Zhang, J.P.; Wang, J.J.; Liang, Z.R. Experimental Study on Suppressing VFTO in GIS with Small and Large Magnetic Rings. High Volt. Appar. 2019, 55, 56–61+69. [Google Scholar]
- Holaus, W.; Smajic, J.; Kostovic, J. High-Voltage device and method for equipping a high-voltage device with means for reducing very fast transients (VFTs). Eur. Pat. Off. 2009, 09156418.7. [Google Scholar]
- Smajic, J.; Holaus, W.; Troeger, A.; Burow, S.; Brandl, R.; Tenbohlen, S. HF Resonators for Damping of VFTs in GIS. In IEEE Transactions on Power Delivery; IEEE: New York, NY, USA, 2011; pp. 177–183. [Google Scholar]
- Wang, S.; Mao, S.; Ou, Q.; Zhang, Q. Experimental Analysis of Internal Damp of Gapless Zinc Oxide Arrester. In Proceedings of the 2022 IEEE 5th International Electrical and Energy Conference (CIEEC), Nanjing, China, 27–29 May 2022; pp. 2261–2265. [Google Scholar]
- Chen, X.; Liu, J.; Lu, T.; Cheng, D.; Shi, W.; Lei, T.; Kang, P. Operation Safety Analysis of CMOA Controllable Switch Under Lightning Intrusion Wave in UHV AC Substation. In Proceedings of the 2021 International Conference on Power System Technology (POWERCON), Bangalore, India, 14–16 September 2021; pp. 1452–1456. [Google Scholar]
- Zhang, G.H.; Gou, J.; Xu, Y.F. The Analysis of Equivalent Circuits of Metal Oxide Surge Varistor Under Different Surge Currents. Insul. Surge Arresters 2006, 209, 37–41. [Google Scholar]
- Zhang, G.H.; Guo, J.; Xu, Y.F.; Sun, D.H. Accuracy of Metal Oxide Surge Arrester Model Under Steep-front Waves. High Volt. Eng. 2007, 33, 83–86+120. [Google Scholar]
- Kang, B.; Guan, X.Y.; Shu, N.Q. Application of Several Time-Frequency Analysis Methods in VFTO Spectrum Analysis. High Volt. Eng. 2015, 41, 680–686. [Google Scholar]
- Smajic, J.; Shoory, A.; Burow, S.; Holaus, W.; Riechert, U.; Tenbohlen, S. Simulation based design of HF-resonators for damping of very fast transients in GIS. IEEE Trans. Power Deliv. 2014, 29, 2528–2533. [Google Scholar] [CrossRef]
- Li, Y.; Zhang, B.D. Study on the Suppression of VFTO by Metal Oxide Arrester in GIS. Insul. Surge Arresters 2020, 4, 41–45. [Google Scholar]
- Ahmed, N.Y.; Illias, H.A.; Mokhlis, H.; Fahmi, D.; Khairi, M.T.B.M.; Abdullah, N. Mitigation of VFTO from a Power Transformer bushing in a 275 kV Gas Insulated Substation. In Proceedings of the 2024 International Seminar on Intelligent Technology and Its Applications (ISITIA), Mataram, Indonesia, 10–15 July 2024; pp. 244–249. [Google Scholar]
- Safonov, E.P.; Ivanova, E.A.; Zmaznov, E.Y.; Lozinova, N.G. Research of Resonant Overvoltages in Power Plant Auxiliary Circuits. In Proceedings of the 2021 IEEE Conference of Russian Young Researchers in Electrical and Electronic Engineering (ElConRus), St. Petersburg and Moscow, Russia, 26–29 January 2021; pp. 1068–1072. [Google Scholar]
- Qiao, S.; Shi, J.; Cai, H.; Liu, G.; Liao, M.; Hu, T. Research on Lightning Overvoltage and Its Suppression Method of High Coupling Current Limiting Reactor Used to 500kV Transmission Lines. In Proceedings of the 2020 IEEE International Conference on High Voltage Engineering and Application (ICHVE), Beijing, China, 6–10 September 2020; pp. 1–4. [Google Scholar]
- Zhang, Y.; Wang, S.; Zhao, H.; Zhu, L.; Liu, J.; Mo, W.; Qiao, S. Research on the Influence of Current Limiter Based on Highly Coupled Split Reactor on Main Circuit Breaker Overvoltage. In Proceedings of the 2021 IEEE 4th International Electrical and Energy Conference (CIEEC), Wuhan, China, 28–30 May 2021; pp. 1–6. [Google Scholar]
- Zhou, H.; Li, Y.; Shen, Y.; Wan, Y.R.; Chen, G.; Sun, K. Limitation of the Front Steepness of Very Fast Transient Overvoltage Invading Extra-High-Voltage Transformers by Overhead Lines. High Volt. Eng. 2013, 49, 943–950. [Google Scholar]
- Zhou, L.X.; Liu, J.J.; Zhong, X.Q.; Liu, B.W.; Fan, B.; Zhu, L.F. Analysis of the Suppression Effect of Overhead Lines on VFTO in GIS Substations. J. Electr. Power Sci. Technol. 2015, 1, 41–46. [Google Scholar]
- Zhao, L.; Ye, L.; Yang, Y.; Jiang, P. Simulation Study on Very Fast Transient Overvoltage Caused by the Operation of 550 kV GIS Disconnector. Zhejiang Electr. Power 2018, 37, 86–92. [Google Scholar]
- Wang, J.; Jiang, X.; Wang, L.; Li, H. Research on VFTO Characteristics of Substation using GIL-GIS-oil/SF 6 Bushing Structure. In Proceedings of the 2022 IEEE International Conference on High Voltage Engineering and Applications (ICHVE), Chongqing, China, 25–29 September 2022; pp. 1–4. [Google Scholar]
- Wang, Q.; Liu, J.; Huang, H.; Cui, H.; Xu, X.; Yang, Y.; You, H. Research on VFTO Characteristics of AC Withstand Voltage Test of GIS Equipment. In Proceedings of the 2023 Panda Forum on Power and Energy (PandaFPE), Chengdu, China, 27–30 April 2023; pp. 350–358. [Google Scholar]
- Shanavas, T.N.; Bharath, K.K.; Sunny, A.; Anju, P.M.; Rajeev, A. Modeling of 275 kV Gas Insulated Substation and Analysis and Mitigation of Very Fast Transient Overvoltages. In Proceedings of the 2021 International Conference on Computational Performance Evaluation (ComPE), Shillong, India, 1–3 December 2021; pp. 810–814. [Google Scholar]
- Urukundu, K.; Pallavi, C.; Krishna, V.; Rao, D.; Shanker, B.; Mohan, J. Very Fast Front Transient Overvoltage’s Surge Transfer Characteristics of 145 kV Three Phase Encapsulated Gas Insulated Current Transformer. In Proceedings of the 2024 IEEE 7th International Conference on Condition Assessment Techniques in Electrical Systems (CATCON), Kolkata, India, 22–24 November 2024; pp. 277–281. [Google Scholar]



















| Toroidal Materials | Length of Magnetic Ring/m | Test Voltage Level | |||||
|---|---|---|---|---|---|---|---|
| 50 kV | 75 kV | 100 kV | |||||
| End Voltage Multiplier | Rise Time/ns | End Voltage Multiplier | Rise Time/ns | End Voltage Multiplier | Rise Time/ns | ||
| Ferrite Ring | 0.2 | 1.3 | 12.5 | 1.4 | 12.4 | 1.5 | 18.0 |
| 0.5 | 1.1 | 80.0 | 1.1 | 50.0 | 1.1 | 30.7 | |
| 1.0 | 1.1 | 120.0 | 1.1 | 90.0 | 1.1 | 75.0 | |
| 2.0 | 1.1 | 170.0 | 1.1 | 140.0 | 1.1 | 125.0 | |
| Amorphous Magnetic Ring | 0.2 | 1.4 | 20.0 | 1.4 | 22.0 | 1.5 | 24.0 |
| 0.5 | 1.3 | 16.0 | 1.3 | 26.0 | 1.3 | 28.0 | |
| 1.0 | 1.3 | 50.0 | 1.3 | 52.0 | 1.2 | 52.0 | |
| 2.0 | 1.4 | 72.0 | 1.4 | 70.0 | 1.3 | 72.0 | |
| Method | Amplitude Suppression Effect | Steepness Suppression Effect | Frequency Suppression Effect | Advantage | Disadvantage |
|---|---|---|---|---|---|
| Damping resistance method | 45.4% (500 Ω) | 79% (500 Ω) | remarkable | comprehensive effect | complex structure, technology dependent on imports |
| Disconnecting switch operation method | ≤10% (speed optimization) | No data | no | inexpensive | limited effectiveness, complexity of control |
| Inductance method | 1.83→1.0 p.u. (ferrite) | 10.4→5.04 kV/ns | remarkable | amplitude and steepness can be taken into account | easily saturated, difficult to install and maintain |
| lightning arrester method | drop to 0.8 p.u. (1100 kV) | Inconspicuous | no | easy to implement | poor steepness suppression, mechanism unclear |
| Overhead line method | ineffective (requires long cable assistance) | 20 m overhead line with 250 m cable | no | no additional equipment | poor amplitude suppression and limitations on overhead line lengths |
Disclaimer/Publisher’s Note: The statements, opinions and data contained in all publications are solely those of the individual author(s) and contributor(s) and not of MDPI and/or the editor(s). MDPI and/or the editor(s) disclaim responsibility for any injury to people or property resulting from any ideas, methods, instructions or products referred to in the content. |
© 2025 by the authors. Licensee MDPI, Basel, Switzerland. This article is an open access article distributed under the terms and conditions of the Creative Commons Attribution (CC BY) license (https://creativecommons.org/licenses/by/4.0/).
Share and Cite
Wang, H.; Diao, Y.; Wu, X.; Du, B. A Review of Research Progress in Very Fast Transient Overvoltage (VFTO) Suppression Technology. Energies 2025, 18, 2147. https://doi.org/10.3390/en18092147
Wang H, Diao Y, Wu X, Du B. A Review of Research Progress in Very Fast Transient Overvoltage (VFTO) Suppression Technology. Energies. 2025; 18(9):2147. https://doi.org/10.3390/en18092147
Chicago/Turabian StyleWang, Huan, Yinglong Diao, Xixiu Wu, and Bolun Du. 2025. "A Review of Research Progress in Very Fast Transient Overvoltage (VFTO) Suppression Technology" Energies 18, no. 9: 2147. https://doi.org/10.3390/en18092147
APA StyleWang, H., Diao, Y., Wu, X., & Du, B. (2025). A Review of Research Progress in Very Fast Transient Overvoltage (VFTO) Suppression Technology. Energies, 18(9), 2147. https://doi.org/10.3390/en18092147
