Anomaly Detection and Localization via Graph Learning
Abstract
1. Introduction
- A graph learning algorithm is used to capture the spatiotemporal relationship of streaming PMU data via spatiotemporal graphs.
- Graph-based metrics are proposed for anomaly detection and localization via spatiotemporal graph analysis from two levels: from the global level, the global connectivity of spatiotemporal graphs is evaluated for detecting whether there exists an anomaly in a power system; from the local level, the local connectivity of nodes in the relevant spatiotemporal graph is evaluated for anomaly localization.
- A spatiotemporal, graph-based framework is proposed for efficiently detecting and locating anomaly by considering spatiotemporal interdependence across multiple PMUs to support the decision-making of grid operators.
2. Materials and Methods
2.1. Graph Learning
| Algorithm 1: Graph Laplacian Estimation | |||||
| Input: Sample statistic S, connectivity matrix A, regularization matrix H, target Laplacian set and tolerance ε Output: and | |||||
| 1: | Set K = S + H | ||||
| 2: | Initialize | ||||
| 3: | repeat | ||||
| 4: | Set | ||||
| 5: | for u = 1 to n do | ||||
| 6: | Partition , , and A as in (3) for u | ||||
| 7: | Update | ||||
| 8: | Solve (8) for with, and S in (9) | ||||
| 9: | Update and using the solution from above: | ||||
| 10: | Update , and : | ||||
| 11: | Rearrange and using P for u as in (3) | ||||
| 12: | end for | ||||
| 13: | until criterion (, ) ≤ ε | ||||
| 14: | return and = | ||||
2.2. Graph Learning-Based Spatiotemporal Analysis for Detecting and Locating Anomalies
3. Results
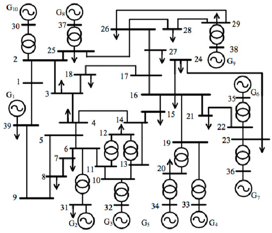
3.1. IEEE 39-Bus System
3.2. Performance of the Proposed Method
3.3. Realistic PMU Data
4. Discussion
5. Conclusions
Author Contributions
Funding
Data Availability Statement
Conflicts of Interest
Appendix A
References
- North America Synchrophasor Initiatives. Time Synchronization Electric Power System. Available online: https://www.naspi.org/sites/default/files/reference_documents/tstf_electric_power_system_report_pnnl_26331_march_2017_0.pdf (accessed on 19 August 2024).
- Joshi, P.M.; Verma, H.K. Synchrophasor measurement applications and optimal PMU placement: A review. Electr. Power Syst. Res. 2021, 19, 107428. [Google Scholar] [CrossRef]
- North America Synchrophasor Initiatives. Synchrophasor Technology Fact Sheet. Available online: https://www.naspi.org/sites/default/files/reference_documents/33.pdf?fileID=1326 (accessed on 19 August 2024).
- U.S. Department of Energy. Smart Grid Investment Grant Program-Progress Report [Online]. Available online: https://www.energy.gov/sites/prod/files/2017/01/f34/Final%20SGIG%20Report%20-%202016-12-20_clean.pdf (accessed on 19 August 2024).
- Aminifar, F.; Fotuhi-Firuzabad, M.; Safdarian, A.; Davoudi, A.; Shahidehpour, M. Synchrophasor Measurement Technology in Power Systems: Panorama and State-of-the-Art. IEEE Access 2014, 2, 1607–1628. [Google Scholar] [CrossRef]
- Yen, S.W.; Morris, S.; Ezra, M.A.G.; Huat, T.J. Effect of smart meter data collection frequency in an early detection of shorter-duration voltage anomalies in smart grids. Int. J. Electr. Power Energy Syst. 2019, 109, 1–8. [Google Scholar] [CrossRef]
- Song, L.; Li, X.; Zhu, S.; Choy, Y. Cascade ensemble learning for multi-level reliability evaluation. Aerosp. Sci. Technol. 2024, 148, 109101. [Google Scholar] [CrossRef]
- Khaledian, E.; Pandey, S.; Kundu, P.; Srivastava, A.K. Real-time synchrophasor data anomaly detection and classification using isolation forest, kmeans, and loop. IEEE Trans. Smart Grid 2021, 12, 2378–2388. [Google Scholar] [CrossRef]
- Pandey, S.; Srivastava, A.K.; Amidan, B.G. A real-time event detection, classification, and localization using synchrophasor data. IEEE Trans. Power Syst. 2020, 35, 4421–4431. [Google Scholar] [CrossRef]
- Jamei, M.; Scaglione, A.; Roberts, C.; Stewart, E.; Peisert, S.; McParland, C.; McEachern, A. Anomaly Detection Using Optimally Placed μPMU Sensors in Distribution Grids. IEEE Trans. Power Syst. 2018, 33, 3611–3623. [Google Scholar] [CrossRef]
- Zhou, Y.; Arghandeh, R.; Konstantakopoulos, I.; Abdullah, S.; Spanos, C.J. Data-driven event detection with partial knowledge: A hidden structure semi-supervised learning method. In Proceedings of the 2016 American Control Conference (ACC), Boston, MA, USA, 6–8 July 2016. [Google Scholar] [CrossRef]
- Gholami, A.; Qin, C.; Pannala, S.; Srivastava, A.K.; Rahmatian, F.; Sharma, R. D-PMU Data Generation and Anomaly Detection Using Statistical and Clustering Techniques. In Proceedings of the 2022 10th Workshop on Modelling and Simulation of Cyber-Physical Energy Systems (MSCPES), Milan, Italy, 3 May 2022. [Google Scholar] [CrossRef]
- Cui, M.; Wang, J.; Florita, A.R.; Zhang, Y. Generalized Graph Laplacian Based Anomaly Detection for Spatiotemporal MicroPMU Data. IEEE Trans. Power Syst. 2019, 34, 3960–3963. [Google Scholar] [CrossRef]
- Simeunović, J.; Schubnel, B.; Alet, P.-J.; Carrillo, R.E. Spatio-Temporal Graph Neural Networks for Multi-Site PV Power Forecasting. IEEE Trans. Sustain. Energy 2022, 13, 1210–1220. [Google Scholar] [CrossRef]
- Egilmez, H.E.; Pavez, E.; Ortega, A. Graph learning from data under structural and Laplacian constraints. IEEE J. Sel. Top. Signal Process. 2017, 11, 825–841. [Google Scholar] [CrossRef]
- Huang, S.; Coulombe, S.; Hitti, Y.; Rabbany, R.; Rabusseau, G. Laplacian change point detection for single and multi-view dynamic graphs. ACM Trans. Knowl. Discov. Data 2024, 18, 1–32. [Google Scholar] [CrossRef]
- Zhang, C.; Zhang, L.; Chen, N. Spectral network approach for multi-channel profile data analysis with applications in advanced manufacturing. In Proceedings of the 2017 IEEE International Conference on Industrial Engineering and Engineering Management (IEEM), Singapore, 10–13 December 2017. [Google Scholar] [CrossRef]
- Pirani, M.; Sundaram, S. On the Smallest Eigenvalue of Grounded Laplacian Matrices. IEEE Trans. Autom. Control 2016, 61, 509–514. [Google Scholar] [CrossRef]
- IEEE 39-Bus System (PSCAD). Available online: https://www.pscad.com/knowledge-base/download/ieee_39_bus_technical_note.pdf (accessed on 10 September 2024).
- Pukelsheim, F. The Three Sigma Rule. Am. Stat. 1994, 48, 88–91. [Google Scholar] [CrossRef]







| Segment | λ2 |
|---|---|
| 1 | 0.5521 |
| 2 | 0.0020 |
| 3 | 0.4051 |
| Buses | ki |
|---|---|
| Bus 19 | 0.2884 |
| Bus 20 | 0.7970 |
| Bus 33 | 0.8221 |
| Bus 24 | 1.2194 |
| Bus 16 | 1.4093 |
| Bus 15 | 1.6170 |
| Bus 34 | 1.9604 |
| Bus 17 | 1.9951 |
| Bus 27 | 2.0376 |
| Bus 21 | 2.0547 |
| Bus 18 | 2.0703 |
| Bus 23 | 2.3075 |
| Bus 22 | 2.3112 |
| Bus 14 | 2.3491 |
| Bus 3 | 2.3825 |
| Bus 26 | 2.3832 |
| Bus 4 | 2.4880 |
| Bus 13 | 2.5328 |
| Bus 12 | 2.5857 |
| Bus 10 | 2.5898 |
| Bus 8 | 2.6245 |
| Bus 11 | 2.6261 |
| Bus 28 | 2.6283 |
| Bus 7 | 2.6365 |
| Bus 25 | 2.6373 |
| Bus 29 | 2.6428 |
| Bus 35 | 2.6527 |
| Bus 36 | 2.6539 |
| Bus 5 | 2.6626 |
| Bus 38 | 2.6684 |
| Bus 6 | 2.6712 |
| Bus 2 | 2.6921 |
| Bus 39 | 2.7216 |
| Bus 9 | 2.7342 |
| Bus 32 | 2.7862 |
| Bus 1 | 2.7917 |
| Bus 37 | 2.7957 |
| Bus 31 | 2.7970 |
| Bus 30 | 2.8065 |
| Methods | Accuracy | Precision | Recall |
|---|---|---|---|
| Approach in [13] | 92% | 60% | 75% |
| Proposed method | 97% | 80% | 100% |
Disclaimer/Publisher’s Note: The statements, opinions and data contained in all publications are solely those of the individual author(s) and contributor(s) and not of MDPI and/or the editor(s). MDPI and/or the editor(s) disclaim responsibility for any injury to people or property resulting from any ideas, methods, instructions or products referred to in the content. |
© 2025 by the authors. Licensee MDPI, Basel, Switzerland. This article is an open access article distributed under the terms and conditions of the Creative Commons Attribution (CC BY) license (https://creativecommons.org/licenses/by/4.0/).
Share and Cite
Amusan, O.; Wu, D. Anomaly Detection and Localization via Graph Learning. Energies 2025, 18, 1475. https://doi.org/10.3390/en18061475
Amusan O, Wu D. Anomaly Detection and Localization via Graph Learning. Energies. 2025; 18(6):1475. https://doi.org/10.3390/en18061475
Chicago/Turabian StyleAmusan, Olabode, and Di Wu. 2025. "Anomaly Detection and Localization via Graph Learning" Energies 18, no. 6: 1475. https://doi.org/10.3390/en18061475
APA StyleAmusan, O., & Wu, D. (2025). Anomaly Detection and Localization via Graph Learning. Energies, 18(6), 1475. https://doi.org/10.3390/en18061475

