Abstract
Recent research in the liquefied natural gas (LNG) industry has concentrated on reducing specific power consumption (SPC) during production, which helps to lower operating costs and decrease the carbon footprint. Although reducing the SPC offers benefits, it can complicate the system and increase investment costs. This review investigates the thermodynamic parameters of various natural gas (NG) liquefaction technologies. It examines the cryogenic NG processes, including integrating NG liquid recovery plants, nitrogen rejection cycles, helium recovery units, and LNG facilities. It explores various approaches to improve hybrid NG liquefaction performance, including the application of optimization algorithms, mixed refrigerant units, absorption refrigeration cycles, diffusion–absorption refrigeration systems, auto-cascade absorption refrigeration processes, thermoelectric generator plants, liquid air cold recovery units, ejector refrigeration cycles, and the integration of renewable energy sources and waste heat. The review evaluates the economic aspects of hybrid LNG systems, focusing on specific capital costs, LNG pricing, and capacity. LNG capital cost estimates from academic sources (173.2–1184 USD/TPA) are lower than those in technical reports (486.7–3839 USD/TPA). LNG prices in research studies (0.2–0.45 USD/kg, 2024) are lower than in technical reports (0.3–0.7 USD/kg), based on 2024 data. Also, this review investigates LNG accidents in detail and provides valuable insights into safety protocols, risk management strategies, and the overall resilience of LNG operations in the face of potential hazards. A detailed evaluation of LNG plants built in recent years is provided, focusing on technological advancements, operational efficiency, and safety measures. Moreover, this study investigates LNG ports in the United States, examining their infrastructures, regulatory compliance, and strategic role in the global LNG supply chain. In addition, it outlines LNG’s current status and future outlook, focusing on key industry trends. Finally, it presents a market share analysis that examines LNG distribution by export, import, re-loading, and receiving markets.
1. Introduction
Natural gas (NG) extracted from underground reservoirs often contains various impurities, such as carbon dioxide (CO2), hydrogen sulfide (H2S), nitrogen (N2), and other contaminants (e.g., suspended particulates, wastewater, and condensates) [1,2,3]. Unrefined (unprocessed) NG is sourced from three types of wells: oil reservoirs, gas deposits, and condensate zones [4,5]. When NG is extracted alongside crude oil, it is referred to as associated gas. This gas can exist independently as free gas within the reservoir or be dissolved within the crude oil [6]. Also, NG obtained from gas and condensate zones, where crude oil is minimal or absent, is called non-associated gas. Gas wells primarily yield NG, while condensate zones produce NG and liquid hydrocarbon condensates. Regardless of its origin, once NG is separated from crude oil, it typically exists alongside other hydrocarbons such as ethane (C2H6), propane (C3H8), butane (C4H10), and pentane (C5H12) [7,8]. NG is typically treated before it can be delivered to markets. Gas processing (treatment) encompasses a series of industrial techniques to purify raw gas by eliminating or reducing impurities, contaminants, and heavier hydrocarbons [9]. NG processing involves condensate/water (H2O) elimination, acid gas extraction, dehydrationremoval of moisture, mercury extraction, N2 removal, and natural gas liquid (NGL) recovery [10,11].
In addition to these steps, installing scrubbers and heaters at or near the wellhead is often essential. Scrubbers eliminate sand and other large-particle impurities, while heaters prevent the NG temperature from dropping too low, which could form hydrates with the H2O present in the gas stream [12]. Natural gas hydrates (NGHs) are crystalline, ice-like solids or semi-solids that can obstruct the NG flow through valves and pipelines [12,13]. Figure 1 presents a typical NG flow processing diagram. Following an initial scrubbing process to remove particulates, the first step in NG processing involves the removal of condensate (oil) and H2O [12]. This is accomplished by regulating the temperature and pressure of the inlet stream from the well, as depicted in Figure 1. The gas that is separated in this unit proceeds to acid gas recovery; the recovered condensate or oil is typically sent to a refinery for further processing, while the H2O is either disposed of or treated as wastewater [10]. Following sweetening and dehumidification processes, the treated and dried gas must meet specific transmission standards to be eligible for integration into the pipeline system and subsequent injection into the national grid [14]. This ensures that the gas maintains its single-phase (gaseous) state throughout the entire transmission route, thereby preventing the liquefaction of heavier hydrocarbons and, consequently, the occurrence of two-phase flow within the pipeline [15].
Figure 1.
A typical flow diagram of the natural gas processing sequence, modified from Refs. [10,12].
A decrease in pressure and temperature typically accompanies gas transmission through pipelines. These conditions can create an environment conducive to separating heavier hydrocarbons from the gas stream [16]. Heavier hydrocarbons, which possess a higher calorific value and are valuable in various conversion processes, are useful for domestic consumption and potential export commodities [17]. The feed gas is generally removed from heavier hydrocarbons (e.g., C2H6, C3H8, and C4H10, collectively referred to as NGLs) [18,19]. Efforts have been made to integrate the NGL recovery process with the liquefied NG (LNG) unit to minimize redundant equipment and leverage the benefits of a shared refrigeration system [19,20,21,22,23,24,25]. Following this treatment, the NG undergoes liquefaction through multiple stages of pre-cooling and sub-cooling, typically within compact but high-capacity plate-and-frame heat exchangers. The resultant methane-rich (CH4-) gas is then transferred to cryogenic storage tanks and maintained at or near atmospheric pressure, in preparation for transportation [26,27,28].
British chemist Michael Faraday was the first to conduct experiments on natural gas liquefaction. In 1873, a German engineer, Carl von Linde, constructed the earliest compression-based refrigeration apparatus [29,30,31]. The initial experimental facility for storing LNG was developed in Virginia, United States of America (USA), in 1912. By 1941, the first commercial natural gas liquefaction plant was established in Cleveland, Ohio, USA, featuring storage tanks operating at atmospheric pressure [32,33]. In 1959, Methane Pioneer, the inaugural experimental LNG carrier, started on its journey from the Louisiana Gulf to the United Kingdom (UK) [34,35]. In 1964, the UK and France received the first commercial delivery of Algerian LNG, with Algeria’s Arzew facility recognized as the initial large-scale liquefaction terminal [33,34,36,37]. By 1969, further LNG trades were conducted between Algeria and France, Libya and Italy, and Spain and Cook Bay in Japan, initiating the first LNG project in the Pacific area [33]. From 1972 to 1978, the USA debuted in the LNG market by launching four regasification facilities. In 1973, Japan began importing LNG from Brunei, signifying the start of the Pacific region’s critical role in the LNG industry, with Korea and Taiwan later emerging as key importers [33]. Royal Dutch Shell plc. has a significant role in the industry, with stakes in over 30% of global LNG production [38]. While Shell’s proprietary dual mixed refrigerant (DMR) technology was used primarily at the Sakhalin-2 LNG plant, most of Shell’s LNG operations utilize technologies from companies like Linde plc., ConocoPhillips, and Air Products and Chemicals, Inc. (APCI) [38]. Linde plc. oversees small- to mid-scale LNG plants using a single mixed refrigerant (SMR) technology or a N2 double-expansion cycle, with a capacity of 6.7 million tons per annum (MTPA). Major facilities in Norway and Venezuela use Linde’s mixed fluid cascade (MFC) process, each producing approximately 4.3 MTPA [38]. ConocoPhillips’ optimized cascade (CPOC) process is implemented in large-scale LNG trains, delivering 113.9 MTPA by 2024 [39].
Among the liquefaction facilities that commenced operations in 2023, Tangguh LNG Train 3, located in Bintuni Bay, Indonesia, utilized Air Products’ propane pre-cooled mixed refrigerant/mixed component refrigerant (AP-C3MR/SplitMR) technology. Figure 2 compares the global capacity of the various liquefaction technologies installed and approved from 1961 to 2029. Air Products’ liquefaction technologies currently lead the market in liquefaction processes, with approximately 67% of the total operational capacity in 2023. Among these, AP-C3MR and AP-C3MR/SplitMR technologies contribute about 57% of the global operational capacity [39]. The installed and approved liquefaction technologies in LNG processes from 1961 to 2029 included Shell Technologies, BHGE Technologies, Linde Technologies, CPOC, Air Products Technologies, AP-X, AP-C3MR/SplitMR, AP-C3MR, and others (e.g., DMR and MFC) [39,40,41,42,43].
Figure 2.
Capacity of different liquefaction technologies installed and approved worldwide from 1961 to 2029, modified from Ref. [39].
LNG production, similar to other liquefaction processes, is highly energy-intensive. Current research in the LNG industry primarily focuses on reducing specific power consumption (SPC) during production, ultimately lowering project costs and increasing economic viability [19,20,44,45,46,47]. Due to the high costs associated with cryogenic systems and the complex interactions within the ultra-cold integrated NG processes, extensive research has been conducted on optimizing and integrating these systems with the core production process [48,49,50,51]. Integrating LNG, NGL, and NRU units eliminated reboilers and condensers within the distillation columns and used shared refrigeration systems for utility supply [23,52]. A technique was introduced for extracting CH4, N2, and NGL from an NG feed stream, with the extraction process conducted under high-pressure conditions by incorporating a N2 removal unit (NRU) [53]. This process comprised a distillation column powered by a heat pump and a dedicated stage for handling NGLs. N2 removal occurred over a broad concentration range, from 1% to 80% of the input stream. N2 was separated from NG through cryogenic distillation by McNeil et al. [54]. The feed entered a system of two columns at similar pressures. CH4-rich liquid from the primary column was partially vaporized, and condensed N2 vapor was returned for reflux. In the secondary column, CH4-rich liquid was vaporized to produce more CH4, and condensed N2 vapor was returned for cooling. Extensive research has investigated optimization analysis and pinch techniques for heat recovery in cryogenic natural gas systems, with selected studies [14,15,22,24,27,51,55,56,57,58,59,60] available in the Supplementary Materials.
Efforts to reduce SPC in LNG units are frequently desirable because they can significantly improve the efficiency and the economic viability of large-scale NG storage and transmission. Lowering SPC directly translates into lower operational costs and a more competitive LNG production process. In addition, reducing SPC decreases the carbon footprint of LNG operations, which is crucial for meeting global net-zero emission targets. Despite these advantages, most research on NG liquefaction systems has primarily concentrated on reducing the SPC. During efforts to optimize the performance of LNG units, key parameters such as capital and operational costs, system complexity, and environmental impacts are frequently disregarded. Adopting a more comprehensive approach with the growing global focus on reaching net-zero emissions is important. This approach should prioritize SPC reduction while also incorporating a comprehensive assessment of capital and operating costs, system design simplicity and scalability, and environmental impacts. To the best of our knowledge, based on an extensive literature review, no comprehensive review has been conducted to enhance the performance of cryogenic NG processes by considering factors such as SPC, energy/exergy efficiency, capital and operating prices, capacity, complexity, and associated emissions. In more detail, this review examines various NG liquefaction technologies (e.g., APCI, AP-X, CPOC, SMR, DMR, MFC, and Axens Liquefin). It systematically analyzes integrated cryogenic NG processes such as LNG/NRU, LNG/NGL, LNG/NGL/NRU, and LNG/helium recovery. It details technologies aimed at improving the performance of cryogenic NG processes, including using optimization algorithms, mixed refrigerant (MR) systems, absorption refrigeration cycles (ARCs), diffusion–absorption refrigeration cycles (DARCs), auto-cascade absorption refrigeration (ACAR) units, thermoelectric generators (TEGs), liquid air cold recovery, ejector refrigeration cycles, and the integration with renewable energy sources and waste. This review explores the financial, safety, and environmental considerations associated with different methods used in LNG systems. Moreover, it assesses the current developments in LNG technologies and identifies potential future advancements.
2. Liquefied Natural Gas Technologies
Due to the non-uniform global distribution of NG, with its reservoirs being concentrated in specific geographic regions, NG transmission is a crucial industry. It significantly contributes to the broader utilization of NG by transporting energy [61,62]. The costs, which are further determined by the source-to-destination distance, largely influence the selection of the most suitable transmission method among traditional options such as pipelines, LNG, liquid hydrocarbons, and electricity [28,63]. Transporting NG through pipelines results in lower greenhouse gas (GHG) emissions compared to LNG. However, this benefit diminishes as the distance of transportation increases. LNG becomes a more cost-effective option for onshore and offshore pipelines exceeding 4800 and 1600 km, respectively [61]. The energy usage and GHG emissions of onshore pipelines and LNG become comparable at transport distances of 13,000 and 7500 km, respectively. The limitations of using gas pipelines include inflexibility in route options, reliance primarily on long-term supply agreements, and a fixed supply capacity determined by the pressure differential within the pipeline [64,65].
The primary distinction between LNG and compressed NG (CNG) is in their storage methods. CNG is created by compressing NG to a high pressure exceeding 200 bar while maintaining ambient temperature [66]. Constructing pressure vessels for large-scale and long-distance gas transportation can be prohibitively expensive and sometimes unfeasible. Thus, the most cost-effective solution for large-scale gas exports is to liquefy and transport the gas using marine tankers [67,68].
Natural gas that is composed primarily of paraffinic hydrocarbons such as CH4, C2H6, C3H8, and C4H10 may contain small amounts of higher hydrocarbons, CO2, H2S, and N2 [69,70]. It is converted to LNG by cooling it to −162 to −164 °C, which turns it into a liquid and reduces its volume by over 600 times, allowing it to be transported globally in specially designed ships [70,71,72,73,74]. LNG is a clear, odorless, non-toxic, non-corrosive cryogenic liquid with a 0.4–0.5 kg/L density, depending on conditions. LNG floats and evaporates quickly when spilled on H2O, eliminating the need for cleanup. It evaporates quickly without residue and only burns when its concentration in the air is 5–15% [75]. Removing acid gases such as CO2 and H2S before liquefaction is important for producing pure CH4. Table S1 in the Supplementary Materials compares the physical and chemical properties of LNG, diesel, gasoline, and liquefied petroleum gas [70]. LNG has a high auto-ignition temperature of 540 °C and an extremely low flash point of −187 °C, in contrast to diesel and gasoline which have lower ignition temperatures and different flash points. LNG’s boiling point is much lower at −160 °C, and it has a flammable range of 5–15%, whereas diesel does not have a specified flammable range [70]. LNG is stored under atmospheric pressure, is non-toxic and non-carcinogenic, and poses no health risks, unlike diesel and gasoline, which are toxic and carcinogenic and can cause health issues such as eye irritation [70,76].
LNG can be categorized into three types based on density: heavy, medium, or light [69,77,78,79]. The composition of each type is shown in Table S2 of the Supplementary Materials [80,81]. Heat transfer to LNG through insulated spaces causes it to boil, creating boil-off gas (BOG) [82,83]. Most BOG forms during cargo transport due to temperature differences, LNG spraying for tank cooling, and fluid movement inside the tank (especially in rough weather) [81,82,84]. LNG processes are typically categorized based on their core process technologies, such as expander-, MR-, or hybrid-type systems [8,85]. However, a more refined classification takes into account several additional factors. These include the number of refrigeration processes involved, the type of refrigerant used (i.e., mixed or pure), the arrangement of the refrigeration process (i.e., cascade or parallel), whether an expander is employed, the nature of the refrigerant (i.e., flammable or non-flammable), the presence or absence of pre-cooling, and the type of heat exchanger utilized (e.g., spiral-wound and plate-frame exchanger) [8]. Figure 3 depicts the classification of refrigeration units in LNG processes. The classification of refrigeration systems used in LNG processes is illustrated in three primary categories [24]: single stage, cascade, and multi-stage.
Figure 3.
Classification of refrigeration units in LNG processes, modified from Ref. [24].
The following section investigates the most common gas liquefaction technologies, including SMR, APCI, Air Products’ advanced mixed refrigerant (AP-X), DMR, CPOC, MFC, and Axens Liquefin processes, which have been effectively implemented in land-based liquefaction plants. Also, a detailed examination of technological advancements, thermodynamic efficiencies, and main challenges associated with each process is provided in this section, along with a comparative assessment of their suitability across different operational conditions and performance constraints.
2.1. SMR Processes
The SMR process encompasses the Black & Veatch Pritchard PRICO process, the Technip/Air Liquide TEALARC process, the APCI single mixed refrigerant process (AP-SMR), the Linde Multi-stage mixed refrigerant process (LIMUM), and the Kryopak Pre-cooled mixed refrigerant process (PCMR) [64]. Black & Veatch Company initially introduced the PRICO process in the 1950s. Featuring just a single throttle valve, this system is known for its simplicity, compact design, and low capital costs, making it a popular choice for small- to mid-sized LNG plants [86]. Figure 4 presents a simplified schematic of the PRICO process, which is patented by Black & Veatch. This process operates with a single cooling cycle, utilizing a refrigerant mixture of N2, CH4, C2H6, C3H8, and C5H12. It has been implemented in older LNG plants in Algeria, with each unit having a capacity of around 1.3 MTPY. The refrigerant fluid undergoes liquefaction after two-stage condensation and inter-stage cooling and then becomes colder and two-phased through flash evaporation. The vapor and liquid are separated and further cooled in PFHE, with the composition of the cooling fluids at different stages controlled by adjusting the liquid levels in the separators. The existing Algerian unit uses axial compressors and gas turbines [87].
Figure 4.
A simplified schematic of the PRICO process for natural gas liquefaction, modified from Ref. [87].
However, due to equipment size constraints, large-scale LNG production using the PRICO process requires parallel systems, which increases fixed and operating costs and reduces its competitiveness compared to processes with two or three cooling cycles. As a result, the PRICO process, along with other single-stage liquefaction processes, is no longer favored for large LNG production and export units [86,87]. In addition, constructing low-capacity LNG units for gas export has become economically unfeasible with the advent of newer, higher-capacity processes. As a result, the PRICO process is primarily utilized for LNG production and storage for injection into gas supply networks during peak consumption periods.
Figure 5 illustrates the SPC characteristics of various SMR-based LNG structures. A indicates that the SPC for LNG cycles using the SMR process ranges from 0.22 to 0.48 kWh/kg LNG [86,88,89,90,91,92,93,94,95,96,97,98,99,100,101,102,103,104,105,106]. In addition, studies report that the exergy efficiency of SMR-based LNG processes varies between 30% and 67.8% [86,97,98,100,101,107].
Figure 5.
Energy consumption characteristics of some SMR-based LNG structures; extracted data from Refs. [86,88,89,90,91,92,93,94,95,96,97,98,99,100,101,102,103,104,105,106,108,109,110,111,112,113,114].
2.2. APCI Technologies
The APCI processes are the most widely used LNG production method worldwide and are considered an American technology [115,116,117]. Since its initial deployment in Brunei LNG in 1972, the AP-C3MR technology has held a leading position in liquefaction, representing nearly 57% of global operational capacity (including the SplitMR variation) by 2023. The expansion of AP-C3MR’s market share was largely driven by the projects undertaken by QatarGas (now QatarEnergy). Beginning with the launch of QatarGas 1 Train 1 in 1996, approximately 30 MTPA capacities have been achieved. The Damietta LNG facility was the first to implement the C3MR/SplitMR technology, which enhances the AP-C3MR system by optimizing its mechanical configuration, resulting in higher turbine efficiency [39]. Even today, it remains the preferred choice among buyers and operators. Figure 6 presents a simplified and detailed schematic of the APCI C3MR process for NG liquefaction. This process uses two cooling cycles: the C3H8 cycle for pre-cooling and the MR cycle for liquefaction and supercooling [115]. C3H8 undergoes multi-stage compression to reach cooling temperatures of −35 to −40 °C while also cooling the MRs. In the MR cycle, a refrigerant mixture undergoes compression, cooling, and liquefaction before being directed to a spiral-wound heat exchanger (SWHE) for additional gas cooling processes. The C3MR process is popular in the LNG industry for its reliability and ease of operation despite its lower thermodynamic efficiency due to using pure refrigerants [118,119,120]. Figure 7 presents the SPC characteristics of several C3MR-based LNG structures. According to the literature, the energy consumption of LNG cycles utilizing the C3MR process has been documented to be 0.2–0.41 kWh/kg LNG [14,24,38,56,88,103,106,110,121,122,123,124,125,126,127,128,129,130,131,132,133]. Also, studies report that the exergy efficiency of C3MR-based LNG processes ranges from 29.2% to 65.2% [38,56,110,126,129,131,134,135,136,137,138,139,140]. Furthermore, technical reports indicate that the energy consumption of C3MR-based LNG cycles is 0.292–0.3 kWh/kg LNG [64].

Figure 6.
Key manipulated and control variables for the liquefaction section of the APCI C3MR system: (a) simplified schematic of the APCI C3MR process and (b) APCI C3MR method with details, modified from Refs. [141,142].
Figure 7.
SPC characteristics of some C3MR-based LNG structures; extracted data from Refs. [14,24,38,56,88,103,106,110,121,122,123,124,125,126,127,128,129,130,131,132,133].
2.3. AP-X Technologies
In the past decade, APCI introduced a modification that has increased LNG plant capacities to over 6 MTPA (e.g., several liquefaction trains in Qatar, commissioned between 2008 and 2011, exceed 7.8 MTPA). The AP-X process adds a third refrigerant cycle, utilizing a N2 expander, to handle LNG sub-cooling outside the main cryogenic heat exchanger [118]. This strategy preserves the main exchanger’s size by transferring the sub-cooling workload to the N2 cycle, enabling liquefaction capacities of up to 10 MTPA without requiring a larger main exchanger. [118]. This larger train capacity is achieved by incorporating a N2 expander cycle for sub-cooling, which reduces C3H8 flow by 20% and MR by 40% [143]. As an American innovation, the ConocoPhillips technology is a widely used method for LNG production. First implemented in 1969 at the Kenai LNG plant in Alaska, the process has since been modified and applied in Egypt, Australia, Equatorial Guinea, Angola, Australia, and the USA. The process uses three separate cooling cycles in a cascade system for NG pre-cooling, liquefaction, and supercooling. Each cycle uses a pure refrigerant in two or three pressure stages [144]. Air Products’ nitrogen expansion process (AP-N), as a compact version of Air Products’ advanced mixed refrigerant (AP-X) supercooling technology, is implemented on Petronas’ PFLNG Satu and PFLNG Dua in Malaysia, while Coral South FLNG in Mozambique utilizes the AP DMR process [39]. AP-N is the sole expander-based (EXP) technology used in offshore projects, offering simplicity and reduced equipment requirements that are advantageous over the MR process. The Golar Gimi FLNG, a retrofitted moss-type LNG carrier, will employ Black & Veatch’s PRICO technology [39].
2.4. ConocoPhillips Technologies
The optimized cascade method developed by ConocoPhillips was initially applied at Kenai LNG in the late 1960s and came back with the launch of Atlantic LNG Train 1 in 1999 [39]. Air Products’ market share in liquefaction technology dropped from over 90% in the 1980s and 1990s to 67.3% in 2023, due to the rise in CPOC technology. Now used in a 113.9 MTPA capacity, it is the second leading technology. New technologies are expected to emerge from 2024 to 2029, driven by demand for smaller LNG trains [39]. Figure 8 illustrates the process diagram of the CPOC-based LNG process. In the first cycle, C3H8 is used to cool the gas to −35 °C. The second and third cycles use a plate-fin heat exchanger (PFHE), with ethylene in the second cycle cooling the gas to −100 °C, and CH4 in the third cycle for supercooling. In the 1990s, ConocoPhillips improved this process by converting the third cycle to a two-stage open cycle [145]. In this process, feed gas passes through C3H8 and ethylene chillers in stages. Air or cooling H2O removes the heat and condenses C3H8, which in turn cools and condenses ethylene. Heavier components (i.e., NGL) are removed after some chilling stages, and the CH4-rich feed is then cooled in the CH4 refrigeration system. If the CH4 refrigerant has N2, a portion is used as fuel to prevent inert buildup. The LNG from the final flash drum is pumped to storage tanks at around 70 mbar above atmospheric pressure and −161 °C. Each refrigeration circuit operates with two 50% compressors sharing common process equipment. Brazed aluminum and core-in-kettle heat exchangers, being simpler and widely available, are used instead of the more complex proprietary SWHEs in the C3MR process [118]. The findings in the literature reveal that the energy consumption of LNG cycles utilizing the CPOC process is 0.205–0.341 kWh/kg LNG [64]. Furthermore, technical reports suggest that the energy consumption of CPOC-based LNG cycles is 0.324–0.384 kWh/kg LNG [64].
Figure 8.
Process flow diagram of the CPOC process in LNG production, modified from Refs. [145,146].
2.5. Dual-Stage Mixed Refrigerant Processes
This modified version of the C3MR process, licensed by Shell, blends American and European technologies. In the DMR process, the C3H8 cycle is replaced with an MR cycle (typically C2H6 and C3H8 or sometimes with C4H10) [147]. SWHEs are used instead of PFHEs, providing enhanced durability, higher efficiency in handling cryogenic conditions, and improved reliability for large-scale LNG production. The second cooling cycle is similar to that of the C3MR, using a mix of N2, CH4, C2H6, and C3H8. This process, used in the Sakhalin Island LNG project in Russia (4.8 MTPA), requires three SWHE converters for capacities above 5 MTPA and splits the liquefaction cycle into two parallel cycles [118]. Figure 9 shows the process flow diagram of the two-stage MR cycle. The DMR cycle features two seawater (SW) coolers, three compressors, four heat exchangers, four valves, a tee, a phase separator, and two common headers. It operates with two cycles, substituting a valve for an expander, and uses two types of MRs for NG pre-cooling, liquefaction, and sub-cooling. The pre-cooling refrigerant, which is a mixture of CH4, C2H6, C3H8, and C4H10, cools the NG, the primary refrigerant, and itself as it circulates through the pre-cooler cold box. The main refrigerant, consisting of N2, CH4, C2H6, and C3H8, is further cooled in the pre-cooler cold box. This refrigerant then liquefies and sub-cools the NG while also cooling itself [148]. The NG undergoes cooling, liquefaction, and sub-cooling via heat exchangers 1 through 4, with the refrigerant reaching −160.1 °C. As the NG flows through valve 5, it expands, separating into liquid and vapor (flash gas), with the liquid being sent to storage as LNG [149]. Shell’s DMR technology is set to be implemented at CLNG Canada. In colder climates, the DMR process is particularly advantageous, as pre-cooling with MR bypasses the low-temperature pressure limits of C3H8. Novatek’s Arctic Cascade process, designed for cold environments, is currently in use at Yamal LNG T4 (0.9 MTPA) and will also be employed at Ob LNG (planned for 2028, 5 MTPA) [39].
Figure 9.
Process flow diagram of the DMR process in LNG technologies, modified from Refs. [148,149,150].
Figure 10 displays the SPC characteristics of various DMR-based LNG systems. A literature review suggests that the energy consumption of LNG cycles utilizing the DMR process is 0.212–0.414 kWh/kg LNG [15,22,24,122,149,151,152,153,154,155,156,157,158,159,160,161]. Moreover, research findings indicate that the exergy efficiency of LNG processes employing the DMR method is 28.2–62.3% [15,24,155,162].
Figure 10.
SPC characteristics of some DMR-based LNG structures; extracted data from Refs. [15,22,24,122,149,151,152,153,154,155,156,157,158,159,160,161].
2.6. Mixed Fluid Cascade Processes
The MFC system developed by Statoil/Linde is illustrated in Figure 11. The Statoil/Linde LNG technology partnership was formed to create alternative base-load LNG plants specifically designed for challenging environments [163]. The first of these plants was deployed at the Snohvit facility on Melkoya Island, located off the coast of Hammerfest in the northern North Sea at 71° north latitude in Norway. This facility remains Europe’s only base-load gas liquefaction export plant [118].
Figure 11.
Process flow diagram of the MFC process, modified from Ref. [150].
In this process, purified NG is pre-cooled, liquefied, and sub-cooled using three separate MR cycles [64]. The pre-cooling cycle transfers cold to the NG through two PFHEs, while the liquefaction and sub-cooling cycles utilize two SWHEs with different refrigerants. The refrigerants comprise selected components such as CH4, C2H6, C3H8, and N2. The three refrigerant compression systems can operate independently with separate drivers or be integrated into two compression strings. This process is specifically designed for large LNG trains with capacities greater than 4 MTPA [164]. Unlike traditional cascade processes, the MFC system replaces single-component refrigerant cycles with MR cycles, improving thermodynamic efficiency and offering greater operational flexibility.
Figure 12 illustrates the SPC characteristics of various MFC-based LNG processes. According to the literature, the energy consumption of MFC-based LNG cycles is 0.196–0.423 kWh/kg LNG [18,24,51,58,154,165,166,167,168,169,170,171,172,173]. Also, a number of studies report that the exergy efficiency of MFC-based LNG processes is 51.8–62.8% [18,24,51,162,168].
Figure 12.
SPC characteristics of some MFC-based LNG processes; extracted data from Refs. [18,24,51,58,154,165,166,167,168,169,170,171,172,173].
2.7. Axens Liquefin Processes
The Liquefin process, developed by the French company Axens, is a two-stage MR process. The refrigerant used in each stage is a mixture of CH4, C2H6, C3H8, C4H10, and N2. In the first stage, the refrigerant vaporizes at three different pressure levels during heat exchange with the process gas, cooling the NG to between −50 and −80 °C and fully liquefying the refrigerant for the second stage. The second stage handles gas liquefaction and supercooling. Figure S1 in the Supplementary Materials shows a simplified schematic of the Liquefin process in LNG technologies [174]. This process uses PFHE for all heat exchange operations. It maximizes liquefied petroleum gas (LPG) recovery and reduces investment and operational costs compared to previous technologies like the C3MR process. This cost reduction is achieved using fewer and non-proprietary heat exchangers, requiring less space due to the compact unit design [8]. The Axens liquefaction process is similar to Shell’s DMR process but is more cost-effective due to simpler cooling cycles and non-exclusive equipment.
Several key characteristics distinguish the Liquefin process. The Liquefin process utilizes two MRs composed of CH4, C2H6, C3H8, C4H10, and N2. This design allows for easy adjustment of pre-cooling temperatures, making the process adaptable to significant variations in feed gas composition and pressure. The efficiency of the process remains consistent across a wide range of production rates (3 to 8 MTPA) [8]. Also, the process is streamlined, requiring only a limited number of control loops, simplifying operation and control. Table 1 provides a comparative analysis of major LNG production technologies, including their refrigeration stages, advantages, disadvantages, and key performance metrics.
Table 1.
Comparison of main LNG production technologies: technologies, refrigeration stages, advantages, disadvantages, and performance metrics.
3. Thermodynamic Analysis
The findings from thermodynamic analyses of low-temperature NG processes are presented through established indicators or criteria. One type of thermodynamic analysis is energy analysis, where energy consumption is quantitatively assessed, and its efficiency is evaluated. Key quantitative metrics in this analysis include the SPC and coefficient of performance (COP) [126,176,177]. Additional indicators assessing energy efficiency in the process include temperature–entropy (T-S) diagrams, pressure–enthalpy (P-H) diagrams, and combined curves [178,179,180]. This section examines key criteria and tools for thermodynamic analysis of low-temperature NG processes, including SPC, COP, T-S, and P-H diagrams, pinch technology, exergy analysis, and equations of state.
3.1. Specific Power Consumption
Specific power consumption is calculated as the amount of energy used by process equipment (such as compressors, pumps, and air coolers) in kWh, divided by the quantity of LNG produced in kilograms. A lower value of this index indicates greater process efficiency. Vatani et al. [162] indicated that the MFC-Linde process has the lowest SPC, making it the most energy-efficient option studied. The DMR-APCI and C3MR-Linde processes also demonstrate strong energy efficiency, while the SMR-APCI and SMR-Linde processes, though less efficient, still have acceptable energy consumption relative to the others. The SPC (kWh/kg LNG) for the actual LNG processes of SMR-Linde and SMR-APCI is 0.3–0.4 kWh/kg LNG, while for C3MR-Linde, DMR-APCI, and MFC-Linde, it is less than 0.3 [181,182].
3.2. Coefficient of Performance
The performance of cooling cycles is measured by the COP, an index indicating the efficiency of cooling cycles and heat pumps [183,184]. In the gas industry, COP is typically 0.8 to 4, which represents the ratio of heat extracted from the cold source to the work consumed [162]. For NG liquefaction, a higher COP means more heat is removed from the gas for the same power input, indicating greater efficiency. The Carnot cycle has the least wasted work and is the ideal benchmark for evaluating a cycle’s thermodynamic efficiency [185]. Vatani et al. [162,182] demonstrated that the COP for MFC and DMR processes’ pre-cooling cycles is the highest compared to others. Also, in processes with multiple refrigeration cycles, the COP is generally higher for pre-cooling stages due to the larger temperature difference between the refrigerant and NG during heat transfer.
3.3. T-S and P-H Diagrams
These diagrams illustrate the changes in entropy and enthalpy of the MRs as they relate to temperature and pressure throughout the cycle [186,187]. The degree of deviation from the ideal state is assessed, with greater deviation directly linked to irreversibility in the process. All real-world cooling cycles experience some level of irreversibility. Contributing factors to these irreversibility outcomes include friction, heat transfer between specific temperatures in the evaporator, compressor, condenser, and transmission lines, and pressure drops in expansion valves [51,182].
3.4. Pinch Technology
Pinch analysis is a robust and efficient technique for evaluating thermodynamic processes and optimizing industrial heat exchanger networks. It allows for the planning and optimizing of thermal systems through two key methods [188,189]: designing from the base and retrofitting existing heating networks.
Retrofitting existing systems focuses on energy savings, cost reduction, and increasing unit capacity. Tjoe et al. [190] introduced the first systematic approach for optimizing thermal systems. Generally, improving heat exchanger networks using pinch analysis involves two stages: setting goals and designing solutions. Pinch technology using tools such as composite charts (CCs) and grand composite curves (GCCs) helps set goals to optimize and improve processes [191,192]. GCC charts can be specifically used to determine the required auxiliary services and heat levels. However, since CC and GCC diagrams are based on enthalpy–temperature data, they are only effective for setting thermal load targets and are not suitable for systems such as refrigeration units or turbines that involve mechanical work [193,194]. Exergy analysis is used alongside pinch technology to evaluate thermal and work-related energy. The key advantage of combining pinch technology with exergy analysis is that it overcomes pinch technology’s limitations in systems involving power or mechanical work. This approach allows for a comprehensive analysis of heat and work within the system, setting goals to improve efficiency, increase production, or reduce energy consumption before detailed design. Combined pinch and exergy analysis (CPEA) such as pinch technology involves two stages: targeting and design. The targeting phase uses tools to identify necessary improvements, while the design phase focuses on implementing these enhancements [195,196,197]. The main tools in CPEA are exergy composite curves (ECCs) and exergy grand composite curves (EGCCs), which replace the temperature axis in CC and GCC diagrams with the Carnot coefficient [198,199,200]. The area between the curves in these diagrams represents the system’s required mechanical work or production power. Heat transfer efficiency improves as the gas cooling and refrigerant heating curves come closer together. However, the smaller the minimum approach temperature in a heat exchanger, the more surface area is required for effective heat transfer, increasing the overall size and complexity of the exchanger’s design [188,201]. Therefore, this parameter cannot be reduced indefinitely. The minimum approach temperature is typically set between 1 and 3 °C [197]. In LNG technologies, the minimum temperature difference in multi-stream heat exchangers has been considered in various studies within the ranges of 0.5–2.5 °C [25,55,113,202,203,204], 2.5–3 °C [49,91,101,112,152,155,205,206,207,208,209,210,211], and >3 °C [107,212].
3.5. Exergy Analysis
The indices of lost work and exergy efficiency are employed to better compare the performance of different equipment within each process [213,214,215,216]. By simultaneously evaluating the lost work and exergy efficiency of various equipment in a process, it becomes possible to identify specific areas where energy is not utilized efficiently and is consequently wasted, which is the primary goal of exergy analysis [26,217,218,219,220]. Upon identifying these inefficiencies, strategies such as adjusting operational conditions, replacing equipment with more suitable alternatives, or altering the process design can be proposed to reduce irreversibility and enhance energy efficiency [221,222].
3.6. Equations of State
Thermodynamic models are crucial for accurately modeling and simulating LNG processes, providing detailed insights into fluid behavior, phase equilibria, and thermodynamic properties under various conditions. Among the widely used models, the Peng–Robinson (PR) [14,20,22,24,72,86,100,102,139,211,223,224,225,226,227,228,229,230,231,232,233,234,235,236,237,238] and Soave–Redlich–Kwong (SRK) [239,240,241,242,243] equations of state are notable for their balance between accuracy and computational efficiency, particularly when applied to hydrocarbon systems. While the ideal gas law [244,245,246] is effective in high-temperature and low-pressure scenarios, it is inadequate for the highly non-ideal conditions typical of LNG processes. The Antoine equation [247,248] is commonly utilized for vapor pressure calculations but is often supplemented by more robust models for handling complex systems. The Benedict–Webb–Rubin (BWR) equation [223] provides accurate predictions for scenarios demanding high precision, though it results in greater computational complexity. In designing LNG processes, the simulation errors from the PR, SRK, and BWR equations of state (EOSs) were compared, with the PR EOS being identified as the most appropriate thermodynamic model based on comparison of modeling and experimental values [249]. Furthermore, the National Institute of Standards and Technology (NIST) REFPROP database [245,250,251] is extensively used for its comprehensive thermophysical property data, employing advanced models like the Helmholtz energy equation to achieve high accuracy.
Vidal [252] reported that the PR EOS demonstrates good accuracy in predicting the properties of pure substances such as N2, CH4, C2H6, and C3H8. However, due to its greater complexity and additional experimental constants, the Lee–Kesler EOS was found to be more accurate than the PR EOS, making it reliable for calculations in the liquid and vapor phases of pure substances. Chen et al. [253] found the average error in calculating bubble point pressure, the vapor composition percentage in vapor–liquid equilibrium, and the specific volume of liquid for various hydrocarbon binary mixtures using the PR EOS to be 4.12, 2.08, and 3.41%, respectively. Remeljej et al. [254] and Gong et al. [255] used the PR EOS to analyze phase equilibrium and predict the enthalpy and entropy of MRs in the LNG process, which involves a mixture of hydrocarbons (C1 to C5) and N2. Cao et al. [256] utilized the PR EOS for phase equilibrium analysis and the Lee–Kesler EOS to predict the enthalpy and entropy of the MR. Danesh et al. [257] reported that complex experimental EOSs (e.g., the BWR equation) do not offer greater reliability than cubic EOSs for phase equilibrium calculations of materials. Considering the computational simplicity of the PR EOS compared to the Lee–Kesler EOS, several studies [55,217,258,259,260,261,262,263,264] utilized the PR EOS to calculate the vapor–liquid phase equilibrium of the multi-component refrigerant, while the Lee–Kesler EOS was used to predict the enthalpy and entropy.
The thermodynamic analysis of low-temperature NG processes evaluates key performance indicators, including SPC, COP, T-S/P-H diagrams, pinch technology, exergy analysis, and EOSs. SPC quantifies energy efficiency in LNG production, with lower values indicating better performance. COP assesses cooling cycle efficiency, where higher values reflect improved effectiveness. T-S and P-H diagrams depict entropy and enthalpy variations, highlighting process irreversibility outcomes. Pinch technology, utilizing CC, GCC, ECC, and EGCC, optimizes heat exchanger networks and is often combined with exergy analysis to assess heat and work interactions comprehensively. Exergy analysis identifies inefficiencies through irreversibility outcomes and exergy efficiency, guiding modifications to enhance energy utilization. EOSs, such as PR and SRK, are widely used for phase equilibrium and thermodynamic property calculations, with PR being the most preferred due to its balance of accuracy and computational efficiency.
4. Integrated Process Structures
Heavy compounds in NG can serve as feedstock for downstream units, but due to the low temperatures involved in the process, they may also lead to solid formation. Therefore, separating these heavy compounds is essential and can yield valuable products. Additionally, NG typically contains some amount of N2, which reduces its calorific value [15,51]. Given the negative impacts of N2 on fuel’s calorific value, the size of transmission lines, and the capacity of gas pressure-boosting stations, N2 is usually removed from NG when its concentration exceeds 4 mol% at high flow rates. The N2 concentration in sales gas is typically maintained at around 2 mol% [51]. The required equipment and energy consumption can be minimized by designing and optimizing the integrated process structure of NGL recovery, NG liquefaction, and N2 removal. Gas pre-treatment is essential for conditioning feed gas to meet the precise specifications required for LNG production. This process involves carefully controlling the gas composition to maintain N2 levels below 1.2%, reduce H2S to under 4 ppmv, and keep CO2 concentrations below 50 ppmv [15,265]. Additionally, the total sulfur content must be limited to less than 10 ppmv, H2O must be reduced to below 1 ppmv, and Hg levels must be kept at or below 0.01 µg/Nm3. Removing heavy hydrocarbons is also essential to prevent freezing issues in cryogenic heat exchangers. The gas pre-treatment process provides high-quality LNG production and efficient facility operation by complying with appropriate specifications [265]. This section explores hybrid cryogenic NG systems, including nitrogen separation, LNG/NRU hybrid units, LNG/NGL hybrid units, LNG/NGL/NRU hybrid units, and hybrid helium recovery systems.
4.1. Nitrogen Separation from Natural Gas
NG typically contains some level of N2, which lowers its calorific value but generally does not pose significant issues. However, high N2 concentrations can substantially impact heat capacity in certain gas deposits. In such cases, three potential strategies can be employed: (1) blending with a higher-calorific-value gas to maintain overall energy content, (2) accepting a lower market price along with associated financial risks, or (3) removing nitrogen to meet the required sales specifications [266]. Options (1) and (2) are practical and sensible solutions, but their viability depends on the specific characteristics of the gas processing and production site [266].
NRU technologies employ various methods to separate N2 from NG. Cryogenic fractionation utilizes low temperatures for separation, while membrane technology relies on selective permeability. The molecular gate technique traps N2 on a solid surface, whereas solvent absorption removes it by dissolving it in a liquid. N2 sponges, made from advanced porous materials such as metal–organic frameworks and zeolites, feature precisely engineered pore structures that selectively adsorb nitrogen while allowing other gases to pass through. Cryogenic lean oil absorption operates at low temperatures, using absorbent liquids to selectively capture heavier hydrocarbons while allowing N2 and lighter gases to remain in the vapor phase [267,268].
Pressure swing adsorption (PSA) relies on alternating pressure cycles to selectively adsorb and desorb gases. Specialized adsorbents, such as zeolites or activated carbon, trap N2 at higher pressures while releasing it at lower pressures, enabling efficient separation [269,270,271]. Chelating solvent absorption chemically binds N2 for the removal [272]. In other words, chelating solvent absorption uses chelating agents to selectively bind and remove N2 from NG. This process relies on solvents that preferentially absorb N2, facilitating its separation from CH4 and other hydrocarbons. A major advancement in chelating solvent absorption for N2 separation is the use of transition metal complexes [268,273]. Li [273] introduced a Ru-based transition metal complex aqueous solution that selectively bonds N2 over CH4. It offers key benefits such as selective bonding (0.5 mole N2 per mole Ru2+), reversibility confirmed by desorption tests, and moderate absorption energy (20–70 kJ/mol) for efficient regeneration. Recent studies have investigated deep eutectic solvents combined with other materials to improve CO2/N2 separation [274]. Although not primarily aimed at N2 capture, this approach highlights the potential of advanced solvent systems in gas separation processes. Hybrid systems combining absorption with membrane separation improve N2 removal efficiency [268]. A high-pressure absorption column separates hydrocarbons, while membrane technology recovers the remaining components, maximizing hydrocarbon recovery and reducing N2 content. Table 2 provides a detailed comparative summary of NRU technologies. While multiple NRU methods exist, cryogenic fractionation remains the most widely adopted for large-scale applications due to its efficiency and adaptability to varying N2 concentrations.
Table 2.
A comprehensive summary comparison of the NRU technologies, modified from Ref. [272].
For large-scale operations with capacities exceeding 500,000 standard cubic meters per day, cryogenic N2 extraction has become the favored method among current NRU technologies due to its superior adaptability to different N2 levels in the feed gas. Numerous N2 extraction systems are available, each offering distinct capacities for NRU [275]. Depending on the specific requirements of the gas mixture being processed, configurations utilizing one, two, or even three columns can be implemented [276,277]. Several leading EPC companies, such as APCI, Bechtel/IPS, Linde, KBR, BCCK, and Costain, provide these solutions globally [272]. Distinct methodologies for distillation have a long history of application in isolating N2 from NG mixtures. This technique achieves over 99% hydrocarbon recovery, with CH4 as the primary component, across various N2 concentrations in the input stream and is particularly effective for high feed-gas flow rates [272]. An illustration of an NRU block flow is depicted in Figure S2 of the Supplementary Materials [278]. The typical structure of this technology involves five fundamental stages: reception and compression of the input gas, necessary pre-treatment processes, refrigerating through J-T expansion or an expander, low-temperature fractional distillation, and the final compression phase [278].
The configuration of the N2 separation unit is intricately tailored based on the specific N2 content present in the NG stream. A heat pump cycle is employed for cases where the N2 concentration is below 20%, as depicted in Figure S3a of the Supplementary Materials [278,279]. However, a notable drawback of this method is the requirement for a compressor to operate the heat pump. Modern designs typically incorporate two columns and an initial separation stage to address these challenges. In cases where the N2 concentration is high, a dual-column system is implemented to effectively isolate the N2 (as illustrated in Figure S3b of the Supplementary Materials) [278,279]. This design offers considerable flexibility, being applicable even when N2 levels exceed 50%. Advanced configurations may involve using two or three columns, reducing the construction cost of the distillation column’s cold box within the NRU by 25% [266]. When the cryogenic distillation technique is chosen as a process option to remove N2, it is often combined with LNG and NGL recovery units [14].
Hamedi et al. [280] examined N2 rejection for sub-quality gas and enhanced recovery, where N2 concentration ranged from 5% to 70%. They optimized single- and multi-column processes (double-, three-, and two-column structures) using particle swarm optimization (PSO) and exergy analysis. It was found that single-column processes consumed more energy when N2 content was below 55 mol% but less when it exceeded this level. Two-column systems performed similarly to multi-column processes when N2 concentration was lower than 20%. Multi-column processes reduced exergy loss at all levels, with further reductions in heat exchangers and compressors below 50% N2. Due to higher equipment costs, maintenance, and complexity, multi-column systems may be less suitable for N2 rejection in oil/gas recovery programs. However, an economic analysis is needed to determine the optimal design under relevant energy regulations. MacKenzie et al. [273] conducted a comparative study on four N2 removal processes, evaluating their efficiency based on compression power, CH4 recovery, and process complexity. Their analysis highlighted that single-column processes require higher compression power when the N2 content in the inlet gas is below 35%, making them less efficient for low-N2 streams. Also, double-column processes perform well across a wide range of N2 concentrations, offering reduced power consumption and higher CH4 recovery. Two-column and three-column processes show no significant difference in compression power requirements; however, the three-column process provides better CH4 recovery. It was concluded that selecting the optimal process depends on balancing energy efficiency, CH4 recovery, and N2 separation effectiveness, with the double column being the most suitable for high-N2 content feeds.
4.2. LNG/NRU Hybrid Units
Including N2 in NG diminishes its calorific value, necessitates larger transmission pipelines, and increases the capacity requirements of gas pressure-boosting stations [51]. Therefore, N2 is extracted from NG when its concentration exceeds 4 mol% under high current intensities [14]. Figure 13 presents a streamlined arrangement of an LNG unit with an enhanced NRU. In stream 1, NG is prepped for the feed system by reducing the concentrations of compounds like H2O and CO2 to prevent freezing. The feed gas stream usually contains 5–15 mol% N2 and is under 25–130 bar. Some of the N2 output may be utilized as a utility N2 system for tasks such as cooling in heat exchangers and absorber regeneration. The CH4 content in the N2-separated output stream can be reduced to less than 2 mol%, allowing this process to achieve a CH4 recovery rate of approximately 99.8% [54].
Figure 13.
Schematic of the integrated structure for simultaneous LNG and NRU operations, modified from Ref. [54].
An integrated structure combining NRU and LNG units was developed by Mehrpooya et al. [281]. The C3H8 refrigeration cycle is utilized for pre-cooling, while the multi-component refrigerant cycle is employed for liquefying the incoming feed. Figure 14 presents the process flow diagram of this cryogenic NG process. The analysis showed that the process achieved 41.27% exergy efficiency, with an exergy destruction rate of 89.90 MW. Exergy destruction and investment costs were categorized as avoidable–unavoidable and endogenous–exogenous [281]. The results revealed that both were mainly driven by internal factors, with minimal impact on exergy efficiency from component interactions. Exergy destruction costs in compressors were avoidable, while their investment costs were not. In contrast, exergy destruction in heat exchangers and air coolers was unavoidable, but their investment costs were avoidable.
Figure 14.
A process flow diagram of C3MR-based LNG and NRU systems’ hybrid structure, modified from Ref. [281].
An innovative combined system comprising an LNG plant, an NRU system, an ACS process, a power generation facility, and a biomass gasification process was developed [17]. The proposed system employed a cascade arrangement integrating an ARC-compression refrigeration system (-CRS) and MR cycles to supply cryogenic energy. The liquefaction process had an SPC of 0.7673 kWh/kg LNG, while the integrated system achieved an overall thermal efficiency of 54.29%.
Integrating LNG and NRU units reduces energy consumption and lowers operating costs. This integration decreases the need for some utility-providing equipment, yet it also increases system complexity, making capital costs a critical factor [14,17]. Effective operation demands precise process control, synchronization of refrigeration cycles, and optimal heat exchanger performance, further adding to the system’s complexity. In addition, process disturbances, variations in feed gas composition, and fluctuations in operating conditions can impact system stability and performance and necessitate advanced control strategies.
4.3. LNG/NGL Hybrid Units
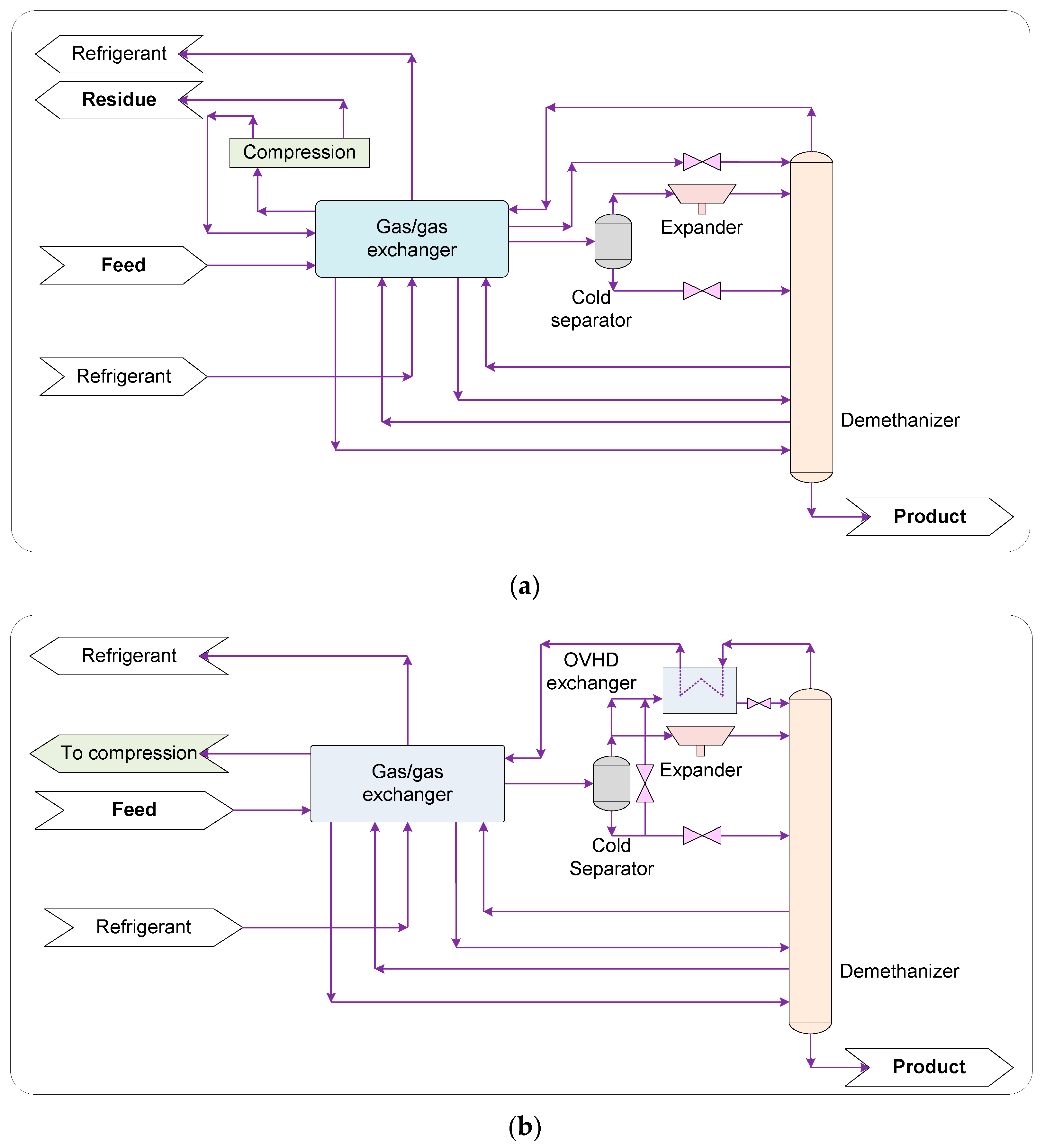
In all processes for producing LNG, it is essential to remove heavier hydrocarbons. The value of products such as C2H6, which serves as feedstock for downstream operations, is well recognized, making it increasingly important to extract these compounds from NG [22,282]. One of the benefits and uses of this method is the ability to produce LNG with a customizable calorific value. This feature allows producers to adjust the proportion of heavier hydrocarbons in LNG based on market demand, economic factors, and the selling price of LNG and NGL [227,283]. Modifying the unit’s operating conditions enables the adjustment of calorific value and price to align with market needs, optimizing profitability [14]. Moreover, the NGL produced serves as feedstock for downstream facilities such as olefin or aromatic production units, where further processing and separation can generate significant added value [188,283]. Products derived from NGLs include C2H6, LPG, and pyrolysis gasoline, which are critical feedstocks for petrochemical industries, particularly for aromatic and olefinic units. Therefore, separating heavier hydrocarbons is necessary and enables the production of valuable by-products. Designing the units and integrating their processes reduces the need for additional equipment and minimizes energy consumption [17]. To achieve the integration of these units, ConocoPhillips, CH.IV, APCI, and Ortloff have each proposed plans [284,285,286]. John Mack introduced a process that underwent modifications in 2008 [287]. This method uses an absorption tower alongside a distillation tower to separate NGLs and incorporates an external closed-loop refrigeration cycle for the NG liquefaction. The core element of this process is an absorption tower with a reflux system and a distillation tower that operates at a pressure higher than that of the distillation column. This setup enables the production of cold gas at an appropriate pressure, containing only minimal heavy hydrocarbons. The CH4-rich gas exiting from the top of the tower is compressed and directed to the liquefaction unit, utilizing the energy generated by the expansion of the incoming gas. The degree of separation is controlled by regulating the temperature within the towers, achieved through adjusting the flow split and designing the separation section in two distinct parts. One of the proposed solutions for maximizing C2H6 recovery from the overhead stream of a demethanizer column is to provide the necessary reflux stream at the lowest possible temperature [288]. Figure 15 illustrates some of the simplest available processes for achieving maximum C2H6 recovery with minimal cost. These cryogenic processes include residue recycle (RR), gas sub-cooled process (GSP), cold residue recycle (CRR), and multiple reflux streams.

Figure 15.
Block flow diagram of various processes for achieving maximum C2H6 recovery: (a) RR, (b) GSP, (c) CRR, and (d) multiple reflux streams, modified from Ref. [288].
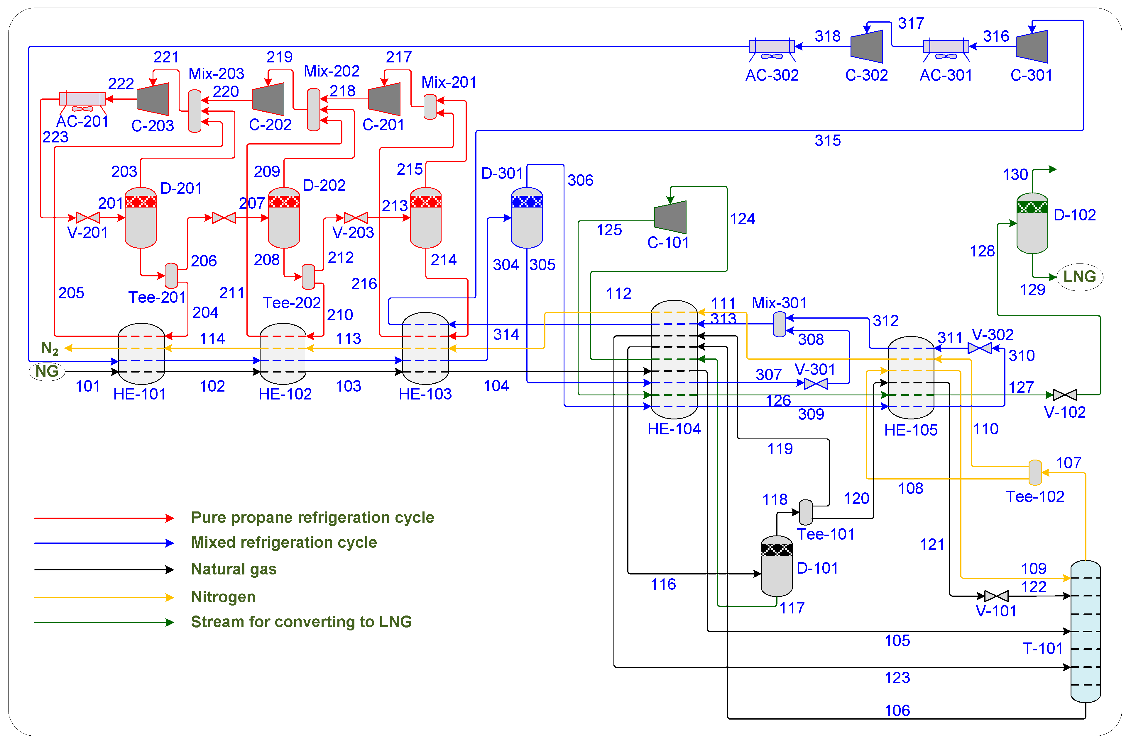
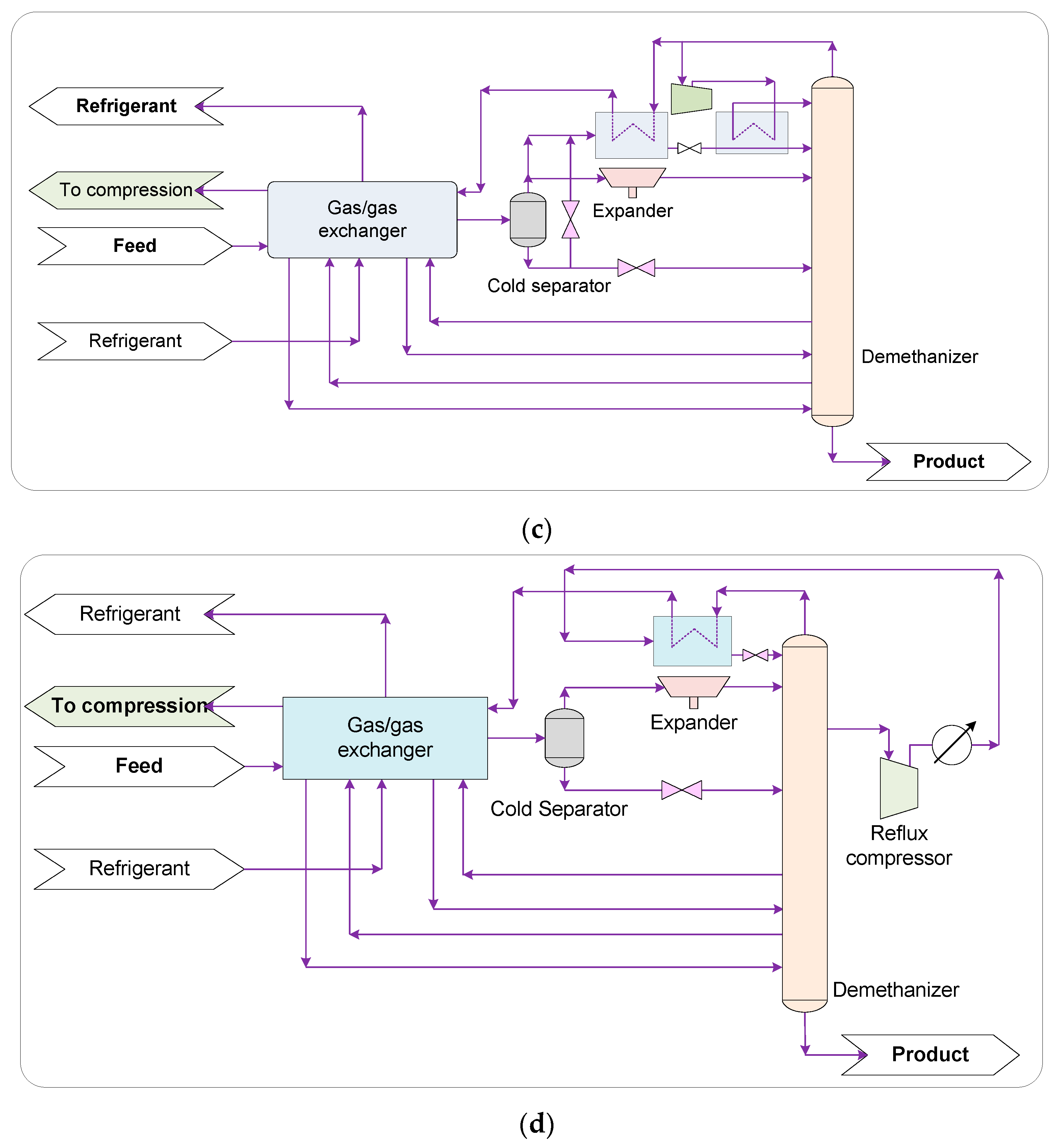
Table 3 lists the technical characteristics of selected LNG liquefaction systems integrated with LNG and NRU processes. Mehrpooya et al. [24] developed three new integrated configurations for the simultaneous production of NGL and LNG, based on the C3MR, DMR, and MFC refrigeration cycles. These configurations achieved exergy efficiencies of 55%, 56%, and 59%, respectively, with SPCs of 0.391, 0.375, and 0.364 kWh/kgLNG. The hybrid process for producing NGLs and LNG is designed based on the C3MR, DMR, and MFC refrigeration cycles, as depicted in Figure 16.
Table 3.
Technical characteristics of selected LNG systems integrated with NGL and NRU processes.


Figure 16.
A process flow diagram of the hybrid NGL and LNG production using the (a) C3MR, (b) DMR, and (c) MFC refrigeration cycles, modified from Ref. [24].
When designing and developing multi-component refrigerant cycles for low-temperature applications (−50 to −163 °C), engineers encounter various options regarding the composition of refrigerant components and the selection of operating pressures, temperatures, and cycle configurations [55,201,260]. These factors complicate such cycles’ designs and optimization processes [27]. Ghorbani et al. [283] designed an integrated system for cogenerating the NGLs and LNG utilizing the C3MR refrigeration cycle. Figure S4 in the Supplementary Materials shows the process flow diagram for the C3MR-based NGL/LNG hybrid structure [283]. This system achieved an exergy efficiency of 61.17% and a refrigeration cycle performance factor of 1.551.
4.4. LNG/NGL/NRU Hybrid Units
Figure 17 demonstrates a simplified hybrid low-temperature NGL/LNG/NRU system arrangement. In integrated NG supercooling processes, the cascade system typically comprises a cascade refrigeration section (section 10), a heavy liquid separation section for NG (NGL, section 11), a supercooling and liquefaction section for NG (LNG, section 12), and a N2 removal unit (NRU, section 26) [52]. Generally, the first, second, and third cascade refrigeration cycles (sections 13, 14, and 15) can cool some of the NG flow entering the liquefaction unit. These refrigeration cycles can operate in closed-loop, open-loop, or hybrid configurations. In this patented design, the first and second cycles (sections 13 and 14) operate in a closed loop, while the third cycle (section 15) functions as an open loop. When configuring the third cycle as an open loop, the NG liquefaction unit features an integrated N2 removal section (section 26).
Figure 17.
A simplified schematic of the LNG/NGL/NRU hybrid process, modified from Ref. [52].
A combined system for NGL/LNG/NRU was developed, incorporating an ARC for initial cooling and an MFC for further cooling and liquefaction [15]. The system was designed to achieve 91.9% C2H6 recovery and 81% N2 rejection. These processes’ simultaneous design and integration allow for eliminating the reboiler and condenser in the demethanizer and N2 rejection columns. The SPC for the three cycles based on C3MR, DMR, and modified AR-MR1 are 0.359, 0.35, and 0.250 kWh/kg LNG, respectively. The exergy efficiency for the three hybrid cycles based on C3MR, DMR, and modified AR-MR1 are 61.6, 62.3, and 58.1%, respectively. By replacing the first stage of the pre-cooling cycle in the C3MR process with an ammonia–water (NH3/H2O) refrigeration cycle, efficiency is reduced by 5.6%, and SPC decreases by 32.4%.
4.5. Hybrid Helium Recovery Systems
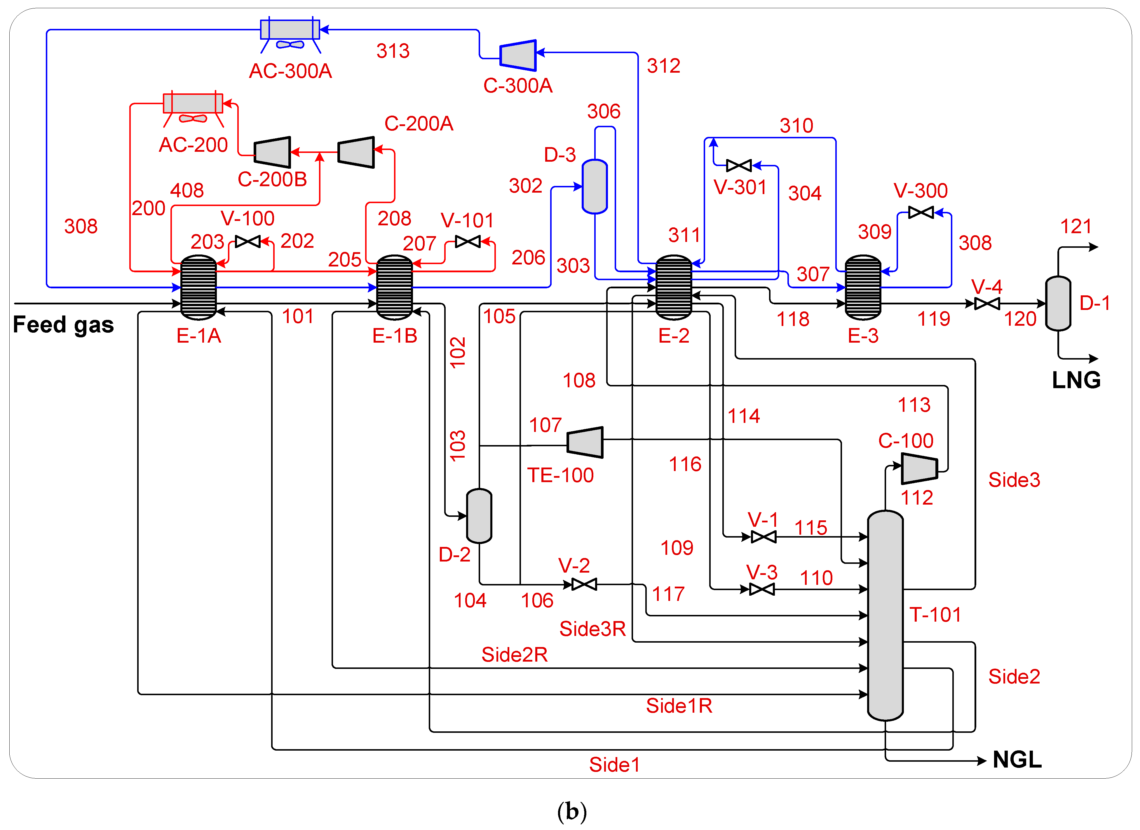
The primary sources of helium as a noble gas are atmospheric air and NG. Among these, NG stands out as the most abundant source of helium. Although extracting helium from the air is technically viable, it is not considered economically justified. Helium found in NG is often associated with N2 [291,292]. Helium recovery from NG using a low-temperature separation technique, known as fractional distillation, is considered cost-effective [293]. This method has been developed and refined by companies such as Air Products (USA), Linde (Germany), and Air Liquide (France). Linde Co. was the first to introduce a technique for helium production. In this approach, the initial step produces a volumetric flow containing at least 80% helium [294,295,296]. Cryogenic methods for helium recovery can be categorized into three types: those based on flash evaporation, those relying on distillation, and hybrid processes that combine both flash evaporation and distillation [19,293,297,298]. A common method for extracting helium involves utilizing the gas from the final stage of flash evaporation in LNG production units [299,300,301,302]. The gas, consisting of a mixture of helium (i.e., crude helium) and N2, is then sent to another facility for further liquefaction and purification. For helium extraction to be economically viable, the helium content in NG needs to be at least 0.1–0.5 mol% [297]. Crude helium gas typically contains at least 50% helium and other substances such as N2, argon, and CH4 [303]. Helium production can be seamlessly integrated into the final cooling stage of LNG processing for effective extraction. This integration can be designed to minimize energy consumption and reduce the complexity of the overall design [304,305]. To achieve this, numerous oil and gas companies have developed optimized, integrated processes for recovering helium from the final flash evaporation stage within LNG cooling systems, aiming to lower energy usage during crude helium production. NGs that naturally contain helium typically also have a significant amount of N2. The presence of N2 lowers the calorific value of the NG, which can cause complications during the transportation of LNG. Consequently, ensuring that the N2 content in LNG remains below a certain threshold is essential to avoid these issues [61,306]. The waste stream exiting the PSA unit contains N2 and trace amounts of helium. This stream is recompressed and reintegrated into the unit’s inlet flow to recover the helium. A high concentration of N2 in the incoming stream to the PSA unit will increase the residual flow, thereby raising both the initial and operational costs associated with compressing the flow [303,307]. Therefore, it is recommended that the N2 concentration in the gas entering the PSA unit be maintained between 5 and 15% by volume [308]. Figure S5 in the Supplementary Materials illustrates an integrated helium production unit and targets for N2, hydrogen (H2), and CO2 management [303].
A cryogenic technique was developed to generate a helium-rich vapor stream, a CH4-enriched stream, and a liquid stream containing hydrocarbons heavier than CH4 [309]. The temperature and pressure of the input feed stream for this process typically ranged from −40 to −10 °C and from 30 to 50 bar, respectively. In this setup, a distillation column was utilized to separate C1 (i.e., CH4) and NGLs. The helium concentration in the helium-enriched stream was approximately 50 mol%.
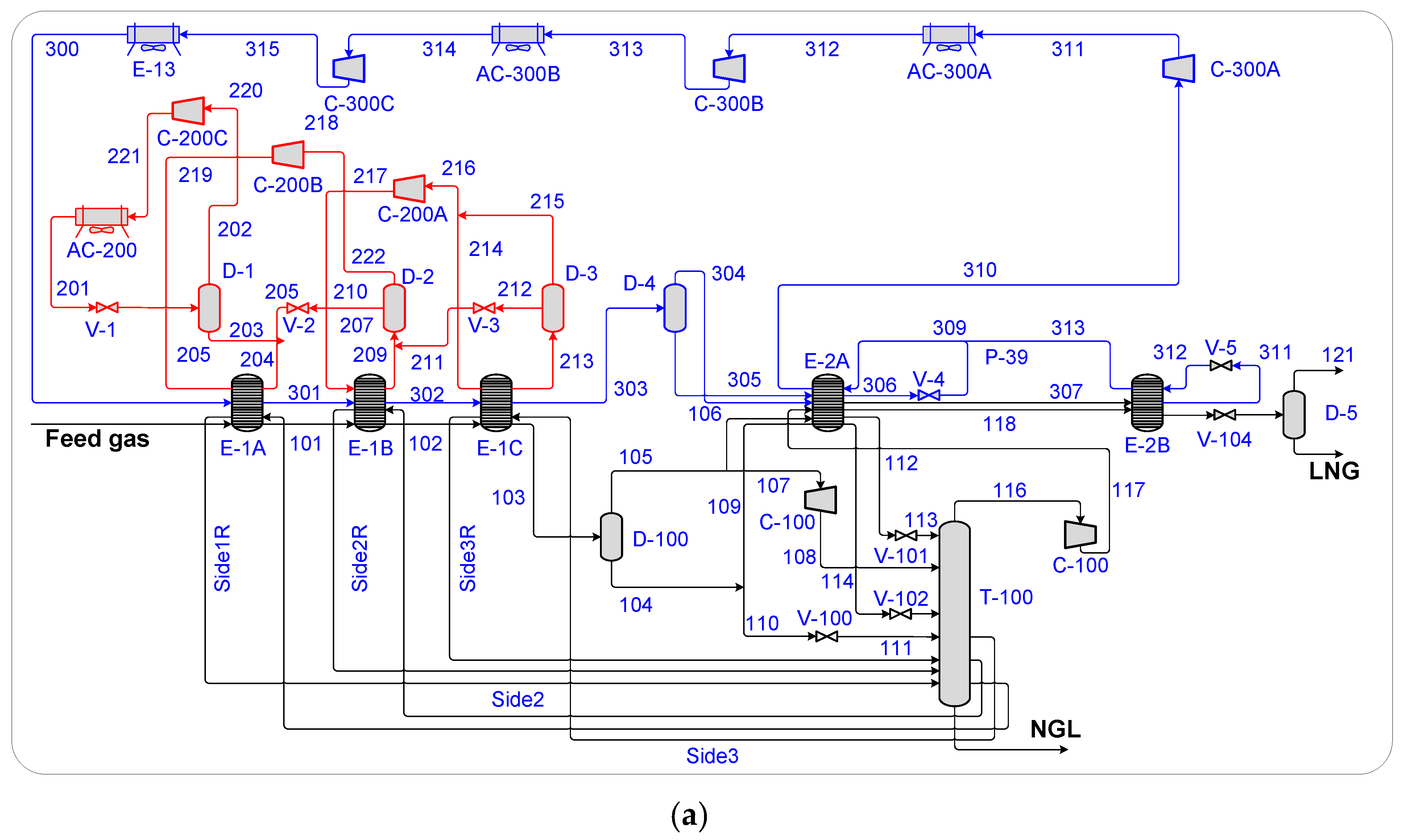
APCI developed a hybrid NG/NRU process integrated with a distillation-based helium extraction unit (HeXU) featuring a condenser [310]. In this setup, two N2 removal stages (i.e., 23 and 25) are connected with the HeXU, which includes a heat exchanger (i.e., 70) and a separator (i.e., 72). Streams 41, 42, and 50 correspond to pressure-reduced LNG, sub-cooled LNG, and the final LNG product, respectively. This process is integrated with an LNG plant, as shown in Figure S6 of the Supplementary Materials [310]. LNG is extracted from the liquefier (i.e., 18) at a relatively high temperature (i.e., 17), brought to medium pressure, and then passed through the first NRU stage (i.e., 23), a distillation column that separates helium and N2 [310]. The bottom product is returned to the liquefier for further cooling and depressurization to near atmospheric pressure. The decompressed LNG then enters the second NRU stage (i.e., 25), a phase separator that also serves as a condenser for the first column. The final LNG product (i.e., 50) is produced after providing the necessary cooling for the NRU. The two-stage system connects a high-pressure stripping column (i.e., 23) with a flash tank (i.e., 25), each operating at different pressures [310]. N2-rich gas and helium (i.e., 26) are collected from the stripping column and sent to the HeXU, where crude helium (i.e., 73) is extracted. Unlike flash-based helium extraction, this helium-rich gas (i.e., 46) contains minimal CH4. The condensed liquid (i.e., 75) in HeXU, nearly pure N2, can be vented to the atmosphere after being used as a refrigerant (i.e., 77).
Flash-based processes require fewer pieces of equipment and are easier to configure compared to other methods. The SPC of this process is lower than that of other approaches and offers an efficient rate of helium extraction [291]. Two modified process configurations were presented and compared with the conventional processes developed by Linde and APCI [291]. Figure 18 and Figure 19 illustrate the block and process diagram of the APCI/Linde cycles utilizing flash evaporation for the co-production of helium and LNG. J-T expansion and phase separation are among the most commonly used techniques to separate helium from NG. The pressure drop across the dew point expansion valves reduces the concentration of lighter components, such as helium, which then vaporizes and exits as a vapor product in what is known as the end flash. The helium extraction rate for the modified Linde-based process is higher than that of the modified APCI-based process [291]. Table 4 depicts the technical specifications of chosen LNG systems combined with helium recovery processes.
Figure 18.
Block and process diagram of the APCI cycle utilizing flash evaporation for the co-production of helium and LNG, (a) block flow diagram and (b) process flow diagram modified from Ref. [291].
Figure 19.
Block (a) and process (b) diagram of the Linde cycle employing flash evaporation to generate helium and LNG, modified from Refs. [291,299].
Table 4.
Technical specifications of chosen LNG systems combined with helium recovery processes.
Donghoi Kim [311] evaluated various process configurations for helium extraction from LNG end-flash gas, determining that the optimal technology depended on specific project conditions. The Linde flashing process had achieved the highest helium extraction rate while the reboiled distillation process had emerged as a robust option for consistent helium extraction and energy efficiency, especially with helium-rich feed gas. Although the ExxonMobil and Linde integration processes demonstrated superior energy efficiency, they required more complex equipment [311]. Economic analysis had suggested that integrating helium extraction into LNG plants was increasingly viable, particularly as helium prices were expected to rise. Despite some drawbacks, the reboiled distillation process was a generally favorable choice due to its balance of high helium recovery, energy efficiency, and simplicity [311].
This section examines integrated process structures for NG treatment, focusing on LNG, NGL, and NRU processes to enhance efficiency and reduce costs. Cryogenic fractionation remains the preferred NRU method for large-scale operations due to its efficiency and adaptability to various N2 concentrations. Multi-column configurations improve exergy efficiency and process optimization but lead to higher equipment costs and complexity, which may limit oil and gas recovery feasibility. The GSP method is widely employed for cost-effective C2H6 recovery by extracting and cooling side streams via multi-stream heat exchangers before reinjection. This integration eliminates the need for reboilers and condensers in demethanizers and nitrogen removal towers, reducing energy consumption but increasing process complexity and requiring detailed economic analysis. Helium recovery can be incorporated into LNG production, with flash-based methods providing a cost-effective alternative to distillation by demanding fewer components and consuming less power.
5. Solutions to Improve LNG System Efficiency
The support for reducing SPC in cryogenic NG processes is a common practice due to its potential to enhance the efficiency and economic feasibility of large-scale NG storage and transmission. Lowering SPC minimizes energy consumption, directly reducing operational costs and making the LNG production process more competitive [45,156,216,277,312]. Furthermore, a reduction in SPC is essential to decrease the carbon footprint of LNG operations and achieve global net-zero emission goals. This section covers technologies designed to enhance the performance of cryogenic NG processes, such as the implementation of optimization algorithms, MR systems, ARCs, DARCs, ACAR, TEG, liquid air cold recovery systems, ejector refrigeration cycles, and the integration with renewable energy sources and waste heat recovery.
5.1. Process Enhancement Through Various Algorithms
Designing an LNG facility is highly intricate and encompasses many factors. Employing optimization methodologies can ensure that designs are optimized, provided that robust and reliable models are constructed [313]. A well-designed LNG plant is characterized by minimal capital cost and reduced energy usage [314]. Several studies have explored optimization methods for LNG facilities [101,107,148,233,245,315,316,317,318,319]. Research shows that several objective functions have been employed in optimizing the LNG process, including minimizing power consumption [103,110,123,125,149,154,226,236,237,238,320,321,322,323,324,325,326,327,328,329,330,331], maximizing exergy efficiency [56,106,124,127,129,223], increasing production [332,333,334], reducing operating costs [124,335,336,337], lowering capital expenditures or total annual costs [56,66,122,129], improvement of economic parameters (e.g., profit and net present value) [21,338], and addressing multi-objective functions [56,106,122,124,129,133,223,339,340,341]. Environmentally friendly refrigerant mixtures were identified using mathematical programming techniques to minimize environmental impact [342]. This process involved solving a mixed-integer nonlinear programming (MINLP) model that aimed to achieve specific properties for the MR, with environmental considerations integrated as constraints. The study revealed that MR mixtures possess superior characteristics compared to single-component refrigerants. Another method developed for MR systems relies on nonlinear programming (NLP) combined with thermodynamic principles to solve an NLP problem by leveraging CCs and fine-tuning the refrigerant composition [107]. Their strategy focused on optimizing the composition of the refrigerant mixture, specifically C1-C4, and N2, under specific pressure conditions and flow rates. In cases where no temperature crossover occurs within the heat exchanger, they suggested adjusting the refrigerant flow rates and pressure settings based on heuristics, expert insights, or optimization strategies. They assessed three distinct objective functions: reducing individual crossovers, minimizing the cumulative sum of crossovers, and minimizing compressor energy consumption.
Five distinct liquefaction processes (i.e., SMR, C3MR, DMR, MFC, and AP-X) were explored by simulating them in ASPEN HYSYS and optimizing their energy consumption using the particle swarm optimization algorithm implemented in MATLAB version R2020a programming [154]. The outcomes from the economic and energy analyses revealed that despite being the most energy-intensive at 0.2561 kWh/kg LNG, the small-scale SMR process was the most financially advantageous, generating a profit of 20.41 million USD/year. Also, the APCI AP-X process, the most energy-efficient at 0.2367 kWh/kg LNG, was ranked as the second least profitable, with an annual profit of 20.01 million USD/year. Variations were noted in two commonly assumed trends: that higher liquefaction process complexity leads to reduced energy consumption and that energy-efficient processes lower total annual costs. For large-scale facilities, the C3MR and MFC processes were identified as the least economically viable, while for small-scale operations, the C3MR and APCI AP-X processes were deemed the least feasible [154].
An in-depth analysis was conducted to compare the performance of the PSO, GA, and BOX algorithms in optimizing the SMR, DMR, C3MR, and MFC processes, focusing on energy consumption, exergy improvement, and overall algorithm efficiency [133]. The study found that the lowest SECs for the SMR, DMR, C3MR, and MFC processes were achieved through PSO, with values of 0.3233, 0.2351, 0.2489, and 0.2427 kWh/kg LNG, respectively, indicating that PSO provided the best optimization results. Also, PSO demonstrated higher convergence accuracy and stability compared to GA, though GA had a faster computation time. PSO and GA demonstrated superior performance compared to the BOX algorithm, with PSO maintaining a slight advantage over GA. Moreover, the exergy efficiency of the SMR, DMR, C3MR, and MFC processes through PSO was enhanced to 35.34, 48.59, 45.90, and 47.07%, respectively [133].
Graphical targeting was employed to improve the SMR process by identifying the LNG heat exchanger as the primary source of energy loss in liquefaction. Given the multiple local optima in MR systems, a novel approach was necessary to effectively overcome this challenge [233]. This approach involves solving the NLP using a GA algorithm, with the objective function designed for adaptability, incorporating factors such as compressor power, total cost minimization, and capital investment reduction, and allowing the objective function to be modified based on the specific design goals. A similar optimization of SMR systems focused on minimizing energy consumption as the objective function and was also addressed using a GA algorithm [319]. Improvements in certain critical parameters indicated the underlying causes of reduced irreversibility. Across all these methods, one of the most challenging aspects was formulating the objective functions, which required substantial time and effort. Previous studies have demonstrated that various tools such as AIMMS [343], AMPL [344], ASPEN HYSYS/PLUS [25,97,101,124,314,329,345,346,347,348,349], Engineering Equation Solver [350], FICO Xpress Optimization Suite [351], GAMS [238,243,352], UniSim [100,102], MATLAB [56,110,127,154,314,320,341,353], and modeFRONTIER [354] have been utilized for optimizing the LNG process. LNG processes are complex from a thermodynamic perspective, featuring high levels of interaction and nonlinearity, and creating significant optimization challenges. Further complications in optimization arise due to conflicting objectives [236]. For instance, increasing the pressure difference and flow rates within the heat exchanger boosts the heat transfer rate. Nevertheless, this also escalates energy consumption, as more power is required by the compressors, which represent a major component of operational costs (OPEXs). Also, decreasing pressure differentials and flow rates necessitates a larger heat transfer area, leading to higher capital costs (CAPEXs) [236].
Table 5 lists the various optimization methods used in some NG liquefaction plants. Previous studies have shown that several optimization algorithms, including GAs [25,49,50,51,56,89,129,139,140,172,191,207,223,226,314,323,324,353,355,356,357,358,359,360], NLP [243], sequential quadratic programming (SQP) [102,345], evolutionary search [361], particle swarm optimization [100,133,154,362], simulated annealing [104,363,364], Tabu search [101,365], knowledge-based optimization [20,90,106], and other approaches such as sequential coordinate random search [103], modified coordinate descent [105], multivariate Coggins optimization [111,152,165], shuffled complex evolution [166], vortex search [110,366], teaching–learning self-study optimization [153], invasive-weed optimization [151], and neural network algorithms [367], have been applied to LNG facilities. Also, recent advancements in production data analysis methods, such as flowing material balance equations and Monte Carlo simulation techniques, have significantly improved the estimation of gas in place and reservoir performance, particularly in non-volumetric and naturally fractured gas condensate reservoirs [368,369]. These advancements contribute to optimizing LNG production by ensuring a more accurate assessment of feed gas availability and enhancing supply chain reliability.
Table 5.
Various optimization methods applied in some natural gas liquefaction plants.
5.2. Multi-Component Refrigerant System in Natural Gas Liquefaction
The notion of employing multi-component refrigerants has a long history. In 1936, Podbielniak [370] introduced the initial multi-component refrigerant cycle. Afterward, Kleemenko [371], and Gammer and Newton [372] further refined and applied this concept across various fields. More recently, the issue of ozone layer damage has brought the replacement of Chlorofluorocarbon-based refrigerants into focus, prompting extensive investigations into the application of multi-component refrigerants in household and industrial contexts. Notable research includes work by Stead [373], Lamb et al. [374], and Diodi and Achni [375]. Moreover, several studies have concentrated on using these refrigerants to reach extremely low temperatures [376,377]. These investigations consistently utilized mathematical programming techniques to establish the optimal refrigerant mixture proportions. One key application of multi-component refrigerant systems is in the LNG industry, where NG is cooled to −160 °C. In 1970, APCI was the first to implement a simple SMR for liquefying NG [378]. Recent studies on improving multi-component refrigerant systems have utilized innovative design strategies and expert knowledge, followed by mathematical optimization, to determine the optimal refrigerant composition and operating conditions [334,379]. Furthermore, Lee [99] presented a structured approach to designing NG liquefaction systems, focusing on choosing the optimal refrigerant mix via an NLP model. Over the past years, MR processes have become the leading technology for liquefaction, accounting for more than 75% of current LNG systems [380]. The importance of MR processes lies in their adaptability, enabling precise regulation of hot and cold temperature profiles by modifying the refrigerant mixture [113,122,127,381,382,383]. In addition, MR processes utilize fewer compressors and heat exchanger components, resulting in lower capital requirements [236]. However, employing MR processes significantly complicates the design and operation due to heightened thermodynamic interactions, making process control and optimization considerably more difficult [381].
5.3. Absorption Refrigeration Process
The surplus heat generated from different industrial sectors can be utilized to improve the efficiency of the liquefaction process [329]. One effective method to generate cooling from this waste heat is implementing ARCs. Unlike traditional refrigeration methods that rely on electrical power, ARCs utilize medium-temperature thermal energy to produce refrigeration. This distinct feature of ARCs makes them well suited for effectively utilizing waste heat within industries [384,385,386]. Within the LNG industry, there has been research into the indirect application of ARCs to enhance cooling performance [44,387,388]. However, an alternative approach that has not been extensively explored is the direct substitution of CRCs with ARCs. The feasibility of utilizing ARCs as a substitute for the pre-cooling process in an LNG system was evaluated [389]. The findings indicated that utilizing the waste heat from a 9 MW gas turbine could conserve approximately 1.9 MW. ARCs have been extensively employed across various sectors, including the food and chemical industries [390]. These refrigeration systems operate using a solution as the working fluid, with the most commonly used fluid pairs being H2O–lithium bromide (typically used for temperatures above 0 °C) and NH3/H2O (generally used for temperatures below 0 °C). The energy demand of the cycle is primarily limited to the power required for the pump (or the fan power in air-cooled heat exchangers, when air serves as the medium-temperature reservoir), which is significantly lower compared to that of CRCs [44,388]. ARCs operate quietly and have lower maintenance costs due to the absence of large rotary equipment. Figure 20 depicts the utilization of the ARC units for pre-cooling in LNG processes. The thermal energy required to power the generator is sourced from renewable energy and waste heat from industrial processes [44,188,199].
Figure 20.
Utilization of the ARC unit for pre-cooling in LNG processes.
The NH3/H2O-based ARC system is composed of several essential components, each contributing to the cycle’s efficient operation, as depicted in Figure 21a. The system begins with the generator or separator, which has an important role in separating H2O from ammonia, ensuring the proper composition of the working fluids [391]. The purification unit cleans the ammonia stream, effectively removing residual H2O droplets to maintain a pure NH3 flow. The condensation unit converts the purified ammonia vapor into a liquid state, a necessary step for the subsequent processes [58,197,392]. The evaporative unit generates the cooling effect by evaporating ammonia, a key function of the refrigeration cycle. The absorption component is essential in dissolving ammonia into the H2O, creating the NH3/H2O mixture required for the cycle’s operation [393,394]. Pressure management devices including pumps and pressure relief valves are critical for maintaining the appropriate pressure levels and facilitating the absorption and desorption processes within the system [199,391].
ARCs with smaller capacities often encounter difficulties related to the performance of the solution pump, leading to less-than-ideal efficiency [390]. DARCs were introduced to address these challenges. This advanced technology combines three distinct working fluids: H2 (or helium), H2O, and ammonia. In this setup, ammonia typically serves as the refrigerant, H2O is the absorbent, and H2 (or helium) is an auxiliary inert gas. The concept of DARCs originated in the 1920s and has since undergone significant advancements [395,396]. These systems are adaptable, as they can be powered by various energy sources, including liquid gas, NG, or kerosene, offering flexibility in their operation. A key benefit of DARCs is eliminating a pump between the absorber and generator, which reduces mechanical complexity and increases system reliability. Moreover, these systems are lightweight, highly safe, and economical, making them well suited for applications with minimal refrigeration requirements [397]. A new process involving an SMR-based LNG process, pre-cooled by a DARC system, was introduced and extensively analyzed through 4E evaluations and 3D parametric studies [398]. The DARC unit is based on waste heat as its energy source was engineered to provide cooling down to −29.62 °C. The economic analysis revealed that the levelized cost of production was 0.198 USD/LNG. Figure 22 presents the schematic of the DARC designed for domestic use, which consists of four main components: the boiler, condenser, evaporator, and absorber. The integration of geothermal energy into the ARC for liquefaction has been explored through three methods [399]: direct use within the liquefaction facility, pre-cooling within the absorption cycle, and splitting geothermal functions between pre-cooling and power generation. The results showed that using geothermal energy in the ARC significantly reduces the energy needed for liquefaction, proving to be more efficient than direct geothermal application in the liquefaction process.
Figure 22.
Schematic layout of an ACAR system to employ in the LNG processes, modified from Ref. [45].
Figure 21.
Schematic of the ARCs (a) and DARCs (b) designed for application in the LNG systems, modified from Refs. [58,392,396,400].
Figure 21.
Schematic of the ARCs (a) and DARCs (b) designed for application in the LNG systems, modified from Refs. [58,392,396,400].

He et al. [323] developed innovative NG liquefaction systems that incorporate waste heat from gas turbine exhaust to decrease energy consumption in liquefaction plants. The systems utilize two specific methods: NH3/H2O-based ARC and the organic Rankine cycle (ORC). The NG industry’s widely used C3MR and cascade processes were simulated and optimized using HYSYS software and GA. Integrating waste heat utilization with the C3MR process reduced power consumption by 16.23% with the NH3/H2O-based ARC and by 20.57% with the ORC, achieving exergy efficiencies of 39.39% and 41.86%, respectively. Overall, the integrated systems demonstrated significant potential, including a reduction in CO2 emissions by 4000 to 6000 tons annually.
An NH3/H2O-based ARC was utilized to replace the MR refrigeration cycle within the MFC-based LNG process [58]. The strategy aimed to reduce the electrical energy consumption of the processes by harnessing the waste heat produced within the facility. The results demonstrated that electricity usage can be reduced by 31% in the modified process. Furthermore, there was potential for a 30% reduction in cold box surfaces employed in the main factory equipment and improved H2O utility efficiency. An integrated LNG/NGL system was developed using an ARC for pre-cooling and two MR processes for cooling and liquefaction [18]. SPC for the base and modified MFC cycles was 0.423 and 0.272 kWh/kg LNG, respectively. The exergy efficiency dropped by 12.72% when replacing the first stage of the pre-cooling cycle with an NH3/H2O-based ARC system. Implementing a combined MR and ARC reduced the product’s prime cost by 22% and the annualized system cost by 4.32%, increasing the net annual benefit by 6.2%.
He et al. [45] investigated the ACAR system as a pre-cooling system in the LNG production process. Their investigation revealed that the ACS system, achieving a refrigeration temperature of −52.9 °C and operating with a COP of 0.35, was well suited for the pre-cooling stage in LNG production. The study highlighted that employing various forms of ACARs can effectively provide the necessary cooling temperatures while lowering electricity consumption [401]. A cutting-edge ACAR, featuring a COP of 0.226 and an evaporating temperature of −54.62 °C, was introduced and thoroughly evaluated using an energy analysis method [402]. The results showed that the proposed ACAR could be an excellent candidate for a pre-cooling mechanism in LNG production processes.
Table 6 lists the technical features of selected LNG liquefaction systems utilizing ARCs, ACARs, and DARCs. The findings indicate that employing ARCs, ACARs, and DARCs instead of compression refrigeration cycles for pre-cooling decreases SPC. However, conducting exergy and economic analyses is essential before making any conclusive conclusions.
Table 6.
Technical features of selected LNG liquefaction systems utilizing ARCs, ACARs, and DARCs.
5.4. Thermoelectric Generator Units in LNG Processes
Natural gas liquefaction is an important and energy-intensive process within the industry. Due to its significance and the high costs associated with production, enhancing the efficiency of the liquefaction process is paramount [131,154,407]. Implementing innovative strategies to recover waste energy can significantly improve these systems’ performances [408]. The TEG modules combined with the LNG production process were a promising option [409]. Because TEGs provide numerous benefits, their use in converting heat directly into electricity has been increasing significantly [410,411,412,413]. Some primary advantages of TEGs include the absence of moving parts, a long operational lifespan, a simple design, and their environmentally friendly nature. However, a notable limitation of TEGs is their low efficiency [412,414,415]. Two locations for TEGs in the LNG cycle were identified: one between the condenser and evaporator and the other between the condenser and ambient air. The results indicated that placing TEGs between the condenser and evaporator was not recommended, as it reduced the COP of the integrated system [409]. However, different outcomes were observed when TEGs were placed between the condenser and ambient air. The results showed that, in this configuration, the COP increased as certain values were optimized. Also, it was noted that the levelized cost of TEGs increased from 2.3 to 47 USD/year as the price of TEGs rose from 1 to 20 USD/W.
5.5. Liquid Air Cold Recovery in LNG Processes
During NG liquefaction, about 800 kJ/kg LNG of exergy destruction occurs in compressor electricity use, and 400 kJ/kg LNG of exergy destruction occurs in regasification, primarily through seawater heat exchange. Studies focus on reducing energy in liquefaction and capturing energy during regasification [137]. Figure 23 depicts the typical layout for liquid air cold recovery in LNG processes.
Figure 23.
General schematic of liquid air cold recovery in LNG processes, modified from Refs. [199,416,417].
The C3MR process, recognized as highly efficient, involves a pre-cooling C3H8 cycle and an MR unit [325]. As shown in Figure 24, liquid air supports the MR cycle in several configurations, each designed to improve energy efficiency by optimizing cold energy transfer and minimizing refrigerant flow. The results revealed that incorporating liquid air into the LNG supply chain brings several notable advantages [137]. It reduces energy consumption by more than 25% during the liquefaction of NG. Also, the transportation of liquid air is almost cost-free. There is also the opportunity to sell liquid air as N2 and oxygen. Moreover, this approach helps mitigate environmental impacts by decreasing the amount of ballast H2O needed for the return transfer. In addition, it capitalizes on the readily available air supply from the environment.
Figure 24.
Different layouts of the C3MR-based LNG units integrated with liquid air cold recovery processes, (a) standard C3MR process, (b) liquid air-assisted heat exchange, (c) liquid air expansion for extra cooling, (d) enhanced liquid air integration, and (e) optimized system with compression expansion, modified from Ref. [137].
Park et al. [137] illustrated that by returning liquid air to the LNG production facility, the liquefaction and regasification phases could be combined, which leads to a substantial decrease in the energy needed for NG liquefaction. The suggested MR integrated with the liquid air cold recovery process demonstrated an energy requirement of 917.20 kJ/kg LNG, which is 26.1% lower than the SMR process and 6.7% less than the C3MR process. Also, the techno-economic evaluation indicated that the proposed processes are economically viable, reducing total costs by 18.6 to 22.6%. Ghorbani et al. [418] introduced an innovative method for the simultaneous production of liquid CO2 and LNG. The primary concept of this approach was to use air for energy storage and production, while simultaneously transferring cold energy to facilitate the LNG process. This was achieved through a mixed refrigeration cycle, and recovery of cold energy from liquid air was employed to liquefy NG. Also, a CO2 liquefaction cycle and a combined cooling and power cycle were integrated to enhance the overall system performance by utilizing the liquefaction of CO2 and power generation.
5.6. Ejector Refrigeration Cycles in LNG Processes
MRs achieve a high COP, improving energy efficiency, but their intricate composition and thermodynamic properties complicate control, stability, and operational optimization. In these systems, maintaining a constant ratio of stream compositions becomes difficult in the case of a leak [199]. Also, due to the significant power requirements of CRS cycles, incorporating compression–ejector refrigeration systems can reduce energy consumption. An ejector is a device used for suction, transfer, compression, or mixing of gases, vapors, liquids, and even solid particles, functioning similarly to a compressor [419]. A nozzle transforms the potential energy of a high-pressure driving fluid into kinetic energy, allowing it to draw in secondary material by lowering the static pressure [420,421,422]. Therefore, the driving fluid and the secondary material are mixed and condensed in the diffuser. Due to the pressure and velocity changes caused by the fluid’s movement within the divergent and convergent channels, this device is classified as a type of fluid compressor [423,424,425]. Rooholamini et al. [147] introduced an innovative hybrid design for LNG production, incorporating a two-stage ejector refrigeration system and an MR cycle. The hybrid structure was assessed through energy and exergy analyses, pinch methodology, and sensitivity evaluations. The compression–ejector refrigeration cycle was employed for the pre-cooling NG, achieving temperatures as low as 170.5 K. This cycle demonstrated a COP of 0.8635, while the exergy efficiency of the integrated system was 36.42%.
6. Economic, Safety, Risk, and Environmental Perspectives on Liquid Natural Gas
From January 2023 to February 2024, LNG prices have experienced significant volatility across major markets. The Japan Korea Marker (JKM) reached its highest price of 23.90 USD/MMBtu on 3 January 2023. This increase reflected strong demand or supply constraints in Asia. However, by 26 February 2024, the price had dropped to a low of 7.98 USD/MMBtu, indicating increased supply or reduced demand [39]. Also, the Dutch Title Transfer Facility (TTF), a key European benchmark, peaked at 23.15 USD/MMBtu on 3 January 2023. By 28 February 2024, it had declined to 7.23 USD/MMBtu, indicating market stabilization in Europe. In the USA, the Assumed Henry Hub Term Contract Price peaked at 7.55 USD/MMBtu on 4 January 2023, before declining to 4.56 USD/MMBtu on 20 February 2024 [39]. Henry Hub, located in Louisiana, is the primary pricing point for NG in the United States and serves as the benchmark for New York Mercantile Exchange (NYMEX) natural gas futures [426,427].
LNG projects involve significant expenses, encompassing OPEXs and CAPEXs. Modifications become challenging and expensive after construction, minimizing OPEXs and CAPEXs during the essential design phase [236]. Reducing CAPEXs in hybrid cryogenic NG liquefaction often involves downsizing heat exchangers, which may lower initial costs but can lead to operational inefficiencies. A smaller heat exchanger area means less surface for heat transfer, necessitating a larger temperature difference between the hot and cold streams. This inefficiency leads to increased irreversibility and greater demands on compressors, which must operate at lower temperatures. Therefore, efforts to lower CAPEXs often result in higher OPEXs. While CAPEXs benefit from larger gaps between the hot and cold temperature profiles, OPEXs are optimized when these temperature profiles are closer together [428]. A substantial portion of initial and operational investments in these industries is allocated to the refrigeration cycle [128,204,417,429,430].
The cost metrics for LNG liquefaction plants vary depending on the scope and location of the facility (i.e., Middle East, Europe, Asia Pacific, Southeast Asia, America, and Africa). For a complete facility, the costs ranged from 1000 to 1200 USD/TPA (based on 2014) in areas with standard construction costs, while in high-cost locations, the expense increased to between 1400 and 1800 USD/TPA (based on 2014) [431]. For facilities focusing only on the liquefaction process, the costs were lower at 600–800 USD/TPA (based on 2014) in typical locations. However, in high-cost areas such as remote regions, the cost of liquefaction facilities increased to 1000–1200 USD/TPA (based on 2014) [431]. Capital cost estimates found in academic sources (125–1285 USD/TPA based on 2018) were lower than those presented in technical reports (220–2255 USD/TPA based on 2018) [64]. Most plants mentioned in technical reports were within a small capacity range (3–5.5 MTPA), influenced by the standard size of industrial gas turbines and heat exchangers. However, their specific capital costs showed significant variation [64]. Figure 25 depicts the impact of liquefaction unit capacity on capital costs worldwide. The liquefaction train accounts for approximately two-thirds of the total cost of building a complete plant. All costs referenced in this figure have been adjusted to 2024 Q2 levels using the IHS Upstream Capital Costs Index (UCCI) [432]. In studies, the reported price of LNG varied between 0.3 and 0.7 USD/kg [433]. Table 7 provides the economic characteristics of different hybrid LNG units as documented in the literature. The results illustrate that the capital costs in academic references (173.2–1184 USD/TPA based on 2024) were lower than those presented in technical reports (486.7–3839 USD/TPA based on 2024). Also, LNG prices computed in academic examinations (0.2–0.45 USD/kg based on 2024) were lower than those presented in technical reports (0.3 to 0.7 USD/kg based on 2024).


Figure 25.
Impact of liquefaction unit capacity on capital costs worldwide, (a) Middle East and Europe, (b) Asia Pacific, (c) Southeast Asia, (d) America, and (e) Africa, extracted data from [64,430,431,434].
Table 7.
Economic characteristics of various hybrid LNG units as reported in the literature.
LNG is widely regarded as a cost-effective energy source compared to traditional fossil fuels, but its competitiveness against renewable energy sources varies. NG typically has a lower energy cost per kilowatt-hour than oil and coal [435]. For instance, LNG yields 40–50% fuel savings compared to oil on Oahu and 22–44% on the neighboring islands [436]. Also, LNG produces about 25% of the CO2 emissions of oil and roughly half that of coal, leading to potential cost savings through lower carbon taxes [435,436]. However, renewable energy technologies (e.g., solar and wind) are becoming increasingly competitive. The levelized cost of electricity for utility-scale solar and onshore wind is, on average, lower than that of gas-fired power stations [437]. Key factors affecting LNG’s cost-effectiveness include transport distances exceeding 3000–5000 km, price volatility linked to global oil markets, and high infrastructure costs. Carbon pricing mechanisms and advancements in energy storage may further impact LNG’s long-term economic viability [437,438].
LNG offers a promising alternative to coal for reducing GHG emissions and particulate pollution in China’s power generation, industrial processes, and district heating systems. Three separate research teams from Canada and the USA conducted independent life cycle assessments (LCAs) of an identical LNG supply chain that was planned to transport LNG from Canada to China [439]. The findings revealed that GHG emissions associated with Canadian LNG used in power and heat production in China range between 427 and 556 gCO2eq/kWh and between 81 and 92 gCO2eq/MJ. Compared to coal-fired power generation in China, LNG usage reduced emissions to 291–687 gCO2eq/kWh, representing a 34–62% decrease in emissions [439]. The LNG sector has experienced fewer incidents than other facilities in the petrochemical industry [440]. An analysis of LNG-related incidents in Table 8 reveals that such events are infrequent, and only a small fraction of these rare occurrences have involved projectile-related incidents.
Table 8.
Review of important LNG accidents: locations, consequences, and economic impact; extracted data from [440].
LNG is a high-risk substance that can impact human health, the environment, and the economic stability of communities. Converting NG into this liquid state significantly decreases its volume, facilitating easier transportation and storage in specialized insulated containers, such as those found on LNG carriers, LNG-fueled vessels, stationary storage tanks, and bunker trucks [441]. The low temperature of LNG introduces severe risks, as it can cause material degradation, such as the cracking of tank walls and ship structures, and can inflict frostbite on individuals who come into contact with it. To mitigate these dangers, all storage tanks, pipelines, and valves that come into contact with LNG must be constructed from specially designed cryogenic materials capable of enduring such low temperatures [442].
The primary dangers associated with LNG storage and bunkering are the possibility of fires and explosions, which leaks or spills can trigger if an ignition source is present. In the absence of ignition, LNG will evaporate, disperse, and potentially form a vapor cloud that can spread through the atmosphere [441]. If an ignition source is introduced, four distinct hazardous scenarios could unfold: (a) a flash fire caused by the ignition of the vapor cloud, (b) a jet fire resulting from a pressurized release, (c) a pool fire that arises from LNG pooling and igniting on a surface, and (d) an explosion of the vapor cloud [61,443]. The severity of the consequences from such fires and explosions is influenced by the initial temperature and composition of the LNG and the diameter of the resulting pool fire [444,445].
The risk assessment methods were classified as qualitative [446,447,448], semi-qualitative [449,450,451,452], quantitative [453,454,455,456,457,458], and further delineated as deterministic [459,460,461,462] or probabilistic [463,464,465,466], as well as hybrid deterministic/probabilistic [467,468,469]. The analytical tools employed in risk assessment studies such as event tree analysis (ETA), fault tree analysis (FTA), failure modes and effects analysis (FMEA), and Bayesian networks were examined to understand their application in LNG risk contexts [470]. Additionally, the outcomes of these assessments were linked to strategic frameworks like risk-based inspection (RBI), risk-based maintenance (RBM), risk-based integrity management (RBIM), and facility siting decisions. Furthermore, the applications of these risk assessments were explored across different LNG domains, including LNG carriers and LNG-fueled ships, LNG terminals and stations, offshore floating units, and LNG plants [470].
In the USA, multiple federal agencies are responsible for approving and monitoring LNG facilities’ safety and operational integrity. These include the Federal Energy Regulatory Commission (FERC), the Pipeline and Hazardous Materials Safety Administration (PHMSA) under the Department of Transportation (DOT), the USA Coast Guard, and various other federal bodies, depending on the site’s location, the type of materials handled, and the quantities involved. Additionally, industry groups like the National Fire Protection Association (NFPA) have established standards related to projectile hazards. Also, NFPA 59A [471] provides specific guidelines for membrane tanks in this context. Moreover, recommendations regarding the thickness of local impact-resistant materials, with considerations for penetration, perforation, and scabbing, are provided for stationary LNG storage tanks based on the guidelines outlined in CEB 187, a report titled Concrete Structures Under Impact and Impulsive Loading [472]. In addition, other high-risk facilities governed by agencies such as the Nuclear Regulatory Commission (NRC), the Department of Energy (DOE), and the Federal Aviation Administration (FAA) under the DOT also assess projectile risks and offer further guidance that can be adapted or enhanced as necessary [440]. The most crucial aspects derived from the regulations and guidelines governing LNG operating ports include the following key points:
(a) LNG storage facilities must adhere to the Seveso III Directive, as well as the EN 1473 and NFPA 59A standards. These regulations ensure compliance with stringent safety and design criteria [441]. The EN 1473:2021 standard outlines guidelines for designing, constructing, and operating onshore LNG installations over 200 tons. Updated in May 2021, it includes pressurized storage and considerations for climate change impacts [473,474].
(b) LNG bunker trucks are required to operate under the ADR agreement. Buffer vessels must be constructed following the IGC code and must also satisfy the safety conditions outlined in the ADN agreement [441]. The IGC code establishes an international standard for safely transporting liquefied gases by sea, specifying design and construction requirements for ships engaged in this operation [475]. Additionally, they must comply with ISO 28460 and EN 1532 standards.
(c) Ships powered by LNG should be designed and constructed to fully comply with the safety and operational standards set by the IGF code [441]. The IGF code sets mandatory safety requirements for vessels using gas or low-flashpoint fuels. It provides safe design, risk reduction, hazard protection, leak prevention, and proper fuel management. The code also mandates reliable piping systems, containment measures, and regular inspections to maintain high safety standards [476].
(d) The ISO 18683, 16901, and 20519 standards should be meticulously followed to ensure a high standard of safety during LNG bunkering operations [441]. ISO 18683 sets safety guidelines for LNG bunker transfer, covering shore-to-ship, mobile-to-ship, and ship-to-ship operations [477]. ISO 16901 focuses on risk assessment for onshore LNG facilities, addressing hazards at terminals and storage sites [478]. ISO 20519 defines requirements for LNG bunkering systems, including hardware, procedures, and personnel training [479].
The global LNG supply chain also faces risks from potential disruptions at key maritime chokepoints like the Panama and Suez Canals, which could lead to long-term changes in shipping patterns [480,481,482].
Geopolitical and economic risks create volatility in LNG supply chains, disrupting investments and altering global energy strategies. Conflicts and sanctions, such as the Russia–Ukraine conflict (2014–present) and USA–Iran tensions, have forced Europe to diversify suppliers and restricted Iran’s LNG exports. Infrastructure risks (e.g., blockades and sabotage) threaten LNG terminals, as seen in the Qatar diplomatic crisis (2017–2021) and Europe’s growing reliance on LNG after the 2025 halt of Russian gas transit through Ukraine [483,484]. Supply chain fragmentation due to sanctions has redirected LNG flows, with Russia shifting exports to Asia while Europe turns to USA and Qatar supplies [484,485]. Economic risks further challenge LNG markets through supply–demand imbalances, cost competitiveness issues, and stranded assets. While demand growth is slowing (<2% by 2025), supply is set to surge by 250 bcm by 2030, led by the USA and Qatar. Countries such as the EU, Japan, and South Korea are reducing LNG imports due to renewables and nuclear power [483,486]. Qatar’s low-cost production makes it a dominant player, while high-cost producers such as Canada struggle. Moreover, oversupply could render Canadian LNG projects unviable, risking USD 16 billion in taxpayer-funded infrastructure [486]. To mitigate these risks, diversification [483,484], infrastructure security [484], and long-term contracts [485,487] with hybrid pricing models are essential. As global markets shift, investors favor low-cost producers, while high-risk projects face increasing scrutiny.
7. Current Status and Future Outlook of Liquid Natural Gas
Global LNG trade reached a record 401.4 MT in 2023, connecting 20 exporting and 51 importing markets, with 21 markets involved in re-exports. The 8.4 MT increase was driven by falling LNG prices, encouraging spot market purchases, especially in Asia. Although global LNG trade grew in 2023, the annual growth rate of 2.1% was lower than the 5.6% recorded in 2022 [39]. Over the next 5–6 years, global LNG export capacity is expected to grow significantly from around 400 to 700 MTPA, driven by rising demand in Asian economies, particularly China. The reduction in Russian gas exports to Europe led to an increase in European LNG purchases, which drove global prices to unprecedented peaks [488]. The USA became the largest LNG producer, exporting 84.53 MT in 2023, followed by Australia at 79.56 MT, and Qatar at 78.22 MT [39]. Russia and Malaysia remained the fourth and fifth largest exporters, with 31.36 and 26.75 MT, respectively. The Asia Pacific was the largest exporting region with 134.8 MT, followed by the Middle East at 94.69 MT and North America at 84.53 MT. The Asia Pacific also led in imports with 155.32 MT, though this was down by 3.47 MT from 2022, followed by Europe at 121.3 MT and Asia at 105.5 MT. Asia saw the most significant import growth, driven by lower LNG prices [39,489]. China regained its position as the world’s largest LNG importer, with total imports reaching 71.2 MT. This represented a significant increase of 7.6 MT compared to the previous year, driven by rising energy demand and efforts to secure supply. Japan imported 66.1 MT, although this marked a decrease of 6.9 MT from 2022 [39,490]. The intra-Asia Pacific trade route continued to dominate as the largest global LNG trade flow, accounting for 95 MT of trade. Additionally, India imported 1.9 MT more than in 2022, bringing its total to 22 MT, while European imports remained steady at 121.3 MT [39]. Figure 26 depicts market share analysis and quantities by export, import, re-loading, and receiving markets in 2023.
Figure 26.
Market share analysis and quantities by export, import, re-loading, and receiving markets in 2023; extracted data from [39].
Table 9 presents LNG plants built across different regions in recent years, considering the infrastructure, start years, liquefaction technology, plant train details, and liquefaction capacities. Although projects from countries such as Qatar, Iran, and Russia have the potential to offer lower-cost LNG, various challenges may hinder their progress. As a result, USA projects are such to become key suppliers in the global market, maintaining the long-term market clearing price at approximately 7 USD/MMBtu [491]. Over 50 LNG projects are vying to meet the projected supply–demand gap, which is expected to reach around 30 to 60 MTPA from 2040 onward. This gap will be managed by LNG projects with cost economics below 8–9 USD/MMBTU, primarily from North America. Considering the anticipated growth in LNG demand through 2050, the 2030–2040 period may represent the final opportunity for developing new LNG projects [492].
Table 9.
Natural gas liquefaction plants built in past years, modified from Refs. [39,493,494,495,496,497].
Since 2016, the USA has significantly expanded its LNG infrastructure and emerged as a major force in the global LNG market. The country’s growth in LNG capacity has been driven by multiple large-scale projects, reflecting a major leap in its liquefaction capabilities. The most important LNG facilities in the USA include Sabine Pass LNG, Cove Point LNG, Corpus Christi LNG Texas, Elba Island LNG Georgia, Cameron LNG Louisiana, Freeport LNG Texas, and Calcasieu Pass LNG Louisiana [494,498]. Figure 27 depicts the LNG facilities of Sabine Pass LNG, Cove Point LNG, Corpus Christi LNG, and Elba Island LNG in the USA.


Figure 27.
The layout of LNG facilities of the (a) Sabine Pass LNG, (b) Cove Point LNG, (c) Corpus Christi LNG, and (d) Elba Island LNG in the USA, modified from Refs. [497,499,500,501].
The Sabine Pass LNG facility, located in Louisiana near the Texas border, is a modern infrastructure within the vibrant Louisiana wetlands and offers impressive views of the Gulf of Mexico. This facility began operations in February 2016 and has six fully operational liquefaction units, known as “trains”, each with a production capacity of approximately 5 MTPA LNG, totaling 30.6 MTPA [493]. Sabine Pass, owned by Cheniere Energy, is located less than four nautical miles from the Gulf of Mexico and provides convenient vessel access [502]. The facility has access to various regional and national pipelines, which ensures a stable and diverse NG supply. Sabine Pass has five storage tanks and three berths, which enables it to handle substantial LNG export volumes with efficiency [493].
Cove Point LNG, located near Lusby on the western shore of the Chesapeake Bay in Southern Maryland, south of Washington, D.C., is a complete facility for LNG import, export, and liquefaction [503]. The facility, which occupies 131 acres of a 1000-acre site, initially began importing LNG in 1978, though operations were paused in 1980 due to rising gas prices. Construction of the liquefaction facility commenced in October 2014, while the Cove Point LNG facility in Maryland, with a capacity of 5.25 MTPA, began operations in March 2018 [496,504]. Cove Point LNG is operated by BHE GT&S, a subsidiary of Berkshire Hathaway Energy, and is jointly owned by Dominion Cove Point LNG LP (50%), Berkshire Hathaway Energy (25%), and Brookfield Asset Management (25%) [39,504]. The facility is well connected to the major Mid-Atlantic gas transmission networks; it features infrastructure such as one LNG liquefaction train, seven storage tanks, and state-of-the-art equipment like GE Frame 3 and Solar Titan turbines [504].
The Corpus Christi Liquefaction (CCL) facility in South Texas, the first greenfield LNG export site in the USA, reflects Cheniere’s commitment to efficiency by completing infrastructure ahead of schedule while ensuring safe and dependable energy production [505]. CCL, located on over 1000 acres in San Patricio County, consists of three liquefaction trains, each with a capacity of approximately 5 MTPA of LNG, completed on time and within budget. The facility includes three storage tanks (160,000 m3 each) and two berths designed to accommodate the world’s largest LNG carriers [497]. With access to abundant, low-cost NG and a fully permitted expansion project, CCL is well positioned for Cheniere’s growth as global demand for cleaner energy solutions increases.
The Cameron LNG project is a 13.5 MTPA LNG export facility under construction in Louisiana, USA [506]. Valued at USD 10 billion, the project is being developed by a consortium led by Sempra LNG and Midstream (50.2%), with Total, Mitsui, and Japan LNG Investment each holding 16.6% shares [507]. Located in Hackberry, near the Calcasieu Pass LNG terminal, the facility covers 203.2 hectares. The initial stage of the Cameron LNG project, focused on processing and exporting LNG, is set to feature three liquefaction units, each with a capacity of 4.5 MTPA. This phase will also incorporate a recently constructed LNG storage tank with a full-containment design and a capacity of 160,000 m3, alongside three pre-existing storage tanks of comparable size originally designed for the Cameron LNG import terminal. Moreover, the facility will include storage tanks for refrigerants and condensate products and a designated area for truck-loading operations [506]. The proposed second expansion stage will involve adding two more LNG production units, each with a capacity of 4.98 MTPA. This development will also introduce another storage tank with a capacity of 160,000 m3, along with two compressor units for handling BOG, two tanks for storing liquid N2, and separate tanks for storing diesel and condensate [506].
The Freeport LNG facility on Quintana Island near Freeport, Texas, is an NG liquefaction and export site with a 20 MTPA capacity. Currently, three of its four liquefaction trains are operational (i.e., 15 MTPA), with the first starting in December 2019, the second in January 2020, and the third beginning operations in May 2020 [508,509,510]. Initially developed for LNG import and regasification, the site still maintains much of its original infrastructure, including storage tanks and pipeline connections. The Freeport LNG export terminal is about 10 km from the sea buoy of Freeport Port and includes a ship channel that is 600 feet wide. The facility, located close to extensive pipeline networks, employs Air Products’ C3MR process and operates with General Electric 75 MW motors equipped with variable frequency drives, establishing it as one of North America’s first large-scale electric LNG plants [508].
Venture Global LNG fully owned the Calcasieu Pass LNG project, a 10 MTPA LNG export terminal built by its subsidiary in Louisiana, USA [511]. Situated on a 930-acre site in Cameron Parish, near Lake Charles, where the Calcasieu Ship Channel meets the Gulf of Mexico, the facility included nine liquefaction blocks, each with a capacity of 1.2 MTPA, and two LNG storage tanks of 200,000 m3 [512]. The project utilized a modular construction approach, with each block housing two LNG trains of 0.56 MTPA [39]. In addition, the site featured a marine terminal on its western side that can accommodate LNG carriers with capacities of up to 185,000 m3 [512].
The Elba LNG export project, also called the Elba liquefaction project, focuses on converting an existing LNG import and regasification terminal at Elba Island, Chatham County, Georgia, into a 2.5 MTPA LNG export facility. The project primarily involves the installation of ten liquefaction units at Southern LNG (SLNG) Company’s existing Elba Island LNG terminal, situated on Elba Island in the Savannah River, Chatham County, Georgia, USA [501]. The project, executed in two phases, is managed by Elba Liquefaction Company (ELC), a joint venture of Kinder Morgan (51%) and EIG Global Energy Partners (49%), and operates using Shell’s MMLS liquefaction technology [513].
By 2028, most of the new LNG capacity will be concentrated in the USA and Qatar. This shift is expected to push Australia, the leading LNG exporter in 2021 and 2022, to a distant third among global suppliers. At the same time, significant new LNG capacity is being developed in Russia, Canada, and several African countries [494]. Table 10 provides an overview of global LNG expansion, highlighting key projects and anticipated challenges by 2028.
Table 10.
Global LNG expansion: key projects and emerging challenges by 2028, extracted from Ref. [494].
Although the global LNG production capacity is set to expand, operational and supply challenges will hinder actual output. One-third of LNG plants have faced significant issues, including Yemen’s and Libya’s mothballed terminals [494] and the Freeport LNG explosion in 2022 [514]. Gas supply issues have also affected plants in several countries (e.g., Angola, Algeria, Indonesia, Australia, Nigeria, and Malaysia). These disruptions caused the global LNG fleet to operate at 87% capacity in 2023, though strong demand led some projects to exceed their rated output [494].
8. Key Thermodynamic Insights on LNG Units
Key technical insights derived from this review are summarized below:
- The academic literature review on various LNG liquefaction processes provides significant variability in SPC across different technologies. SMR processes were widely utilized in onshore liquefaction plants, with the SPC ranging from 0.22 to 0.48 kWh/kg LNG. Also, the C3MR processes as common technology showed SPC values between 0.2 and 0.41 kWh/kg LNG. The CPOC processes demonstrated an SPC of 0.205–0.341 kWh/kg LNG, although technical reports suggested a slightly higher consumption of 0.324–0.384 kWh/kg LNG. The DMR processes exhibited an SPC of 0.212–0.414 kWh/kg LNG, while the MFC processes recorded an SPC of 0.196–0.423 kWh/kg LNG.
- The MFC process had the lowest SPC, which made it the most energy-efficient option. The DMR and C3MR processes also showed strong energy efficiency, while the SMR processes, though less efficient, maintained acceptable energy consumption compared to others. The SPC for LNG processes indicated that SMR cycles ranged between 0.3 and 0.4 kWh/kg LNG, whereas C3MR, DMR, and MFC cycles had SPCs below 0.3 kWh/kg LNG. Energy and economic analyses revealed discrepancies in expected relationships: more complex liquefaction processes did not necessarily result in lower energy consumption, and energy-efficient processes did not always lead to lower total annualized costs. Although the SMR process consumed the most energy, it remained the most cost-effective.
- Exergy efficiency is an important metric for assessing the performance of LNG liquefaction processes, and it varies among the different technologies. SMR-based LNG processes had reported exergy efficiencies of 30–67.8%, indicating a broad range of performance depending on operational conditions. The C3MR processes that are widely adopted in the industry showed exergy efficiencies of 29.2–65.2%. Also, the DMR processes had documented exergy efficiencies of 28.2–62.3%. Meanwhile, the MFC processes demonstrated a higher efficiency (i.e., 51.8–62.8%), making it one of the more effective options in terms of energy conversion. These findings highlight the importance of optimizing exergy efficiency to enhance overall process performance and reduce operational costs in LNG production.
- The PR, ideal gas law, SRK, BWR, REFPROP database, and Lee–Kesler EOSs were utilized in cryogenic NG liquefaction. The study demonstrated that the PR EOS achieved greater accuracy than the other EOSs. It is particularly effective for phase balance analysis and predicting MRs’ enthalpy and entropy trends. According to the literature findings, the components of the refrigerant mixture should be chosen from a combination of several pure substances with low and high boiling points to cover the wide temperature range required by the process effectively. As the cooling temperature decreases, a mixture with components that have a lower boiling point (and lower molecular weight) should be employed. The design and development of cryogenic cycles using MRs for low-temperature processes involve several important decisions regarding the composition percentages of refrigerant components, operating pressures, temperatures, and the overall arrangement of the cryogenic cycle. Analysis results indicate that the power consumption of refrigeration cycles with a specific arrangement is highly dependent on the operating pressures and the composition percentages of refrigerant components while being less influenced by the sub-cooling temperature parameter. The modified combined and exergy diagrams provide a detailed graphical indication of the cryogenic cycle’s arrangement and its deviation from the optimal configuration, serving as a quality indicator. These diagrams assist in adjusting the structure and arrangement of equipment within the cryogenic cycle to improve efficiency.
9. Summary and Conclusions
Natural gas reserves are unevenly distributed globally, with significant concentrations in specific regions, which makes its transportation an important industry for widespread utilization. Liquefaction offers the most efficient and cost-effective alternative to pipelines. Liquefying NG significantly reduces its volume, which allows it to be transported by ships to various destinations, where it is later regasified. However, the main challenge in expanding LNG usage is the high energy demand of the liquefaction process. Current research focuses on reducing energy consumption in LNG production, which lowers operating costs and enhances system efficiency. This review investigates the thermodynamic aspects of different LNG technologies, covering cryogenic processes, NGL recovery, N2 rejection, helium recovery, and LNG systems. In addition, various methods to enhance the performance of hybrid liquefaction processes are examined, including optimization algorithms, MR systems, ARCs and DARCs, ACAR, TEG, liquid air cold recovery, ejector refrigeration cycles, and the integration of renewable energy and waste heat. The main outcomes of the review study on hybrid cryogenic natural gas systems are summarized below:
- The GSP is commonly employed to maximize C2H6 recovery at minimal cost. Integrating LNG, NGL, and NRU processes involves removing the reboiler and condenser from the demethanizer and N2 removal towers. In this approach, side streams are extracted from various trays of the towers, cooled using multi-stream heat exchangers, and then reintroduced into the tower. This integration of low-temperature NG processes leads to reduced energy consumption and lower operating costs. While this integration simplifies the system by eliminating additional equipment such as reboilers, condensers, and separate refrigeration cycles, it also increases the complexity of the overall structure. Therefore, a detailed economic analysis is essential to assess the investment required for hybrid cryogenic NG liquefaction.
- Helium production processes can be effectively integrated with the final cooling stage in LNG production to enable effective extraction. This integration was designed to minimize energy consumption and simplify the overall system design. The results illustrated that flash-based processes required fewer pieces of equipment and were simpler to configure compared to other methods, such as distillation or a combination of flash evaporation and distillation. This process had a lower SPC and provided an efficient rate of helium extraction.
- Different approaches were employed to improve the performance of cryogenic NG processes. These approaches included using optimization algorithms, MR systems, ARCs, DARCs, ACAR, TEG, liquid air recovery systems, ejector refrigeration cycles, and integration with renewable energies and waste heat recovery. Optimization strategies for LNG units focused on various objectives, including minimizing power consumption, maximizing exergy efficiency, increasing production, reducing operating costs, lowering total annual costs, minimizing environmental impact, improving economic parameters (e.g., profit and net present value), and addressing multi-objective functions. The results illustrated that using ARC, ACAR, DARC, and liquid air recovery cycles instead of CRC cycles for pre-cooling in hybrid cryogenic NG processes reduced SPC and operating costs. However, it is necessary to consider exergy and initial investment cost analyses. Integrating renewable thermal energy (e.g., solar and geothermal) and industrial waste heat with hybrid cryogenic NG process units was possible through three methods: using waste heat in ARC/DARC units, power generation systems, and a combination of ARC/DARC and power generation cycles. Using renewable and industrial waste heat in ARC cycles was found to be more efficient than the other two methods.
- Capital cost estimates found in academic sources (173.2–1184 USD/TPA based on 2024) were considerably lower than those presented in technical reports (486.7–3839 USD/TPA based on 2024). Also, LNG prices calculated in academic studies (0.2–0.45 USD/kg based on 2024) were considerably lower than those presented in technical reports (0.3–0.7 USD/kg based on 2024).
- LNG has significant risks to human health, the environment, and economic stability due to its hazardous properties and the complexities of its storage and transportation. The conversion of NG to LNG reduces its volume, enabling easier transport in specialized insulated containers, but the extremely low temperatures of LNG can cause material degradation and severe injuries. To mitigate these risks, storage and transport infrastructure can use cryogenic materials designed to withstand such conditions. Major risks associated with LNG include fires and explosions that can occur due to leaks and spills, with the severity depending on various factors such as LNG composition and temperature. Different qualitative and quantitative risk assessment methods were employed to evaluate these risks and inform strategic safety frameworks such as risk-based inspection and maintenance. In the USA, multiple federal agencies, including the FERC, PHMSA, and the United States Coast Guard, regulate LNG facilities’ safety and operational integrity. These efforts are supported by industry standards such as NFPA 59A and the Seveso III Directive, which set stringent safety criteria for LNG storage and bunkering operations.
- While Qatar, Iran, and Russia could offer lower-cost LNG, challenges may limit their progress, positioning USA projects as key suppliers and keeping the long-term price around 7 USD/MMBtu. Over 50 LNG projects are competing to fill a 30–60 MTPA supply gap from 2040 onward, with North American projects, costing below 8–9 USD/MMBtu, expected to lead. The 2030–2040 period may be the last chance for new LNG developments due to growing demand through 2050.
- To further this research, examining environmental parameters in the NG transmission supply chain, including different methods such as LNG, CNG, NGH, and gas-to-liquid (GTL) conversion, would be beneficial. Furthermore, updating and reviewing codes and standards related to the physical storage of NG (particularly for LNG and CNG) can be considered. The use of multi-component refrigeration cycles with lower SPC compared to C3MR and CPOC in industrial applications could also be explored.
Supplementary Materials
The following supporting information can be downloaded at: https://www.mdpi.com/article/10.3390/en18061443/s1. The Supplementary Material examines various studies on optimization analysis and pinch techniques for heat recovery in cryogenic natural gas systems. Table S1. Physical and chemical property comparison of LNG, diesel, gasoline, and liquefied petroleum gas; Table S2. The classification of LNG according to its density and composition; Figure S1. Process flow diagram of Axens Liquefin process for natural gas liquefaction; Figure S2. Process diagram for N2 removal from natural gas; Figure S3. Cryogenic distillation technique for N2 removal from natural gas: (a) single column and (b) double columns; Figure S4. A process flow diagram for the hybrid NGL and LNG production based on the C3MR refrigeration cycle; Figure S5. Block diagram of an integrated helium production unit, removing N2, H2, and CO2; Figure S6. A simplified schematic of the LNG/NGL process integrated with a distillation-based HeXU.
Author Contributions
Conceptualization, B.G. and S.Z.; methodology, B.G., S.Z. and N.M.C.S.; investigation, B.G. and S.Z.; resources, S.Z. and N.M.C.S.; data curation, B.G. and S.Z.; writing—original draft preparation, B.G. and S.Z.; writing—review and editing, B.G., S.Z. and N.M.C.S.; visualization, B.G.; supervision, S.Z. All authors have read and agreed to the published version of the manuscript.
Funding
This research received no external funding.
Acknowledgments
The support from the Memorial University, Government of Canada/New Frontiers in Research Fund (NFRF), MITACS, and Natural Sciences and Engineering Research Council of Canada (NSERC) is greatly appreciated. Declaration of AI-assisted technologies in the writing process: The authors used AI-assisted technologies to improve grammar and spelling during the preparation of this review paper.
Conflicts of Interest
The authors declare no conflict of interest.
Nomenclature
| Acronyms | |
| AC | Air cooler |
| ACAR | Auto-cascade absorption refrigeration |
| ACS | Air cooling system |
| ADR | Agreement Concerning the International Carriage of Dangerous Goods by Road |
| ADN | European Agreement Concerning the International Carriage of Dangerous Goods by Inland Waterways |
| AGRU | Acid gas removal unit |
| AP | Air Products |
| APCI | Air Products and Chemicals, Inc. |
| AP-C3MR | Air Products’ propane pre-cooled mixed refrigerant |
| AP-N | Air Products’ nitrogen expansion process |
| AP-X | Air Products’ advanced mixed refrigerant |
| ARC | Absorption refrigeration cycle |
| BAHEs | Brazed Aluminum Heat Exchangers |
| BHGE | Baker Hughes General Electric |
| BHP | Broken Hill Proprietary Company |
| BOG | Boil-off gas |
| BOX | Box constraints |
| BWR | Benedict–Webb–Rubin |
| C3MR | Propane pre-cooled mixed refrigerant |
| CAPEXs | Capital costs |
| CCs | Composite charts |
| CCL | Corpus Christi Liquefaction |
| CNG | Compressed natural gas |
| COP | Coefficient of performance |
| CPEA | Combined pinch and exergy analysis |
| CPOC | ConocoPhillips’ optimized cascade |
| CRR | Cold residue recycle |
| CRS | Compression refrigeration system |
| CW | Cooling water |
| DARC | Diffusion–absorption refrigeration cycle |
| DMR | Dual mixed refrigerant |
| DOE | Department of Energy |
| DOT | Department of Transportation |
| ECC | Exergy composite curve |
| EGCC | Exergy grand composite curves |
| ELC | Elba Liquefaction Company |
| eLNG | Enhanced liquefied natural gas |
| EN | European Norm |
| EOS | Equation of state |
| EPC | Engineering, procurement, and construction |
| ETA | Event tree analysis |
| EXP | Sole expander-based technology |
| FAA | Federal Aviation Administration |
| FERC | Federal Energy Regulatory Commission |
| FMEA | Failure modes and effects analysis |
| FLNG | Floating liquefied natural gas |
| FTA | Fault tree analysis |
| GA | Genetic algorithm |
| GCCs | Grand composite curves |
| GHG | Greenhouse gas |
| GSP | Gas sub-cooled process |
| GTL | Gas to liquid |
| HCs | Hydrocarbons |
| HeXU | Helium extraction unit |
| HHP | High–high-pressure propane |
| HP | High pressure |
| IGC Code | International Code for the Construction and Equipment of Ships Carrying Liquefied Gases in Bulk |
| IGF Code | International Code of Safety for Ships Using Gases or Other Low-Flashpoint Fuels |
| ISO | International Organization for Standardization |
| JT | Joule–Thomson |
| JKM | Japan Korea Marker |
| KBR | Kellogg Brown & Root |
| LCAs | Life cycle assessments |
| LHV | Lower heating value |
| LINMAP | Linear programming technique for multidimensional analysis of preference |
| LIMUM | Linde Multi-Stage Mixed Refrigerant process |
| LNG | Liquefied natural gas |
| LP | Low pressure |
| LPG | Liquefied petroleum gas |
| Merox | Mercaptan oxidation process |
| MFC | Mixed fluid cascade |
| MINLP | Mixed-integer nonlinear programming |
| MP | Medium pressure |
| MLNG | Malaysia LNG |
| MMSCFD | Million standard cubic feet per day |
| MR | Mixed refrigerant |
| MRU | Mercury removal unit |
| MTPA | Million tons per annum |
| NFPA | National Fire Protection Association |
| NG | Natural gas |
| NGH | Natural gas hydrate |
| NGL | Natural gas liquid |
| NIST | National Institute of Standards and Technology |
| NLP | Nonlinear programming |
| NRC | Nuclear Regulatory Commission |
| NRU | Nitrogen removal unit |
| NSGAII | Non-dominated sorting genetic algorithm II |
| OPEXs | Operational costs |
| ORC | Organic Rankine cycle |
| P-H | Pressure–enthalpy |
| PCMR | Pre-cooled Mixed Refrigerant Process |
| PFLNG | Petronas floating liquefied natural gas |
| PFHE | Plate-fin heat exchanger |
| PHMSA | Pipeline and Hazardous Materials Safety Administration |
| PMR | Pure mixed refrigerant |
| PR | Peng–Robinson |
| PRICO | Peak-shaving Refrigerated Inlet Cascade Operation |
| PSA | Pressure swing adsorption |
| PSRK | Predictive Soave–Redlich–Kwong |
| PSO | Particle swarm optimization |
| RBI | Risk-based inspection |
| RBIM | Risk-based integrity management |
| RBM | Risk-based maintenance |
| REFPROPs | Refrigerant properties |
| RR | Residue recycle |
| SLNG | Southern LNG Company |
| SMR | Single mixed refrigerant |
| SPC | Specific power consumption |
| SQP | Sequential quadratic programming |
| SRK | Soave–Redlich–Kwong |
| Sulfrex | Sulfur removal technology |
| SW | Seawater |
| SWHE | Spiral-wound heat exchanger |
| TEG | Thermoelectric generator |
| TE | Turbo-expander |
| TEALARC | Thermally Efficient Auto-Refrigerated Cascade |
| TOPSIS | Technique for order of preference by similarity to ideal solution |
| T-S | Temperature–entropy |
| TTF | Title Transfer Facility |
| UCCI | Upstream Capital Costs Index |
| UK | United Kingdom |
| USA | United States |
| Variables/Letters | |
| Ci/Ki | Compressor i |
| C2/C2H6 | Ethane |
| C₂⁺ | Ethane and heavier hydrocarbons |
| C3/C3H8 | Propane |
| C4/C4H10 | Butane |
| C5/C5H12 | Pentane |
| C1/CH4 | Methane |
| CO2 | Carbon dioxide |
| CS2 | Carbon disulfide |
| Di/Fi | Flash drum i |
| Ei | Heat exchanger i/evaporator i |
| GT | Gas turbine |
| H2 | Hydrogen |
| H2O | Water |
| H2S | Hydrogen sulfide |
| He | Helium |
| Qabs | Heat released in the absorber |
| Qcon | Heat rejected in the condenser |
| Qevap | Heat absorbed in the evaporator |
| Qgen | Heat supplied to the generator |
| Qrec | Heat recovery in the rectifier |
| M | Motor |
| N2 | Nitrogen |
| NH3 | Ammonia |
| SOx | Sulfur oxides |
| Ti | Tower i |
| Vi | Valve i |
References
- Speight, J.G. Handbook of Natural Gas Analysis; John Wiley & Sons: Hoboken, NJ, USA, 2018; ISBN 9781119240280. [Google Scholar] [CrossRef]
- Shingan, B.; Timung, S.; Jain, S.; Singh, V.P. Technological horizons in natural gas processing: A comprehensive review of recent developments. Sep. Sci. Technol. 2024, 59, 1216–1240. [Google Scholar] [CrossRef]
- Poe, W.; Mokhatab, S. Introduction to natural gas processing plants. In Modeling, Control, and Optimization of Natural Gas Processing Plants; Gulf Professional Publishing: Cambridge, MA, USA; Oxford, UK, 2017; pp. 1–72. [Google Scholar]
- Li, Q.; Li, Q.; Wu, J.; Li, X.; Li, H.; Cheng, Y. Wellhead Stability During Development Process of Hydrate Reservoir in the Northern South China Sea: Evolution and Mechanism. Processes 2024, 13, 40. [Google Scholar] [CrossRef]
- Li, Q.; Li, Q.; Cao, H.; Wu, J.; Wang, F.; Wang, Y. The Crack Propagation Behaviour of CO2 Fracturing Fluid in Unconventional Low Permeability Reservoirs: Factor Analysis and Mechanism Revelation. Processes 2025, 13, 159. [Google Scholar] [CrossRef]
- Sharanik, J.; Duri, M.; Hadjistassou, C. Liquefied natural gas (LNG). In Encyclopedia of Toxicology, 4th ed.; Wexler, P., Ed.; Academic Press: Oxford, UK, 2024; pp. 871–892. [Google Scholar]
- Speight, J. 6-History of gas processing. In Natural Gas, 2nd ed.; Gulf Professional Publishing: Boston, MA, USA, 2019; pp. 189–218. ISBN 978-0-12-809570-6. [Google Scholar] [CrossRef]
- Khan, M.S.; Karimi, I.A.; Wood, D.A. Retrospective and future perspective of natural gas liquefaction and optimization technologies contributing to efficient LNG supply: A review. J. Nat. Gas Sci. Eng. 2017, 45, 165–188. [Google Scholar] [CrossRef]
- Papavinasam, S. Oil and gas industry network. In Corrosion Control in the Oil and Gas Industry; Elsevier: London, UK; Waltham, MA, USA; San Diego, CA, USA, 2014; pp. 41–131. ISBN 978-0-12-397022-0. [Google Scholar] [CrossRef]
- Riazi, M.; Eser, S.; Agrawal, S.S.; Díez, J.P. Petroleum Refining and Natural Gas Processing; ASTM International: West Conshohocken, PA, USA, 2013; ISBN 978-0-8031-7022-3. [Google Scholar] [CrossRef]
- Mohamadi-Baghmolaei, M.; Hajizadeh, A.; Zendehboudi, S.; Duan, X.; Shiri, H.; Cata Saady, N.M. Exergy and exergoeconomic assessment of an acid gas removal unit in a gas refinery plant. Ind. Eng. Chem. Res. 2021, 60, 14591–14612. [Google Scholar] [CrossRef]
- Natural Gas Processing. Pennsylvania State University. Available online: https://www.e-education.psu.edu/fsc432/content/natural-gas-processing (accessed on 1 February 2025).
- Kondori, J.; Zendehboudi, S.; Hossain, M.E. A review on simulation of methane production from gas hydrate reservoirs: Molecular dynamics prospective. J. Pet. Sci. Eng. 2017, 159, 754–772. [Google Scholar] [CrossRef]
- Ghorbani, B.; Hamedi, M.-H.; Amidpour, M. Development and optimization of an integrated process configuration for natural gas liquefaction (LNG) and natural gas liquids (NGL) recovery with a nitrogen rejection unit (NRU). J. Nat. Gas Sci. Eng. 2016, 34, 590–603. [Google Scholar] [CrossRef]
- Ghorbani, B.; Hamedi, M.-H.; Amidpour, M.; Shirmohammadi, R. Implementing absorption refrigeration cycle in lieu of DMR and C3MR cycles in the integrated NGL, LNG and NRU unit. Int. J. Refrig. 2017, 77, 20–38. [Google Scholar] [CrossRef]
- Ghorbani, B.; Hamedi, M.-H.; Amidpour, M. Exergoeconomic evaluation of an integrated nitrogen rejection unit with LNG and NGL Co-Production processes based on the MFC and absorbtion refrigeration systems. Gas Process. J. 2016, 4, 1–28. [Google Scholar]
- Ebrahimi, A.; Ghorbani, B.; Skandarzadeh, F.; Ziabasharhagh, M. Integrated LNG/NRU Configuration with the Biomass Gasification Unit and Absorption-Compression Refrigeration System. Waste Biomass Valorization 2022, 13, 1731–17488. [Google Scholar] [CrossRef]
- Ghorbani, B.; Shirmohammadi, R.; Mehrpooya, M. A novel energy efficient LNG/NGL recovery process using absorption and mixed refrigerant refrigeration cycles—Economic and exergy analyses. Appl. Therm. Eng. 2018, 132, 283–295. [Google Scholar] [CrossRef]
- Naquash, A.; Riaz, A.; Qyyum, M.A.; Aziz, M.; Assareh, E.; Lee, M. Liquid hydrogen storage and regasification process integrated with LNG, NGL, and liquid helium production. Renew. Energy 2023, 213, 165–175. [Google Scholar] [CrossRef]
- Khan, M.S.; Chaniago, Y.D.; Getu, M.; Lee, M. Energy saving opportunities in integrated NGL/LNG schemes exploiting: Thermal-coupling common-utilities and process knowledge. Chem. Eng. Process. Process Intensif. 2014, 82, 54–64. [Google Scholar] [CrossRef]
- Jin, C.; Lim, Y. Optimization and economic evaluation of integrated natural gas liquids (NGL) and liquefied natural gas (LNG) processing for lean feed gas. Appl. Therm. Eng. 2019, 149, 1265–1273. [Google Scholar] [CrossRef]
- Vatani, A.; Mehrpooya, M.; Tirandazi, B. A novel process configuration for co-production of NGL and LNG with low energy requirement. Chem. Eng. Process. Process Intensif. 2013, 63, 16–24. [Google Scholar] [CrossRef]
- Kim, D.; Gundersen, T. Use of exergy efficiency for the optimization of LNG processes with NGL extraction. Energy 2020, 197, 117232. [Google Scholar] [CrossRef]
- Mehrpooya, M.; Hossieni, M.; Vatani, A. Novel LNG-based integrated process configuration alternatives for coproduction of LNG and NGL. Ind. Eng. Chem. Res. 2014, 53, 17705–17721. [Google Scholar] [CrossRef]
- He, T.; Ju, Y. Design and optimization of a novel mixed refrigerant cycle integrated with NGL recovery process for small-scale LNG plant. Ind. Eng. Chem. Res. 2014, 53, 5545–5553. [Google Scholar] [CrossRef]
- Ghorbani, B.; Mehrpooya, M.; Ghasemzadeh, H. Investigation of a hybrid water desalination, oxy-fuel power generation, and CO₂ liquefaction process. Energy 2018, 158, 1105–1119. [Google Scholar] [CrossRef]
- Ghorbani, B.; Shirmohammadi, R.; Mehrpooya, M.; Mafi, M. Applying an integrated trigeneration incorporating hybrid energy systems for natural gas liquefaction. Energy 2018, 149, 848–864. [Google Scholar] [CrossRef]
- Ghorbani, B.; Mehrpooya, M.; Omid, E. Hybrid solar liquefied natural gas, post combustion carbon dioxide capture and liquefaction. Energy Convers. Manag. 2020, 207, 112512. [Google Scholar] [CrossRef]
- Smith, E.C. Some Pioneers of Refrigeration. Trans. Newcom. Soc. 1942, 23, 99–107. [Google Scholar] [CrossRef]
- Almqvist, E. Industrial Gases: Background. In History of Industrial Gases; Springer: New York, USA, 2003; pp. 47–135. [Google Scholar]
- Damu, D.A.J. The Study of Interchangeability in Liquefied Natural Gas (LNG) in Comparison to Other Fuels. Bachelor’s Thesis, Universiti Malaysia, Pahang, Malaysia, 2010. [Google Scholar]
- Hrastar, J. Liquid Natural Gas in the United States: A History; McFarland: Jefferson, NC, USA, 2014. [Google Scholar]
- Adriatic LNG Energy for Better Future. Available online: https://www.adriaticlng.it/en/the-terminal/why-lng/lng-history (accessed on 1 February 2025).
- Marston, J.C. An Assessment of LPG Tanker Operating Regulations in the Port of Vancouver, BC. Master’s Thesis, University of British Columbia, Vancouver, BC, Canada, 1982. [Google Scholar]
- Grigas, A. The New Geopolitics of Natural Gas; Harvard University Press: Cambridge, MA, USA; London, UK, 2017; ISBN 9780674971837. [Google Scholar]
- Tahchi, B. Algerian gas to strengthen energy security of the European Union: Policy, capacity and strategy. Energy Rep. 2024, 11, 3600–3613. [Google Scholar] [CrossRef]
- Himri, Y.; Rehman, S.; Mostafaeipour, A.; Himri, S.; Mellit, A.; Merzouk, M.; Merzouk, N.K. Overview of the role of energy resources in Algeria’s energy transition. Energies 2022, 15, 4731. [Google Scholar] [CrossRef]
- Furda, P.; Variny, M.; Labovská, Z. Towards time-effective optimization: Enviro-economic study of the C3MR LNG process. Energy Convers. Manag. 2022, 260, 115602. [Google Scholar] [CrossRef]
- 2024 World LNG Report, Published on 26 June 2024. Available online: https://maritimecyprus.com/wp-content/uploads/2024/06/IGU-2024-LNG-Report_c.pdf (accessed on 1 February 2025).
- Air Products & Chemicals Inc. Large to Mega-Scale LNG Plant Processes and Equipment. 2021. Available online: https://www.airproducts.com/equipment/large-scale-lng-plants (accessed on 1 February 2025).
- U.S. Department of Energy. Global LNG Fundamentals. Award Number DE-FE0024160. 2018. Available online: https://www.energy.gov/sites/prod/files/2018/03/f49/Global%20LNG%20Fundamentals%2C%20Updated%203.15.18.pdf (accessed on 1 February 2025).
- Air Products & Chemicals Inc. Mid-Scale LNG Plant Processes and Equipment. 2021. Available online: https://www.airproducts.com/equipment/mid-scale-lng-plants (accessed on 1 February 2025).
- Air Products & Chemicals Inc. Floating LNG Plants Processes and Equipment. 2021. Available online: https://www.airproducts.com/equipment/floating-lng-plants (accessed on 1 February 2025).
- Rodgers, P.; Mortazavi, A.; Eveloy, V.; Al-Hashimi, S.; Hwang, Y.; Radermacher, R. Enhancement of LNG plant propane cycle through waste heat powered absorption cooling. Appl. Therm. Eng. 2012, 48, 41–53. [Google Scholar] [CrossRef]
- He, Y.; Li, R.; Chen, G.; Wang, Y. A potential auto-cascade absorption refrigeration system for pre-cooling of LNG liquefaction. J. Nat. Gas Sci. Eng. 2015, 24, 425–430. [Google Scholar] [CrossRef]
- Ghorbani, B.; Roshani, H. Advanced exergy and exergoeconomic analysis of the integrated structure of simultaneous production of NGL recovery and liquefaction. Chall. Nano Micro Scale Sci. Technol. 2018, 6, 8–14. [Google Scholar]
- Park, J.H.; Khan, M.S.; Andika, R.; Getu, M.; Bahadori, A.; Lee, M. Techno-economic evaluation of a novel NGL recovery scheme with nine patented schemes for offshore applications. J. Nat. Gas Sci. Eng. 2015, 27, 2–17. [Google Scholar] [CrossRef]
- Zendehboudi, S.; Ghorbani, B. Chapter 3-Physical-Based Hydrogen Storage, Hydrogen Production, Transportation, Storage, and Utilization; Elsevier: Amsterdam, The Netherlands; London, UK; Cambridge, MA, USA, 2025. [Google Scholar]
- Nikkho, S.; Abbasi, M.; Zahirifar, J.; Saedi, M.; Vatani, A. Energy and exergy investigation of two modified single mixed refrigerant processes for natural gas liquefaction. Comput. Chem. Eng. 2020, 140, 106854. [Google Scholar] [CrossRef]
- Ali, W.; Khan, M.S.; Qyyum, M.A.; Lee, M. Surrogate-assisted modeling and optimization of a natural-gas liquefaction plant. Comput. Chem. Eng. 2018, 118, 132–142. [Google Scholar] [CrossRef]
- Ghorbani, B.; Hamedi, M.-H.; Amidpour, M.; Mehrpooya, M. Cascade refrigeration systems in integrated cryogenic natural gas process (natural gas liquids (NGL), liquefied natural gas (LNG) and nitrogen rejection unit (NRU)). Energy 2016, 115, 88–106. [Google Scholar] [CrossRef]
- Ransbarger, W.L.; Ortego, J.D., Jr. Enhanced Nitrogen Removal in an LNG Facility. U.S. Patent 9,528,759, 27 December 2016. [Google Scholar]
- Davis, R.A.; Herron, D.M.; Pervier, J.W.; Vines, H.L. Nitrogen Rejection from Natural Gas Integrated with NGL Recovery. U.S. Patent 4,504,295, 12 March 1985. [Google Scholar]
- McNeil, B.A.; Evans, M.H. Dual Column Process to Remove Nitrogen from Natural Gas. U.S. Patent 5,617,741, 8 April 1997. [Google Scholar]
- Ghorbani, B.; Mafi, M.; Shirmohammadi, R.; Hamedi, M.-H.; Amidpour, M. Optimization of operation parameters of refrigeration cycle using particle swarm and NLP techniques. J. Nat. Gas Sci. Eng. 2014, 21, 779–790. [Google Scholar] [CrossRef]
- Ghorbani, B.; Hamedi, M.-H.; Shirmohammadi, R.; Hamedi, M.; Mehrpooya, M. Exergoeconomic analysis and multi-objective Pareto optimization of the C3MR liquefaction process. Sustain. Energy Technol. Assess. 2016, 17, 56–67. [Google Scholar] [CrossRef]
- Ghorbani, B.; Salehi, G.R.; Ghaemmaleki, H.; Amidpour, M.; Hamedi, M.H. Simulation and optimization of refrigeration cycle in NGL recovery plants with exergy-pinch analysis. J. Nat. Gas Sci. Eng. 2012, 7, 35–43. [Google Scholar] [CrossRef]
- Mehrpooya, M.; Omidi, M.; Vatani, A. Novel mixed fluid cascade natural gas liquefaction process configuration using absorption refrigeration system. Appl. Therm. Eng. 2016, 98, 591–604. [Google Scholar] [CrossRef]
- Ansarinasab, H.; Mehrpooya, M. Advanced exergoeconomic analysis of a novel process for production of LNG by using a single effect absorption refrigeration cycle. Appl. Therm. Eng. 2017, 114, 719–732. [Google Scholar] [CrossRef]
- Niasar, M.S.; Amidpour, M. Conceptual design and exergy analysis of an integrated structure of natural gas liquefaction and production of liquid fuels from natural gas using Fischer-Tropsch synthesis. Cryogenics 2018, 89, 29–41. [Google Scholar] [CrossRef]
- Mokhatab, S.; Mak, J.Y.; Valappil, J.V.; Wood, D. Handbook of Liquefied Natural Gas; Gulf Professional Publishing: Oxford, UK, 2013; ISBN 978-0-12-404585-9. [Google Scholar] [CrossRef]
- Sakmar, S.L. Energy for the 21st Century: Opportunities and Challenges for Liquefied Natural Gas (LNG); New Horizons in Environmental and Energy Law Series; Edward Elgar Publishing: Cheltenham, UK, 2013; ISBN 9781849804219. [Google Scholar] [CrossRef]
- Mehrpooya, M.; Ghorbani, B. Introducing a hybrid oxy-fuel power generation and natural gas/carbon dioxide liquefaction process with thermodynamic and economic analysis. J. Clean. Prod. 2018, 204, 1016–1033. [Google Scholar] [CrossRef]
- Zhang, J.; Meerman, H.; Benders, R.; Faaij, A. Comprehensive review of current natural gas liquefaction processes on technical and economic performance. Appl. Therm. Eng. 2020, 166, 114736. [Google Scholar] [CrossRef]
- Ammar Taqvi, S.A.; Sarfaraz, B. 1—Introduction to natural gas storage and transportation technologies. In Advances in Natural Gas: Formation, Processing, and Applications. Volume 6: Natural Gas Transportation and Storage; Rahimpour, M.R., Makarem, M.A., Meshksar, M., Eds.; Elsevier: Amsterdam, The Netherlands; London, UK; Cambridge, MA, USA, 2024; pp. 3–22. [Google Scholar]
- Cao, Y.; Mohammadian, M.; Pirouzfar, V.; Su, C.-H.; Khan, A. Break Even Point analysis of liquefied natural gas process and optimization of its refrigeration cycles with technical and economic considerations. Energy 2021, 237, 121643. [Google Scholar] [CrossRef]
- Hashemzehi, M.; Pirouzfar, V.; Nayebzadeh, H.; Alihosseini, A. Effect of synthesizing conditions on the activity of zinc-copper aluminate nanocatalyst prepared by microwave combustion method used in the esterification reaction. Fuel 2020, 263, 116422. [Google Scholar] [CrossRef]
- Mokhatab, S.; Economides, M.J. Onshore LNG production process selection. In Proceedings of the SPE Annual Technical Conference and Exhibition, San Antonio, TX, USA, 24–27 September 2006; p. SPE-102160-MS. [Google Scholar]
- Kakaee, A.-H.; Paykani, A.; Ghajar, M. The influence of fuel composition on the combustion and emission characteristics of natural gas fueled engines. Renew. Sustain. Energy Rev. 2014, 38, 64–78. [Google Scholar] [CrossRef]
- Kumar, S.; Kwon, H.-T.; Choi, K.-H.; Lim, W.; Cho, J.H.; Tak, K.; Moon, I. LNG: An eco-friendly cryogenic fuel for sustainable development. Appl. Energy 2011, 88, 4264–4273. [Google Scholar] [CrossRef]
- Chamberlain, G.; Global, S.; Solutions, U.; de Groot, M. Management of large LNG hazards. In Proceedings of the International Gas Union World Gas Conference Papers, Amsterdam, The Netherlands, 5–9 June 2006; pp. 5–9. [Google Scholar]
- Hwang, J.-H.; Ku, N.-K.; Roh, M.-I.; Lee, K.-Y. Optimal design of liquefaction cycles of liquefied natural gas floating, production, storage, and offloading unit considering optimal synthesis. Ind. Eng. Chem. Res. 2013, 52, 5341–5356. [Google Scholar] [CrossRef]
- Lee, I.; Park, J.; Moon, I. Key issues and challenges on the liquefied natural gas value chain: A review from the process systems engineering point of view. Ind. Eng. Chem. Res. 2017, 57, 5805–5818. [Google Scholar]
- Lin, Z.-h.; Li, J.-y.; Jin, Z.-j.; Qian, J.-y. Fluid dynamic analysis of liquefied natural gas flow through a cryogenic ball valve in liquefied natural gas receiving stations. Energy 2021, 226, 120376. [Google Scholar] [CrossRef]
- Çelikaslan, Z.; Kılıç, A. Safety precautions for the use of LNG as marine fuel. J. Marit. Transp. Logist. 2023, 4, 11–22. [Google Scholar]
- Chandel, S.S.; Agarwal, T. Review of current state of research on energy storage, toxicity, health hazards and commercialization of phase changing materials. Renew. Sustain. Energy Rev. 2017, 67, 581–596. [Google Scholar] [CrossRef]
- Gómez, M.R.; Gómez, J.R.; López-González, L.M.; López-Ochoa, L.M. Thermodynamic analysis of a novel power plant with LNG (liquefied natural gas) cold exergy exploitation and CO2 capture. Energy 2016, 105, 32–44. [Google Scholar]
- Querol, E.; Gonzalez-Regueral, B.; García-Torrent, J.; Ramos, A. Available power generation cycles to be coupled with the liquid natural gas (LNG) vaporization process in a Spanish LNG terminal. Appl. Energy 2011, 88, 2382–2390. [Google Scholar] [CrossRef]
- Cheenkachorn, K.; Poompipatpong, C.; Ho, C.G. Performance and emissions of a heavy-duty diesel engine fuelled with diesel and LNG (liquid natural gas). Energy 2013, 53, 52–57. [Google Scholar]
- Querol, E.; Gonzalez-Regueral, B.; García-Torrent, J.; García-Martínez, M. Boil off gas (BOG) management in Spanish liquid natural gas (LNG) terminals. Appl. Energy 2010, 87, 3384–3392. [Google Scholar]
- Fernández, I.A.; Gómez, M.R.; Gómez, J.R.; Insua, Á.B. Review of propulsion systems on LNG carriers. Renew. Sustain. Energy Rev. 2017, 67, 1395–1411. [Google Scholar] [CrossRef]
- Dobrota, Đ.; Lalić, B.; Komar, I. Problem of boil-off in LNG supply chain. Trans. Marit. Sci. 2013, 2, 91–100. [Google Scholar]
- Yu, Y.H.; Kim, B.G. Cryogenic reliability of the sandwich insulation board for LNG ship. Compos. Struct. 2013, 95, 547–556. [Google Scholar] [CrossRef]
- Miana, M.; Del Hoyo, R.; Rodrigálvarez, V.; Valdés, J.R.; Llorens, R. Calculation models for prediction of Liquefied Natural Gas (LNG) ageing during ship transportation. Appl. Energy 2010, 87, 1687–1700. [Google Scholar]
- Barclay, M.; Shukri, T. Enhanced single mixed refrigerant process for stranded gas liquefaction. In Proceedings of the 79th Annual GPA Convention, Atlanta, GA, USA, 13–14 March 2000. [Google Scholar]
- Xu, X.; Liu, J.; Jiang, C.; Cao, L. The correlation between mixed refrigerant composition and ambient conditions in the PRICO LNG process. Applied Energy 2013, 102, 1127–1136. [Google Scholar] [CrossRef]
- PRICO® LNG Technology. Delivering Proven Solutions for over 50 Year. Available online: https://webassets.bv.com/2020-09/20%20OG%20PRICO%20LNG%20Tech%20Brochure%20WEB.pdf (accessed on 1 February 2025).
- Lim, W.; Lee, I.; Tak, K.; Cho, J.H.; Ko, D.; Moon, I. Efficient configuration of a natural gas liquefaction process for energy recovery. Ind. Eng. Chem. Res. 2014, 53, 1973–1985. [Google Scholar]
- Xiong, X.; Lin, W.; Gu, A. Design and optimization of offshore natural gas liquefaction processes adopting PLNG (pressurized liquefied natural gas) technology. J. Nat. Gas Sci. Eng. 2016, 30, 379–387. [Google Scholar]
- Pham, T.N.; Long, N.V.D.; Lee, S.; Lee, M. Enhancement of single mixed refrigerant natural gas liquefaction process through process knowledge inspired optimization and modification. Appl. Therm. Eng. 2017, 110, 1230–1239. [Google Scholar] [CrossRef]
- Tak, K.; Lee, I.; Kwon, H.; Kim, J.; Ko, D.; Moon, I. Comparison of multistage compression configurations for single mixed refrigerant processes. Ind. Eng. Chem. Res. 2015, 54, 9992–10000. [Google Scholar]
- Qyyum, M.A.; Minh, L.Q.; Ali, W.; Hussain, A.; Bahadori, A.; Lee, M. Feasibility study of environmental relative humidity through the thermodynamic effects on the performance of natural gas liquefaction process. Appl. Therm. Eng. 2018, 128, 51–63. [Google Scholar] [CrossRef]
- Park, K.; Won, W.; Shin, D. Effects of varying the ambient temperature on the performance of a single mixed refrigerant liquefaction process. J. Nat. Gas Sci. Eng. 2016, 34, 958–968. [Google Scholar] [CrossRef]
- Lee, S.; Long, N.V.D.; Lee, M. Design and optimization of natural gas liquefaction and recovery processes for offshore floating liquefied natural gas plants. Ind. Eng. Chem. Res. 2012, 51, 10021–10030. [Google Scholar]
- Pham, T.N.; Khan, M.S.; Minh, L.Q.; Husmil, Y.A.; Bahadori, A.; Lee, S.; Lee, M. Optimization of modified single mixed refrigerant process of natural gas liquefaction using multivariate Coggin’s algorithm combined with process knowledge. J. Nat. Gas Sci. Eng. 2016, 33, 731–741. [Google Scholar] [CrossRef]
- Na, J.; Lim, Y.; Han, C. A modified DIRECT algorithm for hidden constraints in an LNG process optimization. Energy 2017, 126, 488–500. [Google Scholar]
- Xu, X.; Liu, J.; Cao, L. Optimization and analysis of mixed refrigerant composition for the PRICO natural gas liquefaction process. Cryogenics 2014, 59, 60–69. [Google Scholar] [CrossRef]
- Mokarizadeh Haghighi Shirazi, M.; Mowla, D. Energy optimization for liquefaction process of natural gas in peak shaving plant. Energy 2010, 35, 2878–2885. [Google Scholar] [CrossRef]
- Lee, G.-C. Optimal Design and Anaylysis of Refrigeration Systems for Low Temperature Processes. Ph.D. Thesis, The University of Manchester, University, UK, 2001. [Google Scholar]
- Khan, M.S.; Lee, M. Design optimization of single mixed refrigerant natural gas liquefaction process using the particle swarm paradigm with nonlinear constraints. Energy 2013, 49, 146–155. [Google Scholar] [CrossRef]
- Aspelund, A.; Gundersen, T.; Myklebust, J.; Nowak, M.P.; Tomasgard, A. An optimization-simulation model for a simple LNG process. Comput. Chem. Eng. 2010, 34, 1606–1617. [Google Scholar] [CrossRef]
- Khan, M.S.; Lee, S.; Lee, M. Optimization of single mixed refrigerant natural gas liquefaction plant with nonlinear programming. Asia-Pac. J. Chem. Eng. 2012, 7, S62–S70. [Google Scholar] [CrossRef]
- Khan, M.S.; Karimi, I.A.; Bahadori, A.; Lee, M. Sequential coordinate random search for optimal operation of LNG (liquefied natural gas) plant. Energy 2015, 89, 757–767. [Google Scholar] [CrossRef]
- Austbø, B.; Wahl, P.E.; Gundersen, T. Constraint handling in stochastic optimization algorithms for natural gas liquefaction processes. In Computer Aided Chemical Engineering; Kraslawski, A., Turunen, I., Eds.; Elsevier: Amsterdam, The Netherlands, 2013; Volume 32, pp. 445–450. [Google Scholar]
- Park, J.H.; Khan, M.S.; Lee, M. Modified coordinate descent methodology for solving process design optimization problems: Application to natural gas plant. J. Nat. Gas Sci. Eng. 2015, 27, 32–41. [Google Scholar] [CrossRef]
- Khan, M.S.; Lee, S.; Rangaiah, G.P.; Lee, M. Knowledge based decision making method for the selection of mixed refrigerant systems for energy efficient LNG processes. Appl. Energy 2013, 111, 1018–1031. [Google Scholar] [CrossRef]
- Lee, G.; Smith, R.; Zhu, X. Optimal synthesis of mixed-refrigerant systems for low-temperature processes. Ind. Eng. Chem. Res. 2002, 41, 5016–5028. [Google Scholar]
- Mofid, H.; Khosravi-Nikou, M.R.; Razavi, S.A.; Mohammadian, M. Optimization and design selection of a single mixed refrigerant (SMR) liquefaction process for offshore application: A multi-objective approach. Appl. Therm. Eng. 2024, 245, 122810. [Google Scholar] [CrossRef]
- Qyyum, M.A.; Long, N.V.D.; Minh, L.Q.; Lee, M. Design optimization of single mixed refrigerant LNG process using a hybrid modified coordinate descent algorithm. Cryogenics 2018, 89, 131–140. [Google Scholar] [CrossRef]
- Qyyum, M.A.; Yasin, M.; Nawaz, A.; He, T.; Ali, W.; Haider, J.; Qadeer, K.; Nizami, A.-S.; Moustakas, K.; Lee, M. Single-Solution-Based Vortex Search Strategy for Optimal Design of Offshore and Onshore Natural Gas Liquefaction Processes. Energies 2020, 13, 1732. [Google Scholar] [CrossRef]
- Rehman, A.; Qyyum, M.A.; Qadeer, K.; Zakir, F.; He, X.; Nawaz, A.; Lee, M.; Wang, L. Single mixed refrigerant LNG process: Investigation of improvement potential, operational optimization, and real potential for further improvements. J. Clean. Prod. 2021, 284, 125379. [Google Scholar] [CrossRef]
- He, T.; Liu, Z.; Ju, Y.; Parvez, A.M. A comprehensive optimization and comparison of modified single mixed refrigerant and parallel nitrogen expansion liquefaction process for small-scale mobile LNG plant. Energy 2019, 167, 1–12. [Google Scholar] [CrossRef]
- Almeida-Trasvina, F.; Smith, R.; Jobson, M. Development of an energy-efficient single mixed refrigerant cycle for small-scale LNG production. Ind. Eng. Chem. Res. 2021, 60, 12049–12067. [Google Scholar] [CrossRef]
- He, T.; Zhou, Z.; Mao, N.; Qyyum, M.A. Transcritical CO2 precooled single mixed refrigerant natural gas liquefaction process: Exergy and Exergoeconomic optimization. Energy 2024, 294, 130893. [Google Scholar] [CrossRef]
- Martin, P.-Y.; Pigourier, J.; Fischer, B. Natural gas liquefaction processes comparison. In Proceedings of the 14th International Conference and Exhibition on Liquefied Natural Gas (LNG-14), Doha, Qatar, 21–24 March 2004; pp. 21–24. [Google Scholar]
- Lim, W.; Choi, K.; Moon, I. Current Status and Perspectives of Liquefied Natural Gas (LNG) Plant Design. Ind. Eng. Chem. Res. 2013, 52, 3065–3088. [Google Scholar] [CrossRef]
- Won, W.; Lee, S.K.; Choi, K.; Kwon, Y. Current trends for the floating liquefied natural gas (FLNG) technologies. Korean J. Chem. Eng. 2014, 31, 732–743. [Google Scholar] [CrossRef]
- Mokhatab, S.; Mak, J.Y.; Valappil, J.V.; Wood, D.A. (Eds.) Chapter 3—Natural Gas Liquefaction. In Handbook of Liquefied Natural Gas; Gulf Professional Publishing: Boston, MA, USA, 2014; pp. 147–183. [Google Scholar]
- Changizian, M.; Shirkhani, Z.; Tamsilian, Y. Exploring Efficiency: An In-Depth Analysis of the Energy, Exergy, and Sensitivity in Four Traditional Liquefied Natural Gas Processes. J. Therm. Anal. Calorim. 2024, 149, 9477–9499. [Google Scholar] [CrossRef]
- Zhang, S.; Zou, Z.; Klemeš, J.J.; Varbanov, P.S.; Shahzad, K.; Ali, A.M.; Wang, B.-H. A New Strategy for Mixed Refrigerant Composition Optimisation in the Propane Precooled Mixed Refrigerant Natural Gas Liquefaction Process. Energy 2023, 274, 127324. [Google Scholar] [CrossRef]
- Mortazavi, A.; Somers, C.; Hwang, Y.; Radermacher, R.; Rodgers, P.; Al-Hashimi, S. Performance enhancement of propane pre-cooled mixed refrigerant LNG plant. Appl. Energy 2012, 93, 125–131. [Google Scholar] [CrossRef]
- Wang, M.; Khalilpour, R.; Abbas, A. Thermodynamic and economic optimization of LNG mixed refrigerant processes. Energy Convers. Manag. 2014, 88, 947–961. [Google Scholar] [CrossRef]
- Sanavandi, H.; Ziabasharhagh, M. Design and comprehensive optimization of C3MR liquefaction natural gas cycle by considering operational constraints. J. Nat. Gas Sci. Eng. 2016, 29, 176–187. [Google Scholar] [CrossRef]
- Wang, M.; Khalilpour, R.; Abbas, A. Operation optimization of propane precooled mixed refrigerant processes. J. Nat. Gas Sci. Eng. 2013, 15, 93–105. [Google Scholar] [CrossRef]
- Lee, I.; Tak, K.; Lee, S.; Ko, D.; Moon, I. Decision making on liquefaction ratio for minimizing specific energy in a LNG pilot plant. Ind. Eng. Chem. Res. 2015, 54, 12920–12927. [Google Scholar] [CrossRef]
- Khan, N.B.N.; Barifcani, A.; Tade, M.; Pareek, V. A case study: Application of energy and exergy analysis for enhancing the process efficiency of a three stage propane pre-cooling cycle of the cascade LNG process. J. Nat. Gas Sci. Eng. 2016, 29, 125–133. [Google Scholar] [CrossRef]
- Song, C.; Tan, S.; Qu, F.; Liu, W.; Wu, Y. Optimization of mixed refrigerant system for LNG processes through graphically reducing exergy destruction of cryogenic heat exchangers. Energy 2019, 168, 200–206. [Google Scholar] [CrossRef]
- Sanavandi, H.; Mafi, M.; Ziabasharhagh, M. Normalized sensitivity analysis of LNG processes—Case studies: Cascade and single mixed refrigerant systems. Energy 2019, 188, 116068. [Google Scholar] [CrossRef]
- Primabudi, E.; Morosuk, T.; Tsatsaronis, G. Multi-objective optimization of propane pre-cooled mixed refrigerant (C3MR) LNG process. Energy 2019, 185, 492–504. [Google Scholar] [CrossRef]
- Santos, L.F.; Costa, C.B.; Caballero, J.A.; Ravagnani, M.A. Framework for embedding process simulator in GAMS via kriging surrogate model applied to C3MR natural gas liquefaction optimization. Chem. Eng. Trans. 2021, 88, 475–480. [Google Scholar] [CrossRef]
- He, T.; Lin, W. Energy saving and production increase of mixed refrigerant natural gas liquefaction plants by taking advantage of natural cold sources in winter. J. Clean. Prod. 2021, 299, 126884. [Google Scholar] [CrossRef]
- Semyonov, V.Y.; Alikov, S. Comparison of C3MR and Arctic Cascade Cycles for Operation in Arctic Conditions Using Entropy-Statistical Analysis Method. Chem. Pet. Eng. 2022, 58, 23–32. [Google Scholar] [CrossRef]
- Sun, H.; Geng, J.; Na, F.; Rong, G.; Wang, C. Performance evaluation and comparison of commonly used optimization algorithms for natural gas liquefaction processes. Energy Rep. 2022, 8, 4787–4800. [Google Scholar] [CrossRef]
- Chang, H.-M.; Park, J.H.; Gwak, K.H.; Choe, K.H. Nitrogen expander cycles for large capacity liquefaction of natural gas. AIP Conf. Proc. 2014, 1573, 1652–1657. [Google Scholar]
- Omar, M.N.B. Thermodynamic and Economic Evaluation of Existing and Perspective Processes for Liquefaction of Natural Gas in Malaysia. Master’s Thesis, Technische Universitaet Berlin, Berlin, Germany, 2016. [Google Scholar]
- Akinsipe, O.; Anozie, A.; Babatunde, D. A study of LNG processes to determine the effect of end flash systems on efficiency. Arch. Thermodyn. 2020, 41, 35–63. [Google Scholar]
- Park, J.; Mun, H.; Kim, J.; Lee, I. Advanced natural gas liquefaction process on LNG supply chain with liquid air: From design to thermodynamic and techno-economic analyses. Energy Convers. Manag. 2022, 252, 115107. [Google Scholar] [CrossRef]
- Hareem, M.; Raza, F.; Kazmi, B.; Ghauri, R.; Zafar, K.; Ahmed, H.; Taqvi, S.A.A.; Naqvi, M. Sustainability evaluation of C3MR natural gas liquefaction process: Integrating life cycle analysis with Energy, Exergy, and economic aspects. J. Ind. Eng. Chem. 2024, 137, 619–636. [Google Scholar] [CrossRef]
- Sabbagh, O.; Fanaei, M.A.; Arjomand, A. Optimal design of a novel NGL/LNG integrated scheme: Economic and exergetic evaluation. J. Therm. Anal. Calorim. 2021, 145, 851–866. [Google Scholar] [CrossRef]
- Song, R.; Cui, M.; Liu, J. Single and multiple objective optimization of a natural gas liquefaction process. Energy 2017, 124, 19–28. [Google Scholar] [CrossRef]
- Mokhatab, S.; Mak, J.Y.; Valappil, J.V.; Wood, D.A. (Eds.) Chapter 6—Process Control and Automation of LNG Plants and Import Terminals. In Handbook of Liquefied Natural Gas; Gulf Professional Publishing: Boston, MA, USA, 2014; pp. 259–296. [Google Scholar]
- Expertise in Turbomachinery Controls. Available online: https://www.cccglobal.com/wp-content/uploads/2020/01/CCC-White-Paper_Sharing-the-Load_Jan_2015-1.pdf (accessed on 2 August 2024).
- Roberts, M.J.; Petrowski, J.M.; Liu, Y.-N.; Bronfenbrenner, J.C. Large capacity single train AP-XTM Hybrid LNG Process. In Proceedings of the GASTECH 2002, Doha, Qatar, 13–16 October 2002. [Google Scholar]
- ConocoPhillips Company. Available online: https://static.conocophillips.com/files/resources/22-0788-lng-brochure.pdf (accessed on 2 August 2024).
- Houser, C.; Krusen, L. The Phillips optimised cascade LNG process. In Proceedings of the GASTECH’96: International LNG/LPG/Natural Gas Conference and Exhibition, Vienna, Austria, 3–6 December 1996. [Google Scholar]
- Mouneer, T.A.; Hawwash, A.A.; Aly, M.H.; Mina, E.M. Thermodynamic analysis for novel vapor compression/absorption cascade refrigeration system for LNG liquefaction processes in Egypt. Energy Convers. Manag. 2022, 270, 116238. [Google Scholar] [CrossRef]
- Rooholamini, S.; Ghorbani, B.; Ebrahimi, A. Introducing a novel hybrid system for cogeneration of liquefied natural gas and hot water using ejector-compression cascade refrigeration system (energy, exergy, pinch and sensitivity analyses). Appl. Therm. Eng. 2021, 196, 117283. [Google Scholar] [CrossRef]
- Venkatarathnam, G.; Timmerhaus, K.D. Cryogenic Mixed Refrigerant Processes; Springer: New York, NY, USA, 2008; Volume 100, ISBN 978-1-4419-2690-6. [Google Scholar]
- Hwang, J.-H.; Roh, M.-I.; Lee, K.-Y. Determination of the optimal operating conditions of the dual mixed refrigerant cycle for the LNG FPSO topside liquefaction process. Comput. Chem. Eng. 2013, 49, 25–36. [Google Scholar] [CrossRef]
- Bahadori, A. Natural Gas Processing: Technology and Engineering Design; Gulf Professional Publishing: Waltham, MA, USA, 2014; ISBN 978-0-12-800219-3. [Google Scholar] [CrossRef]
- Qyyum, M.A.; Qadeer, K.; Khan, M.S.; Naqvi, M.; Rehman, A.; Wang, L.; Lee, M. Weed colonization-based performance improvement opportunities in dual-mixed refrigerant natural gas liquefaction process. Energy Sci. Eng. 2021, 9, 297–312. [Google Scholar] [CrossRef]
- Qyyum, M.A.; Lee, M. Hydrofluoroolefin-based novel mixed refrigerant for energy efficient and ecological LNG production. Energy 2018, 157, 483–492. [Google Scholar]
- Qyyum, M.A.; Ahmed, F.; Nawaz, A.; He, T.; Lee, M. Teaching-learning self-study approach for optimal retrofitting of dual mixed refrigerant LNG process: Energy and exergy perspective. Appl. Energy 2021, 298, 117187. [Google Scholar] [CrossRef]
- Pereira, M.A.M.; Santos, L.F.; Caballero, J.A.; Ravagnani, M.A.S.S.; Costa, C.B.B. Energy and economic comparison of five mixed-refrigerant natural gas liquefaction processes. Energy Convers. Manag. 2022, 272, 116364. [Google Scholar] [CrossRef]
- Qyyum, M.A.; He, T.; Qadeer, K.; Mao, N.; Lee, S.; Lee, M. Dual-effect single-mixed refrigeration cycle: An innovative alternative process for energy-efficient and cost-effective natural gas liquefaction. Appl. Energy 2020, 268, 115022. [Google Scholar] [CrossRef]
- Mehrpooya, M. Conceptual design and energy analysis of novel integrated liquefied natural gas and fuel cell electrochemical power plant processes. Energy 2016, 111, 468–483. [Google Scholar] [CrossRef]
- Khan, M.S.; Karimi, I.; Lee, M. Evolution and optimization of the dual mixed refrigerant process of natural gas liquefaction. Appl. Therm. Eng. 2016, 96, 320–329. [Google Scholar] [CrossRef]
- Lee, I.; Moon, I. Economic optimization of dual mixed refrigerant liquefied natural gas plant considering natural gas extraction rate. Ind. Eng. Chem. Res. 2017, 56, 2804–2814. [Google Scholar]
- Roberts, M.J.; Agrawal, R. Dual Mixed Refrigerant Cycle for Gas Liquefaction. U.S. Patent 6,269,655 B1, 7 August 2001. [Google Scholar]
- Mun, H.; Kim, D.; Park, J.; Lee, I. Advanced dual mixed refrigerant (DMR) natural gas liquefaction plant with liquid air: Focus on configuration and optimization. Energy 2024, 313, 133747. [Google Scholar] [CrossRef]
- Osagie, E.; Akpan, J.; Ekpotu, W.; Umoh, G.; Akintola, J.; Moses, Q.; Udom, P. Energy conservation and techno-environmental analysis in natural gas liquefaction with single and dual-mixed refrigerants: A comparison. Frankl. Open 2025, 10, 100196. [Google Scholar] [CrossRef]
- Vatani, A.; Mehrpooya, M.; Palizdar, A. Energy and exergy analyses of five conventional liquefied natural gas processes. Int. J. Energy Res. 2014, 38, 1843–1863. [Google Scholar]
- Grini, P.G.; Pettersen, J.; Andersen, H.S. Gas processing and Integrated Environmental Management. In Proceedings of the 2nd Annual Gas Processing Symposium, 11–14 January 2010; pp. 163–176. [Google Scholar]
- Wang, X.; Economides, M. Advanced Natural Gas Engineering; Elsevier: Houston, TX, USA, 2013; ISBN 0127999949. [Google Scholar]
- Nawaz, A.; Qyyum, M.A.; Qadeer, K.; Khan, M.S.; Ahmad, A.; Lee, S.; Lee, M. Optimization of mixed fluid cascade LNG process using a multivariate Coggins step-up approach: Overall compression power reduction and exergy loss analysis. Int. J. Refrig. 2019, 104, 189–200. [Google Scholar] [CrossRef]
- Majeed, K.; Qyyum, M.A.; Nawaz, A.; Ahmad, A.; Naqvi, M.; He, T.; Lee, M. Shuffled complex evolution-based performance enhancement and analysis of cascade liquefaction process for large-scale LNG production. Energies 2020, 13, 2511. [Google Scholar] [CrossRef]
- Jackson, S.; Eiksund, O.; Brodal, E. Impact of ambient temperature on LNG liquefaction process performance: Energy efficiency and CO2 emissions in cold climates. Ind. Eng. Chem. Res. 2017, 56, 3388–3398. [Google Scholar] [CrossRef]
- Ansarinasab, H.; Afshar, M.; Mehrpooya, M. Exergoeconomic evaluation of LNG and NGL co-production process based on the MFC refrigeration systems. Iran. J. Oil Gas Sci. Technol. 2016, 5, 45–61. [Google Scholar]
- Tak, K.; Park, J.; Moon, I.; Lee, U. Comparison of mixed refrigerant cycles for natural gas liquefaction: From single mixed refrigerant to mixed fluid cascade processes. Energy 2023, 272, 127051. [Google Scholar]
- Zaitsev, A.; Mehrpooya, M.; Ghorbani, B.; Sanavbarov, R.; Naumov, F.; Shermatova, F. Novel integrated helium extraction and natural gas liquefaction process configurations using absorption refrigeration and waste heat. Int. J. Energy Res. 2020, 44, 6430–6451. [Google Scholar]
- Ramezani, T.; Nargessi, Z.; Palizdar, A.; Vatani, A. Control Structure Design and Dynamic Simulation of Mixed Fluid Cascade Natural Gas Liquefaction Process. J. Gas Technol. 2020, 5, 4–21. [Google Scholar]
- Ding, H.; Sun, H.; Sun, S.; Chen, C. Analysis and optimisation of a mixed fluid cascade (MFC) process. Cryogenics 2017, 83, 35–49. [Google Scholar] [CrossRef]
- Taghavi, M.; Yoon, H.-J.; Choi, J.-U.; Lee, C.-J. Innovative Structure of a Liquefied Natural Gas (LNG) Process by Mixed Fluid Cascade Using Solar Renewable Energy, Photovoltaic Panels (PV), and Absorption Refrigeration System. In Computer Aided Chemical Engineering; Manenti, F., Reklaitis, G.V., Eds.; Elsevier: Amsterdam, The Netherlands; Oxford, UK; Cambridge, MA, USA, 2024; Volume 53, pp. 2071–2076. [Google Scholar]
- Martin, P.; Pigourier, J.; Boutelant, P. Liquefin™: An Innovative Process to Reduce LNG Costs. In Proceedings of the 22nd World Gas Conference, Tokyo, Japan, 1–5 June 2003. [Google Scholar]
- Pu, L.; Xiong, Y.; Wang, K.; Tang, L.; Qiu, L.; Wang, K. Design and optimization of large-scale natural gas liquefaction process based on triple refrigeration cycles. Energy 2024, 313, 133750. [Google Scholar] [CrossRef]
- Tan, H.; Zhao, Q.; Sun, N.; Li, Y. Enhancement of energy performance in a boil-off gas re-liquefaction system of LNG carriers using ejectors. Energy Convers. Manag. 2016, 126, 875–888. [Google Scholar]
- Jin, C.; Lim, Y.; Xu, X. Performance analysis of a boil-off gas re-liquefaction process for LNG carriers. Energy 2023, 278, 127823. [Google Scholar]
- Palizdar, A.; Ramezani, T.; Nargessi, Z.; AmirAfshar, S.; Abbasi, M.; Vatani, A. Thermodynamic evaluation of three mini-scale nitrogen single expansion processes for liquefaction of natural gas using advanced exergy analysis. Energy Convers. Manag. 2017, 150, 637–650. [Google Scholar] [CrossRef]
- Austbø, B. Use of optimization in evaluation and design of liquefaction processes for natural gas. Ph.D. Thesis, Norwegian University of Science and Technology, Trondheim, Norway, 2015. [Google Scholar]
- Yazdaninia, A.; Vatani, A.; Zare, M.; Abbasi, M. Simulation and Thermodynamic Analysis of a Closed Cycle Nitrogen Expansion Process for Liquefaction of Natural Gas in Mini-Scale. J. Gas Technol. 2021, 6, 1–13. [Google Scholar]
- Waldmann, I. Evaluation of process systems for floating LNG production units. In Proceedings of the Tekna Conference, Stavanger, Norway, 18–19 June 2008. [Google Scholar]
- Vatani, A.; Mehrpooya, M.; Palizdar, A. Advanced exergetic analysis of five natural gas liquefaction processes. Energy Convers. Manag. 2014, 78, 720–737. [Google Scholar] [CrossRef]
- Qian, S.; Nasuta, D.; Rhoads, A.; Wang, Y.; Geng, Y.; Hwang, Y.; Radermacher, R.; Takeuchi, I. Not-in-kind cooling technologies: A quantitative comparison of refrigerants and system performance. Int. J. Refrig. 2016, 62, 177–192. [Google Scholar] [CrossRef]
- Caliskan, H.; Hepbasli, A.; Dincer, I.; Maisotsenko, V. Thermodynamic performance assessment of a novel air cooling cycle: Maisotsenko cycle. Int. J. Refrig. 2011, 34, 980–990. [Google Scholar] [CrossRef]
- Ghorbani, B.; Shirmohammadi, R.; Amidpour, M.; Inzoli, F.; Rocco, M. Design and thermoeconomic analysis of a multi-effect desalination unit equipped with a cryogenic refrigeration system. Energy Convers. Manag. 2019, 202, 112208. [Google Scholar]
- Tirandazi, B.; Mehrpooya, M.; Vatani, A.; Moosavian, S.M.A. Exergy analysis of C2+ recovery plants refrigeration cycles. Chem. Eng. Res. Des. 2011, 89, 676–689. [Google Scholar] [CrossRef]
- Lee, I.; Park, J.; You, F.; Moon, I. A novel cryogenic energy storage system with LNG direct expansion regasification: Design, energy optimization, and exergy analysis. Energy 2019, 173, 691–705. [Google Scholar] [CrossRef]
- Ghorbani, B.; Ebrahimi, A.; Skandarzadeh, F.; Ziabasharhagh, M. Energy, exergy and pinch analyses of an integrated cryogenic natural gas process based on coupling of absorption–compression refrigeration system, organic Rankine cycle and solar parabolic trough collectors. J. Therm. Anal. Calorim. 2021, 145, 925–953. [Google Scholar]
- Jovijari, F.; Kosarinia, A.; Mehrpooya, M.; Nabhani, N. Retrofit design of an industrial natural gas liquids recovery process based on the pinch technology concept. Gas Process. J. 2021, 9, 51–72. [Google Scholar]
- Tjoe, T.N.; Linnhoff, B. Using pinch technology for process retrofit. Chem. Eng. 1986, 93, 47–60. [Google Scholar]
- Ghorbani, B.; Shirmohammadi, R.; Mehrpooya, M.; Hamedi, M.-H. Structural, operational and economic optimization of cryogenic natural gas plant using NSGAII two-objective genetic algorithm. Energy 2018, 159, 410–428. [Google Scholar] [CrossRef]
- Kamalinejad, M.; Amidpour, M.; Naeynian, S.M. Thermodynamic design of a cascade refrigeration system of liquefied natural gas by applying mixed integer non-linear programming. Chin. J. Chem. Eng. 2015, 23, 998–1008. [Google Scholar] [CrossRef]
- Shivaee-Gariz, R.; Tahouni, N.; Panjeshahi, M.H.; Abbasi, M. Development of a new graphical tool for calculation of exergy losses to design and optimisation of sub-ambient processes. J. Clean. Prod. 2020, 275, 123161. [Google Scholar] [CrossRef]
- Ghorbani, B.; Miansari, M.; Zendehboudi, S.; Hamedi, M.-H. Exergetic and economic evaluation of carbon dioxide liquefaction process in a hybridized system of water desalination, power generation, and liquefied natural gas regasification. Energy Convers. Manag. 2020, 205, 112374. [Google Scholar]
- Ghorbani, B.; Zendehboudi, S.; Alizadeh Afrouzi, Z.; Lohi, A.; Khan, F. Efficient design of the hydrogen liquefaction system: Thermodynamic, economic, environmental, and uncertainty perspectives. Ind. Eng. Chem. Res. 2024, 63, 14668–14699. [Google Scholar]
- Safari, D.; Kasiri, N.; Khalili-Garakani, A.; Mafi, M. Investigation on Distillation Column Sequence and Heat Integration Effects in Methanol to Propylene Separation Unit: An Economic Optimization Study Based on Pinch and Exergy Analysis. Korean J. Chem. Eng. 2024, 41, 1329–1342. [Google Scholar]
- Ghorbani, B.; Mehrpooya, M.; Shirmohammadi, R.; Hamedi, M.-H. A comprehensive approach toward utilizing mixed refrigerant and absorption refrigeration systems in an integrated cryogenic refrigeration process. J. Clean. Prod. 2018, 179, 495–514. [Google Scholar]
- Gourmelon, S.; Théry-Hétreux, R.; Floquet, P. A systematic approach: Combining process optimisation exergy analysis and energy recovery for a better efficiency of industrial processes. Int. J. Exergy 2017, 23, 298–329. [Google Scholar] [CrossRef]
- Ghorbani, B.; Zendehboudi, S.; Saady, N.M.C.; Duan, X.; Albayati, T.M. Strategies to improve the performance of hydrogen storage systems by liquefaction methods: A comprehensive review. ACS Omega 2023, 8, 18358–18399. [Google Scholar] [CrossRef] [PubMed]
- Bandyopadhyay, R.; Alkilde, O.F.; Upadhyayula, S. Applying pinch and exergy analysis for energy efficient design of diesel hydrotreating unit. J. Clean. Prod. 2019, 232, 337–349. [Google Scholar]
- Mafi, M.; Ghorbani, B.; Salehi, G.R.; Amidpour, M.; Mousavi, N.S. The mathematical method and thermodynamic approaches to design Multi-Component refrigeration used in cryogenic process part II: Optimal arrangement. Gas Process. J. 2014, 2, 32–39. [Google Scholar]
- Amidpour, M.; Hamedi, M.H.; Mafi, M.; Ghorbani, B.; Shirmohammadi, R.; Salimi, M. Sensitivity analysis, economic optimization, and configuration design of mixed refrigerant cycles by NLP techniques. J. Nat. Gas Sci. Eng. 2015, 24, 144–155. [Google Scholar] [CrossRef]
- Taghavi, M.; Lee, C.J. Development of a novel hydrogen liquefaction structure based on liquefied natural gas regasification operations and solid oxide fuel cell: Exergy and economic analyses. Fuel 2025, 384, 133826. [Google Scholar]
- Fazlali Serkani, A.; Mafi, M. Sensitivity Analysis of Simple Expander–Nitrogen and Two Expander–Nitrogen Liquefaction Processes of Natural Gas. Gas Process. J. 2020, 8, 49–68. [Google Scholar]
- Nguyen, T.-V.; Rothuizen, E.D.; Markussen, W.B.; Elmegaard, B. Thermodynamic comparison of three small-scale gas liquefaction systems. Appl. Therm. Eng. 2018, 128, 712–724. [Google Scholar]
- Lee, I.; Moon, I. Total cost optimization of a single mixed refrigerant process based on equipment cost and life expectancy. Ind. Eng. Chem. Res. 2016, 55, 10336–10343. [Google Scholar]
- Aslambakhsh, A.H.; Moosavian, M.A.; Amidpour, M.; Hosseini, M.; AmirAfshar, S. Global cost optimization of a mini-scale liquefied natural gas plant. Energy 2018, 148, 1191–1200. [Google Scholar] [CrossRef]
- Ahmadnejad, A.; Ebrahimi, A.; Ghorbani, B. Pinch and exergy assessment of an innovative hydrogen and methane purification process configuration based on solar renewable energy. Fuel 2024, 359, 130391. [Google Scholar]
- Qadeer, K.; Qyyum, M.A.; Lee, M. Krill-herd-based investigation for energy saving opportunities in offshore liquefied natural gas processes. Ind. Eng. Chem. Res. 2018, 57, 14162–14172. [Google Scholar]
- Ebrahimi, A.; Tamnanloo, J.; Mousavi, S.H.; Soroodan Miandoab, E.; Hosseini, E.; Ghasemi, H.; Mozaffari, S. Discrete-continuous genetic algorithm for designing a mixed refrigerant cryogenic process. Ind. Eng. Chem. Res. 2021, 60, 7700–7713. [Google Scholar]
- Wahl, P.E.; Løvseth, S.W.; Mølnvik, M.J. Optimization of a simple LNG process using sequential quadratic programming. Comput. Chem. Eng. 2013, 56, 27–36. [Google Scholar] [CrossRef]
- Zheng, X. Design and Integration of Refrigeration and Power Systems. Ph.D. Thesis, University of Manchester, Manchester, UK, 2009. [Google Scholar]
- Taghavi, M.; Lee, C.-J. Development of novel hydrogen liquefaction structures based on waste heat recovery in diffusion-absorption refrigeration and power generation units. Energy Convers. Manag. 2024, 302, 118056. [Google Scholar] [CrossRef]
- Ghorbani, B.; Ebrahimi, A.; Moradi, M.; Ziabasharhagh, M. Energy, exergy and sensitivity analyses of a novel hybrid structure for generation of Bio-Liquefied natural Gas, desalinated water and power using solar photovoltaic and geothermal source. Energy Convers. Manag. 2020, 222, 113215. [Google Scholar] [CrossRef]
- Ghorbani, B.; Ebrahimi, A.; Ziabasharhagh, M. Thermodynamic and economic evaluation of biomethane and carbon dioxide liquefaction process in a hybridized system of biogas upgrading process and mixed fluid cascade liquefaction cycle. Process Saf. Environ. Prot. 2021, 151, 222–243. [Google Scholar] [CrossRef]
- Ghorbani, B.; Zendehboudi, S.; Saady, N.M.C.; Azarpour, A.; Albayati, T.M. Thermoeconomic Analysis of an Innovative Integrated System for Cogeneration of Liquid Hydrogen and Biomethane by a Cryogenic-Based Biogas Upgrading Cycle and Polymer Electrolyte Membrane Electrolysis. Ind. Eng. Chem. Res. 2024, 63, 7227–7257. [Google Scholar] [CrossRef]
- Ghorbani, B.; Mehrpooya, M.; Sharifzadeh, M.M.M. Introducing a hybrid photovoltaic-thermal collector, ejector refrigeration cycle and phase change material storage energy system (Energy, exergy and economic analysis). Int. J. Refrig. 2019, 103, 61–76. [Google Scholar]
- Mehrpooya, M.; Ghorbani, B.; Sadeghzadeh, M. Hybrid solar parabolic dish power plant and high-temperature phase change material energy storage system. Int. J. Energy Res. 2019, 43, 5405–5420. [Google Scholar] [CrossRef]
- Taghavi, M.; Salarian, H.; Ghorbani, B. Thermodynamic and exergy evaluation of a novel integrated hydrogen liquefaction structure using liquid air cold energy recovery, solid oxide fuel cell and photovoltaic panels. J. Clean. Prod. 2021, 320, 128821. [Google Scholar] [CrossRef]
- Ghorbani, B.; Javadi, Z.; Zendehboudi, S.; Amidpour, M. Energy, exergy, and economic analyses of a new integrated system for generation of power and liquid fuels using liquefied natural gas regasification and solar collectors. Energy Convers. Manag. 2020, 219, 112915. [Google Scholar] [CrossRef]
- Ghorbani, B.; Salehi, G.; Ebrahimi, A.; Taghavi, M. Energy, exergy and pinch analyses of a novel energy storage structure using post-combustion CO2 separation unit, dual pressure Linde-Hampson liquefaction system, two-stage organic Rankine cycle and geothermal energy. Energy 2021, 233, 121051. [Google Scholar]
- Ebrahimi, A.; Ghorbani, B.; Taghavi, M. Novel integrated structure consisting of CO2 capture cycle, heat pump unit, Kalina power, and ejector refrigeration systems for liquid CO2 storage using renewable energies. Energy Sci. Eng. 2022, 10, 3167–3188. [Google Scholar] [CrossRef]
- Sabbagh, O.; Fanaei, M.A.; Arjomand, A.; Hossein Ahmadi, M. Multi-objective optimization assessment of a new integrated scheme for co-production of natural gas liquids and liquefied natural gas. Sustain. Energy Technol. Assess. 2021, 47, 101493. [Google Scholar] [CrossRef]
- Sabbagh, O.; Fanaei, M.A.; Arjomand, A. Techno-economic evolution of an existing operational NGL plant with adding LNG production part. Oil Gas Sci. Technol. Rev. d’IFP Energ. Nouv. 2020, 75, 27. [Google Scholar]
- Uwitonze, H.; Lee, I.; Hwang, K.S. Alternatives of integrated processes for coproduction of LNG and NGLs recovery. Chem. Eng. Process.-Process Intensif. 2016, 107, 157–167. [Google Scholar]
- He, T.; Lin, W. A novel propane pre-cooled mixed refrigerant process for coproduction of LNG and high purity ethane. Energy 2020, 202, 117784. [Google Scholar] [CrossRef]
- Ansarinasab, H.; Mehrpooya, M. Evaluation of novel process configurations for coproduction of LNG and NGL using advanced exergoeconomic analysis. Appl. Therm. Eng. 2017, 115, 885–898. [Google Scholar] [CrossRef]
- Al-Sobhi, S.A.; Alfadala, H.E.; El-Halwagi, M.M. Simulation and Energy Integration of a Liquefied Natural Gas (LNG) Plant. In Proceedings of the 1st Annual Gas Processing Symposium, Doha, Qatar, 10–12 January 2009; Alfadala, H.E., Rex Reklaitis, G.V., El-Halwagi, M.M., Eds.; Elsevier: Amsterdam, The Netherlands, 2009; Volume 1, pp. 131–135. [Google Scholar]
- Baek, S.; Hwang, G.; Jeong, S. Development of the hybrid JT-expander cycle for NG liquefaction cycle. AIP Conf. Proc. 2010, 1218, 1113–1120. [Google Scholar] [CrossRef]
- Shamsi, M.; Rahimi, M.; Sheidaei, M.; Majidi Dorcheh, S.H.; Bonyadi, M. A new integrated process for LNG production based on the single mixed refrigerant: Energy, exergy, environmental, and economic analysis. Arab. J. Sci. Eng. 2023, 48, 15805–15821. [Google Scholar]
- Castillo, L.; Majzoub Dahouk, M.; Di Scipio, S.; Dorao, C.A. Conceptual analysis of the precooling stage for LNG processes. Energy Convers. Manag. 2013, 66, 41–47. [Google Scholar] [CrossRef]
- Cipolato, L.; Lirani, M.C.A.; Costa, T.V.; Fábrega, F.M.; d’Angelo, J.V.H. Exergetic optimization of a refrigeration cycle for natural gas liquefaction. In Computer Aided Chemical Engineering; Karimi, I.A., Srinivasan, R., Eds.; Elsevier: Amsterdam, The Netherlands; Oxford, UK; Cambridge, MA, USA, 2012; Volume 31, pp. 440–444. [Google Scholar]
- Nogal, F.D.; Kim, J.-K.; Perry, S.; Smith, R. Optimal design of mixed refrigerant cycles. Ind. Eng. Chem. Res. 2008, 47, 8724–8740. [Google Scholar]
- Du, H.; Huang, Y.; Li, H.; Ying, Q.; Fan, Q.; Jia, L. Numerical simulation and optimization of small-scale LNG plant for skid mounted. In Proceedings of the 2010 Asia-Pacific Power and Energy Engineering Conference, Chengdu, China, 28–31 March 2010; pp. 1–4. [Google Scholar]
- Gao, T.; Lin, W.; Gu, A.; Gu, M. Coalbed methane liquefaction adopting a nitrogen expansion process with propane pre-cooling. Appl. Energy 2010, 87, 2142–2147. [Google Scholar] [CrossRef]
- Hatcher, P.; Khalilpour, R.; Abbas, A. Optimisation of LNG mixed-refrigerant processes considering operation and design objectives. Comput. Chem. Eng. 2012, 41, 123–133. [Google Scholar] [CrossRef]
- Wang, M.; Zhang, J.; Xu, Q.; Li, K. Thermodynamic-Analysis-Based Energy Consumption Minimization for Natural Gas Liquefaction. Ind. Eng. Chem. Res. 2011, 50, 12630–12640. [Google Scholar] [CrossRef]
- Wang, M.; Zhang, J.; Xu, Q. Optimal design and operation of a C3MR refrigeration system for natural gas liquefaction. Comput. Chem. Eng. 2012, 39, 84–95. [Google Scholar] [CrossRef]
- Tak, K.; Lim, W.; Choi, K.; Ko, D.; Moon, I. Optimization of mixed-refrigerant system in LNG liquefaction process. In Computer Aided Chemical Engineering; Pistikopoulos, E.N., Georgiadis, M.C., Kokossis, A.C., Eds.; Elsevier: Amsterdam, The Netherlands; Oxford, UK; Cambridge, MA, USA, 2011; Volume 29, pp. 1824–1828. [Google Scholar]
- Singh, A.; Hovd, M.; Kariwala, V. Controlled variables selection for liquefied natural gas plant. IFAC Proc. Vol. 2008, 41, 13913–13918. [Google Scholar]
- Rian, A.B.; Ertesvåg, I.S. Exergy Evaluation of the Arctic Snøhvit Liquefied Natural Gas Processing Plant in Northern Norway—Significance of Ambient Temperature. Energy Fuels 2012, 26, 1259–1267. [Google Scholar]
- Hasan, M.F.; Zheng, A.M.; Karimi, I. Minimizing boil-off losses in liquefied natural gas transportation. Ind. Eng. Chem. Res. 2009, 48, 9571–9580. [Google Scholar] [CrossRef]
- Kamath, R.S.; Biegler, L.T.; Grossmann, I.E. Modeling multistream heat exchangers with and without phase changes for simultaneous optimization and heat integration. AIChE J. 2012, 58, 190–204. [Google Scholar] [CrossRef]
- Kanoglu, M.; Dincer, I.; Rosen, M.A. Performance analysis of gas liquefaction cycles. Int. J. Energy Res. 2008, 32, 35–43. [Google Scholar] [CrossRef]
- Chang, H.-M.; Chung, M.J.; Kim, M.J.; Park, S.B. Thermodynamic design of methane liquefaction system based on reversed-Brayton cycle. Cryogenics 2009, 49, 226–234. [Google Scholar] [CrossRef]
- Cammarata, G.; Fichera, A.; Guglielmino, D. Optimization of a liquefaction plant using genetic algorithms. Appl. Energy 2001, 68, 19–29. [Google Scholar] [CrossRef]
- Hasan, M.M.F.; Karimi, I.A.; Alfadala, H.E. Optimizing Compressor Operations in an LNG Plant. In Proceedings of the 1st Annual Gas Processing Symposium, Doho, Qatar, 10–12 January 2009; Alfadala, H.E., Rex Reklaitis, G.V., El-Halwagi, M.M., Eds.; Elsevier: Amsterdam, The Netherlands, 2009; Volume 1, pp. 179–184. [Google Scholar]
- Hasan, M.M.F.; Razib, M.S.; Karimi, I.A. Optimization of Compressor Networks in LNG Operations. In Computer Aided Chemical Engineering; de Brito Alves, R.M., do Nascimento, C.A.O., Biscaia, E.C., Eds.; Elsevier: Amsterdam, The Netherlands; Oxford, UK; Cambridge, MA, USA, 2009; Volume 27, pp. 1767–1772. [Google Scholar]
- Zhang, R.; Wu, C.; Song, W.; Deng, C.; Yang, M. Energy integration of LNG light hydrocarbon recovery and air separation: Process design and technic-economic analysis. Energy 2020, 207, 118328. [Google Scholar] [CrossRef]
- Chang, H.-M.; Chung, M.J.; Lee, S.; Choe, K.H. An efficient multi-stage Brayton–JT cycle for liquefaction of natural gas. Cryogenics 2011, 51, 278–286. [Google Scholar] [CrossRef]
- Li, Y.; Wang, X.; Ding, Y. An optimal design methodology for large-scale gas liquefaction. Appl. Energy 2012, 99, 484–490. [Google Scholar] [CrossRef]
- Vidal, J. Thermodynamics. Applications in Chemical Engineering and the Petroleum Industry; Thermodynamique. Application au Genie Chimique et a L’industrie Petroliere; Editions Technip: Paris, France, 2003. [Google Scholar]
- Chen, G.-J.; Sun, C.-Y.; Guo, T.-M. A theoretical revision of the derivation of liquid property expressions from an equation of state and its application. Chem. Eng. Sci. 2000, 55, 4913–4923. [Google Scholar] [CrossRef]
- Remeljej, C.W.; Hoadley, A.F.A. An exergy analysis of small-scale liquefied natural gas (LNG) liquefaction processes. Energy 2006, 31, 2005–2019. [Google Scholar]
- Gong, M.; Wu, J.; Luo, E.; Qi, Y.; Zhou, Y. Study of the single-stage mixed-gases refrigeration cycle for cooling temperature-distributed heat loads. Int. J. Therm. Sci. 2004, 43, 31–41. [Google Scholar]
- Cao, W.-s.; Lu, X.-s.; Lin, W.-s.; Gu, A.-z. Parameter comparison of two small-scale natural gas liquefaction processes in skid-mounted packages. Appl. Therm. Eng. 2006, 26, 898–904. [Google Scholar] [CrossRef]
- Danesh, A. PVT and Phase Behaviour of Petroleum Reservoir Fluids; Developments in Petroleum Science, Book Series; Elsevier: Amsterdam, The Netherlands, 1998; Volume 47, ISBN 978-0-444-82196-6. [Google Scholar]
- Maboudi, M.; Ziabasharhagh, M.; Mafi, M. Prediction of Thermodynamic Properties of Helium and Neon as Working Fluids in Cryogenic Processes using Fundamental Equations of States. Gas Process. J. 2018, 6, 75–84. [Google Scholar]
- Ghorbani, B.; Mafi, M.; Amidpour, M.; Mousavi, N.S.; Salehi, G.R. Mathematical method and thermodynamic approaches to design multi-component refrigeration used in cryogenic process Part I: Optimal operating conditions. Gas Process. J. 2013, 1, 13–21. [Google Scholar] [CrossRef]
- Mafi, M.; Ghorbani, B.; Amidpour, M.; Mousavi Naynian, S.M. Design of mixed refrigerant cycle for low temperature processes using thermodynamic approach. Sci. Iran. 2013, 20, 1254–1268. [Google Scholar]
- Mafi, M.; Amidpour, M.; Mousavi Naeynian, S.M. Development in Mixed Refrigerant Cycles Used in Olefin Plants. In Proceedings of the 1st Annual Gas Processing Symposium, Doha, Qatar, 10–12 January 2009; Alfadala, H.E., Rex Reklaitis, G.V., El-Halwagi, M.M., Eds.; Elsevier: Amsterdam, The Netherlands, 2009; Volume 1, pp. 154–161. [Google Scholar]
- Shariati, M.; Amidpour, M. Development of an Integrated Structure of CHP and Heavy Hydrocarbons Liquids Using Fischer-Tropsch Synthesis. Gas Process. J. 2016, 4, 32–44. [Google Scholar]
- Mafi, M.; Amidpour, M.; Mousavi Naeynian, S. Comparison of low temperature mixed refrigerant cycles for separation systems. Int. J. Energy Res. 2009, 33, 358–377. [Google Scholar]
- Lee, Y.; Baek, K.H.; Lee, S.; Cha, K.; Han, C. Design of boil-off CO2 re-liquefaction processes for a large-scale liquid CO2 transport ship. Int. J. Greenh. Gas Control. 2017, 67, 93–102. [Google Scholar]
- Optimal Gas Pretreatment Technologies for Developing FLNG Projects. Available online: https://gasprocessingnews.com/articles/2019/06/optimal-gas-pretreatment-technologies-for-developing-flng-projects/#:~:text=The%20specifications%20to%20be%20met%20are%20hydrogen%20sulfide,mercury%20%28Hg%29%20to%20levels%20of%200.01%20%C2%B5g%2FNm%203 (accessed on 1 February 2025).
- Mehrpooya, M.; Ghorbani, B.; Vatani, A. Cryogenic Processes of Natural Gas Refinery (Process Design and Description of Process Configurations; Academic University Publications; University of Tehran: Tehran, Iran, 2021; ISBN 978-964-0301-84-5. [Google Scholar]
- Linde Engineering. State-of-the-Art Nitrogen Rejection Technology. Available online: https://assets.linde.com/-/media/global/engineering/engineering/home/products-and-services/process-plants/sustainable-hydrocarbon-solutions/biolng-plants/state-of-art-nitrogen-rejection-technology.pdf (accessed on 1 February 2025).
- Almomani, F.; Othman, A.; Pal, A.; Al-Musleh, E.I.; Karimi, I.A. Prospective of upfront nitrogen (N2) removal in LNG plants: Technical communication. Energies 2021, 14, 3616. [Google Scholar] [CrossRef]
- Effendy, S.; Xu, C.; Farooq, S. Optimization of a pressure swing adsorption process for nitrogen rejection from natural gas. Ind. Eng. Chem. Res. 2017, 56, 5417–5431. [Google Scholar] [CrossRef]
- Weh, R.; Xiao, G.; Islam, M.A.; May, E.F. Nitrogen rejection from natural gas by dual reflux-pressure swing adsorption using activated carbon and ionic liquidic zeolite. Sep. Purif. Technol. 2020, 235, 116215. [Google Scholar]
- Khoramzadeh, E.; Bakhtyari, A.; Mofarahi, M. Nitrogen rejection from natural gas by adsorption processes and swing technologies. In Advances Natural Gas: Formation, Processing, and Applications. Volume 5: Natural Gas Impurities and Condensate Removal; Elsevier: Amsterdam, The Netherlands; London, UK; Cambridge, MA, USA, 2024; pp. 201–228. [Google Scholar]
- Kuo, J.C.; Wang, K.H.; Chen, C. Pros and cons of different Nitrogen Removal Unit (NRU) technology. J. Nat. Gas Sci. Eng. 2012, 7, 52–59. [Google Scholar] [CrossRef]
- MacKenzie, D.; Cheta, I.; Burns, D. Removing nitrogen. Hydrocarb. Eng. 2002, 7, 57–63. [Google Scholar]
- Noorani, N.; Mehrdad, A. Improving the Separation of CO2/N2 Using Impregnation of a Deep Eutectic Solvent on a Porous MOF. ACS Omega 2024, 9, 9516–9525. [Google Scholar] [CrossRef]
- Lak, S.Z.; Rostami, M.; Rahimpour, M.R. 9—Nitrogen separation from natural gas using absorption and cryogenic processes. In Advances in Natural Gas: Formation, Processing, and Applications. Volume 5: Natural Gas Impurities and Condensate Removal; Rahimpour, M.R., Makarem, M.A., Meshksar, M., Eds.; Elsevier: Amsterdam, The Netherlands; London, UK; Cambridge, MA, USA, 2024; pp. 185–200. [Google Scholar]
- Rahimpour, M.R.; Makarem, M.A.; Meshksar, M. Advances in Synthesis Gas: Methods, Technologies and Applications: Syngas Production and Preparation; Elsevier: Amsterdam, The Netherlands; Oxford, UK; Cambridge, MA, USA, 2022. [Google Scholar]
- He, T.; Liu, Z.; Son, H.; Gundersen, T.; Lin, W. Comparative analysis of cryogenic distillation and chemical absorption for carbon capture in integrated natural gas liquefaction processes. J. Clean. Prod. 2023, 383, 135264. [Google Scholar] [CrossRef]
- Elliot, D.; Kuo, J.; Nasir, P. Plant Processing of Natural Gas; University of Texas Continuing Education Petroleum Extension Service: Austin, TX, USA, 2008; 208p, ISBN 978-0-88698-223-2. [Google Scholar]
- Jones, S.; Lee, S.; Evans, M.; Chen, R. Simultaneous Removal of Water and BTEX from Feed Gas for a Cryogenic Plant; British Gas Tunisia Ltd.: Sfax, Tunisia, 1999. [Google Scholar]
- Hamedi, H.; Karimi, I.A.; Gundersen, T. Optimal cryogenic processes for nitrogen rejection from natural gas. Comput. Chem. Eng. 2018, 112, 101–111. [Google Scholar] [CrossRef]
- Mehrpooya, M.; Sharifzadeh, M.M.M.; Ansarinasab, H. Investigation of a novel integrated process configuration for natural gas liquefaction and nitrogen removal by advanced exergoeconomic analysis. Appl. Therm. Eng. 2018, 128, 1249–1262. [Google Scholar] [CrossRef]
- Ghazizadeh, V.; Ghorbani, B.; Shirmohammadi, R.; Mehrpooya, M.; Hamedi, M.H. Advanced exergoeconomic analysis of C3MR, MFC, and DMR refrigeration cycles in an integrated cryogenic process. Gas Process. J. 2018, 6, 41–71. [Google Scholar]
- Ghorbani, B.; Mehrpooya, M.; Hamedi, M.-H.; Amidpour, M. Exergoeconomic analysis of integrated natural gas liquids (NGL) and liquefied natural gas (LNG) processes. Appl. Therm. Eng. 2017, 113, 1483–1495. [Google Scholar] [CrossRef]
- Cuellar, K.T.; Hudson, H.; Wilkinson, J. Economical options for recovering NGL/LPG at LNG receiving terminals. In Proceedings of the 86th GPA Annual Convention, San Antonio, TX, USA, 11–14 March 2007; pp. 2–10. [Google Scholar]
- Lynch, J.; Wilkinson, J.; Hudson, H.; Pitman, R. Process retrofits maximize the value of existing NGL and LPG recovery plants. In Proceedings of the 82nd Annual Convention of the Gas Processors Association, San Antonio, TX, USA, 10–12 March 2003. [Google Scholar]
- Ransbarger, W.L. Intermediate Pressure LNG Refluxed NGL Recovery Process. U.S. Patent 2008/0098770 A1, 1 May 2008. [Google Scholar]
- Mak, J. Intergrated Ngl Recovery and Lng Liquefaction. U.S. Patent 2008/0271480 A1, 6 November 2008. [Google Scholar]
- Price, B.; Russell, F.; Morgan, D.; Kramer, J.; Minkkinen, A.; Heigold, B.; Soto, G.; Rivelsrud, H.; Bothamley, M.; Hall, K. Engineering Data Book; FPS Version, Volumes I & II, Section 1–26; Gas Processors Suppliers Association (GPSA): Tulsa, OK, USA, 2004. [Google Scholar]
- Mak, J.; Graham, C. Configurations and Methods of Integrated NGL Recovery and LNG Liquefaction. U.S. Patent 20070157663A1, 12 July 2007. [Google Scholar]
- Mak, J.; Graham, C. Configurations and Methods of Integrated NGL Recovery and LNG Liquefaction. U.S. Patent 20130061633A1, 14 March 2013. [Google Scholar]
- Mehrpooya, M.; Shafaei, A. Advanced exergy analysis of novel flash based Helium recovery from natural gas processes. Energy 2016, 114, 64–83. [Google Scholar] [CrossRef]
- Quader, M.A.; Rufford, T.E.; Smart, S. Modeling and cost analysis of helium recovery using combined-membrane process configurations. Sep. Purif. Technol. 2020, 236, 116269. [Google Scholar] [CrossRef]
- Shafaei, A.; Mehrpooya, M. Process development and sensitivity analysis of novel integrated helium recovery from natural gas processes. Energy 2018, 154, 52–67. [Google Scholar] [CrossRef]
- Emley, R.L.; Maloney, J.J. Cryogenic Rectification System for Producing Higher Purity Helium. U.S. Patent 5771714A, 30 June 1998. [Google Scholar]
- Scholes, C.A.; Stevens, G.W.; Kentish, S.E. Membrane gas separation applications in natural gas processing. Fuel 2012, 96, 15–28. [Google Scholar] [CrossRef]
- Nakoryakov, V.E.; Vitovsky, O.V.; Seryapin, A.V. Helium production technology based on natural gas combustion and beneficial use of thermal energy. Therm. Sci. 2016, 20, 19–22. [Google Scholar]
- Mehrpooya, M.; Mood, N.G.; Ansarinasab, H.; Alsagri, A.S.; Mehdipourrad, M. A novel sensitivity analysis of a new integrated helium extraction process through the interaction of costs and environmental impacts. Appl. Therm. Eng. 2019, 159, 113787. [Google Scholar] [CrossRef]
- Li, Y.; Xiao, H.; Zheng, W.; Xiao, W.; Jiang, X.; He, G.; Ruan, X. Multi-membrane integrated processes for helium and methane synergistic recovery after flash-vaporization units in LNG plants. Sep. Purif. Technol. 2023, 326, 124825. [Google Scholar] [CrossRef]
- Ansarinasab, H.; Mehrpooya, M.; Parivazh, M.M. Evaluation of the cryogenic helium recovery process from natural gas based on flash separation by advanced exergy cost method—Linde modified process. Cryogenics 2017, 87, 1–11. [Google Scholar] [CrossRef]
- Ansarinasab, H.; Mehrpooya, M.; Pouriman, M. Advanced exergoeconomic evaluation of a new cryogenic helium recovery process from natural gas based on the flash separation—APCI modified process. Appl. Therm. Eng. 2018, 132, 368–380. [Google Scholar] [CrossRef]
- Al-Sobhi, S.A.; AlNouss, A.; Alsaba, W.; Elkamel, A. Sustainable design and analysis for helium extraction from sale gas in liquefied natural gas production. J. Nat. Gas Sci. Eng. 2022, 102, 104599. [Google Scholar] [CrossRef]
- Jiang, H.; Gao, P.; Li, H. Optimization of co-production process of cryogenic helium concentration and liquefied natural gas. Appl. Therm. Eng. 2023, 225, 120153. [Google Scholar] [CrossRef]
- Daly, J.W. Helium recovery from LNG. In Proceedings of the International Petroleum Technology Conference 2005, Doha, Qatar, 21–23 November 2005; p. IPTC-10720-MS. [Google Scholar]
- Mehrpooya, M.; Ghorbani, B.; Bahnamiri, F.K. Basic design and thermodynamic analysis of a high helium content natural gas-fuel cell power plant. J. Clean. Prod. 2020, 262, 121401. [Google Scholar]
- Ghorbani, B.; Amidpour, M. Energy, exergy, and sensitivity analyses of a new integrated system for generation of liquid methanol, liquefied natural gas, and crude helium using organic Rankine cycle, and solar collectors. J. Therm. Anal. Calorim. 2021, 145, 1485–1508. [Google Scholar]
- Paradowski, H.; Vovard, S. Process for Producing Liquid and Gaseous Nitrogen Streams, a Gaseous Stream Which is Rich in Helium and a Denitrided Stream of Hydrocarbons and Associated Installation. U.S. Patent 9316434B2, 19 April 2016. [Google Scholar]
- Pakzad, P.; Mehrpooya, M.; Zaitsev, A. Investigation of a new energy-efficient cryogenic process configuration for helium extraction and liquefaction. Int. J. Energy Res. 2021, 45, 10355–10377. [Google Scholar] [CrossRef]
- Froehlich, P.; Clausen, J. Large scale helium liquefaction and considerations for site services for a plant located in Algeria. AIP Conf. Proc. 2008, 985, 549–556. [Google Scholar]
- Victory, D.; Miles, M.W.; Oelfke, R.H. Helium Recovery from Natural Gas Integrated with NGL Recovery. U.S. Patent 20110174017A1, 21 July 2011. [Google Scholar]
- Spilsbury, C.G. Dual Stage Nitrogen Rejection from Liquefied Natural Gas. U.S. Patent 7520143B2, 21 April 2009. [Google Scholar]
- Kim, D. Helium Extraction from LNG end Flash. Master’s Thesis, National Taiwan Normal University (NTNU), Trondheim, Norway, 2014. [Google Scholar]
- Shazed, A.R.; Ashraf, H.M.; Katebah, M.A.; Bouabidi, Z.; Al-musleh, E.I. Overcoming the energy and environmental issues of LNG plants by using solid oxide fuel cells. Energy 2021, 218, 119510. [Google Scholar] [CrossRef]
- Arora, J.S. Introduction to Optimum Design; Elsevier: Waltham, MA, USA; Oxford, UK, 2004. [Google Scholar]
- Ghorbani, B.; Zendehboudi, S.; Alizadeh Afrouzi, Z. Thermo-economic optimization of a novel hybrid structure for power generation and portable hydrogen and ammonia storage based on magnesium–chloride thermochemical process and liquefied natural gas cryogenic energy. J. Clean. Prod. 2023, 403, 136571. [Google Scholar] [CrossRef]
- Cha, J.-H.; Lee, J.-C.; Roh, M.-I.; Lee, K.-Y. Determination of the optimal operating condition of the hamworthy mark I cycle for LNG-FPSO. J. Soc. Nav. Archit. Korea 2010, 47, 733–742. [Google Scholar] [CrossRef]
- Jensen, J.B. Optimal Operation of Refrigeration Cycles. Ph.D. Thesis, Norwegian University of Science and Technology, Trondheim, Norway, 2008. [Google Scholar]
- Gong, M.; Luo, E.; Zhou, Y.; Liang, J.; Zhang, L. Optimum composition calculation for multicomponent cryogenic mixture used in Joule-Thomson refrigerators. Adv. Cryog. Eng. 2000, 45, 283–290. [Google Scholar]
- Boiarski, M.; Khatri, A.; Kovalenko, V. Design optimization of the throttle-cycle cooler with mixed refrigerant. In Cryocoolers 10; Springer: Berlin/Heidelberg, Germany, 1999; pp. 457–465. [Google Scholar]
- Shirmohammadi, R.; Ghorbani, B.; Hamedi, M.; Hamedi, M.H.; Romeo, L.M. Optimization of mixed refrigerant systems in low-temperature applications by means of group method of data handling (GMDH). J. Nat. Gas Sci. Eng. 2015, 26, 303–312. [Google Scholar] [CrossRef]
- Jin, C.; Yuan, Y.; Son, H.; Lim, Y. Novel propane-free mixed refrigerant integrated with nitrogen expansion natural gas liquefaction process for offshore units. Energy 2022, 238, 121765. [Google Scholar] [CrossRef]
- Veldandi, P.K.; Kurian, S. Design Optimization of C3MR Natural Gas Liquefaction Process. In Computer Aided Chemical Engineering; Pierucci, S., Manenti, F., Bozzano, G.L., Manca, D., Eds.; Elsevier: Amsterdam, The Netherlands; Oxford, UK; Cambridge, MA, USA, 2020; Volume 48, pp. 517–522. [Google Scholar]
- Katebah, M.; Hussein, M.; Al-musleh, E.I. A Straightforward Optimization Approach for a Baseload Propane-Mixed Refrigerant Process. In Computer Aided Chemical Engineering; Pierucci, S., Manenti, F., Bozzano, G.L., Manca, D., Eds.; Elsevier: Amsterdam The Netherlands; Oxford, UK; Cambridge, MA, USA, 2020; Volume 48, pp. 1921–1926. [Google Scholar]
- He, T.; Lin, W. Energy saving research of natural gas liquefaction plant based on waste heat utilization of gas turbine exhaust. Energy Convers. Manag. 2020, 225, 113468. [Google Scholar] [CrossRef]
- Rao, H.N.; Nair, S.K.; Karimi, I.A. Operational optimization of processes with multistream heat exchangers using data-driven predictive modeling. Ind. Eng. Chem. Res. 2019, 58, 5838–5850. [Google Scholar] [CrossRef]
- Hajji, A.; Chahartaghi, M.; Kahani, M. Thermodynamic analysis of natural gas liquefaction process with propane pre-cooled mixed refrigerant process (C3MR). Cryogenics 2019, 103, 102978. [Google Scholar] [CrossRef]
- Sun, H.; Shu, D.; Zhu, H.M. Process Optimization of One-Stage Propane Pre-Cooled MRC Cycle for Small-Scale LNG Plant. Adv. Mater. Res. 2012, 516, 1184–1187. [Google Scholar] [CrossRef]
- Lee, I.; Tak, K.; Lim, W.; Choi, K.; Moon, I. Optimization of Pure-Refrigerant Cycle Compressing Ratio on C3-MR Process. In Computer Aided Chemical Engineering; Karimi, I.A., Srinivasan, R., Eds.; Elsevier: Amsterdam, The Netherlands; Oxford, UK; Cambridge, MA, USA, 2012; Volume 31, pp. 1472–1476. [Google Scholar]
- Husnil, Y.A.; Park, C.; Lee, M. Simulation based Heuristics Approach for Plantwide Control of Propane Precooled Mixed Refrigerant in Natural Gas Liquefaction Process. In Computer Aided Chemical Engineering; Karimi, I.A., Srinivasan, R., Eds.; Elsevier: Amsterdam The Netherlands; Oxford, UK; Cambridge, MA, USA, 2012; Volume 31, pp. 400–404. [Google Scholar]
- Alabdulkarem, A.; Mortazavi, A.; Hwang, Y.; Radermacher, R.; Rogers, P. Optimization of propane pre-cooled mixed refrigerant LNG plant. Appl. Therm. Eng. 2011, 31, 1091–1098. [Google Scholar] [CrossRef]
- Katebah, M.A.; Hussein, M.M.; Al-Musleh, E.I.; Almomani, F. A systematic optimization approach of an actual LNG plant: Power savings and enhanced process economy. Energy 2023, 269, 126710. [Google Scholar] [CrossRef]
- Vaidyaraman, S.; Maranas, C.D. Synthesis of Mixed Refrigerant Cascade Cycles. Chem. Eng. Commun. 2002, 189, 1057–1078. [Google Scholar] [CrossRef]
- Jensen, J.B.; Skogestad, S. Steady-state operational degrees of freedom with application to refrigeration cycles. Ind. Eng. Chem. Res. 2009, 48, 6652–6659. [Google Scholar] [CrossRef]
- Austbø, B.; Løvseth, S.W.; Gundersen, T. Annotated bibliography—Use of optimization in LNG process design and operation. Comput. Chem. Eng. 2014, 71, 391–414. [Google Scholar] [CrossRef]
- Jouybari, A.K.; Ilinca, A.; Ghorbani, B. Thermo-economic optimization of a new solar-driven system for efficient production of methanol and liquefied natural gas using the liquefaction process of coke oven gas and post-combustion carbon dioxide capture. Energy Convers. Manag. 2022, 264, 115733. [Google Scholar] [CrossRef]
- Jensen, J.B.; Skogestad, S. Single-cycle mixed-fluid LNG process Part II: Optimal operation. In Proceedings of the 1st Annual Gas Processing Symposium, Doha, Qatar, 10–12 January 2009; pp. 219–226. [Google Scholar]
- Shah, N.M.; Rangaiah, G.; Hoadley, A. Multi-objective optimization of the dual independent expander gas-phase refrigeration process for LNG. In Proceedings of the AIChE Annual Meeting, Salt Lake City, UT, USA, 4–9 November 2007. [Google Scholar]
- Jacobsen, M.G.; Skogestad, S. Active constraint regions for a natural gas liquefaction process. J. Nat. Gas Sci. Eng. 2013, 10, 8–13. [Google Scholar] [CrossRef]
- Lee, I.; Moon, I. Strategies for process and size selection of natural gas liquefaction processes: Specific profit portfolio approach by economic based optimization. Ind. Eng. Chem. Res. 2017, 57, 5845–5857. [Google Scholar] [CrossRef]
- Shah, N.M.; Hoadley, A.F.; Rangaiah, G.P. Inherent safety analysis of a propane precooled gas-phase liquified natural gas process. Ind. Eng. Chem. Res. 2009, 48, 4917–4927. [Google Scholar] [CrossRef]
- Sayyaadi, H.; Babaelahi, M. Multi-objective optimization of a joule cycle for re-liquefaction of the Liquefied Natural Gas. Appl. Energy 2011, 88, 3012–3021. [Google Scholar] [CrossRef]
- Shao, Y.L.; Soh, K.Y.; Wan, Y.D.; Huang, Z.F.; Islam, M.R.; Chua, K.J. Multi-objective optimization of a cryogenic cold energy recovery system for LNG regasification. Energy Convers. Manag. 2021, 244, 114524. [Google Scholar] [CrossRef]
- Ghorbani, B.; Roshani, H.; Mehrpooya, M.; Shirmohammadi, R.; Razmjoo, A. Evaluation of an integrated cryogenic natural gas process with the aid of advanced exergy and exergoeconomic analyses. Gas Process. J. 2020, 8, 17–36. [Google Scholar]
- Goel, V.; Furman, K.C.; Song, J.-H.; El-Bakry, A.S. Large neighborhood search for LNG inventory routing. J. Heuristics 2012, 18, 821–848. [Google Scholar] [CrossRef]
- Özelkan, E.C.; D’Ambrosio, A.; Teng, S.G. Optimizing liquefied natural gas terminal design for effective supply-chain operations. Int. J. Prod. Econ. 2008, 111, 529–542. [Google Scholar] [CrossRef]
- Lee, I.; Tak, K.; Kwon, H.; Kim, J.; Ko, D.; Moon, I. Design and optimization of a pure refrigerant cycle for natural gas liquefaction with subcooling. Ind. Eng. Chem. Res. 2014, 53, 10397–10403. [Google Scholar] [CrossRef]
- Taleshbahrami, H.; Saffari, H. Optimization of the C3MR cycle with genetic algorithm. Trans. Can. Soc. Mech. Eng. 2010, 34, 433–448. [Google Scholar] [CrossRef]
- Mahabadipour, H.; Ghaebi, H. Development and comparison of two expander cycles used in refrigeration system of olefin plant based on exergy analysis. Appl. Therm. Eng. 2013, 50, 771–780. [Google Scholar] [CrossRef]
- Castillo, L.; Dorao, C.A. Consensual decision-making model based on game theory for LNG processes. Energy Convers. Manag. 2012, 64, 387–396. [Google Scholar] [CrossRef]
- Afrouzy, Z.A.; Taghavi, M. Thermo-economic analysis of a novel integrated structure for liquefied natural gas production using photovoltaic panels. J. Therm. Anal. Calorim. 2021, 145, 1509–1536. [Google Scholar] [CrossRef]
- Sleiti, A.K.; Al-Ammari, W.A. Novel integration between propane pre-cooled mixed refrigerant LNG process and concentrated solar power system based on supercritical CO2 power cycle. Energy Rep. 2023, 9, 4872–4892. [Google Scholar] [CrossRef]
- Halvorsen-Weare, E.E.; Fagerholt, K. Routing and scheduling in a liquefied natural gas shipping problem with inventory and berth constraints. Ann. Oper. Res. 2013, 203, 167–186. [Google Scholar] [CrossRef]
- Santos, L.F.; Costa, C.B.; Caballero, J.A.; Ravagnani, M.A. Multi-objective simulation–optimization via kriging surrogate models applied to natural gas liquefaction process design. Energy 2023, 262, 125271. [Google Scholar] [CrossRef]
- Sun, H.; Ding, D.; He, M.; Sun, S. Simulation and optimisation of AP-X process in a large-scale LNG plant. J. Nat. Gas Sci. Eng. 2016, 32, 380–389. [Google Scholar] [CrossRef]
- Boulougouris, E.K.; Papanikolaou, A.D. Multi-objective optimisation of a floating LNG terminal. Ocean Eng. 2008, 35, 787–811. [Google Scholar] [CrossRef]
- Ghorbani, B.; Zendehboudi, S.; Jouybari, A.K. Thermo-economic optimization of a hydrogen storage structure using liquid natural gas regasification and molten carbonate fuel cell. J. Energy Storage 2022, 52, 104722. [Google Scholar] [CrossRef]
- Ding, H.; Sun, H.; He, M. Optimisation of expansion liquefaction processes using mixed refrigerant N2–CH4. Appl. Therm. Eng. 2016, 93, 1053–1060. [Google Scholar] [CrossRef]
- Moein, P.; Sarmad, M.; Ebrahimi, H.; Zare, M.; Pakseresht, S.; Vakili, S.Z. APCI-LNG single mixed refrigerant process for natural gas liquefaction cycle: Analysis and optimization. J. Nat. Gas Sci. Eng. 2015, 26, 470–479. [Google Scholar] [CrossRef]
- Wang, X.; Li, M.; Cai, L.; Li, Y. Propane and iso-butane pre-cooled mixed refrigerant liquefaction process for small-scale skid-mounted natural gas liquefaction. Appl. Energy 2020, 275, 115333. [Google Scholar] [CrossRef]
- He, T.; Mao, N.; Liu, Z.; Qyyum, M.A.; Lee, M.; Pravez, A.M. Impact of mixed refrigerant selection on energy and exergy performance of natural gas liquefaction processes. Energy 2020, 199, 117378. [Google Scholar] [CrossRef]
- Jin, C.; Son, H.; Lim, Y. Optimization and economic analysis of liquefaction processes for offshore units. Appl. Therm. Eng. 2019, 163, 114334. [Google Scholar] [CrossRef]
- Morin, A.; Wahl, P.E.; Mølnvik, M. Using evolutionary search to optimise the energy consumption for natural gas liquefaction. Chem. Eng. Res. Des. 2011, 89, 2428–2441. [Google Scholar] [CrossRef]
- Dimopoulos, G.; Frangopoulos, C. Synthesis, design and operation optimization of the marine energy system for a liquefied natural gas carrier. Int. J. Thermodyn. 2008, 11, 203–211. [Google Scholar]
- Tahouni, N.; Smith, R.; Panjeshahi, M.H. Comparison of stochastic methods with respect to performance and reliability of low-temperature gas separation processes. Can. J. Chem. Eng. 2010, 88, 256–267. [Google Scholar] [CrossRef]
- Tahouni, N.; Hassan Panjeshahi, M.; Ataei, A. Comparison of sequential and simultaneous design and optimization in low-temperature liquefaction and gas separation processes. J. Frankl. Inst. 2011, 348, 1456–1469. [Google Scholar] [CrossRef]
- Gundersen, T.; Aspelund, A.; Barton, P.I. An Overview of New Methodologies for the Design of Cryogenic Processes with an emphasis on LNG. In Proceedings of the 1st Annual Gas Processing Symposium, Doha, Qatar, 10–12 January 2009; Alfadala, H.E., Rex Reklaitis, G.V., El-Halwagi, M.M., Eds.; Elsevier: Amsterdam, The Netherlands, 2009; Volume 1, pp. 104–112. [Google Scholar]
- Ali, W.; Qyyum, M.A.; Qadeer, K.; Lee, M. Energy optimization for single mixed refrigerant natural gas liquefaction process using the metaheuristic vortex search algorithm. Appl. Therm. Eng. 2018, 129, 782–791. [Google Scholar] [CrossRef]
- Qadeer, K.; Ahmad, A.; Naquash, A.; Qyyum, M.A.; Majeed, K.; Zhou, Z.; He, T.; Nizami, A.-S.; Lee, M. Neural network-inspired performance enhancement of synthetic natural gas liquefaction plant with different minimum approach temperatures. Fuel 2022, 308, 121858. [Google Scholar] [CrossRef]
- Kazemi, N.; Ghaedi, M.; Zaremoayedi, F.; Behmanesh, H. Modifying rock compressibility to analyze the production data of non-volumetric gas and gas condensate reservoirs. J. Nat. Gas Sci. Eng. 2022, 97, 104367. [Google Scholar] [CrossRef]
- Zaremoayedi, F.; Ghaedi, M.; Kazemi, N. A new approach to production data analysis of non-volumetric naturally fractured gas condensate reservoirs. J. Nat. Gas Sci. Eng. 2022, 105, 104703. [Google Scholar] [CrossRef]
- Podbielniak, W.J. Art of Refrigeration. U.S. Patent 2,041,725, 26 May 1936. [Google Scholar]
- Kleemenko, A.P. One Flow Cascade Cycle. In Proceedings of the 10th International Congress of Refrigeration, Copenhagen, Denmark, 19–26 August 1959. [Google Scholar]
- Gaumer, L.S., Jr.; Newton, C.L. Liquefaction of Natural Gas Employing Multiple-Component Refrigerants. U.S. Patent 3,593,535, 20 July 1971. [Google Scholar]
- Steed, J.M. Present uses of chlorofluorocarbons and effects due to environmental regulations. Int. J. Thermophys. 1989, 10, 545–552. [Google Scholar] [CrossRef]
- Lamb, R.; Foumeny, E.; Haselden, G.G. The use of wide boiling refrigerant mixtures in water chiller units for power saving. In Proceedings of the ICheme Research Event: Second European Conference for Young Researchers in Chemical Engineering, Leeds, UK, 2–3 April 1996. [Google Scholar]
- Duvedi, A.; Achenie, L.E.K. On the design of environmentally benign refrigerant mixtures: A mathematical programming approach. Comput. Chem. Eng. 1997, 21, 915–923. [Google Scholar] [CrossRef]
- Gong, M.Q.; Wu, J.F.; Luo, E.G. Performances of the mixed-gases Joule–Thomson refrigeration cycles for cooling fixed-temperature heat loads. Cryogenics 2004, 44, 847–857. [Google Scholar] [CrossRef]
- Maytal, B.Z.; Nellis, G.F.; Klein, S.A.; Pfotenhauer, J.M. Elevated-pressure mixed-coolants Joule–Thomson cryocooling. Cryogenics 2006, 46, 55–67. [Google Scholar] [CrossRef]
- Bosma, P.; Nagelvoort, R.K. Liquefaction Technology; Developments through History. In Proceedings of the 1st Annual Gas Processing Symposium, Doha, Qatar, 10–12 January 2009; Alfadala, H.E., Rex Reklaitis, G.V., El-Halwagi, M.M., Eds.; Elsevier: Amsterdam, The Netherlands, 2009; Volume 1, pp. 19–31. [Google Scholar]
- Jensen, J.B.; Skogestad, S. Single-cycle mixed-fluid LNG process Part I: Optimal design. In Proceedings of the 1st Annual Gas Processing Symposium, Doha, Qatar, 10–12 January 2009; Alfadala, H.E., Rex Reklaitis, G.V., El-Halwagi, M.M., Eds.; Elsevier: Amsterdam, The Netherlands, 2009; Volume 1, pp. 211–218. [Google Scholar]
- Barclay, M.; Denton, N. Selecting offshore LNG processes. LNG J. 2005, 10, 34–36. [Google Scholar]
- Shukri, T. LNG technology selection. Hydrocarb. Eng. 2004, 9, 71–76. [Google Scholar]
- Shukri, T.; Barclay, M. Single mixed refrigerant process has appeal for growing offshore market. LNG J. 2007, 3, 31–37. [Google Scholar]
- Sayadmosleh, E.; Soleimani, M.; Shirazi, L.; Sarmad, M. Mixed refrigerant components selection criteria in LNG processes; thermodynamic analysis and prioritization guidelines. Sustain. Energy Technol. Assess. 2022, 49, 101788. [Google Scholar] [CrossRef]
- Wang, R.Z.; Oliveira, R.G. Adsorption refrigeration—An efficient way to make good use of waste heat and solar energy. Prog. Energy Combust. Sci. 2006, 32, 424–458. [Google Scholar] [CrossRef]
- Yan, X.; Chen, G.; Hong, D.; Lin, S.; Tang, L. A novel absorption refrigeration cycle for heat sources with large temperature change. Appl. Therm. Eng. 2013, 52, 179–186. [Google Scholar] [CrossRef]
- Han, W.; Sun, L.; Zheng, D.; Jin, H.; Ma, S.; Jing, X. New hybrid absorption–compression refrigeration system based on cascade use of mid-temperature waste heat. Appl. Energy 2013, 106, 383–390. [Google Scholar] [CrossRef]
- Popli, S.; Rodgers, P.; Eveloy, V. Gas turbine efficiency enhancement using waste heat powered absorption chillers in the oil and gas industry. Appl. Therm. Eng. 2013, 50, 918–931. [Google Scholar] [CrossRef]
- Mortazavi, A.; Somers, C.; Alabdulkarem, A.; Hwang, Y.; Radermacher, R. Enhancement of APCI cycle efficiency with absorption chillers. Energy 2010, 35, 3877–3882. [Google Scholar] [CrossRef]
- Kalinowski, P.; Hwang, Y.; Radermacher, R.; Al Hashimi, S.; Rodgers, P. Application of waste heat powered absorption refrigeration system to the LNG recovery process. Int. J. Refrig. 2009, 32, 687–694. [Google Scholar] [CrossRef]
- Srikhirin, P.; Aphornratana, S.; Chungpaibulpatana, S. A review of absorption refrigeration technologies. Renew. Sustain. Energy Rev. 2001, 5, 343–372. [Google Scholar] [CrossRef]
- Ghorbani, B.; Manesh, M.H.K.; Ebrahimi, A. Exergy and pinch investigation of a novel configuration for the liquid hydrogen production by polymer electrolyte membrane electrolyzer and mixed refrigerant-absorption cooling cycles. Fuel 2023, 341, 127623. [Google Scholar] [CrossRef]
- Mehrpooya, M.; Bahramian, P.; Pourfayaz, F.; Katooli, H.; Delpisheh, M. A novel hybrid liquefied natural gas process with absorption refrigeration integrated with molten carbonate fuel cell. Int. J. Low-Carbon Technol. 2021, 16, 956–976. [Google Scholar] [CrossRef]
- Ghorbani, B.; Rahnavard, Z.; Ahmadi, M.H.; Jouybari, A.K. An innovative hybrid structure of solar PV-driven air separation unit, molten carbonate fuel cell, and absorption–compression refrigeration system (Process development and exergy analysis). Energy Rep. 2021, 7, 8960–8972. [Google Scholar] [CrossRef]
- Ghorbani, B.; Mehrpooya, M.; Shokri, K. Developing an integrated structure for simultaneous generation of power and liquid CO2 using parabolic solar collectors, solid oxide fuel cell, and post-combustion CO2 separation unit. Appl. Therm. Eng. 2020, 179, 115687. [Google Scholar] [CrossRef]
- Deng, J.; Wang, R.; Han, G. A review of thermally activated cooling technologies for combined cooling, heating and power systems. Prog. Energy Combust. Sci. 2011, 37, 172–203. [Google Scholar] [CrossRef]
- Srikhirin, P.; Aphornratana, S. Investigation of a diffusion absorption refrigerator. Appl. Therm. Eng. 2002, 22, 1181–1193. [Google Scholar] [CrossRef]
- Benhmidene, A.; Chaouachi, B.; Gabsi, S. Effect of operating conditions on the performance of the bubble pump of absorption-diffusion refrigeration cycles. Therm. Sci. 2011, 15, 793–806. [Google Scholar] [CrossRef]
- Mehrpooya, M.; Mousavi, S.A.; Delpisheh, M.; Zaitsev, A.; Nikitin, A. 4E assessment and 3D parametric analysis of an innovative liquefied natural gas production process assisted by a diffusion–absorption refrigeration unit. Chem. Pap. 2022, 76, 5231–5252. [Google Scholar]
- Kanoglu, M.; Dincer, I.; Rosen, M.A. Geothermal energy use in hydrogen liquefaction. Int. J. Hydrogen Energy 2007, 32, 4250–4257. [Google Scholar] [CrossRef]
- Zendehboudi, S.; Ghorbani, B. Hydrogen Production, Transportation, Storage, and Utilization: Theoretical and Practical Aspects; Elsevier: Amsterdam The Netherlands; London, UK; Cambridge, MA, USA, 2025; ISBN 9780443240430. [Google Scholar] [CrossRef]
- Habibi, H.; Zoghi, M.; Chitsaz, A.; Javaherdeh, K.; Ayazpour, M. Thermo-economic analysis and optimization of combined PERC-ORC-LNG power system for diesel engine waste heat recovery. Energy Convers. Manag. 2018, 173, 613–625. [Google Scholar] [CrossRef]
- Chen, Y.; Han, W.; Jin, H. Proposal and analysis of a novel heat-driven absorption–compression refrigeration system at low temperatures. Appl. Energy 2017, 185, 2106–2116. [Google Scholar] [CrossRef]
- Yin, L.; Ju, Y. Conceptual design and analysis of a novel process for BOG re-liquefaction combined with absorption refrigeration cycle. Energy 2020, 205, 118008. [Google Scholar] [CrossRef]
- Mehrpooya, M.; Ghorbani, B.; Ali Mousavi, S.; Zaitsev, A. Proposal and assessment of a new integrated liquefied natural gas generation process with auto—Cascade refrigeration (exergy and economic analyses). Sustain. Energy Technol. Assess. 2020, 40, 100728. [Google Scholar] [CrossRef]
- Lu, D.; Liu, Z.; Bai, Y.; Sun, S.; Gong, M.; Shen, J. Experimental study and economic analysis of an absorption refrigeration system with new generator structure applied for pre-cooling in liquefied natural gas plant. Int. J. Refrig. 2021, 129, 78–87. [Google Scholar] [CrossRef]
- Mehrpooya, M.; Amirhaeri, Y.; Hadavi, H. Proposal and investigation of a novel small-scale natural gas liquefaction process using diffusion absorption refrigeration technology. Chem. Pap. 2022, 76, 5901–5927. [Google Scholar]
- Qyyum, M.A.; Qadeer, K.; Lee, M. Comprehensive Review of the Design Optimization of Natural Gas Liquefaction Processes: Current Status and Perspectives. Ind. Eng. Chem. Res. 2018, 57, 5819–5844. [Google Scholar] [CrossRef]
- Ebrahimi, A.; Ghorbani, B.; Ziabasharhagh, M. Introducing a novel integrated cogeneration system of power and cooling using stored liquefied natural gas as a cryogenic energy storage system. Energy 2020, 206, 117982. [Google Scholar] [CrossRef]
- Khanmohammadi, S.; Saadat-Targhi, M. Thermodynamic and economic assessment of an integrated thermoelectric generator and the liquefied natural gas production process. Energy Convers. Manag. 2019, 185, 603–610. [Google Scholar] [CrossRef]
- Pourkiaei, S.M.; Ahmadi, M.H.; Sadeghzadeh, M.; Moosavi, S.; Pourfayaz, F.; Chen, L.; Yazdi, M.A.P.; Kumar, R. Thermoelectric cooler and thermoelectric generator devices: A review of present and potential applications, modeling and materials. Energy 2019, 186, 115849. [Google Scholar]
- Jaziri, N.; Boughamoura, A.; Müller, J.; Mezghani, B.; Tounsi, F.; Ismail, M. A comprehensive review of Thermoelectric Generators: Technologies and common applications. Energy Rep. 2020, 6, 264–287. [Google Scholar] [CrossRef]
- Tohidi, F.; Holagh, S.G.; Chitsaz, A. Thermoelectric Generators: A comprehensive review of characteristics and applications. Appl. Therm. Eng. 2022, 201, 117793. [Google Scholar] [CrossRef]
- Jouhara, H.; Żabnieńska-Góra, A.; Khordehgah, N.; Doraghi, Q.; Ahmad, L.; Norman, L.; Axcell, B.; Wrobel, L.; Dai, S. Thermoelectric generator (TEG) technologies and applications. Int. J. Thermofluids 2021, 9, 100063. [Google Scholar]
- Champier, D. Thermoelectric generators: A review of applications. Energy Convers. Manag. 2017, 140, 167–181. [Google Scholar] [CrossRef]
- Mamur, H.; Ahıska, R. A review: Thermoelectric generators in renewable energy. Int. J. Renew. Energy Res. 2014, 4, 128–136. [Google Scholar]
- Park, J.; You, F.; Mun, H.; Lee, I. Liquefied natural gas supply chain using liquid air as a cold carrier: Novel method for energy recovery. Energy Convers. Manag. 2021, 227, 113611. [Google Scholar] [CrossRef]
- Faramarzi, S.; Nainiyan, S.M.M.; Mafi, M.; Ghasemiasl, R. A novel hydrogen liquefaction process based on LNG cold energy and mixed refrigerant cycle. Int. J. Refrig. 2021, 131, 263–274. [Google Scholar] [CrossRef]
- Ghorbani, B.; Sadeghzadeh, M.; Ahmadi, M.H.; Sharifpur, M. Exergy assessment and energy integration of a novel solar-driven liquid carbon dioxide and liquefied natural gas cogeneration system using liquid air cold energy recovery. J. Therm. Anal. Calorim. 2023, 148, 1025–1046. [Google Scholar] [CrossRef]
- Ghorbani, B.; Mehrpooya, M.; Sadeghzadeh, M. A novel LNG reproduction layout using ejector refrigeration, an auto-cascade refrigeration system, and an ethylene compression refrigeration cycle. Chem. Pap. 2022, 76, 7647–7665. [Google Scholar]
- Tashtoush, B.M.; Al-Nimr, M.A.; Khasawneh, M.A. A comprehensive review of ejector design, performance, and applications. Appl. Energy 2019, 240, 138–172. [Google Scholar]
- Liu, F. Review on ejector efficiencies in various ejector systems. In Proceedings of the 15th International Refrigeration and Air Conditioning conference at Purdue, West Lafayette, IN, USA, 14–17 July 2014. [Google Scholar]
- Ghorbani, B.; Ebrahimi, A.; Moradi, M.; Ziabasharhagh, M. Continuous production of cryogenic energy at low-temperature using two-stage ejector cooling system, Kalina power cycle, cold energy storage unit, and photovoltaic system. Energy Convers. Manag. 2021, 227, 113541. [Google Scholar] [CrossRef]
- Besagni, G.; Mereu, R.; Inzoli, F. Ejector refrigeration: A comprehensive review. Renew. Sustain. Energy Rev. 2016, 53, 373–407. [Google Scholar] [CrossRef]
- Abdulateef, J.; Sopian, K.; Alghoul, M.; Sulaiman, M. Review on solar-driven ejector refrigeration technologies. Renew. Sustain. Energy Rev. 2009, 13, 1338–1349. [Google Scholar]
- Jouybari, A.K.; Ilinca, A.; Ghorbani, B.; Rooholamini, S. Thermodynamic and exergy evaluation of an innovative hydrogen liquefaction structure based on ejector-compression refrigeration unit, cascade multi-component refrigerant system, and Kalina power plant. Int. J. Hydrogen Energy 2022, 47, 26369–26393. [Google Scholar] [CrossRef]
- CME Group. Natural Gas Futures. Available online: https://www.cmegroup.com/articles/whitepapers/henry-hub-natural-gas-futures-global-benchmark.html (accessed on 1 February 2025).
- Alberta Energy Regulator (AER). Henry Hub Natural Gas Prices. Available online: https://www.aer.ca/data-and-performance-reports/statistical-reports/alberta-energy-outlook-st98/prices-and-capital-expenditure/natural-gas-prices/henry-hub-price (accessed on 1 February 2025).
- Jensen, J.B.; Skogestad, S. Optimal operation of a simple LNG process. IFAC Proc. Vol. 2006, 39, 241–246. [Google Scholar] [CrossRef]
- Karamloo, B.; Sadatsakkak, S.; Mafi, M.; Manafi, H. Effect of refrigerant component leakage on the performance of double stage mixed refrigerant LNG process. J. Mech. Eng. Tabriz Univ. 2016, 47, 267–276. [Google Scholar]
- Oxford Institute for Energy Studies. LNG Plant Cost Reduction 2014–2018. Available online: https://www.oxfordenergy.org/wpcms/wp-content/uploads/2018/10/LNG-Plant-Cost-Reduction-2014%E2%80%9318-NG137.pdf (accessed on 1 February 2025).
- Oxford Institute for Energy Studies, LNG Plant Cost Escalation. 2014. Available online: https://www.oxfordenergy.org/wpcms/wp-content/uploads/2014/02/NG-83.pdf (accessed on 1 February 2025).
- Explore S&P Global. Costs and Expenditures. Available online: https://www.spglobal.com/commodityinsights/en (accessed on 1 February 2025).
- Wang, C.; Ju, Y.; Fu, Y. Comparative life cycle cost analysis of low pressure fuel gas supply systems for LNG fueled ships. Energy 2021, 218, 119541. [Google Scholar] [CrossRef]
- da Silva Sequeira, P. Economy Analysis Comparison for Liquefied Natural Gas and Gas-to-Liquid Project in Monetizing Excessive Natural Gas Production. Master’s Thesis, The University of Oklahoma, Norman, OK, USA, 2019. [Google Scholar]
- Barents Naturgass. Natural Gas—A Cost Effective Energy Source. Available online: https://barentsnaturgass.com/cost-effectiveness/ (accessed on 1 February 2025).
- UHERO. Liquefied Natural Gas: A Cleaner Fossil Fuel That’s Cheaper than Oil and Pairs Well with Renewable Energy. Available online: https://uhero.hawaii.edu/liquefied-natural-gas-a-cleaner-fossil-fuel-thats-cheaper-than-oil-and-pairs-well-with-renewable-energy/ (accessed on 1 February 2025).
- LNG Alternatives for Clean Electricity Production. Natural Resources Defense Council (NRDC). Available online: https://www.ethree.com/wp-content/uploads/2023/05/LNG-Alternatives-for-Clean-Electricity-Production_May-2023.pdf (accessed on 1 February 2025).
- Ulvestad, M.; Overland, I. Natural gas and CO2 price variation: Impact on the relative cost-efficiency of LNG and pipelines. Int. J. Environ. Stud. 2012, 69, 407–426. [Google Scholar] [CrossRef] [PubMed]
- Nie, Y.; Zhang, S.; Liu, R.E.; Roda-Stuart, D.J.; Ravikumar, A.P.; Bradley, A.; Masnadi, M.S.; Brandt, A.R.; Bergerson, J.; Bi, X.T. Greenhouse-gas emissions of Canadian liquefied natural gas for use in China: Comparison and synthesis of three independent life cycle assessments. J. Clean. Prod. 2020, 258, 120701. [Google Scholar] [CrossRef]
- Kohout, A.; Jain, P.; Dick, W. Review, identification and analysis of local impact of projectile hazards in the LNG industry. J. Loss Prev. Process Ind. 2019, 57, 304–319. [Google Scholar] [CrossRef]
- Aneziris, O.; Koromila, I.; Nivolianitou, Z. A systematic literature review on LNG safety at ports. Saf. Sci. 2020, 124, 104595. [Google Scholar] [CrossRef]
- Bahadori, A. Thermal Insulation Handbook for the Oil, Gas, and Petrochemical Industries; Gulf Professional Publishing: Waltham, MA, USA; Oxford, UK, 2014; ISBN 978-0-12-800010-6. [Google Scholar] [CrossRef]
- Aneziris, O.N.; Papazoglou, I.A.; Konstantinidou, M.; Nivolianitou, Z. Integrated risk assessment for LNG terminals. J. Loss Prev. Process Ind. 2014, 28, 23–35. [Google Scholar] [CrossRef]
- Pio, G.; Salzano, E. The effect of ultra-low temperature on the flammability limits of a methane/air/diluent mixtures. J. Hazard. Mater. 2019, 362, 224–229. [Google Scholar] [CrossRef]
- Pio, G.; Carboni, M.; Iannaccone, T.; Cozzani, V.; Salzano, E. Numerical simulation of small-scale pool fires of LNG. J. Loss Prev. Process Ind. 2019, 61, 82–88. [Google Scholar] [CrossRef]
- Shindo, A.; Yamazaki, H.; Toki, A.; Maeshima, R.; Koshijima, I.; Umeda, T. An approach to potential risk analysis of networked chemical plants. Comput. Chem. Eng. 2000, 24, 721–727. [Google Scholar] [CrossRef]
- Ballesio, J.; Patel, H.N.; Revenga, A.; Rynn, P.G. SS: Cryogenic Pipelines: Risk Assessment and Technology Qualification Process for Offshore LNG Pipelines. In Proceedings of the Offshore Technology Conference, Houston, TX, USA, 4–7 May 2009; p. OTC-20301-MS. [Google Scholar]
- Skramstad, E.; Almandoz, D.A.; Savio, F. Key learnings: Risk based verification of process systems on a floating LNG producing unit. In Proceedings of the Offshore Technology Conference, Houston, TX, USA, 3–7 May 2010; p. OTC-20442-MS. [Google Scholar]
- Vanem, E.; Antão, P.; Østvik, I.; de Comas, F.D.C. Analysing the risk of LNG carrier operations. Reliab. Eng. Syst. Saf. 2008, 93, 1328–1344. [Google Scholar] [CrossRef]
- Yun, G.; Rogers, W.J.; Mannan, M.S. Risk assessment of LNG importation terminals using the Bayesian–LOPA methodology. J. Loss Prev. Process Ind. 2009, 22, 91–96. [Google Scholar] [CrossRef]
- Khalil, M.; Abdou, M.A.; Mansour, M.S.; Farag, H.A.; Ossman, M.E. A cascaded fuzzy-LOPA risk assessment model applied in natural gas industry. J. Loss Prev. Process Ind. 2012, 25, 877–882. [Google Scholar] [CrossRef]
- Hamedifar, H.; Spitzenberger, C.; Stahl, C.; Brown, A.; Nilberg, B.; Demay, V.; Aspholm, O. Terminal and transportation risk assessment for LNG export in North America. In Proceedings of the Offshore Technology Conference, Houston, TX, USA, 4–7 May 2015; p. OTC-26020-MS. [Google Scholar]
- Martins, M.R.; Pestana, M.A.; Souza, G.F.M.; Schleder, A.M. Quantitative risk analysis of loading and offloading liquefied natural gas (LNG) on a floating storage and regasification unit (FSRU). J. Loss Prev. Process Ind. 2016, 43, 629–653. [Google Scholar] [CrossRef]
- Jeong, B.; Lee, B.S.; Zhou, P.; Ha, S.-m. Evaluation of safety exclusion zone for LNG bunkering station on LNG-fuelled ships. J. Mar. Eng. Technol. 2017, 16, 121–144. [Google Scholar] [CrossRef]
- Li, X.; Tang, W. Structural risk analysis model of damaged membrane LNG carriers after grounding based on Bayesian belief networks. Ocean Eng. 2019, 171, 332–344. [Google Scholar] [CrossRef]
- Yoon, I.K.; Lim, D.Y.; Jung, H.J.; Seo, J.M.; Oh, S.K. A supportive framework for collaborative implementation of quantitative risk analysis in the hazardous process industry and application to natural gas plant. J. Chem. Eng. Jpn. 2019, 52, 349–361. [Google Scholar] [CrossRef]
- Ochiai, S.; Makita, T.; Sanjo, T.; Sato, K.; Katagiri, M. Quantitative risk evaluations of LNG equipment applying ASME risk-based maintenance concepts. Process Saf. Prog. 2005, 24, 187–191. [Google Scholar] [CrossRef]
- Kim, H.; Koh, J.-S.; Kim, Y.; Theofanous, T.G. Risk assessment of membrane type LNG storage tanks in Korea-based on fault tree analysis. Korean J. Chem. Eng. 2005, 22, 1–8. [Google Scholar] [CrossRef]
- Sultana, S.; Okoh, P.; Haugen, S.; Vinnem, J.E. Hazard analysis: Application of STPA to ship-to-ship transfer of LNG. J. Loss Prev. Process Ind. 2019, 60, 241–252. [Google Scholar] [CrossRef]
- Kong, Z.; Lu, X.; Jiang, Q.; Dong, X.; Liu, G.; Elbot, N.; Zhang, Z.; Chen, S. Assessment of import risks for natural gas and its implication for optimal importing strategies: A case study of China. Energy Policy 2019, 127, 11–18. [Google Scholar] [CrossRef]
- Vianello, C.; Maschio, G. Quantitative risk assessment of the Italian gas distribution network. J. Loss Prev. Process Ind. 2014, 32, 5–17. [Google Scholar] [CrossRef]
- Li, J.; Huang, Z. Fire and Explosion Risk Analysis and Evaluation for LNG Ships. Procedia Eng. 2012, 45, 70–76. [Google Scholar] [CrossRef]
- Yeo, C.; Bhandari, J.; Abbassi, R.; Garaniya, V.; Chai, S.; Shomali, B. Dynamic risk analysis of offloading process in floating liquefied natural gas (FLNG) platform using Bayesian Network. J. Loss Prev. Process Ind. 2016, 41, 259–269. [Google Scholar] [CrossRef]
- Vianello, C.; Maschio, G. Risk analysis of LNG terminal: Case study. Chem. Eng. Trans. 2014, 36, 277–282. [Google Scholar] [CrossRef]
- de Souza, G.F.M.; Hidalgo, E.M.P.; Silva, D.W.R.; Martins, M.R. Probabilistic risk analysis of a LNG carrier loading pipeline. In Proceedings of the 31st International Conference on Offshore Mechanics and Arctic Engineering, Rio de Janeiro, Brazil, 1–6 July 2012; pp. 621–630. [Google Scholar]
- Raj, P.K.; Lemoff, T. Risk analysis based LNG facility siting standard in NFPA 59A. J. Loss Prev. Process Ind. 2009, 22, 820–829. [Google Scholar] [CrossRef]
- Leoni, L.; BahooToroody, A.; De Carlo, F.; Paltrinieri, N. Developing a risk-based maintenance model for a Natural Gas Regulating and Metering Station using Bayesian Network. J. Loss Prev. Process Ind. 2019, 57, 17–24. [Google Scholar] [CrossRef]
- de Andrade Melani, A.H.; Silva, D.W.R.; Souza, G.F.M. Use of Bayesian network to support risk-based analysis of LNG carrier loading operation. In Proceedings of the Probabilistic Safety Assessment and Management Conference (PSAM’14), Los Angeles, CA, USA, 16–21 September 2018. [Google Scholar]
- Vinnem, J.E. Risk analysis and risk acceptance criteria in the planning processes of hazardous facilities—A case of an LNG plant in an urban area. Reliab. Eng. Syst. Saf. 2010, 95, 662–670. [Google Scholar] [CrossRef]
- Animah, I.; Shafiee, M. Application of risk analysis in the liquefied natural gas (LNG) sector: An overview. J. Loss Prev. Process Ind. 2020, 63, 103980. [Google Scholar] [CrossRef]
- NFPA 59A; Standard For the Production, Storage, and Handling of Liquefied Natural Gas (LNG). National Fire Protection Association: Quincy, MA, USA, 2023.
- Comité Euro-International du Béton (CEB). Concrete Structures Under Impact and Impulsive Loading—Synthesis Report; Bulletin No. 187; FIB—International Federation for Structural Concrete: Lausanne, Switzerland, 1988. [Google Scholar]
- CEN-CENELEC. EN 1473: LNG—Design of Onshore Installations. Available online: https://www.cencenelec.eu/news-and-events/news/2021/eninthespotlight/2021-05-26-en-1473-lng/ (accessed on 1 February 2025).
- European Commission. Updated Standards for LNG Infrastructure: EN 1473:2021 Overview. 2021. Available online: https://ec.europa.eu/newsroom/cipr/items/722068/en (accessed on 1 February 2025).
- International Maritime Organization. International Code for the Construction and Equipment of Ships Carrying Liquefied Gases in Bulk (IGC Code). Available online: https://www.imo.org/en/ourwork/safety/pages/igc-code.aspx (accessed on 1 February 2025).
- International Transport Workers’ Federation. ITF Guideline on IGF Code. Available online: https://www.itfseafarers.org/sites/default/files/node/resources/files/ITF%20Guideline%20on%20IGF%20Code.pdf (accessed on 1 February 2025).
- International Organization for Standardization. Guidelines for Safety and Risk Assessment of LNG Fuel Bunkering Operations, Edition 2. 2021. Available online: https://www.iso.org/standard/76811.html (accessed on 1 February 2025).
- American Bureau of Shipping. Guide for LNG Bunkering. 2018. Available online: https://ww2.eagle.org/content/dam/eagle/rules-and-guides/current/special_service/245_Guide_for_LNG_Bunkering/LNG_Bunkering_Guide_e-Mar18.pdf (accessed on 1 February 2025).
- International Organization for Standardization. Ships and Marine Technology, Specification for Bunkering of Liquefied Natural Gas Fuelled Vessels (ISO Standard No. 20519:2021). Available online: https://www.iso.org/standard/80842.html (accessed on 1 February 2025).
- Wood Mackenzie. LNG Trade Disrupted as Suez Canal Transits Stop. Available online: https://www.woodmac.com/news/opinion/lng-trade-disrupted-as-suez-canal-transits-stop/ (accessed on 1 February 2025).
- Oxford Institute for Energy Studies. LNG Shipping Chokepoints: The Impact of Red Sea and Panama Canal Disruption. Available online: https://www.oxfordenergy.org/wpcms/wp-content/uploads/2024/02/NG-188-LNG-Shipping-Chokepoints.pdf (accessed on 1 February 2025).
- Spot LNG Shipping Rates Rise for First Time Since November. Available online: https://lngprime.com/europe/spot-lng-shipping-rates-rise-for-first-time-since-november/104460/ (accessed on 1 February 2025).
- International Energy Agency (IEA). Global Gas Balance Set to Remain Fragile in 2025 as Growing Demand Meets Tight Supply. Available online: https://www.iea.org/news/global-gas-balance-set-to-remain-fragile-in-2025-as-growing-demand-meets-tight-supply (accessed on 1 February 2025).
- Woodway Energy. Natural Gas Supply Chains Under Pressure. Available online: https://www.woodwayenergy.com/natural-gas-supply-chains-under-pressure/ (accessed on 1 February 2025).
- Financier Worldwide. Political Priorities Affecting the Global Liquified Natural Gas Trade. Available online: https://www.financierworldwide.com/political-priorities-affecting-the-global-liquified-natural-gas-trade (accessed on 1 February 2025).
- Haig, S.; Dusyk, N.; Rempel, Z. Why Liquefied Natural Gas Expansion in Canada Is Not Worth the Risk. International Institute for Sustainable Development, 4 June 2024. Available online: https://www.iisd.org/system/files/2024-06/bottom-line-lng-expansion-canada-not-worth-risk.pdf (accessed on 1 February 2025).
- Deloitte. LNG Industry Trends. Available online: https://www2.deloitte.com/us/en/pages/energy-and-resources/articles/lng-industry-trends-oil-natural-gas-report.html (accessed on 1 February 2025).
- Institute for Energy Economics and Financial Analysis. Global LNG Outlook 2023–27. Available online: https://ieefa.org/sites/default/files/2023-02/Global%20LNG%20Outlook_February%202023.pdf (accessed on 1 February 2025).
- International Gas Union (IGU). World LNG Report 2024. Available online: https://safety4sea.com/world-lng-report-2024/ (accessed on 1 February 2025).
- LNG Prime. Japan’s LNG Imports Down 8.1 Percent in 2023. 2024. Available online: https://lngprime.com/asia/japans-lng-imports-down-8-1-percent-in-2023/102988/ (accessed on 1 February 2025).
- Global Gas & LNG Market Outlook to 2035. McKinsey & Company. Available online: https://www.mckinsey.com/industries/oil-and-gas/our-in-sights/~/media/0B218D0C0A6749679268EDCB0E83F57D.ashx (accessed on 1 February 2025).
- Global Energy Perspective 2023: Natural Gas Outlook. Available online: https://www.mckinsey.com/industries/oil-and-gas/our-insights/global-energy-perspective-2023-natural-gas-outlook (accessed on 1 February 2025).
- Proven Infrastructure Powering the World. Sabine Pass Liquefaction. Available online: https://www.cheniere.com/where-we-work/sabine-pass (accessed on 1 February 2025).
- Institute for Energy Economics and Financial Analysis. Global LNG Outlook 2024–2028. Available online: https://ieefa.org/sites/default/files/2024-04/Global%20LNG%20Outlook%202024-2028_April%202024%20%28Final%29.pdf (accessed on 1 February 2025).
- Projects Seek to Further Grow U.S. LNG Export Capacity. Available online: https://maritime-executive.com/article/projects-seek-to-further-grow-u-s-lng-export-capacity#:~:text=Sabine%20Pass%2C%20which%20produced%20its%20first%20LNG%20in,million%20tonnes%20per%20annum%20%28mtpa%29%20operating%20six%20trains (accessed on 1 February 2025).
- Cove Point LNG Facility Now Second in U.S. to Export Natural Gas. Available online: https://gcaptain.com/cove-point-lng-facility-now-second-in-u-s-to-export-natural-gas/ (accessed on 1 February 2025).
- Where Operational Excellence Meets Growth Opportunity. Corpus Christi Liquefaction. Available online: https://cheniere.com/where-we-work/ccl (accessed on 1 February 2025).
- The United States Department of Energy. Liquefied Natural Gas (LNG) Exports. Available online: https://www.energy.gov/sites/default/files/2024-01/LNG%20Snapshot%20Dec%2031%2023u.pdf (accessed on 1 February 2025).
- Deal Opens Way for Sabine Pass Area LNG Export Terminal. Available online: https://www.chron.com/business/energy/article/deal-opens-way-for-sabine-pass-area-lng-export-4507386.php (accessed on 1 February 2025).
- Berkshire Hathaway Increases Stake to 75% of Cove Point LNG, Buys Out Dominion Energy. Available online: https://traderscommunity.com/berkshire-hathaway-increases-stake-to-75-of-cove-point-lng-buys-out-dominion-energy/ (accessed on 1 February 2025).
- NS Energy. Elba LNG Export Project, Georgia. Available online: https://www.nsenergybusiness.com/projects/elba-lng-export-project-georgia/?cf-view&cf-closed (accessed on 1 February 2025).
- Cheniere: Sabine Pass Hits Contract Target. Available online: https://www.naturalgasintel.com/news/cheniere-sabine-pass-hits-contract-target/ (accessed on 1 February 2025).
- BHE GT&S. Cove Point LNG. Available online: https://www.bhegts.com/our-businesses/cove-point-LNG (accessed on 1 February 2025).
- Cove Point LNG Facility, US. Available online: https://www.nsenergybusiness.com/projects/cove-point-lng-project/?cf-view (accessed on 1 February 2025).
- Corpus Christi Liquefaction Project. Texas, US. Available online: https://www.bechtel.com/projects/corpus-christi-liquefaction-project/ (accessed on 1 February 2025).
- Cameron LNG Project, Louisiana. Available online: https://www.nsenergybusiness.com/projects/cameron-lng-project-louisiana/?cf-view (accessed on 1 February 2025).
- TotalEnergies in the U.S. Launch of Cameron LNG Expansion to Increase Liquefied Natural Gas Production. Available online: https://corporate.totalenergies.us/news/launch-cameron-lng-expansion-increase-liquefied-natural-gas-production (accessed on 1 February 2025).
- NS Energy. Freeport LNG Export Terminal, Quintana Island, Texas. Available online: https://www.nsenergybusiness.com/projects/freeport-lng-export-terminal-quintana-island-texas/?cf-view&cf-closed (accessed on 1 February 2025).
- Freeport LNG Nears End of Expansion that Will Increase Output. Available online: https://gasprocessingnews.com/news/2024/08/freeport-lng-nears-end-of-expansion-that-will-increase-output/ (accessed on 1 February 2025).
- GE Vernova. Full Electrical Solution for LNG Plant – Freeport. 2022. Available online: https://www.gevernova.com/power-conversion/sites/default/files/2022-09/GEA34891_OG_CS_Full-electrical-solution-for-LNG-plant-%5BFreeport%5D_EN_20220919_LR.pdf (accessed on 1 February 2025).
- LNGPrime. Venture Global Ready to Start LNG Production at Calcasieu Pass. Available online: https://lngprime.com/americas/venture-global-ready-to-start-lng-production-at-calcasieu-pass/31957/ (accessed on 1 February 2025).
- Calcasieu Pass LNG Export Facility, Louisiana. Available online: https://www.nsenergybusiness.com/projects/calcasieu-pass-lng-facility-louisiana/?cf-view (accessed on 2 August 2024).
- Elba Liquefaction Project, Georgia. Available online: https://www.hydrocarbons-technology.com/projects/elba-liquefaction-project-georgia/ (accessed on 1 February 2025).
- LNG Plant Had History of Safety Issues Before Explosion. Available online: https://www.eenews.net/articles/lng-plant-had-history-of-safety-issues-before-explosion/ (accessed on 1 February 2025).
Disclaimer/Publisher’s Note: The statements, opinions and data contained in all publications are solely those of the individual author(s) and contributor(s) and not of MDPI and/or the editor(s). MDPI and/or the editor(s) disclaim responsibility for any injury to people or property resulting from any ideas, methods, instructions or products referred to in the content. |
© 2025 by the authors. Licensee MDPI, Basel, Switzerland. This article is an open access article distributed under the terms and conditions of the Creative Commons Attribution (CC BY) license (https://creativecommons.org/licenses/by/4.0/).

































