Two-Dimensional Physical Simulation of the Seepage Law of Microbial Flooding
Abstract
1. Introduction
2. Materials and Methods
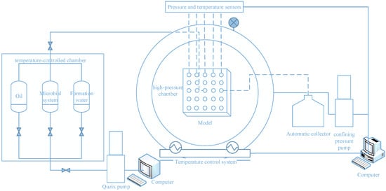
2.1. Equipment
2.2. Design and Encapsulation of the Model
2.3. Materials
2.4. Methods
- The model was vacuumed and saturated with water. The encapsulated core was vacuumed and saturated with water for 24 h. Multiple-point vacuum extraction and water saturation were used to ensure high vacuum levels at different locations within the model, and the core pore volume was calculated on the basis of the volume of water saturated in the model.
- The core was loaded into the chamber, and confining pressure was applied. The model was placed into the large-scale core holder and subjected to a confining pressure of 10 MPa, with the environmental pressure maintained at atmospheric pressure.
- The model was saturated with oil. Water in the model was displaced with oil to form bound water within the model at an injection rate of 2 mL/min, and the initial oil saturation was calculated based on the volume of water displaced out of the model.
- Primary water flooding was conducted. Waterflooding was performed at an injection rate of 2 mL/min until the water cut of the produced fluid reached 98%, followed by continued displacement for a certain period. The recovery efficiency of the waterflooding and the pressure changes during the displacement process were recorded.
- The microbial system was injected. A volume of 1 PV (pore volume) of 5% Bacillus subtilis fermentation solution was injected into the model at an injection rate of 2 mL/min. Samples were collected at the sampling point to measure the concentrations of microorganisms, nutrients, and surface tension when the injection volume reached 0.3 PV, 0.6 PV, and 1 PV. Following these measurements, the well was sealed and shut in to culture the microbes for 7 days.
- Secondary water flooding was conducted. Waterflooding was conducted at an injection rate of 2 mL/min until the water cut of the produced fluid reached 98%, after which the displacement was continued for an additional period of time. When the injection amounts reached 0.3 PV, 0.6 PV, and 1 PV, samples were taken from the sampling points to detect microbial and nutrient concentrations and surface tension, and the recovery efficiency and pressure changes during secondary water flooding were recorded.
3. Results and Discussion
3.1. Distribution and Variation in the Pressure Field
3.2. Distribution and Variation in the Microbial Field
3.3. Distribution and Variation in Nutrients
3.4. Distribution and Variation in Surface Tension
3.5. Evaluation of the Microbial Flooding Effect
4. Conclusions
- During the process of injecting the microbial system, microorganisms tend to distribute preferentially near the injection well and then extend outward along the main flow paths. The concentration of microorganisms along the main flow paths is greater than that on either side of the paths. Owing to the adsorption and retention of microorganisms within the core, the overall pressure within the model increases, and the swept area expands.
- The distribution and variation patterns of nutrients are somewhat similar to those of microorganisms, but the transport and diffusion rates of nutrients are faster than those of microorganisms, leading to an earlier breakthrough time. This is because microorganisms, with their relatively larger size and ability to form biofilms, exhibit stronger adsorption and retention effects in porous media.
- In areas of the model where the microbial concentration is high, the reduction in surface tension is also significant, with the lowest value reaching 36 mN/m, a decrease of up to 49.8%, which can effectively mobilize residual oil.
- During the injection of the microbial system, owing to the adsorption and retention of microorganisms and the plugging of large pores by the biopolymers they produce, the pressure within the model significantly increases. After secondary water flooding, the residual resistance coefficient is 1.71, indicating that the injection of the microbial fermentation mixture has a significant profile control effect, and that microbial flooding can increase the oil recovery rate by 6.5%.
Author Contributions
Funding
Data Availability Statement
Conflicts of Interest
References
- Chen, X.; Hou, Q.; Liu, Y.; Liu, G.; Zhang, H.; Sun, H.; Zhu, Z.; Liu, W. Experimental Study on Surfactant–Polymer Flooding After Viscosity Reduction for Heavy Oil in Matured Reservoir. Energies 2025, 18, 756. [Google Scholar] [CrossRef]
- Gómez-Delgado, J.L.; Gutierrez-Niño, N.; Carrillo-Moreno, L.F.; Martínez-López, R.A.; Santos-Santos, N.; Mejía-Ospino, E. Experimental Assessment of Magnetic Nanofluid Injection in High-Salinity and Heavy-Crude-Saturated Sandstone: Mitigation of Formation Damage. Energies 2025, 18, 212. [Google Scholar] [CrossRef]
- Ke, C.Y.; Sun, R.; Wei, M.X.; Yuan, X.N.; Sun, W.J.; Wang, S.C.; Zhang, Q.Z.; Zhang, X.L. Microbial enhanced oil recovery (MEOR): Recent development and future perspectives. Crit. Rev. Biotechnol. 2024, 44, 1183–1202. [Google Scholar] [CrossRef]
- Kandiel, Y.E.; Attia, G.; Metwalli, F.; Khalaf, R.; Mahmoud, O. Innovative Role of Magnesium Oxide Nanoparticles and Surfactant in Optimizing Interfacial Tension for Enhanced Oil Recovery. Energies 2025, 18, 249. [Google Scholar] [CrossRef]
- Qiao, M.; Zhang, F.; Li, W. Rheological Properties of Crude Oil and Produced Emulsion from CO2 Flooding. Energies 2025, 18, 739. [Google Scholar] [CrossRef]
- Abolhasanzadeh, A.; Khaz’ali, A.R.; Hashemi, R.; Jazini, M. Experimental study of microbial enhanced oil recovery in oil-wet fractured porous media. Oil Gas Sci. Technol.–Rev. D’ifp Energ. Nouv. 2020, 75, 73. [Google Scholar] [CrossRef]
- Sen, R. Biotechnology in petroleum recovery: The microbial EOR. Prog. Energy Combust. Sci. 2008, 34, 714–724. [Google Scholar] [CrossRef]
- Lourdes, R.S.; Cheng, S.Y.; Chew, K.W.; Ma, Z.; Show, P.L. Prospects of microbial enhanced oil recovery: Mechanisms and environmental sustainability. Sustain. Energy Technol. Assess. 2022, 53, 102527. [Google Scholar] [CrossRef]
- Patel, J.; Borgohain, S.; Kumar, M.; Rangarajan, V.; Somasundaran, P.; Sen, R. Recent developments in microbial enhanced oil recovery. Renew. Sustain. Energy Rev. 2015, 52, 1539–1558. [Google Scholar] [CrossRef]
- Alkan, H.; Mukherjee, S.; Kögler, F. Reservoir engineering of in-situ MEOR; impact of microbial community. J. Pet. Sci. Eng. 2021, 195, 107928. [Google Scholar] [CrossRef]
- Quraishi, M.; Bhatia, S.K.; Pandit, S.; Gupta, P.K.; Rangarajan, V.; Lahiri, D.; Varjani, S.; Mehariya, S.; Yang, Y.-H. Exploiting Microbes in the Petroleum Field: Analyzing the Credibility of Microbial Enhanced Oil Recovery (MEOR). Energies 2021, 14, 4684. [Google Scholar] [CrossRef]
- Zhou, J.; Wang, X.; Sun, X.; Fan, Z. Insight into the Microscopic Interactions Among Steam, Non-Condensable Gases, and Heavy Oil in Steam and Gas Push Processes: A Molecular Dynamics Simulation Study. Energies 2025, 18, 125. [Google Scholar] [CrossRef]
- He, L.; Ren, S.; Zhang, H. Fingering crossover and enhanced oil recovery mechanism of water-alternating-CO2 injection. Phys. Fluids 2023, 35, 053322. [Google Scholar]
- Yang, Y.; Liu, W.; Yu, J.; Liu, C.; Cao, Y.; Sun, M.; Li, M.; Meng, Z.; Yan, X. Technology Progress in High-Frequency Electromagnetic In Situ Thermal Recovery of Heavy Oil and Its Prospects in Low-Carbon Situations. Energies 2024, 17, 4715. [Google Scholar] [CrossRef]
- Gao, C. Experiences of microbial enhanced oil recovery in Chinese oil fields. J. Pet. Sci. Eng. 2018, 166, 55–62. [Google Scholar] [CrossRef]
- Niu, J.; Liu, Q.; Lv, J.; Peng, B. Review on microbial enhanced oil recovery: Mechanisms, modeling and field trials. J. Pet. Sci. Eng. 2020, 192, 107350. [Google Scholar] [CrossRef]
- Wu, B.; Xiu, J.; Yu, L.; Huang, L.; Yi, L.; Ma, Y. Research advances of microbial enhanced oil recovery. Heliyon 2022, 8, e11424. [Google Scholar] [CrossRef]
- Amani, H.; Sarrafzadeh, M.H.; Haghighi, M.; Mehrnia, M.R. Comparative study of biosurfactant producing bacteria in MEOR applications. J. Pet. Sci. Eng. 2010, 75, 209–214. [Google Scholar] [CrossRef]
- Safdel, M.; Anbaz, M.A.; Daryasafar, A.; Jamialahmadi, M. Microbial enhanced oil recovery, a critical review on worldwide implemented field trials in different countries. Renew. Sustain. Energy Rev. 2017, 74, 159–172. [Google Scholar] [CrossRef]
- Andrade, A.; Mehl, A.; Mach, E.; Couto, P.; Mansur, C.R.E. Application of biosurfactants in enhanced oil recovery ex-situ: A review. Braz. J. Microbiol. 2024, 55, 3117–3139. [Google Scholar] [CrossRef]
- Zhang, J.; Gao, H.; Xue, Q. Potential applications of microbial enhanced oil recovery to heavy oil. Crit. Rev. Biotechnol. 2020, 40, 459–474. [Google Scholar] [CrossRef]
- Jeong, M.S.; Lee, Y.W.; Lee, H.S.; Lee, K.S. Simulation-Based Optimization of Microbial Enhanced Oil Recovery with a Model Integrating Temperature, Pressure, and Salinity Effects. Energies 2021, 14, 1131. [Google Scholar] [CrossRef]
- Saravanan, A.; Kumar, P.S.; Vardhan, K.H.; Jeevanantham, S.; Karishma, S.B.; Yaashikaa, P.R.; Vellaichamy, P. A review on systematic approach for microbial enhanced oil recovery technologies: Opportunities and challenges. J. Clean. Prod. 2020, 258, 120777. [Google Scholar] [CrossRef]
- Yu, X.; Li, H.; Song, Z.; Zhu, W. Long-Term Pore-Scale Experiments on MEOR by Surfactant-Producing Microorganisms Reveal the Altering Dominant Mechanisms of Oil Recovery. Energies 2023, 16, 6854. [Google Scholar] [CrossRef]
- Dopffel, N.; Kögler, F.; Hartmann, H.; Costea, P.I.; Mahler, E.; Herold, A.; Alkan, H. Microbial induced mineral precipitations caused by nitrate treatment for souring control during microbial enhanced oil recovery (MEOR). Int. Biodeterior. Biodegrad. 2018, 135, 71–79. [Google Scholar] [CrossRef]
- Yue, M.; Zhu, W.; Song, Z.; Long, Y.; Song, H. Study on distribution of reservoir endogenous microbe and oil displacement mechanism. Saudi J. Biol. Sci. 2017, 24, 263–267. [Google Scholar] [CrossRef] [PubMed]
- Lin, J.; Hao, B.; Cao, G.; Wang, J.; Feng, Y.; Tan, X.; Wang, W. A study on the microbial community structure in oil reservoirs developed by water flooding. J. Pet. Sci. Eng. 2014, 122, 354–359. [Google Scholar] [CrossRef]
- Bi, Y.Q.; Yu, L.; Huang, L.X.; Ma, T.; Xiu, J.L.; Yi, L.N. Microscopic profile control mechanism and potential application of the biopolymer-producing strain FY-07 for microbial enhanced oil recovery. Pet. Sci. Technol. 2016, 34, 1952–1957. [Google Scholar] [CrossRef]
- Yao, C.; Meng, X.; Qu, X.; Cheng, T.; Da, Q.A.; Zhang, K.; Lei, G. Kinetic model and numerical simulation of microbial growth, migration, and oil displacement in reservoir porous media. ACS Omega 2022, 7, 32549–32561. [Google Scholar] [CrossRef]
- O’Bryan, O.D.; Ling, T.W.D. The effect of the bacteria Vibrio desulfuricans on the permeability of limestone cores. Tex. J. Sci 1949, 1, 117–128. [Google Scholar]
- Jack, T.R.; Stehmeier, L.G.; Islam, M.R.; Ferris, F.G.C. F-6 Microbial Selective Plugging to Control Water Channeling. Dev. Pet. Sci. 1991, 31, 433–440. [Google Scholar]
- Lei, G.L.; Li, X.M.; Chen, Y.M. The migration ability and rule of microbial in reservoir. Pet. Explor. Dev. 2001, 28, 75–78. [Google Scholar]
- Bi, Y.; Yu, L.; Xiu, J.; Yi, L.; Huang, L.; Wang, T. Migration and retention mechanism of microorganisms for oil recovery in porous media. Acta Pet. Sin. 2017, 38, 91. [Google Scholar]
- Guo, S.; Liu, T.; Guo, L. Oil displacement effect and growth distribution of microbial in cores with different permeability. Oilfield Chem. 2018, 35, 131–134. [Google Scholar]
- Sun, G. Distribution of activator for endogenous microbe in large scale oil recovery experiments. Chin. J. Bioprocess Eng. 2016, 14, 1. [Google Scholar]
- Ke, C.; Wu, G.; You, J. Study on Consumption, Adsorption and the Migration Laws of Nutrient Components of Oil Displacement Microbes. Drill. Prod. Technol. 2014, 37, 40–43. [Google Scholar]
- Zhao, X.; Liao, Z.; Liu, T.; Cheng, W.; Gao, G.; Yang, M.; Li, G. Investigation of the transport and metabolic patterns of oil-displacing bacterium FY-07-G in the microcosm model using X-CT technology. J. Appl. Microbiol. 2023, 134, lxad281. [Google Scholar] [CrossRef] [PubMed]
- Hu, J.; Guo, L.; Sun, G.; Wu, X.; Song, Y.; Lin, J.; Wang, Z. Relationship between the growth and metabolism of indigenous microorganisms and oil displacement efficiency during dynamic displacement. Acta Pet. Sin. 2020, 41, 1127. [Google Scholar]
- Chen, Y.W.; Chiang, P.J. An automated approach for hemocytometer cell counting based on image-processing method. Measurement 2024, 234, 114894. [Google Scholar] [CrossRef]
- Li, Y.; Yu, L.; Zhang, L.; Duan, L.; Wu, J.; Wang, Q. Experimental study of microbial flooding physical simulation for Baolige oilfield. Oil Drill. Prod. Technol./Shiyou Zuancai Gongyi 2013, 35, 95. [Google Scholar]
- Mulligan, C.N. Environmental applications for biosurfactants. Environ. Pollut. 2005, 133, 183–198. [Google Scholar] [CrossRef] [PubMed]
- Sui, J. Microbial EOR studies on the microorganisms using petroleum hydrocarbons as sole carbon source. Acta Pet. Sin. 2001, 22, 53. [Google Scholar]








| Parameters | DOE | CNPC | IRS |
|---|---|---|---|
| Temperature/°C | <70 | 30~60 | <90 |
| Viscosity/cp | …… | 30~150 | <20 |
| Permeability/mD | >100 | ≥50 | >50 |
| Salinity/g/L | <10 | ≤100 | <10 |
| Water cut/% | - | 60~85 | 30~90 |
| pH value | - | 4~9 | 6~9 |
| Pressure/MPa | - | 10.5~20 | <30 |
| Oil saturation/% | >25 | >25 | >25 |
| Instrument/Equipment Name | Model Specifications | Manufacturer |
|---|---|---|
| Thermostatic Chamber | HX-3SP | Guangdong Aipei Testing Equipment Co., Ltd., Dongguan, China |
| Vacuum Pump | CDWARDSRV8 | Edwards Vacuum Trading (Shanghai) Co., Ltd., Shanghai, China |
| Rotational Viscometer | DV-III | Brookfield, Toronto, ON, Canada |
| Multifunctional Thermostatic Shaker | ZQLY-300N | Shanghai Zhichu Instrument Co., Ltd., Shanghai, China |
| Fluorescence Microscope | Axio Imager | Carl Zeiss AG, Oberkochen, Germany |
| Crude Oil Electrical Dehydration Instrument | HB-S6C | Hai’an Fada Petroleum Instrument Technology Co., Ltd., Haian, China |
| Laminar Flow Cabinet | SJ-CJ-2FD | Suzhou Su Jie Medical Equipment Co., Ltd., Suzhou, China |
| Total Organic Carbon/Total Nitrogen Analyzer | multi N/C 3100 | Analytik Jena AG, Jena, Germany |
| Manual Drop Shape Analyzer | FTA1000B | First Ten Angstroms, Inc., Portsmouth, VA, USA |
| Centrifuge | AvantI J-E | Beckman Coulter, Brea, CA, USA |
| Autoclave | HVE-50 | HIRAYAMA Manufacturing Corp., Saitama, Japan |
| Chemical Name | Purity Level | Manufacturer |
|---|---|---|
| NaCl | AR | Xilong Scientific Co., Ltd., Shantou, China |
| TRYPTONE | BR | Oxoid Ltd., Basingstoke, UK |
| Glucose | AR | Sinopharm Chemical Reagent Co., Ltd., Shanghai, China |
| NaNO3 | AR | Shandong Hosea Chemical Co., Ltd., Weifang, China |
| K2HPO4 | AR | Sinopharm Chemical Reagent Co., Ltd., Shanghai, China |
| KH2PO4 | PT | Tianjin Guangfu Technology Development Co., Ltd., Tianjin, China |
| Sucrose | AR | Xilong Scientific Co., Ltd., Shantou, China |
| Na2HPO4·12 H2O | AR | Shaanxi Xihua Chemical Industry Co., Ltd., Baoji, China |
| MgSO4·7 H2O | CP | Jiangxi Xinhui Chemical Co., Ltd., Ji’an, China |
| Core Size | Permeability | Pore Volume | Porosity | Temperature | Initial Oil Saturation |
|---|---|---|---|---|---|
| 40 × 40 × 3 cm | 209.9 × 10−3 μm2 | 823.3 mL | 17.15% | 39 °C | 69.4% |
Disclaimer/Publisher’s Note: The statements, opinions and data contained in all publications are solely those of the individual author(s) and contributor(s) and not of MDPI and/or the editor(s). MDPI and/or the editor(s) disclaim responsibility for any injury to people or property resulting from any ideas, methods, instructions or products referred to in the content. |
© 2025 by the authors. Licensee MDPI, Basel, Switzerland. This article is an open access article distributed under the terms and conditions of the Creative Commons Attribution (CC BY) license (https://creativecommons.org/licenses/by/4.0/).
Share and Cite
Zhao, Y.; Xiu, J.; Huang, L.; Yi, L.; Ma, Y. Two-Dimensional Physical Simulation of the Seepage Law of Microbial Flooding. Energies 2025, 18, 1246. https://doi.org/10.3390/en18051246
Zhao Y, Xiu J, Huang L, Yi L, Ma Y. Two-Dimensional Physical Simulation of the Seepage Law of Microbial Flooding. Energies. 2025; 18(5):1246. https://doi.org/10.3390/en18051246
Chicago/Turabian StyleZhao, Yongheng, Jianlong Xiu, Lixin Huang, Lina Yi, and Yuandong Ma. 2025. "Two-Dimensional Physical Simulation of the Seepage Law of Microbial Flooding" Energies 18, no. 5: 1246. https://doi.org/10.3390/en18051246
APA StyleZhao, Y., Xiu, J., Huang, L., Yi, L., & Ma, Y. (2025). Two-Dimensional Physical Simulation of the Seepage Law of Microbial Flooding. Energies, 18(5), 1246. https://doi.org/10.3390/en18051246
