Next Article in Journal
Moving Forward in Effective Deployment of the Smart Readiness Indicator and the ISO 52120 Standard to Improve Energy Performance with Building Automation and Control Systems
Previous Article in Journal
Construction and Application of a Coupled Temperature and Pressure Model for CO2 Injection Wells Considering Gas Composition
Previous Article in Special Issue
Knock Detection with Ion Current and Vibration Sensor: A Comparative Study of Logistic Regression and Neural Networks
 
 
Font Type:
Arial Georgia Verdana
Font Size:
Aa Aa Aa
Line Spacing:
Column Width:
Background:
Project Report

Clean Propulsion Technologies: Securing Technological Dominance for the Finnish Marine and Off-Road Powertrain Sectors

1
Efficient Powertrain Solutions (EPS), School of Technology and Innovations, University of Vaasa, Yliopistonranta 10, FI-65200 Vaasa, Finland
2
Vaasa Energy Business and Innovation Centre (VEBIC), University of Vaasa, Wolffintie 32, FI-65200 Vaasa, Finland
3
School of Management, University of Vaasa, Wolffintie 32, FI-65200 Vaasa, Finland
*
Author to whom correspondence should be addressed.
Energies 2025, 18(5), 1240; https://doi.org/10.3390/en18051240
Submission received: 14 January 2025 / Revised: 24 February 2025 / Accepted: 26 February 2025 / Published: 3 March 2025

Abstract

The Clean Propulsion Technologies (CPT) project, established in 2021, brought together 15 research partners and original equipment manufacturers. The goal was to create a common vision and sustainable business solutions so that the worldwide technological leadership of the Finnish powertrain industry is secured. With a EUR 15.5 M budget, CPT brought early-stage innovative concepts towards technology readiness level (TRL) 6. The project’s particular significance was its unique cross-coupling of marine and off-road sectors, which have similar emission reduction targets but which do not compete for similar customers. The project yielded 21 innovative solutions, from accelerated model-based design methodologies and progress in combustion and aftertreatment control to hybrid energy management solutions. These were encapsulated in four ground-breaking demonstrations, including a next-generation marine engine working in low-temperature, reactivity-controlled compression ignition (RCCI) mode and a hydrogen off-road engine. An advanced close-coupled selective catalyst reduction (SCR) system and a hybrid wheel-platform with digital hydraulics were also demonstrated. The University of Vaasa led the consortium and was responsible for coordinated model-based rapid prototyping. This report examines University of Vaasa’s achievements during the CPT in terms of 26 milestones, 13 deliverables, and 32 research papers. It focuses also on other aspects, including lessons learned from managing large-scale academic–industry research.

1. Introduction

Maritime transport accounts for 2.89% of global Green House Gas (GHG) emissions, while non-road mobile machinery (NRMM) contributes 2% of GHG emissions in Europe alone [1]. Emissions from shipping could rise 0–50% by 2050 (compared to 2018 levels) without intervention, reaching 90–130% of 2008 levels [2]. To combat emissions, IMO MARPOL Annex VI sets global regulations on SOx, NOx, and carbon intensity, with Tier III limits currently in effect. The Energy Efficiency Design Index (EEDI), Ship Energy Efficiency Management Plan (SEEMP), and Carbon Intensity Indicator (CII) guide GHG emissions reductions, aiming for at least a 40% cut by 2030 (vs. 2008 levels) [3]. However, in July 2023, these targets were deemed inadequate, leading to a revised IMO GHG strategy [4].
Beyond IMO, the U.S. and EU regulate inland waterway transport under off-road/non-road standards, targeting HC, CO, NOx, and PM emissions. The EU Stage V standard also limits particle numbers (PNs), making it stricter than previous tiers. Notably, methane (CH4) slip, with 28 times the warming impact of CO2, remains unregulated, except in China’s pioneering CH4 limits (China I/II standards), which could shape future policies [5].
In the NRMM, the EU Stage V and U.S. Tier 4 standards impose similar NOx, HC, and CO limits, though Stage V is stricter due to PN limits and tighter PM thresholds. In California, proposed Tier 5 (effective 2029–2034) of California Air Resources Board (CARB) seeks a 90% NOx and 75% PM reduction, plus a 6% GHG cut, introducing new N2O and CH4 controls [6]. The EU is likely to follow suit, reinforcing global sustainability efforts in the NRMM sector.
Beyond emissions, efficiency and cost remain critical, as mitigation strategies often impact both. While trade-offs are necessary, efficiency remains a top priority in heavy-duty applications, largely influencing the portfolio of feasible emission control strategies. Table 1 overviews these strategies along with the indication of the current level of adoption in the marine and NRMM sectors, respectively.
Table 1. Emission mitigation technologies for marine and non-road diesel engines. Adopted from Kim et al. [7].
Table 1. Emission mitigation technologies for marine and non-road diesel engines. Adopted from Kim et al. [7].
CategoryTechnologyMarineNRMM
ActiveFuelsBio-/renewable-/e-fuels
Zero-carbon fuels
(H2; ammonia)

(H2; ammonia)

(H2)
CombustionGas engine
Dual-fuel (DF) combustion
Fuel-flexible LTC (low-temperature combustion)
ElectrificationHybrid and electric propulsion
Fuel injection systemFlexible inj. pressure
Inj. rate/multiple injections
Fuel injection timing
Air management systemTurbo (e-WG; electronic wastegate, multi-stage, VGT; variable geometry turbocharger))
Charge air cooling
EGR
VVA
Water addition (Wetpac)Humidification-
Water injection-
Emulsion-
PassiveAftertreatmentScrubber-
Diesel oxi. cat (DOC)
Diesel particulate filter (DPF)
Selective catalytic reduction (SCR)◯ (single SCR)
■ (double SCR)
Methane oxi. cat. (MOC)
Ammonia slip catalyst (ASC)-
■: Promising for future regulations, △: Suitable for current regulations, ◯: Legacy of previous regulations.
Deeper insights into individual emission mitigation technologies can be found in review articles by Ni et al. [8] and Lion et al. [9] in the marine context, and Dallmann et al. [10] for the NRMM sector. At this point, it is enough to state that achieving a highly efficient, ultra-low-emission powertrain for future off-road and marine applications will rely on the synergetic integration of several of these technologies. To this end, fully variable valve actuation (VVA), for instance, can provide efficient thermal management, allowing for new aftertreatment strategies [11]. At the same time, VVA is considered an enabler for advanced low-temperature combustion (LTC) concepts [12,13], which can pave the way for the flexible adoption of new low- and zero-carbon fuel streams. The biggest constraint in adopting these technologies is system complexity. New (active) solutions add new degrees of freedom to an already complex powertrain, exploding the calibration space and putting new requirements on system dynamics.
Considering the above review, the off-road and marine sectors are facing triple pressure from the perspective of the immediate reduction in atmospheric emissions under uncertain GHG legislation (tank-to-wheel or wheel-to-wheel dilemma) and system complexity constraints.
Supporting the energy transition of the marine and off-road sectors, the goal of the Clean Propulsion Technologies (CPT) consortium was to create a common vision and sustainable business solutions so that the worldwide technological leadership of the Finnish powertrain industry, under the abovementioned new constraints, is secured. This was accomplished by moving the most promising and innovative powertrain technologies from technology readiness level (TRL) 3 to TRL 5–7. These technological developments ensure that the manufacturers’ products in both sectors will meet the emission and GHG regulations that will come into force by 2035. The joint technology roadmap developed during the project includes a consolidated plan to ensure this compliance by 2050.
The CPT project developed 21 impactful solutions and innovations, such as a hydrogen engine demonstration, ultra-efficient combustion based on reactivity-controlled compression ignition (RCCI) and a novel double catalyst solution for the reduction in exhaust gas nitrogen oxides (NOx) based on selective catalyst reduction (SCR). These developments have been further captured in the context of combined combustion–electric–hydraulic operation and supported by state-of-the-art, model-based control and power management solutions. Achieving this in the three-year CPT project meant developing new rapid prototyping methods for individual system calibration, enabling coordinated powertrain development.
The CPT consortium consisted of six universities and nine companies. Assisted by Business Finland’s funding, they managed the total project budget of EUR 15.5 M. The work was organized into six work packages (WPs), coordinating the joint action of all partners. Additionally, four industry projects were established around the joint action. Figure 1 shows the consortium structure and WPs of the public project. The University of Vaasa led the consortium. As Project Leader, we were responsible for the project’s scientific content, and we also managed administration and dissemination. The University of Vaasa further took direct technical leadership in several WPs: WP1 (jointly with Åbo Akademi University), WP3, and WP5, while having a relevant role in WP2.
This report provides an overview of the main outcomes achieved in these four WPs and summarizes the project management and dissemination work. For more detailed information, the reader is advised to consult the 32 influential journals published by the University of Vaasa during the project. Scientific items and theses, which are not directly referenced in this article, can be found in Appendix A, Table A1. Appendix B contains a list of milestones and deliverables (Table A2, Table A3 and Table A4).
Figure 1. CPT consortium structure above and WPs of the public project below [14,15].
Figure 1. CPT consortium structure above and WPs of the public project below [14,15].
Energies 18 01240 g001

2. Roadmapping and Business Feasibility (WP1)

Led by researchers from the university of Vaasa and Åbo Academy, WP1 explored how various factors impact the advancement of clean propulsion technology, particularly uncovering the driving forces in the market, delving into the reasons behind the push for cleaner propulsion in maritime activities, and exploring the future of such technology. It built a unified vision and strategy for companies involved in propulsion technology, in collaboration with industry experts and academic professionals.
First, using the factors from the framework of evaluating political, economic, social, technological, legal, and environmental (PESTLE) and the cross-impact matrix multiplication applied to classification (MICMAC) methodology [16], WP1 explored critical market drivers and the relationships and effects among them. Factors such as fuel prices and economic incentives wield significant individual influence, intricately linked to green finance, policy initiatives, emission targets, and other variables. It is a complex and dynamic scenario, where most identified drivers influence and are influenced by many different factors. This complexity underscores the uncertainty inherent in the propulsion sector’s transition towards cleaner technologies. Evaluation of these market forces was a valuable input for the technological roadmap developed in task T1.1.
Figure 2 presents the roadmap in its reduced, pictorial form. A detailed version of this roadmap, focusing on marine propulsion, is in a recent CPT paper by Hellström et al. [17]. The development roadmap is still valid and is being continuously developed to maintain validity. The Veturi mega-program consists of several companies with financed research programs by Business Finland, such as Wärtsilä Zero Emission Marine (ZEM; an ecosystem led by Wärtsilä Finland Oy, Vaasa, Finland). The program has helped to maintain or accelerate the pace of development shown in the picture, despite the difficult geopolitical situation. Several follow-up projects have been launched along this roadmap, enabling Finnish companies and research institutes to maintain their leading positions in the field of clean propulsion technologies. Flexible Clean Propulsion Technologies (or Flex-CPT for short) is the crown jewel of this legacy as the next thoroughly planned project after CPT.
Second, given their critical role as a driver of transition, WP1 placed a strong emphasis on fuels, particularly in the effort to understand alternative fuels for future GHG emissions targets for global shipping. Alternative fuels appear to offer significant emissions reduction potential, but there is still uncertainty about which ones are best suited for different industries. The Delphi study in WP1 [18] highlights the differences between shipping sectors, providing insights into the best short- and long-term alternative fuels. It guides decision-making and informs and steers the industry towards a more sustainable future.
Third, another Delphi study was developed for the off-road sector, as part of task T1.2. The study explores the potential of different technologies in reducing emissions up to and after 2030. It shows alternative fuels and hybridization as front-runners, with research and development (R&D) funding and legislation as the main driving forces. The study also sheds light on other key factors influencing the decisions about emission reduction, notably total operating costs, fuel economy concerns, durability, and regulatory requirements. An analysis of alternative fuels up to and after 2030 indicates biomethane and biodiesel are the most relevant options for the first period, whereas green electricity and biomethane are considered more feasible after 2030. High costs of transition, operation, and purchase were the most mentioned issues for the challenge of decarbonizing the off-road industry.
Figure 2. The CPT technological roadmap produced in WP1. The roadmap provides guidelines for strategically aligned research actions to be undertaken jointly by the Finnish marine and off-road OEMs until 2035 [19].
Figure 2. The CPT technological roadmap produced in WP1. The roadmap provides guidelines for strategically aligned research actions to be undertaken jointly by the Finnish marine and off-road OEMs until 2035 [19].
Energies 18 01240 g002
Finally, the central theme of task T1.3 was decarbonization strategies. Two cases were assessed to illustrate (1) what strategies could be applied and (2) the impacts of the applied strategies. The first case evaluated the environmental impact of an electrochemical recuperator (ECR) from Geyser Batteries company, compared with lithium iron phosphate (LFP) batteries in city buses [20]. ECR has a worse climate change impact per kWh produced, but its longer lifetime reduces the overall impact on city buses. ECR resulted in 385 g CO2 eq/km, versus LFP’s 441 g CO2 eq/km for battery electric buses. Hybrid systems produced 652 g CO2 eq/km for ECR and 670 g CO2 eq/km for LFP. This study underscores how battery technologies, electrification levels, fuel use, and electricity sources influence transport’s environmental performance. The second case study [21] was in collaboration with Wasaline shipping company. It explored fuel alternatives for ferries amidst stricter policies integrating the maritime sector into emission trading schemes. The assessment examined marine diesel oil (MDO), liquefied natural gas (LNG), a mix of liquefied biogas (LBG) and LNG, and LBG fuels. LNG reduces CO2 emissions, but its overall climate impact is not significantly lower than MDO. LBG offers the most significant environmental benefit, but its future availability is uncertain. LBG has high fuel price uncertainties but low carbon costs. Combining LNG and LBG could serve as a transitional strategy to tackle climate change while addressing price and availability concerns.

3. Virtual Sensors and Control (WP2)

CPT WP2 researched control functions that enable implementation of the new combustion and hybrid systems developed in WP3 and WP4. The University of Vaasa had a direct stake in these functions with respect to the RCCI technology developed in WP3. To this end, we were setting the base for task T2.5 (RCCI closed-loop combustion development). Figure 3 explains the link between WP2 and WP3.
The RCCI engine is ultra-sensitive, so parts of the modeling framework need to be able to simulate combustion in real-time to support onboard engine control functions that ensure robust operation. To this end, a simplified (but still physics-based) model of the combustion chamber has been developed. The UVATZ-RT (the University of Vaasa advanced thermo-kinetic, real-time) model is built by direct linearization of the detailed chemical–kinetic solution of the UVATZ-MZ (multizone) model in WP3 and matches it in accuracy but only in a narrow range around the reference operating point (see Figure 4a). According to Figure 4a, the error in predicting CA50 (crank angle of 50% mass burnt), does not exceed ±0.5 CAD (crank angle degree). This enables prediction of next-cycle combustion performance during fast transients, with reproduction of full engine in-cylinder pressure within less than 0.3 ms of computational time [23]. For the target mid-speed engine operating at 1000 rpm, this is an order of magnitude faster than the phenomenological timescale of the combustion cycle and enables the UVATZ-RT to act as an observer for a forward-looking controller.
This innovative model-predictive controller (MPC) with adaptive functions has been successfully developed for the RCCI engine by the University of Vaasa and is tested in a model-in-the-loop (MIL) simulation with the RCCI engine. The performance of the new MPC has been evaluated initially with the UVATZ-COM (control-oriented model) as an engine representative, explicitly designed for this purpose, together with Aalto University [24,25]. Figure 4 and Figure 5 illustrates the governing results of the MPC MIL test, along with the test structure (Figure 6).
The MPC aims to simultaneously control the combustion onset (CA50) and Indicated Mean Effective Pressure (measure of the engine load) with the adjustment of the total fuel value and the energy-based ratio of liquid and gaseous fuels. Note that, even in the most challenging, from the perspective of control authority, high-load operating point, the MPC is able to keep the CA50 within the target of 1 CA from the set value, even when considering realistic disturbances in trapped mass/temperature exhibited in RCCI mode. The whole control action, from calculating the heat release rate at the end of the combustion cycle to estimating the new fuel injection parameters for the next-cycle, takes less than 8 ms (48 CA). Considering the gas-exchange process duration (roughly 360 CA) as the limit, the MPC is feasible for next-cycle control.
Figure 4. Sample results of the MIL framework component validation—UVATZ-RTM (a) and UVATZ-COM (b)—against detail parent model UVATZ-MZ. The results are adapted from CPT publications by Storm et al. [23] and Modabberian et al. [25].
Figure 4. Sample results of the MIL framework component validation—UVATZ-RTM (a) and UVATZ-COM (b)—against detail parent model UVATZ-MZ. The results are adapted from CPT publications by Storm et al. [23] and Modabberian et al. [25].
Energies 18 01240 g004
Figure 5. Transient RCCI control simulation results. Adaptive MPC handles disturbances well that otherwise render conventional PID control infeasible for RCCI. The results are adapted from CPT publications by Storm et al. [23].
Figure 5. Transient RCCI control simulation results. Adaptive MPC handles disturbances well that otherwise render conventional PID control infeasible for RCCI. The results are adapted from CPT publications by Storm et al. [23].
Energies 18 01240 g005
Figure 6. Structure of the MPC-RCCI closed-loop controller in the MIL test [23].
Figure 6. Structure of the MPC-RCCI closed-loop controller in the MIL test [23].
Energies 18 01240 g006
Final validation of the new MPC-RCCI controller involved benchmarking against conventional closed-loop combustion control realized with PIDs (proportional integral derivative controllers). The latter was already coded, embedded, and tested during the RCCI engine commissioning tests of task T3.3. The benchmark results (pending publication) show that our new MPC controller clearly outperforms the PID in terms of stability during rapid transients, preventing overshoot, which might otherwise lead to extreme pressure rise rates in the combustor, and the resulting engine damage [26]. MPC is considered an enabling solution for applicable RCCI and will be developed further towards robust onboard implementation. Its enabling elements, like the already-mentioned UVATZ-RT model, are cutting-edge and significantly outperform the current state-of-the-art.
However, these merits still have to be tested in the real-world environment. The HIL test of the MPC was planned in the CPT project but did not succeed as the test platform to carry the experiment (refer to Section 4.2—VEBIC 4L20-RCCI) was commissioned late, enabling basic RCCI runs, with the standard PID combustion controller embedded on a rapid prototyping machine. Considering that the computationally heavy part—the heat release rate estimation—is shared by both approaches, MPC should be realizable in next-generation marine engines.
Aside from the main results enabling RCCI control, the University of Vaasa contributed to development of virtual in-cylinder pressure and emission sensors that are crucial for enhanced engine-condition-based monitoring. While the main effort in task T2.6 was carried out by our partners at Aalto University, we have contributed to the excellent works by Nguyen et al. [27,28] by enabling experimental measurements from our laboratories (4L20 platform—See Section 4.2), designing the targets for the virtual sensors and contributing to the interpretation of the results.

4. Novel Combustion and Advanced Aftertreatment (WP3)

Combustion engines will remain the prime mover for marine and off-road applications because they satisfy exceptional energy density requirements. WP3 responds to the pressing need to develop market-feasible solutions to mitigate the climate impact of combustion-based powertrains. The objective is to create a portfolio of high-TRL (5–6) engine-aftertreatment systems that allow for at least a 30% GHG reduction with ultra-low NOx and particulate matter (PM) emissions, on a tank-to-wheel basis. The University of Vaasa had a crucial role in achieving this objective by developing the innovative low-temperature RCCI concept. The primary challenge is the immense calibration and control complexity. The tasks in the middle of Figure 7 form the main framework of our innovative model-based development methodology that enables RCCI technology to be brought to life. Here, we commit to developing an accelerated model-based design methodology that will be used for the first time on such a scale to evolve new combustion and aftertreatment platforms. This methodology, aside from its direct application to task T3.3’s medium-speed RCCI marine engine platform, also supports the fast-tracking innovations for high-speed engines and aftertreatment systems in tasks T3.7 and T3.4, respectively.
Figure 7. This shows the main tasks of WP3, including responsible project partners. The University of Vaasa has an enabling role in all WP3 tasks and subobjectives presented in the figure [29].
Figure 7. This shows the main tasks of WP3, including responsible project partners. The University of Vaasa has an enabling role in all WP3 tasks and subobjectives presented in the figure [29].
Energies 18 01240 g007

4.1. Model-Based Development Framework

The methodological advancements brought by the project’s model-based framework involve three unique toolchains, referred to as UVATZ models. The development started with creating and validating the full-fidelity UVATZ-CFD (computational fluid dynamics) framework which enables accurate reproduction of all in-cylinder phenomena relevant to RCCI (including the gas exchange process, liquid fuel injection, wall interaction, and combustion) in a three-dimensional (3D) space constrained by dynamically moving cylinder components. This gives insight into the combustion process and provides an understanding of its governing phases, particularly the influence of turbulence on in-cylinder mixing and the resulting high-reactivity stratification.
The Reynolds-averaged Navier–Stokes (RANS) framework, utilizing the Re-Normalization Group (RNG) k-ε turbulence model has been implemented in Converge Studio Max. The SK54 mechanism by Yao et al. [30], consisting of 54 species and 296 reactions, was chosen for natural Gas—Diesel RCCI combustion and emission simulation. The Extended Zeldovich mechanism was added to the main mechanism to predict NOx production during combustion. The CFD simulations were established on a Mahti Supercomputer with 179,712 cores, courtesy of Computational Centre of Finland (CSC) [31].
The closed-loop CFD simulations with boundary data accurately determined from the Wärtsilä 6L20DF engine (Wärtsilä Finland Oy, Vaasa, Finland) tests showed very good agreement with experimental RCCI data. This can be seen in Figure 8, both on the level of detailed pressure traces and heat release.
The model was further used to extend the insight available from the experimental research, to investigate the different fuel distribution patterns in the target engine. Results imply that, for RCCI, at the moment of ignition, the high reactivity fuel accumulates near the cylinder wall, forming a reactivity stratification towards the center of the cylinder. This can be seen from Figure 9. This outcome was further used as the governing assumption for establishing the zonal configuration of the fast-running UVATZ-MZ model [32], and, at a later stage, was used to formulate a semi-predictive fuel stratification submodel for this toolchain [33].
The above results were further extended to full-cycle simulation, including gas exchange through cylinder valves (Figure 8—left below). This allowed for capturing the influence of in-cylinder swirl and tumble motion more realistically for fuel distribution effects, showcasing particular importance for improved emission prediction.
More importantly, the full-cycle simulations provided reference data to calibrate the phenomenological turbulence model in the reduced-order UVATZ-MZ (3.0 version—see Table 2) created in Task 3.2. Note that the CFD methods exercised here provide further insight for improving the engine design choices in Task 3.3 (RCCI demonstrator).
Figure 8. UVATZ-CFD modeling framework (on the left below) and its validation results against Wartsila-6L20DF engine running RCCI combustion at 50% load point (on the right). Adapted from CPT publication of Kakoee et al. [34] and CPT results archive.
Figure 8. UVATZ-CFD modeling framework (on the left below) and its validation results against Wartsila-6L20DF engine running RCCI combustion at 50% load point (on the right). Adapted from CPT publication of Kakoee et al. [34] and CPT results archive.
Energies 18 01240 g008
Figure 9. (Upper plot)—in-cylinder diesel fuel distribution at CA = −15 for different RCCI injection timings; direct CFD results; the color-maps denote mass fractions of n-dodecane (diesel surrogate) from 0.001 (dark blue) to 0.01 (deep read). (Lower plot)—corresponding total fuel mass alongside the cylinder axis at 10 equal zone intervals. Adapted from CPT publication of Kakoee et al. [34].
Figure 9. (Upper plot)—in-cylinder diesel fuel distribution at CA = −15 for different RCCI injection timings; direct CFD results; the color-maps denote mass fractions of n-dodecane (diesel surrogate) from 0.001 (dark blue) to 0.01 (deep read). (Lower plot)—corresponding total fuel mass alongside the cylinder axis at 10 equal zone intervals. Adapted from CPT publication of Kakoee et al. [34].
Energies 18 01240 g009
The new knowledge and data, summarized in the work by Kakoee et al. [34], were used to develop a physics-based reduced-order UVATZ-MZ code. This innovative tool has no commercial competitor. It retains the predictive features of full-fidelity reactive CFD simulation but with 10,000 times the accelerated runtimes, making it suitable for large-scale optimization endeavors and system-level simulations. This superior predictivity/simulation performance is the key for reducing calibration effort for complex RCCI engines. The quasi-dimensional, multi-zone approach was driven by a detailed review study by Vasudev et al. [35] and can be ideologically emphasized by Figure 10.
The modeling assumptions, summarized in Table 2, and model-based optimization studies have been positively verified in two separate RCCI technology demonstration platforms, based on Wärtsilä 20 and 31 medium-speed dual-fuel engines (Wärtsilä Finland Oy, Vaasa, Finland). This was carried out in task T3.3 and connected to parts of the industry project by Wärtsilä. The results of this ground-breaking work, merely summarized in the following section (experimental demonstrators), have been published by the University of Vaasa in eight high-impact journals and technical papers, listed in Table 2, along with the specifications of the evolving UVATZ-MZ model used as primary development tool. Note that the model underwent three evolution steps during the project lifetime, gradually adding new functionalities according to the development targets of the experimental platforms.
Figure 10. Conceptualization of the UVATZ-MZ framework on the left against detailed CFD in fully-stratified fuel case on the right (only thermal stratification effects shown in color map). Red and blue arrows, on the left-hand side of the figure, indicate the modeling assumptions for interzonal heat and mass transfer, respectively. Adapted from CPT publications Vasudev et al. [32,35].
Figure 10. Conceptualization of the UVATZ-MZ framework on the left against detailed CFD in fully-stratified fuel case on the right (only thermal stratification effects shown in color map). Red and blue arrows, on the left-hand side of the figure, indicate the modeling assumptions for interzonal heat and mass transfer, respectively. Adapted from CPT publications Vasudev et al. [32,35].
Energies 18 01240 g010
These new models have been tested in the project for compatibility with commercial engine simulation software [36] for integrated engine-aftertreatment system design and interfacing to complete engine-aftertreatment [37] and vessel-level simulation [38]. The whole innovative model-based development framework has been applied to fast-track a new ultra-clean and ultra-efficient (52% target brake efficiency) marine engine operating in RCCI mode, discussed in the next sub-section. The related control development activities, where the UVATZ-MZ functions as the baseline plant model [23,24], were already covered in Section 3.

4.2. Marine Hardware Platforms and Validation of the Model-Based Development Framework

The prototype version of the 200 mm-cylinder bore engine platform, involving all the advanced hardware features for ultra-efficient RCCI, was built for public demonstration at the University of Vaasa Energy Laboratories (Figure 11). A detailed discussion of its cutting-edge subsystems is available in the work by Valkjärvi [39].
These enabling technological innovations, like fully variable electro-hydraulic valve actuation (EHVA), fast thermal management, and a dedicated high-pressure common-rail pilot injection system and corresponding piston design, are supported with a unique, integrated high-frequency data acquisition and real-time postprocessing system. The whole entity is controlled via a rapid-prototyping platform, based on Speedgoat® (Speedgoat GmbH, Liebefeld, Switzerland) target machines using in-house developed control algorithms. Rapid prototyping further enables direct embedding of the project’s innovative forward-predictive model-based control algorithms developed by the University of Vaasa in WP2.
Implementation of this advanced platform was impacted by supply chain issues and the prototype nature of the contributing technologies, resulting in extended commissioning times. Despite these challenges, the engine is now fully built-up and running. Final calibrations of the fuel systems, EHVA, and combustion controllers on a safe operating regime have been conducted, with RCCI calibration test results being prepared for separate dissemination.
Table 2. Evolution versions UVATZ-MZ chemical–kinetic-based multizone model developed in T3.2 and validated in T3.3.
Table 2. Evolution versions UVATZ-MZ chemical–kinetic-based multizone model developed in T3.2 and validated in T3.3.
UVATZ-MZ 1.0UVATZ-MZ 2.0/GT-UVATZUVATZ-MZ 3.0
Simulation PlatformC++ 11 source code
Cantera 2.5 0D libraries
Robust solver CVODES
UVATZ 1.0
+GT-Power user code
+modified Cantera flow
objects
UVATZ 2.0
+GT-Power combustion
object
+modified Cantera reactors
Thermal and fuel stratification13 onion zones
Diffusion-based interzonal heat and mass transfer
Homogeneous conductivity
Imposed fuel distribution
12 zones (10 cylindrical + 2 disk-shaped)
+Spatial-dependent heat and mass transfer
12 zones (10 cylindrical + 2 disk-shaped)
+CFD-calibrated fuel distribution model
SubmodelsWall heat loss: Chang et al. [40]
Kinetics mech.: Yao et al. [30]
+Improved turbulence:
Yang and Martin
+Improved turbulence:
energy cascade
+Improved mechanism:
Yao et al. + NOx
Advantages over earlierSimulation time < 4 min
Numerical stability
Simple and fast
+Integration with GT-power gas exchange model
+Full-cycle analysis
+Emission calibration
+Multi-cylinder simulation
+Integration with optimizer
Tuning
parameters
Zonal resolution: global
Fuel distribution: 2× local
Initial temperature adjustment: local
Zonal mixing intensity: local
Zonal resolution: global
Turbulence intensity: global
Fuel distribution: 2× local
Initial temperature: local
Zonal resolution: global
Wall temperatures: global
Fuel distribution: global
Turbulence: global
Manifold temp.: global
Validated onWartsila 31SCRE (single-cylinder research engine)/RCCI (Wärtsilä Finland Oy, Vaasa, Finland)Wartsila 31SCRE/RCCI (Wärtsilä Finland Oy, Vaasa, Finland)Wartsila 6L20/RCCI (Wärtsilä Finland Oy, Vaasa, Finland)
Primary
references
Vasudev et al. (2022) [35]Kakoee et al. (2023) [36]Vasudev, et al. (2024) [33]
Applied inModabberian et al. (2023) [24]
Storm et al. (2023) [23]
Kakoee et al. (2024) [37]
Modabberian et al. (2024) [25]
Vasudev, et al. (2025) [41]
Figure 11. Medium-speed W20 RCCI-cycle engine at VEBIC laboratories (public RCCI engine demonstration developed in task T3.3). Figure shows major modifications to the engine including new cylinder head with electro-hydraulic valve actuation system (EHVA) and Speedgoat Controller. CPT project archive.
Figure 11. Medium-speed W20 RCCI-cycle engine at VEBIC laboratories (public RCCI engine demonstration developed in task T3.3). Figure shows major modifications to the engine including new cylinder head with electro-hydraulic valve actuation system (EHVA) and Speedgoat Controller. CPT project archive.
Energies 18 01240 g011
The results from VEBIC W20-RCCI, which was built explicitly with RCCI in mind, will verify the limits of this combustion technology without the constraints imposed by stock hardware. The EHVA system in particular is expected to provide superior control capabilities. In fact, the first tests running the RCCI mode on Wärtsilä 20DF/31DF (Wärtsilä Finland Oy, Vaasa, Finland) platforms, with conventional valvetrains and without dedicated hardware changes, have already confirmed our model predictions regarding superior efficiency and ultra-low emission targets. More importantly, a pilot version of a Wärtsilä 31DF engine (Wärtsilä Finland Oy, Vaasa, Finland) with RCCI technology has already been moved to sea trials on board M/V Aurora Botnia, operated by Wasaline. Figure 12 summarizes results for both. A detailed discussion is available in Vasudev et al. [33] and Lehtoranta et al. [42], respectively.
Figure 12. Benchmark of RCCI technology: Wärtsilä 6L20DF–RCCI (Wärtsilä Finland Oy, Vaasa, Finland) experiments compared with UVATZ-MZ 3.0 model predictions. Plot (a) is in-cylinder pressure; plot (b) is emissions. Plot (c) compares emissions from Wärtsilä 8V31DF (Wärtsilä Finland Oy, Vaasa, Finland) on board M/V Aurora Botnia, piloting RCCI technology (main engine 3, ME3) with a conventional dual-fuel combustion (main engine 2, ME2). Plots adapted from CPT publications [33,42].
Figure 12. Benchmark of RCCI technology: Wärtsilä 6L20DF–RCCI (Wärtsilä Finland Oy, Vaasa, Finland) experiments compared with UVATZ-MZ 3.0 model predictions. Plot (a) is in-cylinder pressure; plot (b) is emissions. Plot (c) compares emissions from Wärtsilä 8V31DF (Wärtsilä Finland Oy, Vaasa, Finland) on board M/V Aurora Botnia, piloting RCCI technology (main engine 3, ME3) with a conventional dual-fuel combustion (main engine 2, ME2). Plots adapted from CPT publications [33,42].
Energies 18 01240 g012
The sample results presented in Figure 12 prove that WP3’s governing objectives for RCCI technology (objectives 1 and 2 in Figure 7) have been met. This is also true for the technology’s contribution towards WP3’s main objective of significant cuts in GHG, NOx, and PM. The main takeaway is that RCCI has proven to reduce NOx emissions by an order of magnitude and cut methane slip by at least 50% compared with conventional dual-fuel technology. Note that the achieved engine-out NOx emission levels are close to the measurement accuracy limits, and far below the most restrictive Euro 6 limits currently in place for the automotive sector. RCCI further comes with inherited benefits of lower CO and CO2 emissions, which together with previously mentioned indicators (particularly CH4) put the GHG output close to the ambitious 30% reduction target versus conventional dual-fuel technology. Note that the production version of the Wärtsilä 31DF engine (Wärtsilä Finland Oy, Vaasa, Finland), benchmarked here as “conventional”, is already the best in class when it comes to methane slip and, thus, its GHG footprint. RCCI is clearly a breakthrough in methane emission reduction while providing unprecedently low NOx emissions. The explicit efficiency levels are confidential, but performance in RCCI mode, in the discussed emission calibration, was not worsened compared to the conventional DF mode. At this point, it is necessary to mention that RCCI combustion is very sensitive to boundary conditions, which makes it potentially vulnerable to ambient condition variations. While the robustness of the obtained emission calibration in different operating conditions is still to be verified, one should note that advanced engine/combustion control functions developed in WP2 are of critical importance in that respect and will be further developed.
Regarding the validity of the UVATZ toolchain, Figure 12a,b presents normalized results of comparing the simulations with the Wärtsilä 6L20DF (Wärtsilä Finland Oy, Vaasa, Finland) experiments as reference. The final development version of UVATZ (3.0 in Table 2) meets the set accuracy targets of 4% in all performance parameters. The emission predictions in terms of both NOx and CH4 are within a 25% tolerance level. Considering the ultra-low level of emissions, the differences are within the measurement accuracy limits. The UVATZ toolchain with its minute-order simulation times sets a new standard for fully predictive, calibration-oriented simulations of RCCI combustion in large-bore engines.

4.3. Model-Based Development Applied on Off-Road Platforms

A similar model-based methodology, as described above for RCCI, has been proposed by the University of Vaasa to prototype innovative technologies for off-road engines, relevant to tasks T3.7 and T3.4. In the work by Kim et al. [11], variable valve actuation (VVA) was foreseen as an enabler for meeting future emission legislation targets. Particular attention was paid towards investigating VVA as a thermal management solution, supporting the activity of exhaust aftertreatment at low engine loads. More explicitly, the work considered VVA strategies to elevate exhaust gas temperature (EGT) with a minimum penalty on brake-specific fuel consumption (BSFC) and engine-out emissions. Figure 13 summarizes the results.
The results, for the first time, impartially confirm that cylinder deactivation (CDA) and intake phase modulation are the two most effective VVA strategies to consider for thermal management in state-of-the-art, off-road powertrains. CDA and intake modulation demonstrated EGT increments exceeding +250 °C and +150 °C, respectively, with minor fuel penalties not exceeding 3.5%. Simultaneous fuel savings were recorded at most operating points. Intake modulation elevated EGT by restricting air mass flow (low heat capacity effect) while CDA enhanced EGT by higher release owing to increased engine load in the activated cylinders. CDA was further selected for experimental testing on AGCO Power’s next-generation CORE 50 diesel engine platform. The tests performed at the VTT Technical Research Centre of Finland confirmed the University of Vaasa’s simulation predictions. The results have societal significance and reinforce the assertion that achieving the drastically tightened emission limits foreseen by the US Environmental Protection Agency’s (EPA) Tier V legislation is within reach of non-road mobile machinery manufacturers.
Figure 13. (a) AGCO CORE 50 engine used as a baseline for the VVA study; (b) exemplary realization of VVA considered in the simulations; (c) results of different VVA strategies in terms of the EGT increment and BSFC tradeoff; (d) CDA simulation predictions experimentally verified on the AGCO CORE 50 platform in different modes of operation. Figures adapted from CPT publication by Kim et al. [11].
Figure 13. (a) AGCO CORE 50 engine used as a baseline for the VVA study; (b) exemplary realization of VVA considered in the simulations; (c) results of different VVA strategies in terms of the EGT increment and BSFC tradeoff; (d) CDA simulation predictions experimentally verified on the AGCO CORE 50 platform in different modes of operation. Figures adapted from CPT publication by Kim et al. [11].
Energies 18 01240 g013
The University of Vaasa has summarized the experiences with VVA in both marine and off-road engine platforms in an impactful review paper. This CPT work by Kim et al. [7] translates these experiences into a common vision of how the development of new valvetrain systems will open further emission/efficiency improvement trajectories in both the marine and off-road sectors. Co-development between the sectors is also essential from the perspective of accommodating new zero-carbon fuels.

4.4. Progress in Exhaust Gas Aftertreatment Technology

The above activities, towards conformity with upcoming EPA Tier V NRMM emission legislation on the engine thermal management side, were complemented with a novel aftertreatment configuration, namely a double SCR with a particulate filter. The University of Vaasa contributed to developing innovative regeneration strategies with an exhaust aftertreatment system, including a close-coupled vanadium-based SCR catalyst, an ASC, a DOC, and a DPF. A dedicated test stand was created at our VEBIC laboratories, including cutting-edge fast emission measurement techniques, unavailable in previous studies [43,44].
In this research environment, the CPT project also investigated late post-injection of diesel fuel as a strategy to increase exhaust gas temperature and how this affects the performance of a closed-coupled vanadium-based SCR with an ASC. The findings showed that this strategy functioned appropriately in the closed-coupled SCR plus ASC and DOC when the initial exhaust inlet temperature of the SCR catalyst was sufficiently high (≥320 °C). Late diesel injection (LDI) did not affect the SCR catalyst’s NOx conversion efficiency at the highest exhaust temperatures (Figure 14). The most notable increase in exhaust gas temperature was observed in SCR plus ASC condition, probably due to the oxidation of LDI-derived HC [43,44].
Figure 14. The vanadium-based SCR and ammonia slip catalyst performance in terms of NOx conversion, NH3 slip, and N2O formation at exhaust gas temperatures of (a) 320, (b) 350, and (c) 400 °C in an off-road diesel engine before and after LDI and after 40 min operation at 450 °C at an engine speed of 2100 rpm. Figure adapted from CPT publication by Ovaska et al. [43].
Figure 14. The vanadium-based SCR and ammonia slip catalyst performance in terms of NOx conversion, NH3 slip, and N2O formation at exhaust gas temperatures of (a) 320, (b) 350, and (c) 400 °C in an off-road diesel engine before and after LDI and after 40 min operation at 450 °C at an engine speed of 2100 rpm. Figure adapted from CPT publication by Ovaska et al. [43].
Energies 18 01240 g014
Achieving lower emissions often requires balancing efficiency and affordability, adding to the complexity of emission reduction efforts [45]. Several manufacturers use the in-cylinder late post-injection of diesel fuel as astrategy for exhaust gas thermal management. The main reason for that is cost-effectiveness [46]. In general, for example, Zhang et al. [47] reported that the unit denitration costs of an SCR system adapted for marine applications are significantly affected by the engine power and annual operating hours.
According to Tushar et al. [45], material selection for catalytic converters plays a critical role in emission control, as various catalyst supports and coatings impact emissions differently, each with its own trade-offs in performance and cost. Some catalysts typically contain precious metals as storage sites while the transition metals are especially effective in low-temperature SCR systems [45,48].
Fan et al. [49] assessed the cost-effectiveness of retrofitting construction equipment for reducing diesel emissions. Retrofitting aftertreatment catalysts into an existing fleet imposes additional costs on users. These costs can be quantified in terms of emissions reduced per unit of expenses [49]. Unit costs may include direct material expenses, as well as fixed costs associated with research and development, tooling, certification, and other manufacturing expenditures [50,51,52]. Furthermore, Ruehl et al. [53] emphasized the importance of considering purchase costs, changes in maintenance expenses, fuel penalties, and other relevant expenses.
The different thermal management methods of exhaust aftertreatment systems should be considered, such as, for example, installing dual-SCR systems on new machines may result in similar costs for users as retrofitting. Several thermal management techniques utilize external energy supply units and significant fuel losses can occur, increasing fuel costs [54,55]. Therefore, future studies should not only consider the performance of the dual-SCR system—especially its efficient NOx conversion—but also its actual operating costs and maintenance requirements.

5. Full-Scale Hybrid Technology Demo (WP5)

WP5 formed the final stage of the whole CPT project. As shown in Figure 15, it brings together the new solutions engineered in the other work packages. Its purpose is to demonstrate the functionality of the new RCCI combustion mode, combined with virtual sensors and energy management systems, in hybrid operation and in a propulsion system with multiple power sources. The VEBIC engine laboratory at the University of Vaasa was the main center for the demonstrations, together with field tests performed by Tampere University.
In task T5.1 (hybridization of engine laboratory), the University of Vaasa aimed to extend its medium-speed Wärtsilä 4L20 engine (Wärtsilä Finland Oy, Vaasa, Finland) and generator towards a full battery electric set-up, mimicking the hybrid propulsions system in state-of-the-art ships. The target was to create and engineer a comprehensive energy generation system combining all developed new technologies from company projects and other public work packages in the CPT project. To this end, the first pre-design involving all stakeholders concluded with a desired hybrid system configuration and energy-flow concept, where battery storage provides power take-in and take-off functions to optimize combustion engine operation by means of peak-shaving.
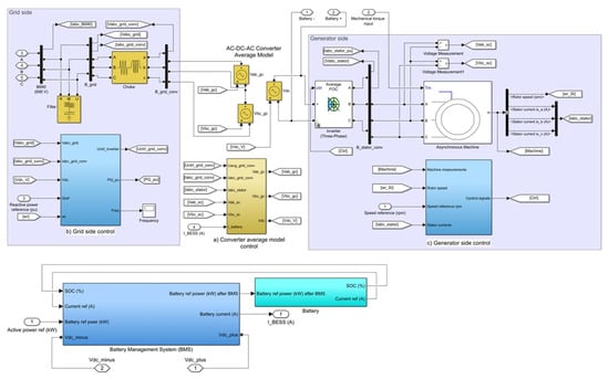
Goals were set in the detail planning phase to create a full-scale digitalized framework for subsequent studies. The digital twin of the planned entity has been created and validated with the experimental data with respect to diesel–electric drive operation [57]. Figure 16 illustrates the structure of the governing electrical component submodels, created by the University of Vaasa in task T5.1.
The standard induction machine voltage equations describe the motor/generator model within the arbitrary direct-quadrature reference frame, as found in the Simulink 2017a Simscape SPS library. The model’s accuracy heavily relies on the generator’s parameters, particularly its inductances and resistances, which were directly obtained from manufacturer measurements (ABB Motors & Generators). A back-to-back frequency converter controls the direct current (DC) bus voltage and the reactive power fed into the ship’s grid and thus enables the engine to operate at variable speeds. A battery energy storage system (BESS) submodel is also included to enable peak-shaving capability. The Simscape SPS toolbox offers a Li-ion battery model which is suitable for being the core of the BESS. It has an equivalent circuit representation to determine battery current, voltage, and state of charge. A previously mentioned bidirectional DC–DC converter connects the BESS to the frequency converter DC-link.
A detailed one-dimensional (1D) engine model of the VEBIC 4L20 engine, created in WP3, was reduced to a real-time capable fast-running model (FRM) and compiled to a Simulink S-function object. This was executable in co-simulation with the electrical models to represent the whole hybrid system infrastructure. The engine model reduction entailed lumping together the air-path components to single governing volumes (from over 256 sub-volumes to 72), simplifying the input/output structure and optimizing the solver to achieve simulation time in the order of milliseconds per cycle. The combined hybrid model, verified for stability, was validated with a dedicated experimental campaign performed in the University of Vaasa’s VEBIC laboratories as part of task T5.3. Figure 17 depicts the measurement setup, involving over 100 co-acquired signals from the engine and electrical hybrid system.
This verified modeling approach is noteworthy in that it achieves superior fidelity, accuracy, and system dynamics with simulation speeds close to real time. The approach, fully discussed in a CPT paper by Söderäng et al. [57], is currently widely cited worldwide as a cutting-edge example of ship power system digital twins.
The validated model was further used for battery-sizing studies, which feed the final design assumptions for the installation of the actual BESS system, performed by the University of Vaasa in task T5.4. Based on the results of these simulations, detailed technical plans for the location and connection of the battery pack in VEBIC have been created. The designed solution allows the battery pack to be loaded and discharged freely, independently of the state of the engine in test cell 1. This option enables battery and diesel power plant emulation and energy management studies, various grid code type tests, as well as operating as a virtual power plant. If desired, the battery pack also could be used to manage the property’s own energy consumption by equalizing or supplying energy, accordingly to the time of the lowest market electricity price.
The purchase of the battery system was not in the scope of WP5 as CPT planned to acquire it in-kind from one of the consortium partners. This has not happened, as the envisaged solution’s technology readiness level is not yet sufficient for a scaled-up pilot. Instead, the University of Vaasa, as its own investment, has opted to purchase the model-designed battery pack with a suitable battery management system from a third-party commercial provider. The procurement process has been hindered by the inability of several contesting suppliers to meet the design parameters: the final choice is the system by Leclanché, presented in Figure 18.
To conclude, CPT’s task T5.1 has delivered a hybrid solution for the laboratory demonstration within the originally assumed scope. The corresponding experimental demonstration for ship hybrid technology, foreseen in task T5.3, has been conducted on the hardware-in-the-loop (HIL) basis with diesel–electric operation running as a physical system, supported by real-time operation of the digital twin battery pack. Initial results confirm up to 10% fuel reduction in artificially generated ship operation scenarios. The use of HIL simulation allowed us to provide recommendations for the final BESS system design (in task T5.4) without reliance on expensive, first-stage prototyping, thus reducing project costs. The completion of the system, with installation of the BESS, will be concluded in 2025.
Task T5.2, carried out by Tampere University in collaboration with the University of Vaasa, was developing the corresponding hybrid system for non-road mobile machinery. A similar model-based development methodology was used to optimize the diesel–electric–hydraulic topology for the sWille wheel loader. Both tasks/institutions cross-fertilized the submodels and inspired the model identification and validation approach. The baseline for benchmarking sWille was derived from data gathered from a diesel platform in field tests. The simulated result for sWille with an optimized hybrid system showed a 30% reduction in fuel consumption, comfortably meeting CPT objectives set for the hybrid system development [58]. Tampere University continued to build the experimental demonstration which reached the laboratory test level, enabling partial confirmation of the simulated results in tasks T5.3 and T5.4.
Lessons learned from model-based optimization endeavors in tasks T5.1 and T5.2 further allowed Åbo Akademi University, together with Meyer Turku, to demonstrate the functionality of multi-engine/multi-energy consumer models. The models showed the ability to reproduce actual operation in a cruise ship. In this task, the University of Vaasa supervised a master-level thesis, “Utilization of batteries in the momentary load variations of a cruise ship” by Mohamed Omar Hamdy Hussein [59].
The different demonstrations conducted in this CPT work package have together created a full-scale digitalized reference framework for subsequent studies. Full-scale experimental platforms, like the VEBIC engine laboratory, have been transformed into system-level entities, providing cutting-edge capability in advanced combustion development towards integrated control with other components in vehicle/vessel hybrid systems. All the work described above was closely related to the industrial projects and developed new forms of multi-partner collaboration, previously restricted to combustion engine OEMs, like Wärtsilä (Wärtsilä Finland Oy, Vaasa, Finland) and AGCO Power (Agco Power Oy, Linnavuori, Nokia, Finland). The multi-actor hybrid power systems for the marine and off-road sectors are ultimately the main promoters of fuel flexibility with high total efficiency and reduced greenhouse gas, particulate, and NOx emissions.

6. Project Management and Common Dissemination (WP0)

The key factor in CPT’s success was efficient management of multi-partner tasks to achieve interlinked milestones. It is, therefore, relevant for this research report to examine the key management deliverables that contributed to the achievement of the project’s objectives and ensured their impact within and beyond the scientific scene.
In October 2023, the University of Vaasa collected feedback from the project consortium to evaluate the performance of this WP. There were 26 responses to the online survey. “Consortium feedback” in this chapter refers to the results of this survey.

6.1. Key Achievements in Scientific Project Management

One of the main achievements of WP0 was the successful implementation of the project management structure, as shown in Figure 19. The project’s Steering Group (SG) was responsible for high-level monitoring of the project and for making key decisions at the consortium level. This crucial role ensured that the project was conducted to a high standard, on time, in accordance with the project application, and to the satisfaction of Business Finland. The Project Committee (PC), which met monthly, focused on the project’s scientific content and enabled continuous interaction between the work packages, research organizations, and companies. All parties were kept up to date with the research activities and were able to work towards a common goal. WP leaders and project owners also coordinated the progress of each WP, which had a common monthly reporting framework. The efficient reporting framework—common to all WPs—focused on the status of milestones, resources, and support requests from other partners. Research results in individual tasks were highlighted to support the previously mentioned governing claims, allowing WP leaders to efficiently incorporate corrections to keep the project on schedule. Detailed discussions took place in bi-weekly task-level meetings involving only key contributors.
WP0 also coordinated the work of the Advisory Board, which provided expertise and qualitative guidance to the consortium, thereby enhancing the scientific rigor of the research.
Trust is one of the key success factors in research projects where many partners need to cross-utilize and share data. These data are often of a sensitive nature for the industrial partners but relevant for the academic partners to ensure reproductivity of the research in scientific reports. The projects succeeded in finding a mutually beneficial solution for data sharing. These rules for data storage and use (both within the project and for post-project intellectual property rights) were carefully defined in the consortium agreement prepared by WP0. The data management plan was well implemented and supported a carefully structured, access-governed common data storage system (in the Microsoft Teams® (25031.805.3440.5290) platform).
A separate consortium-wide publication review process ensured that scientific impact could be achieved efficiently, while ensuring that confidential information was not leaked (Table 3). This multi-layered process may serve as an inspiration for future academic–industry collaborations. Despite the large number of publications in CPT containing sensitive industry data, there has not been a single confidentiality conflict, demonstrating the effectiveness of these procedures.
The established trust was an enabler for the project success on the technological level. According to Table A2 (Appendix B), on the University of Vaasa side, only 2 out of 29 originally assumed milestones were not realized to their full scope, marking the project success rate at 93%. On the consortium level, the corresponding project completion ratio was 94% (64/68 milestones realized). The milestones that did not succeed were primarily related to the delay in experimental platform buildup on the side of public research institutes. The reason for this was primarily related to supply chain issues. These were first impacted in 2020 by the COVID outbreak, and later in 2022, these issues were magnified by the conflict in Ukraine, resulting either in extremely elongated delivery times of major components or, in extreme cases, in suppliers being unable to deliver the system at all (battery pack for VEBIC demonstrator—milestone 5.3, Appendix B, Table A2). Thanks to rigorous risk monitoring measures, the impact of these delays was mitigated, avoiding cascade effect on other milestones. For instance, model-based RCCI development, in milestones M.3.2.1-5, was not disturbed by late development of the VEBIC4L20 RCCI engine based on the Wärtsilä 4L20 engine (Wärtsilä Finland Oy, Vaasa, Finland). Note that milestone M.3.3.1-4 were delayed roughly 1 year due to the above-mentioned supply-chain issues. This was achieved by moving several phases of the interlinked experimental tests to Wärtsilä which had the capability to proceed with the testing on their flexible single-cylinder research engines. These setbacks, at the end, opened new opportunities. As a result, the UVATZ toolchain was validated on several different engine platforms, instead of one as was originally planned, establishing trust to the methodology which is now being implemented in the follow-up industry and co-innovation projects.
Reinforcing the strategic alignment between the Finish industry leaders in marine propulsion and off-road powertrains, represented by backbone companies Wärtsilä and AGCO Power, respectively, was one of the project management objectives. Taking into account the novelty of the collaboration model, this was established in the project plan early on, building a joint development roadmap in WP1 and providing access to each other´s research in the other WPs. Deeper collaboration opportunities were to be identified within the project, with a particular role of the project and WP leaders in fostering this. The objective of bringing two powertrain sectors together was realized. Already in the project implementation, we identified that workflow on enabling applications of VVA can be largely unified, resulting in a joint vision/white paper by Kim et al. [7]. The other concrete joint research trajectories transferred into action points included the following: (i) investigating oil and thermal inducted pre-ignition (particularly in Hydrogen combustion), (ii) methanol spray formation and evaporation in port fuel injection systems, (iii) life cycle analysis of different fuel/powertrain options, and (iv) joint work on SCR deposit formation control. These action points have been implemented in the scope of the new project (Flex-CPT). For more information, the reader is referred to the Outlook Section.

6.2. Project Dissemination

Transparent and effective communication is another key success factor for large consortium projects. CPT addressed this issue in the planning phase with a dissemination plan based on three levels: (i) short-term dissemination of results (during project implementation); (ii) medium- to long-term utilization of results by consortium members; (iii) dissemination of results outside the consortium.
Short-term communication was primarily managed within the project management structure described above. It took the form of regular meetings at different management levels, associated documentation of progress in designated progress reports, and supporting e-mail/telephone notifications. Feedback from the consortium indicates that information provided by the project managers was rated very highly (quantity 4.2/5; quality 4/5). The amount of information received was rated as ‘good’ by 92% of respondents.
One of the most valued communication activities in this layer was the organization of four two-day project events: (a) 2.–3.11.2021 in Vaasa and via Zoom (approx. 80 participants); (b) 17.–18.5.2022 in Espoo and via Zoom (approx. 80 participants); (c) 8.–9.3.2023 in Tampere (approx. 60 participants); and (d) 22.–23.11.2023 in Vaasa and via Zoom (approx. 130 participants).
Each event brought together more than 60 researchers and engineers directly involved in the project. The events were similar in format to scientific conferences. They allowed a broad overview of the project background (keynote speeches); sharing of detailed research results (technical sessions and plenary sessions); planning of upcoming project activities (dedicated workshops); benchmarking of our progress against international competition (panel discussions and keynote speeches); and fostering collaboration/networking (socializing events). The final project event was partly open to people outside the CPT consortium. A detailed conference summary was produced for each event and distributed to all consortium members. The conference summaries, archived in the project repository, include extended abstracts for 62 detailed project presentations. Feedback from consortium members yielded an average score of 4.5/5 for the event arrangements.
In terms of long-term dissemination of results, WP0 facilitated the generation of a follow-up project that would utilize the results of CPT. This Flex-CPT project proposal, which was submitted to Business Finland in November 2023, will invest a further EUR 18 M to support the consortium in advancing the common technological roadmap. The increased trust between the ecosystem partners has already led to far-reaching strategic partnerships, which will further increase our ability to achieve exceptional results.
CPT has placed great emphasis on achieving international impact through broad external dissemination. High-impact, peer-reviewed scientific dissemination was the focus. In addition to the 32 scientific papers led or contributed to by the University of Vaasa and cited in this report, the entire CPT consortium has published more than 50 other research articles in its three-year duration. The results are still being processed, and the reader is referred to the project website [60] for the continuously updated list of CPT’s scientific publications and articles aimed at the general public.
CPT received excellent media coverage. High-profile national and international technology magazines such as Tekniikan Maailma [61,62], Tekniikka & Talous [63], and the Motorship [64] published articles on the project. In addition, the Wasa Innovation Centre’s Science YouTube channel [65] made a video about the future of internal combustion engines by interviewing the Project Leader. The project was also promoted at high-level international events by the Project Leader, our advisory board members, or individual researchers. Examples of conference presentations are listed in Appendix A, Table A1. High-quality dissemination materials such as a logo, visual identity, templates, etc., helped all consortium partners to communicate the project in a professional, consistent, and recognizable way.
The CPT website [60], which is still maintained, was one of WP0’s main deliverables and the principal channel for promoting the project beyond the consortium. It has had approximately 4400 unique visitors over the life of the project.
Around 60 news articles/posts were published on the website, LinkedIn, and X (Twitter). CPT gained 470 followers on LinkedIn [66] and 27 on X [67], indicating that dissemination via X was unsuccessful, but LinkedIn was a very good channel for continuous updates on the project activities. Feedback from the consortium shows dissemination through the project website and LinkedIn was rated `good’ or `very good’ by over 75% of the respondents.

7. Summary and Outlook on Other Project Tasks

The project has spanned 21 impactful solutions and innovations, including accelerated model-based design methodologies and progress in combustion and aftertreatment control and hybrid energy management. These innovations have been encapsulated into four ground-breaking demonstrations. These are currently on the bridge of market implementation. The RCCI technology, broadly described in this report, has by now demonstrated robustness in over 2000 h of sea trials. The technology is currently being advertised by Wärtsilä as Next-DF and is destined to be market-available on cutting-edge Wärtsilä 31 and 25 platforms [68]. A next-generation lean-burn hydrogen engine, accommodating CPT technologies, was developed by AGCO Power. The platform is established on a new fuel-flexible engine family, AGCO Power “CORE”, awarded a 2023 Engine of the Year merit. The CORE50 e-Hydrogen platform was first unveiled at the 2023 Agritechnica global trade fair [69]. The close-coupled SCR on filter aftertreatment developed by CPT companies is regarded as feasible for meeting the upcoming EPA Tier V emission legislation [70]. Finally, the diesel–electro-hydraulic hybrid platform sWille, developed in CPT WP4, is ready to conduct its first field tests.
These demonstrations are the culmination of the efforts of over 100 researchers and engineers working on the project’s 68 closely interconnected milestones. According to the milestone realization, the project completion rate was 94% with respect to the original plan.
CPT has much more than a technological impact alone. We have exceeded the scientific state-of-the-art in several respects, not least in the huge number of published papers mentioned above. CPT has initiated a successful societal campaign to provide an unbiased, research-based understanding of powertrain development in the marine and off-road sectors. The deliverables of this campaign are a set of 30 news articles positioning the importance of combustion-based propulsion for sustainability. The result of increased societal awareness is already visible in Finland, and our consortium’s “voice of reason” has been picked up internationally.
As the project ends, its long-term ambitions enshrined in the common roadmap continue. The project has created over 50 new positions in academia and industry related to this co-research. It is responsible for at least 10 new doctorates and a few new professorships, either promoted internally or recruited from abroad. The common roadmap has already spanned four new research projects that directly pick up on deliverables of CPT.
CPT has initiated several strategic infrastructure investments in new powertrain research facilities in Finland. The same core consortium continues research in the ongoing Flexible Clean Propulsion Technologies (Flex-CPT) project (2024–2027) funded by Business Finland. With a budget of EUR 18 million, it aims to demonstrate robust powertrains capable of achieving up to a 100% reduction in tailpipe greenhouse gas emissions by optimizing individual fuel streams based on availability, pricing, combustion efficiency, and emissions. The readers interested in the new solutions of Flex-CPT, and their relation to technological developments reviewed in this article, are referred to the project website [71].

Author Contributions

Conceptualization, M.M.; methodology, M.M., R.R. and T.O.; validation, M.M. and M.K.; formal analysis, M.M., M.K. and A.M.; investigation, M.M., T.O. and R.R.; resources, M.M. and R.R.; data curation, M.M., M.K. and A.M.; writing—original draft preparation, M.M., R.R., T.O., M.K. and A.M.; writing—review and editing, M.M., T.O. and M.K.; visualization, M.M., R.R., M.K. and A.M.; supervision, M.M. and R.R.; project administration, M.K. and A.M.; funding acquisition, M.M. and M.K. All authors have read and agreed to the published version of the manuscript.

Funding

This research was co-funded by Business Finland, grant number 38485/31/2020. All consortium partners worked towards a common goal and also contributed to the funding of the project.

Data Availability Statement

The original contributions presented in the study are included in the article, further inquiries can be directed to the corresponding author.

Acknowledgments

This research would not have been possible without the entire Clean Propulsion Technologies consortium, led by the University of Vaasa and consisting of six research organizations (University of Vaasa; Aalto University; Tampere University; Åbo Akademi University; VTT Technical Research Centre of Finland; and Lappeenranta-Lahti University of Technology LUT) and nine companies (Wärtsilä Finland; AGCO Power; Meyer Turku; Napa; Dinex Finland; Proventia; Geyser Batteries; Bosch Rexroth; and APUGenius). The collaboration between the consortium partners was close, seamless, and fruitful. There were twelve individually funded subprojects under the Business Finland Co-Innovation joint project, and this article summarizes the main results of the University of Vaasa’s subproject.

Conflicts of Interest

The authors declare no conflicts of interest. The funders had no role in the design of this study; in the collection, analyses, or interpretation of data; in the writing of this manuscript; or in the decision to publish the results.

Abbreviations

1Done-dimensional
3Dthree-dimensional
ASCammonia slip catalyst
BESSbattery energy storage system
BMSbattery management system
BSFCbrake-specific fuel consumption
CAcrank angle
CADcrank angle degree
CARBCalifornia Air Resource Board
CFDcomputational fluid dynamics
CDAcylinder deactivation
CIIcarbon intensity indicator
COMcontrol-oriented model
CPTClean Propulsion Technologies
CSCComputational Centre of Finland
DCdirect current
DFdual-fuel
DOCdiesel oxidation catalyst
DPFdiesel particulate filter
ECRelectrochemical recuperator
EEDIenergy efficiency design index
EGRexhaust gas recirculation
EGTexhaust gas temperature
EHVAelectro-hydraulic valve actuation
EPAEnvironmental Protection Agency
e-WGelectronic wastegate
Flex-CPTFlexible Clean Propulsion Technologies
FRMfast-running model
GHGgreenhouse gas
HChydrocarbons
HILhardware-in-the-loop
IMOInternational Maritime Organization
LBGliquefied biogas
LDIlate diesel injection
LFPlithium iron phosphate
LNGliquefied natural gas
LTClow-temperature combustion
MDOmarine diesel oil
MICMACcross-impact matrix multiplication applied to classification
MILmodel-in-the-loop
MOCmethane oxidation catalyst
MPCmodel-predictive controller
MZmultizone
MZMmultizone model
NOxnitrogen oxides
NRMMnon-road mobile machinery
PCproject committee
PESTLEpolitical, economic, social, technological, legal, and environmental
PIDproportional integral derivative
PMparticulate matter
PNparticle number
R&Dresearch and development
RANSReynolds-averaged Navier–Stokes
RCCIreactivity-controlled compression ignition
RTreal-time
RTMreal-time model
SCIGsquirrel cage induction generator
SCRselective catalyst reduction
SCREsingle-cylinder research engine
TRLtechnology readiness level
UVATZUniversity of Vaasa advance thermo-kinetic
SGsteering group
SEEMPship energy efficiency management plan
SOIstart of injection
SOXsulphur oxides
TDCtop dead center
TRLtechnology readiness level
VGTvariable geometry turbocharging
VEBICThe Vaasa Energy Business Innovation Centre
VVAvariable valve actuation
WPwork package

Appendix A

Table A1. Scientific items and theses from the University of Vaasa produced in the CPT project, which are not directly referenced in this article.
Table A1. Scientific items and theses from the University of Vaasa produced in the CPT project, which are not directly referenced in this article.
Brink, A.; Da Silva P. S.P.; Vasudev. A.; Mikulski M.; Aro J.; Hyvönen J. Heat-release shaping for optimal reactivity controlled compression ignition. In Proceedings of the 15th International Conference on Combustion Technologies for a Clean Environment, Lisbon, Portugal, 25–29 June 2023; https://cleanpropulsion.org/wp-content/uploads/2023/08/Paper_Brink.pdf (accessed on 13 January 2025).
Kim, J. Towards next-generation sustainable marine propulsion system with fuel-flexible reactivity-controlled compression ignition (RCCI) combustion for green shipping at KAUST—Combustion Institute Summer School Carbon Free Combustion 2023; https://cleanpropulsion.org/wp-content/uploads/2023/06/Jeyoung-Kim-KAUST-CISS-eposter.pdf (accessed on 13 January 2025).
Mikulski, M.; Bielaczyc P. Clean Propulsion Technologies—Towards new powertrain solutions for marine and off-road segments: a mid-term progress review. WCX SAE World Congress Experience 2023.
Mikulski, M.; Niemi, S.; Hissa, M.; Valkjärvi, P.; Kim, J.; Heikkilä, S.; Nilsson, O.; Kiikeri, A.; Höglund, K.; Söderäng, E.; Storm, X. Our goal: a clean, green, ultra-efficient marine engine with RCCI combustion. A poster at the Research Exhibition of Energy, Energy Week, 21–25 March 2022, Vaasa; https://cleanpropulsion.org/wp-content/uploads/2022/03/Our-goal-a-clean-green-ultra-efficient-marine-engine-with-RCCI-combustion_poster.pdf (accessed on 13 January 2025).
Storm, X.; Vasudev, A.; Shamekhi, A-M. Control-oriented Modeling Toolchain for Reactivity Controlled Compression Ignition Marine Engines. A poster at the Research Exhibition of Energy, Energy Week, 20–24 March 2023, Vaasa; https://cleanpropulsion.org/wp-content/uploads/2023/03/Control-oriented-Modeling-Toolchain-for-Reactivity-Controlled-Compression-Ignition-Marine-Engines.pdf (accessed on 13 January 2025).
Syed, H. U.H. Multi-dimensional forces and niche dynamics in the socio-technical transitions: Future alternative fuels in the shipping industry. Master’s Thesis, University of Vaasa, Vaasa 2022-05; https://urn.fi/URN:NBN:fi-fe2022052438558 (accessed on 13 January 2025).
Vasudev, A.; Hautala, S.; Mikulski M. Towards fully predictive engine-modelling in Clean Propulsion Technologies. A poster at the Research Exhibition of Energy, Energy Week, 21–25 March 2022, Vaasa; https://cleanpropulsion.org/wp-content/uploads/2022/03/Towards-ultra-efficient-large-bore-RCCI-marine-engine_Poster.pdf (accessed on 13 January 2025).
Vasudev, A.; Mikulski, M.; Hyvönen, J. Effects of H2 admixture on RCCI combustion dual-fuel marine engines: A model-based study. In Proceedings of the 14th International Exergy, Energy and Environment Symposium (IEEES-14), Istanbul, Turkey, 24–27 December 2023; https://www.ieees2023.org/ (accessed on 13 January 2025).

Appendix B

Table A2. CPT milestones under responsibility or co-responsibility of University of Vaasa, including status. Milestone numbering reflects the associated WP and task (e.g., M1.2.5 is milestone 5 in task 2 of WP1).
Table A2. CPT milestones under responsibility or co-responsibility of University of Vaasa, including status. Milestone numbering reflects the associated WP and task (e.g., M1.2.5 is milestone 5 in task 2 of WP1).
MilestoneNameStatus
M1.2.1Identification of weak market signals of combustion technology and fuels (state-of-the-art based on the existing literature)Completed
M1.2.2Elaboration of questionnaires and identification and engagement of experts in each panelCompleted
M1.2.3Rounds of expert judgment (at least four rounds) and data consolidations after each round (Delphi 1)Completed
M1.2.4Rounds of expert judgment (at least four rounds) and data consolidations after each round (Delphi 2)Completed
M1.2.5Linking the data from the Delphi studies and the roadmapping exerciseCompleted
M1.3.1Scope definition readyCompleted
M1.3.2The inventory analysis is readyCompleted
M1.3.3The life cycle impact assessment is readyCompleted
M2.5.1Development of control-oriented models for RCCI combustion processCompleted
M2.5.2Development of a model-predictive control algorithm for the RCCI combustion processCompleted
M2.5.3Testing and verifying the developed MPC control algorithm and virtual instrument used therein, by using extensive simulations of the true modelCompleted
M2.5.4Verification of control by practical experiments of a test engine at the VEBIC laboratoryNot completed
M3.2.2First version of the multizone model ready for calibration T3.2Completed
M3.2.3.Multizone model calibrated trend-wise validated on external data, passed to T3.6 and 3.5Completed
M3.2.4.Improved model (CFD validated plus speed enhancement solutions) passed to T3.4Completed
M3.3.1Experimental setup ready for testsCompleted
M3.3.2Experimental program definedCompleted
M3.3.3Experiments completedCompleted
M3.3.4Results analyzed and conclusions drawnCompleted
M3.4.3Experimental program defined for full-scale testsCompleted
M3.5.1GT-Power engine air-path model functionality checkedCompleted
M3.5.2Coupled engine-combustion model trend-wise validated and passed to T3.6Completed
M3.5.3Coupled engine-combustion-aftertreatment trend-wise validated and passed to T3.6.Completed
M3.5.4Coupled model validated to the full experimental platformCompleted
M5.1Plan for the building of the entity completedCompleted
M5.3Functionality validated; measurements completedNot completed
M5.4Observations and results analyzed; recommendations proposedCompleted
M5.5Actual data provided for built modelsCompleted
M5.6Models verifiedCompleted
Table A3. CPT deliverables under responsibility or co-responsibility of University of Vaasa, including status. Deliverable numbering reflects the associated WP and task (e.g., D2.5.1 is deliverable 1 in task 5 of WP2).
Table A3. CPT deliverables under responsibility or co-responsibility of University of Vaasa, including status. Deliverable numbering reflects the associated WP and task (e.g., D2.5.1 is deliverable 1 in task 5 of WP2).
DeliverableNameStatus
D1.2.1Delphi results reportCompleted
D1.3.1LCA/LCC results reportCompleted
D2.5.1Journal paper describing the model-predictive control algorithm used to control RCCI combustionCompleted
D2.5.2Journal paper describing the demonstration and practical verification of the performance of the RCCI engine controlled by an optimal multi-injection control algorithmNot completed
D3.1.1RCCI experimental data literature update reviewCompleted
D3.1.2White paper on the future of combustion-based propulsionCompleted
D3.2.1Conference paper on model validation with CFD resultsCompleted
D3.2.2Journal article—modeling improvementsCompleted
D3.3.1Results reportCompleted
D3.3.2Scientific article about the resultsNot completed
D3.5.1Conference article—complete modeling toolchain validationCompleted
D5.1Report on the full-scale demo plantCompleted
D5.3Scientific article about the results and future opportunities of the entityCompleted
D5.4Report on the functionality of modelsCompleted
D5.5Scientific article about virtual models of multi-engine and energy consumer solutions of shipsCompleted
Table A4. CPT deliverables under responsibility or co-responsibility of University of Vaasa, including status. Deliverable numbering reflects the associated WP and Task (e.g., D0.2 is deliverable 2 in WP0).
Table A4. CPT deliverables under responsibility or co-responsibility of University of Vaasa, including status. Deliverable numbering reflects the associated WP and Task (e.g., D0.2 is deliverable 2 in WP0).
DeliverableNameStatus
D0.1The conference summary of the 1st Clean Propulsion Technologies review meetingCompleted
D0.2The conference summary of the 2nd Clean Propulsion Technologies review meetingCompleted
D0.3The conference summary of the 3rd Clean Propulsion Technologies review meetingCompleted
D0.4The conference summary of the 4th Clean Propulsion Technologies review meetingCompleted

References

  1. Lončarević, Š.; Ilinčić, P.; Šagi, G.; Lulić, Z. Problems and Directions in Creating a National Non-Road Mobile Machinery Emission Inventory: A Critical Review. Sustainability 2022, 14, 3471. [Google Scholar] [CrossRef]
  2. International Maritime Organization. Fourth IMO GHG Study 2020. Full Report. Available online: https://wwwcdn.imo.org/localresources/en/OurWork/Environment/Documents/Fourth%20IMO%20GHG%20Study%202020%20-%20Full%20report%20and%20annexes.pdf. (accessed on 10 January 2025).
  3. International Maritime Organization. Initial IMO Strategy on Reduction of GHG Emissions from Ships. Available online: https://wwwcdn.imo.org/localresources/en/KnowledgeCentre/IndexofIMOResolutions/MEPCDocuments/MEPC.304(72).pdf (accessed on 10 January 2025).
  4. International Maritime Organization. 2023 IMO Strategy on Reduction of GHG Emissions from Ships. Available online: https://wwwcdn.imo.org/localresources/en/OurWork/Environment/Documents/annex/MEPC%2080/Annex%2015.pdf (accessed on 10 January 2025).
  5. Dieselnet. China I/II Emission Standards. Available online: https://dieselnet.com/standards/cn/marine.php#stage1 (accessed on 10 January 2025).
  6. Dieselnet. CARB Provides an Update on Tier 5 Emission Standards for Off-Road Engines. News Posted on 4 November 2023, Updated 17 November 2023. Available online: https://dieselnet.com/news/2023/11carb.php (accessed on 10 January 2025).
  7. Kim, J.; Soleimani, A.; Axelsson, M.; Nousiainen, P.; Mikulski, M. Variable Valve Actuation for Next Generation Marine and Off-Road Engines. Appl. Energy, 2025; in press. [Google Scholar]
  8. Ni, P.; Wang, X.; Li, H. A review on regulations, current status, effects and reduction strategies of emissions for marine diesel engines. Fuel 2020, 279, 118477. [Google Scholar] [CrossRef]
  9. Lion, S.; Vlaskos, I.; Taccani, R. A review of emissions reduction technologies for low and medium speed marine Diesel engines and their potential for waste heat recovery. Energy Convers. Manag. 2020, 207, 112553. [Google Scholar] [CrossRef]
  10. Dallmann, T.; Menon, A. Technology Pathways for Diesel Engine Used in Non-Road Vehicles and Equipment. The International Council on Clean Transportation. 2016. Available online: https://theicct.org/sites/default/files/publications/Non-Road-Tech-Pathways_white-%20paper_vF_ICCT_20160915.pdf (accessed on 10 January 2025).
  11. Kim, J.; Vallinmaki, M.; Tuominen, T.; Mikulski, M. Variable valve actuation for efficient exhaust thermal management in an off-road diesel engine. Appl. Therm. Eng 2024, 246, 122940. [Google Scholar] [CrossRef]
  12. Mikulski, M.; Balakrishnan, P.R.; Doosje, E.; Bekdemir, C. Variable Valve Actuation Strategies for Better Efficiency Load Range and Thermal Management in an RCCI Engine. In Proceedings of the WCX World Congress Experience, Detroit, MI, USA, 10–12 April 2018; SAE Technical Papers. pp. 1–14. [Google Scholar] [CrossRef]
  13. Mikulski, M.; Balakrishnan, P.R.; Hunicz, J. Natural gas-diesel reactivity controlled compression ignition with negative valve overlap and in-cylinder fuel reforming. Appl. Energy 2019, 254, 113638. [Google Scholar] [CrossRef]
  14. Clean Propulsion Technologies. Consortium. Project Website. Available online: https://cpt.cleanpropulsion.org/consortium (accessed on 13 January 2025).
  15. Clean Propulsion Technologies. Project. Project Website. Available online: https://cpt.cleanpropulsion.org/project (accessed on 13 January 2025).
  16. Tsvetkova, A.; Hellström, M.; Schwartz, H.; Rabetino, R.; Syed, H. A transition towards clean propulsion in shipping: The role of PESTLE drivers and implications for policy. Mar. Policy 2024, 16, 106002. [Google Scholar] [CrossRef]
  17. Hellström, M.; Mikulski, M.; Nylund, N.-O.; Wik, C. A new look on the maritime propulsion roadmap—Exploring co-development with the off-road sector. In Proceedings of the 30th CIMAC World Congress on Combustion Engine Technology, Busan, Republic of Korea, 12–16 June 2023; Paper No.: 048. pp. 1–11. [Google Scholar]
  18. Hellström, M.; Rabetino, R.; Schwartz, H.; Tsvetkova, A.; Ul Haq, S.H. GHG emission reduction measures and alternative fuels in different shipping segments and time horizons—A Delphi study. Mar Policy 2024, 160, 105997. [Google Scholar] [CrossRef]
  19. Clean Propulsion Technologies. Summary of the Results of WP1 ‘Roadmapping and Business Feasibility’. Project Website. Available online: https://cpt.cleanpropulsion.org/arkistot/2117 (accessed on 13 January 2025).
  20. Mayanti, M. Life cycle assessment of lithium iron phosphate and electrochemical recuperator cells for city buses in Finland. Environ. Impact Assess. Rev. 2024, 105, 107413. [Google Scholar] [CrossRef]
  21. Mayanti, B.; Hellström, M.; Katumwesigye, A. Assessing the decarbonization roadmap of a RoPax ferry. Marit. Econ. Logist. 2024, 1–24. [Google Scholar] [CrossRef]
  22. Mikulski, M. Clean Propulsion Technologies. A Presentation at IX International Congress on Combustion Engines, Lublin, Poland, 27–28 September 2021. Available online: https://cpt.cleanpropulsion.org/wp-content/uploads/2023/04/IX-International-Congress-on-Combustion-Engines_Mikulski_Final_.pdf (accessed on 13 January 2025).
  23. Storm, X.; Vasudev, A.; Shamekhi, A.-M.; Modabberian, A.; Zenger, K.; Hyvonen, J.; Mikulski, M. Real-time predictive model for reactivity controlled compression ignition marine engines. Control. Eng. Pract. 2023, 141, 105724. [Google Scholar] [CrossRef]
  24. Modabberian, A.; Storm, X.; Vasudev, A.; Zenger, K.; Hyvonen, J.; Mikulski, M. Towards Real-Time Combustion Phase Estimation for linear RCCI Model-Predictive Control Design. IFAC-PapersOnLine 2023, 56, 3170–3177. [Google Scholar] [CrossRef]
  25. Modabberian, A.; Storm, X.; Shamekhi, A.-M.; Vasudev, A.; Zenger, K.; Hyvönen, J.; Mikulski, M. Low Temperature Combustion Modeling and Predictive Control of Marine Engines. Appl. Sci. 2024, 14, 2033. [Google Scholar] [CrossRef]
  26. Storm, X.; Shamekhi, A.-M.; Modabberian, A.; Vasudev, A.; Zenger, K.; Hyvönen, J.; Mikulski, M. Model in loop demonstration of predictive model-based RCCI control in dual fuel marine engine. Control. Eng. Pract. 2024; in print. [Google Scholar]
  27. Nguyen, H.K.; Modabberian, A.; Zenger, K.; Lendormy, É.; Mikulski, M.; Hunicz, J. A Neural Network Approach for Reconstructing In-Cylinder Pressure from Engine Vibration Data. In Proceedings of the SAE Powertrains, Fuels & Lubricants Conference & Exhibition, Kraków, Poland, 6–8 September 2022. SAE Technical Paper, 2022-01-1038. [Google Scholar] [CrossRef]
  28. Nguyen, H.; Modabberian, A.; Zenger, K.; Niskanen, K.; West, A.; Zhang, Y.; Silvola, E.; Lendormy, E.; Storm, X.; Mikulski, M. Machine Learning Methods for Emissions Prediction in Combustion Engines with Multiple Cylinders. IFAC-PapersOnLine 2023, 56, 3072–3078. [Google Scholar] [CrossRef]
  29. Clean Propulsion Technologies. WP3 Novel Combustion and Advanced Aftertreatment. Project Website. Available online: https://cpt.cleanpropulsion.org/project/wp3 (accessed on 13 January 2025).
  30. Yao, T.; Pei, Y.; Zhong, B.-J.; Som, S.; Lu, T.; Luo, K.H. A compact skeletal mechanism for n-dodecane with optimized semi-global low-temperature chemistry for diesel engine simulations. Fuel 2017, 191, 339–349. [Google Scholar] [CrossRef]
  31. CSC Computational Centre of Finland. Services for Research. High Performance Computing. Supercomputer Mahti. Available online: https://research.csc.fi/-/mahti (accessed on 13 January 2025).
  32. Vasudev, A.; Cafari, A.; Axelsson, M.; Mikulski, M.; Hyvonen, J. Towards Next Generation Control-Oriented Thermo-Kinetic Model for Reactivity Controlled Compression Ignition Marine Engines. In Proceedings of the SAE Powertrains, Fuels & Lubricants Conference & Exhibition, Kraków, Poland, 6–8 September 2022. SAE Technical Paper, 2022-01-1033. [Google Scholar] [CrossRef]
  33. Vasudev, A.; Kakoee, A.; Axelsson, M.; Maleki Almani, H.; Hyvonen, J.; Mikulski, M. Advancing autonomy of chemical kinetics based multizone models for reactivity controlled compression ignition engines. Energy Convers. Manag. 2024, 312, 118562. [Google Scholar] [CrossRef]
  34. Kakoee, A.; Mikulski, M.; Vasudev, A.; Axelsson, M.; Hyvönen, J.; Salahi, M.M.; Mahmoudzadeh Andwari, A. Start of Injection Influence on In-Cylinder Fuel Distribution, Engine Performance and Emission Characteristic in a RCCI Marine Engine. Energies 2024, 17, 2370. [Google Scholar] [CrossRef]
  35. Vasudev, A.; Mikulski, M.; Ramanujam Balakrishnan, P.; Storm, X.; Hunicz, J. Thermo-kinetic multi-zone modelling of low temperature combustion engines. Prog. Energy Combust. Sci. 2022, 91, 100998. [Google Scholar] [CrossRef]
  36. Kakoee, A.; Vasudev, A.; Smulter, B.; Hyvonen, J.; Mikulski, M. A predictive 1D modeling framework for reactivity-controlled compression ignition engines, via a chemistry-based, multizone combustion object. In Proceedings of the 16th International Conference on Engines & Vehicles, Capri, Italy, 10–14 September 2023. SAE Technical Paper, 2023-24-0001. [Google Scholar] [CrossRef]
  37. Kakoee, A.; Hunicz, J.; Mikulski, M. Integrated 1D simulation of aftertreatment system and chemistry-based multizone RCCI combustion for optimal performance with methane oxidation catalyst. J. Mar. Sci. Eng. 2024, 12, 594. [Google Scholar] [CrossRef]
  38. Hautala, S.; Mikulski, M.; Söderäng, E.; Storm, X.; Niemi, S. Towards a Digital Twin of a Mid-Speed Marine Engine: From Detailed 1D Engine Model to Real-Time Implementation on a Target Platform. In Proceedings of the IX International Congress on Combustion Engines, Lublin, Poland, 27–28 September 2021; Available online: https://cleanpropulsion.org/wp-content/uploads/2021/12/Towards-a-digital-twin-of-a-mid-speed-marine-engine_Presentation_Hautala.pdf (accessed on 13 January 2025).
  39. Valkjärvi, P. Integrated Data Acquisition for State-of-the-Art Large-Bore Engine Test Cell. Master´s Thesis, University of Vaasa, Vaasa, Finland, 2 November 2022. Available online: https://urn.fi/URN:NBN:fi-fe2022110264145 (accessed on 13 January 2025).
  40. Chang, K.; Babajimopoulos, A.; Lavoie, G.A.; Filipi, Z.S.; Assanis, D.N. Analysis of Load and Speed Transitions in an HCCI Engine Using 1-D Cycle Simulation and Thermal Networks. SAE Trans. 2006, 115, 621–633. [Google Scholar]
  41. Vasudev, A.; Soleimani, A.; Hyvönen, J.; Mikulski, M. Feasible route towards decarbonising marine transport with flexible, hydrogen—Enriched, reactivity controlled compression ignition mid-speed engines. Int. J. Hydrogen Energy, 2025, in press. [CrossRef]
  42. Lehtoranta, K.; Kuittinen, N.; Vesala, H.; Koponen, P. Methane Emissions from a State-of-the-Art LNG-Powered Vessel. Atmosphere 2023, 14, 825. [Google Scholar] [CrossRef]
  43. Ovaska, T.; Spoof-Tuomi, K.; Niemi, S.; Valkjärvi, P.; Maunula, T.; Mikulski, M.; Lehtoranta, K.; Alanen, J.; Happonen, M. Regeneration of a diesel particulate filter by late post-injection of fuel through a close-coupled SCR catalyst. Fuel 2025, 381, 133406. [Google Scholar] [CrossRef]
  44. Ovaska, T.; Spoof-Tuomi, K.; Niemi, S.; Valkjärvi, P.; Mikulski, M.; Lehtoranta, K.; Alanen, J.; Happonen, M.; Maunula, T. Using Late Post-Injection of Fuel via a Close-Coupled SCR Catalyst for Enhancing Diesel Particulate Filter Regeneration. In Proceedings of the ASME 2024 Internal Combustion Engine Division Fall Technical Conference, San Antonio, TX, USA, 20–23 October 2024. [Google Scholar] [CrossRef]
  45. Tushar, M.S.H.; Mannan, M.I.; Azmain, A. Exhaust Gas After Treatment using Air Preheating and Selective Catalytic Reduction by Urea to Reduce NOx in Diesel Engine. Heliyon 2025, 11, e42399. [Google Scholar] [CrossRef]
  46. Zhang, D.; Li, M.; Li, L.; Deng, J.; Li, Y.; Zhou, R.; Ma, L. Failure Analysis and Reliability Optimization Approaches for Particulate Filter of Diesel Engine After-Treatment System. Int. J. Automot. Manuf. Mater. 2025, 4, 2. [Google Scholar] [CrossRef]
  47. Zhang, G.; Yan, H.; Li, T.; Zhu, Y.; Zhou, S.; Feng, Y.; Zhou, W. Relation analysis on emission control and economic cost of SCR system for marine diesels. Sci. Total Environ. 2021, 788, 147856. [Google Scholar] [CrossRef]
  48. Gu, Y.; Epling, W.S. Passive NOx adsorber: An overview of catalyst performance and reaction chemistry. Appl. Catal. A Gen. 2019, 570, 1–14. [Google Scholar] [CrossRef]
  49. Fan, H.; Huang, Z.; Xie, Y. Cost-effectiveness assessment of retrofitting construction equipment for reducing diesel emissions—A life cycle and public health effects perspective. Environ. Impact Assess. Rev. 2025, 113, 107864. [Google Scholar] [CrossRef]
  50. Dallmann, T.; Posada, F.; Bandivadekar, A. Costs of Emission Reduction Technologies for Diesel Engines Used in Non-Road Vehicles and Equipment. 2018. Available online: https://theicct.org/wp-content/uploads/2021/06/Non_Road_Emission_Control_20180711.pdf (accessed on 13 January 2025).
  51. Posada, F.; Isenstadt, A.; Badshah, H. Estimated Cost of Diesel Emissions-Control Technology to Meet Future California Low NOx Standards in 2024 and 2027. The International Council on Clean Transportation 2020, p. 45. Available online: https://theicct.org/wp-content/uploads/2021/06/HDV-emissions-compliance-cost-may2020.pdf (accessed on 13 January 2025).
  52. Ragon, P.L.; Rodriguez, F. Estimated Cost of Diesel Emissions Control Technology to Meet Future Euro VII Standards. The International Council on Clean Transportation. 2021. Available online: https://theicct.org/wp-content/uploads/2021/06/tech-cost-euro-vii-210428.pdf (accessed on 21 February 2025).
  53. Ruehl, C. Final Report Evaluation of the Feasibility, Cost-Effectiveness, and Necessity of Equipping Small Off-Road Diesel Engines with Advanced PM and/or NOx Aftertreatment Contract No. 14-300. California Air Resources Board Research Division. 2019. Available online: https://ww2.arb.ca.gov/sites/default/files/2020-10/14-300.pdf (accessed on 13 January 2025).
  54. Li, Y.; Liao, J.; Xu, H.; Wu, Y.; Cai, Z.; Hu, J. Comprehensive experimental analysis of a diesel engine with an electrically heated catalyst and Close-Coupled SCR during Cold/Hot WHTC. Appl. Therm. Eng. 2025, 262, 125277. [Google Scholar] [CrossRef]
  55. Hu, J.; Wu, Y.; Liao, J.; Cai, Z.; Yu, Q. Heating and storage: A review on exhaust thermal management applications for a better trade-off between environment and economy in ICEs. Appl. Therm. Eng. 2023, 220, 119782. [Google Scholar] [CrossRef]
  56. Clean Propulsion Technologies. WP5 Full Scale Hybrid Technology Demo. Project Website. Available online: https://cpt.cleanpropulsion.org/project/wp5 (accessed on 13 January 2025).
  57. Söderäng, E.; Hautala, S.; Mikulski, M.; Storm, X.; Niemi, S. Development of a digital twin for real-time simulation of a combustion engine-based power plant with battery storage and grid coupling. Energy Convers. Manag. 2022, 266, 115793. [Google Scholar] [CrossRef]
  58. Allam, M.; Fernandez, O.; Linjama, M. Fuel Efficiency Analysis and Control of a Series Electric Hybrid Compact Wheel Loader. SAE Int. J. Commer. Veh. 2024, 17, 197–211. [Google Scholar] [CrossRef]
  59. Mohamed, O.H.H. Utilization of Batteries in the Momentary Load Variations of a Cruise Ship. Master´s Thesis, University of Vaasa, Vaasa, Finland, 29 April 2022. Available online: https://urn.fi/URN:NBN:fi-fe2022042931544 (accessed on 13 January 2025).
  60. Clean Propulsion Technologies. Project Website. Available online: https://cpt.cleanpropulsion.org/ (accessed on 13 January 2025).
  61. Partanen, P. Polttomoottori Ilman Pakoputkea. Tekniikan Maailma. 2023. Available online: https://tekniikanmaailma.fi/lehti/12b-2023/polttomoottori-ilman-pakoputkea/ (accessed on 22 May 2024).
  62. Partanen, P. Laivamoottorit entistä puhtaammiksi—Metaanipäästöt pienemmiksi. Tekniikan maailma, 2022, No. 18/22. Available online: https://wp.tekniikanmaailma.fi/nakoislehti/lue/18-2022-nakoislehti/tm-ratkaisu-laivamoottorit-entista-puhtaammiksi-metaanipaa (accessed on 13 January 2025).
  63. Airaksinen, A. “Polttomoottori on Ylivoimainen Hyötysuhteeltaan”, Sanoo Energiatekniikan Professori ja Kertoo, Miltä sen Tulevaisuus näyttää. Tekniikka & Talous, 2023. Available online: https://www.tekniikkatalous.fi/uutiset/polttomoottori-on-ylivoimainen-hyotysuhteeltaan-sanoo-energiatekniikan-professori-ja-kertoo-milta-sen-tulevaisuus-nayttaa/99d3f909-7d4c-401d-baf5-13430acc83d0 (accessed on 22 May 2024).
  64. Motorship 2023. RCCI Engine will Embed Model-Based Control to Optimise Combustion. Available online: https://www.motorship.com/2-stroke-and-4-stroke/rcci-engine-will-embed-model-based-control-to-optimise-combustion/1480441.article (accessed on 22 May 2024).
  65. Pontinen, S. Future of IC Engine—Will They Vanish Entirely? Can You Make Them Completely Emission-Free? Wasa Innovation Center’s Science Channel. 2023. Available online: https://www.youtube.com/watch?v=oS68eHqACM4 (accessed on 22 May 2024).
  66. Clean Propulsion Technologies. Project LinkedIn. Available online: https://www.linkedin.com/company/clean-propulsion-technologies-project (accessed on 22 May 2024).
  67. Clean Propulsion Technologies. Project X. Available online: https://twitter.com/CleanPropulTech (accessed on 22 May 2024).
  68. Wärtsilä. Wärtsilä´s Year 2022. Available online: https://www.wartsila.com/docs/default-source/investors/financial-materials/corporate-presentations/w%C3%A4rtsil%C3%A4-year-2022.pdf (accessed on 22 May 2024).
  69. Buckley, J. Intermat 2024: AGCO Power Releases More Details Covering CORE50 Engine. Power Progress International. 25 April 2024. Available online: https://www.powerprogress.com/news/intermat-2024-agco-power-releases-more-details-covering-core50-engine/8036946.article (accessed on 22 May 2024).
  70. Kotimäki, E. Menetelmä työkoneiden päästötavoitteiden saavuttamiseksi: Case Study: Tier 5 -päästötavoitteisiin Close-Coupled SCR -tekniikalla. Master´s Thesis, Oulu University of Applied Sciences, Oulu, Finland, 29 April 2022. Available online: https://urn.fi/URN:NBN:fi:amk-202301161344 (accessed on 13 January 2025).
  71. Flexible Clean Propulsion Technologies. Project Website. Available online: https://cleanpropulsion.org/ (accessed on 13 January 2025).
Figure 3. Interlinking the activities of the University of Vaasa in WP2 (task T2.5) with the model-based development framework for the innovative RCCI concept in WP3. Adapted from CPT presentation by Mikulski, M. [22].
Figure 3. Interlinking the activities of the University of Vaasa in WP2 (task T2.5) with the model-based development framework for the innovative RCCI concept in WP3. Adapted from CPT presentation by Mikulski, M. [22].
Energies 18 01240 g003
Figure 15. The main tasks of WP5, including responsible project partners: The University of Vaasa has the main direct contribution in task T5.1 and coordinates the project partners’ activities in all other tasks [56].
Figure 15. The main tasks of WP5, including responsible project partners: The University of Vaasa has the main direct contribution in task T5.1 and coordinates the project partners’ activities in all other tasks [56].
Energies 18 01240 g015
Figure 16. The structure of the main electrical components of the hybrid system model designed in task T5.1. Upper: the squirrel cage induction generator (SCIG) model, together with the frequency converter and its control on the generator side and grid side; lower: BESS, divided into the battery model and battery management system (BMS) model [57].
Figure 16. The structure of the main electrical components of the hybrid system model designed in task T5.1. Upper: the squirrel cage induction generator (SCIG) model, together with the frequency converter and its control on the generator side and grid side; lower: BESS, divided into the battery model and battery management system (BMS) model [57].
Energies 18 01240 g016
Figure 17. (Left): the physical structure of the VEBIC system setup for emulating hybrid diesel-electric drive in CPT task T5.1, including relevant measurement equipment and communication interfaces. (Right): the sample validation results of the hybrid system digital twin build to replicate the physical system (simulations with inactive BESS). Figures adapted from CPT publication by Söderäng et al. [57].
Figure 17. (Left): the physical structure of the VEBIC system setup for emulating hybrid diesel-electric drive in CPT task T5.1, including relevant measurement equipment and communication interfaces. (Right): the sample validation results of the hybrid system digital twin build to replicate the physical system (simulations with inactive BESS). Figures adapted from CPT publication by Söderäng et al. [57].
Energies 18 01240 g017
Figure 18. Basic technical data of the BESS system designed for the VEBIC lab, with sample results of co-simulation with the hybrid system depicted in Figure 10 and Figure 11. The results show the battery’s state of charge and active power demand from the engine during a fast load transient in typical ship operation. Figures adapted from the CPT publication by Söderäng et al. [57] and from internal material from the planning phase of the University of Vaasa in task T5.1.
Figure 18. Basic technical data of the BESS system designed for the VEBIC lab, with sample results of co-simulation with the hybrid system depicted in Figure 10 and Figure 11. The results show the battery’s state of charge and active power demand from the engine during a fast load transient in typical ship operation. Figures adapted from the CPT publication by Söderäng et al. [57] and from internal material from the planning phase of the University of Vaasa in task T5.1.
Energies 18 01240 g018
Figure 19. The management structure of Clean Propulsion Technologies, including the key responsible persons.
Figure 19. The management structure of Clean Propulsion Technologies, including the key responsible persons.
Energies 18 01240 g019
Table 3. The CPT publication process ensured that scientific impact can be achieved efficiently, while ensuring that confidential information is not disclosed.
Table 3. The CPT publication process ensured that scientific impact can be achieved efficiently, while ensuring that confidential information is not disclosed.
Internal task-review (conceptualizes each paper in individual groups)
Bilateral task-review (approves the final draft):
  −
Opens each paper to direct collaborators at an early stage of manuscript preparation;
  −
Gives the opportunity for the collaborator to contribute and agree on content that would not jeopardize the confidentiality agreement;
  −
Decides the publishable contents of the paper;
  −
Manages co-authorship.
WP-level review (gives agreement to submit):
  −
Distributes the draft to all WP-level meeting participants by email with a 14-day commenting period;
  −
If no objections are raised within these 14 days, the content is considered approved to be submitted by the WP-level meeting participants in the present form;
  −
Gives agreement to submit that ultimately means authors have the right to handle the review; review is further approved on a bilateral level only if required.
Informing the PC and SG members:
  −
PC and SG members are informed about the submission;
  −
Provides the final safeguard that no potential confidentiality issues are jeopardized;
  −
In case of critical conflict of interests, the PC members can protest the WP-level decision and ask to withdraw the submission within 14 days after receiving the notification.
Disclaimer/Publisher’s Note: The statements, opinions and data contained in all publications are solely those of the individual author(s) and contributor(s) and not of MDPI and/or the editor(s). MDPI and/or the editor(s) disclaim responsibility for any injury to people or property resulting from any ideas, methods, instructions or products referred to in the content.

Share and Cite

MDPI and ACS Style

Mikulski, M.; Ovaska, T.; Rabetino, R.; Kangasjärvi, M.; Myllykangas, A. Clean Propulsion Technologies: Securing Technological Dominance for the Finnish Marine and Off-Road Powertrain Sectors. Energies 2025, 18, 1240. https://doi.org/10.3390/en18051240

AMA Style

Mikulski M, Ovaska T, Rabetino R, Kangasjärvi M, Myllykangas A. Clean Propulsion Technologies: Securing Technological Dominance for the Finnish Marine and Off-Road Powertrain Sectors. Energies. 2025; 18(5):1240. https://doi.org/10.3390/en18051240

Chicago/Turabian Style

Mikulski, Maciej, Teemu Ovaska, Rodrigo Rabetino, Merja Kangasjärvi, and Aino Myllykangas. 2025. "Clean Propulsion Technologies: Securing Technological Dominance for the Finnish Marine and Off-Road Powertrain Sectors" Energies 18, no. 5: 1240. https://doi.org/10.3390/en18051240

APA Style

Mikulski, M., Ovaska, T., Rabetino, R., Kangasjärvi, M., & Myllykangas, A. (2025). Clean Propulsion Technologies: Securing Technological Dominance for the Finnish Marine and Off-Road Powertrain Sectors. Energies, 18(5), 1240. https://doi.org/10.3390/en18051240

Note that from the first issue of 2016, this journal uses article numbers instead of page numbers. See further details here.

Article Metrics

Back to TopTop