Next Article in Journal
Energy vs. Precious Metals Funds Performance During Commodity Markets Volatility—Evidence from Poland
Previous Article in Journal
How Much Is Needed? Discussion on Benchmarks for Primary Energy Input and Global Warming Potential Caused by Building Construction
Previous Article in Special Issue
Preliminary Assessment of a Hydrogen Farm Including Health and Safety and Capacity Needs
 
 
Font Type:
Arial Georgia Verdana
Font Size:
Aa Aa Aa
Line Spacing:
Column Width:
Background:
Article

Assessment of Hydrogen Storage and Pipelines for Hydrogen Farm

Thermal Power & Propulsion, SATM, Cranfield University, Bedford MK43 0AL, UK
*
Authors to whom correspondence should be addressed.
Energies 2025, 18(5), 1167; https://doi.org/10.3390/en18051167
Submission received: 23 January 2025 / Revised: 18 February 2025 / Accepted: 25 February 2025 / Published: 27 February 2025
(This article belongs to the Special Issue Hydrogen Economy in the Global Energy Transition)

Abstract

This paper presents a thorough initial evaluation of hydrogen gaseous storage and pipeline infrastructure, emphasizing health and safety protocols as well as capacity considerations pertinent to industrial applications. As hydrogen increasingly establishes itself as a vital energy vector within the transition towards low-carbon energy systems, the formulation of effective storage and transportation solutions becomes imperative. The investigation delves into the applications and technologies associated with hydrogen storage, specifically concentrating on compressed hydrogen gas storage, elucidating the principles underlying hydrogen compression and the diverse categories of hydrogen storage tanks, including pressure vessels specifically designed for gaseous hydrogen containment. Critical factors concerning hydrogen gas pipelines are scrutinized, accompanied by a review of appropriate compression apparatus, types of compressors, and particular pipeline specifications necessary for the transport of both hydrogen and oxygen generated by electrolysers. The significance of health and safety in hydrogen systems is underscored due to the flammable nature and high diffusivity of hydrogen. This paper defines the recommended health and safety protocols for hydrogen storage and pipeline operations, alongside exemplary practices for the effective implementation of these protocols across various storage and pipeline configurations. Moreover, it investigates the function of oxygen transport pipelines and the applications of oxygen produced from electrolysers, considering the interconnected safety standards governing hydrogen and oxygen infrastructure. The conclusions drawn from this study facilitate the advancement of secure and efficient hydrogen storage and pipeline systems, thereby furthering the overarching aim of scalable hydrogen energy deployment within both energy and industrial sectors.

1. Introduction

The effective and secure storage and transportation of hydrogen are fundamentally crucial for its prospective utilization as a fuel source and chemical energy carrier. As the significance of hydrogen proliferates across transportation, industrial sectors, and energy production, strategic financial commitments and enabling policies will be imperative to promote its extensive integration and bolster international decarbonization initiatives [1].
Hydrogen is progressively acknowledged as a feasible substitute for fossil fuels, presenting a mechanism to achieve decarbonization in sectors that are particularly difficult to electrify directly. Its adaptability and environmentally benign combustion—resulting solely in water as a byproduct—render it a compelling candidate for mitigating greenhouse gas emissions across diverse industrial domains [2].
In sectors characterized by substantial industrial activity, including steel manufacturing, cement production, and chemical synthesis, hydrogen possesses the potential to supplant carbon-heavy methodologies. For example, in the realm of steel fabrication, hydrogen can function both as a source of energy and as a low-carbon catalytic agent, effectively replacing coke derived from coal. This transition not only mitigates CO2 emissions but also corresponds with international objectives of decarbonization [3].
Rawesat et al. [4] investigated decarbonization methodologies pertinent to intricate economic systems, utilizing Libya as a focal case study, through the incorporation of wind-derived renewable energy, hydrogen, and gas turbine combined cycle technologies. It examines two distinct scenarios: the attainment of energy self-sufficiency and the substitution of oil exports with hydrogen exports, underscoring the substantial requirements for land and infrastructure. The findings underscore the imperative for considerable investments alongside a marked escalation in electricity demand to facilitate the transition toward a sustainable green economy.
The prospective applications of hydrogen encompass the transportation domain, especially in scenarios where battery utilization is impractical. Heavy-duty vehicles, maritime shipping, and aviation sectors stand to gain from the implementation of hydrogen fuel cells or synthetic fuels derived from hydrogen, such as ammonia and methanol. These alternative energy sources possess the capacity to reduce emissions in long-distance transportation, an area where the electrification process encounters significant constraints [5].
One of the significant advantages of hydrogen lies in its potential for energy storage. It can be synthesized during intervals of surplus renewable energy production and subsequently stored for future utilization, thus facilitating the equilibrium of supply and demand. This functionality is essential for the incorporation of renewable energy sources into the electrical grid, guaranteeing a stable and dependable energy supply [6].
Qiu et al. [7] presented an extensive evaluative framework for electric-hydrogen energy systems that integrates the attributes of hydrogen storage and transportation, catering to the requirements of principal stakeholders including wind energy facilities, hydrogen consumers, and transport infrastructures while augmenting conventional deployment metrics to encompass technological, economic, environmental, and user-centric factors. The research delineated an extensive evaluative framework for electric-hydrogen energy systems that integrates the attributes of hydrogen storage and conveyance, fulfilling the requirements of principal system components including wind farms, hydrogen consumers, and the hydrogen transport infrastructure.
Xie et al. [1] examined the advancements and obstacles encountered in the realm of hydrogen storage and transportation, underscoring the imperative for effective systems in response to the escalating global demand for clean and sustainable energy alternatives. It elaborated on a variety of hydrogen storage methodologies, including compressed gaseous hydrogen, cryogenic liquid hydrogen, organic liquid hydrogen, and solid-state hydrogen storage, in addition to exploring diverse transportation modalities such as pipelines, road transport, and maritime logistics, while accentuating the advantages, drawbacks, and technological progress associated with each approach.
Li et al. [8] examined the economic evaluations of diverse hydrogen delivery methodologies to promote the cost-effective and extensive advancement of hydrogen energy through the analysis of various transportation systems, which encompass gas hydrogen trailers, liquid hydrogen tank trucks, and hydrogen pipeline networks. The investigation yielded pragmatic cost assessments, indicating that gas hydrogen trailers are appropriate for short-distance transport, whereas liquid hydrogen tank trucks demonstrate greater economic viability for long-distance conveyance, and pipelines emerge as the most financially efficient alternative when operated at elevated throughput levels.
Pereira et al. [9] investigated the methodologies of the transportation and storage of hydrogen, accentuating the materials employed for optimal storage, which are vital for the pragmatic viability and effective implementation of hydrogen technologies. The analysis emphasized the technological advancements facilitating the transition toward sustainable hydrogen utilization, positioning it as a more efficient substitute for fossil fuels across diverse sectors, encompassing transportation, and harnessing renewable energy.
Naseem et al. [10] elucidated the advancements recently achieved in the domains of hydrogen production, storage, transportation, and application methodologies. Moreover, their study encompassed the significance of feedstock and its economic ramifications on hydrogen to assess the viability of the system. A comparative analysis of the production costs and efficiencies associated with diverse methodologies was conducted, which may serve as a critical component for establishing a sustainable hydrogen economy.
Hydrogen offers the highest gravimetric energy density of any chemical energy carrier. Because of this, hydrogen is the ideal rocket fuel for applications such as spacecraft propulsion.
However, due to its low density, hydrogen requires a sizeable space to be stored at normal temperature and pressure conditions; 1 kg of hydrogen requires a volume of 11 m3, or 0.089 kg/m3 [11]. As a result, storing hydrogen might be difficult in situations lacking available space, such as with mobile applications. There are three primary methods in Figure 1 to store the hydrogen: gaseous, liquid, and chemical. This study will address the compression method related to the storage of gaseous hydrogen on a hydrogen farm. Hydrogen farms are large-scale facilities used to produce, store, and distribute hydrogen, which is usually produced by electrolysis using renewable energy sources like wind or solar power. Since hydrogen is a vital energy carrier for industries, transportation, and power generation, these farms are crucial to assisting the global shift to clean energy that can assist in decarbonizing the world by transitioning from oil to hydrogen via solar, wind, and helium combined cycle gas turbine [12].
In their study titled “Preliminary Assessment of a Hydrogen Farm Including Health and Safety and Capacity Needs”, Alssalehin et al. [13] conducted a comprehensive evaluation of the requirements for hydrogen production under a self-sufficiency scenario aimed at decarbonizing Libya. The authors analysed the necessary number of electrolysers and estimated a power capacity of 199 GW to meet the hydrogen production demands for this scenario. The hydrogen produced must then be stored to operate a combined cycle gas turbine when the sun is not shining or there is insufficient wind. Also, some gaseous hydrogen needs to be stored to enable transfer to a liquefaction plant. Previous research has explored hydrogen storage from various perspectives; however, comprehensive safety procedures for hydrogen farms, particularly those with specified production capacities, remain under-addressed. Building on this gap, the present study investigates gaseous hydrogen storage produced by electrolysers in hydrogen farms, expanding on prior work conducted by the authors. This research is uniquely positioned to address hydrogen storage and pipeline systems within hydrogen farms, emphasising the integration of comprehensive safety requirements and equipment. Specifically, the study identifies the types and sizes of hydrogen tanks required for such farms, along with determining the number of tanks and associated safety measures. Furthermore, the study estimates the quantity of safety equipment needed based on the number of hydrogen tanks employed—a critical topic that has been insufficiently explored in the existing body of literature.

2. Technology of Hydrogen Storage

Hydrogen is a promising energy source, that has potential uses in many industries and sectors, such as manufacturing, power generation, and transportation. However, storing hydrogen is one of the biggest obstacles to its use. The development of hydrogen as a practical substitute for fossil fuels depends on advances in hydrogen storage technology.
Ali et al. [14] examined contemporary progressions in methodologies for hydrogen storage whilst also considering the challenges and prospective developments in this domain. The findings indicated that effective hydrogen storage is essential for the functionality of fuel cell technologies and that further advancements are requisite to achieve storage methods with enhanced energy density.
Xie et al. [1] described the progress and obstacles associated with hydrogen storage and transportation methodologies. They also explained the advantages, constraints, and advancements in the various techniques employed for storage. Furthermore, they underscored the imperative for interdisciplinary cooperation and continuous inquiry, while also delineating challenges such as insufficient density and elevated costs.
Wang [15] predominantly studied the storage of gaseous hydrogen under high pressure, identifying it as the most prevalent technique employed in China, with particular emphasis on its utilization for stationary storage applications; furthermore, the findings regarding solid-state hydrogen storage materials indicated auspicious potential. Additionally, materials based on magnesium exhibit both economic viability and efficacy in hydrogen storage.
Liquid hydrogen storage necessitates the preservation of the fuel at cryogenic temperatures below −252.87 °C to sustain its liquid form, thereby mandating the use of highly insulated reservoirs to mitigate heat transfer. Specialized materials and engineering designs are employed to avert boil-off and ensure safety, given that the diminutive molecular size of hydrogen renders it susceptible to leakage. Sophisticated storage systems frequently integrate pressure relief valves and multi-layer insulation to effectively confront these challenges. As the demand for clean energy escalates, advancements in liquid hydrogen storage are imperative for facilitating its efficient utilization in sectors such as transportation and space exploration [16].
Solid-state hydrogen storage employing metal hydrides presents a secure and compact solution for the sequestration of hydrogen through its chemical interaction with metallic elements. This approach facilitates the reversible absorption and release of hydrogen under meticulously regulated temperature and pressure parameters, thereby ensuring a high volumetric storage density. Metal hydrides are particularly beneficial owing to their inherent stability, diminished likelihood of leakage, and compatibility with both portable and stationary applications. Current research endeavours are concentrated on the optimization of materials to augment storage capacity, decrease costs, and enhance the kinetics associated with hydrogen absorption and desorption, thereby promoting broader implementation [17].
Hydrogen can be stored in gaseous, liquid, or solid state. This study will primarily focus on compressed gaseous storage, with brief information provided on both liquid hydrogen storage and solid-state hydrogen storage using metal hydrides. Table 1 shows a comparison between the three types of storage: gaseous, liquid, and solid state.

Compressed Hydrogen Gas Storage

When hydrogen gas is stored at high pressures, it can be used more effectively for energy storage, transportation, and industrial activities [24]. This technique is known as hydrogen compression storage.
Depending on the specific application, hydrogen can be compressed at pressures up to 700 bar (10,000 psi). The actual gas effects, which reduce density gains at greater pressure and at least linearly increase the mass of the container and the energy needed for compression, pose limitations for storing hydrogen at even higher pressures [25].
Storage and delivery are the main elements of the worldwide supply chain that ensure hydrogen is consistently and promptly available at the user’s or consumer’s end [26]. Hydrogen compression storage is frequently utilised in stationary storage applications and fuel cell vehicles, and it is characterized by high storage efficiency, uncomplicated design, and advanced technology.

3. Applications of Hydrogen Storage

The storage of hydrogen is of critical importance across numerous domains, encompassing transportation, energy generation, industrial applications, and domestic utilization, as depicted in Figure 2.
Transportation includes fuel cell vehicles (FCVs), where the development of FCVs, which offer a zero-emission substitute for traditional automobiles, depends on hydrogen storage. In aerospace, liquid hydrogen is utilised as rocket fuel and may one day be used to power aeroplanes that run on hydrogen [27].
Generation of power includes grid energy storage, whereby storing excess renewable energy, hydrogen can improve grid stability by balancing supply and demand. Additionally, off-grid and remote power applications utilize hydrogen storage devices to provide electricity to off-grid areas with restricted grid access [28].
Industrial processes include hydrogen supply for ammonia production and refineries, where continuous hydrogen supply for industrial processes requires large-scale storage [29].
Residential and commercial use includes backup power systems, where hydrogen fuel cells offer dependable backup power for both residential and commercial facilities. Additionally, portable power devices are enabled by hydrogen storage technologies, making it possible to create portable power systems for electronic devices [30].

4. Hydrogen Compression Storage

To increase storage density and make hydrogen gas more practical for use in a variety of applications, including industrial operations, energy storage, and transportation, hydrogen compression storage involves storing hydrogen gas at high pressures [19]. An outline of the major features of hydrogen compression storage is provided below:

4.1. Principles of Hydrogen Compression Storage

High Pressure Storage: Hydrogen gas is usually compressed to high pressures between 350 and 700 bar (5000 and 10,000 psi) to boost energy density. Because of this, more hydrogen may be stored in a smaller space [31].
Materials and Containers: Specific high-strength materials and containers are needed to safely store hydrogen at this high pressure. Aluminium, stainless steel, and carbon fibre composites are examples of common materials. The containers are made to sustain tremendous pressure without leaking or breaking down [32].

4.2. Compressed Hydrogen Applications

Fuel Cell Vehicles: Fuel cell electric vehicles (FCEVs) require hydrogen compression storage because it offers a small, lightweight method of storing hydrogen for usage inside the vehicle [33].
Renewable Energy Storage: Through the process of electrolysis, surplus electricity from renewable energy sources like solar and wind power may be converted into hydrogen. When there is a lack of renewable energy available, compressed hydrogen possesses the capability to be contained and utilized for the generation of energy [34].
Industrial Uses: Hydrogen is used in many different industries’ operations, including metallurgy, chemical synthesis, and refining. For these uses, compressed hydrogen storage offers a reliable supply [35].

5. Overview of Hydrogen Storage Method

5.1. Hydrogen Tanks for Gaseous Hydrogen Storage

Key design parameters for hydrogen storage vessels encompass the selection of materials, the establishment of operational conditions, and adherence to regulatory standards. Materials such as steel alloys, aluminium, and composite substances are selected based on their mechanical strength, resistance to embrittlement, and weldability characteristics [36]. The operational pressures for stationary tanks typically approximate ~35 bar, whereas for vehicular applications, pressures can reach up to ~700 bar, accompanied by safety factors ranging from 2 to 3. The temperature ranges are contingent upon specific applications, necessitating specialized insulation for cryogenic storage scenarios [37]. The design methodology necessitates the assurance of structural integrity under internal pressure conditions, with materials that exhibit low hydrogen permeability and robust sealing mechanisms implemented to effectively address issues of leakage and permeation. The phenomenon of hydrogen embrittlement is mitigated through the utilization of resistant alloys, the application of protective surface coatings such as nickel plating, and the execution of heat treatments aimed at minimizing residual stresses [38]. Four different types of construction are used:

5.1.1. Type I: All-Metal Vessels

These are completely constructed of metal, usually aluminium or high-strength steel, and no composite materials were used in their construction. It is characterised by easy-to-produce, sturdy, and long-lasting vessels with an extended lifespan, and comparatively less expensive than composite vessels [39].
It is employed in industrial environments where weight is less of an issue and is suitable for stationary hydrogen storage applications; however, its greater weight in comparison to composite-based vessels restricts its usage in applications where weight is crucial, such as transportation [39].

5.1.2. Type II: Metal Liner with Composite Overwrap

This type of construction uses a metallic liner, usually made of steel or aluminium, to create a barrier that is gastight. To add further strength, the liner is overwrapped with composite materials, often carbon fibre or fibreglass [40].
It is characterised by being lower weight than Type I vessels because of the composite materials used, and the structural integrity and hydrogen permeation prevention provided by the metal liner [41].
It is employed in some mobile and stationary applications and fit for applications that need to strike a compromise between cost and weight but is heavier than fully composite vessels Type III and IV [42].

5.1.3. Type III: Composite with Metal Liner

In this type, all composite components, including carbon fibre, are wrapped around a metallic liner, usually aluminium. The metal liner assures gas tightness, while the composite overwrap provides most of the structural strength [41].
Furthermore, it has some advantages, such as greater storage capacity due to the strength of carbon fibre, enabling higher pressure storage., It is also significantly lighter than Type I and Type II vessels, making it appropriate for mobile applications [41].
It is commonly utilised in portable hydrogen storage systems and hydrogen fuel cell cars (HFCVs), among other transportation applications [41]; however, it is also costlier because of the carbon fibre cost and the manufacturing process’ intricacy. The metal liner is still susceptible to hydrogen embrittlement, albeit less so than in Type I and II vessels [41].

5.1.4. Type IV: Composite with Plastic Liner

This type has a non-metallic liner, usually composed of polymers such as high-density polythene. To give the liner structural strength, composite materials—mainly carbon fibre—are wrapped around it [43].
Its benefits include the plastic liner’s resistance to hydrogen embrittlement, which improves safety and longevity, and its status as the lightest of the four varieties, making it perfect for mobile applications where weight is a crucial element [43].
Additionally, because of its great strength and lightweight construction, it is ideal for high-pressure hydrogen storage in transportation. It is mostly utilised in hydrogen fuel cell cars and aerospace applications, but this type is more complex to construct, requiring advanced technology and precise engineering, and the most expensive choice due to the cost of advanced composite materials and production procedures [43]. Table 2 shows the comparison between the three types of compressors.

5.2. Hydrogen Storage Tanks Experimental Data

This section provides an examination of empirical experimental data concerning the storage and transportation of hydrogen, with a particular emphasis on Type III and Type IV composite tanks. It encompasses real-world testing outcomes, such as cycle life, weight efficiency, fatigue testing, and fill/vent protocols that substantiate their superiority in comparison to conventional steel tanks.
Regarding pressure cycling and fatigue, tanks have been subjected to thousands of pressure cycles (ranging from near ambient conditions to the designated operational pressure; for instance, 350 or 700 bar), and the prevailing automotive standard mandates > 5000 cycles at 125% of the nominal operational pressure. The result has shown that both Type III and Type IV tanks exhibit cycle lives exceeding 5000 cycles under standard testing conditions, frequently experiencing no failures before achieving this cycle threshold [44].
For burst pressure testing, tanks are subjected to hydraulic pressurization until failure to verify safety margins (exceeding 2.25 times the service pressure, contingent upon the relevant standard). Furthermore, empirical data generally indicate that Type IV vessels can surpass 2.5 to 3.0 times their designated working pressure before failure [45].
Thermal performance and fast-fill protocols, at a fuelling pressure of 700 bar, in the context of vehicular storage tanks, may experience an elevation in temperature attributed to the compression process, prompting investigations into the efficacy of in situ temperature sensors aimed at regulating the terminal filling temperature (for instance, ensuring it does not surpass 85 °C). Consequently, it is imperative to ascertain the requisite pre-cooling measures (for example, at −20 °C) to facilitate a filling duration of 3 to 5 min, while storage tanks engineered to accommodate augmented fill rates exhibit fuelling durations in practical scenarios that are analogous to those of gasoline (~3 to 5 min for 5 to 6 kg of H2) [46]
Permeation and liner integrity: Type IV polymer liners may demonstrate minor permeation levels (approximately 1–2 standard cm3/h/L of cylinder volume) when subjected to pressures of 700 bar. Conversely, Type III’s metallic liner exhibits enhanced resistance but may incur additional weight. Empirical test data indicate that both liner types consistently operate within prescribed regulatory thresholds, while inspections for liners—whether at the end of their operational lifespan or during mid-life evaluations—are conducted to identify any potential cracks or delamination. Documented field observations involving tens of thousands of Toyota Mirai (Type IV) tanks reveal a negligible incidence of liner failures [47]

5.3. Pressure Vessels and Applications

Hydrogen is generally stored in pressure vessels and containers used in industry and daily life to store gases and liquids under high pressure. Common pressure vessels consist of cylindrical pressure vessels and spherical pressure vessels.
Cylindrical pressure vessels can be further divided into vertical pressure vessels and horizontal pressure vessels depending on how they are configured. Cylindrical pressure vessels can be packed more effectively for storage and transportation and are simpler and less expensive to make. Nonetheless, weak points are located at both ends of the vessel because the joints that connect the heads and body shell function as high-stress sites [48].
On the other hand, because they lack sharp corners, spherical pressure vessels (have a greater volume-to-surface area ratio and equally transfer stress throughout the entire area. Therefore, spherical pressure vessels require only half the wall thickness needed to resist the same pressure as cylindrical pressure vessels, requiring less material overall.
As a result, spherical containers are preferred for the high-pressure storage of fluids. However, producing round-shaped containers is relatively expensive and complicated, and their packing effectiveness is low. Thus, cylindrical pressure vessels continue to be the most common design used in hydrogen gas storage today, with development mostly concentrating on reducing weight and costs throughout the production process.

6. Hydrogen Transportation

To utilize hydrogen H2 fuel across a spectrum of industrial applications, it is imperative to address not only the generation and storage of H2 but also the suitable methodologies for its transportation.
Qureshi et al. [49] evaluated contemporary progressions in methodologies for hydrogen transportation, underscoring technological advancements in pipeline infrastructures, compressed hydrogen conveyance, and liquid hydrogen transport systems, accentuating efficiency and economic viability as pivotal elements propelling the evolution of these technologies within the hydrogen economy, which suggests that hydrogen possesses the capacity to supplant fossil fuels, alongside advancements in production, storage, and transportation methodologies.
Muhammed et al. [50] elucidated the transportation framework pertinent to hydrogen, underscoring significant progress in methodologies and systems. It accentuated the necessity of comprehending compatibility with reservoir fluids and addressing safety considerations to enhance the efficacy of hydrogen transportation and reduce avoidable losses throughout the process.
Rampai et al. [21] described the potential of hydrogen as a pristine energy vector, accentuating its significance within the domain of transportation. It underscored the continuous investigation into innovative materials for storage, which are imperative for the effective transport of hydrogen, thereby facilitating the establishment of a sustainable hydrogen economy and aiding in the decarbonization of multiple sectors.
To mitigate the risk of leaks, it is essential to possess a comprehensive understanding of the properties of H2 before its transport. Hydrogen manifests in various states, contingent upon differing temperatures and pressures, which results in diverse implications for transportation. Table 3 illustrates the various characteristics of transportation modalities.

6.1. Hydrogen Gas Pipeline

Hydrogen gas pipelines are infrastructure created to move hydrogen gas from production sites to final consumers. Due to its potential to decarbonize transportation, power generation, and industry, hydrogen has attracted a lot of attention as a possible clean energy carrier. A vital part of this new hydrogen economy is hydrogen pipelines, which allow for the large-scale and effective delivery of hydrogen [53].
Pipeline Materials: Hydrogen is a small molecule that can penetrate or cause embrittlement in some materials. Because of this, the selection of materials for hydrogen transfer pipelines necessitates a comprehensive evaluation of mechanical characteristics, susceptibility to hydrogen embrittlement, operational parameters, and economic considerations. Critical determinants encompass elevated yield strength, resistance to corrosion, and favourable weldability to guarantee longevity under both pressure and environmental challenges. Carbon steel (e.g., API 5L X70) is economically advantageous and extensively utilized; however, it necessitates protective coatings to alleviate the risks of embrittlement. Stainless steels (304L, 316L) exhibit commendable resistance to corrosion and embrittlement, rendering them particularly suitable for applications involving high-purity hydrogen, albeit at a higher cost and primarily for lower-pressure scenarios. Low-alloy steels, such as chromium–molybdenum alloys, deliver exceptional resistance to hydrogen but incur greater expenses and necessitate specialized fabrication techniques [54]. Composite materials present lightweight and corrosion-resistant alternatives; nevertheless, they are constrained by their pressure capacity and elevated costs. For long-distance pipelines, the utilization of carbon steel with protective coatings is advocated for its economic efficiency, whereas stainless steel or composite materials are favoured in scenarios characterized by corrosive environments or requirements for high-purity hydrogen. The selection of materials is contingent upon the specific requirements dictated by the application [55].
Pressure and Flow Rates: Depending on the length of the pipeline and the intended use, hydrogen pipelines normally operate at pressures between 10 bar and 100 bar (145 psi and 1450 psi). Pipeline hydrogen flow rates are contingent upon demand, with huge industrial pipes capable of conveying substantial amounts of hydrogen over extended distances [56].

6.2. Hydrogen Pipeline-Specific Challenges

Hydrogen Embrittlement: This happens when metals absorb hydrogen, which makes them brittle and more likely to break or malfunction. To lessen this problem, special coatings or materials for pipelines are frequently needed [57].
Leakage: Compared to other gases like natural gas, hydrogen is more prone to leaking because it is the smallest and lightest molecule. To guarantee that hydrogen does not escape during shipping, stringent sealing and monitoring procedures are necessary [58].
Energy Density: The energy density of hydrogen is lower than that of natural gas per volume, which implies that longer pipes or greater pressures could be needed to transfer the same amount of energy as traditional fuels [59].

6.3. Applications of Hydrogen Pipelines

Industrial uses include supplying sizable industrial facilities like refineries, chemical plants, and steel manufacturing sites, which is the most frequent usage for hydrogen pipelines [60]. Hydrogen refuelling stations for fuel cell cars may also be supplied by hydrogen pipelines [61]. Additionally, power generation applications use hydrogen as a fuel for power plants, especially when combined with natural gas, or to power turbines that will eventually produce electricity using hydrogen [62].

7. Compression Equipment

Hydrogen compression constitutes a pivotal element in the effective storage and transportation of hydrogen, with an array of technologies available to facilitate this process. Each technology possesses distinct advantages and constraints, rendering them appropriate for diverse applications. The principal methods encompass reciprocating piston compressors, electrochemical hydrogen compressors, and hydride compressors. Evaluating these technologies hinges on elements like efficiency, price, and operational qualities.
Reciprocating Piston Compressors: These devices are extensively employed in refineries for applications requiring high pressure. Non-lubricated variants are favoured to avert the contamination of hydrogen by oil. Hydraulic-driven piston compressors play a crucial role in hydrogen storage systems, wherein pressure fluctuations and heat transfer emerge as significant operational factors [63]. The implementation of multi-stage compression is advocated to optimize energy efficiency and regulate temperature, thereby achieving pressures ranging from 350 to 700 bar [19].
Electrochemical Hydrogen Compressors: These compressors employ electrochemical reactions to achieve hydrogen compression devoid of moving components. They can achieve pressures that can go up to 1000 bar with remarkable effectiveness. Furthermore, they present advantages concerning maintenance and reliability due to the lack of mechanical parts [64].
Hydride Compressors: These systems utilize metal hydrides to absorb hydrogen at low pressure and subsequently release it at elevated pressures upon heating. They provide high volumetric density along with operational simplicity. However, they are constrained by the weight and cost associated with hydride materials, although they offer the potential for reduced maintenance and enhanced safety [64].
While these technologies present a variety of advantages, the selection of a compression method is contingent upon specific application requirements, which include cost, efficiency, and operational conditions. Ongoing research and development are imperative to augment the feasibility and adoption of these technologies within the hydrogen economy [65]. Table 4 shows the comparison between the three types of compressors.
Based on the comparison between the three types of compressors, it turns out that reciprocating piston compressors represent an optimal selection for hydrogen farms that generate substantial quantities of hydrogen owing to their established efficiency within industrial contexts and their capability to manage elevated flow rates. They consistently attain the requisite pressures for hydrogen storage and transportation, which typically range from 350 to 700 bar, thereby conforming to industry specifications. Their capacity for scalability and their multi-stage configuration facilitate both energy efficiency and thermal regulation in extensive operational settings. Although initial capital expenditures may be considerable, their competitive operational costs render them a financially viable option for high-volume applications.

8. Hydrogen Compression Equipment Applications

Hydrogen refuelling stations are one of the fastest-growing markets for hydrogen compression equipment, where compressors are required to fill the hydrogen storage tanks used by fuel cell vehicles [71]. Also, compressors ensure hydrogen is supplied at the proper pressure for some applications such as industrial use, including manufacturing methanol and ammonia, and refining processes [72]. In energy storage (power-to-gas), hydrogen is produced by electrolysis from surplus renewable energy, then compressed and stored for later use as an energy storage method [73]. For pipeline transportation, compressed hydrogen is transported over long distances through pipelines, enabling its availability for industrial applications and refuelling stations [1].
Mechanical compressors, including reciprocating, diaphragm, and rotary screw types, exhibit high technology readiness levels and are extensively utilized within industrial contexts such as refineries, chemical manufacturing facilities, and global hydrogen refuelling stations. Firms like Linde, Air Liquide, and Nel Hydrogen have successfully commercialized these compressors, showcasing their capacity to manage hydrogen flow rates that range from several kilograms per hour to multiple hundreds of kilograms per hour in practical applications. In contrast, nascent compression technologies, such as electrochemical hydrogen compression and metal hydride systems, are still in the pilot or initial commercial phases, primarily undergoing evaluation at smaller demonstration projects or within specialized contexts [74]. Regarding hydrogen storage solutions, Type III (metal-lined) and Type IV (polymer-lined) composite cylinders are both widely employed in advanced commercial applications—Type III cylinders are commonly observed in transport trailers or bus fleets, whereas Type IV cylinders predominately serve passenger fuel cell vehicles, including models like the Toyota Mirai and Hyundai Nexo, owing to their enhanced weight efficiency [75].

9. Potential Technical Risks of Different Types of Compressors and Hydrogen Tanks

Potential technical hazards exhibit variability contingent upon the specific technology employed. Mechanical compressors encounter difficulties in sealing degradation, hydrogen embrittlement—particularly concerning metallic components—and the potential for efficiency reductions under exceedingly high-pressure conditions; however, these challenges have been substantially alleviated through judicious material selection and adherence to engineering best practices. Electrochemical compressors and metal hydride systems, despite their appealing attributes related to simpler configurations or distinctive operational advantages, necessitate advancements in membrane longevity and thermal regulation before achieving comparable throughput and dependability to that of mechanical systems. Similarly, hydrogen embrittlement and fatigue may present threats to cylinders featuring metallic liners (Type III), whereas those with polymer liners (Type IV) grapple with permeation losses over extended durations [76].

10. Oxygen Transport Pipeline

The oxygen transport pipeline produced by an electrolyser is a key component of systems designed for water electrolysis, which is a process that splits water (H2O) into hydrogen (H2) and oxygen (O2) using electricity. The hydrogen is normally collected and stored or transported for use as a clean fuel or chemical feedstock, while the oxygen is also produced as a byproduct in large amounts [77].

10.1. Key Aspects

10.1.1. Oxygen Separation and Handling

After the anode generates oxygen, it must be divided and sent into a transport pipeline. The oxygen is transported via this pipeline from the electrolyser to a storage or final usage region. Since the oxygen generated is often clean, it can be utilised directly in sectors like steel, glass, and medical facilities that need high-purity oxygen [78].

10.1.2. Pipeline Design

The design of the oxygen transport pipeline is influenced by several variables such as pressure which is a key factor, as electrolyser-produced oxygen is often under low to moderate pressure, requiring the pipeline to be built to withstand high pressures without leaking. Material selection is critical because oxygen’s high reactivity, especially under pressure, necessitates the use of oxidation- and corrosion-resistant materials, such as stainless steel. Purity requirements are also important, as the pipeline system must be airtight and free of impurities to maintain the oxygen’s purity; leaks or contaminants could compromise its quality depending on the intended use [79].

10.1.3. End-Use Considerations

Oxygen is transported via the pipeline either straight to end-use applications or to storage tanks. These could include off-site transportation for use in wastewater treatment, chemical manufacture, or medical applications, as well as on-site industrial usage (such as oxy-fuel combustion in furnaces) [80].

10.1.4. Monitoring and Control

It is crucial to keep an eye on the flow rate, pressure, and purity of oxygen because it can be a dangerous gas at times. To identify breaches, pressure drops, or contaminants in the oxygen stream, sensors are frequently placed along the pipeline [81].

10.2. Applications of Oxygen Produced by Electrolysers

Oxygen has diverse applications across various fields, including industrial processes that utilize oxygen in high-temperature combustion processes, such as in steel and glass production. Medical use involves providing pure oxygen produced by electrolysers to hospitals for oxygen therapy and other medical applications. Environmental applications include its use in wastewater treatment, where oxygen supports the growth of aerobic bacteria that break down organic materials [82].

11. Comparison of the Costs of Different Storage and Transportation Modes

Table 5 presents a succinct comparative analysis of the financial expenditures (capital expenditures plus operational expenditures) associated with diverse hydrogen storage and transportation methodologies. The actual financial implications are contingent upon specific project parameters and may fluctuate according to geographical, scale-related, and market dynamics.

12. Health and Safety

Health and safety procedures for hydrogen storage tanks and hydrogen gas transport pipelines refer to the rules, procedures, and methods intended to guarantee the secure handling, management, and storage of hydrogen [88]. Raghavendra Rao et al. [89] mentioned that these protocols are essential for preventing mishaps, safeguarding employees, and avoiding environmental dangers related to hydrogen, which is extremely combustible and can present serious threats in the event of leaks, fires, or explosions. Therefore, the following procedures should be considered while designing, building, and operating the hydrogen farm:

12.1. Storage System Design

Material Selection: Use materials that are compatible with hydrogen to avoid embrittlement, which can erode metal and cause leaks or failures in storage systems [90].
Ventilation: Since hydrogen is lighter than air and can build up in confined areas, proper ventilation is essential to reducing the risk of explosions. In the event of a leak, ventilation systems should guarantee the quick dispersal of hydrogen [91].
Containment and Pressure Systems: To prevent over-pressurization during high-pressure storage, systems need to be built to resist extremely high pressures and incorporate pressure release mechanisms [92].
Leak Detection: As hydrogen is highly flammable, has low ignition energy, and can escape through even the smallest openings, it is an essential safety feature in hydrogen storage facilities. Advanced leak detection systems employ a variety of sensor technologies to keep an eye out for hydrogen leaks and quickly sound alarms or shut-off mechanisms to prevent mishaps. Hydrogen leak detection systems utilising sensors like electrochemical, catalytic, or thermal conductivity sensors must be deployed. These detectors ought to be connected to automated alerts and shut-off mechanisms [93].
Given that hydrogen is lighter than air, these leak detection sensors should be placed close to storage tanks, pipeline joints, and pressure relief devices—areas where leaks are most likely to occur—as well as high points within enclosures to keep an eye out for accumulation. Additionally, ventilation outlets may be used to detect hydrogen that could escape through ventilation systems, to keep an eye out for any hydrogen that can leak and escape through the ventilation paths; also, ventilation outlets can be outfitted with sensors or detection devices. This ensures safety by quickly detecting possible leaks.

12.2. Fire and Explosion Prevention

Control of Ignition Sources: Sparks, open flames, and static electricity can all readily ignite hydrogen due to its low ignition energy. Electrical systems close to storage facilities need to be explosion-proof, and every piece of equipment needs to be grounded to avoid static discharge [94].
Zoning and Separation: To prevent hydrogen from being ignited by objects like electrical equipment and open fires, hydrogen storage spaces should be zoned to keep them apart from other operating areas [94].
Gas Purging: To avoid the formation of explosive combinations, hydrogen in the storage tank should be completely purged and replaced with inert gases, such as nitrogen, before working on storage systems [94].

12.3. Handling Procedures

Training: Employees handling hydrogen storage systems need to be instructed on the unique dangers associated with hydrogen, such as flammability, leak potential, and emergency protocols [95].
Personal Protective Equipment (PPE): When dealing with hydrogen, it is advisable to use gloves, safety goggles, flame-resistant clothing, and, in certain situations, respiratory protection [96].
Maintenance and Inspection: It is essential to do routine maintenance on hydrogen storage systems, especially on pressure vessels and piping, to look for indications of wear, corrosion, or damage [97].

12.4. Emergency Procedures

Emergency Services: Access to emergency services in a hydrogen farm entail creating unobstructed, uncluttered routes so that staff, fire vehicles, and ambulances may get to vital locations fast. Safety rules should be followed, emergency routes should be indicated, and they should be close to control rooms, storage tanks, and shut-off mechanisms. Frequent exercises and cooperation with nearby emergency personnel improve readiness and response effectiveness [98].
Leak Management: Evacuation procedures should be followed, leak detection systems should activate emergency shut-off valves, and people should be notified [99].
Fire Response: Because hydrogen fires burn with almost invisible flames, it takes specialised infrared cameras or detectors to detect them. Isolating the hydrogen source is necessary to put out the fire, it is recommended to refrain from merely extinguishing a hydrogen fire due to the presence of imperceptible flames; when hydrogen undergoes combustion, it produces a predominantly colourless flame, particularly in daylight conditions, which renders it challenging to detect. Engaging in attempts to extinguish the fire without a comprehensive comprehension of its magnitude could result in segments of the flame continuing to burn undetected, thereby presenting a significant hazard of reignition or potential injury. Furthermore, hydrogen possesses a high flammability and can easily reignite if a source of hydrogen gas remains present.
Moreover, when hydrogen escapes and does not combust, it can mix with the air to generate a highly explosive mixture. Suppose that a hydrogen fire is quelled while the leak persists. In that case, the resulting flammable hydrogen gas could ignite explosively upon contact with a spark or heat source presenting a greater hazard than the original fire.
Therefore, terminating the source by ceasing the flow of hydrogen through the closure of valves or isolation of the leak’s origin is deemed a best practice rather than directly extinguishing the hydrogen fire. However, water spray or mist can be used to cool the surrounding region to prevent the fire from spreading to other areas.
Area Control and Evacuation: It is important to practice evacuation drills and to indicate emergency exits. Only authorised staff should be able to enter the zones surrounding the storage facility [100].

12.5. Regulatory Compliance [101]

Adherence to Standards: Hydrogen storage systems are required to adhere to stringent safety regulations such as COMAH (UK/EU) on significant accident hazards, necessitating risk assessments, safety management systems, and compliance audits. The EU ATEX Directives stipulate the necessity for explosion-proof apparatus and designated work zones, whereas ISO standards (e.g., ISO 19880-1 [102], ISO 15916 [103]) provide international safety protocols for the management of hydrogen. In the US, OSHA, NFPA, and DOT delineate workplace safety protocols, fire prevention strategies, and requirements for transportation. Japan’s High-Pressure Gas Safety Act mandates a multi-tiered approval process, seismic-resistant installations, and remote monitoring systems to guarantee the secure storage and distribution of hydrogen [104].
Permitting and Reporting: Hydrogen storage facilities are mandated to secure permits before the initiation of construction, encompassing Environmental Impact Assessments (EIA) as well as approvals for hazardous material storage from regulatory authorities such as COMAH (UK/EU), EPA (US), and METI (Japan). The establishment of large-scale storage facilities may necessitate public consultations to ensure transparency regarding safety protocols. The reporting of incidents is obligatory, wherein occurrences such as leaks, fires, and explosions necessitate timely notifications to agencies including HSE (EU), EPA (US), and METI (Japan), adhering to specified timeframes; additionally, facilities are required to present annual compliance reports detailing inspections and the safety of equipment. These protocols are instituted to guarantee the secure storage of hydrogen, continuous monitoring, and compliance with regulatory standards [105].

12.6. Environmental and Health Considerations

Monitoring for Oxygen Displacement: In small areas, the risk of the formation of a flammable atmosphere and fire/explosion is more significant. Oxygen displacement by nitrogen used for purging would probably be more relevant. Hydrogen also has the potential to displace oxygen, which can cause asphyxiation [106].
Safe Hydrogen Disposal: To prevent explosive mixtures with air from forming, hydrogen that has been purged from systems should be properly released into the atmosphere. To release it properly and guarantee the secure management and expulsion of hydrogen, specialized vent stacks outfitted with flame arrestors ought to be situated at considerable heights above the ground to promote safe dispersal. Hydrogen concentrations must be vigilantly monitored using detectors to avert the emergence of flammable levels, which are defined as ranging from 4% to 74% in ambient air. It is imperative to eradicate any potential ignition sources in proximity to the release site while ensuring sufficient separation distances to mitigate associated risks. The expulsion of hydrogen at elevated locations and velocities facilitates swift dispersion into the atmosphere, thereby diminishing the likelihood of perilous accumulation. When feasible, it is advisable to emphasize controlled storage or utilization of hydrogen instead of habitual atmospheric release to bolster safety and uphold environmental stewardship [107].

12.7. Communication and Signage

The facilitation of effective communication and the implementation of appropriate signage are paramount for the assurance of secure hydrogen storage, management, and emergency preparedness. Accurate labelling, cautionary indicators, and essential safety information are instrumental in mitigating the risk of incidents, enhancing awareness of hazards, and ensuring adherence to regulatory standards. Presented below is a comprehensive analysis of the fundamental elements of communication and signage within hydrogen storage facilities.
Clear Labelling: Hydrogen storage facilities must be distinctly marked with standardized warnings about flammability, explosion hazards, and asphyxiation risks, following the stipulations set forth by OSHA, NFPA, GHS, and ISO regulations. The signage should prominently display “DANGER: FLAMMABLE GAS”, “NO SMOKING”, and “HYDROGEN STORAGE AREA—AUTHORIZED PERSONNEL ONLY”, in addition to employing colour-coded pipe labels, indications for shutoff valves and emergency action signage to facilitate prompt responses [89].
Safety Data Sheets (SDS): A Safety Data Sheet (SDS) constitutes a requisite document that delivers essential information on hydrogen safety, encompassing hazard identification, first aid protocols, guidelines for handling and storage, as well as emergency response strategies. Institutions are obligated to guarantee that all personnel have access to SDS documents in both physical and electronic formats, alongside regular training concerning hydrogen-related hazards, fire dangers, and first aid techniques. Adherence to OSHA’s Hazard Communication Standard (HCS) and GHS regulations necessitates periodic updates of SDS documents to uphold safety within the workplace [108].

13. Application of Health and Safety

Applying health and safety procedures for hydrogen storage in a practical setting necessitates meticulous preparation, following rules, and routine observation. The key is to incorporate these protocols into regular operations, making sure that staff members are properly trained and that safety precautions are consistently observed. Here is how to implement these health and safety procedures step-by-step in a hydrogen farm.

13.1. Risk Assessment and Site Evaluation

Perform a Risk Assessment: The project manager and safety engineers as a team should evaluate the facility’s risks thoroughly before installing any hydrogen storage systems. This entails locating potential dangers such as sources of ignition, poorly ventilated regions, or places where equipment is more likely to break down.
Assess the Site’s Design: The team must also ensure that the storage location is kept apart from other areas used for operations, especially those that have sources of ignition (such as welding facilities or machines). Zoning plans can facilitate determining safe separations between hydrogen storage and other operations.
Make a Ventilation Plan: Moreover, make sure there are adequate mechanical or natural ventilation measures in place to stop hydrogen gas from building up in small areas.

13.2. Design and Installation of Storage System

Choose Appropriate Materials: To avoid hydrogen embrittlement or leakage, use materials that have been specially tested and approved for hydrogen storage. This holds for pipelines, seals, storage tanks, and other parts.
Pressure Management: To avoid over-pressurization, install high-pressure storage tanks with integrated pressure relief valves. Make sure these tanks are rated for the proper pressure levels required for hydrogen farm applications (such as compressed hydrogen).
Leak Detection Systems: Install leak detection systems throughout the storage facility utilising sensors that measure heat conductivity, catalysis, or electrochemistry. In the event of a leak, these sensors must be linked to automated alerts and shut-off mechanisms to notify staff members.
All of these duties should be considered by project managers and safety engineers while planning and building the hydrogen farm.

13.3. Establish Operational Measures

Standard Operating Procedures (SOPs) Should Be Made: Provide precise SOPs that specify the proper handling, storing, and transportation of hydrogen. This covers the protocols for routine maintenance, emergency responses, and tank refills.
Sources of Controlled Ignition: Make certain that all electrical systems close to hydrogen storage facilities are impervious to explosions, and eliminate any possible sources of ignition, such as exposed fires, static electricity, or spark-prone equipment. To avoid static buildup, regularly examine and ground all equipment.
Procedures for Inert Gas and Purge: Before doing maintenance, establish protocols for draining hydrogen from storage tanks and pipes. To displace the hydrogen and stop explosive combinations from forming, use inert gases like nitrogen.

13.4. Training and Education

Staff Training Programmers: Provide regular training on the unique hazards related to hydrogen storage, such as flammability, leak risks, and appropriate emergency protocols, to all staff members who operate with or around hydrogen. Training should include how to utilise protective equipment correctly, identify leaks and fires, and handle hydrogen safely.
Drills for Emergencies: To make sure that staff members are knowledgeable about fire suppression techniques, evacuation protocols, and emergency exit locations, conduct frequent emergency exercises. Make sure drills mimic actual situations, including a fire or hydrogen leak.

13.5. Inspection and Maintenance

Regular Inspections: Arrange for routine examinations of all hydrogen storage apparatus, encompassing containers, pipelines, gaskets, and leak detection mechanisms. Keep an eye out for indications of deterioration, corrosion, leaks, or damage, and replace or fix any broken equipment right once.
Preventive Maintenance: Establish a preventative maintenance programme to make sure that sensors, pressure relief valves, and other important parts are frequently inspected and maintained to guarantee optimal performance.

13.6. Readiness for Emergencies

Emergency Response Plans: Create thorough emergency response plans that specify what should be done in the case of an explosion, fire, or hydrogen leak. These plans ought to include evacuation routes, shutdown techniques, and methods for contacting emergency services.
Fire Suppression Systems: Place suitable fire suppression systems around the storage area, such as mist or water spray systems, while taking care to isolate rather than extinguish hydrogen fires. Make sure that specialised infrared detectors are used to spot hydrogen fires because they can burn with almost invisible flames.
Isolation Zones: Set apart particular areas near hydrogen storage tanks so that only authorised people may enter. Make these areas easily apparent by using barriers and signs.

13.7. Documentation and Compliance with Regulations

Observance of Regulations: Make sure that the hydrogen storage regulations in your business meet all municipal, national, and international requirements. This entails abiding by regulations set forth by the National Fire Protection Association (NFPA), the Occupational Safety and Health Administration (OSHA), the International Organisation for Standardization (ISO), and other pertinent organizations in hydrogen farms such as the International Energy Agency (IEA) and International Renewable Energy Agency (IRENA).
Licenses and Accreditations: Obtain any licenses needed for hydrogen storage and make sure the systems are approved by the relevant authorities. Keep abreast of any regulatory changes that might impact how hydrogen is stored.

14. Safety Distance

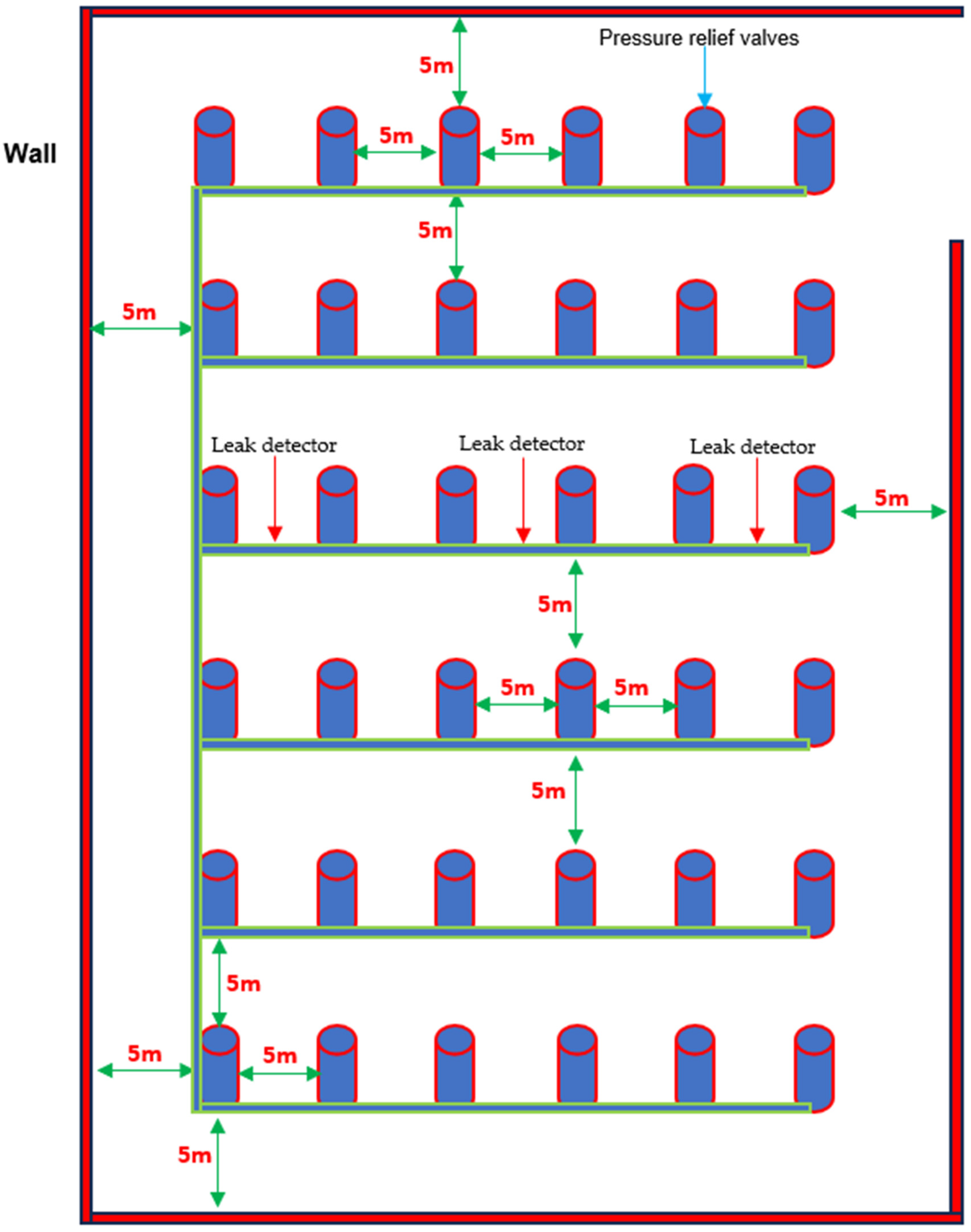
The safety distance is the minimum amount of space that must exist between a potentially dangerous source, like a hydrogen storage tank, and other pieces of machinery, buildings, or populated places. In addition to preventing chain reactions, such as incidents spreading to nearby tanks or equipment, especially for flammable substances like hydrogen, this distance is intended to reduce the risk of injury or damage in the event of a release, leak, fire, or explosion. Additionally, it protects occupied areas by making sure that any facilities, control rooms, or public areas are far enough away to be safe from potential impacts [109].
For large hydrogen tanks (1000 kg) with pressures up to 700 bar, the recommended safety distance is 5 m in hydrogen farms and larger storage facilities [110].

A View of the System

Alssalehin et al.’s “Preliminary Assessment of a Hydrogen Farm Including Health and Safety and Capacity Needs” [13] identified that 199 GW of electrolyser capacity would be required for self-sufficiency and 519 GW for export purposes along with capacity needs and health and safety requirements due to the hydrogen storage within the hydrogen farm described in the previous paper.
This research focuses specifically on the storage of gaseous hydrogen within the hydrogen farm framework outlined in the previous paper. Additionally, drawing on the “Greening an Oil Exporting Country” study (a case study on the integration of Libyan hydrogen, solar, and gas turbines), the required number of combined cycle gas turbines, each with a 600 MW capacity and powered by hydrogen, was determined to be 54 for operation during sunless hours. These turbines would consume 11.77 ktonnes of the 15.361 ktonnes of hydrogen produced on a typical winter day [111].
Diaphragm compressors are preferred for compressing hydrogen because they ensure high purity by preventing contact between hydrogen and any lubricants or contaminants. Additionally, these compressors are specifically designed to minimize leaks—essential when dealing with hydrogen due to its small molecular size and flammability. They are also capable of achieving very high discharge pressures, reaching up to 900 bar, making them ideal for applications that require compressed hydrogen for storage or transport.
Type III hydrogen tanks are typically the best choice for storing hydrogen produced at this farm. These tanks are engineered to meet the high-pressure demands of hydrogen storage, offering a good balance of weight, strength, and safety making them suitable for both stationary and mobile applications. Featuring a metal liner, usually aluminium, fully wrapped in composite materials like carbon fibre or fibreglass, they can handle pressures up to 700 bar or more. This combination of durability and high-pressure capability makes them ideal for hydrogen farm needs, providing reliable storage with a reasonable cost-to-strength ratio.
As a result, the amount of hydrogen that needs to be stored for self-sufficiency is 28,889 tonnes and for export 78,614 tonnes. Therefore, this hydrogen farm will require 108 tanks, each with a 1000 kg capacity, at a pressure of 700 bar and volume of 23.8 m3 to meet both self-sufficiency and export needs.
Various assemblies of tanks must be systematically allocated throughout the hydrogen farm. Configuring tanks into clusters as shown in Figure 2 facilitates a careful balance between mitigating risks and efficiently administrating sources. So, tanks should be distributed over three locations throughout the whole farm, with 36 tanks in each location.
The minimum separation distances for these tanks should be 5 m between individual tanks to prevent fire spread. A wall should be built surrounding these tanks. These walls should be fire-resistant and strong enough to protect against external hazards such as vehicle impacts, explosions, or fire, and also to prevent chain reactions and protect surrounding areas from potential damage.
With an input pressure from the electrolyse at 30–35 bar and a minimum outlet pressure of 25–30 bar at the consumer’s end, the hydrogen production and consumption locations are expected to be 15–50 km apart. For this hydrogen farm, which includes 199 GW of electrolysers to achieve self-sufficiency needs with a hydrogen production capacity of 200,000–220,000 m3/h. Pipe diameters have been defined based on [112] study, which should be a 14-inch pipeline to transfer the hydrogen.
Similarly, the oxygen pipeline requires an input pressure of 30–35 bar and an outlet pressure of 25–30 bar over the same 15–50 km distance. Given an oxygen production rate of 100,000–110,000 m3/h. An 18-inch pipeline would be needed for oxygen transport within this hydrogen farm [112] The amount of oxygen that will be produced should be transferred to other users such as hospitals.
Pressure relief valves should be installed on each tank to avoid over-pressurization, which leads to explosion. So, in this hydrogen farm, the number of pressure relief valves required is estimated at around 216 valves for the farm containing 108 hydrogen tanks.
For a hydrogen farm with 108 tanks, it is estimated that 54 leak detectors and sensors will ensure comprehensive coverage installing one between each two tanks. However, a site-specific safety engineer should verify the exact number and placement of these detectors, considering the local layout and safety regulations. Sensors are meticulously positioned to ensure maximal surveillance in regions identified as high-risk, commonly situated in areas that exhibit the greatest vulnerability to leaks and gas accumulation. These strategic placements encompass zones adjacent to potential leak sources, including compressors, pressure regulators, valves, flanges, pipe junctions, and tanks, as well as proximate to ventilation inlets and outlets, thereby facilitating the detection of leaked gas before its dispersion or escape. Furthermore, the placement of sensors is informed by the characteristics of the gas under observation; for gases with a tendency to rise, such as hydrogen, detectors are implemented at or near the apex of enclosed environments.
Safety engineers must adhere to pertinent standards that delineate the maximum permissible distance between sensors or the minimum required coverage density to guarantee adequate surveillance. In areas characterized by constrained spatial configurations or intricate geometrical arrangements.
Redundancy and zoning are of paramount significance in critical applications, wherein multiple sensors may be strategically positioned within overlapping “zones”. Should one sensor encounter a failure or undergo calibration drift, an alternative sensor located within the same zone retains the capability to identify leaks.
Most systems utilize multi-level alarm thresholds that are set as a fraction of a gas’s Lower Flammable Limit (LFL) or Lower Explosive Limit (LEL), with hydrogen’s LFL being approximately 4 vol%, leading to sensors typically being configured based on this value following these parameters:
First (Low) Alarm: 10–20% of the Lower Flammability Limit (i.e., approximately 0.4–0.8 vol% H2). This particular threshold serves as an initial alert, enabling operators to conduct investigations into potential leakages without necessitating an immediate cessation of plant operations [113].
Second (High) Alarm: 25–50% of the Lower Flammability Limit (approximately 1.0–2.0 vol% H2). At this juncture, automated safety protocols may be activated (for instance, the initiation of mechanical ventilation, the suspension of certain operational processes, or the isolation of specific sections) [113].
Emergency Shutdown Alarm: 50–100% of the Lower Flammability Limit (approximately 2.0–4.0 vol% H2). This delineates a critical threshold, where immediate operational shutdowns, evacuation directives, or automatic fire suppression measures may be enacted [114].
Sensors ought to undergo factory calibration at predetermined intervals (for instance, every three to six months or according to the specifications provided by the manufacturer). In the context of hydrogen applications, the response time of the sensor is of paramount importance. The installation of sensors characterized by rapid response times guarantees prompt detection and diminishes the potential for gas accumulation; furthermore, systematic functional assessments should be conducted, along with bump tests and calibrations, to ensure that the alarm setpoints retain their accuracy over time. Figure 3 illustrates the implemented safety distances and safety equipment associated with hydrogen storage tanks, which are additionally encircled by blast-resistant walls.

15. Comprehensive Risk Assessment and Management Strategy for Hydrogen Storage and Piping Systems

Hydrogen storage and transportation infrastructure encounter distinct hazards attributable to the intrinsic characteristics of hydrogen, such as its propensity for combustion, diminutive molecular dimensions, and the likelihood of causing material embrittlement. The diminutive molecular size of hydrogen renders it susceptible to leakage, thereby augmenting the hazards associated with fire and explosion owing to its extensive flammability spectrum and minimal ignition energy requirements.
The storage of compressed hydrogen introduces potential threats of vessel rupture or pipeline failure because of elevated pressures. Over time, hydrogen can induce material embrittlement, resulting in the formation of cracks and subsequent structural failures. A rapid depressurization event may lead to freezing phenomena, which could jeopardize the integrity of system components and disrupt operational efficacy. These inherent risks underscore the imperative for the implementation of rigorous design protocols and comprehensive safety measures within hydrogen systems.
Operational Risks: The occurrence of human error during the operational or maintenance phases may catalyse incidents such as leaks or equipment failures. The malfunctioning of equipment, which may include defective valves, compressors, or sensors, can result in systemic instability and pose significant safety risks. Prolonged exposure to moisture or contaminants may trigger the corrosion of materials, thereby compromising their structural integrity and operational lifespan.
Environmental Risks: Unregulated emissions of hydrogen gas could potentially intensify climate change by prolonging the atmospheric persistence of methane, which is an exceedingly potent greenhouse gas. Inadequate disposal practices concerning storage tanks, pipelines, or other components of the system may negatively impact the environment by introducing non-biodegradable or hazardous materials into the ecosystem. Hydrogen possesses the capacity to impact soil ecology when present in elevated concentrations (for instance, resulting from a rupture in a pipeline located close to the terrestrial surface). Certain microbial communities may undergo alterations in their composition if an ample hydrogen source is available, which could potentially modify the cycling of nitrogen or carbon within soil ecosystems. Although hydrogen itself does not exhibit toxic properties, the alteration of local redox conditions may interfere with specific microbial processes, particularly within confined or inadequately aerated subsurface environments [115].
In circumstances where a significant leakage occurs within a confined or semi-confined space (for instance, within a storage tunnel or in proximity to a delicate ecological habitat), hydrogen gas has the potential to displace oxygen, thereby impacting local fauna. Should the concentration of hydrogen reach levels sufficiently elevated to diminish the availability of oxygen, it may result in asphyxiation hazards for the local animal population. In proximity to aquatic environments, an abrupt and substantial leak introducing hydrogen into these systems could provoke alterations in the composition of dissolved gases, although the high volatility of hydrogen typically facilitates its rapid dissipation into the atmosphere [116].
Risk mitigation and management strategies for hydrogen systems encompass several fundamental methodologies. In relation to hydrogen leakage, the utilization of advanced sealing materials, components compatible with hydrogen, and real-time monitoring systems are employed, in conjunction with stringent maintenance protocols and comprehensive personnel training.
To counteract flammability and explosion hazards, ventilation systems and explosion-resistant equipment are employed, bolstered by well-defined emergency response plans and automatic shutdown mechanisms. Regarding high-pressure hazards, the design of storage tanks and pipelines incorporates safety margins, and routine pressure testing is performed, with the installation of pressure relief valves and burst discs to effectively manage overpressure incidents.
To alleviate the issue of material embrittlement, the use of resilient materials such as austenitic stainless steels and composites is advocated, alongside protective coatings, with components being monitored and replaced as necessary. In addressing operational and human error, emphasis is placed on operator training, automated systems, and the cultivation of a robust safety culture, supported by periodic audits. Finally, environmental risks are mitigated through appropriate containment measures, the recycling of components, environmental monitoring, and adherence to regulatory standards.

16. A Future Direction for This Work

Future innovations in hydrogen storage technologies ought to prioritize the development of advanced materials such as metal-organic frameworks (MOFs), borohydrides, and nanomaterials, which provide superior energy density and enhanced safety compared to traditional methodologies. Furthermore, hybrid storage strategies that amalgamate compressed gas, cryogenic hydrogen, and chemical carriers could significantly improve storage versatility, economic viability, and energy efficiency, thereby rendering hydrogen a more feasible option for large-scale energy applications.
The optimization of hydrogen pipeline infrastructure necessitates the mitigation of hydrogen embrittlement through the formulation of protective coatings that augment pipeline longevity and safety. Analysing the practicality of hydrogen blending within extant natural gas frameworks in contrast to the establishment of dedicated hydrogen pipelines may yield valuable insights into economically efficient transportation solutions. Moreover, refining hydrogen distribution paradigms by juxtaposing pipeline transmission, tube trailers, and liquefied hydrogen transport will assist in identifying the most effective and scalable approaches for extensive hydrogen deployment.
The integration of hydrogen farms with renewable energy sources necessitates the enhancement of electrolysis efficiency utilizing solar photovoltaic (PV) and wind energy, thereby ensuring consistent hydrogen production amid variable energy conditions. Hydrogen also possesses the potential to function as an energy buffer, thereby improving grid stability, particularly in off-grid or microgrid contexts where energy storage is of paramount importance. Additionally, executing life cycle assessments (LCA) will facilitate the evaluation of the economic feasibility and environmental repercussions of diverse green hydrogen storage and distribution methodologies, thereby promoting a more sustainable energy transition.
The assurance of hydrogen safety and regulatory adherence demands the deployment of artificial intelligence-driven leak detection and Internet of Things (IoT)-based monitoring systems for real-time risk management. Hydrogen farms must conform to international safety regulations such as ISO, ASME, NFPA, and ATEX to uphold operational safety and regulatory endorsement. Furthermore, evaluating public sentiment, addressing barriers to adoption, and promoting community engagement is essential for achieving widespread acceptance and ensuring the successful large-scale implementation of hydrogen infrastructure.

17. Conclusions

This research delineated the fundamental prerequisites for hydrogen storage and pipeline infrastructure within a hydrogen farm context, highlighting the dual imperatives of safety and operational efficacy. With an anticipated production capacity ranging from 200,000 to 220,000 m3/h, a resilient infrastructure is imperative to facilitate extensive hydrogen generation. The utilization of Type III hydrogen tanks, which are engineered to endure pressures of up to 700 bar, is effective for both high-pressure storage and expansive energy applications.
Health and safety considerations are of paramount importance across all phases of hydrogen storage and transportation. Considering hydrogen’s propensity for ignition, elevated diffusivity, and diminutive molecular dimensions, the implementation of stringent health and safety protocols is essential to effectively mitigate the associated risks. The implementation of effective leak detection and pressure relief systems is vital; an estimated 54 leak detectors and 216 pressure relief valves will be required to provide the necessary oversight and emergency response capabilities across the facility’s 108 storage tanks.
Furthermore, consideration of pipeline dimensions and pressure regulation for the transportation of both hydrogen and oxygen ensures distribution across the anticipated 15–50 km range. A pipe diameter of 14 inches was identified for the hydrogen gaseous pipeline and 18 inches for the oxygen pipeline. The results of the study advocate for a scalable hydrogen farm design that conforms to safety regulations and addresses critical logistical requirements for autonomy and exportation, thereby contributing to the establishment of a secure and sustainable hydrogen energy infrastructure.
The investigation of hydrogen transport pipelines and compression apparatus elucidates the difficulties linked to hydrogen’s low density, elevated diffusivity, and susceptibility to embrittlement. The research advocates for the implementation of reciprocating piston compressors due to their established efficacy and scalability in high-capacity hydrogen production and storage contexts.
The results underscore the imperative that hydrogen storage and transport technologies must advance with a primary focus on safety and capacity requirements. By systematically addressing these pivotal considerations, the sector can facilitate the establishment of a sustainable and robust hydrogen infrastructure, thereby propelling the hydrogen economy and aiding in the achievement of overarching energy transition objectives. An analysis of the economics of various storage and transportation options, and their impact on the hydrogen energy economy, will be conducted in future work. In contrast, a brief comparison of the costs of different storage and transportation modes has been conducted.
The combination of hydrogen production facilities with sustainable energy sources, including solar and wind power, is recognized as a pivotal approach for realizing decarbonization objectives, especially within the industrial and transportation domains. The research further underscores the necessity for interdisciplinary cooperation, adherence to regulatory frameworks, and active public participation to facilitate the secure and extensive implementation of hydrogen technologies.
This scholarly investigation significantly enhances the development of secure and efficient hydrogen storage and transportation mechanisms, thereby facilitating the extensive implementation of hydrogen energy solutions. By tackling the technical, economic, and safety challenges inherent in hydrogen infrastructure, this research bolsters the global shift towards a low-carbon energy future, following international decarbonization efforts and sustainable energy objectives. Subsequent research endeavours should prioritize the further optimization of storage materials, pipeline configurations, and compression technologies, while persistently improving safety regulations and frameworks to promote the expansion of the hydrogen economy.

Author Contributions

Conceptualization, E.A., P.H., and P.P.; investigation, E.A., P.H., and P.P.; writing—original draft preparation, E.A., P.H., and P.P.; writing—review and editing, E.A., P.H., and P.P.; supervision., P.H. and P.P. All authors have read and agreed to the published version of the manuscript.

Funding

This research received no external funding.

Data Availability Statement

The original contributions presented in this study are included in the article. Further inquiries can be directed to the corresponding authors.

Conflicts of Interest

The authors declare no conflicts of interest.

Nomenclature

CGH2Compressed Gaseous Hydrogen
IEAInternational Energy Agency
MHMetal Hydrides
FCVsFuel Cell Vehicles
FCEVsFuel Cell Electric Vehicles
SOPsStandard Operating Procedures
SDSSafety Data Sheets
COMAHControl of Major Accident Hazards

References

  1. Xie, Z.; Jin, Q.; Su, G.; Lu, W. A Review of Hydrogen Storage and Transportation: Progresses and Challenges. Energies 2024, 17, 4070. [Google Scholar] [CrossRef]
  2. Fan, Z. The Role of Hydrogen in Achieving Sustainable Energy Systems: Challenges and Opportunities. Highlights Sci. Eng. Technol. 2024, 116, 237–240. [Google Scholar] [CrossRef]
  3. Franco, A.; Rocca, M. Renewable Electricity and Green Hydrogen Integration for Decarbonization of “Hard-to-Abate” Industrial Sectors. Electricity 2024, 5, 471–490. [Google Scholar] [CrossRef]
  4. Rawesat, A.; Pilidis, P. ‘Greening’ an Oil Exporting Country: A Hydrogen, Wind and Gas Turbine Case Study. Energies 2024, 17, 1032. [Google Scholar] [CrossRef]
  5. Nuttall, W.J.; Powell, J.B.; Anaya-Stucchi, K.L.; Bakenne, A.T.; Wilson, A. Hydrogen in the Near Term. Insights into the New Hydrogen Economy; Springer: Cham, Switzerland, 2024; pp. 43–83. [Google Scholar] [CrossRef]
  6. dos Santos, K.A.; Jacob-Furlan, B.; da Silva, P.A.S.; Martins, L.S.; Sapucaia, M.B.-H.R.; Gonçalves, R.S.R.; Taher, D.M.; Balmant, W.; Vargas, J.V.C. AN ECONOMY BASED ON HYDROGEN AND ITS UTILIZATION IN RENEWABLE ENERGIES. Rev. Eng. Térmica 2024, 23, 35. [Google Scholar] [CrossRef]
  7. Qiu, J.; Jia, Y.; Zhou, J.; Zhu, Y.; Xia, R. Comprehensive Assessment System for Integrated Electricity-Hydrogen Energy Systems Considering Hydrogen Storage and Transportation. In Proceedings of the 2024 IEEE 2nd International Conference on Power Science and Technology (ICPST), Dali, China, 9–11 May 2024; pp. 1832–1836. [Google Scholar] [CrossRef]
  8. Li, M.; Ming, P.; Huo, R.; Mu, H. Economic assessment and comparative analysis of hydrogen transportation with various technical processes. J. Renew. Sustain. Energy 2023, 15, 25904. [Google Scholar] [CrossRef]
  9. Pereira, J.; Souza, R.; Oliveira, J.; Moita, A. Hydrogen Production, Transporting and Storage Processes—A Brief Review. Clean Technol. 2024, 6, 1260–1313. [Google Scholar] [CrossRef]
  10. Naseem, K.; Qin, F.; Khalid, F.; Suo, G.; Zahra, T.; Chen, Z.; Javed, Z. Essential parts of hydrogen economy: Hydrogen production, storage, transportation and application. Renew. Sustain. Energy Rev. 2024, 210, 115196. [Google Scholar] [CrossRef]
  11. Kotchourko, A.; Jordan, T. Hydrogen Safety for Energy Applications: Engineering Design, Risk Assessment, and Codes and Standards; Butterworth-Heinemann: Oxford, UK, 2022. [Google Scholar]
  12. Rawesat, A.; Musa, G. Pilidis. P. Transitioning from oil export to hydrogen via solar, wind, and heccgt. Ther Res Open Access 2024, 1, 1–23. [Google Scholar]
  13. Alssalehin, E.; Holborn, P.; Pilidis, P. Preliminary Assessment of a Hydrogen Farm Including Health and Safety and Capacity Needs. Energies 2024, 17, 6395. [Google Scholar] [CrossRef]
  14. Ali, I.; Hasan, S.Z.; Hozaifa, M.; Imanova, G.; Kurniawan, T.A. Recent Advances in Hydrogen Storage Methods. In Green Hydrogen Economy for Environmental Sustainability; ACS Publications: Washington, DC, USA, 2024; pp. 135–179. [Google Scholar] [CrossRef]
  15. Wang, C. Research Progress of Hydrogen Storage Materials. Highlights Sci. Eng. Technol. 2024, 83, 121–126. [Google Scholar] [CrossRef]
  16. Reynolds, J.; Ali, D.; Njuguna, J.; Amadhe, F. The State of the Art in Hydrogen Storage. Green Energy Environ. Technol. 2024, 3, 7–10. [Google Scholar] [CrossRef]
  17. Bishnoi, A.; Pati, S.; Sharma, P. Architectural design of metal hydrides to improve the hydrogen storage characteristics. J. Power Sources 2024, 608, 234609. [Google Scholar] [CrossRef]
  18. Barthelemy, H.; Weber, M.; Barbier, F. Hydrogen storage: Recent improvements and industrial perspectives. Int. J. Hydrogen Energy 2017, 42, 7254–7262. [Google Scholar] [CrossRef]
  19. Franco, A.; Giovannini, C. Hydrogen Gas Compression for Efficient Storage: Balancing Energy and Increasing Density. Hydrogen 2024, 5, 293–311. [Google Scholar] [CrossRef]
  20. Yanxing, Z.; Maoqiong, G.; Yuan, Z.; Xueqiang, D.; Jun, S. Thermodynamics analysis of hydrogen storage based on compressed gaseous hydrogen, liquid hydrogen and cryo-compressed hydrogen. Int. J. Hydrogen Energy 2019, 44, 16833–16840. [Google Scholar] [CrossRef]
  21. Rampai, M.M.; Mtshali, C.B.; Seroka, N.S.; Khotseng, L. Hydrogen production, storage, and transportation: Recent advances. RSC Adv. 2024, 14, 6699–6718. [Google Scholar] [CrossRef] [PubMed]
  22. Zou, J.; Han, N.; Yan, J.; Feng, Q.; Wang, Y.; Zhao, Z.; Fan, J.; Zeng, L.; Li, H.; Wang, H. Electrochemical Compression Technologies for High-Pressure Hydrogen: Current Status, Challenges and Perspective. Electrochem. Energy Rev. 2020, 3, 690–729. [Google Scholar] [CrossRef]
  23. Rivard, E.; Trudeau, M.; Zaghib, K. Hydrogen Storage for Mobility: A Review. Materials 2019, 12, 1973. [Google Scholar] [CrossRef] [PubMed]
  24. Abdalla, A.M.; Hossain, S.; Nisfindy, O.B.; Azad, A.T.; Dawood, M.; Azad, A.K. Hydrogen production, storage, transportation and key challenges with applications: A review. Energy Convers. Manag. 2018, 165, 602–627. [Google Scholar] [CrossRef]
  25. Lamari, F.D.; Weinberger, B.; Girodon-Boulandet, N.; Fagnon, N.; Batisse, R.; Briottet, L.; Langlois, P. High-pressure hydrogen storage for on-board applications and for coupling renewable energies to the electric grid. High Press. Res. 2009, 29, 660–664. [Google Scholar] [CrossRef]
  26. Leavitt, M.; Randolph, K.; Wozniak, G.; Gardner, M. Low Cost, High Efficiency, High Pressure Hydrogen Storage Final Report All Phases Completed; Quantum Fuel Systems Technologies Worldwide, Inc.: Irvine, CA, USA, 2004. [Google Scholar]
  27. Ping, A. Hydrogen Storage for Automotive Applications. Elektrotechnik Informationstechnik 2024, 122, 389–391. [Google Scholar] [CrossRef]
  28. Boretti, A. A market opportunity in power generation for hydrogen energy storage systems. Int. J. Hydrogen Energy 2024, 49, 166–172. [Google Scholar] [CrossRef]
  29. Barigozzi, G.; Brumana, G.; Franchini, G.; Ghirardi, E.; Ravelli, S. Techno-economic assessment of green hydrogen production for steady supply to industrial users. Int. J. Hydrogen Energy 2024, 59, 125–135. [Google Scholar] [CrossRef]
  30. Salmani, F.; Kesaeian, A.; Saberi, N.; Fereidooni, L.; Kim, H.D. Utilization of Hydrogen Energy for Power and Heat Generation. Encyclopedia of Renewable Energy, Sustainability and the Environment. In Encyclopedia of Renewable Energy, Sustainability and the Environment; Elsevier: Amsterdam, The Netherlands, 2024; pp. 195–208. [Google Scholar] [CrossRef]
  31. Chahrouri, R.; Colomar, D.; Jeanmougin, A.; Martinez-Abenojar, A. The COSMHYC Project Series: Innovative Hydrogen Compression Solutions. Chem. Ing. Tech. 2024, 96, 36–42. [Google Scholar] [CrossRef]
  32. Kumar, M. Investigation of Hydrogen Transport Properties through the Liner Material of 70 MPa Type IV Composite Overwrapped Pressure Vessels. Int. J. Press. Vessel. Pip. 2024, 208, 105150. [Google Scholar] [CrossRef]
  33. Zhu, S.; Ding, C.; Hu, X.; Tian, Y. Analysis of safety technical standards for hydrogen storage in fuel cell vehicles. Front. Energy Res. 2024, 12, 1376739. [Google Scholar] [CrossRef]
  34. Le, V.N.; Shukla, K.P.; Sarada, S. Renewable Energy: Conceptual Process Design of Green Hydrogen Production Systems Utilizing Offshore Wind Energy. In Proceedings of the Offshore Technology Conference, Houston, TX, USA, 6–9 May 2024. [Google Scholar] [CrossRef]
  35. Di Silvestre, M.L.; Ippolito, M.G.; Massaro, F.; Montana, F.; Sanseverino, E.R.; Ruffino, S. Hydrogen Utilization in Industry. A Cost Comparison between On-Site Production and External Supply. In Proceedings of the 2023 Asia Meeting on Environment and Electrical Engineering (EEE-AM), Hanoi, Vietnam, 13–15 November 2023; pp. 1–6. [Google Scholar] [CrossRef]
  36. Bouhala, L.; Karatrantos, A.; Reinhardt, H.; Schramm, N.; Akin, B.; Rauscher, A.; Mauersberger, A.; Taşkıran, S.T.; Ulaşlı, M.E.; Aktaş, E.; et al. Advancement in the Modeling and Design of Composite Pressure Vessels for Hydrogen Storage: A Comprehensive Review. J. Compos. Sci. 2024, 8, 339. [Google Scholar] [CrossRef]
  37. He, M.; Lv, C.; Wu, J.; Li, Z.; Zhou, H.; Wang, J.; Zhang, M.; Gong, L. Design and development of vehicle cryo-compressed hydrogen storage vessel. IOP Conf. Series Mater. Sci. Eng. 2024, 1301, 12056. [Google Scholar] [CrossRef]
  38. Tong, G.; Zhu, X.; Liu, Y.; Lv, F.; Lu, X. Research on the Sealing Mechanism of Split-Liner High-Pressure Hydrogen Storage Cylinders. Processes 2024, 12, 554. [Google Scholar] [CrossRef]
  39. Barthélémy, H. Hydrogen storage—Industrial prospectives. Int. J. Hydrogen Energy 2012, 37, 17364–17372. [Google Scholar] [CrossRef]
  40. Nachtane, M.; Tarfaoui, M.; Abichou, M.A.; Vetcher, A.; Rouway, M.; Aâmir, A.; Mouadili, H.; Laaouidi, H.; Naanani, H. An Overview of the Recent Advances in Composite Materials and Artificial Intelligence for Hydrogen Storage Vessels Design. J. Compos. Sci. 2023, 7, 119. [Google Scholar] [CrossRef]
  41. Almeida, J.J.H.S.; Faria, H.; Marques, A.T.; Amico, S.C. Load sharing ability of the liner in type III composite pressure vessels under internal pressure. J. Reinf. Plast. Compos. 2014, 33, 2274–2286. [Google Scholar] [CrossRef]
  42. Bouhala, L.; Koutsawa, Y.; Karatrantos, A.; Bayreuther, C. Design of Type-IV Composite Pressure Vessel Based on Comparative Analysis of Numerical Methods for Modeling Type-III Vessels. J. Compos. Sci. 2024, 8, 40. [Google Scholar] [CrossRef]
  43. Blanc-Vannet, P.; Papin, P.; Weber, M.; Renault, P.; Pepin, J.; Lainé, E.; Tantchou, G.; Castagnet, S.; Grandidier, J.-C. Sample scale testing method to prevent collapse of plastic liners in composite pressure vessels. Int. J. Hydrogen Energy 2019, 44, 8682–8691. [Google Scholar] [CrossRef]
  44. Huang, Q.; Li, X.; Li, J.; Liu, Y.; Li, X.; Zhu, C. Overview of Standards on Pressure Cycling Test for On-Board Composite Hydrogen Storage Cylinders. In Proceedings of the ASME 2022 Pressure Vessels & Piping Conference, Las Vegas, NV, USA, 17–22 July 2022; Volume 1. [Google Scholar] [CrossRef]
  45. Li, F.; Chen, X.; Fan, Z.; Xu, P.; Tao, J.; Wang, Z. Prediction of Burst Pressure for Type IV High-Pressure Hydrogen Storage Vessel Based on Adaptive Meshing Method. In Proceedings of the ASME 2024 Pressure Vessels & Piping Conference, Bellevue, WA, USA, 28 July–2 August 2024; Volume 2. [Google Scholar] [CrossRef]
  46. Li, C.; Zhang, J.; Wang, X.; Zhang, Y.; Jin, S. Effect of refueling parameters on state of charge and temperature rise of hydrogen cylinders undergoing fast-filling. J. Physics Conf. Ser. 2024, 2823, 12017. [Google Scholar] [CrossRef]
  47. Li, X.; Huang, Q.; Liu, Y.; Zhao, B.; Li, J. Review of the Hydrogen Permeation Test of the Polymer Liner Material of Type IV On-Board Hydrogen Storage Cylinders. Materials 2023, 16, 5366. [Google Scholar] [CrossRef] [PubMed]
  48. Cheng, Q.; Zhang, R.; Shi, Z.; Lin, J. Review of common hydrogen storage tanks and current manufacturing methods for aluminium alloy tank liners. Int. J. Light. Mater. Manuf. 2024, 7, 269–284. [Google Scholar] [CrossRef]
  49. Qureshi, F.; Yusuf, M.; Khan, M.A.; Ibrahim, H.; Ekeoma, B.C.; Kamyab, H.; Rahman, M.M.; Nadda, A.K.; Chelliapan, S. A State-of-The-Art Review on the Latest trends in Hydrogen production, storage, and transportation techniques. Fuel 2023, 340, 127574. [Google Scholar] [CrossRef]
  50. Muhammed, N.S.; Gbadamosi, A.O.; Epelle, E.I.; Abdulrasheed, A.A.; Haq, B.; Patil, S.; Al-Shehri, D.; Kamal, M.S. Hydrogen production, transportation, utilization, and storage: Recent advances towards sustainable energy. J. Energy Storage 2023, 73, 109207. [Google Scholar] [CrossRef]
  51. Nazir, H.; Muthuswamy, N.; Louis, C.; Jose, S.; Prakash, J.; Buan, M.E.; Flox, C.; Chavan, S.; Shi, X.; Kauranen, P.; et al. Is the H2 economy realizable in the foreseeable future? Part III: H2 usage technologies, applications, and challenges and opportunities. Int. J. Hydrogen Energy 2020, 45, 28217–28239. [Google Scholar] [CrossRef] [PubMed]
  52. SENZA R&D TEAM. Four Hydrogen Storage and Transportation Technology Status. 2023. Available online: https://senzahydrogen.com/four-hydrogen-storage-and-transportation-technology-status/ (accessed on 24 February 2025).
  53. An, Y.; Loh, T.Y.; Bhaskara, P.S.; Sin, S.M.I. Review of safety regulations, codes, and standards (RCS) for hydrogen distribution and application. Int. J. Green Energy 2024, 21, 1757–1765. [Google Scholar] [CrossRef]
  54. Elsebeiy, O.M. Computational Predictions of Permeability, Diffusivity & Welding Integrity in Hydrogen Pipelines. In Proceedings of the Mediterranean Offshore Conference, Alexandria, Egypt, 20–22 October 2024. [Google Scholar] [CrossRef]
  55. Briottet, L.; Moro, I.; Lemoine, P. Quantifying the hydrogen embrittlement of pipeline steels for safety considerations. Int. J. Hydrogen Energy 2012, 37, 17616–17623. [Google Scholar] [CrossRef]
  56. Muellerlanger, F.; Tzimas, E.; Kaltschmitt, M.; Peteves, S. Techno-economic assessment of hydrogen production processes for the hydrogen economy for the short and medium term. Int. J. Hydrogen Energy 2007, 32, 3797–3810. [Google Scholar] [CrossRef]
  57. Guo, Z.; Shang, C.; Aguey-Zinsou, K. Materials challenges for hydrogen storage. J. Eur. Ceram. Soc. 2008, 28, 1467–1473. [Google Scholar] [CrossRef]
  58. Liu, S.; Zhou, J.; Liang, G.; Du, P.; Li, Z.; Li, C. Optimizing large-scale hydrogen storage: A novel hybrid genetic algorithm approach for efficient pipeline network design. Int. J. Hydrogen Energy 2024, 66, 430–444. [Google Scholar] [CrossRef]
  59. Kim, J.; Boo, K.; Cho, J.; Moon, I. Key challenges in the development of an infrastructure for hydrogen production, delivery, storage and use. In Advances in Hydrogen Production, Storage and Distribution; Woodhead Publishing: Sawston, UK, 2014; pp. 3–31. [Google Scholar]
  60. Qazi, U.Y. Future of Hydrogen as an Alternative Fuel for Next-Generation Industrial Applications; Challenges and Expected Opportunities. Energies 2022, 15, 4741. [Google Scholar] [CrossRef]
  61. Li, Z.; Gao, D.; Chang, L.; Liu, P.; Pistikopoulos, E.N. Hydrogen infrastructure design and optimization: A case study of China. Int. J. Hydrogen Energy 2008, 33, 5275–5286. [Google Scholar] [CrossRef]
  62. Bertuccioli, L.; Chan, A.; Hart, D.; Lehner, F.; Madden, B.; Standen, E. Development of Water Electrolysis in the European Union. Final Report Fuel cells and hydrogen Joint undertaking E4tech Sàrl with Element Energy Ltd for the Fuel Cells and Hydrogen Joint Undertaking From To? 2014. Available online: www.e4tech.com (accessed on 29 October 2024).
  63. Ye, J.; He, Y.; Du, Z.; Ji, R.; Xie, J.; Liu, J. The transient flow and heat transfer characteristics in reciprocated conditions of hydraulic-driven piston hydrogen compressor in hydrogen storage system. J. Energy Storage 2024, 89, 111662. [Google Scholar] [CrossRef]
  64. Dornheim, M.; Baetcke, L.; Akiba, E.; Ares, J.-R.; Autrey, T.; Barale, J.; Baricco, M.; Brooks, K.; Chalkiadakis, N.; Charbonnier, V.; et al. Research and development of hydrogen carrier based solutions for hydrogen compression and storage. Prog. Energy 2022, 4, 42005. [Google Scholar] [CrossRef]
  65. Orlova, S.; Mezeckis, N.; Vasudev, V.P.K. Compression of Hydrogen Gas for Energy Storage: A Review. Latv. J. Phys. Tech. Sci. 2023, 60, 4–16. [Google Scholar] [CrossRef]
  66. Almasi, A. Latest practical notes and recent lessons learned on reciprocating compressors. Aust. J. Mech. Eng. 2016, 14, 138–150. [Google Scholar] [CrossRef]
  67. Cieslik, J.; Kula, P.; Filipek, S. Research on compressor utilizing hydrogen storage materials for application in heat treatment facilities. J. Alloys Compd. 2009, 480, 612–616. [Google Scholar] [CrossRef]
  68. Bredbeck, K.; Kirchhoff, D.; Nuss, E.; Seeger, M.; Stabenow, U.; Woltmann, F. Reciprocating-Piston Machine, Compressed-Air Supply Installation, Compressed-Air Supply System, and Vehicle. U.S. Patent 10,704,542, 7 July 2020. [Google Scholar]
  69. Nordio, M.; Rizzi, F.; Manzolini, G.; Mulder, M.; Raymakers, L.; Annaland, M.V.S.; Gallucci, F. Experimental and modelling study of an electrochemical hydrogen compressor. Chem. Eng. J. 2019, 369, 432–442. [Google Scholar] [CrossRef]
  70. Tarasov, B.P.; Bocharnikov, M.S.; Yanenko, Y.B.; Fursikov, P.V.; Minko, K.B.; Lototskyy, M.V. Metal hydride hydrogen compressors for energy storage systems: Layout features and results of long-term tests. J. Physics Energy 2020, 2, 24005. [Google Scholar] [CrossRef]
  71. Tian, Z.; Lv, H.; Zhou, W.; Zhang, C.; He, P. Review on equipment configuration and operation process optimization of hydrogen refueling station. Int. J. Hydrogen Energy 2022, 47, 3033–3053. [Google Scholar] [CrossRef]
  72. Jörissen, L. Fuels—Introduction|Hydrogen Industrial Use. Encyclopedia of Electrochemical Power Sources. In Encyclopedia of Electrochemical Power Sources, 2nd ed.; Elsevier: Amsterdam, The Netherlands, 2024; pp. 161–170. [Google Scholar] [CrossRef]
  73. Worku, A.K.; Ayele, D.W.; Deepak, D.B.; Gebreyohannes, A.Y.; Agegnehu, S.D.; Kolhe, M.L. Recent Advances and Challenges of Hydrogen Production Technologies via Renewable Energy Sources. Adv. Energy Sustain. Res. 2024, 5, 2300273. [Google Scholar] [CrossRef]
  74. Institute of Jet Propulsion and Turbomachinery; Hinz, L.; Goeing, J.; Friedrichs, J. Introduction of a preliminary compressor design and investigation of the influence of fluid properties on compressor performance for mechanical vapor compression. In Proceedings of the Global Power and Propulsion Society, Chania, Greece, 4–6 September 2024. [Google Scholar] [CrossRef]
  75. Venkatachalam, R.S.; Ganiger, M.; Toni, L.; Guglielmo, A.; Biliotti, D.; Miris, L. Numerical and Experimental Aeromechanic Study in High Frequency Domain of Hydrogen Compressor. In Proceedings of the ASME Turbo Expo 2024: Turbomachinery Technical Conference and Exposition, London, UK, 24–28 June 2024; Volume 10. [Google Scholar] [CrossRef]
  76. Scarpellini, E.; Traversari, A. Hydrogen Compressors: A Few Technical Challenges. In Proceedings of the 13th International Conference on Compressors and Their Systems, London, UK, 11–13 September 2023; pp. 729–739. [Google Scholar] [CrossRef]
  77. Wan, L.; Liu, J.; Xu, Z.; Xu, Q.; Pang, M.; Wang, P.; Wang, B. Construction of Integrated Electrodes with Transport Highways for Pure-Water-Fed Anion Exchange Membrane Water Electrolysis. Small 2022, 18, e2200380. [Google Scholar] [CrossRef]
  78. Meixner, D.L.; Brengel, D.D.; Henderson, B.T.; Abrardo, J.M.; Wilson, M.A.; Taylor, D.M.; Cutler, R.A. Electrochemical Oxygen Separation Using Solid Electrolyte Ion Transport Membranes. J. Electrochem. Soc. 2002, 149, D132–D136. [Google Scholar] [CrossRef]
  79. Yang, X.Y. Research on Design and Construction Issues of Oxygen Pipeline in Chemical Plant. Appl. Mech. Mater. 2014, 716–717, 809–812. [Google Scholar] [CrossRef]
  80. Acosta, N.A.; Gómez, L.E.R.; Díaz, M.Á. Effect of oxygen injection in a reclaimed wastewater pipeline on the microbiological quality of water. Environ. Technol. 2012, 33, 497–505. [Google Scholar] [CrossRef]
  81. Saade, M.; Mustapha, S. Monitoring of the Operational Conditions in Steel Pipes Using Fiber Optic Sensors. In Structural Health Monitoring; Materials Research Forum: Millersville, PA, USA, 2021; pp. 146–153. [Google Scholar] [CrossRef]
  82. Giddey, S.; Ciacchi, F.; Badwal, S. High purity oxygen production with a polymer electrolyte membrane electrolyser. J. Membr. Sci. 2010, 346, 227–232. [Google Scholar] [CrossRef]
  83. Kakavand, A.; Sayadi, S.; Tsatsaronis, G.; Behbahaninia, A. Techno-economic assessment of green hydrogen and ammonia production from wind and solar energy in Iran. Int. J. Hydrogen Energy 2023, 48, 14170–14191. [Google Scholar] [CrossRef]
  84. World Economic Forum. Energy Transition. 2024. Available online: https://www.weforum.org/stories/2024/05/hydrogen-hidden-costs-energy-transition/ (accessed on 12 February 2025).
  85. Restelli, F.; Spatolisano, E.; Pellegrini, L.A.; de Angelis, A.R.; Cattaneo, S.; Roccaro, E. Detailed techno-economic assessment of ammonia as green H2 carrier. Int. J. Hydrogen Energy 2024, 52, 532–547. [Google Scholar] [CrossRef]
  86. Uijthof, E.M.T.; Chavan, B.S.; Sluijer, M.J.; Komath, V.C.; van der Ham, A.G.J.; Berg, H.v.D.; Lange, J.; Higler, A.; Wijnans, S. Liquid organic hydrogen carriers: Process design and economic analysis for manufacturing N-ethylcarbazole. J. Adv. Manuf. Process. 2024, 6, e10173. [Google Scholar] [CrossRef]
  87. Brown, D.; Reddi, K.; Elgowainy, A. The development of natural gas and hydrogen pipeline capital cost estimating equations. Int. J. Hydrogen Energy 2022, 47, 33813–33826. [Google Scholar] [CrossRef]
  88. Magliano, A.; Carrera, C.P.; Pappalardo, C.M.; Guida, D.; Berardi, V.P. A Comprehensive Literature Review on Hydrogen Tanks: Storage, Safety, and Structural Integrity. Appl. Sci. 2024, 14, 9348. [Google Scholar] [CrossRef]
  89. Rao, A.V.R.; Srividya, R.; Sameera, V.S.; Bethi, B.; Prasad, K.S.N.V.; Srinivas, T.; Ganesh, B.; Praveen, B.V.S. Chapter 12 Safety first: Managing hydrogen in production, handling, and applications. In Sustainable Hydrogen Energy; De Gruyter: Berlin, Germany, 2024; pp. 275–304. [Google Scholar] [CrossRef]
  90. Gennaro, M.E.; Iorio, V.S.; Todesco, F.; Pontarollo, A.; Torri, L.; Nutricato, G.; Bianchi, M. Breaking Ground: Electrochemical Techniques for Rapid and User-Friendly Evaluation of Material Compatibility in Hydrogen Infrastructure. In Proceedings of the ADIPEC, Abu Dhabi, United Arab Emirates, 4–7 November 2024. [Google Scholar] [CrossRef]
  91. Kim, J.H.; Park, S.W.; Seo, J.K. An Experimental Study on the Diffusion Characteristics of Hydrogen by Ventilation System. In Proceedings of the ASME 2024 43rd International Conference on Ocean, Offshore and Arctic Engineering, Singapore, 9–14 June 2024. [Google Scholar] [CrossRef]
  92. Kleszcz, S.; Assadi, M. Hydrogen safety considerations: Mitigating risks and securing operations in enclosed spaces. IOP Conf. Ser. Mater. Sci. Eng. 2023, 1294, 12057. [Google Scholar] [CrossRef]
  93. Askar, P.; Kanzhigitova, D.; Ospanova, A.; Tapkharov, A.; Duisenbekov, S.; Abutalip, M.; Soltabayev, B.; Turlybekuly, A.; Adilov, S.; Nuraje, N. 1 ppm-detectable hydrogen gas sensor based on nanostructured polyaniline. Sci. Rep. 2024, 14, 26984. [Google Scholar] [CrossRef]
  94. Grasso, N.; Pilo, F.; Ciannelli, N.; Carcassi, M.; Mattei, N.; Ceccherini, F. Fire prevention technical rule for gaseous hydrogen transport in pipelines. Int. J. Hydrogen Energy 2009, 34, 4675–4683. [Google Scholar] [CrossRef]
  95. Abohamzeh, E.; Salehi, F.; Sheikholeslami, M.; Abbassi, R.; Khan, F. Review of hydrogen safety during storage, transmission, and applications processes. J. Loss Prev. Process. Ind. 2021, 72, 104569. [Google Scholar] [CrossRef]
  96. Chakr, N.; Sav, A. The role of personal protective equipment (PPE) in reducing firefighter exposure to chemical hazards: A systematic review. J. Occup. Environ. Hyg. 2024, 21, 831–841. [Google Scholar] [CrossRef] [PubMed]
  97. Campari, A.; Schiaroli, A.; Alvaro, A.; Ustolin, F.; Cozzani, V.; Paltrinieri, N. Risk-Based Inspection and Maintenance of a Liquid Hydrogen Bunkering Facility. In Proceedings of the ASME 2024 43rd International Conference on Ocean, Offshore and Arctic Engineering, Singapore, 9–14 June 2024. [Google Scholar] [CrossRef]
  98. Sun, K.; Li, Z. Development of emergency response strategies for typical accidents of hydrogen fuel cell electric vehicles. Int. J. Hydrogen Energy 2021, 46, 37679–37696. [Google Scholar] [CrossRef]
  99. Mizuta, Y.; Sumino, M.; Kunito, Y.; Shiota, K.; Izato, Y.; Miyake, A. Emergency evacuation model assuming leakage of toxic substances in a chemical plant. J. Loss Prev. Process. Ind. 2020, 68, 104287. [Google Scholar] [CrossRef]
  100. Eltyshev, I.P.; Russia, S.F.A.O.E.O.; Kopylov, P.S.; Kopylov, S.N.; Meshcheryakov, A.V. All-Russian Research Institute for Fire Protection EMERCOM of Russia Evaluating efficiency of methods ensuring fire and explosion safety of hydrogen-powered transport. Fire Emergencies Prev. Élimin. 2022, 2, 19–26. [Google Scholar] [CrossRef]
  101. Whitfield, A. COMAH and the Environment: Lessons Learned from Major Accidents 1999–2000. Process. Saf. Environ. Prot. 2002, 80, 40–46. [Google Scholar] [CrossRef]
  102. ISO 19880-1:2020; Gaseous Hydrogen—Fuelling Stations—Part 1: General Requirements. International Organization for Standardization: Geneva, Switzerland, 2020. Available online: https://www.iso.org/standard/71940.html?utm_source=chatgpt.com (accessed on 24 February 2025).
  103. ISO/TR 15916:2015; Basic Considerations for the Safety of Hydrogen Systems. International Organization for Standardization: Geneva, Switzerland, 2015. Available online: https://www.iso.org/standard/56546.html?utm_source=chatgpt.com (accessed on 24 February 2025).
  104. Yang, Y.; Xu, H.; Lu, Q.; Bao, W.; Lin, L.; Ai, B.; Zhang, B. Development of Standards for Hydrogen Storage and Transportation. In Proceedings of the 2020 5th International Conference on Advances in Energy and Environment Research (ICAEER 2020), Shanghai, China, 18–20 September 2020; p. 2018. [Google Scholar] [CrossRef]
  105. Mair, G.; Becker, B.; John, S.; Duffner, E. Composite storage systems for compressed hydrogen—Systematic improvement of regulations for more attractive storage units. Int. J. Hydrogen Energy 2020, 45, 13672–13679. [Google Scholar] [CrossRef]
  106. Kang, J.; Wang, H.; Jin, H.; Wang, Z.; Zhang, J. Risk analysis and management of hydrogen station fire and explosion accidents using DEMATEL-ISM and complex network models. Int. J. Hydrogen Energy 2024. [Google Scholar] [CrossRef]
  107. Cao, W.; Li, W.; Yu, S.; Zhang, Y.; Shu, C.-M.; Liu, Y.; Luo, J.; Bu, L.; Tan, Y. Explosion venting hazards of temperature effects and pressure characteristics for premixed hydrogen-air mixtures in a spherical container. Fuel 2021, 290, 120034. [Google Scholar] [CrossRef]
  108. Joshi, S.; Sah, A.; Hait, S. Significant Experimental Hazard: Safety Data Sheet (SDS). In Practical Biochemistry; Bentham Science Publishers: Sharjah, United Arab Emirates, 2024; pp. 288–298. [Google Scholar] [CrossRef]
  109. Bai, M.; Du, X.; Li, J.; Shu, C.; Feng, W.; Li, B.; Liu, Y. A risk-based evaluation of safe distance for a hydrogen refueling station. Process. Saf. Prog. 2024, 43, 478–493. [Google Scholar] [CrossRef]
  110. Wang, Q.; Sun, Y.; Shu, C.-M.; Jiang, J.; Zhang, M.; Wang, Q.; Wang, X. Effect of separation distance on gas dispersion and vapor cloud explosion in a storage tank farm determined using computational fluid dynamics. J. Loss Prev. Process. Ind. 2020, 68, 104282. [Google Scholar] [CrossRef]
  111. Rawesat, A.; Mohammed, M.; Impey, S.; Pilidis, P. Ecol Conserv Sci Greening an Oil Exporting Country: Libyan Hydrogen, Solar and Gas Turbine Case Study. Ecol. Conserv. Sci. 2024, 4. [Google Scholar] [CrossRef]
  112. van’t Noordende, H.; Ripson, P. A One-GigaWatt Green-Hydrogen Plant-Advanced Design and Total Installed-Capital Costs; Institute for Sustainable Process Technology: Amersfoort, The Netherlands, 2022. [Google Scholar]
  113. International Gas Detectors. Flammable Gases. 2024. Available online: https://www.internationalgasdetectors.com/gases/flammable-gases/?utm_source=chatgpt.com (accessed on 13 February 2025).
  114. DELPHIAN Detection Technology. Combustible Gas Monitors. 2024. Available online: https://www.delphian.com/chc.htm?utm_source=chatgpt.com (accessed on 13 February 2025).
  115. Khdhiri, M.; Piché-Choquette, S.; Tremblay, J.; Tringe, S.G.; Constant, P. The Tale of a Neglected Energy Source: Elevated Hydrogen Exposure Affects both Microbial Diversity and Function in Soil. Appl. Environ. Microbiol. 2017, 83, e00275-17. [Google Scholar] [CrossRef] [PubMed]
  116. Beghoura, H.; Gorgues, T.; Fransner, F.; Auger, P.-A.; Memery, L. Contrasting responses of the ocean’s oxygen minimum zones to artificial re-oxygenation. Environ. Res. Lett. 2023, 18, 84012. [Google Scholar] [CrossRef]
Figure 1. Hydrogen storage system.
Figure 1. Hydrogen storage system.
Energies 18 01167 g001
Figure 2. Hydrogen applications.
Figure 2. Hydrogen applications.
Energies 18 01167 g002
Figure 3. Clusters of tanks used for hydrogen storage.
Figure 3. Clusters of tanks used for hydrogen storage.
Energies 18 01167 g003
Table 1. Comparison of hydrogen storage methods.
Table 1. Comparison of hydrogen storage methods.
Storage Method Description Efficiency Advantages Disadvantages
Compressed gaseous hydrogen (CGH2)Hydrogen gas stored under high pressure in tanks [18]~94%Mature technology suitable for mobile and industrial applications [19]Requires high-strength materials, a lower energy density than liquid hydrogen [19]
Liquid hydrogen (LH2)Hydrogen cooled to cryogenic temperature (−253 °C) and stored as a liquid [20] 60–70%High energy density, effective for bulk storage and transportation [21] High energy consumption for liquefaction, boil-off losses [21]
Metal hydrides Hydrogen absorbed into/onto metal alloys, forming a solid compound [22]60–70%High volumetric hydrogen density low operating pressure [23]Heavy materials, slow absorption/desorption kinetics [23]
Table 2. Comparison of hydrogen tanks.
Table 2. Comparison of hydrogen tanks.
Criteria Type IType IIType III Type IV
WeightHeaviest Lighter than Type I Lighter than Type II Lightest
Cost Least expensive More expensive than Type ICostlier due to composite materials Costliest due to advanced materials and technologies
Applications Suitable for stationary and industrial applications Suitable for stationary and industrial applications Ideal for mobile applications, such as transportation and aircraft Ideal for mobile applications; particularly weight and strength are crucial
Table 3. Delineates the various characteristics of transportation modalities [51,52].
Table 3. Delineates the various characteristics of transportation modalities [51,52].
Method Development StageAdvantagesDisadvantages
Tube TrailerMatureEasy to scale, flexibleCapacity limitations
PipelineMatureEfficient operating cost, large capacity carryingHigh capital investment, leakage issues, limited geographic reach
Liquid TransportationAdvancedHigh energy density, developed technologyHigh energy consumption, liquefaction losses
Hydrogen Carrier TransportationDevelopingEasy to handle transportation and storage capabilitiesHigh temperature required, high energy consumption
Table 4. Comparison of hydrogen compressors.
Table 4. Comparison of hydrogen compressors.
Feature/CriteriaReciprocating Piston Compressors Electrochemical Hydrogen Compressors Hydride Compressors
Proven for High ThroughputExceptionally appropriate for extensive operational frameworks, adeptly managing elevated flow rates with efficacy [66]Restricted scalability; more appropriately aligned with small to medium-sized applications [22]Suboptimal owing to protracted cycles and limitations of materials [67]
Pressure Capability Generally, attains pressures ranging from 350 to 700 bar; dependable for requirements related to storage and transportation [66]It can attain pressures of up to 1000 bar; however, this capability necessitates a greater capital cost [22]Inadequate pressure tolerances: contingent upon the properties of the material and the thermal processing methods employed [67]
ScalabilityThe architecture exhibits remarkable scalability for multi-tier configurations aimed at enhancing operational efficiency [68]Presenting significant obstacles for extensive hydrogen farms; constrained processing capacity [22]Inadequate scalability; optimal for specialized or diminutive applications [67]
Maintenance RequirementsIt demands consistent upkeep; components in motion are prone to deterioration [66]Negligible upkeep is attributable to the lack of mechanical elements [69]The maintenance requirements are minimal; however, there are limitations imposed by the costs associated with hydride materials and their durability [70]
Technology Maturity Fully developed and comprehensively comprehended; extensively utilized in industrial contexts [68]Advancing technology; presently in the process of enhancement for extensive application [69]Insufficiently developed; predominantly employed for niche or safety-sensitive applications [70]
Cost Efficiency The operational expenses in high-volume contexts exhibit a competitive nature, although the initial capital expenditures may be substantialSignificant capital expenditures: the efficacy of operations is advantageous in specialized contexts [69]The elevated expense associated with raw materials constrains the comprehensive cost-effectiveness [70]
Best Use Case Optimal for extensive hydrogen farms necessitating dependability and the capacity for expansion [68]Appropriate for applications requiring small to medium-scale operations or specialized ultra-high-pressure requirements [69]Optimal for specialized applications or operations that are critical to safety on a limited scale [70]
Table 5. Comparison of the cost of different storage and transportation modes.
Table 5. Comparison of the cost of different storage and transportation modes.
Mode CAPEX OPEX/Delivery
Compressed gas USD 350/kg (tank cost) [83]USD 3.5/kg for tube trailer (short range) [83]
Liquefied H2USD 200–500 M for 20–50 t/d [84]USD 1–3/kg for trucking or shipping [84]
Ammonia Synthesis and cracking add USD 1–2/kg [85]USD 0.3–0.6/kg shipping (intercontinental) [85]
Liquid organic hydrogen carrierCapex for hydrogenation and dehydrogenation plants USD 200 million [86]USD 2–3/kg total (incl. conversion steps) [86]
Pipeline USD 0.5–1.5 M/km for new H2 lines [87]USD 0.1–0.5/kg (large throughput) [87]
Disclaimer/Publisher’s Note: The statements, opinions and data contained in all publications are solely those of the individual author(s) and contributor(s) and not of MDPI and/or the editor(s). MDPI and/or the editor(s) disclaim responsibility for any injury to people or property resulting from any ideas, methods, instructions or products referred to in the content.

Share and Cite

MDPI and ACS Style

Alssalehin, E.; Holborn, P.; Pilidis, P. Assessment of Hydrogen Storage and Pipelines for Hydrogen Farm. Energies 2025, 18, 1167. https://doi.org/10.3390/en18051167

AMA Style

Alssalehin E, Holborn P, Pilidis P. Assessment of Hydrogen Storage and Pipelines for Hydrogen Farm. Energies. 2025; 18(5):1167. https://doi.org/10.3390/en18051167

Chicago/Turabian Style

Alssalehin, Esmaeil, Paul Holborn, and Pericles Pilidis. 2025. "Assessment of Hydrogen Storage and Pipelines for Hydrogen Farm" Energies 18, no. 5: 1167. https://doi.org/10.3390/en18051167

APA Style

Alssalehin, E., Holborn, P., & Pilidis, P. (2025). Assessment of Hydrogen Storage and Pipelines for Hydrogen Farm. Energies, 18(5), 1167. https://doi.org/10.3390/en18051167

Note that from the first issue of 2016, this journal uses article numbers instead of page numbers. See further details here.

Article Metrics

Back to TopTop